化纤工艺公司物资采购员职务说明书
- 格式:doc
- 大小:56.00 KB
- 文档页数:6
采购员岗位说明书一、职位介绍采购员是指负责采购物资、设备和服务等各类物品的专业人员。
其主要职责是根据公司需求和预算制定采购计划,协调供应商、销售团队和仓储团队进行采购工作,并保证采购过程的高效和质量。
二、工作职责1. 制定采购计划:根据公司需求和预算,制定合理的采购计划,包括物品种类、数量和价格等。
2. 寻找供应商:寻找潜在的供应商,并进行评估和筛选,以确保供应商的信誉和产品质量。
3. 谈判采购合同:与供应商进行谈判,协商合理的采购价格和供应条件,并签订采购合同。
4. 跟踪采购进度:与供应商保持沟通,跟踪采购进度,确保物品按时到达,并解决可能出现的问题。
5. 处理采购异常情况:处理采购中的异常情况,如供应商延迟交货、产品质量问题等,保证公司利益。
6. 评估供应商绩效:对供应商的绩效进行评估和监控,及时反馈供应商的问题和改进意见。
7. 优化采购流程:通过合理的物流管理和供应链管理,优化采购流程,提高采购效率和质量。
8. 报表与数据统计:及时生成采购报表,整理和统计相关数据,为公司决策提供依据。
三、任职要求1. 专业知识:具备相关专业背景知识,如采购管理、供应链管理、贸易等。
2. 沟通能力:良好的沟通和协调能力,能够与供应商、销售团队和仓储团队保持有效的沟通。
3. 谈判技巧:具备一定的谈判能力,能够与供应商协商合适的价格和供应条件。
4. 时间管理:能够合理安排时间,高效完成采购任务。
5. 风险意识:具备风险识别和应对能力,能够及时应对采购中可能出现的问题和挑战。
6. 数据处理能力:熟练运用办公软件,处理和分析采购相关数据。
7. 团队合作:具备团队合作精神,能够与团队成员紧密合作,共同完成采购任务。
四、发展前景采购员是企业运作中不可或缺的一员,随着企业的发展和行业的进步,采购岗位的需求也会不断增长。
在工作中,采购员可以通过不断学习和积累经验,逐步晋升为采购经理、采购总监等职位,并参与公司决策和战略规划。
岗位说明书(采购员)
岗位概述:
采购员是公司采购部门的重要成员,负责根据公司需求,采购物料、设备和服务,以确保公司生产和运营的顺利进行。
采购员需要具备良好的沟通能力、谈判技巧和市场洞察力,以及对供应链管理和成本控制的理解。
岗位职责:
1. 根据公司需求,制定采购计划并执行采购流程,包括寻找合适的供应商、与
供应商谈判价格和交货条件、签订采购合同等。
2. 负责与供应商建立和维护良好的合作关系,确保供应商能够按时交付符合质
量标准的物料和设备。
3. 跟踪市场价格变化,及时调整采购策略,以确保公司采购成本的控制。
4. 处理采购过程中的问题和纠纷,确保采购流程的顺利进行。
5. 协助制定公司的采购政策和流程,提出改进建议,以提高采购效率和降低成本。
任职要求:
1. 本科及以上学历,专业不限,有采购或供应链管理相关经验者优先。
2. 具备良好的沟通能力和谈判技巧,能够有效与供应商进行合作和沟通。
3. 具备较强的市场洞察力和成本控制意识,能够根据市场变化调整采购策略。
4. 具备较强的责任心和团队合作精神,能够承担工作压力并有效完成工作任务。
5. 熟练使用办公软件和采购管理软件,具备一定的数据分析能力。
以上岗位说明仅供参考,具体要求可根据公司实际情况进行调整。
化纤企业采购经理岗位说明书一、岗位概述化纤企业采购经理是负责化纤企业所有采购活动的管理人员。
包括但不限于原材料采购、设备采购、办公用品采购等。
具体包括计划采购、供应商管理、合同谈判、成本控制等工作。
化纤企业采购经理直接向公司高层管理汇报工作。
二、岗位职责1. 负责公司原材料采购、设备采购、办公用品采购等工作的策划与执行;2. 负责控制采购成本,并且保证公司的采购质量;3. 负责与供应商进行谈判,签订合同,并维护供应商与公司的关系;4. 负责供应链的管理,确保原材料和设备供应充足,以维持生产;5. 负责制定采购策略,确保公司的采购计划顺利实施;6. 负责监督采购团队的日常工作,并进行绩效考核;7. 负责信息的采集和分析,确保公司对市场变化有充分的了解。
三、岗位要求1.大学本科以上学历,专业不限,具有化纤企业采购相关专业背景者优先;2.5年以上化纤企业采购相关工作经验,有管理经验者优先;3.熟悉国内外化纤原材料市场,对原材料市场价格趋势有敏锐的洞察力;4.懂得谈判技巧,有丰富的合同谈判经验;5.具备较强的沟通能力、团队合作意识和全局观念;6.有一定的英语基础,能够进行简单的英语交流;7.熟练使用办公软件,有一定的数据分析能力;8.能够承受一定的工作压力,有极强的执行力和抗压能力。
四、岗位福利1.薪资:月薪面议,根据工作经验和能力而定;2.绩效奖金:根据岗位工作表现,享受绩效奖金;3.福利待遇:公司提供完善的福利待遇,包括社会保险、住房补贴、带薪年假等;4.培训发展:公司提供完善的培训计划,为员工提供发展空间;5.职业发展:公司提供广阔的职业发展平台,为员工提供成长机会。
以上就是化纤企业采购经理岗位说明书,如果您对该岗位感兴趣并符合条件,欢迎您加入我们公司。
岗位发展推广化纤企业采购经理具有广阔的发展空间和机会。
随着公司业务的不断扩大,采购经理可以逐步晋升为采购总监,甚至是公司高管。
此外,化纤行业作为国民经济的重要组成部分,未来发展潜力巨大。
岗位说明书(采购员)岗位说明书(采购员)一、岗位职责1.负责制定采购计划及采购预算等相关工作,安排和协调采购流程,确保采购的质量和进度。
2.负责与供应商谈判,达成合理合法的采购协议,确保采购行为符合公司采购政策规定,降低采购成本,提高供应商稳定性。
3.监督招投标程序的执行,协调评估工作,确保招投标工作规范、公正、透明。
4.负责与内部各职能部门的沟通协调,提供采购相关的技术支持和服务,起到组织协调的作用,确保采购流程顺畅。
5.管理所有采购文件,并且按照相关政策和程序备案,定期进行报告和备案工作。
二、任职条件1. 具备本科及以上相关专业学历,如经济、商务、管理等专业。
2. 具备2年以上相关工作经验,善于承担压力,具有优秀的抗压能力和应变能力。
3. 具备较强的沟通协调能力,能够迅速、准确地了解公司的需求,以协调内外部资源,并与其它部门同事的配合。
4. 具备良好的英语阅读能力和书写能力,具备高水平的计算机技能,熟练掌握各种采购软件的应用。
5. 充分掌握有关国家、省、市有关采购管理、法规、标准的知识。
6. 具备强烈的责任感和使命感,积极进取、能吃苦耐劳。
三、薪资福利1. 具备竞争力的薪资待遇,上升空间大。
2. 弹性工作制度,带薪年假等。
3. 注重员工培训和业务提高,公司提供免费的培训和先进的流程和电子系统。
四、工作环境1. 公司位于市中心区,交通便利,办公环境优雅现代,配有完善的办公设施和员工福利设施。
2. 公司组织频繁的团队建设和健康活动,不断增进员工之间的沟通协调,营造良好的企业文化氛围。
3. 安全保障措施完备,员工有牢靠的安全保障,使工作、生活和谐有序。
五、招聘流程1. 投递简历:请在招聘网站上查找“采购员”岗位进行投递。
2. 初步筛选:简历初审,符合公司招聘条件的个人,将收到面试通知。
3. 面试:通过面试,根据面试情况,及时安排笔试和试用期。
4. 发布聘用:从面试中选出合适人才,同意聘用。
公司将提前告知被聘用者面试结果。
采购员职位说明书一、岗位职责1. 制定采购计划和采购清单,并根据公司和部门的业务需求与供应商进行沟通、谈判,达成合理的采购协议。
2. 负责对采购流程进行管理,包括采购报价、签订合同、货物收货、确认收货等一系列流程。
3. 负责对供应商的评估,建立供应商数据库,评估其供货能力和质量保障能力,并根据评估结果优化供应链管理。
4. 负责对所采购的物资进行质量、价格、供货时间等方面的把控,确保采购质量与效率达到公司的要求。
5. 跟踪采购流程中的问题,及时提供问题解决方案,并进行汇报和总结。
二、任职资格1. 本科及以上学历,物流、采购、贸易等相关专业优先。
2. 具备3年及以上的采购工作经验,熟悉采购流程及相关法律法规。
3. 良好的沟通能力、谈判能力、团队合作能力,有较强的协调能力和问题解决能力。
4. 具有严谨细致、责任心强、具备很强的抗压能力等基本职业素养。
5. 熟练掌握办公软件及ERP等采购相关软件。
三、工作时间周一至周五 8:30-17:30,周六、周日休息,法定节假日按政府规定执行。
四、薪资福利薪资待遇根据应聘者的工作经历、资格等级、行业规则、公司规定等多重因素确定。
1. 五险一金:根据国家规定为员工提供社会保险和住房公积金,其中住房公积金比例为基本工资的10%。
2. 带薪年假:根据公司规定,员工年假从10天开始,根据工作年限逐年增加。
3. 其他福利:提供工作餐、节假日福利、生日礼物、带薪病假等福利。
五、工作地点公司办公地点:XXX市XXX区XXX路XX号。
采购员职位说明书就是以上内容,如果您有兴趣申请该职位,请提交您的简历至公司人力资源部门。
我们期待您的加入。
物资采购员岗位说明书6篇物资采购员岗位说明书 (1) 负责物料信息采集工作工作内容对采购物料的资料、供应商资料整理、归档做好对采购物料的质量信息、价格信息、供应动态信息的采集工作做好采购物料的市场调研工作,掌握物料信息物资采购员岗位说明书 (2)1、面对现实,首先承认错误并采取必要的行动改正。
2、回顾每一时期的差错,并记录存档,以便将来不出现同样的错误物资采购员岗位说明书 (3)1、调查最低的商品成本。
2、确保达到最低的成本。
3、查询每一个价格上涨的原因,了解上调是否合理,及时做出调整。
4、每一期促销展示,尽量选择好的,毛利高的商品。
5、回顾商品销售,改进滞销商品陈列或进行促销。
6、调查竞争对手是如何推销高毛利商品。
物资采购员岗位说明书 (4)1、根据馆校基本建设计划,协助领导编制维修计划和各项维修工程预算。
2、负责审查设计图纸,并对工程项目进行预决算复查工作,提出修改意见。
3、根据下达的施工任务,按进度要求,具体组织现场施工。
其中包括:现场布置、技术交流、质量检查、落实施工方法和技术措施、现场材料验收、安全防护措施。
4、负责验收记件工程的工程量,记录记时工的工作量。
5、经常检查并保证施工质量,做好隐蔽工程检查和记录,处理施工现场一般事务性和一般技术性工作。
6、负责工程技术资料的统计、整理、上报、存档等工作。
完成领导交办的其它任务。
7、在总务科长的领导下,负责总务科管理的各类材料、器件工具、事务用品等采购工作。
8、及时了解物资需求情况和市场动态,提出采购计划,及时采购保证物资供应。
严格物资采购的报批和各级领导审批制度。
9、采购物品要保质保量,争取做到物美价廉、经久耐用、符合规格。
10、严格购进物品并及时入库,防止丢失,做到发票与物品相符。
11、遵守财经纪律,及时报销帐目,不得挪用公款。
12、完成领导交办的其它任务。
物资采购员岗位说明书 (5)一、树立全心全意为学校工作服务的思想。
在工作中应细心、耐心、热心,并具有责任心及任劳任怨的奉献精神。
采购员岗位职责说明书
岗位名称,采购员。
工作职责:
1. 负责根据公司的采购计划,及时准确地采购所需的物资和设备。
2. 负责与供应商进行有效的沟通和洽谈,以获取最优惠的价格和最优质的产品。
3. 负责对供应商的信誉和资质进行评估和审核,确保合作伙伴的合法合规。
4. 负责编制采购合同和协议,与供应商签订采购合同,并监督合同的履行情况。
5. 负责对采购过程进行跟踪和监控,确保采购进度和质量符合公司的要求。
6. 负责处理采购过程中的问题和纠纷,及时解决采购中的各种疑难问题。
7. 负责对采购成本进行控制和优化,确保采购成本在合理范围内,并提出降低
成本的建议。
8. 负责建立和维护供应商档案和采购记录,保证采购资料的完整性和准确性。
9. 负责协助上级领导完成采购相关的报表和统计工作,提供相关数据支持公司
的决策。
任职要求:
1. 具有相关专业大专及以上学历,具备采购管理或相关专业知识。
2. 具有较强的沟通能力和谈判技巧,能够有效处理供应商关系。
3. 具有良好的分析和解决问题能力,能够独立处理采购过程中的各种困难。
4. 具有责任心和团队合作精神,能够承受一定的工作压力。
5. 熟练使用办公软件,具备一定的数据分析和报表制作能力。
6. 具有相关行业工作经验者优先考虑。
以上岗位职责说明为公司对采购员岗位的基本要求,希望应聘者能够根据自身情况进行合理的调整和补充。
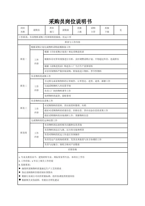
采购员岗位说明书采购员岗位说明书解析采购员岗位在企业运营中扮演着至关重要的角色,是连接供应链与生产线的关键纽带。
本文将对采购员岗位的核心职责、工作内容、任职资格等方面进行详细解析,以全面展示这一岗位的重要性与复杂性。
一、岗位概述采购员隶属于采购部,直接上级为采购主管,无直接下级。
该岗位主要负责物料采购、原料接收与托运等工作,确保企业生产所需物资的及时、准确供应。
通过精细化的采购管理,采购员能够有效控制成本,提升物料质量,为企业的稳健运营提供有力保障。
二、工作职责与工作内容职责一:物料采购前期准备采购员需根据《月份采购计划表》制定详细的采购进度表,确保采购活动有计划、有步骤地进行。
同时,他们还需密切关注库存状况,对异常现象进行及时分析并调整采购计划,避免库存积压,影响资金流转。
在采购过程中,采购员需特别关注非常规物料,如进口物料、季节性物料等,严格控制采购量,降低风险。
职责二:物料采购与执行采购员需全过程参与采购物料的订单制作、签定、进货、退货及跟催工作。
他们需与供应商保持密切沟通,确保订单按时交付。
此外,采购员还需负责采购物料的入库结算手续,确保财务数据准确无误。
在工厂间物料调节方面,采购员需根据实际需求,合理安排物料调配,确保生产顺利进行。
同时,对于物料的退货、索赔事项,采购员需积极协调处理,维护企业利益。
职责三:物料信息采集与管理采购员还需负责物料信息采集工作,包括采购物料资料、供应商资料的整理与归档。
他们需密切关注市场动态,收集质量信息、价格信息及供应动态信息,为采购决策提供有力支持。
此外,采购员还需定期进行市场调研,掌握物料最新信息,为企业的长远发展奠定坚实基础。
职责四:物料托运与结算在物料托运与结算方面,采购员需负责物料到达前的相关问题和信息查询工作,确保物料能够顺利到达。
物料到达后,采购员需与港、站方进行交接和理货,确保物料完好无损。
同时,他们还需对物料的托运工作进行具体操作,确保物流顺畅。
物资采购员岗位说明书一、岗位概述物资采购员是一个专业的职业人员,负责公司所需的物资采购,包括原材料、设备、器具、办公用品、耗材等等。
该岗位需要保证提供物资的质量、供应的及时性、价格的合理性,满足公司业务发展的要求。
二、岗位职责1.根据公司业务发展需要,制定采购计划,确定采购数量、品种、质量及采购期限等;2.寻找供应商、物资和设备,与供应商进行谈判,获取最佳的价格和供应条件,签订合同和保证合同的实施;3.跟进供应商、物资和设备的交付进度,并负责保证及时交货,保证供应质量及供货周期的稳定;4.参与价格议价,保证公司的采购成本得到控制;5.负责安排物资供应商管理,包括统计供应商服务质量、服务的稳定性等;6.在采购过程中积极参与筹划环节,为公司的经营决定提供物资采购市场信息,承担与经营层协商能力的比较高的职责。
三、任职资格1.本科及以上学历,物流管理、采购、物业或其他相关专业;2.2年以上物资采购、供应链或相关领域的工作经验;3.良好的谈判技巧,能和供应商进行有效的沟通和协调;4.熟练的电脑操作技能,能熟练应用采购管理软件;5.良好的准确性和严谨性,能独立操作、抗压力大,学习能力强;6.有较强的团队协作能力,善于沟通和解决问题。
四、工作条件1.工作环境:办公室或采购场所;2.工作时间:常规工作日,有弹性工作时间;3.工作内容:需要熟练地应用办公软件,如Word、Excel 等。
五、总结物资采购员是公司业务发展的重要人才,需要独立思考和判断,具有强烈的责任感、细心的工作态度和较高的服务意识。
随着企业信息化的推进,物资采购员的工作内容和技能要求带来新的挑战和机会,需要不断提升自己的专业技能和综合素质,才能更好地应对未来市场的变化和发展。
物资采购员岗位说明书12篇物资采购员岗位说明书1一、工作概要:供应商的评审、物料的及时采购、跟单员工作的安排与考核、与供应商对帐,并对分管的工作承担责任。
二、主要职责:1、解所负责物料的规格型号,熟悉所负责物料的相关标准,并对采购订单的要求、交期进行掌控。
2、熟悉所负责物料的市场价格,了解相关物料的市场来源,降低采购成本,每月提交《原材料价格跟踪情况表》及市场调查报告。
3、遵循适价、适时、适量的采购原则,组织工程和品管人员对供应商进行评审和考核,并及时更新相关的《合格供应商一览表》。
4、配合PMC部将原材料采购到位,确保生产顺利进行。
并做好物料交货异常信息反馈日报表。
5、对重点物料进行重点跟进并及时解决到料异常。
6、追踪MRB会议决议的执行情况,积极跟踪供应商品质改善,将供应商回复的结果及时反馈到品管部。
7、追踪外发加工产品全部回仓及跟进外发余料库存情况。
8、跟催相关部门对样品的确认结果并在当日内回交供应商。
9、跟进跟单员的日常事物,并做好每日的日清工作。
10、协助财务中心做好对帐工作。
11、定期或不定期向采购主管汇报工作。
12、服从上级临时安排的其它工作。
物资采购员岗位说明书21. 严格遵守国家关于物资工作中的各项法律和法规,执行学校资产管理各项规章制度。
工作中廉洁自律,坚持原则,自觉维护学校权益。
不断提高自身政治水平和修养,自觉抵制不正之风,高效服务。
2. 按照主管领导要求,严格执行采购计划。
努力钻研业务,全面进行市场调研,了解厂商信息和市场行情。
遵守财经纪律,自觉接受监督,及时采购物美价廉的物资。
对非招标采购物资的价格等有关信息要定期上网公布,接受使用部门监督。
3. 参与学校教学、科研以及办公等仪器设备和有关物资材料的采购。
参加学校政府采购项目的开标现场工作,详细记录开标过程和内容,汇总收取并带回招、投标等有关文件。
4. 按照约定实施货物到达学校指定位置的督办或提运等相关工作。
5. 协调好中标供货厂商和设备使用部门的联系,及时完成仪器设备到位后的安装调试工作。