物资调拨管理员(原料)岗位说明书范例
- 格式:doc
- 大小:122.50 KB
- 文档页数:4
物资管理部岗位说明书一、岗位概述物资管理部是负责组织和管理公司物资采购、仓储、调拨和库存管理的部门。
岗位职责主要包括物资采购计划编制、供应商管理、库存管理、物资调拨和报废处理等工作。
二、岗位职责1. 物资采购计划编制:根据公司的需求,制定物资采购计划,并评估供应商的能力和信誉,以确保物资的及时供应和质量可靠。
2. 供应商管理:与供应商建立和维护良好的合作关系,定期评估供应商的绩效,并及时处理供应商的问题和纠纷,以确保供应链的稳定性和可靠性。
3. 库存管理:负责制定库存管理策略,确保库存水平符合公司的需求,并及时调整库存量以避免过高或过低的库存风险。
同时,监控库存的质量和安全,确保物资不受损坏或盗窃。
4. 物资调拨:根据各部门的需求,协调物资的调拨和分配工作,确保各部门的物资需求得到满足,并及时处理调拨过程中的问题和纠纷。
5. 报废处理:负责物资的报废处理工作,包括评估物资的报废价值和方式,并按照公司的规定进行处理,以确保物资的合规性和环境友好性。
6. 数据分析和报告:收集、整理和分析物资管理相关的数据,并撰写报告,向上级汇报物资管理的情况和问题,并提出改进措施和建议。
三、任职要求1. 学历要求:本科及以上学历,物流管理、供应链管理或相关专业优先考虑。
2. 工作经验:具备物资管理或供应链管理相关工作经验,熟悉物资采购、仓储和库存管理流程。
3. 技能要求:熟练使用物资管理软件和办公软件,具备良好的数据分析和处理能力。
具备较强的沟通、协调和解决问题的能力。
4. 专业知识:熟悉物资管理相关法律法规和政策,了解供应链管理的最佳实践。
5. 职业素养:具备良好的团队合作精神,能够承受工作压力,有良好的责任心和抗压能力。
四、岗位福利1. 薪资待遇:根据个人能力和经验,提供具有竞争力的薪资待遇。
2. 健康保障:提供完善的医疗保险和意外伤害保险,保障员工的身体健康。
3. 培训发展:提供相关岗位培训和职业发展机会,帮助员工提升专业能力和职业素养。
原料库仓库岗位说明书【岗位说明书】原料库仓库岗位说明书一、岗位背景原料库仓库是一个重要的部门,负责原料的采购、收货、储存、出库和管理等工作。
本岗位说明书旨在详细介绍原料库仓库岗位的职责、要求以及所涉及的工作内容。
二、岗位职责1. 原料采购:负责与供应商或第三方进行联络,确认原料需求,并完成合理的价格谈判以及物料供应的签约工作。
【例子】例如,与X公司联系确认所需的原料种类和数量,并与其商议合理的购买价格。
2. 收货检验:在原料送达仓库时,进行收货检验,确认原料的数量、质量、规格是否与订单要求相符,并记录检验结果。
【例子】例如,检查一批生产原料是否符合国家标准,如重量、色泽、气味等。
3. 原料储存:负责将收到的原料进行分类、标识和储存,并确保其安全,防止损坏或丢失。
【例子】例如,将原料按照种类、生产日期等属性进行分类,并使用专用储存设备保证其保存良好。
4. 库存管理:监控原料库存情况,及时更新库存记录,并与生产部门以及采购部门进行沟通,确保库存充足。
【例子】例如,每日统计库存数量,并与采购部门确认下次采购计划,以保证原料供应的连续性。
5. 出库管理:按照生产部门的需求,及时将原料移交给生产线,并记录相应的出库信息。
【例子】例如,根据生产计划,准时将所需的原料送达生产线,并记录相应的出库日期、数量等信息。
6. 废弃物处理:对于过期、损坏或其他原因无法使用的原料,负责进行合理的处理,以减少环境污染和资源浪费。
【例子】例如,对于过期原料,需及时通知相关部门处理,如销售、报废等。
三、岗位要求1. 学历与技能:具备中等专业教育(中专)及以上学历,熟练掌握基本的仓库管理知识,熟悉相关软件操作。
【例子】例如,需掌握仓库管理软件、电子表格和计算机等基本技能。
2. 组织协调能力:具备良好的组织、协调、沟通和应变能力,能够有效应对紧急情况和突发事件。
【例子】例如,在出现原料短缺或紧急质量问题时,能够及时与供应商和生产部门进行沟通,并采取有效的解决措施。
岗 位 说 明 书 Job Description岗位报告与督导关系 Reporting Line and Directing Line岗位主要协调关系 Main Coordinative Relationship of the Position部 门协 调内部协调:制造部、安全管理科 原材料的保管及防护等相关事宜。
外部协调:各业务外包单位原料收发、计量、验收、储存及搬运相关工作。
职责与任务Responsibilities岗位名称 Position Name原料仓库管理员所属部门 Department物资管理科岗位等级 Position Grade7岗位编码 Position Code岗位概述 Position Summary负责组织、协调、衔接分厂之间的原料调剂工作; 组织、调度原料收发、计量、验收、储存及搬运工作;协调与外协单位的关系;完成领导临时安排的其它工作。
原料仓库管理员物资管理科科长物资管理科副科长1.原料库保管员日常工作的指导、检查、协调与考勤工作;2.协助组织配合烟叶病虫害的预防和杀灭工作;3.负责本部门原料方面合同的起草、修订与签订工作;4.负责烟叶出险的保险理赔工作;5.负责组织安排烟叶保管工的学习;6.每月安排一次查库和每年安排一次实物盘查以及不定期的查库;岗位安全职责Responsibilities Of Safety1.执行安全生产法律、法规、标准和上级有关工作要求,确保各项分管工作满足合规性要求;2.坚持“五同时”原则,在计划、布置、检查、总结、评比生产时,同时计划、布置、检查、总结、评比安全工作;3.配合本部门及分厂安全管理部门的安全生产监督管理工作,定期组织督促、检查分管范围内的安全生产工作,及时消除生产安全事故隐患;4.及时、如实按规定报告生产安全事故,落实生产安全事故处理的有关工作;5.牢固树立“安全第一”的思想,严格遵守工厂安全生产规章制度和安全作业规程,服从管理。
岗位说明书3.有对仓储物资使用顺序的建议权,对露天仓储物资不安全隐患紧急处理权。
4.有对熏仓过程的监督权考核指标:1对各种物资验收入库程序合法率100%,对各种物资发放准确率100%,2对单据、报表的及时、准确率100% 3仓储物资完好率100%4熏仓过程中警戒标识显著,人员安全率100%,工作协作关系: 内部协调关系二厂酿造、制麦车间、财务科、公司物资部、资材科外部协调关系供货商、冷风库、过磅点、外租仓库任职资格:教育水平高中以上专业无特殊要求工作经验一年以上相关工作经验能力要求文字表达能力、操作能力、应变能力(叉车司机见下表)个性特征稳重、细心、精确、理性思维生理特征无特殊要求所需培训仓储管理培训,1周/年工作特点:工作场所室内、露天货场、冷风库工作方式走动、坐工作时间特征白天工作,经常加班工作环境冷热不均、异味体力精力消耗精力集中度高劳动保护无特殊要求使用工具/设备计算器、磅秤所需记录文档台帐、计划、报表备注:叉车岗位职责另附表格0万U豆体验卡卡号:50D890668267e3349e33密码:686d03401eefba96faba奖品名称:500万U豆体验卡卡号:50De7a00c543af387fc0密码:b26488ce65abc1787202奖品名称:500万U豆体验卡卡号:50Dbac63885c802fd52e密码:3d1c344384327b85efff奖品名称:500万U豆体验卡卡号:50Dd97f0765bdf6998a3密码:48db1c14e42a2b321fac奖品名称:500万U豆体验卡卡号:50D61215eb41ae3cc919密码:25bffae5346e7b7d2548 奖品名称:100万U豆体验卡卡号:10D1cab621456ab278ab密码:709f65f32865af2559c2奖品名称:100万U豆体验卡卡号:10D8f1d6a4b953f3474e密码:6e2e4017cce30dc7e055奖品名称:100万U豆体验卡卡号:10Dd1fc6d6dd529b6892密码:a5dbdd8338f91d2c0701 奖品名称:100万U豆体验卡卡号:10D08377b71d4374262b密码:1d7a7c21ebd99b798a54。
仓储部岗位说明书原料仓管岗位说明书:原料仓管一、岗位概述原料仓管负责对仓库内的原料进行管理和存储,保证原料的安全性和供应的及时性,协助仓库经理完成仓库的日常工作。
二、岗位职责1. 负责接收、验收和登记仓库内的原料,确保物料准确无误;2. 根据仓库计划和需求,进行原料的储存、分类和整理,保证原料的有序性;3. 监控原料库存,及时进行库存盘点,确保原料的数量准确无误;4. 定期清理仓库,保持仓库内环境整洁,防止原料受潮或变质;5. 根据生产线的需求,及时调度和配送原料,确保生产线的连续进行;6. 参与仓库的异常处理,协助解决物料短缺、供应延迟等问题;7. 配合质量部门对原料进行质量检测,确保原料的合格性;8. 配合相关部门进行仓库数据的录入和更新,确保仓库信息的准确性;9. 遵守仓库管理制度,执行工作安全规范,确保工作的安全性和高效性。
三、任职要求1. 具备中专以上学历,仓储物流等相关专业优先;2. 具备一定的仓库管理经验,有原料仓管相关工作经验者优先考虑;3. 对原料的质量和安全有一定的了解和认知;4. 具备一定的计算机操作能力,熟悉仓库管理系统的使用;5. 具备较强的沟通能力和团队合作精神,能够与其他部门良好协作;6. 具备一定的抗压能力和解决问题的能力;7. 遵守公司的规章制度,有良好的职业操守和团队意识。
四、工作条件1. 工作时间:根据生产需求,需要轮班或者加班工作;2. 工作地点:公司仓库,需要常驻仓库进行管理;3. 工作环境:仓库内有一定噪音和灰尘,需要穿戴劳动防护用品。
五、福利待遇1. 薪资:根据个人能力和工作表现,提供具有竞争力的薪资待遇;2. 福利:提供五险一金、带薪年假、节假日福利等;3. 职业发展:提供培训机会和晋升通道,为员工提供良好的职业发展空间。
以上就是原料仓管的岗位说明书,希望能对您有所帮助。
如有任何疑问或需要进一步了解,请随时与我们联系。
材料管理员岗位职责说明范文一、入库管理1、保管员对采购原材料办理入库手续前,应通知质检员进行质量检测,检测合格后出具检验合格单才能办理入库手续,如果购进原材料有质量问题,应拒收,同时通知公司采购人员。
2、物料进仓时,仓库管理员必须凭采购计划单、送货单、检验合格单办理入库手续,拒绝不合格或手续不齐全的物资入库。
入库手续(入库单)一式四份,仓库保管存根联、仓库联,记账联交财务,验收联交质检员。
3、入库原材料必须进行数量清点、过磅(《仔细检查包装物重量和实物净重》),然后填写《入库单》,《入库单》上应写明供货单位全称、材料名称、数量(发送数和实收数)、价格(含税单价或者不含税单价),保管员在验收时发现送货单数量与实际不符,应按实际数量入库。
4、一切原材料的购入都必须用增值税专用发票方可入库报销,无税票的材料入库必须建立货到票未到材料明细账,并根据检验单等有效单据及时填开收料单,每月____号将货到票未到材料明细账报财务。
5、入库后,原材料要分区、分类摆放整齐,标识清楚,入库及时,作好防潮、防火、防晒和风雨侵袭,保持仓库整洁,干燥通风,经常检查消防安全设施,仓库重地严禁闲杂人员进入,严禁吸烟。
二、出库管理1、保管员每天对生产车间各工序领用原材料及时登记,填写《出库单》。
《出库单》上应写明规格、型号、数量、领用时间、领用工序(在备注中写明)、领用人签字,并及时登记销账。
记账后存根联留仓库保管员,发料记账联交车间统计人员,进行主要原材料每天消耗登记,财务记账联月底交财务部。
2、编织工序原材料购进由原材料仓库保管员负责验收,每天领用量由编织工序当班班长进行记录,第二天汇总领用量交原材料保管员填写《出库单》,并将汇总领用量交车间统计核算工资。
车间统计月底提交车间月工资汇总表给财务部。
3、保管员每天早晨____点,根据质检员填制《换班原材料退库单》,对上一班未使用完的材料,办理退库手续。
4、保管员严格掌握领用材料的数量,一般材料以一天为使用量,不能拆零材料以一个包装为单位领用,修理备件要求以旧换新,消耗性物料以一个星期为使用量领用。
物资管理部岗位说明书一、岗位概述物资管理部是一个组织内非常重要的部门,负责物资采购、仓储和供应链管理等工作。
岗位说明书旨在对物资管理部门的工作职责、岗位要求、工作流程等方面进行明确和规范,以确保部门工作的高效运行和顺畅协调。
二、工作职责1. 物资采购:负责根据公司需求,寻找适合的供应商进行物资采购。
与供应商洽谈价格、质量和交货期,并确保采购的物资符合公司标准和要求。
2. 供应链管理:负责建立供应商数据库,并进行定期评估和监督,以确保供应商的可靠性和合作伙伴关系的稳定。
管理供应商的物流和运输,确保物资及时到位。
3. 仓储管理:负责建立仓储管理系统,管理公司物资的入库、出库、库存和盘点工作。
确保仓储区域的整洁有序,物资的安全存放,并及时处理存货过多或过少的情况。
4. 资产管理:负责对公司物资的使用情况进行跟踪和记录,编制物资使用报告和分析。
协助进行资产盘点,确保资产的准确性和完整性。
5. 成本控制:参与制定公司采购预算,并定期进行成本分析和控制,寻找节约成本的机会。
6. 风险管理:识别和评估物资管理过程中可能出现的风险,并采取相应的措施进行风险防范和控制。
7. 协调沟通:与其他部门及时沟通和协调,了解公司各部门对物资需求的变化和要求,以提供及时的支持和解决方案。
三、岗位要求1. 本科及以上学历,物流管理、供应链管理等相关专业优先考虑。
2. 具有3年以上物资管理或供应链管理相关工作经验,熟悉采购、仓储和供应链管理的基本流程和操作。
3. 熟练掌握物资管理相关软件和工具,如ERP系统等。
具备良好的计算机操作能力。
4. 具备较强的沟通和协调能力,能够与供应商、仓库员工和其他部门有效合作。
5. 具有较好的分析和解决问题的能力,能够快速应对紧急情况和处理突发事件。
6. 工作细致认真,有较强的责任心和团队合作精神。
7. 具备一定的英语听说读写能力,能够进行简单的商务英语沟通。
四、工作流程1. 需求确认:与各部门沟通,确认物资的需求以及相关规格和数量。
原料仓库岗位说明书岗位名称:原料仓库管理员岗位职责:1. 负责原料仓库的日常管理和运作,确保原料的入库、出库、数量、质量等工作按照规定进行;2. 负责与供应商进行沟通,协调并监督原料的交付和质量确认;3. 确保原料仓库内物品的妥善存放和分类管理,遵守仓库管理规定,确保安全、整洁和环境卫生;4. 组织和指导仓库操作人员进行原料的接收、验收、计量和上架工作,确保相关流程的准确执行;5. 负责原料库存的盘点和更新,及时上报库存数据,并与相关部门进行协调和沟通;6. 定期检查并维护仓库设备和工具的正常使用和维修,确保设备的安全性;7. 及时了解和掌握新型原料的应用技术,推动工艺创新和工作效率的提升;8. 协助上级主管完成其他相关工作。
任职资格:1. 具有相关的仓库管理经验优先;2. 具备一定的原料知识,了解原料特性和质量标准;3. 熟悉仓库管理流程和操作规范,了解相关法律法规;4. 具备良好的团队协作能力,能够有效指导和管理仓库操作人员;5. 具备一定的学习能力和信息收集能力,能够持续关注行业发展和创新技术;6. 具备较强的责任心和细致的工作作风,能够保证工作质量和准确性;7. 能够适应轮班工作,具备一定的体力和抗压能力。
工作环境:原料仓库管理员主要在室内工作,工作环境相对封闭,受天气变化较小的影响。
仓库内通常为高架货架和堆码区域,需要进行物品的搬运和安排,因此需要有一定的体力。
工作时间根据生产和供应的需要,可能需要轮班工作。
工作场景:早晨7:30,原料仓库管理员小李提前到岗位,穿上工作服和安全帽,进入仓库区域。
他首先按照工作计划,查看当天的进货计划和出货计划。
根据计划,他安排仓库操作人员对即将到达的货物进行接收和验收工作。
小李告诉操作人员通过仪器对样品进行检测,并对检测结果进行登记。
同时,他核对了货物数量和质量,并将相关信息记录到电脑系统中。
上午10点,供应商来到仓库交付新到货物,小李与供应商一起对货物进行核对。
物资供应处部门职务说明书
物资调配岗位职务说明书
岗位编号:编写日期:
岗位名称:物资调配在岗人数:
所在部门:物资供应处编写人:直接上级:处长、副处长直接下级:
直接下级人数:
审定人:
本职概述:
职责一:根据发货通知编制发货计划并具体组织实施平均占工作时间百分比:30%
工作任务根据发货通知编制发货计划
负责与发货责任单位联系
根据货物特点合理调用车辆
负责与铁路、公路运输单位联系发货工作
负责通知接收单位发货时间、到达地点
工作权限工作责任工作频次
工作关系
内部关系外部关系执行权全部日常火车站、机场
职责二:根据到货通知单,编制提货计划并具体组织实施平均占工作时间百分比:30%
工作任务根据到货通知单,编制提货计划,
负责与用货单位联系
根据通知单的内容情况,正确判断到站时间,合理安排提货日期
负责到货后向有关部门交货并进行登记
负责到货产品的外观质量,对有破损的及时通知发货单位,并及时报处领导
工作权限工作责任工作频次
工作关系
内部关系外部关系。
仓储部岗位说明书原料仓管(1)一、岗位概述原料仓管岗位是仓储部门中的一项重要职位,主要负责对仓库中的原料进行管理、入库、出库和库存的盘点等工作。
该岗位对原料的安全储存和准确的出入库操作负有直接责任,是保障生产流程正常进行的关键环节。
本岗位需具备一定的仓储管理知识和操作技能,严格执行相关规章制度,确保仓库工作的顺利进行。
二、岗位职责1. 负责原料入库工作:a. 根据生产部门的需求及时准确收取原料,并进行入库登记。
b. 对原料进行验收,检查原料的数量、质量及存储条件是否符合要求。
c. 进行货物上架,确保货物的标识清晰、分类明确,并将相关信息录入系统。
2. 负责原料出库工作:a. 根据生产计划和领料单,按时准确发放原料给相关部门。
b. 进行货物下架,并及时更新系统中的库存信息。
c. 做好原料出库记录,并确保出库过程中的安全和准确性。
3. 对原料的库存进行管理:a. 定期盘点原料库存,确保库存量与系统记录的数据一致。
b. 及时上报库存情况,提供有关原料的使用情况、剩余量及质量等信息。
c. 根据库存情况进行补货或报废处理,并做好相关记录。
4. 管理仓库的安全与整洁:a. 遵守仓库安全操作规程,确保仓库内设施设备的正常使用和维护。
b. 负责仓库的日常清洁和整理,确保仓库环境整洁有序。
c. 确保原料存放的合理、安全,并做好防潮、防火等措施。
5. 参与相关工作的改进与优化:a. 积极参与仓储部工作会议,提出改进建议和优化方案。
b. 配合相关部门的要求,参与仓储流程的优化和系统升级等工作。
三、任职要求1. 学历要求:大专及以上学历,物流管理、仓储管理等相关专业优先考虑。
2. 工作经验:有仓储管理或物流管理相关工作经验者优先。
3. 技能要求:a. 熟悉原料仓储管理业务流程和规范。
b. 具备良好的沟通与协调能力,能与相关部门保持良好的合作关系。
c. 具备一定的计划与组织能力,能够合理安排工作时间和任务。
d. 熟练掌握相关仓储管理软件和办公软件的使用。
浙江XXX制药有限公司职务说明书职务名称:原料库仓管员职务级别:职务编号:工作部门:物资控制部上级主管:经理撰写日期:撰写人: XX 部门审核:人力资源部批准:一.职务目标:岗位设立目的,职权范围和主要内容。
为更好地利用仓储资源,确保仓储原辅料质量稳定.在公司GMP要求以及部门有关规定的政策下处理物资进库,在库物资养护,出库.经常保持与生产领料,质检部门有关部门人员的联系.及时完成月报表,为成品核算提供最原始的数据。
二.主要职责按照由主到次顺序书写,列举主要工作内容,用关键动词表述所担负责任。
1.凭《进货通知单》对物料进行初验.2.初验合格的物料根据不同的储存条件按规定存放并及时办理请验手续,同时输入电脑.3.物料合格后,凭指令单先进先出发放,发货要准确及时.4.不合格的物料及时通知采购员,作退货处理.5.按照物料复验期限,在复验期到达前一个月填写”复验单”.6.严格执行称量室的操作规程.7.做好每天二次的温,湿度记录.及时填写设备,仪器使用记录.8.帐目日清月结,保证帐,物,卡相符,原始记录齐全.9.对有进出的物料要及时输入电脑,每月及时完成月报表.三.职位要素;1. 知识结构描述完成此项工作所需的相关知识,与之相关的理论,术语,概念,原则,规程,技术等理解力的要求,描述专业、学历要求,专业岗位培训,自我进修以及工作实践经验、年限的要求。
1、高中以上相关学历。
2、一年以上的仓储管理经验。
3、掌握一定的药品管理知识、药品GMP知识、药品仓储知识。
2. 复杂程度从工作本身的性质、任务的多样性、获得指导与帮助的可能性、工作的范围以及时效性等几方面考虑,描述此项工作对于一个受过全面培训或已可称为合格的员工来说,其难易程度。
1、根据有关单据来核对做好原辅料的入库、出库工作。
2、根据GMP,SOP的要求做到帐、卡、物三相符。
3. 责任范围( 1)工作的自由度:从以下几方面说明该工作的自由度:内部的书面指示,规程,政策以及外部法律,法规对之的束缚力;完成该项工作的时间要求,任务的多样化以及所需的主动能动性。
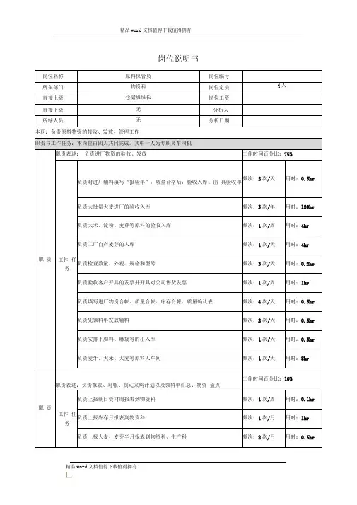
某企业原料室岗位说明书
部门名称:
原料库
上级部门:
库管部
下属岗位:
原料库管员
部门本职:
原材辅料、包装物、半成品的收、发、存与治理。
要紧职能:
(1)入库物品验收,办理入库手续并登记台帐。
(2)开具收货单。
(3)库存物品报损、报失、报废工作,并制定预防与纠正措施。
(4)定期盘点库存物品,配合会计部盘点。
(5)对库存货品进行分类存放与治理,对专门的原材料进行专门治理或储存。
(6)每月定期上报库存月报表,进行库存分析,及时上报预警信息。
(7)办理物品出库手续。
(8)原料库的安全、防火、卫生工作。
(9)原料库工具、设备设施的爱护与治理工作。
(10)原料库各项单据及资料的保管与定期归档工作。
管辖范畴:
(1)原料库所属职员。
(2)原料库工作场所与卫生责任区。
(3)原料库工具、设备设施。