压延玻璃标准对比(中英对照)
- 格式:doc
- 大小:112.00 KB
- 文档页数:5
深加工玻璃glass processing钢化玻璃tempered glass/ toughened glass/ strengthened glass 半钢化玻璃Semi-tempered glass中空玻璃insulating glass/hollow glass夹胶玻璃laminated glass防火玻璃fire-resistant glass/fireproof glass防弹玻璃armored glass / ballistic resistant glass防弹玻璃Bullet-proof Glass汽车玻璃automotive glass镀膜玻璃coated glass/coating glass光学玻璃optical glass热弯玻璃hot bending glass/ thermal bending glass家具玻璃furniture glass家电玻璃appliance glass安全玻璃safety glass / security glass卫浴sanitary镜子mirror银镜silver glass铝镜aluminum glass低辐射玻璃:low-e glass太阳能玻璃Sun-e glass彩色玻璃:tinted glass/stained glass变色玻璃photochromic glass建筑玻璃architectural glass真空玻璃vacuum glass热反射玻璃heat reflecting glass吸热玻璃heat absorbing glassITO导电玻璃ITO conductive glass丝印玻璃silk printing glass耐热玻璃thermal glass光电玻璃photoelectric glass仪表玻璃instrument glass挡风玻璃windshield glass幕墙玻璃Glass Curtain Wall/glass facade原片玻璃sheet glass平板玻璃flat glass/ sheet glass/ plate glass浮法玻璃float glass格法玻璃glaverbel glass压延玻璃rolling glass超白玻璃ultra-white glass/ultra clear glass超薄玻璃ultra-thin sheet glass茶玻tawny glass蓝玻blue glass灰玻gray glass艺术玻璃art glass压花玻璃patterned glass / figured glass热熔玻璃hot-melt glass夹丝玻璃Wired glass装饰玻璃decoration glass彩釉玻璃colored glazing glass彩绘玻璃stained glass彩绘玻璃stained glass聚晶玻璃polycrystalline glass喷砂玻璃sandblasting glass冰花玻璃ice glass肌理玻璃textured glass特种玻璃special glass智能调光玻璃smart glass微晶玻璃crystallite glass石英玻璃quartz glass /防眩玻璃anti-dazzle glass / glare-reducing glass/anti-glare glass 纳米玻璃nanometer glass液晶玻璃liquid crystal glass亚历克玻璃Acrylic glass高硼硅玻璃high borosilicate glass自洁玻璃Self-cleanness Glass乳化玻璃Emulsification Glass防火玻璃Fireproof Glass发光玻璃Shining Glass杀菌玻璃anti-bacterial Glass纳米玻璃Nanometer Glass有机玻璃Organic Glass透红外玻璃Infrared Transmission Glass玻璃机械glass machinery钢化炉toughening furnace退火炉annealing furnace磨边机edge grinding machine切割机cutting machine清洗机washing machine/cleaning machine打孔机drilling machine检测设备detection equipment喷砂机sandblasting machine斜边机beveling machine夹层玻璃生产线processing line for laminated glass / multiple glass / triple glass interlayer glass 中空玻璃生产线the processing line of insulating glass丝网印刷机Ferro cement printing machine机械配件,辅助工具mechanical parts, supplementary means磨轮grinding wheel抛光轮polishing wheel金刚轮diamond wheel树脂轮resin wheel玻璃刀glass cutter / glazing knife无影灯shadowless lamp钻头drill吸盘sucker / sucking disk / osculate网版screen玻璃工具glass tool玻璃模具glass mould/pattern水钻磨轮water borehole abrasive wheel托盘Wooden Pallet木箱Wooden Box汽垫膜Air Cushion Film周转箱Recycle Case铁架子Iron Shelf化工材料,辅料chemical materials , accessories玻璃油墨glass printing oil玻璃颜料glass pigment colour玻璃涂料glass adhesive coating玻璃油漆glass oil paint抛光粉polishing powder/ burnishing powder无影胶shadow less glue无手印玻璃non-fingerprint glass冰雕玻璃ice sculpture glass / ice carving glassstress 应力substance 厚度(英)Thickness 厚度(美)Thermal conductivity coefficient热传导系数 specific gravity比重Smart glass智能玻璃Soda lime glass钠钙玻璃Scrap glass 废玻璃Spacer 间隔条Sealant 密封胶Slab玻璃砖Sealed insulating glass密封中空玻璃Rolllde glass压延玻璃Photochromic glass光色玻璃Reflective glass反射玻璃Pib丁基胶Polished plate glass抛光夹板玻璃Low-emissivity glass低辐射玻璃Limestone石灰石Hot melt butyl热融丁基胶Glassware玻璃器皿Glass furnace 玻璃窑Glass curtain wull玻璃幕墙Glassblowing玻璃吹制Heat-strengthened glass 半钢化玻璃Heat-treatde glass热处理玻璃Flint glass含铅玻璃Enamel glass彩釉玻璃Curved glass 异型玻璃Curtain wall幕墙Desiccant 分子筛Clear glass白玻Anneded glass普通玻璃Blown ware 吹制玻璃制品Borosilicate glass硼硅酸盐玻璃Aluminosilicate glass铝硅酸盐玻璃Quartz sand 石英砂farun glass 江苏华尔润玻璃。
国外中空玻璃标准之间的比较将原有国外标准和现行国外标准进行比较。
对原有标准之间的比较,我们着重考察美国标准和加拿大标准,亦即:ASTM E773、E1887、E774和CAN/CGSB 12.8。
现行标准,亦即统一后的标准,主要分为两大体系,北美标准ASTM E2188、E2189、E2190和欧标EN 1279, 1-6部分。
最后,我们还将简单扼要地介绍一下正在制订中的中空玻璃的ISO国际标准,即DIS 20492 (标准草案)。
但是,对上述标准的比较我们将有所侧重,分三个层次进行。
北美标准与现行的国标GB11944-2002最为接近,且占有的资料较多,因此,着重介绍。
接下来,将北美标准与欧标进行比较详尽的比较。
国际标准ISO目前为草案阶段,预计明年实行,这里对此只进行概述。
从顺序上看:首先是北美标准,然后是北美标准和欧洲标准,最后,ISO标准。
中空玻璃标准的基本内容国外现行的和原有中空玻璃检测标准,尽管有一些区别,但一般来说,都包括:加速老化实验、化学雾化实验、样品规定、惰性气体的检测和检测的判定标准。
亦即:1) 加速气候老化实验a) 高湿检测b) 气候循环检测2) 化学雾化实验3) 样品规定4) 检测判定标准5) 氩气/惰性气体充气检测各国中空玻璃标准除了含有上述检测的基本元素之外,欧标EN1279还包括:中空玻璃辅助材料的物理性能检测,一致性评估和生产控制和周期性检测。
应该指出,后面这些内容虽然没有列入北美中空玻璃标准,但同样的内容,却规定却分别列在IGCC(美国中空玻璃认证委员会)和IGMA(北美中空玻璃制造商联盟,亦即北美中空玻璃协会)的认证要求中。
兹分别叙述。
高湿检测该实验目的是,模拟自然界中水气进入中空玻璃的过程,迫使水气渗入中空玻璃的密封胶内并进入中空玻璃空气层内。
北美的各个标准之间的比较。
相同之处:所使用的设备基本相同。
区别:CAN12.8中规定有温度循环,稳定淋水,在原有的ASTM和HIGS(统一后的ASTM标准)中没有循环,相对湿度不变;按原有的ASTM和HIGS标准检测,时间比CAN12.8多50%;lCAN12.8标准规定高湿和气候循环两项实验中,使用不同的样品;而原有的ASTM和统一后的ASTM标准中都规定使用同一样品。
光伏压延玻璃准入值光伏压延玻璃是一种在光伏发电领域中被广泛应用的材料,它具有优异的光透过性和机械强度,能够同时满足光伏发电和建筑物外观的要求。
然而,为了保证光伏压延玻璃的质量和性能,需要制定一系列的准入值。
本文将重点讨论光伏压延玻璃的准入值及其重要性。
光伏压延玻璃的准入值应包括光学性能、机械性能、稳定性等方面的指标。
光学性能主要包括光透过率、反射率、抗紫外线性能等;机械性能主要包括抗风载荷、抗震性能等;稳定性主要包括耐候性、耐腐蚀性等。
这些指标是评估光伏压延玻璃品质的重要依据,也是确保光伏发电系统长期稳定运行的关键因素。
光伏压延玻璃准入值的制定需要根据国家和行业标准进行。
国家标准制定了光伏压延玻璃的基本要求和测试方法,确保产品符合国家的安全和环保要求。
行业标准则进一步细化了光伏压延玻璃的准入值,以满足不同应用领域的需求。
例如,光伏压延玻璃在建筑领域的应用需要符合建筑玻璃的相关标准,而在光伏发电领域的应用则需要符合光伏玻璃的相关标准。
准入值的制定不仅有助于提高产品的质量和性能,还可以促进行业的规范发展。
通过设定合理的准入值,可以避免低质量产品的流入市场,保护消费者的利益。
同时,准入值的制定也可以鼓励企业进行技术创新和产品升级,提高整个产业的竞争力。
然而,光伏压延玻璃准入值的制定并非一帆风顺。
首先,光伏压延玻璃的材料特性和工艺要求复杂多样,需要综合考虑多个因素才能确定合适的准入值。
其次,光伏压延玻璃的准入值需要与其他材料和组件的准入值相匹配,以确保光伏发电系统的整体性能和可靠性。
最后,准入值的制定需要与相关利益方进行广泛的讨论和协商,达成共识。
在实际应用中,光伏压延玻璃的准入值可以通过多种方式进行验证和监测。
一种常用的方法是对产品进行抽样检测,通过实验室测试和现场检查,评估产品是否符合准入值的要求。
此外,也可以采用第三方认证机构进行产品认证,确保产品质量和性能满足标准要求。
这些措施有助于提高光伏压延玻璃的可信度和市场竞争力。
品质检查标准1 范围本标准规定了超白压花玻璃产品的分类、技术要求、试验方法、检验规则及包装、标志、运输和贮存等。
本标准适用于连续辊压工艺生产的单面花纹超白压花玻璃。
双面花纹超白压花玻璃也可参照本标准执行。
超白压花玻璃用于各种建筑物和构筑物的采光门窗、装饰以及家居用品等方面。
2 定义本标准采用下列定义。
2.1JC/T 511 –2002中的术语适用本标准。
2.2超白压花玻璃extra white glass采用的低含铁量的白玻璃。
3分类3.1超白压花玻璃按外观质量分为合格品、协议品。
3.2 超白压花玻璃按厚度分为3mm、3.2mm、4mm和6mm。
4 技术要求4.1 超白压花玻璃应为长方形或正方形,其长度和宽度尺寸允许偏差为±1 mm。
4.2 超白压花玻璃的厚度允许偏差为±0.2 mm。
4.3 超白压花玻璃对角线差应小于两对角线平均长度的0.1%。
4.4 超白压花玻璃的弯曲度不应超过0.3%。
4.5 超白压花玻璃外观质量应符合表1规定4.6玻璃的可见光透射比>91%。
4.7对有特殊要求的压花玻璃由供需双方商定。
5 试验方法5.1 长度和宽度尺寸偏差的测定用符合GB/T 9056钢直尺或钢卷尺,分别从长宽边的中间部位,测量两平行边的距离。
测得的结果与公称尺寸的差值即为尺寸偏差。
5.2 对角线差的测定用钢卷尺测量玻璃板的两条对角线,取其差的绝对值。
5.3 厚度偏差的测定用符合GB/T 1217规定的精度为0.01mm且圆盘直径不低于20mm的公法线千分尺在玻璃板四边中点测量。
取其最大偏差值。
5.4 外观质量的测定5.4.1 图案不清、气泡、杂物、划伤、线条、裂纹、压痕、皱纹等缺陷的测定。
将玻璃板垂直放置在支架上,在起后边相距0.6m是一无反光灰色屏幕。
玻璃板与屏幕间用若干盏40W 日光灯照亮,日光灯发出的光线不能与玻璃板垂直。
观察者在距离玻璃板0.6m左右处垂直观察。
缺陷尺寸的大小以能看清楚的最大边缘为限,采用符合GB/T 9056精度为1mm的钢直尺和放大10倍或10倍以上、精度不低于0.1mm的读数显微镜测量。
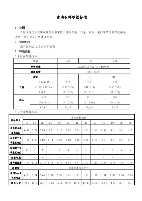
玻璃板料等级标准
1、范围
本标准规定了玻璃板料的光学常数、膨胀系数、气泡、结石、裂纹等的内控等级指标。
适用于本公司生产的玻璃板料。
2、引用标准
GB/T903-2019无色光学玻璃
3、等级指标
碰伤深度 6.75 7.94 9.53 12.7 12.7 15.48 17.86 17.86 17.86 17.86 17.86 20.24 20.24
4、说明
4.1表面气线:一种拉长的气状内含物或气泡,长轴超过1.6mm的内含物或气泡归入此类。
4.2裂纹:伸入但未贯穿玻璃的炸裂。
4.3碰伤:由于玻璃意外移动而在玻璃表面产生的压痕或碰伤,碰伤深度从板厚度方向测量。
4.4厚度、楔形度、翘曲度、中部平整度、边部厚薄差的测量方法:
X=(有效宽度-50.8)÷4
(1)厚度:用千分尺在E、EC、C、WC、W点测量。
(2)楔形度:在2X的距离内,用E减C或EC减WC或C减W计算出最大差值的绝对值D。
楔形度/305=12D/2X。
(3)翘曲度:碾压方向762mm的距离内,EC或C或WC三者中的最大值与三者中的最小值
之差。
(4)中部平整度:碾压方向762mm的距离内,EC或C或WC最大值与最小值之差。
(5)边部厚薄差:碾压方向762mm的距离内,E减EC或W减WC的最大差值的绝对值。
4.5合同未提出指标时,按上述指标执行。
4.6合同指标高于标准时,按合同指标执行。
行业标准规范英汉对照-通用零部件14701 GB/T 9116.12-1988 PN 2.5MPa(25 bar) 凹凸面带颈平焊钢制管法兰 Hubbed slip-on-welding steel pipe flanges with male and female face for PN 2.5MPa (25 bar) 702 GB/T 9116.13-1988 PN 4.0MPa(40 bar) 凹凸面带颈平焊钢制管法兰 Hubbed slip-on-welding steel pipe flanges with male and female face for PN 4.0MPa (40 bar) 703 GB/T 9116.14-1988 PN 5.0MPa(50 bar) 凹凸面带颈平焊钢制管法兰 Hubbed slip-on-welding steel pipe flanges with male and female face for PN 5.0MPa (50 bar) 704 GB/T 9116.15-1988 PN 10.0MPa(100 bar) 凹凸面带颈平焊钢制管法兰 Hubbed slip-on-welding steel pipe flanges with male and female face for PN 10.OMPa (100 bar) 705 GB/T 9116.16-1988 PN 1.6MPa(16 bar) 榫槽面带颈平焊钢制管法兰 Hubbed slip-on-welding steel pipe flanges with tongue and groove face for PN 1.6MPa (16 bar) 706 GB/T 9116.17-1988 PN 2.5MPa(25 bar) 榫槽面带颈平焊钢制管法兰 Hubbed slip-on-welding steel pipe flanges with tongue and groove face for PN2.5MPa (25 bar) 707 GB/T 9116.18-1988 PN 4.0MPa(40 bar) 榫槽面带颈平焊钢制管法兰 Hubbed slip-on-welding steel pipe flanges with tongue and groove face for PN 4.0MPa (40 bar) 708 GB/T 9116.19-1988 PN 5.0MPa(50 bar) 榫槽面带颈平焊钢制管法兰 Hubbed slip-on-welding steel pipe flanges with tongue and groove face for PN 5.0MPa (50 bar) 709 GB/T 9116.20-1988 PN 10.0MPa(100 bar) 榫槽面带颈平焊钢制管法兰 Hubbed slip-on-welding steel pipe flanges with tongue and groove face for PN 10.0MPa (100 bar)710 GB/T 9116.21-1988 PN 2.0MPa(20 bar) 环连接面带颈平焊钢制管法兰 Hubbed slip-on-welding steel pipe flanges with ring-joint face for PN 2.0MPa (20 bar) 711 GB/T 9116.22-1988 PN 5.0MPa(50 bar) 环连接面带颈平焊钢制管法兰 Hubbed slip-on-welding steel pipe flanges with ring-joint face for PN 5.0MPa (50 bar) 712 GB/T 9116.23-1988 PN 10.0MPa(100 bar) 环连接面带颈平焊钢制管法兰Hubbed slip-on-welding steel pipe flanges with ring-joint face for PN 10.0MPa (100 bar)713 GB/T 9116.24-1988 PN 15.0MPa(150 bar) 环连接面带颈平焊钢制管法兰Hubbed slip-on-welding steel pipe flanges with ring-joint face for PN 15.0MPa (150 bar)714 GB/T 9116.25-1988 PN 25.0MPa(250 bar) 环连接面带颈平焊钢制管法兰Hubbed slip-on-welding steel pipe flanges with ring-joint face for PN 25.0MPa (250 bar)715 GB/T 9117.1-1988 PN 2.0MPa(20 bar) 平面带颈承插焊钢制管法兰 Hubbed socked welding steel pipe flanges with flat face for PN 2.0MPa (20 bar) 716 GB/T 9117.2-1988 PN 2.0MPa(20 bar) 凸面带颈承插焊钢制管法兰 Hubbed socket welding steel pipe flanges with raised face for PN 2.0MPa (20 bar) 717 GB/T 9117.3-1988 PN 5.0MPa(50 bar) 凸面带颈承插焊钢制管法兰 Hubbed socket welding steel pipe flanges with raised face for PN 5.0MPa (50 bar) 718 GB/T 9117.4-1988 PN 10.0MPa(100 bar) 凸面带颈承插焊钢制管法兰 Hubbed socket welding steel pipe flanges with raised face for PN 10.0MPa (100 bar) 719 GB/T 9117.5-1988 PN 5.0MPa(50 bar) 凹凸面带颈承插焊钢制管法兰 Hubbed socket welding steel pipe flanges with male and female face for PN 5.0MPa (50 bar) 720 GB/T 9117.6-1988 PN 10.0MPa(100 bar) 凹凸面带颈承插焊钢制管法兰 Hubbed socket welding steel pipe flanges with male and female face for PN 10.0MPa (100 bar) 721 GB/T 9117.7-1988 PN 5.0MPa(50 bar) 榫槽面带颈承插焊钢制管法兰 Hubbed socket welding steel pipe flanges with tongue and groove face for PN 5.0MPa (50 bar) 722 GB/T 9117.8-1988 PN 10.0MPa(100 bar) 榫槽面带颈承插焊钢制管法兰 Hubbed socket welding steel pipe flanges with tongue and groove face for PN 10.0MPa (100 bar)723 GB/T 9118.1-1988 PN 2.0MPa(20 bar) 凸面对焊环松套带颈钢制管法兰 Loose hubbed steel pipe flanges with welding neck collar with raised face for PN 2.0MPa (20 bar)724 GB/T 9118.2-1988 PN 5.0MPa(50 bar) 凸面对焊环松套带颈钢制管法兰 Loose hubbed steel pipe flanges with welding neck collar with raised face for PN 5.0MPa (50 bar)725 GB/T 9118.3-1988 PN 2.0MPa(20 bar) 环连接面对焊环松套带颈钢制管法兰Loose hubbed steel pipe flanges with welding neck collar with ring-joint face for PN 2.0MPa (20 bar)726 GB/T 9118.4-1988 PN 5.0MPa(50 bar) 环连接面对焊环松套带颈钢制管法兰Loose hubbed steel pipe flanges with welding neck collar with ring-joint face for PN 5.0MPa (50 bar)727 GB/T 9118.5-1988 PN 10.0MPa(100 bar) 环连接面对焊环松套带颈钢制管法兰Loose hubbed steel pipe flanges with welding neck collar with ring-joint face for PN 10.0MPa (100 bar)728 GB/T 9118.6-1988 PN 15.0MPa(150 bar) 环连接面对焊环松套带颈钢制管法兰Loose hubbed steel pipe flanges with welding neck collar with ring-joint face for PN 15.0MPa (150 bar)729 GB/T 9118.7-1988 PN 25.0MPa(250 bar) 环连接面对焊环松套带颈钢制管法兰Loose hubbed steel pipe flanges with welding neck collar with ring-joint face for PN 25.0MPa (250 bar)730 GB/T 9118.8-1988 PN 42.0MPa(420 bar) 环连接面对焊环松套带颈钢制管法兰Loose hubbed steel pipe flanges with welding neck collar with ring-joint face for PN 42.0MPa (420 bar)731 GB/T 9119.1-1988 PN 0.25MPa(2.5 bar) 平面板式平焊钢制管法兰 Slip-on welding plate steel pipe flanges with flat face for PN 0.25MPa (2.5 bar) 732 GB/T 9119.2-1988 PN 0.6MPa(6 bar)平面板式平焊钢制管法兰 Slip-on welding plate steel pipe flanges with flat face for PN 0.6MPa (6 bar)733 GB/T 9119.3-1988 PN 1.0MPa(10 bar) 平面板式平焊钢制管法兰 Slip-on welding plate steel pipe flanges with flat face for PN 1.0MPa (10 bar) 734 GB/T 9119.4-1988 PN 1.6MPa(16 bar) 平面板式平焊钢制管法兰 Slip-on welding plate steel pipe flanges with flat face for PN 1.6MPa (16 bar) 735 GB/T 9119.5-1988 PN 0.25MPa(2.5 bar) 凸面板式平焊钢制管法兰 Slip-on welding plate steel pipe flanges with raised face for PN 0.25MPa (2.5 bar) 736 GB/T 9119.6-1988 PN 0.6MPa(6 bar)凸面板式平焊钢制管法兰 Slip-on welding plate steel pipe flanges with raised face for PN 0.6MPa (6 bar)737 GB/T 9119.7-1988 PN1.0MPa(10 bar) 凸面板式平焊钢制管法兰 Slip-onwelding plate steel pipe flanges with raised face for PN 1.0MPa (10 bar) 738 GB/T 9119.8-1988 PN 1.6MPa(16 bar) 凸面板式平焊钢制管法兰 Slip-on welding plate steel pipe flanges with raised face for PN 1.6MPa (16 bar) 739 GB/T 9119.9-1988 PN 2.5MPa(25 bar) 凸面板式平焊钢制管法兰 Slip-on welding plate steel pipe flanges with raised face for PN 2.5MPa (25 bar) 740 GB/T 9119.10-1988 PN 4.0MPa(40 bar) 凸面板式平焊钢制管法兰 Slip-on welding plate steel pipe flanges with reised face for PN 4.0MPa (40 bar) 741 GB/T 9120.1-1988 PN 2.5MPa(25 bar) 凸面对焊环松套板式钢制管法兰 Loose plate steel pipe flanges with welding neck collar with raised face for PN 2.5MPa (25 bar)742 GB/T 9120.2-1988 PN 4.0MPa(40 bar) 凸面对焊环松套板式钢制管法兰 Loose plate steel pipe flanges with welding neck collar with raised face for PN 4.0MPa (40 bar)743 GB/T 9120.3-1988 PN 2.5MPa(25 bar) 凹凸面对焊环松套板式钢制管法兰Loose plate steel pipe flanges with welding neck collar with male and female face for PN2.5MPa (25 bar)744 GB/T 9120.4-1988 PN 4.0MPa(40 bar) 凹凸面对焊环松套板式钢制管法兰Loose plate steel pipe flanges with welding neck collar with male and female face for PN 4.0MPa (40 bar)745 GB/T 9120.5-1988 PN 2.5MPa(25 bar) 榫槽面对焊环松套板式钢制管法兰Loose plate steel pipe flanges with welding neck collar with tongue and groove face for PN 2.5MPa (25 bar)746 GB/T 9120.6-1988 PN 4.0MPa(40 bar) 榫槽面对焊环松套板式钢制管法兰Loose plate steel pipe flanges with welding neck collar with tongue ans groove face for PN 40MPa (40 bar)747 GB/T 9121.1-1988 PN 0.6MPa(6 bar)凸面平焊环松套板式钢制管法兰 Loose plate steel pipe flanges with weld-on-collar with raised face for PN 0.6MPa (6 bar) 748 GB/T 9121.2-1988 PN 1.0MPa(10 bar) 凸面平焊环松套板式钢制管法兰 Loose plate steel pipe flanges with weld-on collar with raised face for PN 1.0MPa (10 bar) 749 GB/T 9121.3-1988 PN 1.6MPa(16 bar) 凸面平焊环松套板式钢制管法兰 Looseplate steel pipe flanges with weld-on collar with raised face for PN 1.6MPa (16 bar) 750 GB/T 9121.4-1988 PN 2.5MPa(25 bar) 凸面平焊环松套板式钢制管法兰 Loose plate steel pipe flanges with weid-on collar with raised face for PN 2.5MPa (25 bar)。
air-tight double glazing window 密闭双层玻璃窗multiple glazing 多层玻璃; 多层玻璃窗multiple-glazing unit 多层玻璃窗outside glazing 外装玻璃法patent glazing 专利装玻璃配件; 无油灰镶玻璃法plate glazing 平板压光plate glazing calender 平板抛光机; 平板砑光机putty glazing 油灰镶玻璃法puttyless glazing 无油灰镶玻璃法rebate of glazing 镶嵌玻璃槽口reflecting glazing 反射窗玻璃salt glazing 盐釉self-glazing 自动研光spray glazing 喷釉法spraying glazing 喷釉anti-burglary glazing 防盗玻璃窗attack resisting glazing 防盗窗玻璃bead glazing 压条装配玻璃法body wetting before glazing 补水copper glazing 铜条嵌镶玻璃copperlight glazing 铜条嵌镶玻璃copperlite glazing 铜条装配玻璃corrugated roof glazing 瓦楞玻璃屋面direct glazing 无窗框安装法double glazing unit 双层中空玻璃double-glazing 双层玻璃13X 13X分子筛3A 3A分子筛4A 4A分子筛abbeive阻黏剂,防黏剂,分离剂ablation脱离,切除,消融abrasion磨耗,磨损,磨蚀abrasion hardness磨蚀硬度abrasion index磨损指数abrasion tester磨损实验机accelerateagingtest加速老化实验acetate乙酸盐,乙酸酯,乙酸根,乙酸基acetone丙酮acid resistance耐酸性acoustic声学的acrylic resin丙烯酸类树脂acrylic丙烯酸,亚克利acrylics丙烯酸acrylonitrile丙烯腈activation激活activator活化剂adduct加(成化)合物adhere黏合,黏附adhesion老化实验,老化检验adhesion黏合adhesion failure黏合破坏adhesion of rubber to metal橡胶和金属粘结adhesion promoter黏合增进剂,助黏剂adhesive黏合剂adsorbent吸附剂adsorption吸附affinity亲和性aluminum oxide氧化铝aluminum profile铝型材aluminum section铝型材aluminum shim/butyl spacer铝带丁基胶条,实唯高胶条aluminum spacer铝间隔条,槽铝式ambient noise环境噪音ambient temperature环境温度amorphous无定性的,非晶质的angstroms埃anhydrite无水石膏an nealed glass原片,普通玻璃an nealing退火,退火的an nealing lehr(隧道氏)退火窑(炉)an nealing point退火温度(相当黏度为1018泊)anodize阳极氧化anomaly异常AFG(American Float Glass)美国浮发玻璃公司Agate玛瑙Aging 陈化,老化aging resistance 耐老化性,老化性能aging test老化实验argon filled充氩气air adsorption气体吸附air barrier防漏气隔离层,隔离屏障,气挡air curing空气硫化,空气熟化air drying风干air filled充空气air infiltration空气渗透air infiltration空气渗透air side浮法玻璃生产中朝上的玻璃面air space空气层airflow气流alabaster雪花石膏,雪花石膏制的aldehydes醛aliphatic脂(肪)族化合物salkali碱alkali metal salt碱金属盐alkali resistance耐碱性alkalinity碱性,碱度alligatoring鳄纹alumina氧化铝aluminoborosilicate glass铝硼硅酸盐玻璃aluminosilicate glass铝硅酸盐玻璃aluminum铝anticracking agent防裂剂(橡胶)antimony oxide氧化镝antioxidant抗氧化剂application table操作台aqueous水的,含水的,水成的argon氩气arsenic砷arsenic trisulfide三氧化砷arsenious oxide五氧化二砷art glass艺术玻璃,镶嵌玻璃asphalt沥青柏油ASTM美国中空玻璃检测标Atmospheric or ozone cracking大气或臭氧(作用)龟裂,自然龟裂Atmospheric pressure大气压(力)Attenuation衰减物Autoclave高压釜Bback-bone 主链,主要成分,骨干,骨架back-fill 反填充,回填充bacteria细菌barium crown glass钡冕玻璃barium oxide氧化钡barometric pressure气压base基胶batch house料房,配料车间bath瑶池,池炉bending strength弯曲强度bent glass弯玻璃,弯玻bent spacer连续弯管金属隔条bentonite膨润土,皂土,浆土benzene苯benzene ring苯环beryllium铍Bicherous smiotios pocess比切罗克斯法,间歇压延法(平板玻璃)bitumen沥青,柏油bleeding增塑剂等渗出表面形成薄膜baistering起泡,气泡blocks玻璃支撑快bromine溴brookfield synchro-lectric visosimetre布鲁克菲尔德单圆筒黏度计brookfiled test布鲁克菲尔德检测Btu英国热量单位(=256Cal)Bubbing起泡Bloom起霜白化blown ware吹制的玻璃制品blue-line drawing蓝图blush起霜白化boiler gages锅炉表bond breakage键断裂bond strength键强度bonding agent键合剂,黏合剂borate硼酸盐borax硼砂boric acid硼酸boric oxide氧化硼boron硼borosilicate cwn硼硅酸盐冕玻璃brosiliceglass硼硅酸盐bow弯曲弓形box spacer槽铝式隔条brglass防弹玻璃breakage炸裂breaking stress极限应力,破裂应力breather tube呼吸管brewsters布鲁斯特,(光弹性单位)bullet resistant glass防弹玻璃bull’s eye后圆玻璃,圆快玻璃butadiene丁二烯butyl丁基胶butylene丁烯CCadmium镉Calcareous钙质,含钙的石灰的Calcium peroxide过氧化钙Calcium carbonate碳酸钙CAN/CGSB-12.8-97加拿检测标准大中空玻璃Canal arch通道拱Capillary毛细管Capillary tube unit安装毛细管的中空玻璃Carbon black碳黑carbon dioxide二氧化碳Cardinal IG 美国卡迪诺中空玻璃公司catalyst 催化剂,触媒,固化剂cathode 阴极caulk 堵缝,填隙cavity thickness 空腔厚度Celsius 摄氏cement 水泥,胶结剂,胶结,封接CEN 欧洲中空坡璃标准centigrade摄氏centipoise 厘泊(黏度单位)centre in tension 中央张力centre of the glass 玻璃中央chain stopper 链终止剂,止链剂chalcogenide glass 硫属玻璃chalking 粉化,起垩Charles ’s Law 查里定理checking 龟裂checking sunlight 日晒引起的龟裂chemical fogging 化学雾chemical resistance 耐化学性chemical strengthened glass 化学钢化玻璃chlorine 氯chord 弦chords弦circumference 圆周,周围clay 粘土,粘土质的clear glass 白玻,透明玻璃coadsorption 共吸附coating technology 镀膜技术cobalt 钴coefficient of expansion 膨胀系数cohesion 内聚cohesive failure 内聚失败cold edge 冷边cold flexibility 冷挠曲性cold flow 冷流cold resistant 抗冷性,耐冷度compatibility 相容性compatible spacer 相容间隔条compound curve 复合曲线(玻璃)compression modulus 压缩模量compression set 永入性破坏compressive strength 压强度compressive stress 压应力concave 凹的condensation 冷凝condensation gutter 冷凝水收集槽,沟conduction 传导conductivity 传导container stability (=shelf life ) 货架寿命contamination 污染continuos film 平整的薄膜,无断裂或针眼convection 对流conventional hot melt 普通热融胶,常规热融胶convex 凸cool light 冷光cooling 冷却copolymer (二元)共价物copper 铜comer key 插角correlation 相关corrosion resistance 抗腐蚀能力cracking 裂化,裂解,断裂,裂纹creep 蠕变critical temperature 临界温度crosslink 化学交联cross-linking agent 交联剂crown glass 冕法玻璃,人工吹制成的玻璃片crystal glass 晶质玻璃crystal structure 晶体结构crystallization 结晶,结晶作用,晶化cullet 碎玻璃,废玻璃(料)cumene hydroperoxide 氢过氧化枯烯curative 固化剂,硬化剂cure time 固化时间curing agent 触媒,固化剂curing mechanism 固化机制curtain wall 幕墙curved glass 异型玻璃cyclic wind loading 周期性风荷载cycling 循环cylinder glass 筒形玻璃,(吹制或拉制),圆筒法平板玻璃DDamping 缓冲,减震,阻尼Daylight 日光Dead air 静止空气Dead load 自重Decibel (dB)分贝Decorative glass 装饰玻璃,镶嵌玻璃Deflection 挠度,挠曲Delaminate 分层,脱层Delinerate 描绘,叙述,描外形Density 密度Depth 深度Desiccant 分子筛Design load 设计荷载Desorption 解吸附Dew point 露点Diameter 直径Diamond pyramid 金刚石锥硬度标Diaphram 横膈膜,隔膜,膜片Dichromate 重铬酸盐Dicing 骰子Dielectric 电介体,电介质;介电的Diffusion 扩散Diisocyanates 二异氰酸盐Diluent 稀释剂,冲淡剂Dilute 稀释Dilution 稀释Dimethyl ketone 二甲丙酮DIN 1286 德国中空玻璃标准1286Dip coat 浸涂Disentangle 解开,清理Dispersion 色散,弥散]distribution 分布distortion 扭曲,畸变disulfide 二硫化物divider 除数,间隔物,隔板,划分者dolomite 白云石door-light 镶嵌玻璃drain line 流浆线道drawn glass 拉制玻璃drawn sheet glass 拉制平板玻璃drum 55加仑铁桶dry time 缺胶接头DSE 等同双道密封Dispersion 分散(作用),分散体,色散,离差Dual panes unit 双玻中空玻璃Dual panes 双玻中空玻璃Dual seal 双道密封Dual-sealed units 双道密封中空玻璃Dlurability 耐久性Durometer 硬度詈,硬度测验器Dynamic fatigue 动态疲劳EEdge clearance 边部间隙Edge cover 边部遮盖Edge of glass 玻璃边部Edge seal 边部密封Edge seal height 边部密封高度Edgetech IC 美国艾杰中空玻璃技术有限公司Elastic solid 弹性固体Elasticity 弹性Elastomer 高弹性Electromagetic 电磁的Elements 元素,自然界的风,雨,雪和雷电等Elongation 延伸Emery 刚玉粉,刚砂Emulsion 乳状液Enamel glass 釉彩玻璃Encyclopedia 百科全书Endothermic 吸热的Energy efficiency 能源效率Energy star 美国能源明星计划ENR 室外噪音评定ER (energy rating )能源等级评定Erosion 腐蚀Ethylene 乙烯EWNR(exterior wall noise rating ) 外墙噪音评定Exhaling air 呼出空气Exothermic 放热的Exterior glazing 室外安装玻璃FFactory glazed 工厂安装玻璃Fahrenheit 华氏Failure analysis (water immersion technique) 失败分析Far ir 远红外Fatigue strength (疲劳强度)Faying surfaces 接触面Feeder 进料器,加料器Feldspar 长石Feldspathic 长石质的Fenestration 门窗Fiberglass 玻璃钢Filler 填料Filter cake 滤饼Fin 毛刺Fire-retardant material 阻燃材料Flame resistant 耐燃性(的)Flame retardant 阻燃剂Flash point 闪点,闪燃点Flat glass 平板玻璃Flaw 缺陷Flexible 弹性的Flexible silicone foam 弹性硅酮微孔间隔条,超级间隔条Flint glass 火石玻璃,无色玻璃Float glass 浮法玻璃Float process 浮法工艺Flow out 流出Flow point 玻璃的流动温度Fluorine 氟Fluxe 溶剂Fluxing agent 助熔剂Fog 雾Fogging unit 内侧雾化的中空玻璃Foot 英尺Forming roll 压延辊Four sides curtain wall 全隐式幕墙Fractography 断口组织试验,断口组织的显微镜观察Fracture 破碎,断面,断裂,破坏FRAME 计算机模拟热流的软件Frequency 频率Front end 窑前端Front gable – wall 前脸墙,端墙Frost poin 霜点Ft/reel英尺/轴Fulcrum支点Fumed silica 热解法二氧化硅,火成二氧化硅Fungi 霉菌Furnace 炉,窑Furnace floor 炉底,窑床Fusion 熔融,熔化GGallon 加仑Gas 气体,惰性气体Gas retention 惰性气体保持能力Gas –filled unit 充惰性气体的中空玻璃Gasket 玻璃密封胶条Geometry 几何Geolrgian bar 美隔条Germicidal 杀菌的Girth 曲线周长Glass blowetr 玻璃灯工,玻璃吹制工Glass breakage 玻璃炸裂Glass crtain wall 玻璃幕墙Glass edge seal 玻璃边缘密封Glass modulus 玻璃态模量Glass phase 玻璃相Glass point 玻璃点Glass ribbon 玻璃带,玻璃条Glass transit temperature 玻璃化温度Glass washer 玻璃清洗机Glassblowing 玻璃吹制Glass-making 玻璃制造Glassware 玻璃器皿Glazing bead 玻璃压条Glazing material 玻璃,玻璃密封材料Glazing rabbet 玻璃镶嵌槽Glazing system 玻璃装配系统Glossary 小辞典,词汇表Goblet 小料块(玻璃)料滴Gouges 表GPR (gas permeance rate )气体渗透率Green strength 初始湿强度Greenhouse 温室Grinding hardness 研磨硬度Grit 压痕硬度Grout 薄浆(水泥)GS(galvanized steel ) 镀锌钢Gun consistency 适用从胶枪嘴向外打胶的松软度Gypum 石膏HH.B.Fuller 美国富乐公司H.H(high temperature high humidity) 高温高温Hard coat 硬度膜Hardness 硬度Heat flow 热流Heat mirror 热境Heat press roller 热(辊)压机Heat resistance 抗热Heat treated 热处理Heating 供热Heat-seal 熔焊,熔接,热封Heat-strengthened glass 热增强玻璃,半钢化玻璃Heat-treated glass热处理玻璃Hermetic 气密的Hertz(HZ) 赫兹Heterogeneous 不均匀的,多相的Hiding power 遮盖的,覆盖力,盖底力,被覆盖High humidity testing 高湿试验HIGS 北美中空玻璃标准HI-TR 耐高热HMB 热融丁基胶Holiday 空胶,露布,露白,露胶Hook 钩Horizontal 水平的,卧式的Hot melt 热融胶Hot melt butyl 热融丁基胶Hot melt sealant 热融密封胶Humidity 温度Humidity aging 温度老化HVAC 中央空调Hydrocarbon 碳水化合物Hydrolytic 水解Hydrolytic resistance 抗水解Hydrolyzability 水解Hydrophilic action 亲水性,(的)反应,吸湿反应Hydroxides 氢氧化物Hydroxy 羟基IIdeal Gas Law理想气体定律LGMA(lnsulating Glass Manufuracturing Alliance)北美中空玻璃制造联盟LGU中空玻璃单元Impact 冲击Impact resistance抗冲击Impact strength 抗冲击强度Impart 给予,分给Impeller叶轮Imperial英制Incandescent lamp白炽灯Inch 英寸Incident noise 入射噪音Indentation hardness压痕硬度Inert gas惰性气体Infrared红外线Ingredient组分,成分Inhaling air吸入空气Initial初始的Initial dew point初始露点Inorganic无机的Inside temperature室内温度Insulating block 保温材料块Insulating glass中空玻璃Insulating value保温值Insulation material保温材料Intensity强度;密(集)度LnterceptTM U 型间隔条TMInterior glazing室内安装玻璃Intelayer夹胶,夹层Internal reflection内反射Internal strain内应变Internal stresse内应力Iodine碘Ion exchange离子交换Ion exchange process离子交换反应LR红外线Iron oxide氧化铁Isocyanate异氰酸盐(酯)Isoprene异戊二烯,丁二烯,甲基-1Isostere(电子)等排物Isotherm等温线LJamp 边框KKaolin高岭土Kiln bottom窑底Knurl roll压花辊LLading (用勺子)舀(玻璃液)Laminated glass夹层玻璃Lap point搭接点,搭接面Lap shear搭接剪切实验LBNL (lawrence Berkerly National Laboratory)美国劳伦斯伯克利国家实验室Le Joint Francais(LJF)法国乐杰福密封胶有限公司Lead crystal铅晶质玻璃Lead oxide氧化铅Lead peroxide过氧化铅Lead –alkali –silicate glass铅碱硅盐酸玻璃Leaded glass含铅玻璃Lehr退火窑(炉)Leq等效声音级别Life exqectancy寿命期望值,期望寿命Lifting提升,举起,升起Limestone石灰石Lindemann glass林德曼玻璃(含X射线含锂铍硼玻璃)Linear thermal coefficient of expansion先性膨胀系数Lip瓶口Lite 玻璃Lithia氧化锂Live load活载荷,活负载Load荷载,载荷,负荷Load average平均荷载Location block定位块Logarithmics对数Longevity长久性,寿命Long-wave长波Low-Eglass低辐射玻璃Low-emissivty coatings低辐射镀膜Low-emissvity glass低辐射玻璃LOW-TR耐低热Lump起疙瘩,胶团,块Nnanometer纳米National Fenestration Rating Council美国国家门窗等级评定委员会negative pressure负压Neolithic新石器时代的,过时的neoprene氯丁橡胶,氯丁二烯橡胶neutral中性NFPA美国国家放火署NERC美国门窗等级评定委员会niter硝石nitrile rubber丁腈橡胶nitrogen氮气noble metal贵金属noise噪音noise control噪声控制noise factor噪声系数noise figure噪声疲劳noise insulation factor隔噪声因子noise level噪声级noise limitation噪声限度noise meter噪生计noise muffler噪声衰减器noise pollution噪声污染noise reduction噪声降低noise reduction coefficient降(低)噪(声)系数nominal strain名义应变nominal stress名义应力noncollapisible不可收缩的,不可折叠的noncrystalline 非晶体的nondrying不干性nonductile不可展伸的nonsag非下垂nonskinning表层不固化的nonstaining不污染的nontoxic无毒NR(noise reduction)降噪NRC(national research Council of Canada) 加拿大国家研究院Nylon尼龙QQuality质量Qualitycontrol质量控制Quantity数量Quartz石英RR&D(research &development)研究与开发Rabbet platform玻璃镶嵌槽底片Radiation辐射Radii半径(单数)Radiology放射线Radius半径(单数)Rapid dew point drop漏点下降快Reactive反应型的Reactive hot melt反应型热融胶,湿气固化热融胶Reactor反应堆real-time实时refining end 澄清部,澄清带reflective glass反射镀膜玻璃refraction折射refractive index折射的,折射指数,折射率relative humidity(r.h)相对湿度residentail building名用住宅底层建筑residual water残余水resistor电阻,电阻器resonnating共振,共鸣reverberation混响reverse dual seal逆向双道密封rh相对湿度rheological流变的rheological agent流变剂rheological characteristic流变特性ribbon glass带状玻璃,玻璃带rigidity刚性rod棒料,棒,条roller press辊压rolling machine压铸机rolled glass压延玻璃room temperature室温residential民用的RTV(room temperature vulcanizing)室温硫化Rupture破裂,断裂,裂缝,裂口,洞穿Rutile titanium dioxide金红石型二氧化钛R-value热阻SSaflex首诺胶片Sag下垂度sagging下垂度salt spray test喷盐实验sand石英砂,砂子saturation equilibrium饱和均衡schematic示意图scrap glass废玻璃scratch划伤scratch hardness刮痕硬度,划痕硬度screw spline螺丝连接槽,连接键sea level海平面sealant密封胶sealed failure密封失败sealed insulating glass密封中空玻璃Sealed lnsulating Glass Manufacturers Associations美国中空玻璃制造商协会Sealed space密封空腔]Secondary seal 第二道密封Secondary sealant 第二道密封胶Seed灰泡小气泡Selenide 硒化物Self-cleaning glass 自清洁玻璃Semiconducting glass半导体玻璃Service termpreature工作温度Setting block玻璃支撑块SE6(sulfur hexaflouride)六氟化硫Shear剪切Shear strength 剪切强度Shelf aging搁置老化Shelf life货架寿命SHGC增阳系数Shore hardness A邵氏硬度 AShort vinyl短胶Short wavelength 短波波长Shrinkage收缩Shut-off gate闸门,供料机闸砖(供料机上用)SIGMA美国中空玻璃制造商协会Silanol硅烷醇Silica gel硅胶Silicate glass 硅酸盐玻璃Silicone carbide炭化硅Silicone structural seal 硅酮结构胶Silicone weatherseal硅酮耐候胶Silicone硅酮胶Sill 窗台(板),窗口Silimanite 硅线石Simulation 模拟Single pane 单片玻璃Skid托盘Slab (厚)板玻璃,玻璃砖Slag炉底玻璃;炉渣,矿渣Sloped glazed倾斜似玻璃装配Slot 缝Slump 下垂度Smart glass 智能玻璃Smart window 智能窗Snap-oncover cap 扣入式外盖Soda(sodium carbonate) 碳酸钠Soda ash苏打灰Soda ash glass钠玻璃Soda lime glass钠钙玻璃Soda-lime-silica glass 钠钙硅酸盐玻璃Sodium gydroxide氢氧化钠,苛性钠,烧碱Sodium oxide氧化钠Sodium si9licate 钠硅酸盐Soft coat 软镀膜Softening point 软化点,软化温度Solar energy太阳能Solar rediation 太阳辐射Solar tranmittance 太阳投射比Solar transmission 太阳投射Solidify 使凝固,凝结,固化Sovent 溶剂Sound 声音Sound absorption 声吸收Sound absorption coefficient吸声系数Sound contral glass声控玻璃Sound diffusion 声发散Soun energy 声能Sound energy density 声能密度Sound energy fllux 声能通量Sound grating 声栅Sound level 声级Sound proof 不透声的Sound source 声源Sound spectrum 声谱Sound wave 声波Soupy 胶浆的Spacer 间隔条,中空玻璃间隔条Spacer depth 间隔条深度,间隔条高度Spacer height间隔条高度Spacer width间隔条宽度Spandrel glass安装在建筑物外墙不见光的无光泽玻璃Sparklike芬兰斯巴莱克公司Specific adhesion特性黏合,比黏合Specific gravity 比重Specific heat 比熟Specimen 样品Spectrophotometry 分光光度测定(法)Splotch污点,(渍,痕),斑点Spout 料盘,流料槽Spout cover 供料池盖砖Spun glass 玻璃纤维,玻璃丝Sputter-coated low –e 阴极溅射低辐射镀膜Ss(stainless steel) 不锈钢Stained glass 彩色玻璃Stainless steel 不锈钢Stainless steel spacer 不锈钢间隔条Standard deviation 标准差Starved joint 缺胶接头Stc(sound transmission coefficient) 声透射系数Stearic acid硬脂酸,十八(烷)酸Sticky 胶黏的Stiffener 加强筋Stiffness 挺度,劲度,僵硬度Straight chain 直链Strain 应变Stain point 应变点Strength 强度Stree应力Structural design结构设计Structural sealant glazed system(SSG)结构胶玻璃装配系统Structural strength 结构强度Substrate基材Sulfides 硫化物Sulfric acod 硫酸Super spacer 超级间隔条Surface flaw 表面缺陷Surface in compression 表面压应力Surface temperature 表面温度Surface tension 表面张力Suspended glazing 吊挂似玻璃装配Swiggle stripTM 实维高胶条、舒适胶条Synthetic 人工复合TTack free 表干Tangent 正切Target 靶Tear strength 剪切强度Technical data 技术数据Tellurite glass 碲玻璃Tempered glass 钢化玻璃Tensile modulus 拉伸模量Tensile streength 拉伸强度Tension 张力拉伸Terminology 术语Test apparatus 实验仪器Tetrahedral 四面体的Tetramethyl 四甲基Tetramethyl thiuram disulfide 二硫化四甲基秋兰姆Thermal aging 热老化Thermal analysis 热分析Thermal break 热炸裂Thermal conductance 热传导Thermal conductivity coefficient 热传导系数Thermal contraction 热收缩Thermal diffusivity 热扩散系数Thermal energy热能Thermal shock 热冲击Thermal shock resistance 抗热冲击阻力Thermal syrain 热应变Shermal stress 热应力Thermal value 热值Thermo set 热固Thermocouple 电热偶Thermoplastic热塑Thiokol 聚硫胶,聚硫橡胶,乙硫橡胶Thiuram type accelerator 秋兰姆类促进剂Thixotrope 触变胶Thixotropic 触变(的),具有触变作用的Thixotropic agent 触变剂Thixotropy 触变性Thixotropy factor 触变系数Thixotropy index 触变指数Thorium 钍Threshold 限度,界限Tin bath 锡槽Tin catalyst 锡触媒Tint glass 本体着色玻璃Tint 着色,色彩,色调Titania 氧化钛Titanium dioxide 二氧化钛,钛白Toluene 甲苯Toughened gloass 强化玻璃Transformation temperature (玻璃的)转变温度Translucent 半透明的Transparency 透明度Transverse seam 横向缝Tray bar 接料板Tray roiier 传送辊Triple pane unit 三玻中空窗Triple panes三玻中空窗Trowel镘刀,抹平刀Trowelling 抹涂,镘涂Tubing 管,管道,制管Tungsten 钨Tweel炉闸口Two sides curtain wall 半隐式幕墙Two-component 双组分UUltimate elongation 极限伸长Ultraviolet 紫外线Ultravioet light 紫外线灯Ultraviolet-transmitting glass 透紫外线玻璃Unalterate 未改变的,不变的Undestructive argon 非破坏性氩气分析仪Undulating current 波荡电流Uniform loading均匀负荷Uniform thickness 均匀厚度United inches 玻璃的一个边长和边宽之和UOP美国环球分子筛公司Uv-lamp 紫外线灯U-value U值VVentilation 通风Vertical 垂直的,立式的Vertical mullion 竖框Vibrate 振动Vinyl 乙烯基,聚氯乙烯Virus 病毒Viscoelasticity 黏弹性Viscometer 黏度计Viscosimeter黏度计Viscosity 黏度Viscous 黏(滞)的Visible 可见的Visible light 可见光Vistanex 聚异丁烯Visual distortion 视觉变形Vitreous 熔融状,玻璃状的,玻化Volatile 挥发的,易挥发的Volatile fogging 挥发化学物Volatile outgassing 挥发气体外泄Vulcanization 硫化,硬化Vulcanize硫化,硬化WWaisting 细腰玻璃Warm edge 暖边Warm edge technology 暖边技术Warp 玻璃状板;光学扭曲,翘曲Warranty 质保书Water immersion 浸水Wavelength 波长Weather cycling 气候循环实验,气候循环检测Weatherometer 老化实验机Wedge 锲,锲入Weep 漏(泄渗)水Weep hole 排水孔Weep slot 槽形排水孔WET(warm edge technology) 暖边技术Wetting 润湿White room 绝尘室,无尘室Wind load 风荷载Windborne 住链,主要成分;骨干;骨架Wire glass 夹丝玻璃Work life 操作时间XXenon gas 疝气x-ray leaded glass 防X射线含铅玻璃x-ray protction 防X射线x-ray shielding X射线屏障xylene 二甲苯YYield strength 屈服强度Yong's modulus 杨模量ZZeolite 沸石Zinc oxide 氧化锌Zirconium oxide 氧化锆γ-glycidoxpropyltimethoxysilane γ-环氧丙氧丙基三甲氧基硅脘IIdeal Gas Law理想气体定律LGMA(lnsulating Glass Manufuracturing Alliance)北美中空玻璃制造联盟LGU中空玻璃单元Impact 冲击Impact resistance抗冲击Impact strength 抗冲击强度Impart 给予,分给Impeller叶轮Imperial英制Incandescent lamp白炽灯Inch 英寸Incident noise 入射噪音Indentation hardness压痕硬度Inert gas惰性气体Infrared红外线Ingredient组分,成分Inhaling air吸入空气Initial初始的Initial dew point初始露点Inorganic无机的Inside temperature室内温度Insulating block 保温材料块Insulating glass中空玻璃Insulating value保温值Insulation material保温材料Intensity强度;密(集)度LnterceptTM U 型间隔条TM Interior glazing室内安装玻璃Intelayer夹胶,夹层Internal reflection内反射Internal strain内应变Internal stresse内应力Iodine碘Ion exchange离子交换Ion exchange process离子交换反应LR红外线Iron oxide氧化铁Isocyanate异氰酸盐(酯)Isoprene异戊二烯,丁二烯,甲基-1 Isostere(电子)等排物Isotherm等温线。
汽车玻璃专业术语_英汉文对照汽车玻璃专业术语1.玻璃品种Glass / glazing 玻璃Raw glass 原片玻璃Float glass 浮法玻璃Sheet glass 平板玻璃Blank glass 毛坯玻璃Template glass 光坯玻璃Automotive glass 汽车玻璃Architectural glass 建筑玻璃OEM (original equipment manufacture)glass原装玻璃ARG (aftermarket replacement glass)修配玻璃Windshield/windscreen 前挡风玻璃Sidelite / body glass 侧围玻璃,车身玻璃Front door glass 前车门玻璃Rear door glass 后车门玻璃Fixed vent 后三角窗Fixed quarter 后侧窗6thlite 第6块玻璃Backlite / backscreen 后挡风玻璃Roof panel/sun roof 顶棚玻璃Safety glass 安全玻璃Laminated glass 夹层玻璃T empered glass (美)钢化玻璃Toughened glass (英)钢化玻璃Zone-tempered glass 区域钢化玻璃Bullet-proof glass 防弹玻璃Heat absorbing glass 吸热玻璃Wire-meshed glass 夹丝玻璃Insulating glass 中空玻璃Clear glass 白片玻璃/无色玻璃Tinted glass 着色玻璃Untinted glass 无色玻璃Privacy glass 隐私玻璃Painted glass 印刷玻璃Encapsulated glass 粘贴/注塑玻璃Roller hearth glass 辊道成型单曲面钢化玻璃(Quick) sag glass 双曲面弯钢化玻璃press-form glass 压模成型弯钢化玻璃gravity sag glass 自垂成型烘弯玻璃Heatable windshield 加热前挡风玻璃Racing windshield 赛车前挡风玻璃Electric heated backlite 电加热后挡风玻璃2.工艺过程Manufacture ProcessesLaminated Windshield/Windscreen Processes夹层前挡风玻璃工序Loading/unloading 上/下片Cutting 切割CNC Pre-processing 数控预处理Seaming 倒边/磨小边Grinding 磨边Breakouting 掰边Washing 洗玻璃Silk Screen Painting 丝网印刷Bending 烘弯PVB Stretching PVB拉伸Lamination 夹层Deairing / vacuuming 初压Rear View Mirror Button fitting后视镜底座安装Autoclaving 高压PVB Trimming 中间膜修边PASS Extrusion 预装粘贴挤边Final Inspection 终检Sidelite/Backlite Processes侧围玻璃/后挡风玻璃工序Cutting 切割CNC Pre-processing 数控预处理Grinding 磨边Breakouting 掰边Washing 洗玻璃Silk Screen Painting 丝网印刷Mesh making 制网Bending 烘弯Tempering 钢化Quenching 淬冷Blow-off 脱模Soldering 焊接Priming 涂底漆Door clip installation 门夹安装Curing 固化PVC Encapsulation 聚氯乙烯注塑PU Encapsulation 聚氨脂注塑Final Inspection 终检3.质量检验及缺陷Quality inspection & defects3.1 器具 apparatusChecking gauge 检具/检验模Full-land gauge (玻璃与检具接触的检验模)Pedestal gauge (玻璃接触垫高在检具上销钉的检具) Female/male maraset gauge 凹/凸标准实样模Template 实样板Boundary sample 极限样品Feeler gauge/taper gauge 塞尺Dial indicator 百分表Micrometer 千分尺Tape 卷尺Ruler 直尺Sag Stick 球面尺Vernier 游标卡尺CMM 电脑三坐标测量仪Projector 投影机Stressometer 应力仪Folge-stress-meter 边部应力仪Penetrometer 透光仪Polariscope 偏光仪Viscosimeter 黏度计Weatherometer (WOM) 老化(耐风蚀)测试机3.2 测试项目 Test itemsOptical distortion test 光畸变测试Light transmission ~透光~Warpage ~弯曲度~Secondary (double) image 二重像/副像Abrasion ~耐磨~Fragmentation ~碎片~Head-form ~人头模型~Falling dart ~落箭~Shot-bag ~霰弹~Radiation~耐光~High temperature ~耐温~Low temperature ~耐寒~Thermal shock ~耐温度急变~Humidity ~耐潮湿~Visible ~能见度~Pummel ~帕莫~Roof crush~翻滚~Zebra~斑马线~Ball ~钢球~Peel ~剥离~T orque~扭力~Tensile~抗拉~Shear~抗剪~Compression ~抗压~Stress ~应力~Durability ~耐久~Weathering~风化(蚀)测试Impact resistance ~抗冲击测试Boiling ~煮沸测试3.3 检验项目 Inspection itemssize 尺寸form(off-block) 吻合度rate of change (ROC) 荷叶边sag 球面cross bend 拱高radius 曲率半径draw line 波筋overlap 叠差crank effort 横向波筋tin side 锡面air side 空气面distortion 折光appearance 外观3.3 缺陷 Defects3.3.1 光学缺陷 Optical defects Optical distortion 折光/光畸变Bull’s eye牛眼3.3.2 外观缺陷 Appearance defects Scratch 划伤Rub 擦伤Mar 划痕Shiner 亮斑Poor edgework 不良磨边Chip 爆边Flake chip 薄爆边Shell chip 剥落爆边(同薄爆边) V-chip 三角爆边Adhesion chips/Fused chips 粘附玻璃屑Bloom 起霜Pockmark 麻点Tool / mold mark 钢化模具印Rail mark 烘弯模具印String 线道Seeds 杂晶籽Ream 波筋Cords 深波筋Crizzling 裂子Weathering 霉斑Cloth mark 模布印Roller mark 辊道印See-through terminal 铜电极透印Terminal come-off 铜电极脱落3.3.3. 夹层缺陷 lamination defects Air penetration 角部气泡Bubble 气泡Delamination 脱胶Inside dirt 夹杂物Hair 夹杂绒毛Lint 杂毛3.3.4. 印刷缺陷 Paint defectsPin hole 针孔Missing dots 圆点漏印Paint void 漏印Dots run-together 糊印Colour spot 色斑Broken line 断线3.3.5. 注塑缺陷 Encapsulation defects Flow line 流痕Knit line 交接痕Sink 凹坑Short shot 缺塑Scuff 划痕Flash 溢料Pit 麻点Gate blush 浇口色差Ripple 表面皱褶Burnt vinyl 焦糊料Contamination 表面污染Orange Peel 橘子皮4.设备及材料Equipment & MaterialESU (energy saving unit) 前风档烘弯炉DBO-II (deep bending option 2) 深弯炉DBO-IV (deep bending option 4)(带压模)的深弯炉HTF (horizontal tempering furnace)水平钢化炉HTFB (horizontal tempering bender system)浅弯炉Roller hearth 辊道成型单曲面钢化炉Cutter 玻璃切割机Grinder 玻璃磨边机Belt seamer 砂带磨边机Bi-direction grinder 双向磨边机PVB Stretcher 中间膜拉伸机Washer 洗玻璃机Pad printing machine 商标移印机CRB(cylindric radius bender) 单曲面钢化炉CPB(conventional press bender)传统压模深弯炉Glass straight flange edge polisher 直边磨边机Glass severing machine 玻璃掰板机Ceramic block 陶瓷吸盘Ceramic paper 陶瓷纸Load jaws 上片爪子Shuttle 深弯小车Tractor conveyor 托模小车Cold ring 落模/冷环Hot ring 热环Press-form 压模Lift jets 托模喷头Roller 辊道Upper/lower/flat/curved Quench上/下/平/弯风栅Quench nozzles 风栅喷嘴Air broom 风扫装置Grinding cam 靠模Mist collector 集雾器Bending fixture (coffin) 烘弯模Spotting model 烘弯模制作样板架Mesh / fabric 网布Mesh frame 网框Squeegee 刮刀Flood bar 挡料板Photopositive 底片Emulsion 感光乳剂Copyboard 晒板机Vacuum ring 抽真空橡胶条Edge sealer 封闭油Division bar 分割条Reinforcement bar 加强筋Snap pin 弹压齿式定位销Attachment Insert 内嵌件PU (polyurethane) 聚氨基甲酸酯PVC (polyvinyl chloride) 聚氯乙烯PVB(polyvinyl butyral) 聚乙烯醇缩丁醛TPE(thermoplastic elastomer) 热塑弹性体5.其他术语Other terms5.1 汽车 VehicleGRWS (Glass run weatherstrip) 车门槽封条Sheet Metal 车壳/扳金Body 车壳Belt line 门板线HMST(high-mounted stop light) 高位刹车灯Bonnet 引擎盖Dashboard /instruction panel 仪表板A-pillar A柱:前风档与前车门接合处B-pillar B柱:前后车门接合处C-pillar C柱:后车门与后风档的接合处5.2 丝网印刷 Silk Screen PaintingBlack band 黑边silk screen obscuration band 丝网印刷黑边dot fade-out 点与黑边过渡区域footprint 印涂到的区域Paint pattern 点状印刷样式Black paint/ceramic paint 黑胶Silver paint 银浆5.3 包装 PackagingStillage 运输铁架Pallet 托盘Tray 塑料周转箱Dunnage 包装垫料Spacer 垫片Rubber hair pin 橡皮夹Teeth rack (包装箱架底部)齿槽条strip 包装绷带Label 标签Crate 板条箱Fumigation 熏蒸5.4 其他 othersGradient bend PVB上的遮阳带Offcut 掰边下来的角料Cullet 碎玻璃Prototype 首期样品6.缩写AbbreviationANSI American National Standards Institute 美国国家标准学会APQP Advanced Product Quality Plan新产品质量计划ARG Aftermarket Replacement Glass修配玻璃BOM Bill of Materials材料清单C3P Computer-aided design / engineering/manufacture and Product Data Management电脑辅助设计、工程、制造及产品数据管理Cp Capability of Process Index稳定过程能力指数CpK Capability of Process (Index K)(最小上下限的)稳定过程能力指数DOE Design of Experiments试验的设计DVP&R Design Verification Plan & Report设计验证计划及报告DCAR Defective Correction Action Report缺陷纠正行动报告ECE Economic Committee for Europe欧洲经济委员会EDI Electronic Data Interchanger电子数据交换器FMEA Failure Mode & Effect Analysis缺陷模式及影响分析GD & T Geometric Dimension & Tolerance几何尺寸和公差G R&R Gauge Repeatability & Reproduction检具的重复性和在现性JIT Just-in-time即时供货MMSA Materials Management System Assessment 材料管理系统评估MRD Material Requisition Date领料日(产品交至客户的日期)OEM Original Equipment Manufacture主机厂产品/原装厂产品OTS Off-tool Sample工装样品PM Preventive Maintenance防范性维修保养PPM Parts Per Million废品百万率PPAP Production Part Approval Procedure生产性零部件审批程序PpK Process Performance Index过程性能指数PRFQ Preliminary Request for Quotation初步报价请求书PSW Part Submission Warranty产品递交担保书QSA Quality System Assessment质量系统评估R@R Run at Rate节拍生产SIR Sample Inspection Report样品检验报告SPC Statistical Process Control过程的统计控制SREA Supplier Request for Engineering Change 供应商提出的工程变更申请书7.澳大利亚福特新车开发阶段Vehicle build phases of FOAAP Attribute Prototype属性样机装车CP Confirmation Prototype确认样机装车HTFB Hard Tool Functional Build 实模功能性装车1PP Level 1 Production Part首件生产性零部件装车FEU Field Evaluation Unit供路试评估的装车Job 1Launch投产。
图1-1 叠合体 图1-2 中间状态体 图1-3 组合体ASTM E1300-09a,夹层玻璃计算等效厚度计入夹层剪切模量的影响,力学性能介于叠合体与组合,且与玻璃片的最小厚度、面板宽度、夹层厚度等有关。
同时,夹层剪切模量与温度、作用时间有关。
本文选取2种玻璃配置在3种面板尺寸下对应的等效挠度与等效应力计算厚度见表 图2-1 GB与ASTM等效挠度计算厚度对比 图2-2 GB与ASTM等效应力计算厚度对比 图3 ABAQUS夹层玻璃网格模型由表1与图2-1,2-2可知,ASTM长期荷载作用下(持荷30d),夹层剪切模量非常小,近似于不考虑其厚度贡献,但因ASTM采用玻璃片最小厚度,ASTM等效挠度与应力计算厚度略小于GB。
ASTM短期荷载作用下(持荷3s),夹层剪切模量较大,对厚度贡献较大,ASTM等效挠度和应力计算厚度大于。
GB等效计算厚度介于ASTM长期与短期荷载所对应的计算厚度之间[2]。
(3)按照欧标。
为方便与ASTM比较,温度与持荷时间的取值同ASTM。
根据prEN 16612:2013E(4)按照ABAQUS有限元。
使用ABAQUS有限元软件整体模拟夹层玻璃6+1.52+6,玻璃片厚度采用ASTM中6mm对应的最小厚度5.56mm,夹层厚度1.52mm,网格模型见图3。
为了避免网格单元剪力自锁,将玻璃设置为非协调三维实体应力单元C3D8I。
PVB夹层的泊松比接近0.5,为不可压缩材料,设置为非协调杂交三维应力单元C3D8IH。
PVB夹层面与玻璃面之间不产生相对滑移,采用绑定约束,玻璃面为主面,PVB面为从面。
采整体模拟法计算挠度与应力,同时,将依据ASTM 出的等效挠度与应力计算厚度代入ABAQUS来计算挠度与应力,根据两种方法所得结果的差值率来判断ASTM等效挠度与应力计算厚度公式的误差情况。
计算结果及对比情况见表2。
ASTM夹层玻璃(6+1.5VB+6)等效挠度与等效应力计算厚度应力ASTM厚度-ABAQUS计算应力差值率图4-1 PVB夹层玻璃不同算法的挠度对比图4-2 PVB夹层玻璃不同算法的应力对比由表3与图4-1可知:①ASTM、prEN、MIDAS/GEN及ABAQUS四种算法的挠度结果较为接近。
为了满足厚度2 mm超白压延玻璃钢化指标要求,对原钢化炉装置进行设计改造。
为了解决钢化过程中存在的缺陷问题,采用技术方案是设定2 mm玻璃的加热曲线,严格控制玻璃在高温区、冷却区停留的时间,在加热区内加热到玻璃转变温度点,通过风机淬火快速冷却至室温状态,使玻璃表面产生压应力与玻璃内部产生张应力,提高玻璃的抗压、抗弯、抗冲击等强度,且通过控制钢化炉装备加热速率和玻璃淬火温度梯度,解决玻璃钢化极易变形疑难问题。
原钢化炉设备利旧改造:原企业钢化生产线的钢化炉设备可钢化尺寸为2 000 mm×1 000 mm×2.5 mm的玻璃,已是使用数年,设备陈旧,设计参数达不到钢化2.0 mm超白压延玻璃性能要求,需要针对钢化炉装置进行更新改造。
工艺参数设置遵循低温短时间原理,利用热平衡系统的作用,实现2.0 mm钢化玻璃批量生产,从设备生产技术层面上分析,摸索出满足2.0 mm超白压延玻璃钢化炉设备规格参数,达到全钢化标准要求。
设计思路:钢化炉系统设置加热区和风冷区以及传输机构区段。
加热区中,玻璃的上方和下方均设有加热装置;风冷区中,玻璃的上方和下方均设有风栅,风栅与供风装置相连,风栅上设有多个出风孔。
传输机构,传动辊采用陶瓷辊,传动辊设置不同的辊道间距。
通过优化设置钢化参数,设计合理钢化炉装置结构等方法,满足2.0 mm超白压延玻璃达到全钢化程度的要求。
改造后的新型钢化炉装置见图1。
图1 新型钢化炉装置系统各个结构示意图改造后的2 mm超白压延玻璃钢化装置,满足2 mm厚度玻璃钢化,可有效避免玻璃在钢化过程中产生变形,具体结构功能:(1)钢化装置结构依次设置了加热区和风冷区,传输机构带动玻璃依次穿过加热区和风冷区。
(2)加热区的顶部和四周设有第一罩板且底部设有第一底板,冷区的顶部和四周设有第二罩板且底部设有第二底板。
(3)加热区和风冷区之间设有空位区。
第一罩板朝向空位区的端面设有用以供玻璃穿过的通孔,第二罩板朝向空位区的端面设有开口,开口处设有导流板组件。
建筑五金门窗幕墙最完善中英文对照表(2500对)泊桑比Poisson’s Ratio铝板Alum. Panel铝塑材切割Cutting、milling暖通空调HVAC=Heating、Ventilation & Air Conditioning设置可见度Set up the visibility(玻璃)固定爪Spider fixing(胶)凝固cure(门、窗魄力外)的装饰格栅decorative sash bar (受力)临界点、相变点critical point (填塞的)水泥砂浆Grouting(与墙体)安装附件wallattachment(柱)间距紧凑closeinterval构件Element90度转角连接材90°Corner1秒钟峰值净压力1-secNet External Pressure1秒钟峰值压差1-sec Peakdifferential Pressure1秒钟外部峰值压力1-secpeak external pressureE额定荷载rated loadH型钢H-type steelLow-E镀膜玻璃Low-E(low-emissivity ) coatedglassT型螺栓T-head boltwall矮墙、女儿墙Podium安全防火隔热fire-safinginsulation安全荷载safe load;safety load安全荷载系数safety loadfactor安全帽protecting cap;safety helmet安全门detention/securitydoors安全系数safetyfactor/coefficient安锁冒头Lock rail安装标准installationbenchmark安装程序installationprocedure安装方法报告书installation methodstatement安装工程erection work安装就位erecting and setting安装孔Pilot hole安装容差installation tolerance安装施工资格installation qualification暗铰Secret-hinge暗匣Blind pocket奥氏体Austenitic百叶(窗)louver; shutter; Persian blinds百叶、百页Louver百叶窗Jaiousie Window Vane百叶窗架Jaiousie Window Holder百叶跨度length of the louver百叶帘venetion blind百叶铝板aluminum louver panel 百叶式出气口louvered airoutlet百页片Blade搬运handling板、仪表板Panel板;板块board; plate;panel;slab板材plate板料Panel veneer板面上胶Surface gluing办公椅五金配件Officechair hardwareaccessories办公椅中管配件Officechair central tubeaccessories半钢化玻璃Halfstrengthened glass半钢化玻璃Heatstrengthened glass半钢化玻璃heatstrengthened glass; halfstrengthened glass半径radius;semidiameter半透明的translucent半隐框玻璃幕墙semi-exposed framingglass curtain wall半隐框幕墙semi-exposedframing glass curtain wall棒、竿Rod保安配置Securityconfiguration包装packaging薄板Sheet薄板sheet; thin slab薄垫片Shim薄膜film;membrane薄膜玻璃film glass薄膜防水membranewaterproofing薄片Lip薄片Lip薄片、唇Lips薄片整修Veneer trimming 保安配置Security configuration保护(涂)层protective coating保温(岩)棉insulation 保温板heated board保温材料insulation material保温层insulating layer保温顶棚heat insulated ceiling保证(书)warranties报价bid;quote报价单quotation备注remark背板back-pan比例scale比例proportion避雷保护lightning protection 避雷针Lighting protectionair terminal边框outer frame边料、尾料ffcuts边缘荷载edge load边缘块edge block编号numbering;serialnumber变电站transformersubstation变化系数variationcoefficient变量Variable变形Deform变形Deformation变形deform; deformation变形缝movement joint变形能力Movementcapacity变形能力deformationcapacity变硬Stiffen标称nominal标记mark/marking;indicator; label标价bid price标价单bid sheet标签label;checklist标示display标书bid标志signage标准版本standardsversion标准尺寸typicaldimension标准的Typical标准构件standardelement标准间隔材料standardspacer material标准节点typical detail标准值characteristicvalue表面处理finish表面处理工具Equipment for surface treatment表面涂层surface coating 表面压缩应力surface compression stress冰雪处理与缓和ice and snow management and mitigation丙烯酸喷涂Crylic acid coating丙烯酸喷涂Duracron波纹corrugation波纹不锈钢板corrugated S.S. plate波纹拉丝不锈钢板stainless steel finish corrugated波形玻璃corrugated glass波形的corrugated波形垫片corrugated gasket 波形铝板corrugatedaluminum sheet玻璃安装材料glazingmaterial玻璃安装商glazier玻璃板glass plate玻璃采光顶glass skylight玻璃槽口glazing option玻璃窗;玻璃装饰glazing玻璃窗标准glazingstandards玻璃窗工艺glazingworkmanship玻璃刀glass cutter玻璃垫板Glass Pad玻璃垫片Glass AdjustBoard玻璃钢glass reinforcedplastic玻璃固定fixing for glass玻璃间隔条glazingspacer玻璃扣条glazing bead玻璃肋式点支承幕墙Glassrib Steel strand玻璃类型表glass typeschedule玻璃门铰链Glass doorhinge玻璃密封垫glazinggasket玻璃密封条glazing tape玻璃面板glass panel玻璃面砖glass facing tile玻璃幕墙glass curtainwall; window wall; glasswall; glass panel wall;coated glass; twinkle wall玻璃腔glass pocket玻璃墙面glass wall face玻璃穹顶glass dome玻璃条锯glazing bead saw玻璃透光率transmittanceof glass玻璃温度应力thermal stress of glass玻璃屋顶glass roof;glazed roof玻璃压条glazing Bead玻璃压条glazing bead玻璃翼/肋glass fin玻璃原片primary glass玻璃砖glass block泊松比Poisson ratio补充文件supplement rider document不等边角钢Unequal angle steel不等边角钢Unequal angle 不等边角钢Unequal angle steel不规则荷载abnormal load不透明玻璃opaque glass 不透明的opaque不显眼的Inconspicuous 不锈钢stainless steel不锈钢stainless steel(S.S)不锈钢吊杆S.S rod不锈钢机制螺栓S.Smachine bolt不锈钢紧钉螺钉S.Sholding/set/stop screw不锈钢紧固件StainlessSteel Fastener不锈钢紧固件Fastener-Stainless Steel,不锈钢螺钉S.S screw不锈钢螺栓Stainless steelbolt不锈钢螺栓S.S bolt不锈钢暖气罩S.S heatingcover不锈钢自攻螺钉S.Sself-tapping screw部分开式滑道3/4extension slide部分透视图PARTIALPERSPECTIVES擦窗机、吊篮gondola擦窗机荷载gondola load擦窗器window cleaner擦窗设备BMU (buildingmaintenance unit)擦窗设备公司BMUsupplier擦窗设备荷载BMU loads材料审查报告materialstesting report采购订单purchase order采购活动procurementactivity采光玻璃屋顶skylightglass roof采光系数daylightingfactor采用预埋件embed model彩色夹层可视玻璃visionglazing with coloredinterlayer彩釉玻璃ceramic frit glass彩釉夹胶玻璃ceramic frit laminated glass参数parameter残余应力residual stress 操作级别Op class操作区Op field槽Channel槽、频道、通道Channel 槽、狭缝Slot槽钢channel steel;channel槽口notch侧、测向的、侧面的、旁边的lateral侧面的、旁边的Lateral侧塞块side block测试方案test proposal测压孔pressure tap测验实体模型testing mock-up 层间滑移Interstorey drift层间位移floor levelmovement双层幕墙Double SkinWall叉车fork lift truck插接件connector插销Espagnole茶色玻璃dark brownglass差值DIF产品保证productguaranties常数Constant常数Constant常温养护normaltemperature curing场地勘查field survey场地条件site condition超白钢化夹胶玻璃low-iron temperedlaminated glass超白钢化折弯夹胶玻璃low-iron tempered bentlaminated glass超高层建筑superhigh-rise building车间Shop车件Wooden bar车库门garage door撤除removal沉降缝Settlement joint沉头螺钉Countersunkscrew衬板lining衬垫bedding衬垫Bedding撑杆brace rod; stay bar成本核算cost accounting承包范围extent ofcontractor;scope承包商Contractor承包商;承包人contractor承压面bearing surface承压强度bearing strength承压墙bearing wall;carrying wall承载力carrying /bearing capacity承载力系数bearing capacity factor承重式滑道Heavy duty slide尺寸size/dimension尺寸公差dimensional tolerance;tolerance of dimension冲模press tools冲模Die冲模Die抽屉滑槽Drawer runner 抽屉锁Drawer-lock抽芯铆钉Blind rivet出入口access;openings 初步的Preliminary初步的Preliminary初步方案preliminaryscheme初步概算preliminaryestimate初步规划preliminaryplanning初步勘查preliminaryexploration初步设计图PRELIMINARIES初期养护initial curing初始应变initial strain雏型策划图SCHEMATICS储存storage穿孔perforation穿孔百叶perforatedlouver穿孔板perforated plate传热路系统heat-tracesystem传热系数heat-transfercoefficient窗洞window opening窗格window division窗格玻璃Pane窗合页window hinge窗框window frame窗帘匣pelmet窗棂window bar窗扇window sash; leaf窗台/槛window sill窗五金windowhardware& specialties垂直(方向)的vertical;vertically垂直挡雨板verticalrain-shield垂直度squareness垂直幕墙vertical curtainwall垂直于vertical to;perpendicular to磁锁Magnetic-lock磁锁mag-lock磁性拉手M Magnetic catch磁性撞锁magnetic push latch磁砖Tile雌料female material次支撑构件secondary support member粗糙rough;roughness 粗糙系数roughness factor 脆性Brittleness淬火玻璃heat-strengthened glass 存放期shelf life搭接、接合Bonding搭接、接合Bonding搭接、重叠、(柱式的)组合overlapping打胶sealant installation 打孔holes drilling; perforate大跨度结构long spanstructure大理石marble大理石板marble slab大理石墙面marble wallface大理石饰面marble finish大厅Lobby大厅Lobby大头钉、栓Pin大样图detail drawing代码、法规Code代码、法规Code带空隙的Interstitial带子、带形的Fillet带子、带形的Fillet单玻压条Single GlazingBead单层钢化玻璃Singleglass.temperd单层钢化玻璃Singletoughened glass单层钢化玻璃Singletoughened glass ,单层索网幕墙single-layercable-net curtain wall单剪连接one shear joint单片玻璃monolithic glass单切single cutting单位成本unit cost单位面积unit area单项产品Single item单一货源责任singlesource responsibility单元式幕墙unitizedcurtain wall弹性Elasticity弹性的Elastic弹性的elastic弹性密封胶elastomericsealant弹性模量elasticmodulus;modulus ofelasticity挡风板wind shield挡轨Screen sash Rail挡水板flashing挡雨板rain-shield导热heat conduction导热系数thermal conductivity灯槽light trough灯的安装和走线Light fixture and wiring灯荷载light load灯架light mounting灯具lighting等边角钢Equal angle等边角钢equal angle steel 等角透视图法INSOMETRICS等效荷载equivalent load 等效厚度equivalent thickness等压设计pressure equalization等于Be equivalent to低辐射镀膜玻璃Low-Ecoated glass低碳钢mild steel低温玻璃;退火玻璃annealed glass滴水Weep ,滴水槽Drip rail滴水槽檐drip edge抵抗Resistance抵抗Resistance抵抗(力)矩resistingmoment底部bottom底漆primer地带、地域、范围Terrain地带、地域、范围Terrain地弹门框Floor SpringDoor Frame地弹门连接件Floor SpringDoor Connecting地基沉降Foundationsettlement地接线Ground connection地面粗糙度groundroughness type地下管网undergroundnetwork of pipes地心引力、重力Gravity地震earthquake地震测试seismic rockingtesting地震荷载seismic load地震荷载Earthquakeload ,地震荷载作用效应组合系数seismic load actioncombination coefficient递呈、提交、服从Submission递呈、提交、服从Submission典型幕墙单元typicalcurtain wall unit点拨件spider点支承玻璃幕墙Point supporting glass curtain wall点支式幕墙point supporting curtain wall 电导管electrical conduit 电动开启窗automatic operable vent电泳喷涂Electrophoretic coating电泳喷涂Electrophoretic coating电子锁系统electrical locking systems垫块Setting block垫块、塞块、支撑块Setting block;Jack pad 垫片shim垫圈washer吊车、起重机Crane 吊顶ceiling吊顶板材ceiling tile吊顶荷载suspended-ceiling load吊顶梁ceiling beam吊顶龙骨ceiling joist吊顶幕墙overhangcurtain wall吊顶体系ceilingsuspension system;suspended ceiling system吊顶主龙骨main joist ofsuspended ceiling;mainrunner吊杆结构suspendingstructure吊杠臂Davit arm吊钩tie back吊挂系统Hanger system吊篮Gondola丁基玻璃密封条butylglazing tape丁基热熔密封胶butylsealant顶部、上总的T op顶部采光toplighting顶层top level顶横档top rail定期检查regularinspection定期清洁progressivecleaning定位(图)geometry定位块location blocks定位块setting block;location block定位螺丝set screw定位榫钉Locating dowel定义、精确度Definition定义;精确度definition动荷载dynamic load;moving load动力放大系数dynamicamplificatory coefficient动力系数dynamic factor 动态的、动力的Dynamic 动态连接链DLL洞口opening独立试验机构independent testing agent度转角连接件Tube 180镀膜玻璃coated glass镀锌galvanizing镀锌Galvanization镀锌Galvanize镀锌Zinc-plated镀锌处理galvanize镀锌的galvanized; zinc-plated镀锌钢板galvanized steel panel镀锌螺栓Galvanized Bolt 镀锌螺栓Galvanized Bolt 镀锌瓦楞钢板corrugated galvanized sheet 端部释放ends released端盖end cap端铣机end millingmachine端铣机铣刀milling cut短期强度short-termstrength短暂的Transient断桥隔热条thermal break断热材料thermal breakmaterial断热条thermal break堆积accumulation对称Symmetry对称的Symmetry对称荷载symmetricalload对讲装置intercoms对角线Diagonal对角线diagonal对接焊缝Butt welding对接焊接butt welding对接埋入焊Penetrationbutt对接埋入焊penetrationbutt对开梃Floating transom对齐销钉alignment rod对齐销钉alignment rod对准、成一条线align多工位冲床multioperationpress多功能建筑multi-purposearchitecture多功能裙楼multi-functional podium多叶片转台multiple plateturntable耳生噪音阻力self-generated noiseresistance发包contract award发包工程award work发光的Luminous发行、发布Issue法规要求regulatory requirements法兰flange法线(方向)的normal反复荷载cyclic load反光glisten; reflection of light反光玻璃anti-sun glass 反光度reflectance反力reaction;counterforce 反射玻璃Reflective glass 反射玻璃reflective glass 反射率reflective ratio反应、反作用reaction泛水区flashed area范围、广度Scope范围、广度Scope方案plan; scheme方程Formula方程Formula方通Square hollow section方头紧定螺栓Square-head set-bolt方头螺栓Square head bolt方形Square方形管Square hollowsection方形管square hollowsection防暴测试bomb blastprotection resistancetesting防爆门blast-resistantdoors防虫网insect screen防反射涂膜Anti-reflectivecoating防反射涂膜Anti-reflectivecoating防腐蚀corrosionprotection;antisepsis防腐蚀垫片anti-corrosionwasher防滑处理Anti-sliptreatment防滑垫Slide bearing pad防火Fire prevention防火fireprotection/prevention防火标准fire protectionstandard防火材料fire-proofmaterial防火等级fire-protectionrating防火堵料fire proof plug防火封堵墙fireproofclosure wall防火隔断fire proofpartition; fire stop防火构造fire proofconstruction防火卷帘fire shutter防火绝缘材料fire-safinginsulation防火可视玻璃fire rated vision glazing防火涂层Intumescent coating防火涂层intumescent coating防火岩棉Fire Stop mineral wool防火岩棉fire stop mineral wool防结露技术dew preventive technology防漏技术penetration preventive technology防鸟网bird screen防汽阻隔vapor barrier防视玻璃obscure glass防霜加热线de-icing heating cable防水water proof; water proofing 防水板、遮雨板Flashing防水板、遮雨板Flashing防水薄膜waterproofingmembrane防水层Membrane防水层Membrane防水层屋面系统membrane roof system防水海绵waterproofingsponge防水汽板vapour retarder;vapour retardant panel防碳化涂层anti-carbonation coating防锈白漆Anti-corrosivezinc paint防锈白漆anti-corrosivezinc paint防锈涂料antirust paint防眩玻璃glare controlglass防烟密封装置smoke seal防雨(水)板flashing防雨屏Rain screen防止旋转脱落Preventfalling off due to turning防撞anti-slam仿形铣床copy router仿形铣床模板routingtemplate仿形铣刀routing tools仿形钻床Copy router非标准的special非承重结构non-bearingstructure分包合同subcontract分包商Sub-contractor分包商subcontractor分布荷载distributed load分布离差dispersion分布众数mode分段完工stagedcompletion分格module;panel分格高度module height 分区墙Compart wall分析analyze;analysis分项系数distribution coefficient粉末喷涂Powder coating 粉末喷涂PPC;powder coating风道air passage风洞测试wind tunnel test/study风洞试验报告wind tunnel testing report风洞研究Wind tunnel study风格式样style风荷载wind load风荷载作用效应组合系数wind load action combination coefficient 风化的Etched风区fetch;air pressure 风压wind pressure封边Cap封盖Inter lock封口砖closer封烟板smoke seal封样approved sample峰值Peak峰值Peak蜂窝铝板aluminumhoney-comb panel否定、负数Negative扶手handrail;railing扶手、栏杆Railing服务管理器Servermanagement氟碳喷涂PVDF Coating氟碳喷涂PVF2 Coating氟碳喷涂PVDF coating;Fluorine Carbon;PVF2coating浮雕图案Relief pattern浮雕图案Relief pattern浮法(退火)玻璃Annealed glass浮法玻璃Float glass浮法玻璃float glass俯视图Planform辅助材料AuxiliaryMaterial辅助建筑accessorybuilding;subsidiarybuilding辅助框架sub-frame腐蚀corrode;corrosion/erosion负的、否定的Negative负风压区negative windpressure area负荷Bear负荷load; bear负荷等级load grade负剪力negative shear负弯矩negative bendingmoment负值negative value附加费用extra charges附加荷载additional load 附加建筑additional building附加条款additional clause附加弯矩secondary moment附件Accessories附属结构accessory structure附图attached drawings 复合铝塑板composite aluminum plastic改进的Modifiled盖帽Sash connector盖帽Inter Seal概率probability杆件Member.杆件Member感压胶带、压敏胶带PSA (pressure sensitiveadhesive)tape干打垒piled-up mass ofadobe=sun-dried mud干挂石granite cladding干密封gasket sealed干燥剂desiccant刚性Rigidity刚性Rigidity刚性垫层rigid fill刚性结点rigid joint刚性结构rigid structure刚性绝缘体RigidInsulation刚性绝缘体RigidInsulation刚性支承rigid support钢Mild steel钢板steel panel钢衬Reinforcement钢度rigidty;inflexibility钢化玻璃Tempered glass钢化玻璃temperedglass;钢化的Tempered钢化透明玻璃temperedclear/transparent glass钢化中空Low-E玻璃tempered insulated Low-Eglass钢化中空玻璃temperedinsulated glass钢角码Steel bracket钢结构式点支承幕墙Steelstructure point supportingcurtain wall钢筋reinforced bar钢筋混凝土reinforcedconcrete钢拉索steel cable钢码steel bracket钢门及门框steel doors &frames高层建筑high-risebuilding高度height高级碳纤维high-grade carbon fibre高温防火密封胶fire stop sealant高温防火岩棉fire stop wool高温喷涂pyrolytic coating高温喷涂浮尘玻璃pyrolytic-coated float glass格构diagrid; lattice;trellis格构分格panel格构结构latticed structure格式代码Format code格栅grille格子、隔栅Grille格子、网格Grid 隔板、隔舱Bulkhead隔断partition隔断衬板partition lining隔片Spacer隔热玻璃(单元)insulating glass unit隔热衬垫insulationblanket隔热挡板thermal baffle隔热数值thermal/insulation value隔声玻璃acoustical glass隔声材料acousticalmaterial隔声要求acousticrequirement隔音Acoustic attenuation个别的Individual各种类型的抽屉滑道Complete range of drawerslide铬Chrome根据According to工程(技术)Engineering工程、工作works工程、项目project工程编号(projectnumber)工程拨款projectappropriation工程测量engineeringsurvey工程估价明细表Bills ofQuantities工程进度progress ofworks工程量清单明细表Measured Work工程项目constructionitem工程造价constructioncost工地site工地质量控制经理on-site quality control manager 工形…I; I-shaped; I-head 工形柱H Column工业厂房和棚厂门industrial & hangar doors 工艺workmanship工艺说明书workmanship specification弓形门Bow door公差tolerance公共通道public passage 公共照明public lighting 公料male extrusion公制metric拱顶arched head拱肩spandrel拱肩玻璃spandrel glass 拱形arched共振、回声Resonance供电系统power supply system 供货商supplier供货商supplier供暖heating供暖系统heating system供应supply; provide;furnish; offer供应商Supplier沟槽、刻槽Groove钩锁Hook lock构件component/member/element构件式玻璃幕墙component glass curtainwall骨架结构skeleton-and-skin system固定端fixed end固定框Fixed Frame固定爪spider fixing固定装置Fixture故障defect刮刀spatula刮痕scratch挂钩hook挂件bracket、hanger管道、沟渠Conduit管件系统ductwork管井Shaft管井Shaft管状的、空心的Tubular惯性Inertia惯性inertia惯性矩Inertia moment惯性矩inertia moment光电幕墙photoelectriccurtain wall光泽Gloss规定specify规定标准specifiedstandards规范specifications/code规则页面Rules page硅胶嵌缝Silicone joint硅树脂Silicone硅树脂silicone硅酮结构密封胶structural silicone sealant硅酮密封剂silicone sealant硅酮耐候密封胶weather proofing sealant柜门滑道Pocket door slide 滚动痕迹roller mark过道passageway; corridor 过梁Lintel过滤网Filter net含沥青的Bituminous含沥青的Bituminous函数Function罕遇地震rare earthquake 焊缝welding line焊缝Welded seam焊缝Welding line焊接Welding焊接标准welding standards行心线Centroid合金Alloy合同工程量计量方法Preamble合同签订award ofcontract合页hinge合页、铰链hinge荷载、加载Load荷载、加载load荷载计算load calculation荷载模量load modulus荷载组合loadcombination恒荷载Dead load恒荷载dead load桁架truss桁架truss; girder横档Spandrel横过、交叉Across横框transom横梁、横档Transom横龙骨transom横向的Transverse后轮距rear track后片玻璃second lite厚单铝板5mm THK.Aluminum Plate 5mm厚复合铝板4mm THK.Composite AluminumPlastic 4mm户外门Exterior door护栏Guardrail花岗石Granite ,花岗岩granite花岗岩围护、干挂石Granite cladding花岗岩维护、干挂石granite cladding划痕scratch(es)滑动玻璃门sliding glasspanel door滑动门Sliding door滑移Drift环保的environmental friendly环状Rang缓冲板、挡板Baffle缓冲结构buffer structure 缓和mitigation回标总结General Sum回转、旋转Gyration回转、旋转Gyration绘图计划Map混合物composite混合物、混合Composite 混凝土Concrete混凝土Concrete混凝土蠕变和收缩Concrete creep and shrinkage混凝土外包Concrete encasement活动窗operable window 活动的、动态的Dynamic 活荷载live load机械通风百叶mechanicalventilation louvers机械装备mechanicalequipment机制螺钉machine screw机制螺栓Machine Bolt机制螺栓machine bolt基本参数basic parameter基本风压basic windpressure基本竣工substantialcompletion基本平面、海平面Baselevel基本平面、海平面Baselevel基本要求费用Preliminaries基础设施Infrastructure基准位置referencelocation基准选择Datum option基准值Reference value基座Plinth基座Plinth激活Activation极限尺寸size limits极限值extreme value集水槽gutter集中荷载concentratedload;point load几何参数geometrycoefficient几何定位、定位(图)Geometry几何图形geometry挤角机corner crimpingmachine挤角角码corner joint挤压Extrusion挤压硅胶extrudedsilicone挤压铝型材aluminumextrusion挤压应力pressure stress 计划、平面图、设计图Plan计划的、打算的Purposed 计划的、打算的Purposed 计算高度Calculating Height计算书engineering calculation;计算系数computing coefficient技术的、工业的Technical 技术规范technical specification技术设计Design Development技术性能technical performance技术要求technical requirements加工Fabricate 加工Fabrication加工容差fabricationtolerance加工商fabricator加工图fab. drawing加强棒、泡沫棒Backerrod加强棒、泡沫棒Backerrod加强层Diaphragm加强层Diaphragm加强件、加固物Reinforcement加强件、加固物Reinforcement加强角片、防滑片Cleat加强肋reinforcing rib加强片Stiffener加热线heating cable加速度Acceleration家具半成品及配件Semifinished furnitureproduct and accessories家具结构零件Furniturestructural parts家具金边饰条 DDecorative trims forfurniture家具零配件Furniture parts家具五金Furniturehardware家具用螺钉、螺帽Boltsand nuts for furniture家具用螺钉、螺帽Boltsand nuts for furniture夹层interlayer夹层玻璃Laminated glass夹层玻璃laminatedglass/laminate夹层的、夹胶的Laminated夹胶玻璃laminated glass夹具fixture; clamp夹丝玻璃Wired glass甲(一)级资质Grade Acertification/qualification 甲级Grade A甲级建筑幕墙专项设计资质Grade A certification of Curtain Wall Design假中停meeting rail假中梃Pseudo Mullion架空地板系统Raised floor system间隔条spacer间距spacing间隙gap/clearance监理Supervision Company兼容compatible兼容性compatibility兼容性测试compatibility test检修孔access hole剪力Shear force剪力shear force剪力墙shear wall 剪力墙Shear wall剪切shear剪切面shear front简单五金配件Simpleconnecting fittings简支梁Simply supportedbeam简支梁free beam;simply supported beam建设单位Owner建筑表现图:建筑词汇建筑钢结构architecturalsteelwork建筑设计顾问architecturaldesign consultant建筑主体primarystructure建筑主体钢结构primarysteel structure建筑主体混凝土primarystructure concrete溅涂浮法玻璃sputter-coated float glass键盘板滑道Keyboard slide交错排列形式staggeredpattern交底submittal交点crossing point/meetingpoint/node/intersectingpoint交货deliver/delivery胶带Adhesive tape胶带TAB;胶合板Plywood胶条gasket胶条、毛条Gasket角度angle角缝清理机cornercleaning machine角钢Angle steel角钢Angle steel角焊缝fillet weld角焊缝fillet weld角码bracket铰链Pivot铰链竖挡hinge stile脚轮滑道Ball bearing slide 脚轮滑道 B Ball bearing slide接触Contact接触面Contact surface接触面contact surface接缝、接合点joint接缝清洁剂joint cleaner 接合、搭接Bond接合、搭接bond;bonding接合、连接Splice接口界面interface节点section节点Node节点detail;node节点力nodal force节点图detail 节能环保设计energy-savingenvironmental friendlydesign节能技术energy-savingtechnology结构打胶structuralglazing结构分析structuralanalysis结构工程structuralengineering结构构件structuralmembers结构硅胶Structuralsilicone结构硅胶Structuralsilicone ,结构计算structuralcalculation结构胶Sealant结构胶structural silicone结构跨度structure span结构模型research model结构图structural drawing结构支撑structuralsupport截流器restrictor截面参数Sectionparameter解决方法页面Solutionpage解释Annotation金属板Plate金属的Metallic金属防虫网metal insectscreen金属覆面metal cladding金属结构metalwork金属拉手Matal handle金属幕墙metal curtainwall金属配件Metal fittings金属天花板底面metalpanel soffit金属涂层metallic coating 仅供参考for information only紧钉螺钉holding/set/stop screw紧定螺钉;止动螺钉set screw紧固材料fixings;fasteners紧固件fastener紧急出口Egress door紧急出口egress door浸透、浸入Penetration浸透;浸入penetrate/penetration经营理念business concept精确的计算precise measurements景观landscape净(净重)Net 净面内力Net in-planeforce静定梁staticallydeterminate beam静态的、静力的Static镜面不锈钢扶手mirrorstainless steel handrail局部的、地方性的Local局部的、地方性的local;partial矩形管Rectangle hollowsection矩形管rectangle hollowsection巨幅玻璃Monumentalglazing巨幅玻璃;浮雕玻璃monumental glazing拒门锁Cupboard-lock距离distance锯切程序Saw prog锯切中心cutting centre聚氨酯Porurethane聚苯乙烯泡沫塑料Styrofoam聚硫胶polysulfide聚乙烯泡沫填充棒backerrod卷帘roller shutter卷帘Shutter卷帘机roller shuttermachine卷帘门和格栅coilingdoors & grilles卷门coiling door均布荷载uniform load;uniformly load;uniformlydistributed load;evenload均方根值rms value均压的Pressure-equalized均压空腔pressureequalized cavity均匀uniformity均匀的uniform均匀的、分布的Distributed竣工图As-built drawing 开槽圆柱头螺钉Slotted cheese-head screw开窗法Fenestration开工commencement开口opening开口型铆钉Open type rivet开裂的Cracked开裂的Cracked开启扇operable vent;operable window开启扇口vent开启扇配件operable vent hardware勘查survey抗剪承载力shear bearing capacity抗剪强度permissible shear strength抗剪直径shear diameter抗拉承载力tensile bearingcapacity抗拉强度Tensile resistancestrength抗拉直径tensile diameter抗冷凝condensationresistance抗水玻璃water-resistantglass抗弯刚度bending rigidity抗弯强度flexural strength;permissible bendingstrength抗震设防烈度anti-seismic fortifyintensity壳体Shell壳体结构shell system可变动Variable可拆除挂板Demountablepanel可拆除挂板Demountablepanel可分割性Severability可更换面板系统replacablepanel system可见光反射率visible lightreflectance可见光反射率VisibleLight Reflectance ,可见光透光率Visible LightTransmittance可见光透光率visible lighttransmittance可见缺陷observabledefect可开启面板Operablepanel可开启面板Operablepanel可靠性Reliability可上人的Walkable可上人的Walkable可视玻璃vision glazing;可视位置visible location 可移动采光顶operable skylight客户、委托人Client空间网架space frame空气层Air gap空气渗透Air infiltration空气泄漏Air leakage空气循环heat exchanger 空气闸Air lock空隙、间隙Clearance空中花园hanging garden 孔径aperture扣盖capping库存Store库存编码Stock code跨度Span跨度span矿棉Mineral wool矿物纤维mineral fiber 框边jamb框底长Frame bottomlength框格窗Sash window框架frame框架、架子C Carcase框架式stick system框剪结构shear wall frameinteraction框梃Transom框梃Frame Mullion框筒结构framed tube框支承玻璃幕墙Sticksupporting glass curtainwall拉杆桁架式点支承幕墙Steel rod truss pointsupporting curtain wall拉花型抽芯铆钉Peel typeblind rivet拉力tensile strength拉力的、张力的Tensile拉力的、张力的Tensile拉伸强度tensile strength拉丝不锈钢板linenstainless steel panel拉索cable; wire拉索桁架式点支承幕墙Steel strand truss pointsupporting curtain wall拉索系统tension system栏杆railing肋Fin肋板Ribbed plate肋玻璃Fin glass (stiffen finglass)肋玻璃fin glass; stiffen finglass肋片fin application类型、型号、打字Type类型;型号type冷凝condenzation冷凝水condensation离地高度height toground力Force力臂The arm of force力臂arm of force; arm力矩Moment力矩Moment立即的Immediate立面elevation; façade立面承包商façade contractor立面出入口清洁façade access cleaning立面图ELEVATIONS立轴(窗)vertical pivot 立柱mullion沥青油Bituminous paint 沥青油Bituminous paint 例子、样本Example连接Joint连接junction; connection 连接材Coupling连接件Fastener、fixing; bracket; transitions;connector连接节点connectiondetail连线link;tie line连续梁Continuous beam连续梁continuous beam脸部、表面的Facial(facade)梁beam;girder两边支撑Support on twosides两边支撑Support on twosides裂缝Crack临界点Critical point临时标记temporarymarking菱形diamond菱形槽式钢结构diamondchannel steel structure菱形钢结构diamonddiagrid零件Part零件矩阵Part matrix零配件、元件Component六角螺栓Hexagon bolt龙骨、横竖龙骨frame(transom and mullion )楼板Slab楼板Slab楼层完面线finish floor楼梯间Stair box卵石层Pebble stone layer轮廓profile轮廓、外边线Outline罗纹成形紧固件threadforming fastener螺钉Screw螺钉、拧紧Screw螺距pitch螺栓Bolt螺栓bolt螺栓插销Bolt pin。
汽车玻璃的日本JIS标准与国标的区别对照表(针对夹层玻璃和钢化玻璃)测试方法(4)冲击点:选择以下冲击点点1:试样的尖端曲率半径最小距边缘30mm的点,左侧右侧均可.点2:试样最短或最长的中心线上距离边缘30mm的点点3:试样的中心点点4:适用于多曲面试样,在试样最长的中心线上,曲率半径最小的点多曲面试样的冲击点的位置如图2所示,但是,点1、点2及点4在图上标示2处,满足上述条件的点可以任意选择一点图2 冲击点的位置4.试验程序将试样放在相同形状和尺寸的第二块试样上,在两块试样之间放上感光纸,并用透明胶带纸沿周边粘牢。
感光纸应在冲击后10s内开始曝光并且在冲击后3min内结束。
只分析那些线条最深的初始裂纹。
冲击点的位置如下:点1:在一个角距边部30mm处(若是不规则形状的安全玻璃取其最尖角)。
点2:在中心纸距最近边部30mm处。
点3:在试样的几何中心。
当用整块前风窗玻璃制品时,在主视区的中心。
点4:对于弯型玻璃制品取其长中心纸弯曲最大的点作为冲击点.冲击其凸面,必要时,也可以冲击凹面。
5.结果表达根据感光图上碎片的尺寸、形状和分布状态评价碎片状态。
(5)流程(5。
1)试样破碎后,碎片保持不飞散(5.2)用锤和冲头按图2所示的冲击点位置进行破坏试验。
一个冲击点使用1个试样。
(5.3)直接观察碎片的状态。
以(6)为基准测定对用感光纸感光得到映像进行测定(6)碎片的测定方法(6.1)选择碎片最粗和碎片最细的部分,计算在50×50mm的计数框内的碎片个数,但是厚度小于3.5mm的玻璃最多碎片数不足40个时,计算在100×100mm的计数框内的碎片个数,计数框边缘的碎片按0。
5个计算。
(6.2)测定碎片面积大于3cm2的碎片个数及面积(6。
3)计算长75mm的细长碎片的个数,并测量其长度。
(6。
4)测定试样周边达到试样边缘的细长碎片与边缘的角度,及碎片的长度。
(6。
5)距离玻璃周边20mm及离冲击点中心半径为75mm的圆内,测定对象以外的碎片情况。
玻璃行业相关英文术语1. 玻璃窑炉annealing rate 退火速率(bath) atmosphere 保护气体(锡槽内)air flow alarm 风管报警(bath) casing 锡槽底壳annealing lehr 退火窑(furnace & bath)熔窑和锡槽annealing region 退火区(raw material)原料部分(tin) bath 锡槽air forced cooling zone 气流强冷区atmosphere cooled exit lip plate 保护气体冷却的出口唇板(金属制)auxiliary panel 辅助控制盘(板)back wall of burner 小炉后墙batch 配合料(混合料)batch-mixing plant 配合料房bath bottom 锡槽底砖bath bottom cooling 锡槽底壳冷却bath roof 锡槽顶盖bath roof casing 锡槽顶盖外壳bath sidewall 锡槽侧壁bath water cooling 锡槽水冷却器bay 锡槽分段bin 料仓bins of raw materials 原料仓库branch flue 支烟道breast wall 胸墙burner 喷枪bus bar 汇流带(电接线排)canal 流道carbon pusher 石墨挡块carbon side wall lining 侧壁石墨衬charge end hopper 窑头料仓(在投料机上方)(料斗)check damper(stack damper) 支烟道闸板check setting 码格子砖checker brick 格子砖checker chamber 蓄热室checker work 格子体chimney(stack) 烟囱chrome magnesite 铬镁砖close down a furnace or shut down 止窑(冷修前停窑)coal dust 煤粉control valves 控制伐cooling 风冷(水冷)cross fire furnace 横焰窑crown(main arch) 大碹cullet 碎玻璃cullet hopper 碎玻璃仓(料斗)damper block 闸板砖dedrossing pocket 排锡渣口demolish 拆除diatomite insulating brick 硅藻土保温砖discharging hopper 卸料料仓(斗)dolomite 白云石draft (=draught) 抽力drain (a furnace) 放(玻璃水)drain(ing) hole 放玻璃水孔dross box 锡槽箱ducting 风管electric furnace 电熔窑electrods on melter bottom (电极底插式) electrods on sidewalls (电极侧插式)end fire furnace 马蹄型焰窑exit end 出口端exit linter 出口横梁exit lip 出口唇板fans 风机feldspar 长石filling pocket 投料池fire-clay bottom block 粘土大砖(池底)fireclay brick 粘土砖flame 火焰flat arch spread 流道上部平碹flexes 软管float furnace 浮法玻璃窑flue 烟道fluxline 液面线front linter 锡槽进口横梁(楣)front wall 前脸墙front wall buckstay 前脸墙立柱front wall platform 前脸墙平台furnace structure 熔窑结构gable 山墙heating element 加热元件honeycomb 蜂窝状砖(用于锡槽顶盖)hopper 料斗/铁皮料仓hot end 锡槽热端inspection 检查insulating brick 保温砖invert arch 反碹isolating valves 隔离伐jack arch 平碹jack arch of port 小炉平碹jamb wall 小炉之间胸墙lehr 退火窑lehr hood 退火窑罩lift out roller 提升辊道lime stone 石灰石linear motors 直线马达magnesite brick 镁砖maintenance 维修manifold 主管道modify 修改neck ends 蓄热室锁断nip on 将拉边器置于板面上overhead coolers 高架冷却器oxy-gas furnace for TV panels 全氧-气体燃料电视屏窑periscopes 潜望镜porous silica brick 多孔硅砖port 小炉口post annealing region后退火区pre-annealing region 预退火区preheat area 预热区(锡槽)pressure transmitters 压力转换器primary cable 电缆refractory brick 耐火砖regenerator 蓄热室regenerator crown 蓄热室大碹regenerator doors 蓄热室门regenerator flues 蓄热室烟道reheat 重热区remove 搬移restrictor tile 限流砖(锡槽专用砖)ribbon 浮法玻璃带rider arch 炉条碹rod 吊杆sand 石英砂sealing drapes 密封挡坎secondary cable 次级电缆Shoulder 锡槽肩部shut down 关闭锡槽(放下截流闸板)side sealing 锡槽侧密封sidewall of tank 池壁silica brick 硅砖silo 水泥筒仓skew arch of port 小炉斜碹skewback 碹脚砖sleeve 套管soda ash 纯碱sodium sulfate 芒硝span of arch 碹跨度spout lip流道出口唇板springer 碹碴staggered brick joint 错缝砖start-up 点火steel work 钢结构stirrer 搅拌器strain 应变stress 应力stud 螺栓substance 厚度(英)superstructure 上部结构suspended arch 吊碹take-off line 玻璃带起跳点tapping 放玻璃水tapping tank 放玻璃水池television system 电视监控系统thickness 厚度(美)thrust screws & plates 止推螺丝和止推板tin drain 排锡(放锡)top roll machine 拉边器top roll system 拉边机系统tuckstons 挂钩砖Tweel 流道控制闸板unit melter with recuperator 换热器式单元窑upper making-up brick 上间隙砖waist 炉腰waist gable 炉腰山墙waist side block 炉腰池墙warm up (heat up) 烤窑wedge brick 楔型砖wetback flow 湿背流wet-back tile 湿背砖(锡槽专用砖)withdraw 搬离、退出zirconia brick 锆刚玉砖2. 玻璃机械1. 电加热供料道Electric-heating Forehearth2. 气加热供料道Gas-heating Forehearth3.滴料式供料机Gob Feeder4.行列式制瓶机I.S.machine5. 稳压阀Pressure Stabilizing Valve6.电子分料器Electronic Gob Distributor7.瓶罐托盘码垛包装设备Glassware Palletizing Series8.托盘燃气热缩机Pallet Shrink-wrapping Machine9.瓶罐自动热缩包装机Automatic Glassware Shrink-wrapping Machine10.热端蒸涂机Hot-end Coating Machine12冷端喷涂机Cold-end Coating Machine13.弧线递送机Curved Transfer Wheel14.横向输瓶机Cross Conveyor15.曲线推瓶机Curve-type Stacker16.排瓶机、输瓶机Liner & Single –line Conveyor17.垂直输瓶机Vertical Conveyor18.玻璃液搅拌机Melting Glass Stirrer19.玻璃器皿烧口机Glassware Jar Burning Machine20.玻璃拉管生产设备Glass-tube Drawing-out Equipment3. 玻璃产品,不能保证完全正确的,我会努力的去添加深加工玻璃glass processing钢化玻璃tempered glass/ toughened glass/ strengthened glass 中空玻璃insulating glass/hollow glass夹胶玻璃laminated glass防火玻璃fire-resistant glass/fireproof glass防弹玻璃armored glass / ballistic resistant glass防弹玻璃Bullet-proof Glass汽车玻璃automotive glass镀膜玻璃coated glass/coating glass光学玻璃optical glass热弯玻璃hot bending glass/ thermal bending glass家具玻璃furniture glass家电玻璃appliance glass安全玻璃safety glass / security glass卫浴sanitary镜子mirror银镜silver glass铝镜aluminum glass低辐射玻璃:low-e glass太阳能玻璃Sun-e glass彩色玻璃:tinted glass/stained glass变色玻璃photochromic glass建筑玻璃architectural glass在真空玻璃vacuum glass热反射玻璃heat reflecting glass吸热玻璃heat absorbing glassITO导电玻璃ITO conductive glass丝印玻璃silk printing glass耐热玻璃thermal glass光电玻璃photoelectric glass仪表玻璃instrument glass挡风玻璃windshield glass幕墙玻璃Glass Curtain Wall/glass facade 原片玻璃sheet glass平板玻璃flat glass/ sheet glass/ plate glass 浮法玻璃float glass格法玻璃glaverbel glass压延玻璃rolling glass超白玻璃ultra-white glass/ultra clear glass 超薄玻璃ultra-thin sheet glass茶玻tawny glass蓝玻blue glass灰玻gray glass艺术玻璃art glass压花玻璃patterned glass / figured glass 热熔玻璃hot-melt glass镶嵌玻璃mosaic glass/ Panel Glass镶嵌宝石inlaid gemstone / jewel夹丝玻璃Wired glass装饰玻璃decoration glass彩釉玻璃colored glazing glass彩绘玻璃stained glass玻璃工艺品glass handicraft靓彩玻璃nacreous glass彩绘玻璃stained glass聚晶玻璃polycrystalline glass喷砂玻璃sandblasting glass冰花玻璃ice glass肌理玻璃textured glass玻璃砖glass brick玻璃马赛克glass Mosaic。
使⽤中的平板玻璃术语定义(⼀)(转)1、主题内容与适⽤范围本标准规定了平板玻璃的品种、物化性能、原料、熔窑、熔化、成形、切裁、缺陷与检验⽅法等主要⽅⾯的有关术语的定义。
本标准适⽤于平板玻璃的⽣产与产品所涉及的术语解释。
2、平板玻璃品种2.1 平板玻璃 flat glass板状的硅酸盐玻璃。
2.2 普通平板玻璃 sheet glass⽤垂直引上法和平拉法⽣产的平板玻璃。
2.3浮法玻璃 float glass⽤浮法⼯艺⽣产的平板玻璃。
2.4吸热玻璃 heat absorbing glass能吸收⼤量的红外线辐射能⽽⼜保持良好可见光透过率的平板玻璃。
2.5热反射玻璃 heat reflecting glass具有较⾼的热反射能⼒⽽⼜保持良好透光性能的平板玻璃。
2.6压花玻璃 figured glass⽤压延法⽣产,表⾯带有花纹图案,透光⽽不透明的平板玻璃。
2.7夹丝玻璃 wired glass⽤压延法⽣产的内部夹有⾦属丝或⽹的平板玻璃。
3、平板玻璃物化性能3.1析晶 crystallization玻璃液中产⽣晶体的现象。
3.2软化点 softening point相应于玻璃粘度为106.6Pa · s时的温度。
⼜称软化温度。
3.3应变点 strain point相应于玻璃粘度为 1013.5-13. 6Pa·s时的温度,在该温度下,玻璃内应⼒开始消除。
3.4转变温度 transformation temperature相应于玻璃粘度为 1012Pa·s 时的温度。
在该温度下,玻璃的折射率、⽐热、热膨胀系数发⽣突变。
3.5应⼒ stress由于玻璃内部存在温差或因化学组成不均匀导致结构上的不均匀,以及当有外⼒作⽤时⽽在其内部单位截⾯上产⽣的相互作⽤⼒。
3.6密度 density玻璃单位体积的质量。
3.7化学稳定性 chemical stability玻璃抵抗⽓体、⽔、酸、碱、盐或各种化学试剂侵蚀的能⼒。