神华集团大柳塔煤矿风险管理手册
- 格式:doc
- 大小:1007.50 KB
- 文档页数:40
煤矿风险管理手册范本1.引言本手册旨在向煤矿工作人员提供必要的信息和指导,以帮助他们识别、评估和管理煤矿环境中的风险。
通过遵守本手册中的指导,可以最大程度地降低工作场所事故和伤害的发生。
2.风险识别和评估2.1工作场所巡查:所有工作人员应定期进行巡查,确保识别潜在风险,包括但不限于不安全的设备、粉尘和有害化学物质的存在以及不规范的操作。
2.2风险评估:对被识别出的风险进行定量和定性评估,并分配优先级。
评估结果应进行记录,并依据评估结果采取合适的控制措施。
3.风险管理计划3.1控制措施:根据风险评估的结果,确定并实施适当的控制措施,以消除或降低风险。
这可能包括工作流程改进、装备维护和更新、个人保护装备的使用等。
3.2安全教育培训:提供必要的安全培训,并确保工作人员了解安全规程、操作程序以及应急预案和逃生计划等。
3.3监督和检查:建立监督和检查机制,确保所采取的控制措施有效且得到执行。
4.事故应急管理4.1事故应急预案:制定详细的事故应急预案,包括灭火、紧急撤离和急救等程序,并确保所有工作人员了解并能够执行这些程序。
4.2演练和培训:定期进行应急演练和培训,以提高应急响应能力和熟悉应急程序。
4.3事故报告与调查:对发生的事故进行及时报告和调查,并根据调查结果采取相应行动,以防止类似事故再次发生。
5.监督和改进5.1内部审核:定期进行内部审核,以确保风险管理计划的有效性和合规性,并及时纠正和改进不足的地方。
5.2合规监督:与相关监管机构保持合作,接受定期的合规监督和检查,并积极配合整改工作。
6.附录6.1相关法律法规:列举适用的煤矿安全法律法规,以便各方了解和遵守。
6.2风险识别和评估工具:提供一些常用的风险识别和评估工具,以辅助工作人员进行风险管理工作。
备注:本手册是根据行业常规和最佳实践编写的范本,煤矿可以根据自身实际情况进行改编和完善。
7. 具体风险管理措施根据煤矿风险管理需求,以下是一些常见的风险管理措施,供参考:7.1 人员培训和安全教育- 提供适当的培训计划,涵盖安全操作、事故应急和逃生等内容。
1、总要2、安全方针(10分)3、风险预控管理体系策划(110分)3.1、体系要素职能分配(50分)3.2、法定要求(20分)3.3、安4、体系文件(110分)4.1、制度、程序文件(20分)4.2、安全管理手册(10分)P4.3、文件控制(30分)4.4、记录控制(20分)5、资源、机构、职责和权限(50分)5.1、资源(30分)5.2、机构、职责与权限(10分)5.3、问责制度(10分)7、能力、培训、意识和文化(140分)7.2、培训教育(100分)7.3、安全文化(10分)8、建设项目(100分)9、生产系统运行控制(790分)9.1生产运行管理(100分)9.2、工业厂区管理程序(50分)9.3、作业场所管理程序(50分)9.4、文明生产(30分)9.5、防火、防爆、防水、防雷管理(140分)9.5.2、压力容器管理(20分)9.5.3、气瓶管理(20分)9.5.4、防水管理(20分)9.5.5、防雷管理(30分)9.6、工艺环节安全控制(150分)9.6.1、工艺环节管理(100分)9.7、电气安全控制150分)9.7.2、电缆管理20分)9.7.3、接地管理(30分)9.8、设备安全控制(150分)9.8.1、机电设备管理(110分)9.8.2、材料、配件管理(20分)9.8.3、许可作业管理(20分)11、其它安全要素控制(270分)11.1、调度管理(50分)11.2、危险品管理(30分)11.3、职业卫生管理(粉尘、噪声、高温、有害气体管理)(20分)11.4、职业健康管理(20分)11.5、个体防护(10分)11.6、消防管理(70分)11.7、工器具安全控制(10分)11.8、标识标志管理(20分)12、相关方管理(30分)12.1、承包商管理(20分)12.1.2D12.3、访问者管理(10分)13、应急准备与响应(50分)14、隐患和事件(100分)14.1、隐患控制(60分)14.2、未遂事件管理(20分)14.3、事故管理(20分)15、安全信息(100分)15.1、内外部信息交流(20分)15.2、安全信息化系统(50分)16、安全检查与评价(90分)16.1、安全检查管理(50分)16.2、体系审核(20分)16.3、管理评审(20分)17、持续改进(20分)神华集团选煤厂安全风险预控管理体系审核指南1、总要求(30分)☆⑴按照Q/SHJ1004-2014要求,建立包含本单位所有安全生产活动的安全风险预控管理体系;☆⑵制定安全风险预控管理体系的绩效考核标准,至少包括领导层、科室、车间、班组、承包商等各个、安全方针(10分)、风险预控管理体系策划(110分)3.1、体系要素职能分配(50分)☆⑴将体系要素进行职能分配,并且符合下列要求:——确定体系要素的主责部门和协助部门,形成职能分配表——体系职能分配应当充分利用现有资源;——体系职能分配应当与生产现场的实际工作相符;——各主责部门负责业务范围内管理要素的综合管理工作;——管理要素涵盖风险预控管理的各个环节和本企业的所有管理、及作业活动;2、法定要求(20分)或电子文档,并建立清单;⑶及时组织对应遵守的法律法规、标准规范和其他要求等进行普法教育、学习宣传,确保相关人员熟悉应该遵守的法定要求;⑷生产经营活动中应遵守的法定要求,应直接依从或者转换成为内部制度或标准等严格执行。
大柳塔煤矿安全生产责任制大柳塔煤矿安全生产责任制(2016年修订稿)神华神东煤炭集团大柳塔煤矿目录第一章总则 (1)第二章管理层安全生产职责 (2)第七条矿长安全管理职责 (2)第八条党委副书记安全管理职责 (3)第九条生产副矿长安全管理职责 (3)第十条机电副矿长安全管理职责 (4)第十一条总工程师安全管理职责 (5)第十二条掘进副矿长安全管理职责 (6)第十三条安全副矿长安全管理职责 (8)第十四条经营副矿长安全管理职责 (9)第十五条机电副总工程师安全管理职责 (10)第十六条生产副总工程师安全管理职责 (11)第十七条掘进副总工程师安全管理职责 (12)第十八条通风副总工程师安全管理职责 (13)第三章管理部门安全生产职责 (15)第十九条安全办安全生产职责。
(15)第二十条安全办主任安全管理职责 (16)第二十一条安全办副主任安全管理职责 (17)第二十二条安全办主任工程师安全管理职责 (17)第二十三条应急办主任安全管理职责 (18)第二十四条体系组组长安全管理职责 (18)第二十五条安全办主任科员安全管理职责 (19)第二十六条安全办科员安全管理职责 (19)第二十七条安监员安全管理职责 (20)第二十八条生产办安全生产职责 (21)第二十九条生产办主任安全管理职责 (23)第三十条生产办副主任安全管理职责 (24)第三十一条生产办主任工程师安全管理职责 (25)第三十二条生产办主任科员安全管理职责 (26)第三十三条生产办科员安全管理职责 (27)第三十四条质量组安全生产职责 (28)第三十五条质量组组长安全管理职责 (29)第三十六条质量组副组长安全管理职责 (30)第三十七条质量组主任工程师安全管理职责 (30)第三十八条质量组科员安全管理职责 (31)第三十九条地质组安全生产职责 (31)第四十条地质组组长安全管理职责 (33)第四十一条地质组科员安全管理职责 (33)第四十二条机电信息中心安全生产职责。
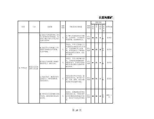
神华宁夏煤业集团公司白芨沟煤矿本质安全管理体系风险管理手册(第五版)神华宁夏煤业集团公司白芨沟煤矿本质安全管理委员会编目录一、白芨沟煤矿管理制度风险管理表1.管理评审 (1)2.生产管理类制度的制定与落实(生产科) (2)3.生产管理类制度的制定与落实(调度室) (3)4.机电管理类制度的制定与落实 (3)5.安全管理类制度的制定与落实 (4)6.经营管理类制度的制定与落实 (4)7.综合管理类制度的制定与落实(经营科室) (5)8.综合管理类制度的制定与落实 (5)9.一通三防类制度的制定与落实 (6)10.操作规程的编写与落实 (6)11.作业规程的编写与落实 (7)12.安全技术措施的制定与落实 (7)13.应急预案管理 (8)14.定编定员 (8)15.安全组织机构 (8)16.安全文化建设 (9)二、白芨沟煤矿通用风险管理表1.开班前会 (10)2.入井前准备 (10)3.车辆接送人员 (12)4.车辆运送货物 (13)5.多人配合作业 (14)6.手动葫芦操作 (15)7.敲帮问顶 (16)8.登高作业 (16)9.井下行走 (18)三、白芨沟煤矿各贯标单位风险管理表1.生产技术科风险管理表 (19)2.综采队风险管理表 (27)3.综掘队风险管理表 (56)4.掘进队风险管理表 (94)5.准备队风险管理表 (111)6.机电动力科风险管理表 (116)7.煤炭管理科风险管理表 (120)8.机修安装队风险管理表 (134)9.运输队风险管理表 (165)10.运转队风险管理表 (173)11.胶轮车队风险管理表 (183)12.生活服务中心队风险管理表 (198)13.信息技术中心风险管理表 (205)14.供应站风险管理表 (210)15.通风科风险管理表 (220)16.通风队风险管理表 (227)17.瓦抽队风险管理表 (239)18.灭火队风险管理表 (249)19.救护队风险管理表 (252)20.地测科风险管理表 (256)21.调度室风险管理表 (265)22.安全管理科风险管理表 (268)23.培训中心风险管理表 (277)24.武装保卫科风险管理表 (278)25.工会风险管理表 (285)26.技改办风险管理表 (290)27.经营科风险管理表 (291)28.人力资源科风险管理表 (293)29.组宣科风险管理表 (295)30.纪检监察科风险管理表 (296)31.党政办公室风险管理表.......................................................................................................................................... .297四、白芨沟煤矿矿井生产系统重大危险源风险管理表1.矿井采掘专业重大危险源风险管理表 (300)2.矿井机电运输专业重大危险源风险管理表................................................................................ . (304)3.矿井一通三防专业重大危险源风险管理表........................................................................ .. .. (307)。
白芨沟煤矿通用
训和工作安排
白芨沟煤矿通用
白芨沟煤矿通用
器,便携式瓦
斯检查仪
白芨沟煤矿通用
登记
白芨沟煤矿通用
白芨沟煤矿通用
员
白芨沟煤矿通用
好情况
物
白芨沟煤矿通用
物
白芨沟煤矿通用
白芨沟煤矿通用
查
白芨沟煤矿通用
白芨沟煤矿通用
白芨沟煤矿通用
完好性
白芨沟煤矿通用
白芨沟煤矿通用
白芨沟煤矿通用
矿通用风险管理表
矿通用风险管理表
矿通用风险管理表
矿通用风险管理表
矿通用风险管理表
矿通用风险管理表
矿通用风险管理表
矿通用风险管理表
矿通用风险管理表
矿通用风险管理表
矿通用风险管理表
矿通用风险管理表
矿通用风险管理表
矿通用风险管理表
矿通用风险管理表
矿通用风险管理表。
中国神华神东大柳塔煤矿重大隐患排查及管理制度为建设本质安全型矿井,各级管理人员明确未来一定时间段内所管辖范围内的重大安全隐患,以提前制定切实可靠的预防措施和事故发生后有效的应急救援措施,需各级管理人员阶段性详细排查所辖范围内的各类重大隐患,明确危险源,做到隐患排查纵向到底,横向到边,安全管理有的放矢。
因此,特制订本制度:一、成立大柳塔煤矿重大隐患管理组织机构组长:王国旺副组长:陈苏社陈外信梁云峰汪腾蛟任显才张更业姜敬成员:王智欣杨建彬李飞张登山王斗斌王贵林郝永录白恒山程民各区队队长下设生产办为重大隐患管理办公室,办公室主任为王智欣。
管理小组成员主要职责:排查管辖范围内存在的各类重大隐患;制定对应的隐患处理措施、应急救援措施、处理措施;按照重大隐患管理办公室要求上报、整改和处理,直至隐患消除。
办公室职责为:对上报的隐患汇总、整理、分类、分级、考核、考评、实施奖罚;跟踪、督办各级隐患整改或处理进展情况。
二、重大隐患管理流程见:附件1《年度重大隐患排查及处理流程》附件2《月度隐患排查及处理流程》1三、年度安全隐患排查:1、每年年初(1月份),各专业部门详细分析本年度的采掘接续计划,分析全年所有采掘战场的水纹地质、工程地质、煤层情况、周边开采情况、历年开采情况,从工作面采掘系统、主运输系统、辅助运输系统、防尘系统、通风系统、供水系统、排水系统、供电系统、通讯系统、消防系统等各大系统分析本年度本部门业务保安方面存在的重大安全隐患。
2、各部门根据所排查的矿井年度重大隐患,对应每条隐患制定切实可靠的预防措施,同时制定矿级可行的应急救援预案,确保矿井安全生产。
3、每年年初(1月份),各区队根据矿井年度接续计划,详细分析本队本年度的采掘、作业战场,分析全年所有采掘战场的水纹地质、工程地质、煤层情况、周边开采情况、历年开采情况,从工作面采掘系统、主运输系统、辅助运输系统、防尘系统、通风系统、供水系统、排水系统、供电系统、通讯系统、消防系统等各大系统分析本队作业场所存在的重大安全隐患。
大柳塔煤矿安全生产责任制汇编(修订稿)神华神东煤炭集团大柳塔煤矿目录第一章总则 "第二章管理层安全生产职责第七条矿长安全管理职责第八条党委副书记安全管理职责第九条生产副矿长安全管理职责第十条机电副矿长安全管理职责第十一条总工程师安全管理职责第十二条掘进副矿长安全管理职责第十三条安全副矿长安全管理职责第十四条经营副矿长安全管理职责第十五条机电副总工程师安全管理职责第十六条生产副总工程师安全管理职责第十七条掘进副总工程师安全管理职责第十八条通风副总工程师安全管理职责第三章管理部门安全生产职责第十九条安全办安全生产职责。
第二十条安全办主任安全管理职责第二十一条安全办副主任安全管理职责第二十二条安全办主任工程师安全管理职责第二十三条应急办主任安全管理职责第二十四条体系组组长安全管理职责第二十五条安全办主任科员安全管理职责第二十六条安全办科员安全管理职责第二十七条安监员安全管理职责第二十八条生产办安全生产职责第二十九条生产办主任安全管理职责第三十条生产办副主任安全管理职责第三十一条生产办主任工程师安全管理职责第三十二条生产办主任科员安全管理职责第三十三条生产办科员安全管理职责第三十四条质量组安全生产职责第三十五条质量组组长安全管理职责第三十六条质量组副组长安全管理职责第三十七条质量组主任工程师安全管理职责第三十八条质量组科员安全管理职责第三十九条地质组安全生产职责第四十条地质组组长安全管理职责第四十一条地质组科员安全管理职责第四十二条机电信息中心安全生产职责第四十三条机电信息中心主任安全管理职责第四十四条机电信息中心副主任安全管理职责第四十五条机电信息中心主任工程师安全管理职责第四十六条机电信息中心科员安全管理职责第四十七条经营办安全生产职责第四十八条经营办主任安全管理职责第四十九条经营办副主任安全管理职责第五十条经营办科员安全管理职责第五十一条党政办安全生产职责第五十二条党政办主任安全管理职责第五十三条党政办副主任安全管理职责第五十四条党政办工会主席安全管理职责第五十五条党政办团委书记安全管理职责第五十六条党政办科员安全管理职责第五十七条调度指挥中心安全生产职责第五十八条调度指挥中心主任安全管理职责第五十九条调度指挥中心副主任安全管理职责第六十条生产调度员安全管理职责第六十一条安全监测调度员安全管理职责第六十二条通风办安全生产职责第六十三条通风办主任安全管理职责第六十四条通风办副主任安全管理职责第六十五条通风办科员安全管理职责第四章区队安全生产职责第六十六条综采队安全生产职责第六十七条综采队队长安全管理职责第六十八条综采队党支部书记安全管理职责第六十九条综采队生产副队长安全管理职责第七十条综采队机电副队长安全管理职责第七十一条综采队采煤技术员安全管理职责第七十二条综采队机电技术员安全管理职责第七十三条综采队验收员安全管理职责第七十四条综采队班长安全管理职责第七十六条综采队三机工安全生产岗位职责第七十七条综采队支架工安全生产岗位职责第七十八条综采队马蒂尔司机安全生产岗位职责第七十九条综采队检修电工安全生产岗位职责第八十条综采队控制台电工安全生产岗位职责第八十一条综采队泵站工安全生产岗位职责第八十二条综采队超前支护工安全生产岗位职责第八十三条连采队安全生产职责第八十四条连采队队长安全管理职责第八十五条连采队支部书记安全管理职责第八十六条连采队生产副队长安全管理职责第八十七条连采队机电副队长安全管理职责第八十八条连采队采煤技术员安全管理职责第八十九条连采队机电技术员安全管理职责第九十条连采队验收员安全管理职责第九十一条连采队班长安全管理职责第九十二条连采队连采机司机安全生产岗位职责第九十三条连采队掘锚机司机安全生产岗位职责第九十五条连采队铲车司机安全生产岗位职责第九十六条连采队锚杆机司机安全生产岗位职责第九十七条连采队检修电工安全生产岗位职责第九十八条连采队梭车司机安全生产岗位职责第九十九条连采队皮带机司机安全生产岗位职责第一百条连采队钳工安全生产岗位职责第一百零一条运转队安全生产职责第一百零二条运转队队长安全管理职责第一百零三条运转队党支部书记安全管理职责第一百零四条运转队副队长安全管理职责第一百零五条运转队技术员安全管理职责第一百零六条运转队班长安全管理职责第一百零七条运转队电钳工安全生产岗位职责第一百零八条运转队检修钳工安全生产岗位职责第一百零九条运转队胶带机司机安全生产岗位职责第一百一十条运转队矿井辅助检修电工安全生产岗位职责第一百一十一条运转队矿井辅助检修钳工安全生产岗位职责第一百一十二条运转队电工安全生产岗位职责第一百一十三条运转队皮带巡视工安全生产岗位职责第一百一十四条运转队皮带机司机安全生产岗位职责第一百一十五条运转队矿井检修工安全生产岗位职责第一百一十六条机电队安全生产职责第一百一十七条机电队队长安全管理职责第一百一十八条机电队党支部书记安全管理职责第一百一十九条机电队副队长安全管理职责第一百二十条机电队技术员安全管理职责第一百二十一条机电队班长安全管理职责第一百二十二条机电队水泵工安全生产岗位职责第一百二十三条机电队主扇司机安全生产岗位职责第一百二十四条机电队矿井检修电工安全生产岗位职责第一百二十五条机电队通信系统维护工安全生产岗位职责第一百二十六条机电队管路维护工安全生产岗位职责第一百二十七条机电队矿井检修电钳工安全生产岗位职责第一百二十八条通风队安全生产职责第一百二十九条通风队队长安全管理职责第一百三十条通风队党支部书记安全管理职责第一百三十一条通风队一通三防副队长安全管理职责第一百三十二条通风队副队长安全管理职责第一百三十三条通风队技术员安全管理职责第一百三十四条通风队安全监控副队长安全管理职责第一百三十五条通风队安全监测技术员安全管理职责第一百三十六条通风队班长安全管理职责第一百三十七条通风队测风测尘工安全生产岗位职责第一百三十八条通风队瓦斯检查员安全生产岗位职责第一百三十九条通风队安全监控维护人员安全生产岗位职责第一百四十条通风队消尘工安全生产岗位职责第一百四十一条通风队通风仪表维修工安全生产岗位职责第一百四十二条便携仪器发放工安全生产岗位职责第一百四十三条标校员安全生产岗位职责第一百四十四条准备队安全生产职责第一百四十五条准备队队长安全管理职责第一百四十六条准备队党支部书记安全管理职责第一百四十七条准备队副队长安全管理职责第一百四十八条准备队班长安全管理职责第一百四十九条准备队巷道维护工安全生产岗位职责第一百五十条准备队消尘工安全生产岗位职责第一百五十一条机修厂安全生产职责第一百五十二条机修厂厂长安全管理职责第一百五十三条机修厂党支部书记安全管理职责第一百五十四条机修厂副厂长安全管理职责第一百五十五条机修厂技术员安全管理职责第一百五十六条机修厂班长安全管理职责第一百五十七条机修厂车工安全生产岗位职责第一百五十八条机修厂焊工安全生产岗位职责第一百五十九条机修厂维修电工安全生产岗位职责第一百六十条机修厂维修钳工安全生产岗位职责第一百六十一条车队安全生产职责第一百六十二条车队队长安全管理职责第一百六十三条车队书记安全管理职责第一百六十四条车队副队长安全管理职责第一百六十五条车队驾驶员安全生产岗位职责第五章附则第一章总则第一条为全面落实各级人员的安全生产责任,建立健全安全生产责任体系,强化安全管理,确保安全生产,根据《中华人民共和国安全生产法》、《企业安全生产责任体系五落实五到位规定》(安监总办〔2015〕27号)的要求,结合我矿实际,特制定《大柳塔煤矿安全生产责任制》,以下简称《责任制》。
大柳塔煤矿员工不安全行为管理办法第一章总则第一条为进一步规范员工作业行为管理,有效遏制不安全行为发生,确保安全生产,特制定本办法。
第二条本办法中的不安全行为指可能产生风险或导致事故发生的行为。
第三条按照安全风险预控管理体系,人员不安全行为风险等级分为特别重大、重大、中等、一般、低风险五个等级;按照类别分为:综采类、连掘类、运转类、机电类、通风类、运输类、爆破类、焊割类、起吊类、地面类和通用类十一类。
第四条本办法中的员工行为指员工在工作过程中是否执行岗位规范,是否时刻关注和防范安全风险的举止行动。
第二章组织与职责第五条矿成立不安全行为管理领导小组组长:矿长常务副组长:安全矿长副组长:副书记、总工程师、副矿长及副总工程师等成员:各科室主任及组长、各区队队长领导小组职责:负责指导不安全行为管理工作,负责审定不安全行为管理办法和员工不安全行为责任追究处罚标准,指导不安全行为管理工作机制不断完善改进。
领导小组下设办公室,设在安全办,安全办负责员工不安全行为管理办法的制定、不安全行为的分析与控制,指导监督各部门、区队对不安全行为管理办法的落实工作;矿领导及机关所有业务部门负责不安全行为的查处与帮教。
第六条经营办培训组负责不安全行为人员矫正培训工作,对不安全行为人员进行登记备案,并建立不安全行为矫正培训档案。
第七条区队管理人员负责本单位的不安全行为自查、矫正及管控工作。
第三章不安全行为预防第八条基层单位承担本单位员工不安全行为管理的主体责任,参照本办法制定本单位《不安全行为管理办法》,明确不安全行为控制目标,预防不安全行为的发生。
第九条业务部门积极为员工提供有效的技能、体验等实操性培训,为员工创造自觉规范作业的条件。
第十条安全文化建设:遵循安全管理的客观规律,将安全文化建设工作融入到安全管理的全过程,开展形式多样的活动,以不安全行为座谈会、无不安全行为员工贡献奖励和抽奖活动、技能竞赛和技术比武、安全有奖答题、案例征集等活动为手段,以意识引导、行为塑造为重点,形成人人讲安全的文化氛围。
大柳塔煤矿安全目标管理办法第一章总则第一条为加强矿安全目标管理,根据《关于加强国有重点煤矿安全基础管理的指导意见》(煤监总煤矿〔2006〕116号)及《关于印发<煤矿企业安全生产管理制度>的通知》(煤安监办字〔2004〕42号)及《神华集团子分公司安全风险预控管理体系审核指南》相关要求,制定本办法。
第二条本办法明确了矿安全目标、指标管理的职责、基本要求及考核方式。
第三条本办法适用于矿各业务部门以及与矿签订安全生产责任状的所有单位(以下简称责任单位)。
第二章组织与职责第四条安全办负责组织相关部门拟定矿中长期安全目标,经矿安全生产委员会审定后,纳入矿中长期规划。
第五条安全办组织相关部门,在矿中长期目标的基础上,拟定矿年度安全目标、指标方案和安全风险预控管理体系建设达标年度计划,经安委会审定后,纳入矿年度工作计划。
第六条安全办依据矿安全目标、指标方案,负责将目标指标分解落实到相关部门,并起草矿年度《安全生产责任状》。
第七条安全办负责对矿安全目标、计划完成情况进行综合考评,经营办、驻矿财务科根据考评结果进行奖惩兑现。
第八条各业务保安部门依据矿的年度安全目标、指标,制定本部门的业务保安方案(措施),并落实到相关岗位。
第三章目标管理第九条目标指标的设定要合理可行,并关注:(一)持续改进的要求。
(二)管理评审的结果。
(三)风险评估的结果。
(四)相关方的要求。
(五)同类企业平均水平或先进水平。
(六)事故事件控制的期望。
第十条目标要体现事故、事件控制的目标和安全生产指标,并充分考虑控制的风险和安全生产绩效。
指标的设定要可测量。
第十一条管理方案制定要求。
各部门应针对每一个目标、指标制定一个或一个以上的管理方案。
对于可以通过日常运行管理来实现的目标,管理方案主要体现保障正常运行控制措施即可,对于通过改进管理、更新设备设施、工程建设、员工能力提升、工艺改进等项目来实现的目标,管理方案要明确实现目标的方法、实施计划、保障措施、实施期限和责任人等内容。
煤矿岗位标准作业流程及危险源手册神华集团XXX煤矿201X年5月前言为了实现岗位作业流程与危险源辨识的有机结合,使员工在上标准岗、干标准活的同时,清楚每个工作任务及流程存在的安全隐患,进而在源头上杜绝安全事故,201X年11月份,矿里组织编制了《岗位标准作业流程及危险源手册》。
通过一年的应用,员工熟练地掌握了本岗位的标准作业流程及危险源,安全防范意识得到加强,生产作业更加规范,有效促进了现场安全作业。
随着井下采掘队伍的增加,辅助运输与后配套工作量增大,加之个别原有工种又新增了危险源,手册已无法满足实际需要。
鉴于此,201X年12月—201X年3月,矿里重新对《岗位标准作业流程及危险源手册》进行了修订。
本次参与修订人员由矿机关技术人员、区队管理人员及岗位熟练工组成,先后有108人参与了编制工作。
新手册进一步对岗位作业流程的目录进行了细化,增加了综放、综掘、胶轮车运输、管路安装、砼底板浇筑、喷浆、锚索施工等相关内容;增加了由本岗位危险源导致的相关事故案例;同时对重要危险源用☆进行了标记。
优化后的《岗位标准作业流程及危险源手册》共7大部分,376项岗位作业流程及危险源。
相信新修订的手册必将对提高员工安全知识、规范员工操作行为、提升矿井安全生产水平发挥更大作用!201X年5月1日目录1、综(放)采 (15)1.1综采设备操作 (15)1.1.1采煤机司机岗位作业流程及危险源控制 (15)1.1.2刮板输送机岗位作业流程及危险源控制 (28)1.1.3液压支架工岗位作业流程及危险源控制 (30)1.1.4转载运输机司机岗位作业流程及危险源控制 (38)1.1.5马蒂尔司机岗位作业流程及危险源控制 (40)1.1.6回柱绞车司机岗位作业流程及危险源控制 (42)1.1.7控制台电工岗位作业流程及危险源控制 (44)1.1.8辅助工种岗位作业流程及危险源控制 (50)1.2综采设备检修 (58)1.2.1破碎机检修 (58)1.2.1.1调整破碎机高度标准作业流程及危险源控制 (58)1.2.1.2更换破碎机锤头标准作业流程及危险源控制 (60)1.2.1.3更换破碎机易熔塞标准作业流程及危险源控制 (61)1.2.1.4破碎机机械及液压部分定期检查标准作业流程及危险源控制 (62)1.2.1.5更换破碎机液力耦合器标准作业流程及危险源控制 (64)1.2.1.6检查破碎机液力耦合器水位准作业流程及危险源控制 (66)1.2.2综采泵站检修 (67)1.2.2.1综采泵站电气部分日常检查标准作业流程及危险源控制 (67)1.2.2.2清洗乳化液箱标准作业流程及危险源控制 (68)1.2.2.3更换乳化液泵压力传感器标准作业流程及危险源控制 (69)1.2.2.4更换乳化液泵标准作业流程及危险源控制 (71)1.2.2.5更换乳化液泵头标准作业流程及危险源控制 (73)1.2.2.6更换泵站电机风叶标准作业流程及危险源控制 (75)1.2.2.7更换泵站电磁先导阀标准作业流程及危险源控制 (76)1.2.2.8更换泵站柱塞、柱塞密封、滑块油封标准作业流程及危险源控制 (77)1.2.2.9更换泵站进液过滤器滤芯标准作业流程及危险源控制 (79)1.2.2.10泵站电气部分定期检查标准作业流程及危险源控制 (80)1.2.2.11更换乳化液泵电机标准作业流程及危险源控制 (82)1.2.3支架检修 (84)1.2.3.1更换刮板输送机电缆槽内高压回液管标准作业流程及危险源控制 (84)1.2.3.2更换刮板输送机电缆槽内高压进液管标准作业流程及危险源控制 (86)1.2.3.3更换护帮板标准作业流程及危险源控制 (88)1.2.3.4更换护帮板连接销子标准作业流程及危险源控制 (91)1.2.3.5更换护帮板油缸安全阀标准作业流程及危险源控制 (93)1.2.3.7更换护帮板油缸液管标准作业流程及危险源控制 (96)1.2.3.8更换架间高压进、回液管标准作业流程及危险源控制 (97)1.2.3.9更换架间喷雾喷嘴标准作业流程及危险源控制 (98)1.2.3.10更换升、降柱液管标准作业流程及危险源控制 (100)1.2.3.11更换推溜、拉架液管标准作业流程及危险源控制 (101)1.2.3.12更换推移油缸标准作业流程及危险源控制 (102)1.2.3.13更换支架侧护板标准作业流程及危险源控制 (104)1.2.3.14更换支架侧护板油缸液管标准作业流程及危险源控制 (106)1.2.3.15更换支架电磁阀标准作业流程及危险源控制 (107)1.2.3.16更换支架电源适配器、隔离耦合器标准作业流程及危险源控制 (108)1.2.3.17更换支架各类U型卡子、接头标准作业流程及危险源控制 (109)1.2.3.18更换支架架间连接器标准作业流程及危险源控制 (111)1.2.3.19更换支架进液截止阀标准作业流程及危险源控制 (113)1.2.3.20更换支架立柱安全阀标准作业流程及危险源控制 (114)1.2.3.21更换支架立柱标准作业流程及危险源控制 (115)1.2.3.22更换支架立柱液控单向阀标准作业流程及危险源控制 (117)1.2.3.23更换支架平衡油缸安全阀标准作业流程及危险源控制 (118)1.2.3.24更换支架平衡油缸标准作业流程及危险源控制 (119)1.2.3.25更换支架平衡油缸销子标准作业流程及危险源控制 (121)1.2.3.26更换支架平衡油缸液管标准作业流程及危险源控制 (122)1.2.3.27更换支架起底油缸标准作业流程及危险源控制 (123)1.2.3.28更换支架驱动板标准作业流程及危险源控制 (124)1.2.3.29更换支架伸缩梁标准作业流程及危险源控制 (125)1.2.3.30更换支架推拉头标准作业流程及危险源控制 (127)1.2.3.31更换支架推移框架标准作业流程及危险源控制 (128)1.2.3.32更换支架主阀阀芯标准作业流程及危险源控制 (130)1.2.3.33检查及更换支架电磁阀电缆标准作业流程及危险源控制 (131)1.2.3.34更换拉后溜油缸标准作业流程及危险源控制 (132)1.2.3.35更换拉后溜油缸液管标准作业流程及危险源控制 (133)1.2.3.36支架机械及液压部分定期检查标准作业流程及危险源控制 (134)1.2.3.37支架机械及液压部分日常检查标准作业流程及危险源控制 (136)1.2.3.38更换支架PM4\PM32\电源箱标准作业流程及危险源控制 (138)1.2.3.39更换支架PM4\PM32架间电缆标准作业流程及危险源控制 (140)1.2.3.40更换支架PM4\PM32控制器标准作业流程及危险源控制 (141)1.2.3.41更换支架插板油缸标准作业流程及危险源控制 (142)1.2.4刮板机检修 (156)1.2.4.1更换刮板输送机“L”销标准作业流程及危险源控制 (156)1.2.4.2更换刮板输送机采空区侧哑铃销标准作业流程及危险源控制 (157)1.2.4.3更换刮板输送机煤壁侧哑铃销标准作业流程及危险源控制 (158)1.2.4.5更换刮板输送机刮板标准作业流程及危险源控制 (162)1.2.4.6更换刮板输送机刮板螺栓标准作业流程及危险源控制 (164)1.2.4.7更换刮板输送机刮板压条标准作业流程及危险源控制 (166)1.2.5采煤机电气检修 (189)1.2.5.1采煤机电气部分日常检查标准作业流程及危险源控制 (189)1.2.5.2采煤机电缆摇绝缘标准作业流程及危险源控制 (191)1.2.5.3采煤机电控箱检修标准作业流程及危险源控制 (193)1.2.5.4采煤机电气部分定期检查标准作业流程及危险源控制 (195)1.2.5.5更换采煤机电缆夹板标准作业流程及危险源控制 (197)1.2.5.6检查采煤机截割电机接线腔标准作业流程及危险源控制 (199)1.2.5.7更换采煤机电气元件标准作业流程及危险源控制 (201)1.2.5.8更换采煤机变频器电源模块标准作业流程及危险源控制 (203)1.2.5.9更换采煤机变频器标准作业流程及危险源控制 (205)1.2.5.10更换采煤机接触器标准作业流程及危险源控制 (207)1.2.5.11更换采煤机截割电机标准作业流程及危险源控制 (209)1.2.5.12更换采煤机牵引电机标准作业流程及危险源控制 (211)1.2.5.13更换采煤机油泵及油泵电机标准作业流程及危险源控制 (213)1.2.6采煤机电气检修 (215)1.2.6.1采煤机机械及液压部分日常检查标准作业流程及危险源控制 (215)1.2.6.2采煤机注润滑油脂标准作业流程及危险源控制 (217)1.2.6.3更换采煤机液压管路密封圈标准作业流程及危险源控制 (218)1.2.6.4采煤机机械及液压部分定期检查标准作业流程及危险源控制 (220)1.2.6.5紧固采煤机滚筒螺栓标准作业流程及危险源控制 (222)1.2.6.6更换采煤机液压油标准作业流程及危险源控制 (224)1.2.6.7更换采煤机牵引齿轮箱油标准作业流程及危险源控制 (225)1.2.6.8更换采煤机高压滤芯标准作业流程及危险源控制 (226)1.2.6.9更换采煤机滚筒齿套标准作业流程及危险源控制 (227)1.2.6.10更换采煤机滚筒截齿标准作业流程及危险源控制 (228)1.2.6.11更换采煤机滚筒内外喷嘴标准作业流程及危险源控制 (229)1.2.6.12更换采煤机牵引链轮剪切销标准作业流程及危险源控制 (230)1.2.6.13更换采煤机拖拽水管标准作业流程及危险源控制 (231)1.2.6.14更换采煤机摇臂销轴标准作业流程及危险源控制 (232)1.2.6.15更换采煤机牵引扭矩轴标准作业流程及危险源控制 (233)1.2.6.16更换采煤机破碎机电机扭矩轴标准作业流程及危险源控制 (234)1.2.6.17更换采煤机截割电机扭矩轴标准作业流程及危险源控制 (235)1.2.6.18更换采煤机冷却水管标准作业流程及危险源控制 (237)1.2.6.19更换采煤机滚筒标准作业流程及危险源控制 (238)1.2.6.20更换采煤机牵引块标准作业流程及危险源控制 (240)1.2.6.21更换采煤机破碎机标准作业流程及危险源控制 (243)1.2.6.23更换采煤机破碎机截齿标准作业流程及危险源控制 (246)1.2.6.24更换采煤机摇臂标准作业流程及危险源控制 (247)1.2.6.25更换采煤机链轮、滑靴标准作业流程及危险源控制 (250)1.2.6.26更换采煤机升降油缸标准作业流程及危险源控制 (252)1.2.6.27更换采煤机摇臂A、B齿轮标准作业流程及危险源控制 (254)1.2.6.28更换采煤机行星头滑动密封标准作业流程及危险源控制 (256)1.2.7转载机检修 (258)1.2.7.1更换马蒂尔与转载机铰接座标准作业流程及危险源控制 (258)1.2.7.2更换马蒂尔机尾导向滚筒标准作业流程及危险源控制 (260)1.2.7.3更换转载机电机标准作业流程及危险源控制 (262)1.2.7.4更换转载机刮板、刮板螺栓标准作业流程及危险源控制 (264)1.2.7.5更换转载机驱动链轮标准作业流程及危险源控制 (266)1.2.8电气设备检修 (268)1.2.8.1电机定期检查标准作业流程及危险源控制 (268)1.2.8.2更换电缆连接器标准作业流程及危险源控制 (270)1.2.8.3更换工作面照明灯标准作业流程及危险源控制 (273)1.2.8.4更换扩音电话或急停按钮标准作业流程及危险源控制 (275)1.2.8.5更换组合开关控制单元标准作业流程及危险源控制 (277)1.2.8.6检修低压启动开关标准作业流程及危险源控制 (279)1.2.8.7开关漏电试验标准作业流程及危险源控制 (281)1.2.8.8移动变电站定期检查标准作业流程及危险源控制 (282)1.2.8.9移变列车电气部分日常检查标准作业流程及危险源控制 (284)1.2.8.10组合开关定期检查标准作业流程及危险源控制 (285)1.2.9其他 (287)1.2.9.1拉移变列车标准作业流程及危险源控制 (287)2、掘进 (290)2.1掘进设备操作 (290)2.1.1掘锚机 (290)2.1.1.1掘锚机司机岗位作业流程及危险源控制 (290)2.1.1.2锚杆机司机岗位作业流程及危险源控制 (297)2.1.1.3掘进锚、网、梁(钢带)支护标准作业流程及危险源 (301)2.1.1.4锚杆拉力试验作业流程及危险源控制 (303)2.1.2掘锚机后配套行走式破碎转载连续运输装备 (304)2.1.2.1一号车司机岗位作业流程及危险源控制 (304)2.1.3连采梭车 (306)2.1.3.1梭车司机岗位作业流程及危险源 (306)2.1.4综掘机 (310)2.1.4.1综掘机司机岗位标准作业流程及危险源 (310)2.1.5其他 (318)2.1.5.1架棚作业流程及危险源 (318)2.1.5.2掘进胶带机司机岗位作业流程及危险源 (319)2.1.5.3临时超前支护作业流程及危险源 (325)2.2掘进设备检修 (327)2.2.1掘锚电气检修 (327)2.2.1.1更换掘锚机主泵电机标准作业流程及危险源 (327)2.2.1.2掘锚机电气定期检修标准作业流程及危险源 (329)2.2.1.3掘锚机日常电气检修标准作业流程及危险源 (332)2.2.1.4掘锚机定期电气检修标准作业流程及危险源 (335)2.2.1.5更换掘锚机主泵电机标准作业流程及危险源 (338)2.2.2掘锚机机械检修 (341)2.2.2.1更换掘锚机行走马达标准作业流程及危险源 (341)2.2.2.2更换掘锚机截割部调高油缸标准作业流程及危险源 (343)2.2.2.3更换掘锚机截割电机标准作业流程及危险源 (345)2.2.2.4掘锚机定期机械检修标准作业流程及危险源 (348)2.2.2.5掘锚机加注液压油标准作业流程及危险源 (351)2.2.2.6掘锚机定期机械检修标准作业流程及危险源 (353)2.2.2.7掘锚机液压系统检修标准作业流程及危险源 (356)2.2.2.8更换掘锚机液压油标准作业流程及危险源 (359)2.2.2.9更换掘锚机液压油标准作业流程及危险源 (361)2.2.2.10更换掘锚机液压油标准作业流程及危险源 (363)2.2.3连采梭车电气检修 (365)2.2.3.1梭车日常电气检修标准作业流程及危险源 (365)2.2.3.2梭车定期电气检修标准作业流程及危险源 (367)2.2.3.3梭车电控箱定期检修标准作业流程及危险源 (369)2.2.3.4梭车电机定期检修标准作业流程及危险源 (371)2.2.3.5梭车瓦斯断电仪定期检修 (374)2.2.4连采梭车机械检修 (376)2.2.4.1梭车日常机械检修标准作业流程及危险源 (376)2.2.4.2梭车定期机械检修标准作业流程及危险源 (378)2.2.4.3梭车轮胎检修标准作业流程及危险源 (380)2.2.4.4梭车急停及刹车检修标准作业流程及危险源 (381)2.2.4.5梭车输送机链条标准作业流程及危险源 (382)2.2.4.6检查梭车油箱油位标准作业流程及危险源 (384)2.2.4.7梭车定期注油脂标准作业流程及危险源 (385)2.2.5掘锚机后配套行走式破碎转载连续运输装备电气检修 (387)2.2.5.1行走式破碎、转载连续运输装备启动不自保处理标准作业流程及危险源 (387)2.2.5.2行走式破碎、转载连续运输装备定期(1个月)检修电机标准作业流程及危险源 (389)2.2.5.4处理行走式破碎、转载连续运输装备输送机电机运行过程中偷停标准作业流程及危险源 (395)2.2.5.5处理行走式破碎、转载连续运输装备输送机电机远控不启动标准作业流程及危险源 (397)2.2.6掘锚机后配套行走式破碎转载连续运输装备机械检修 (399)2.2.6.1连续运煤车(LY2000-980/10型)机械部分日常检查标准作业流程 (399)2.2.6.2更换行走式破碎、转载连续运输装置对轮胶垫标准作业流程及危险源 (401)2.2.6.3更换行走式破碎、转载连续运输装置刮板标准作业流程及危险源 (403)2.2.6.4更换行走式破碎、转载连续运输装置机尾轴组件标准作业流程及危险源 (404)2.2.6.5更换行走式破碎、转载连续运输装置标准作业流程及危险源 (406)2.2.6.6更换行走式破碎、转载连续运输装置刮板驱动链轮标准作业流程及危险源 (408)2.2.6.7更换行走式破碎、转载连续运输装置刮板张紧油缸标准作业流程及危险源 (410)2.2.6.8更换行走式破碎、转载连续运输装置破碎滚筒标准作业流程及危险源 (412)2.2.6.9更换行走式破碎、转载连续运输装置行走导向轮标准作业流程及危险源 (414)2.2.6.10更换行走式破碎、转载连续运输装置行走履带板标准作业流程及危险源 (416)2.2.6.11更换行走式破碎、转载连续运输装置履带销子标准作业流程及危险源 (418)2.2.6.12更换行走式破碎、转载连续运输装置破碎滚筒联轴器标准作业流程及危险源 (420)2.2.6.13更换行走式破碎、转载连续运输装置破碎机减速器标准作业流程及危险源 (422)2.2.6.14更换行走式破碎、转载连续运输装置支撑油缸标准作业流程及危险源 (424)2.2.6.15更换行走式破碎、转载连续运输装置液压油(3个月定期)标准作业流程及危险源 (426)2.2.6.16更换行走式破碎、转载连续运输装置液压油泵标准作业流程及危险源 (428)2.2.6.17检查行走式破碎、转载连续运输装置油箱油位标准作业流程及危险源 (430)2.2.6.18行走式破碎、转载连续运输装置升降油缸不能正常工作的标准作业流程及危险源 (431)2.2.6.19行走式破碎、转载连续运输装置油泵有噪音故障处理标准作业流程及危险源 (433)2.2.6.20更换行走式破碎、转载连续运输装置标准作业流程及危险源 (435)2.2.6.21行走式破碎、转载连续运输装置履带张紧标准作业流程及危险源 (437)2.2.6.22走式破碎、转载连续运输装置机械部分定期检查标准作业流程及危险源 (438)2.2.6.23行走式破碎、转载连续运输装置机械部分日常检查标准作业流程及危险源 (439)2.2.7综掘机电气检修 (441)2.2.7.1综掘机定期电气检修标准作业流程及危险源 (441)2.2.7.2综掘机日常电气检修标准作业流程及危险源 (443)2.2.8综掘机机械检修 (445)2.2.8.1更换综掘机行走马达标准作业流程及危险源 (445)2.2.8.2更换综掘机截割部调高油缸标准作业流程及危险源 (447)2.2.8.3更换综掘机截割电机标准作业流程及危险源 (449)2.2.8.4更换综掘机主泵电机标准作业流程及危险源 (451)2.2.8.5综掘机定期机械检修标准作业流程及危险源 (453)2.2.8.6综掘机加注液压油标准作业流程及危险源 (455)2.2.8.7综掘机日常机械检修标准作业流程及危险源 (457)2.2.8.8综掘机液压系统检修标准作业流程及危险源 (459)2.2.9液压钻车电气检修 (461)2.2.9.2液压钻车电气部分定期检查标准作业流程及危险源 (465)2.2.9.3更换液压钻车机载断电仪标准作业流程及危险源 (468)2.2.9.4更换液压钻车泵电机标准作业流程及危险源 (471)2.2.10液压钻车机械检修 (475)2.2.10.1液压钻车(CMM2-15)除尘系统日常检查标准作业流程及危险源 (475)2.2.10.2更换液压钻车(CMM2-15)长、短进给油缸检修标准作业流程及危险源 (477)2.2.10.3更换液压钻车(CMM2-15)除尘风机联轴器标准作业流程及危险源 (480)2.2.10.4更换液压钻车(CMM2-15)操作台顶棚升降油缸标准作业流程及危险源 (482)2.2.10.5更换液压钻车(CMM2-15)泵电机对轮梅花垫检修标准作业流程及危险源 (485)2.2.10.6更换液压钻车(CMM2-15)摆线器标准作业流程及危险源 (487)2.2.10.7处理液压钻车(CMM2-15)整体液压油温高标准作业流程及危险源 (490)2.2.10.8处理液压钻车(CMM2-15)打钻无风标准作业流程及危险源 (492)2.2.10.9处理液压钻车(CMM2-15)打钻进给自卸标准作业流程及危险 (494)2.2.10.10处理液压钻车(CMM2-15)除尘系统标准作业流程及危险源 (496)2.2.10.11处理液压钻车(CMM2-15)除尘故障标准作业流程及危险源源 (498)3、机电 (500)3.1机电操作 (500)3.1.1供电操作 (500)3.1.1.1地面变电所变配电操作 (500)3.1.1.2地面变电所外线操作 (501)3.1.1.3井下变电工巡视标准作业流程及危险源 (502)3.1.1.4井下变电工执行操作票标准作业流程及危险源 (504)3.1.1.5井下变电工停电标准作业流程及危险源 (505)3.1.1.6井下变电工送电标准作业流程及危险源 (507)3.1.1.7井下变电工处理应急掉电标准作业流程及危险源 (509)3.1.1.8变电所着火抢修标准作业流程及危险源 (511)3.1.1.9井下变电工交接班标准作业流程及危险源 (512)3.1.2排水操作 (514)3.1.2.1强排水潜水泵操作 (514)3.1.2.2主排水泵巡视标准作业流程及危险源 (520)3.1.2.3主排水泵启动标准作业流程及危险源 (522)3.1.2.4主排水泵停泵标准作业流程及危险源 (523)3.1.2.5主排水泵工交接班标准作业流程及危险源 (524)3.1.3压风操作 (526)3.1.3.1压风机开停机操作标准作业流程及危险源 (526)3.1.3.2压风机巡检准作业流程及危险源 (527)3.1.3.3压风机操作工交接班标准作业流程及危险源 (528)3.1.4主通风机操作 (530)3.1.4.2主通风机司机巡视标准作业流程及危险源 (532)3.1.4.3主通风机切换标准作业流程及危险源 (533)3.1.4.4主通风机反风启动标准作业流程及危险源 (535)3.1.4.5主通风机反风停机标准作业流程及危险源 (536)3.2机电检修 (537)3.2.1供电设备检修 (537)3.2.1.1高压铠装电缆敷设与电缆接线盒连接标准作业流程及危险源 (537)3.2.1.2高压电缆冷缩中间接头制作标准作业流程及危险源 (541)3.2.1.3高低压电缆拆线与回收标准作业流程及危险源 (543)3.2.1.4高压隔爆配电装置定期检查检修标准作业流程及危险源 (546)3.2.1.5低压橡套电缆敷设与接线盒连接标准作业流程及危险源 (553)3.2.1.6隔爆移动变电站定期检查检修标准作业流程及危险源 (558)3.2.1.7井下接地系统检查标准作业流程及危险源 (563)3.2.1.9 1140∕660V低压隔爆开关定期检查检修标准作业流程及危险源 (566)3.2.2排水设备检修 (571)3.2.2.1更换主排水泵泵体标准作业流程及危险源 (571)3.2.2.2更换主排水泵电机检修标准作业流程及危险源 (573)3.2.2.2更换主排水泵电机检修标准作业流程及危险源 (573)3.2.2.3更换主排水泵闸阀检修标准作业流程及危险源 (576)3.2.2.4主排水泵电气系统检修标准作业流程及危险源 (578)3.2.2.5主排水泵供排水管路及阀门检修标准作业流程及危险源 (582)3.2.2.6主排水泵机械检修标准作业流程及危险源 (584)3.2.2.7主排水泵水仓清理标准作业流程及危险源 (586)3.2.2.8主排水泵引水射流泵检修标准作业流程及危险源 (588)3.2.2.9主排水集控系统检修标准作业流程及危险源 (590)3.2.3压风设备检修 (593)3.2.3.1压风机集控系统检修及保护装置试验标准作业流程及危险源 (593)3.2.3.2压风机电气系统检修标准作业流程及危险源 (595)3.2.3.3压风机机械检修标准作业流程及危险源 (599)3.2.3.4压风机房压风管路及闸阀检修标准作业流程及危险源 (601)3.2.3.5压风风包检修标准作业流程及危险源 (603)3.2.4主通风机检修 (605)3.2.4.1主通风机日常电气检修标准作业流程及危险源 (605)3.2.4.2主通风机日常机械检修标准作业流程及危险源 (607)3.2.4.3更换主通风机蝶阀标准作业流程及危险源 (609)3.2.4.4更换主通风机电机标准作业流程及危险源 (611)4、运输提升 (614)4.1运输 (614)4.1.1运输操作 (614)4.1.1.1巡视带式输送机机头储带仓游动小车标准化流程及危险源 (614)4.1.1.2停车操作标准化流程及危险源 (615)4.1.1.3清理带式输送机机头水煤标准化流程及危险源 (616)4.1.1.4起动操作准化流程及危险源 (617)4.1.1.5交接班标准化流程及危险源 (618)4.1.1.6机头喷雾装置开、停标准化流程及危险源 (620)4.1.1.7堆煤处理标准化流程及危险源 (621)4.1.1.8带式输送机巷浮煤清理标准化流程及危险源 (623)4.1.1.9带式输送机跑偏标准化流程及危险源 (624)4.1.2其他运输设备操作 (625)4.1.2.1铲板车、多功能车司机岗位作业流程及危险源 (625)4.1.2.2工程车车司机岗位作业流程及危险源 (631)4.1.2.3加油车司机岗位作业流程及危险源 (637)4.1.2.4吸污车司机岗位作业流程及危险源 (643)4.1.2.5装载机司机岗位作业流程及危险源 (648)4.1.3无轨胶轮车操作 (654)4.1.3.1胶轮车司机岗位作业流程及危险源 (654)4.1.4无轨胶轮人车 (659)4.1.4.1运送人车司机岗位作业流程及危险源 (659)4.1.5运输检修 (665)4.1.5.1刮板输送机机械检修 (665)4.1.5.2胶轮车机械检修 (667)4.1.6运输设备带式输送机机械检修 (674)4.1.6.1主运带式输送机给料机机械部分检修标准化流程及危险源 (674)4.1.6.2运行调试标准化流程及危险源 (676)4.1.6.3运行监护标准化流程及危险源 (678)4.1.6.4游动小车掉道处理标准化流程及危险源 (680)4.1.6.5胶带撕带处理标准化流程及危险源 (682)4.1.6.6带跑偏处理标准化流程及危险源 (684)4.1.6.7胶带卡接标准化流程及危险源 (685)4.1.6.8胶带带面冷补标准化流程及危险源 (687)4.1.6.9检修主运带式输送机张紧装置标准化流程及危险源 (689)4.1.6.10检修主运带式输送机联轴器标准化流程及危险源 (691)4.1.6.11检修主运带式输送机除铁器标准化流程及危险源 (693)4.1.6.12检修主运带式输送机安全保护标准化流程及危险源 (694)4.1.6.13破碎机机械及液压部分定期检查标准作业流程及危险源 (696)4.1.6.14更换转载机刮板、刮板压条、刮板螺栓标准作业流程及危险源 (698)4.1.6.15更换主运带式输送机主滚筒标准化流程及危险源 (700)4.1.6.16更换主运带式输送机张紧钢丝绳标准化流程及危险源 (703)4.1.6.17更换主运带式输送机液压马达标准化流程及危险源 (705)4.1.6.18更换主运带式输送机液压阀组标准化流程及危险源 (707)4.1.6.19更换主运带式输送机液压泵标准化流程及危险源 (709)4.1.6.20更换主运带式输送机卸载滚筒标标准化流程及危险源 (711)4.1.6.21更换主运带式输送机托辊标准化流程及危险源 (714)4.1.6.22更换主运带式输送机胶带标准化流程及危险源 (715)4.1.6.23更换主运带式输送机机尾滚筒标准化流程及危险源 (717)4.1.6.24更换主运带式输送机滚筒轴承标准化流程及危险源 (719)4.1.6.25更换主运带式输送机给料机甲带标准化流程及危险源 (721)4.1.6.26更换主运带式输送机电动机标准化流程及危险源 (723)4.1.6.27带式输送机带面检查标准化流程及危险源 (726)4.1.6.28安装溜煤斗标准化流程及危险源 (727)4.1.7运输设备带式输送机电气检修 (729)4.1.7.1高压隔爆配电装置定期检查检修标准作业流程及危险源 (729)4.1.7.2地面低压配电柜定期检修标准作业流程及危险源 (735)4.1.7.3地面10\6KV高压馈出柜检修标准作业流程及危险源 (741)4.1.7.4更换主运带式输送机给料机电机标准标准化流程及危险源 (748)4.1.7.5更换主运带式输送机变频器标准标准化流程及危险源 (750)4.1.7.6主运带式输送机钢丝绳胶带探伤标准标准化流程及危险源 (752)4.1.7.7检修主运带式输送机通讯装置标准标准化流程及危险源 (753)4.1.7.8检修主运带式输送机安全保护标准化流程及危险源 (756)4.2提升 (757)4.2.1提升操作 (757)4.2.1.1副立井信号把钩工正常提升标准化作业流程及危险源 (757)4.2.1.2副立井信号把钩工大件重载提升标准化作业流程及危险源 (760)4.2.1.3副立井信号把钩工交接班标准作业流程及危险源 (762)4.2.1.4副立井提升设备巡检标准作业流程及危险源 (763)4.2.1.5副立井提升机运行标准作业流程及危险 (765)4.2.1.6副立井提升机处理紧急停车标准作业流程及危险源 (768)4.2.1.7副立井提升机司机交接班标准作业流程及危险源 (770)4.2.2提升检修 (772)4.2.2.1副立井罐笼(箕斗)检修标准作业流程及危险源 (772)4.2.2.2副立井提升机机械检修标准作业流程及危险源 (775)4.2.2.3副立井井筒设备检修标准作业流程及危险源 (778)4.2.2.4副立井提升机电气检修标准作业流程及危险源 (781)4.2.2.5副立井提升机保护实验标准作业流程及危险源 (786)4.2.2.6副立井提升机信号检修标准作业流程及危险源 (788)5、一通三防 (790)5.1矿井通风 (790)。
大柳塔煤矿应急管理办法第一章总则第一条为规范和强化应急管理,保证事故发生时迅速、高效地开展事故救援工作,控制或消除事故,最大限度地减少人员伤亡、财产损失,依据《突发事件应对法》《生产安全事故应急预案管理办法》(国家安全监管总局令第88号)《中央企业应急管理暂行办法》《企业安全生产责任体系五落实五到位规定》《企业安全生产应急管理九条规定》、《神东公司应急管理办法》等有关法律法规、规定,制定本办法。
第二条矿建立“统一领导、综合协调、分类管理、分级负责、属地管理为主”的应急管理体制和“统一指挥、反应灵敏、功能齐全、协调有序、运转高效”的应急管理机制。
第三条应急管理是指对各类突发事件的预防与应急准备、监测与预警、应急处置与救援、事后恢复与重建等活动的全过程管理。
第四条应急管理所需资金应列入年度安全专项费用计划并据实列支,审计部门应按规定进行审计监督,保证专款专用。
第五条本办法适用于大柳塔煤矿(以下简称“矿”)及所属单位的日常应急管理工作。
第二章应急管理机构及职责第六条矿长是本单位应急管理工作第一责任人。
各级应急管理领导小组是本矿应急管理领导机构。
矿应急管理办公室是本矿应急管理办事机构。
各级业务部门、区队应在各自职责范围内,做好有关突发事件的应对工作,是本矿应急管理工作机构。
第七条矿成立以矿长为组长,矿领导班子成员为副组长,副总工程师、职能部门和区队主要负责人为成员的应急管理领导小组,全面负责矿应急管理工作。
主要职责:(一)统一领导矿应急管理工作,定期召开工作例会,研究、决定、部署应急管理工作,组织突发事件的预防和应急处置。
(二)组织审核矿应急预案,督促职能部门应急预案的制定完善工作。
(三)负责应急管理培训、应急预案演练工作。
(四)组建应急救援队伍,配备救援器材和装备。
根据突发事件的严重程度,决定启动或终止矿突发事件应急响应。
(五)接受政府、本公司指令和调动,指挥、调度矿应急力量参加社会救援。
(六)负责突发事件上报和应急救援实施情况的通报。
神东煤炭集团大柳塔煤矿文件神东大矿〔2012〕9号大柳塔煤矿员工不安全行为管理办法为全面推进本质安全型矿井建设,消除隐患,加大对“不安全行为”人员的管控,减少或杜绝不安全行为的发生,引导和教育员工形成良好的行为习惯,控制各类事故,保障职工利益,促进矿井人员行为安全管理逐步规范、有效、完善,特制定本办法。
第一条不安全行为分级管理标准参考本安体系有关划分标准,按照不安全行为的特点、事故后果和情节轻重将不安全行为分为五级,即特别重大、重大、中等、一般、低,依据此分类标准制定《大柳塔煤矿员工不安全行为分级办法》(附件一)和《大柳塔煤矿员工不安全行为分级管理标准》(附件二),作为学习、对照排查的依据。
第二条不安全行为管理原则坚持以区队自查为主,矿领导检查、机关检查和安监检查为辅助,致—1 —力于加强区队内部管控,促进班组建设和强化班组长责任的落实。
第三条不安全行为分级处罚规定(一)凡有符合《大柳塔煤矿员工不安全行为分级管理标准》中规定的特别重大不安全行为,依据追查报告定性,责任人处罚2000元,责任涉及管理干部者,直接责任队干处罚1000元,当班班长依据责任范围处罚500元,情节严重时按《安全问责制》或参考《安全责任状》处理,举报者奖励1000元。
(二)凡有符合《大柳塔煤矿员工不安全行为分级管理标准》中规定的重大不安全行为者,责任人处罚1000元。
责任涉及管理干部者,跟班队干处罚500元,当班班长依据责任范围处罚500元,举报者奖励500元。
(三)凡有符合《大柳塔煤矿员工不安全行为分级管理标准》中规定的中等不安全行为者,责任人处罚500元,跟班队长处罚200元。
当班班长依据责任范围处罚200元。
举报者奖励300元。
(四)凡有符合《大柳塔煤矿员工不安全行为分级管理标准》中规定的一般不安全行为者,责任人处罚200元,跟班队长处罚100元。
当班班长依据责任范围处罚100元。
(五)凡有符合《大柳塔煤矿员工不安全行为分级管理标准》中规定的低等级不安全行为者,责任人处罚100元,单位管理责任人处罚50元。
本质安全管理体系风险管理手册SDDLT-ES-C-2013-01-Ⅰ/ O 中国神华神东煤炭分公司大柳塔煤矿二零一三年一月编 制 说明为了有效控制煤矿事故的发生,广大员工通过对本单位在生产活动和生产系统中存在或潜在的风险进行评估,辨识出危险源,制定相应措施对其进行消除、减少、控制,以实现煤矿人-机-环-管系统的 最佳匹配,在年度基准风险和持续风险评估的基础上,1 月份组织了风险源全面再辨识,形成本《风险管理手册》。
本手册主要包含风险概述、工作任务风险管理、煤矿系统评估、煤矿重大危险源评估、危险源监测、预警、控制、升降级管理等内容。
风险管理主要运用工作任务分析法和事故机理分析法对危险源进行辨识,确定危险源可能产生的风险及其后果,对危险源进行分级分类,监测预警和控制,预防事故的发生。
按照工作任务分析法辨识危险源,首先以清单的形式列出本单位所有的工作任务及每项任务的具体工序,辩识出煤矿现有工作条件下所有工作任务中存在或潜在的人、机、环、管四类危险源。
利用风 险矩阵法对危险源进行分析,确定危险源的风险值(风险值=事故发生的可能性×事故可能造成的损失)并将风险划分为 5 个等级。
对已辨识出的危险源进行定期、动态和实时监测,根据危险源的风险等 级和实际发生频率按照 5 个预警等级进行预警,对风险进行有效控制。
同时根据监测结果对危险源进行再次评价,并对危险源进行增减与升降级调整,从而实现矿井风险的闭环管理。
运用事故机理分析法对煤矿常见 8 类事故进行事故机理分析,分析出引起事故的直接原因和间接原因,找出控制事故的关键因素及环节,制定相应的管理措施或应急预案,切断事故发生的因果链,达 到控制事故发生的目的。
事故机理分析法和系统评估是对工作任务分析法风险评估的补充完善。
目录1 矿井风险管理组织结构 ----------------------------------------------------------------------------------------------------------------------------------------------------------------------------------- - 0 1.1 风险管理小组 -------------------------------------------------------------------------------------------------------------------------------------------------------------------------------------------- - 0 1.2 风险管理小组职责 ---------------------------------------------------------------------------------------------------------------------------------------------------------------------------------------- - 0 1.3 《风险管理手册》审核签字 -------------------------------------------------------------------------------------------------------------------------------------------------------------------------------- - 0 -2 大柳塔煤矿风险概述 ------------------------------------------------------------------------------------------------------------------------------------------------------------------------------------- - 1 2.1 危险源分类统计图表 --------------------------------------------------------------------------------------------------------------------------------------------------------------------------------------- - 4 2.2 工作任务清单--------------------------------------------------------------------------------------------------------------------------------------------------------------------------------------------- - 5 2.3 风险管理流程图------------------------------------------------------------------------------------------------------------------------------------------------------------------------------------------- - 8 -3 大柳塔煤矿工作任务风险管理 -----------------------------------------------------------------------------------------------------------------------------------------------------------------错误!未定义书签。
【关键字】管理本质安全管理体系管理手册SDDLT-ES-A-2007-Ⅰ/0中国神华神东煤炭分公司大柳塔煤矿编审委员会主任:刘晋冀副主任:栗建平梁云峰马飞郭春锋王泽民李海辛同军陈苏社张更业王泰基侯大海委员: 常虎山赵文明董丽玲丁红杰张惠泉杨宏飞惠学齐李飞郝永录刘志军张建党王贵林执行主编: 李海编辑: 常虎山李亚军关木立王松吕淑华肖延杨飞阮传金吴勇宏李小强杨波吕晓明郑亮吴青刚王海军杨金楼田彦文谢荣薛刚张旸杨建峰肖华明孙学政卢彦武孙胜利王治国张军武晓琴王艳红杨金丽前言为进一步提升大柳塔煤矿管理水平,使矿井健康、持续稳定发展,实现本质安全生产,建立涵盖本矿生产管理全过程的本质安全管理体系。
本质安全管理以风险预控为核心,以PDCA管理为模式,体现了全员参与、持续改进的特点,要求在生产过程中做到人员无失误、设备无故障、系统无缺陷、管理无漏洞,切断事故发生的因果链,达到人员、机器设备、环境、管理的本质安全。
体系主要包括:煤矿本质安全风险管理、人员担心全行为控制与管理、保障管理、要素管理、辅助管理等方面的内容。
同时依据《煤矿本质安全管理建设实施指南》要求,编制了大柳塔煤矿本质安全管理体系文件,包括《管理手册》、《程序文件》、《考核评分标准》、《风险管理手册》、《风险管理标准与管理措施》、《员工担心全行为管理手册》、《管理制度汇编》(补充版)、《安全文化建设实施手册》。
《管理手册》确定了管理方针,描述了本质安全管理体系涉及的过程及其相互关系,展示了管理体系的框架,明确了矿内各层次不同部门、单位和不同岗位的职责和权限,该手册是我矿本质安全管理体系的纲领性文件,适合矿管理层人员使用。
《程序文件》包含48个管理程序,各个管理程序以PDCA的方法建立,符合实际运作的要求,规定了相应过程控制的目的、适用范围、职责、控制内容、方法和步骤,保证各个过程功能的实现。
《程序文件》是《管理手册》的支持性文件,适合矿属单位(部门)和相关单位、岗位和人员对各项事务的管理和运行控制。
收稿日期:2016-09-01作者简介:白正平(1985—),男,陕西神木人,2008年毕业于中国矿业大学安全工程专业,工程师,现任神东煤炭集团公司大柳塔煤矿连采三队队长。
“五个特殊”风险预控管理法在大柳塔煤矿的应用白正平(神华神东煤炭集团有限责任公司大柳塔煤矿,陕西神木719315)摘要:以大柳塔煤矿连采队为例,运用“五个特殊”风险预控管理法,将日常管理项目进行了梳理、筛选和归类,阐述了特殊人员、特殊时段、特殊环节、特殊部位和特殊条件的主要风险及对应的风险预控措施,明确了连采队安全管理的重点,对煤矿生产实践活动具有很好的指导作用。
关键词:五个特殊;风险预控;安全管理中图分类号:F279文献标识码:B文章编号:1671-749X (2016)05'-0139-05Application of “five specials ”risk managementmethod in Daliuta coal mineBAI Zheng-ping(Daliuta Coal Mine ,Shenhua Shendong Coal Group Co.,Ltd.,Shenmu 719300,China )Abstract :Taking the continuous mining machine team as an example ,based on the "five specials"risk management meth-od ,by the analysis of the daily management projects ,the main risks and risk pre-control measures about special personnel ,special periods ,special links ,special parts and special conditions of the daily management were summarized and the key points of safety management for the continuous mining machine team were cleared.The management method has a good guiding function to the coal mine production practice.Key words :five specials ;risk pre-control ;safety management0引言煤矿生产安全管理是一项复杂的系统工程,需要人、机、环、管在时间和空间上的相互匹配和补位。
本质安全管理体系风险管理手册SDDLT-ES-C-2013-01-Ⅰ/ O中国神华神东煤炭分公司大柳塔煤矿 二零一三年一月编 制 说明为了有效控制煤矿事故的发生,广大员工通过对本单位在生产活动和生产系统中存在或潜在的风险进行评估,辨识出危险源,制定相应措施对其进行消除、减少、控制,以实现煤矿人-机-环-管系统的 最佳匹配,在年度基准风险和持续风险评估的基础上,1 月份组织了风险源全面再辨识,形成本《风险管理手册》。
本手册主要包含风险概述、工作任务风险管理、煤矿系统评估、煤矿重大危险源评估、危险源监测、预警、控制、升降级管理等内容。
风险管理主要运用工作任务分析法和事故机理分析法对危险源进行辨识,确定危险源可能产生的风险及其后果,对危险源进行分级分类,监测预警和控制,预防事故的发生。
按照工作任务分析法辨识危险源,首先以清单的形式列出本单位所有的工作任务及每项任务的具体工序,辩识出煤矿现有工作条件下所有工作任务中存在或潜在的人、机、环、管四类危险源。
利用风 险矩阵法对危险源进行分析,确定危险源的风险值(风险值=事故发生的可能性×事故可能造成的损失)并将风险划分为 5 个等级。
对已辨识出的危险源进行定期、动态和实时监测,根据危险源的风险等级 和实际发生频率按照 5 个预警等级进行预警,对风险进行有效控制。
同时根据监测结果对危险源进行再次评价,并对危险源进行增减与升降级调整,从而实现矿井风险的闭环管理。
运用事故机理分析法对煤矿常见 8 类事故进行事故机理分析,分析出引起事故的直接原因和间接原因,找出控制事故的关键因素及环节,制定相应的管理措施或应急预案,切断事故发生的因果链,达 到控制事故发生的目的。
事故机理分析法和系统评估是对工作任务分析法风险评估的补充完善。
目录1 矿井风险管理组织结构1.1 风险管理小组组 长:罗 文 副组长:胡养年 成 员:汪腾蛟 王永军 张小龙 秦 琳 陈苏社 李建军 姜 敬 张登山 彭海兵 高登云 冯晓斌 刘玉峰 刘永康 薛 刚 董志超 孙琪钰 石盘东 丁红杰 金旭东 王振东 李小强 常虎山 王兴锋王国靖 郝永录 姚克滨 吕晓明 呼绿雄 王海军 李 涛 薛占军 曹英利 刘建忠 孙延彬 郝晓东 汪海滨 杨建峰 房占峰 刘武卫 孙洪亮 白正平 李亚军 张宏杰 王永忠 范锦华 杨维生 魏 兵 李光荣 张永华 菅喜平 韩元杰1.2 风险管理小组职责组 长:负责组织对《风险管理手册》、《管理标准和管理措施》进行审批。
副组长:负责组织对《风险管理手册》、《管理标准和管理措施》进行审核。
成 员:负责组织大柳塔煤矿各单位、各部门对生产过程中的危险源进行辨识、分级分类,并制定管理标准与管理措施及危险源监测、预警和控制办法。
负责组织各单位、各部门和承包商对本单位员工进行管理标准与管理措施相关知识培训。
负责组织相关部门进行危险源监测、预警和控制,对各单位、各部门管理标准和措施的执行情况进行监督、考核。
每年年初组织各单位、各部门和承包商对危险源进行全面辨识、评价,并对危险源的增减和升降级进行动态管理。
负责组织各单位、各部门和承包商对管理标准和管理措施进行动态和年度更新。
1.3 《风险管理手册》审核签字评审负责人评审时间1 月 25 日评审方式会议评审评审地点三楼会议室审核日期1 月 25 日批准日期1 月 25 日评审目的通过对所辨识出的矿井在生产活动和服务过程中存在的“人-机-环”危险源是否全面、风险值是否准确,以及制定的管理标准和措施是否有效进行审定,以有效地减小和控制各类风险, 达到事故率最低、损失最小的目的。
评审内容《大柳塔煤矿风险管理手册》(2013 版)《大柳塔煤矿风险管理表》2013 版参 加 评 审 人 员2 大柳塔煤矿风险概述大柳塔煤矿是中国神华神东煤炭分公司大型骨干矿井之一,在生产和服务过程中可能存在不同程度的“人-机-环-管”隐患,如果隐患一旦失控,将会造成一定的损失。
通过风险评估,全面辨识出煤 矿生产活动中各类危险源,明确危险源可能产生的风险及其后果,对危险源进行分级分类、监测预警,执行相应措施,实现以最小投入将重大风险最小化,预防事故的发生。
大柳塔煤矿风险管理小组组织各单位/部门运用工作任务分析法及事故机理分析法,对全矿生产系统和辅助系统工作地点的任务进行了危险源辨识及风险分级分类。
全矿工作任务中,有 310 项存在风 险,可能出现的危险源共有 3298 个,利用“矩阵法”(风险矩阵表如下)从“人-机-环-管”方面对风险进行分级分类和排序,其中重大风险任务 56 项、中等风险任务 195 项、一般风险任务 59 项(见大 柳塔煤矿工作任务风险等级统计图表)。
人员方面的危险源有 2549 个,机器设备方面的危险源有 488 个,环境方面的危险源有 185 个,管理方面的危险源有 76 个(见大柳塔煤矿危险源分类统计图、表)。
风险矩阵表一般风 险 (Ⅱ 级)风险 矩阵65 4 32低风险(Ⅰ级)1中等风险 (Ⅲ级) 12 10 8 6 42重大风险 (Ⅳ级)1824152012169126834特别重大风险 (Ⅴ级)3036253020241518101256有效类别 A赋值损失人员伤害程度及范围由于伤害估算的损失 (元)6 多人死亡500 万以上B5 一人死亡100 万到 500 万之间C4 多人受严重伤害10 万到 100 万D3 一人受严重伤害1 万到 10 万一人受到伤害,需要急救;E2 或多人受轻微伤害2000 到 1 万F1 一人受轻微伤害0 到 2000L 1 不可能K 2 很少J 3 低可能I 4 可能发生H 5 能发生G 6 时有发生有效类别 赋值发生的可能性估计从不发 生10 年 以 上 可能发生一 次10 年内可 能发生一 次5 年内可能 发生一次每年可能发 生一次1 年内能发 生 10 次或 以上发生可能性的衡量 (发生频率)1/100 年1/40 年1/10 年1/5 年1/1 年≥10/1 年发生频率量化风险值 30-36 18-259-16 3-8 1-2风险等级划分 风险等级 特别重大风险 重大风险中等风险 一般风险 低风险备注 Ⅴ级 Ⅳ级Ⅲ级 Ⅱ级 Ⅰ级2.1 危险源分类统计图表大柳塔煤矿危险源分类统计表序号分类 单位人1 通用类189机环管4116 112 综采队6801505933 连采队5006538 04 运转队27630605 机电队2171710 46 通风队2132716 07车队1591281878 小机厂1012109 准备类1492011 110 管理类65810 50合计2549488 185 76合计 257 892 603 312 248 256 312 104 181 133 32982.2 工作任务清单2.2.1 重大风险任务清单序号 1 2 3 4 5 6 7 8 9 10 111213 14 15 16 17重大风险任务清单(Ⅳ级风险 18~25)——56 项任务名称风险值 序号任务名称割煤2429 使用快速掘进连采机割煤连采机复杂区域掘进2430 快速掘进连采机检修电气设备检修2031 快速掘进连采机在空顶下故障停机工作面过特殊地段2032 移动变电站停电两巷超前支护2033 高低压电缆敷设与电气设备连接设备列车管理2034 更换 CST单轨吊的拆、安2035 操作和检查破碎机运行三机检修2036 皮带接头巡检和日常维护支架检修2037 更换胶带机减速器采煤机检修2038 车辆运行管理更换采煤机行走箱2039 装载机运行更换转载机刮板链2040综采工作面上隅角一氧化碳超限处 理拉移变2041 瓦斯(风)电闭锁试验监护转载机运行2042 生产现场评估及检查处理支架倒架2043 电气焊作业处理大采高片帮煤2044 爆破作业连采机割煤2045 更换采煤机滚筒及摇臂、滚筒油封风险值 20 20 20 20 20 20 20 20 20 20 202020 18 18 18 182.2.2 中等风险任务清单:序号 1 2 3 4 5 6 7 8 9 10 11 12 13 14 15 16 17 18 19 20 21 22 23 24 25任务名称 起吊作业 空压机的使用与移动 生产前的准备工作 开机前的准备工作 端头单体回撤 更换转载机机尾链轮 控制台操作 工作面初次来压 探底煤 刮板输送机运行 安装、延伸连采工作面胶带输送机 梭车检修 连采设备搬家倒面 主要通风机切换运行 车辆接送人员 车辆运送货物 检查车辆电路、电气系统 牵引车辆 采空区排矸 车辆运送火工品 密闭砌筑 钻孔放水 锚索支护 喷浆支护 “一通三防”检查18 使用遥控器操作连采机2046 运煤车运煤1819 回采2047 27 型连采机割煤1820处理连采机在空顶下故障停 机2048 主通风机检修1821 梭车运煤2049 主通风机启动1822 给料破碎机运行2050 焊接煤仓漏斗1823 连采机检修2051 上隅角瓦斯日常管理1824 行走液压支架运行2052 综采工作面上隅角瓦斯超限处理1825 行走液压支架检修2053 通风设施设检查维护1826 变电所停电作业2054 操作规程的编写与落实1827 变电所送电作业2055 作业规程的编写与落实1828 变电所检修2056 设备整机通电试验18风险 值 16 16 16 16 16 16 16 16 16 16 16 16 16 16 16 16 16 16 16 16 16 16 16 16 16序号 66 67 68 69 70 71 72 73 74 75 76 77 78 79 80 81 82 83 84 85 86 87 88 89 90中等风险任务清单(Ⅲ级风险 9~16)——195 项任务名称 处理溜槽内的大块煤 处理支架压死 处理电缆漏电 摇测绝缘 安装开关 低采高工作面人员在架前行走 采煤机电缆掉向 综采机尾顶板破碎防治 综采工作面消防、通讯、监测设备的配置 连采机开机前准备工作 掘进支巷 锚杆机检修 铲车检修 运煤车检修 连采工作面给料破碎机检修 连采工作面电气设备检修 连采工作面胶带输送机检修 连采工作面供电 组合移变 连采工作面通风 供排水管路安装 供排水管路回收 主排水泵排水 主要通风机机械部分检修 井下电气设备的安装风险值 12 12 12 12 12 12 12 12 12 12 12 12 12 12 12 12 12 12 12 12 12 12 12 12 12序号 131 132 133 134 135 136 137 138 139 140 141 142 143 144 145 146 147 148 149 150 151 152 153 154 155任务名称 皮带件、水管的拆除 处理架前大块煤 安装风门 安装隔爆水袋 打风障 拆密闭 机(车)载断电仪的调校 防灭火 旺采工作面采空区及盲巷管理 搅拌混凝土 管路拆装 两帮支护 顶板离层仪的安设 管理评审 安全技术措施的制定与落实 安全生产管理制度制定与落实 “一通三防”管理 外委工程验收检查 生产调度 集中控制 综合自动化及安全监测、监控 天车吊装 叉车运输 接风水管 使用风镐施工水窝风险值 12 12 12 12 12 12 12 12 12 12 12 12 12 12 12 12 12 12 12 12 12 12 12 10 102.2.3 一般风险任务清单:2.2.4 通过评估,重大等级的风险主要有以下几个方面:(1)“一通三防”管理方面,密闭的管理、连采贯通时的管理及尾巷局部通风管理;(2)综采工作面初次放顶、割煤、超前支护及检修等作业;(3)连采工作面割煤、设备检修、运煤路线上人机协调情况。