锅炉炉膛安全监控系统(FSSS)调试方案
- 格式:pdf
- 大小:186.49 KB
- 文档页数:10
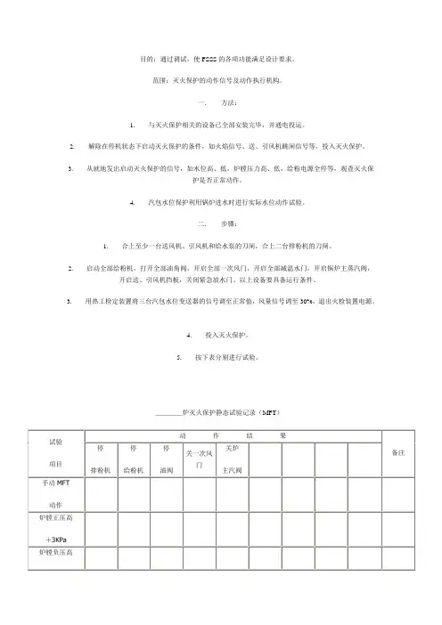
目的:通过调试,使FSSS的各项功能满足设计要求。
范围:灭火保护的动作信号及动作执行机构。
一.方法:
1. 与灭火保护相关的设备已全部安装完毕,并通电投运。
2. 解除在停机状态下启动灭火保护的条件,如火焰信号、送、引风机跳闸信号等,投入灭火保护。
3. 从就地发出启动灭火保护的信号,如水位高、低,炉膛压力高、低,给粉电源全停等,观查灭火保
护是否正常动作。
4. 汽包水位保护利用锅炉进水时进行实际水位动作试验。
二.步骤:
1. 合上至少一台送风机、引风机和给水泵的刀闸,合上二台排粉机的刀闸。
2. 启动全部给粉机,打开全部油角阀,开启全部一次风门,开启全部减温水门,开启锅炉主蒸汽阀,
开启送、引风机挡板,关闭紧急放水门。
以上设备要具备运行条件。
3. 用热工检定装置将三台汽包水位变送器的信号调至正常值,风量信号调至30%,退出火检装置电源。
4. 投入灭火保护。
5. 按下表分别进行试验。
____炉灭火保护静态试验记录(MFT)
试验人员:监理:
2003年月日____炉联锁保护静态试验记录
试验人员:监理:
2003年月日
____炉联锁保护静态试验记录
试验人员:监理:
2003年月日
____炉联锁保护静态试验记录
试验人员:监理:
2003年月日____炉联锁保护静态试验记录
试验人员:监理:
2003年月日。
方案编号:JLQR1-HHTS-JL-A07C-K1-010文件编号:Q/501-108.TS301- JL-K1-2013调试技术文件项目名称:玖龙纸业(泉州)有限公司热电一期工程(1号机组)FSSS系统调试方案玖龙纸业(泉州)热电调试项目编写湖南省火电建设公司调试所二0一三年五月编写:审核:批准:目录1. 调试目的 (1)2. 系统概述 (1)3. 技术标准和规程规范 (2)4. 调试应具备的条件 (2)5. 调试采用的仪器 (2)6. 调试范围、步骤及方法 (2)7. 质量控制点 (9)8. 环境、职业健康、安全风险因素识别和控制措施 (9)9. 安全措施 (9)10. 组织措施 (9)玖龙纸业(泉州)有限公司热电一期工程1号机组FSSS系统调试方案1 调试目的FSSS系统调试的目的:依据《火力发电建设工程启动试运及验收规程》(DL/T 5437-2009)的规定和要求,通过调试确保FSSS系统I/O信号接线正确,MFT回路动作正确;确保FSSS系统逻辑组态正确,画面组态正确,并能满足机组运行要求;确认FSSS系统一次元件检测准确、可靠,执行机构动作正确,状态反馈正常;确保火检系统动作正常。
2 系统概述2.1 主机概述玖龙纸业(泉州)有限公司热电一期工程1号机组锅炉为东方锅炉股份有限公司生产的DG380/12.6-Ⅱ1型为超高压参数、单汽包自然循环、汽冷式旋风分离、非机械式U阀回料装置、水冷风室、全钢构架悬吊结构、循环流化床燃烧方式、半露天布置。
烟风系统为平衡通风方式系统,压力平衡点位于炉膛出口。
设2台单吸离心式送风机,2台离心式引风机,2台单吸离心式一次风机。
本锅炉采用二级点火系统,即用高能电弧点火器先点燃天燃气,再用天燃气火炬点燃煤粉。
本汽轮机是南京汽轮电机(集团)有限责任公司生产的C70-12.2/0.785型,为超高压、单缸、单轴、单抽凝汽式汽轮机,汽缸前部(调节级以及弟1至5级)为双层结构,之后为单层缸结构。
XX造纸集团有限公司环保迁建二期工程废渣综合利用动力车间工程机组FSSS调试方案工作人员:XXX编写人员:XXX审核:XXX批准:XXXXX电力建设第二工程公司二○一三年十月摘要本方案依据火电工程启动调试工作规定及机组调试合同的要求,主要针对XX造纸集团有限公司环保迁建二期工程废渣综合利用动力车间工程1×350t/h+1×50MW机组启动调试工作提出具体方案。
依据相关规定,结合本工程具体情况,给出了机组FSSS调试需要具备的条件、调试程序、注意事项等相关技术方案。
关键词:机组;FSSS调试;技术方案目录一、前言 (4)二、调试方案编制依据 (4)三、调试范围 (4)四、目标、指标 (4)五、组织与分工 (5)六、调试应具备的条件 (5)七、调试使用的仪器、工具 (5)八、FSSS系统概述 (5)九、分系统试运 (6)十、机组整套启动 (10)十一、系统投入及注意事项 (10)附录1机组FSSS调试指挥系统和组织方案 (11)附录2机组FSSS调试安全方案与应急预案 (12)附录3机组FSSS调试方案交底记录 (13)一、前言FSSS(锅炉安全监视系统)是DCS系统的一个子系统,它实现了双重功能。
当锅炉正常运行时实现锅炉的燃烧管理,如炉膛吹扫,燃料泄漏试验,油枪的切投,给煤机切投等等。
当锅炉发生诸如灭火等危及锅炉安全的故障时能自动跳闸停炉,而且在故障发生前出现各种不安全因素时能及时的报警,停炉后可以进行跳闸首出记忆,SOE事故追忆,打印出停炉原因、MFT动作时间及过程故障原因。
为作好调试工作,使该系统在锅炉正常运行和发生故障时,能够正确完成该系统的功能,明确各单位之间的协作关系,特制订本调试方案,实现保护、联锁等设计功能,满足机组安全、经济运行的需要。
试运期间主要保护投入率为100%。
二、调试方案编制依据2.1《火力发电厂基本建设工程启动和竣工验收规程(2009年版)》2.2《火电工程调整试运质量检验及评定标准》(2006年版)2.3《火电施工质量检验及评定标准(试行)》2.4《火电工程启动调试规定》及附件(1996年版)(电力工业部建质[1996]40号文)2.5《火电机组热工自动投入率统计方法》2.6《电力建设施工及验收技术规范》(第5部分:热工仪表及控制装置篇)(SDJ5190.5-2004)2.7《火电机组达标投产考核标准(2001年版)》(国家电力公司电源建设部[2001]218号文)2.8《电力基本建设工程质量监督规定》2.9《火力发电厂热工仪表及控制装置监督条例》2.10设计院图纸及说明2.11厂家提供的FSSS系统技术资料三、调试范围3.1 完成FSSS系统机柜内的调试工作,配合安装、设备生产厂家完成机柜的上电复原工作,协助厂家进行软硬件恢复工作;3.2 在机组试运各个阶段,投入FSSS系统相应子系统及整套FSSS系统;3.3 在机组试运各个阶段,完成FSSS系统相应的试验工作;四、目标、指标使FSSS符合《火电工程调整试运质量检验及评定标准》(2006年版)中有关系统及设备的各项质量标准要求,全部检验项目合格率100%,优良率90%以上,满足机组整套启动要求。
某电厂#1机组炉膛安全监控系统调试中遇到的问题及其解决方法1 概述某火力电厂#1机组的炉膛安全监控系统是以瑞士ABB公司提供的分散控制系统PROCONTROL-P为中心的程序控制系统。
其功能可分为两大部分:炉膛安全保护系统(FURNACE SAFEGUARD SUPERVISORY SYSTEM,即FSSS)和燃烧器管理控制系统(BURNER MANAGEMENT SYSTEM,即BMS)。
FSSS的功能是:在锅炉运行的各个阶段启停过程中预防在炉膛和其它任何部位形成可燃物质的积留,并监视锅炉、汽机及发电机的运行状况,在发生对设备及人身有危险情况时产生主燃料跳闸(MFT),防止炉膛爆燃,保护锅炉的安全运行;BMS的功能是:对燃烧器进行连续的监测和程序控制,同时提供状态信号到协调控制系统厂级计算机和报警系统。
2 炉膛安全监控系统调试过程中遇到的问题及其处理在#1机组BMS和FSSS的调试过程中,遇到了许多与实际运行需要不一致、相抵触甚至影响系统安全运行的设计问题。
在既满足控制要求,又保证设备安全的前提下,我们做了许多必要的程序修改,使控制系统与现场设备很好的结合起来,达到了预定的控制要求并满足机组安全、经济运行的要求。
2.1 FSSS调试中遇到的问题及其处理2.1.1 增加MFT首出记忆的程序MFT的跳闸条件有20多条,由于原设计中没有首出逻辑,当发生MFT时,要查出产生MFT的真正原因很困难。
为此,我们设计了MFT首出逻辑,在发生MFT的时候,能够及时、正确地找出导致MFT的真正原因,为分析跳闸原因提供了有力的证据。
2.1.2 全炉膛灭火程序的修改原全炉膛灭火逻辑见图1。
存在的问题:①炉膛吹扫后,点第一只油枪,若火焰稍有波动,则发生MFT,吹扫8分钟;②在吹管过程中发现,蒸汽流量很容易达到220t/h,而此时高温探针所提供的炉膛温度远未达到1200℃,因此造成了数次MFT。
“&”是与门,“≥”是或门,“ESV”是延时接通模块图1 原全炉膛灭火逻辑其设计思想是:低负荷时,监视油火检或给粉机运行信号;高负荷时,不仅要有油火检或给粉机运行信号而且要炉膛温度达到一定值。
锅炉炉膛安全监控系统(FSSS)规程1 FSSS简介1.1 Furnace Safeuard Supervisorg System 缩写为FSSS即锅炉炉膛安全监控系统,其用途(功能)如下:1.1.1 自动地对锅炉启动阶段的安全条件进行确认;1.1.2 自动地控制燃油系统的启停及油燃烧器的投入和退出(本司指油角电磁阀开与关);1.1.3 自动地控制制粉系统和燃煤燃烧器的投入和退出(指能否投入与自动跳闸);1.1.4 当锅炉的主机或辅机出现故障时,系统将自动地、有选择地按照一定的时间顺序控制燃烧器(指能否投入与自动跳闸),保证锅炉的稳定;1.1.5 其宗旨是防止锅炉在启动前、运行中、停炉后在炉膛中积聚可燃性气体和可燃物,在锅炉事故灭火的瞬间以及危及炉墙安全的炉膛压力超限或重要辅机故障时,发出保护动作信号,及时切断一切燃料,使锅炉本体进入安全状态;1.2 MHB-2/A型FSSS的主要功能:a.炉膛清扫;b.火焰检测;c.主燃料跳闸;d.跳闸原因记忆;e.模拟;f.报警。
1.3 系统的组成:a.运行人员控制盘(操作板);b.逻辑屏;c.火检屏;d.冷却风系统;e.检测元件;f.就地执行器;g.预制电缆。
1.4 冷却风系统冷却风系统由风机、管路、电机与控制操作系统组成,它的作用是冷却高温检测元件不被烧坏(火检探头),从而保证检测的可靠性与准确性。
当风机联锁与低风压保护投入时,停止运行风机,备用风机自启动;系统风压低于2000Pa,备用风机自启动。
控制系统有操作板上控制与就地屏控两组。
1.5 运行人员控制盘(操作板)操作板由FSSS保护切换开关;首次跳闸原因光字牌;各层各角火焰检测光字牌;冷却风机启、停光字牌及其启、停按钮键;清扫条件光字牌及启动清扫计时按钮键;两个手动“MFT”按钮键组成。
如示意图:首次跳闸原因 清扫条件送风机 均 停 引风机 均 停 汽 包 水位高 汽 包 水位低 炉 膛 压力高 风 量 >30% 跳 闸 阀 关 二次风 门未关 油角阀 均关炉 膛 压力低 炉 膛全灭火 失 去 燃 料 危 急 停 炉三次风 门关闭 角二次 风门未关有送风机运行 有引风机运行C 层有火 1 4 C 层无火 2 3M 层有火1 4 ← MFT MFT2 3 风机A 风机BMHN —2A 型FSSS 控盘1.5.1 MFT (英文缩写,意为主燃料被切断)。
南通热电有限公司4#炉扩建工程热控分系统调试措施(锅炉安全监视系统FSSS)电力工程有限公司二零一0年一月编制单位:文件编号:项目负责人:工作人员:会审单位:批准单位:南通热电有限公司4#炉扩建工程热控分系统调试措施(锅炉安全监视系统FSSS)会签单调试说明本措施于年月日经建设单位、安装公司、监理公司、调试公司有关专业人员讨论修改和通过。
编写:审核:批准:目录1、编制依据 (6)2、调试目的 (6)3、调试对象及范围 (6)4、调试方法和流程 (7)5、调试前应具备的条件及准备工作 (8)6、安全技术要求 (9)7、危险源辩识、防范 (9)8、试验仪器仪表 (9)9、组织分工 (9)10、调试验评标准 (10)1、编制依据1.1 《火电工程启动调试工作规定》;1.2 《火力发电建设工程启动试运及验收规程》;1.3 GB/T1000-ISO9000《质量管理和质量保证》系列标准;1.4 《火力发电厂分散控制系统技术规范书》(G-RK-95-51);1.5 《火电工程调整试运质量检验及评定标准》(1996版);1.6 《火电施工质量检验及评定标准(试行)》第六篇热工仪表及控制装置篇,第十一篇调整试运篇;1.7 《电力建设及施工验收技术规范》热工仪表及控制装置篇(SDJ279-90);1.8 《火力发电厂计算机监视系统设计技术规定(试行)》(NDGJ91-89);1.9 能源部基工(1992)90号《火力发电厂电子计算机监视系统在线验收测试暂行规定(试行)》;1.10 《计算机场地技术要求》(GB9361-88);1.11 南京科远提供的FSSS系统逻辑图;1.12 南京科远提供的分散控制系统技术说明书;1.13 有关设计图纸、资料(包括设计修改);1.14 锅炉厂提供的锅炉说明书2、调试目的通过对系统硬件、逻辑设计及组态的检查,对系统受控设备的调试,使FSSS系统在机组运行期间能及时投用,以确保机组安全、正常地运行。
塔吉克斯坦2×50MW机组FSSS功能设计说明书一、概述FSSS(Furnace Safeguard Supervisory System),锅炉炉膛安全监控系统。
它是现代大型火电机组锅炉必须具备的一种监控系统,它能在锅炉正常工作和启停等各种运行方式下,连续密切监视燃烧系统的大量参数与状态,不断进行逻辑判断和运算,必要时发出动作指令,通过种种连锁装置,使燃烧设备中的有关部件严格按照既定的合理程序完成必要的操作或处理未遂事故,以保证锅炉燃烧系统的安全。
炉膛安全监控系统一般分为两个部分,即燃烧器控制BCS(Burner Control System)和燃料安全控制FSS(Fuel Safety System)。
燃烧器控制系统的主要功能是对锅炉燃烧系统设备进行监视和顺序控制,保证点火器、气枪和磨煤机系统的安全启动、停止、运行。
燃料安全系统的功能是在锅炉点火前和跳闸、停炉后对炉膛进行吹扫、防止可燃物在炉膛积存,在监测到危及设备、人身安全的工况时,启动MFT,迅速切断燃料,紧急停炉。
本FSSS系统主要功能包括:1、炉膛吹扫;2、天然气泄露试验;3、锅炉安全灭火(MFT);4、炉膛火焰检测;5、燃气燃烧器控制;6、煤燃烧器控制;1、炉膛吹扫1.1概述在炉膛吹扫完成之前应阻止任何燃烧设备的启动。
它分为:点火前吹扫和跳闸后吹扫。
点火前吹扫是为点火做好准备,使点火时的能量不会点燃残余燃料,以产生不可控制的爆炸。
跳闸后吹扫是及时排除高温炉膛内的燃烧物,防止爆炸。
需要说明的是:炉膛吹扫不是通过FSSS进行的,而是通过其它的系统(如MCS、SCS部分)进行的。
FSSS只是对满足条件下的吹扫计时,监视并确认吹扫是否完成。
1.2吹扫条件(以下条件为与的关系)●MFT条件不存在●天然气母管燃气关断阀关闭,燃气点火关断阀关闭●所有磨煤机出口关断阀关闭●所有给煤机停●所有火检探头均探测不到火焰●二次风挡板均在吹扫位(二次风档板的开度大于30%)(吹扫按钮触发跟踪到30%)(判断指令大于30%)●至少一台送风机运行且其出口挡板打开●至少一台引风机运行且入、出口挡板均打开●炉膛风量 > 30%(FROM MCS)●炉膛风量 < 40%(FROM MCS)●两台一次风机停运●两台电除尘均跳闸●汽包水位正常(正负50)●炉膛压力正常(-470Pa~+470Pa调试再定?)●天然气泄漏试验完毕(旁路)●任一台火检风机运行1.3吹扫过程当所有上述条件都满足后,表明这时正有空气通过炉膛,也就是这时实际上正在进行吹扫,“吹扫允许”信号建立,这时按下“启动吹扫按扭”或接收来自其它系统(或事后吹扫)的联锁吹扫信号都将启动“吹扫”程序,“吹扫进行”信号建立,并进行5分钟的吹扫计时。
炉膛安全监控系统调试方案1 目的通过手操联动试验、各部分回路试验及参数设置、火检调整,确保FSSS公共部分、油层、煤层保护回路和顺控回路投运正常。
2 编制依据2.1 《火力发电建设工程启动试运及验收规程》(DL/T5437-2009)。
2.2 《火电工程启动调试工作规定》(建质[1996]40号)。
2.3 《火电工程调整试运质量检验及评定标准》(建质[1996]111号)。
2.4 《电力建设工程预算定额第六册调试工程》(中电联计经[2007]15号)。
2.5 《火力发电厂锅炉炉膛安全监控系统验收测试规程》(DL/T655-2006)。
2.6 《电站煤粉锅炉炉膛防爆规程》(DL/T435-2004)。
2.7 《电力建设施工及验收技术规范(第5部分:热工自动化)》(DL/T5190.5-2004)。
2.8 《电力建设安全工作规程(第一部分:火力发电厂)》(DL5009.1-2002)。
2.9 《电力建设安全健康与环境管理工作规定》(国家电网工[2003]168号)。
2.10 设计、设备相关资料。
3 设备系统简介3.1 锅炉设备简介锅炉采用上海锅炉厂有限公司生产的SG-3100/26.15-M546型超超临界参数、变压直流炉、单炉膛、一次再热、平衡通风、露天岛式布置、固态排渣、全钢构架、全悬吊结构、切圆燃烧方式的塔式锅炉。
燃烧系统:采用四角布置,切圆燃烧方式。
锅炉沿着高度方向燃烧器分成三组,最上一组燃烧器是分离式燃尽风,分有六层风室;接下来两组是煤粉燃烧器,每组有6层煤粉喷嘴,分别对应3台磨煤机。
每台磨煤机引出4 根煤粉管道到炉膛四角,炉外安装煤粉分配装置,每根管道分成两根管道分别与两个相邻的一次风喷嘴相连,共计48 只直流式燃烧器分12 层布置于炉膛下部四角(每两个煤粉喷嘴为一层),在炉膛中呈四角切圆方式燃烧。
其中微油点火燃烧器安装在锅炉燃烧器由下至上第3、4层(对应B磨),共计8只/炉,微油油枪为压缩空气雾化方式,油枪出力140~160kg/h,由湖南大唐节能科技有限公司提供。
锅炉炉膛安全监控系统(FSSS)功能及其调试方法分析摘要:基于某厂实际运行情况,介绍锅炉FSSS系统的构成和主要逻辑功能,分析FSSS系统相关的个别细节问题,提出FSSS系统调试期间须重点关注的要点,并提出解决办法。
关键词:炉膛安全监控系统(FSSS);炉膛吹扫;燃油泄漏试验锅炉炉膛安全监控系统Furnace Safeguard Supervisory Systems(FSSS),是大型火电机组自动保护和自动控制系统的一个重要组成部分,其主要功能是保护锅炉炉膛安全,在防止运行人员操作事故及设备故障引起炉膛爆炸等方面起着重要作用。
随着DCS系统的改进和不断发展,现在DCS的软硬件可靠性已经完全满足FSSS系统控制的需要,目前FSSS的所有功能在设计时都包含在DCS系统中。
FSSS 设计有独立的跳闸继电器机柜,包含后备硬手操MFT按钮及硬跳闸继电器,具有完善的故障容错诊断功能,避免出现保护拒动。
1、 FSSS系统的构成1.1 FSSS系统的主要功能FSSS系统控制逻辑分为公用控制逻辑、燃油及燃煤控制逻辑三大部分。
公用控制逻辑部分包含锅炉保护的全部内容,即油泄漏试验、炉膛吹扫、主燃料跳闸(MFT)、油燃料跳闸(OFT)、首出原因记忆、点火允许条件和RB等。
公用控制逻辑还包括有FSSS公用设备(如火检冷却风机、密封风机)的控制。
燃油控制包括各油燃烧器单角、对角投切及层投、切控制。
燃煤控制包括各个磨煤机、给煤机及其辅助设备的投切、保护和控制。
1.2 FSSS系统的主要逻辑构成1.2.1 炉膛吹扫锅炉点火前和停炉后必须对炉膛进行连续吹扫。
吹扫开始和吹扫过程中必须满足吹扫条件(分为一次和二次吹扫条件),以便有效地清除炉膛及烟道内聚积的可燃物。
吹扫时必须切断进入炉膛的所有燃料源,并最少有25%~30%额定空气量的通风量,吹扫时间不少于5min。
在吹扫过程中FSSS逻辑连续监视吹扫允许条件,如果一次吹扫允许条件不满足就会导致吹扫中断,同时计时器复位;如果二次吹扫条件不满足吹扫计时器复位,但不中断吹扫,满足条件后自动吹扫。
炉膛安全监控系统 FSSS第一节炉膛安全监控系统概述一、概述电力工业迅速发展,已经进入大电网、大机组、高参数、高度自动化的时代。
目前新建电厂一般都采用600MW及以上机组。
大容量、高参数机组运行的安全重要性日益提高,需要控制的与燃烧有关的设备越来越多。
有点火装置、油燃烧器、煤粉燃烧器、辅助风挡板、燃料风挡板等,这些设备不仅类型复杂,而且操作方式多样化,操作过程也比较复杂。
例如,油枪的投运操作包括:点火油枪的推入、雾化蒸汽阀开启、进油阀开启、点火器的投入与断开等。
在锅炉启停工况和事故工况时,燃烧器的操作更加繁琐,如果操作不当很容易造成意外事故。
从20世纪60年代起,在国外火电机组上就开始使用一系列火焰检测装置和炉膛安全监控系统(Furnace Safeguard Supervisory System,简称FSSS),并制定了有关的标准。
其中,美国国家燃烧保护协会(National Fire Protection Association,简称NFPA)制定的标准得到了最广泛的应用。
它为防止锅炉炉膛爆燃,对燃气锅炉、燃油锅炉、单燃烧器锅炉和多燃烧器燃煤锅炉的炉膛防爆均作了详细的规定。
对炉膛爆燃原因、术语、定义、设备要求、设计、安装、调试、维护、操作程序、系统联锁和报警等都作了详细阐述,并经常对该规定进行修改和补充。
它已成为美国国内各锅炉制造商和用户共同遵循的法规,其它各国也广泛采用和遵循这该标准,NFPA标准已经成为了设计FSSS的主要依据。
从20世纪70年代起,炉膛安全监控系统开始在我国火电机组上使用,从国外引进的大型火电机组都配套有锅炉安全运行必不可少的重要监控手段。
原水电部在1993年明文规定:“今后凡新投产机组必须安装火焰检测和安全防爆装置,现有机组在条件许可情况下也必须设法加装”。
原电力工业部电力规划设计总院于1993年9月颁发了《锅炉炉膛安全监控系统设计技术规定》(DLGJ116-93),为我国火电机组FSSS的设计提供了依据。
西安热工研究院有限公司电站调试技术部二 ○ ○ 五 年 八 月合同编号: 措施(方案)编号:达拉特电厂四期2×600MW 机组工程炉膛安全监控系统(FSSS)调试方案编写:审核:批准:炉膛安全监控系统(FSSS)调试方案1.编制目的达拉特电厂四期2×600MW机组工程分散控制系统(DCS)其功能涵盖了数据采集系统(DAS)、模拟量控制系统(MCS)、顺序控制系统(SCS)、锅炉炉膛安全监控系统(FSSS)、汽轮机控制系统(DEH)、给水泵汽轮机控制系统(MEH)等各项控制功能,是一套软硬件一体化的完成全套机组各项控制功能的完善的控制系统。
编写本方案的目的是规范FSSS系统的调试行为,确保设备、人身不受伤害。
保证系统调试保质、保量、有序进行。
本方案适合于达拉特电厂四期2×600MW机组工程DCS系统的调试。
2.编制依据中华人民共和国能源部《电力建设施工及验收技术规范(热工仪表及控制装置篇)》 SDJ 279-90 电力工业部文件《火力发电厂基本建设工程启动及竣工验收规程(1996年版)》电力工业部建设协调司文件《火电工程启动调试工作规定(1996年版)》中华人民共和西安力行业标准《火力发电厂那个分散控制系统运行检修导则》 DL/T744-2001 达拉特电厂四期2×600MW机组工程热控部分《施工图总说明及卷册目录》 F1831S-K01013.概述锅炉安全监控系统(FSSS)是现代大型火电机组锅炉所必须配备的重要监控系统。
本期工程FSSS系统的就地设备配置如下:本工程制粉系统采用中速磨煤机冷一次风机正压直吹式系统设计,每台炉配备台中速磨煤机,其中台备用;锅炉点火系统采用二级点火,顺序为高能点火器点轻油,轻油点煤粉。
锅炉为四角切圆燃烧器,每层角设只层煤粉燃烧器,单台炉共只。
单台炉设三层油燃烧器,共只,油枪采用蒸汽雾化;FSSS系统的软件部分由三个部分组成:一、公用控制逻辑;二、燃油控制逻辑;三、燃煤控制逻辑。
第四章锅炉炉膛安全监控系统(FSSS)第一节 FSSS概述随着锅炉容量的不断增大,需要控制的燃烧设备数量也随之增多,如点火装置、油燃烧器、煤粉燃烧器、一次风档板、二次风档板等等。
燃烧设备的操作过程也趋于复杂化,如点火油枪的投运操作包括:点火油枪的推入、雾化蒸汽阀开启、进油阀开启、电点火器的投入与断开等。
煤粉燃烧器的投运操作包括:一次风档板和二次风档板的开启、煤粉挡板的开启、给粉机启动等。
点火油枪的解列操作包括:进油阀关闭、油枪吹扫入油枪退出等。
煤粉燃烧器的停运操作包括:停给粉机、煤粉挡板的关闭、二次风挡板的关闭等。
在锅炉启停工况和事故工况时,燃烧器的操作更加繁琐,由于操作不当很容易造成事故。
当锅炉炉膛内压力增高到一定值时,因炉膛面积较大,可能发生损坏水冷壁管的事故,严重时甚至会使锅炉炉墙、支架损坏,致使锅炉报废。
国内锅炉过去缺少燃烧安全控制系统,每年较大型锅炉发生炉膛爆燃事故几十起,损失巨大。
目前,国内外大、中型发电机组都装有炉膛安全监控系统。
炉膛安全监控系统的英文名称为Furnace Safeguard Supervisory System(简称为FSSS),也可称作燃烧器管理系统(Burner Management System,简称BMS)。
炉膛安全监控系统是现代大型机组自动化不可缺少的组成部分,它对炉膛的正常燃烧,锅炉的安全运行起着决定性的作用。
炉膛安全监控系统有两项重要作用,分别是锅炉安全保护作用和锅炉安全操作管理作用,分别由燃料安全系统(Fuel Safeguard System,简称FSS)和燃烧器控制系统(Burner Control System,简称BCS)完成。
锅炉安全保护作用主要包括在锅炉运行的各个阶段,对参数、状态进行连续地监视;不断地按照安全规定的顺序对它们进行判断、逻辑运算;遇到危险工况,能自动地启动有关设备进行紧急跳闸,切断燃料,使锅炉紧急停炉,保护主、辅设备不受损坏或处理未遂性事故。
编写日期:2008-08-05 编写:马光伟审核:批准:前言FSSS系统一般分为两个部分,即燃烧器控制系统BCS(Burner Control System)和燃料安全系统FSS(Fuel Safety System)。
燃烧器控制系统的功能是对锅炉燃烧系统设备进行监视和控制,保证点火器,油枪和磨煤机组系统的安全启动、停止和运行。
燃料安全系统的功能是在锅炉点火前和跳闸停炉后对炉膛进行吹扫,防止可燃物在炉膛堆积。
在检测到危及设备、人身安全的运行工况时,启动主燃料跳闸(MFT),迅速切断燃料,紧急停炉。
FSSS系统对保证电厂锅炉系统的安全运行具有重要作用,为了规范FSSS 系统现场调试及大修后检测FSSS系统的各项功能和试验,严格执行有关规程要求,保证校验人员在大量现场工作中可以安全、优质地完成任务,内蒙古电力科学研究院热控自动化研究所编写了FSSS系统现场作业指导书。
由于编写者水平有限,有不正确的地方望大家提出。
目录1.适用范围-----------------------------------------------42.引用文件-----------------------------------------------43.现场作业前准备-----------------------------------------44.现场作业流程-------------------------------------------95.试验条件检查-------------------------------------------96.FSSS所涵盖的系统及设备--------------------------------107.FSSS系统试验内容--------------------------------------108.试验后应达到的指标------------------------------------239.结束工作----------------------------------------------24 关键词:作业指导书炉膛安全监控系统(FSSS)作业指导书1. 范围1.1 本作业指导书适用于FSSS系统的调试及大、小修过程中的试验作业。
编号:AQ-BH-09546( 管理资料)单位:_____________________审批:_____________________日期:_____________________WORD文档/ A4打印/ 可编辑炉膛安全监控系统调试方案Commissioning scheme of furnace safety monitoring system炉膛安全监控系统调试方案说明:施工方案是根据一个施工项目制定的实施方案;是根据项目确定的,有些项目简单、工期短就不需要制订复杂的方案。
1目的通过手操联动试验、各部分回路试验及参数设置、火检调整,确保FSSS公共部分、油层、煤层保护回路和顺控回路投运正常。
2编制依据2.1《火力发电建设工程启动试运及验收规程》(DL/T5437-2009)。
2.2《火电工程启动调试工作规定》(建质[1996]40号)。
2.3《火电工程调整试运质量检验及评定标准》(建质[1996]111号)。
2.4《电力建设工程预算定额第六册调试工程》(中电联计经[2007]15号)。
2.5《火力发电厂锅炉炉膛安全监控系统验收测试规程》(DL/T655-2006)。
2.6《电站煤粉锅炉炉膛防爆规程》(DL/T435-2004)。
2.7《电力建设施工及验收技术规范(第5部分:热工自动化)》(DL/T5190.5-2004)。
2.8《电力建设安全工作规程(第一部分:火力发电厂)》(DL5009.1-2002)。
2.9《电力建设安全健康与环境管理工作规定》(国家电网工[2003]168号)。
2.10设计、设备相关资料。
3设备系统简介3.1锅炉设备简介锅炉采用上海锅炉厂有限公司生产的SG-3100/26.15-M546型超超临界参数、变压直流炉、单炉膛、一次再热、平衡通风、露天岛式布置、固态排渣、全钢构架、全悬吊结构、切圆燃烧方式的塔式锅炉。
燃烧系统:采用四角布置,切圆燃烧方式。
锅炉沿着高度方向燃烧器分成三组,最上一组燃烧器是分离式燃尽风,分有六层风室;接下来两组是煤粉燃烧器,每组有6层煤粉喷嘴,分别对应3台磨煤机。
塔吉克斯坦2×50MW机组FSSS功能设计说明书一、概述FSSS(Furnace Safeguard Supervisory System),锅炉炉膛安全监控系统。
它是现代大型火电机组锅炉必须具备的一种监控系统,它能在锅炉正常工作和启停等各种运行方式下,连续密切监视燃烧系统的大量参数与状态,不断进行逻辑判断和运算,必要时发出动作指令,通过种种连锁装置,使燃烧设备中的有关部件严格按照既定的合理程序完成必要的操作或处理未遂事故,以保证锅炉燃烧系统的安全。
炉膛安全监控系统一般分为两个部分,即燃烧器控制BCS(Burner Control System)和燃料安全控制FSS(Fuel Safety System)。
燃烧器控制系统的主要功能是对锅炉燃烧系统设备进行监视和顺序控制,保证点火器、气枪和磨煤机系统的安全启动、停止、运行。
燃料安全系统的功能是在锅炉点火前和跳闸、停炉后对炉膛进行吹扫、防止可燃物在炉膛积存,在监测到危及设备、人身安全的工况时,启动MFT,迅速切断燃料,紧急停炉。
本FSSS系统主要功能包括:1、炉膛吹扫;2、天然气泄露试验;3、锅炉安全灭火(MFT);4、炉膛火焰检测;5、燃气燃烧器控制;6、煤燃烧器控制;1、炉膛吹扫1.1概述在炉膛吹扫完成之前应阻止任何燃烧设备的启动。
它分为:点火前吹扫和跳闸后吹扫。
点火前吹扫是为点火做好准备,使点火时的能量不会点燃残余燃料,以产生不可控制的爆炸。
跳闸后吹扫是及时排除高温炉膛内的燃烧物,防止爆炸。
需要说明的是:炉膛吹扫不是通过FSSS进行的,而是通过其它的系统(如MCS、SCS部分)进行的。
FSSS只是对满足条件下的吹扫计时,监视并确认吹扫是否完成。
1.2吹扫条件(以下条件为与的关系)●MFT条件不存在●天然气母管燃气关断阀关闭,燃气点火关断阀关闭●所有磨煤机出口关断阀关闭●所有给煤机停●所有火检探头均探测不到火焰●二次风挡板均在吹扫位(二次风档板的开度大于30%)(吹扫按钮触发跟踪到30%)(判断指令大于30%)●至少一台送风机运行且其出口挡板打开●至少一台引风机运行且入、出口挡板均打开●炉膛风量 > 30%(FROM MCS)●炉膛风量 < 40%(FROM MCS)●两台一次风机停运●两台电除尘均跳闸●汽包水位正常(正负50)●炉膛压力正常(-470Pa~+470Pa调试再定?)●天然气泄漏试验完毕(旁路)●任一台火检风机运行1.3吹扫过程当所有上述条件都满足后,表明这时正有空气通过炉膛,也就是这时实际上正在进行吹扫,“吹扫允许”信号建立,这时按下“启动吹扫按扭”或接收来自其它系统(或事后吹扫)的联锁吹扫信号都将启动“吹扫”程序,“吹扫进行”信号建立,并进行5分钟的吹扫计时。
BALCO EXPANSION PROJECT4×300MW T HERMALPOWER P LANTFURNACE SAFEGUARD SUPERVISORY SYSTEM印度BALCO扩建4×300MW燃煤电站工程锅炉炉膛安全监控系统调试方案Spe.20092009年9月Complied by:编写:Checked by:初审:Revised by:审核:Approved by:批准:目录C ontents1.编制目的Compile Purpose2.调试范围Scope of commissioning3.调试前必须具备的条件Conditions before commissioning4.调试步骤Process of commissioning5.使用工具Tools used for test6.注意事项Precautions1.编制目的Compile Purpose为了指导和规范系统及设备的调试工作,检验系统的性能,发现并消除可能存在的缺陷,检查热工联锁、保护和信号装置,确保其动作可靠。
使系统及设备能够安全正常投入运行,制定本方案。
This commissioning procedure is compiled to guide and standardize the practice of testing and adjusting to facilitate proofing of system performance,finding and repairing of possible defects,thus ensuring that the equipment and system can be brought into operation safely and smoothly.2.调试范围Scope of commissioning2.1油泄漏试验Oil leakage test油母管泄漏试验准备就绪条件Conditions of oil-line leakage test油母管泄漏试验过程Procedure of oil-line leakage test相关显示及报警Displays and alarms2.2炉膛吹扫Furnace purge炉膛吹扫条件Conditions of furnace purge吹扫过程Procedure of furnace purge相关显示及报警Displays and alarms2.3炉膛安全管理系统Furnace safeguard management system2.3.1主燃料跳闸Master fuel trip(MFT)MFT跳闸条件Condition of master fuel tripMFT复位条件Condition of MFT resetMFT条件发生后的跳闸过程MFT initiate d tripping sequence保护首出显示及报警Display and alarm at the very inception of MFT 2.3.2油燃料跳闸Oil fuel trip(OFT)OFT跳闸条件Conditions of oil fuel tripOFT复位条件Conditions of OFT resetOFT条件发生后的跳闸过程OFT initiate d tripping sequence保护首出显示及报警Display and alarm at the inception of OFT2.4油燃烧器管理系统Oil burner management system2.4.1油预点火的允许条件Conditions of oil ignition2.4.2油燃烧器的控制Oil burner control油燃烧器角控制程序(包括启动/停止)Corner sequence control of oil burner油燃烧器层控制程序(包括启动/停止)Floor sequence control of oil burner2.4.3油角其他相关控制Other controls of oil burner2.5制粉系统Pulverized coal system2.5.1煤粉燃烧器的管理Pulverized coal burner management2.5.2制粉系统的管理Management of pulverized coal system制粉系统的顺序启动步序Start-up sequence of pulverized coal system制粉系统的顺序停止步序Shutdown sequence of pulverized coal system制粉系统启动条件Condition of pulverized coal system start-up制粉系统跳闸条件Condition of pulverized coal system trip复位磨跳闸条件Condition of mill trip reset制粉系统其他相关控制Other controls相关显示及报警Displays and alarms2.6FSSS控制器中的其他控制Other controls in FSSS3.调试前必须具备的条件Conditions before commissioning3.1该系统受电工作已经进行完毕并检验合格,软件恢复工作已经结束并检验合格。
System energizing and software recovery should be completed and meet the requirements.3.2该系统硬件检查和I/O通道精确度检查工作已经结束并检验合格。
System hardware and I/O channel precision should be checked and meet the requirements.4.调试步骤Process of commissioning4.1单体联动试验Individual equipment linkage test4.1.1检查控制系统与现场控制设备的接线是否完整、正确。
Check the connections between control system and local control units are complete and correct.4.1.2检查I/O端子板供电是否正常,相应的I/O卡件是否插入槽内,卡件地址是否正确、卡件状态指示是否正常。
Check the power supply for I/O terminal boards are normal,relevant I/O modules inserted with correct address,and the module-condition indication normal.4.1.3受控设备的就地调试工作应已经结束并检验合格。
Controlled plant should be tested and adjusted up to the requirements.4.1.4检查计算机控制命令与现场设备所要求的是否匹配,检查反馈状态信号是否与计算机内软件组态是否一致。
Check that control command from the computer match the local control unit,check the feedback signals meet the computer software’s requirements.4.1.5在操作站上调出相应的显示画面,选择所需的设备标签窗口,操作启动/停止按键(或开启/关闭按键),观察就地设备是否按照控制命令的要求动作,检查设备的反馈状态是否正确,记录行程时间。
Call the corresponding display on the operator’s station,select the equipment icon, and operate the Start/Stop(Open/Shut)buttons.Check locally that the equipment acts exactly as the control command requires,check the equipment feedback signals correct,and note down the travel time.4.2系统试验前的检查Inspection before system test4.2.1检查各FSSS系统的软件组态是否与设计要求一致,检查软件组态是否有危及系统安全的错误,检查系统的控制顺序是否正确完善。
如有重大错误或缺陷应通过正常渠道批准后进行修改。
Check that the software configuration of FSSS is accord with the design requirements, check for mistakes or bugs that might endanger the system security,and check that the system control sequence is correct and complete.Major bugs or defects should be reported and modified with approval.4.2.2被试验的系统所包含的控制设备的单体联动试验应进行完毕且验收合格,参与系统顺序控制及联锁保护的所有测点都应经过检验合格。
The individual linkage tests are completed for all the plants in the system.Check that all the measuring points used for sequence control,interlocks,and protections are correct.4.2.3根据设计资料、设备说明、运行规程等资料将有关参数定值输入到计算机中去。
根据单体试验测取的有关参数应输入到相应的功能块中去。
Input parameters and set values to the computers based on the design documents, equipment manual,operating regulations.Input parameters obtained from individual linkage tests to the corresponding functional blocks.4.2.4检查操作站上FSSS系统的顺序显示画面的顺序编排是否正确,每一步序的选择器所选出的控制项目内容应符合其文本字符的说明。