制图国家标准2010
- 格式:ppt
- 大小:3.76 MB
- 文档页数:145
总图制图标准2010总图制图标准2010是根据国家相关法规和标准制定的,旨在规范和统一总图制图的要求和标准,保证总图质量,提高总图制图水平。
本标准适用于总图的制图、编制和审查,适用于各类总图的编制单位和审查单位。
一、总图制图的基本要求。
1.总图制图应符合国家相关法规和标准的要求,保证总图的准确性和可靠性。
2.总图制图应采用统一的坐标系和投影方式,保证总图的地理位置和空间关系的准确性。
3.总图制图应采用统一的符号和图形标注,保证总图的清晰度和易读性。
4.总图制图应注明制图单位、制图日期、比例尺等基本信息,保证总图的真实性和完整性。
5.总图制图应注明数据来源和制图方法,保证总图的可追溯性和可信度。
二、总图制图的技术要求。
1.总图制图应采用专业的制图软件和工具,保证总图的制图精度和效率。
2.总图制图应采用高精度的地理信息数据和影像数据,保证总图的数据质量和空间精度。
3.总图制图应采用统一的图幅和图幅编号,保证总图的编制规范和统一性。
4.总图制图应采用标准的图式和图框,保证总图的规范性和美观性。
5.总图制图应采用适当的图式设计和图件组织,保证总图的信息量和表达能力。
三、总图制图的质量控制。
1.总图制图应进行严格的质量控制和质量评估,保证总图的准确性和可靠性。
2.总图制图应进行专业的技术审查和专家评审,保证总图的技术规范和合格性。
3.总图制图应进行数据核查和符号核对,保证总图的数据质量和符号准确性。
4.总图制图应进行成图检查和图件校对,保证总图的图件完整性和一致性。
5.总图制图应进行成果验收和档案管理,保证总图的成果质量和长期保存。
总图制图标准2010是总图制图工作的基本依据和指导文件,对于规范和提高总图制图水平具有重要意义。
制图单位和审查单位应严格按照本标准的要求进行总图制图,确保总图制图质量,为国家经济建设和社会发展提供可靠的地理信息支持。
建筑专业统一制图标准(试行)深圳市建筑设计研究总院第一设计院2010-4-26前言针对我院目前建筑专业CAD制图所存在的情况,为进一步实现统一制图的规范化、标准化、网络化,通过对我所最近时间的CAD设计工作的经验、提炼和总结,制订本标准。
今后,凡我院承接编制的各类设计任务建筑专业CAD绘图,均需依照本标准进行。
各设计人员在其具体使用过程中,如发现需要修改或需要补充之处,请将有关意见及资料,提交给所长,以便今后对本标准进一步调整和完善。
2010-4-26目录1、建筑专业文件统一命名原则2、建筑专业统一项目文件管理3、建筑专业统一图层表4、建筑专业统一字形表5、建筑专业统一打图标准一:建筑专业文件统一命名原则文件命名原则(命名原则需简洁易记,表达清晰)文件类型分为条件图及归档图两大类1:CAD条件图命名原则为:地方+工程名称+(分期)+楼号+图名内容+时间说明:图名内容可综合一起(如平立剖),分期用括号,无分期可不写例如:洛阳世纪华阳(二期)1号楼平面080728.dwg洛阳世纪华阳(二期)1号楼楼梯080730.dwg信阳森林半岛(一期)5号楼平立面070811.dwg义乌篁园市场酒店平面090322.dwg莆田荔能1号楼平立剖090412.dwg西安华府2号楼二层平面090511.dwg上海意大利馆总图090123.dwg2:CAD归档图命名原则为:图号+楼号+图名+时间说明:归档图需在相应的归档目录下,图名内容需单独每个文件分开表示。
例如:… \初步设计\归档图\1号楼\建初08(1号楼一层平面)080728.dwg …\施工图\归档图\5号楼\建施10(5号楼1-1剖面)070811.dwg二:建筑专业统一项目文件管理所有项目文件均放在172.21.1.31中的工程项目文件夹中,设计人员电脑中工程项目文件管理与此统一工程目录命名原则:总目录(按时间设定,如2009)\工程目录(地方+名称+(分期))\类别(分为初步设计及施工图阶段)\类型(分别为条件图、施工图及变更图)\专业(各专业)\版本日期(发布时间)注:1:目录文件夹内应含一个子文件夹Block存储本项目所用到的需经常修改图块,如图框等。
住房和城乡建设部公告第749号--关于发布国家标
准《总图制图标准》的公告
文章属性
•【制定机关】住房和城乡建设部
•【公布日期】2010.08.18
•【文号】住房和城乡建设部公告第749号
•【施行日期】2011.03.01
•【效力等级】部门规范性文件
•【时效性】现行有效
•【主题分类】标准定额
正文
住房和城乡建设部公告
(第749号)
关于发布国家标准《总图制图标准》的公告
现批准《总图制图标准》为国家标准,编号为GB/T50103-2010,自2011年3月1日起实施。
原《总图制图标准》GB/T50103-2001同时废止。
本标准由我部标准定额研究所组织中国建筑工业出版社出版发行。
二○一○年八月十八日。
UDC中华人民共和国国家标准P GB50104—2010建筑制图统一标准Standard for architectural drawings2010-08-18 发布 2011-03-01 实施中华人民共和国住房和城乡建设部 中华人民共和国国家质量监督检验检疫总局联合发布前言本标准是根据原建设部《关于引发<2007年工程建设标准规范制订、修订计划(第一批)>的通知》(建标[2007]125号)的要求,由中国建筑标准研究院会同有关单位,在《建筑制图标准》GB/T50104-2001的基础上修订而成的。
本标准在修订过程中,标准编制组经广泛调查研究,认真总结实践经验,参考有关国际标准和国外先进标准,并广泛征求意见,最后经审查定稿。
本标准共分4章,主要技术内容包括:总则、一般规定、图例、图样画法。
本标准修订的主要技术内容是:1 调整了线宽组合;2 增加了需要索引的符号图样;3 增加或修改了图例。
本标准由住房和城乡建设部负责管理,由中国建筑标准设计研究院负责具体技术内容的解释。
执行过程中如有意见和建议,请寄送中国建筑标准设计研究院(北京市海淀区首体南路9号主语国际2号楼,邮政编码100048;电话:68799184;传真:68799181),以便修订时参考。
主编单位:中国建筑标准设计研究院参编单位:中国建筑设计研究院航空工业规划设计研究院华东建筑设计研究院有限公司北京理正软件设计研究院有限公司北京天正工程软件有限公司主要起草人:顾均、林琳、韩光宗、熊涛、沈朝晖、饶良修、张晔、范一飞、吴正、杨国平、林卫平主要审查人:何玉如、费麟、徐宇宾、白红卫、石定稷、苗茁、刘杰、王鹏、董静茹、寇九贵、胡纯炀、张同亿目次1 总则 (1)2 一般规定 (2)2.1图线 (2)2.2比例 (5)3 图例 (6)4 图样画法 (25)4.1平面图 (25)4.2立面图 (27)4.3剖面图 (28)4.4其他规定 (29)4.5尺寸标注 (30)本标准用词说明 (32)引用标准名录 (33)附:条文说明 (35)Contents1 General provisions2 General requirements2.1`Line2.2 Scale3 Legend4 Drawing method4.1 Plan4.2 Elevation4.3 Section4.4 Other provisions4.5 DimensionsExplanation of wording in this Standard List of quoted standardsAddition: Explanation of provisions1 总则1.0.1为了使建筑专业、室内设计专业制图规则,保证制图质量,提高制图效率,做到图面清晰、简明,符合设计、施工、存档的要求,适应工程建设的需要,制定本标准。
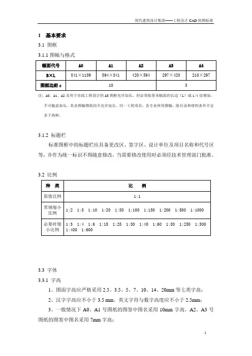
现代建筑设计集团——工程设计CAD制图标准1基本要求3.1 图框3.1.1图幅与格式注:A0、A1、A2及用于市政工程设计的A3图框允许加长,但必须按基本幅面的长边(L)成1/4倍增加,不可随意加长。
其余图幅图纸均不允许加长。
同一工程项目,各专业所用图幅,除目录和材料表外不宜多于两种。
3.1.2 标题栏标准图框中的标题栏应具备更改区、签字区、设计单位及项目名称和代号区等,并作为统一标识不得随意修改,当需要修改使用时必须经技术管理部门批准。
3.2 比例3.3 字体3.3.1 字高1、图面字高应严格采用2.5、3.5、5、7、10、14、20mm等七类字高;2、汉字字高应不小于3.5 mm,英文字符与数字高度应不小于2.5mm;3、一般情况下A0、A1号图纸的图签中图名采用10mm字高,A2、A3号图纸的图签中图名采用7mm字高;4、图纸中图面表达部分的图名宜采用7mm及以上字高,设计说明部分采用5mm字高,图中文字标注或引注采用3.5mm字高,尺寸标注采用2.5mm字高。
3.3.2 字间距及行距字间距宜使用标准字间距,行距宜采用1.5倍行距。
3.3.3 字体字体选用长仿宋体,使用字体类型STYLE定为XD2008(xd-hzs.shx—西文,xd-hztxt.shx—Bigfont中文),高宽比设定为0.7,符合字体间距要求。
图签中图名等标题可选用其他字体。
市政工程设计图纸中路名的中文字体可采用黑体或仿宋体。
室内装修装饰专业设计图纸中的中文字体也可选用黑体。
考虑到特殊符号的调用,允许使用WORD编写各专业统一说明,字体选用仿宋_GB2312。
3.4 图线3.4.1 基本线形现代建筑设计集团——工程设计CAD制图标准3.4.2 线形构造各项线形构造均有严格规定,常用LTSCALE取值如下表所示:3.4.3 线宽线宽分粗(b)、中(0.5b)、细(0.25b)三级,绘图时应根据绘图比例大小成级差组选用,严禁在同级内选用线宽;各专业应严格采用本专业的标准线宽组进行绘图。
金属非金属矿山采矿制图标准(GB/T 50564-2010)二OO七年十一月六日1建设部关于发布国家标准《金属非金属矿山采矿制图标准》的公告第618 号现批准《金属非金属矿山采矿制图标准》为国家标准,编号为GB/T50564-2010,自2010年12月1日起实施。
本标准由我部标准定额研究所组织中国计划出版社出版发行。
中华人民共和国住房和城乡建设部二○一○年五月三十一日目次建设部关于发布国家标准《金属非金属矿山采矿制图标准》的公告1 总则 (1)2、基本规定 (1)2.1 一般规定 (1)2.2 图纸规格 (2)2.3图纸标题栏 (4)2.4 比例 (6)2.5 文字与数字 (7)2.6 图线 (7)2.7 字母与符号 (9)2.8 数值精度 (11)3 图形及画法 (12)3.1 投影及视图 (12)3.2 尺寸标注 (14)3.3 标高 (19)3.4 方向与坐标 (20)4 图例 (26)表4.0.1 矿石、岩石及材料图例 (26) 表4.0.2 各种界线与方向图例 (28)表4.0.3 露天工程与井巷工程图例 (29) 表4.0.4 设备图例 (32)表4.0.5 铁路、公路、桥涵图例 (34)表4.0.6 通风图例 (36)表4.0.7 水采及船采图例 (38)5. 附录 (41)附录一:本标准用词说明 (41)金属非金属矿山采矿制图标准(条文说明) (42)1、总则 (43)2、基本规定 (43)3 图形及画法 (44)4 图例 (45)5. 附录 (45)1 总则1.0.1 为统一金属、非金属矿山采矿设计制图标准,实现制图标准化,提高制图效率,保证图面质量,不用或少用文字说明便能表达设计意图,使设计、施工和生产之间有简捷共同语言,特制定本标准。
1.0.2 本标准适用于采矿专业和井建专业各设计阶段的设计图和通用图(包括CAD绘图),制图中涉及其它专业时,应按有关专业制图标准执行。
1.0.3 本标准遵照国际标准,图纸中使用的简化汉字、计量单位名称及符号,应符合国家现行有关标准、规范和规程的规定。
gbt 50106-2010 建筑给水排水制图标准
《gbt 50106-2010 建筑给水排水制图标准》为了统一建筑给水排水专业制图规则,保证制图质量,提高制图效率,做到图面清晰、简明,符合设计、施工、存档的要求而制定的标准。
以下是下面对gbt 50106-2010 建筑给水排水制图标准进行相关解读:
《gbt 50106-2010 建筑给水排水制图标准》基本简介:
《gbt 50106-2010 建筑给水排水制图标准》本标准适用于建筑给水排水专业的下列工程制图:
1.新建、改建、扩建工程的各阶段设计图、竣工图;
2.总图设计图、竣工图;
3.原有建筑物、构筑物、总图的实测图;
4.通用设计图、标准设计图。
《gbt 50106-2010 建筑给水排水制图标准》本制图标准应按下列规定与现行国家标准《房屋建筑制图统一标准》GB/T 50001配合使用:
1.本标准有规定的,均应按本标准执行;
2.本标准无规定的,而现行国家标准《房屋建筑制图统一标准》GB/T 50001有规定的内容,均应按现行国家标准《房屋建筑制图统一标准》GB/T 50001的有关规定执行。
1.0.5建筑给水排水专业制图,除应符合本标准外,尚应符合国家现行有关标准的规定。
《gbt 50106-2010 建筑给水排水制图标准》基本信息:
作者:中华人民共和国住房和城乡建设部,等页数:61
出版:光明日报出版社
ISBN:1511217933。
空间印象AutoCAD制图规范:一、总则本标准为形成公司绘图表达的风格的统一,不允许个人绘图表达风格。
设计制图的表达应清晰、完整、统一。
所有图面的表达方式均应保持一致。
命名和存盘位置必须按照公司统一标准和要求,且标注正确的成图日期。
过期废旧图纸,预算和照片等资料在结算完工前,必须在同一目录下另命名一个文件夹“旧文件备份”保存。
二、图纸目录与命名原则1.档案号命名示例:JY 09 YB 1-2401项目字母缩写年份类别(样板房)楼号+房号或户型号(例为“金域蓝湾09年样板房项目1栋2401房”)CY 10 SB项目字母缩写年份类别(售楼部)(例为“曹演庄10年售楼部项目”)2.图纸编号命名示例:LD 01 (A)“立面导视图”前两字拼音字母缩写一楼大型项目区域号※特例:“负一楼立面导视图”LD-1,其他图纸以此类推※E -(01)01立面图(大型项目楼层号)图号D -(01)01大样图(大型项目楼层号)图号※大样图中的下标必须有原平面或立面图的图号,方便反向查找;大样图包括所有剖面图,侧立面图,大样详图和图案放样图※更多图号名称模板详见“图纸目录标准.dwt”文件3.图纸装订图纸目录决定图纸叠放次序,且所有图纸必须有制图人,复审人(制图部负责人),设计(项目负责人)三方签字审阅后交由甲方责任人签字后交付工人使用和存档,每份图纸要注明绘制或者修改日期,并保证及时更新替换废旧图纸资料(以原已给付图纸收回的原件或确认函为完成依据):A、封页(见打印样式“封面.dwt”,公司统一硬卡黄皮纸打印后,封面和封底加磨砂纸打孔装订,边夹选用最适合厚度的夹条);B、图纸装订顺序:以图纸目录排版顺序为原则,大型项目可按区域划分顺序单独装订分册,多层建筑根据需要可以按楼层顺序单独装订分册。
材料表等表单另附;4、图纸幅面图纸图幅采用A2、A3三种标准,以A3图纸为主。
样板房和小型项目固定A3图纸打印,大型工程及多层建筑项目以A2图纸打印,特殊要求(如A4或A1,A0图纸)需在制作部接单前由客服部门文字确认。
中华人民共和国国家标准房屋建筑制图统一标准GB 50001—2010Unified standard for building drawings2010—08—18发布2011—03—01实施中华人民共和国住房和城乡建设部、中华人民共和国国家质量监督检验检疫总局联合发布前言根据住房和城乡建设部《关于印发(2008年工程建设标准规范制订计划(第一批))的通知》(建标[2008]102号)的要求,由中国建筑标准设计研究院会同有关单位在原《房屋建筑制图统一标准》GB/T 50001-2001的基础上修订而成的。
本标准在修订过程中,编制组经过广泛调查研究,认真总结工程实践经验,参考有关国际标准和国外先进标准,并在广泛征求意见的基础上,最后经审查定稿。
本标准共分14章和2个附录,主要技术内容包括:总则、术语、图纸幅面规格与图纸编排顺序、图线、字体、比例、符号、定位轴线、常用建筑材料图例、图样画法、尺寸标注、计算机制图文件、计算机制图文件图层、计算机制图规则。
本标准修订的主要技术内容是:1.增加了计算机制图文件、计算机制图图层和计算机制图规则等内容;2.调整了图纸标题栏和字体高度等内容;3.增加了图线等内容。
本标准由住房和城乡建设部负责管理,由中国建筑标准设计研究院负责具体技术内容的解释。
执行过程中如有意见和建议,请寄送中国建筑标准设计研究院(北京市海淀区首体南路9号主语国际2号楼,邮政编码100048)。
主编单位:中国建筑标准设计研究院参编单位:北京市建筑设计研究院天津市建筑设计研究院华东建筑设计研究院有限公司中科院建筑设计研究有限公司北京理正软件设计研究院有限公司北京天正工程软件有限公司主要起草人:孙国锋、张树君、杜志杰、赵贵华、卜一秋、韩慧卿、刘欣、张凤新、徐浩、吴正、王冬松、陈卫、林卫平主要审查人:何玉如、费麟、徐宇宾、白红卫、石定稷、苗茁、刘杰、王鹏、董静茹、寇九贵、胡纯炀、张同亿1 总则为了统一房屋建筑制图规则,保证制图质量,提高制图效率,做到图面清晰、简明,符合设计、施工、审查、存档的要求,适应工程建设的需要,制定本标准。
1.1 制图的国家标准1.1.1 图纸幅面及格式(GB/T 14689—1993)表1-1 图纸幅面图1-1 留有装订边的图框格式图1-2 不留装订边的图框格式图1-3 附加符号的应用图1-4 学校制图作业推荐零件图用标题栏格式图1-5 学校制图作业推荐装配图用标题栏格式1.1.2 比例(GB/T 14690—1993)表1-2 国家标准规定的比例注:①n为正整数。
②优先选用非括号内的比例。
1.1.3 字体(GB/T 14691—1993)表1-3汉字、字母及数字的示例1.1.4 图线(GB/T 17450—1998)表1-4图线及其用途图1-6 各种图线的应用示例图1-7 图线画法示例1.1.5 尺寸标注(GB/T 4458.4—1984)图1-8 尺寸的组成(a)正确(b)错误图1-9 尺寸线的正确使用(a)箭头形式(b)斜线形式图1-10 尺寸线终端的两种形式图1-11 尺寸数字不能被任何图线通过表1-5常用尺寸注法示例续表等于半圆的圆弧注半径,大于半圆的圆弧注直径(2)标注直径尺寸时,应在尺寸数字前加注符号 ,标注半径尺寸时,注符号R(3)半径尺寸必须(3)续表1.1.6 机械工程CAD制图规则(GB/T 14665—1998)表1-6 五组线型表1-7 图线颜色表1-8 字高与图幅的选用关系图1-12 尺寸线的终端形式1.2投影的基本知识1.2.1 投影的基本概念图1-13 投影的概念1.2.2 投影的分类(a)斜投影法(b)正投影法图1-14 平行投影法1.2.3 正投影的基本特性(a)同类性、从属性(b)平行性、定比性图1-15 正投影的投影特性(a)实形性(b)积聚性(c)类似性图1-16 正投影的投影特性1.3几何要素的投影1.3.1 点的投影(a)三投影面体系(b)投影面展开图(c)投影图图1-17 点的投影(a)确定a X(b)求出a、a'(c)求出a",完成作图图1-18 已知点的坐标求该点的三面投影图1-19 两点的相对位置与重影点图1-20 特殊位置点的投影1.3.2 直线的投影表1-9投影面平行线表1-10 投影面垂直线图1-21 一般位置直线(a)棱线SA(b)棱线SB(c)直线AC图1-22 三棱锥各棱线与投影面的相对位置(a)题图(b)解法一(c)解法二图1-23 求直线上点的投影的两种方法表1-11 两直线的相对位置及投影特性续表投影图(a)题图(b)解法一(c)解法二图1-24 判断空间直线ab与cd的相对位置1.3.3 平面的投影(a)任意三点(b)直线与点(c)相交两直线(d)平行两直线(e)任意平面图形图1-25 平面的几何元素表示法表1-12投影面垂直面续表表1-13投影面平行面续表图1-26 一般位置平面(a)棱面sab(b)棱面sac(c)底面abc图1-27 三棱锥各棱面与投影面的相对位置表1-14 平面上的点和直线(a)题图(b)作图(不在)图1-28 判断点d是否在平面abc上习题1(a )错误的图(b )待标注的图图1-29 尺寸标注。