30米钢烟囱安装计算书
- 格式:doc
- 大小:71.00 KB
- 文档页数:3
蒲城70万吨/年煤制烯烃项目锅炉装置锅炉房(208)烟囱烟囱施工辐射梁、鼓圈计算书计算:编制单位:日期:二○一二年七月十一日目录一、受力计算总图 (1)二、平台三的受力计算 (2)三、平台二的受力计算 (5)四、平台一的受力计算 (7)五、平台钢丝绳的校核 (11)六、中心鼓圈的计算 (11)一、受力计算总图:(见附图一)[ ]=175Mpa附图一二、平台三的受力计算:辐射梁、环梁用槽钢[12:A=15.362cm2I x=346cm4W x=57.7cm3I y=37.4cm4W y=10.2cm3A钢=85.39mm2平台三受力计算图2.1、工况一:(四根钢丝绳作用) 辐射梁未承受轴向力,只校核强度。
强度计算:q=153kg/m 三次超静定,力法方程如下: δ11·X 1+δ12·X 2+δ13·X 3+△1P =△1s δ21·X 1+δ22·X 2+δ23·X 3+△2P =△2s δ31·X 1+δ32·X 2+δ33·X 3+△3P =△3s δ11=EI 30 δ22=EI 94.8 δ33=EI 09.1 δ12=EI 31.12 δ13=EI164.4 δ12=δ21δ13=δ31δ23=δ32=EI474.2△1P =EI24200-△2P =EI12920-△3P =EI3851-△1s =EA L X 113⨯⨯-=EA X 112⨯- △2s =EA L X 223⨯⨯-=EAX 212⨯-△3s =EAL X 333⨯⨯-=EAX 312⨯-X 1=513kg X 2=675kg X 3=24kg X 4=-62kg 因此X 4不受力。
这样就是三根钢丝绳受力: 二次超静定,力法方程如下: δ11·X 1+δ12·X 2+△1P =△1s δ21·X 1+δ22·X 2+△2P =△2sδ11=EI98.14 δ22=EI66.2 δ12=δ21=EI33.5△1P =EI12040-△2P =EI4223-△1s =EA L X 113⨯⨯-=EA X 112⨯- △2s =EA L X 223⨯⨯-=EAX 212⨯-X 1=736kg X 2=88kg X 3=457kg M max =209.7kg ·m σ==W M max =⨯7.578.97.20936Mpa <[σ] 2.2、工况二:(三根钢丝绳作用) 辐射梁未承受轴向力,只校核强度。
本工程为某工厂新建烟囱的吊装安装工程,烟囱直径为2.5米,高30米,采用钢制结构,整体重量约50吨。
施工场地位于工厂内,环境较为复杂,周围有其他建筑物和设备,需特别注意施工安全。
二、施工准备1. 施工组织成立施工领导小组,负责整个施工过程的组织、协调和监督。
下设施工技术组、安全质量组、材料设备组、施工队伍等。
2. 施工材料(1)烟囱主体:钢制结构,分为筒体、顶板、底板等部分。
(2)吊装设备:400吨履带吊车、70吨汽车吊、卷扬机、钢丝绳等。
(3)辅助材料:膨胀螺栓、焊接材料、涂装材料等。
3. 施工人员施工人员应具备高空作业、焊接、起重等专业技能,并持有相关资格证书。
三、施工工艺流程1. 确定吊装位置根据设计图纸和现场实际情况,确定烟囱的吊装位置,确保吊装过程安全、平稳。
2. 安装支架(1)在烟囱基础位置安装固定支架,支架采用10#槽钢焊制。
(2)在烟囱基础位置安装导向支架,支架用6.3#角钢制作。
3. 吊装烟囱(1)将烟囱主体分段制作,并在现场进行组装。
(2)采用400吨履带吊车作为主吊,70吨汽车吊作为辅吊,将烟囱分段吊装至固定支架上。
(3)确保烟囱在吊装过程中保持垂直,调整吊装角度,确保烟囱与固定支架紧密贴合。
4. 紧固连接(1)将吊装完成的烟囱与固定支架进行连接,确保连接牢固。
(2)对烟囱的连接部位进行焊接,确保焊接质量。
5. 涂装对烟囱表面进行除锈、涂装,提高烟囱的耐腐蚀性能。
四、安全措施1. 施工人员必须遵守国家有关安全生产法律法规,严格按照施工方案执行。
2. 施工现场设置安全警示标志,确保施工区域安全。
3. 施工人员必须佩戴安全帽、安全带等防护用品,高空作业人员必须系好安全带。
4. 吊装过程中,确保吊装设备安全可靠,吊装速度平稳。
5. 施工过程中,加强对施工人员的安全培训,提高安全意识。
6. 建立健全施工现场安全管理制度,严格执行各项安全规定。
五、施工进度本工程计划施工周期为30天,具体进度安排如下:1. 施工准备(1天)2. 支架安装(2天)3. 烟囱吊装(10天)4. 紧固连接(3天)5. 涂装(5天)6. 竣工验收(5天)六、质量保证1. 施工过程中,严格按照国家相关质量标准执行。
目录1、设计资料基本设计资料烟囱总高度H =烟气温度T gas = ℃烟囱底部高出地面距离: 0mm夏季极端最高温度T sum = ℃冬季极端最低温度T win = ℃最低日平均温度T win = ℃烟囱日照温差△T = ℃基本风压?0 = m2瞬时极端最大风速: (m/s)地面粗糙度: B类烟囱筒体几何缺陷折减系数? =烟囱安全等级: 二级抗震设防烈度: 7度设计地震分组: 第一组建筑场地土类别: Ⅱ类筒壁腐蚀厚度裕度:衬里起始高度:设置破风圈: 是自定义设计温度下筒壁钢材的许用应力: 是否计算抽力: 否材料信息序号使用部位材料名称最高使用温度(℃)密度(kg/m3)导热系数?(W /(m·K))1 筒壁钢材S31603 250几何尺寸信息烟囱总分段数: 18烟囱筒身分段参数表编号标高(m) 烟囱筒壁外直径(mm) 分段高度(m)0 -----123456789101112131415161718烟囱总截面数: 21烟囱筒身分节参数表(1)截面编号标高(m)烟囱筒壁外直径(mm)分节高度(m)筒壁厚度(mm)坡度(%)0 -----1234567891011121314151617181920烟囱筒身分节参数表(2)截面编号标高(m)附加重量(kN)附加风载(kN)洞口数量洞口形状洞口宽度(mm)洞口高度(mm)洞口直径(mm)5 0 矩形0 0 -----6 0 矩形0 0 -----7 0 矩形0 0 -----8 0 矩形0 0 -----9 0 矩形0 0 -----10 0 矩形0 0 -----11 0 矩形0 0 -----12 0 矩形0 0 -----13 0 矩形0 0 -----14 0 矩形0 0 -----15 0 矩形0 0 -----16 0 矩形0 0 -----18 1 圆形----- ----- 180020 0 矩形0 0 -----是否设置爬梯: 否烟囱底座设计参数烟囱底板材料: Q235(B)烟囱底板内径D1:烟囱底板外径D2:偏心弯矩M e: 地脚螺栓材料: Q235(B)地脚螺栓数量n: 20地脚螺栓腐蚀裕量c2:地脚螺栓中心线直径D3: 4500mm筋板材料: Q235(B)筋板高度hj:盖板材料: Q235(B)盖板类型: 环形盖板是否有垫板: 否2、计算依据《烟囱设计规范》 GB 50051-2013《建筑结构荷载规范》GB 50009-2012《建筑抗震设计规范》GB 50011-2010《钢结构设计规范》GB 50017-2003《烟囱设计手册》(2014年5月第1版)《不锈钢结构技术规程》CECS 410:2015 《低合金高强度结构钢》GB/T 1591-2008《钢结构设计手册》(第三版)《钢结构连接节点设计手册》(第二版)不锈钢S31603强度设计值见下表:3、筒体自重计算筒身自重表格(1)截面编号标高(m) 重量(kN) 筒壁1234567891011121314151617181920合计--筒身自重表格(2)截面编号标高(m)附加重量(kN)破风圈重(kN)本节总重量(kN)每节根部重量(kN)0 --1 29 292 29 593 40 984 20 1185 40 1586 29 1877 29 2168 64 2809 102 38110 62 44411 45 48812 37 52513 41 56614 32 59815 66 66416 41 70417 45 74918 65 81419 86 90020 67 967合计-- 967 967 筒身总重量 G = (每节重量) =6、动力特征计算前五阶自振周期分别为:T1 =T2 =T3 =T4 =T5 =前五阶振型相对位移计算结果标高(m) 第一振型(相对值)第二振型(相对值)第三振型(相对值)第四振型(相对值)第五振型(相对值)0 0 0 0 07、风荷载计算横向风振判断第1振型时的临界风速计算错误!式中D2/3-----2H/3高度处烟囱的外直径烟囱雷诺数R e错误!R e = 69000V cr1D2/3 = 69000 ×× = × 106R e≥× 106,×V H > V cr1需要考虑横风向风荷载已经设立破风圈,不考虑横风向作用风荷载标准值计算顺风向风压时风荷载计算结果标高R o?z?B?v z/H R?1(z) B z?z?k (m)90090090090020002000200020002000200020002000200020002000200020002000200020002000注:R0——筒身截面外半径(mm)风弯矩标准值计算风荷载及风弯矩标准值计算结果标高(m) Q i M wki-- --682667188881176139916392000231026043072343438674158451649235531648677548643注: 1、Q i表示作用于每一节中心处的集中风荷载, 单位为kN2、M wki = ∑(Q i h i), 单位为考虑瞬时极端最大风速时的风荷载计算(只计算顺风向风压)瞬时极端最大风速时风荷载计算结果标高R o?z?B?v z/H R?1(z) B z?z?k (m)90090090090020002000200020002000200020002000200020002000200020002000200020002000风荷载标准值计算结果标高(m) Q i M wki-- --913569621189157518742196267930953488411646015180557060496594740886851038011569 注: 1、Q i表示作用于每一节中心处的集中风荷载, 单位为kN2、M wki = ∑(Q i h i), 单位为8、地震作用及内力计算地震作用下的剪力(kN)标高第一振型第二振型第三振型第四振型第五振型振型组合值(m)地震作用下弯矩标高第一振型第二振型第三振型第四振型第五振型振型组合值(m)1858128149180203227262293324376418470506 551 603 684 815 992 11169、附加弯矩计算标高(m) 承载能力极限状态风荷载附加弯矩M ai承载能力极限状态地震附加弯矩M Eai正常使用极限状态风荷载附加弯矩M aki10、荷载内力组合荷载组合工况表组合1 S = + + + ××S Lk组合2 S = + + + ××S Lk组合3 S = + ××S wk + + ××S Lk组合4 S = + + ××S wk + ×M aE组合5 S = + + ××S wk + ×M aE组合6 S = + + + ××S wk +组合7 S = + - + ××S wk +组合8 S = + + + ××S wk +组合9 S = + - + ××S wk +组合10 S = + +组合11 S = + +标高(m)组合1 组合2 组合3N M N M N M 0 0 0 0 0 0 29 100 35 100 40 62 59 392 70 392 79 243 98 1063 118 1063 133 661 118 1314 142 1314 159 817 158 1740 190 1740 213 1082 187 2069 224 2069 252 1285 216 2423 259 2423 291 1505 280 2955 335 2955 377 1835 381 3411 458 3411 515 2118 444 3844 533 3844 599 2386 488 4534 586 4534 659 2814 525 5067 630 5067 709 3144 566 5704 680 5704 765 3539 598 6132 718 6132 807 3804 664 6658 796 6658 896 4129 704 7257 845 7257 951 4500 749 8148 899 8148 1011 5051 814 9545 976 9545 1099 5913 900 11391 1080 11391 1215 7048 967 12676 1160 12676 1305 7836标高(m)组合4 组合5N M N M0 0 0 035 45 29 4570 156 59 156 118 387 98 387 142 467 118 467 190 596 158 596 224 694 187 694 259 799 216 799 335 956 280 956 458 1092 381 1092 533 1223 444 1223 586 1435 488 1435 630 1601 525 1601 680 1802 566 1802 718 1939 598 1939 796 2108 664 2108 845 2303 704 2303 899 2597 749 2597 976 3063 814 3063 1080 3686 900 3686 1160 4123 967 4123标高(m)组合10N(kN) M0 0 29 96 59 376 98 1020 118 1260 158 1669 187 1984 216 2324 280 2834 381 3272 444 3687 488 4349 525 4860 566 5471 598 5881 664 6385 704 6958 749 7812 814 9150 900 10915967 12144标高(m)组合11N(kN) M0 0 29 100 59 392 98 1063 118 1314 158 1740 187 2069 216 2423 280 2955 381 3411 444 3844 488 4534 525 5067 566 5704 598 6132 664 6658 704 7257 749 8148 814 9545 900 11391 967 1267611、钢烟囱强度与稳定计算钢烟囱强度计算截面编号标高(m)A ni(m2)W ni(m3)N i(kN)M iN iA ni±M iW ni(N/mm2)f t(N/mm2)⎝⎛⎭⎫N iA ni±M iW ni/f t(%)0 -- -- -- -- -- -- --1 35 1002 70 3923 118 10634 142 13145 190 17406 224 20697 259 24238 335 29559 458 341110 533 384411 586 453412 630 506713 680 570414 718 613215 796 665816 845 725717 899 814818 976 954519 1080 1139120 1160 12676钢烟囱局部稳定计算钢烟囱局部稳定验算表(一)截面编号标高(m)t(mm)D i(mm)?N?B A ni(m2)W ni(m3)N i(kN)M i?N(N/mm2)?B(N/mm2)0 -- -- -- -- -- -- -- -- -- --1 1796 35 1002 1796 70 3923 1796 118 10634 3996 142 13145 3996 190 17406 3996 224 20697 3996 259 24238 3996 335 29559 3996 458 341110 3996 533 384411 3996 586 453412 3996 630 5067 13 3996 680 5704 14 3996 718 6132 15 3996 796 6658 16 3996 845 7257 17 3996 899 8148 18 3996 976 9545 19 3996 1080 11391 203996116012676钢烟囱局部稳定验算表(二)截面 编号 标高 (m) f yt (N/mm 2) ?? E t ×105 (N/mm 2) ?et ??crt?N +?B(N/mm 2) ()σN +σB /σcrt(%)0 -- -- -- -- -- -- -- -- -- 1 2 3 4 5 6 7 8 9 10 11 12 13 14 15 16 17 18 19 20钢烟囱整体稳定性计算 截面位置 A bi (m 2) W bi(m 3) 计算长 度l 0(m)长细比? 稳定 系数? N Ex (kN) N i (kN) M i ? (N/mm 2) f t(N/mm 2)?/f t(%) 底部48525116012676钢烟囱孔洞应力计算 根据烟囱规范式()计算σ = ⎣⎡⎦⎤N A 0 + MW 0αk ≤ f t标高(m) ?k A0(m2)W0(m3)N(kN)M?N/(mm2)f tN/(mm2)结果976 9545不通过(洞口补强)(12、考虑瞬时极端最大风速下验算结果标高(m)A ni(m2)W ni(m3)N i(kN)M iN iA ni±M iW ni(N/mm2)f y(N/mm2)⎝⎛⎭⎫N iA ni±M iW ni/f y(%)-- -- -- -- -- -- --29 9659 37698 1020118 1260158 1669187 1984216 2324280 2834381 3272444 3687488 4349525 4860566 5471598 5881664 6385704 6958749 7812814 9150900 10915967 12144烟囱底板厚度计算底板面积:A(m2)底板抵抗矩:W(m3)底板压应力:?cbt(kN/m2)筒壁外侧为三边支撑板自由边长度a(m)两端与自由边相邻的边长度b(m)?M max m)底板厚度t(mm)筒壁内侧为一边支撑板筒壁内侧为一边支撑板C(m)M max m)底板厚度t(mm)底板厚度取较大结果且要大于14mm ,因此取底板厚度t为45mm地脚螺栓直径计算单个地脚螺栓的拉力(kN)所需地脚螺栓净面积(mm2)地脚螺栓计算直径d1(mm)地脚螺栓所需直径d(mm)地脚螺栓所需面积(mm2)最终取地脚螺栓为30-M76筋板厚度计算底板分布反力得到的压力N1(kN)锚栓产生的拉力N2(kN)根据筋板抗拉强度计算的筋板厚度t1(mm)根据筋板抗剪强度计算的筋板厚度t2(mm)构造要求t3(mm)筋板厚度取以上三者的较大值,最终取值为28mm盖板厚度计算盖板类型为环形盖板筋板内侧间距l3'(mm)筋板自由外伸宽度b(mm)盖板上地脚螺栓孔直径d3(mm)计算盖板厚度t g(mm)构造要求:盖板厚度不小于底板厚度,最终取值为38mm筒壁各截面位移结果截面编号标高(m)基本风压作用下位移(mm)瞬时最大风速作用下位移(mm)地震作用下位移(mm)0 1 2 3 4 5 6 7 8 9101112131415161718192015、加强圈间距计算编号标高(m)D r(mm)t r(mm)E t×105(N/mm2)??(N/mm2)f rv co(m/s)加强筋截面H s(m)0 -- -- -- -- -- -- -- --1 1800 102 1800 103 1800 104 4000 105 4000 106 4000 107 4000 108 4000 129 4000 1210 4000 1211 4000 1212 4000 1213 4000 1414 4000 1415 4000 1416 4000 1417 4000 1418 4000 14计算结果:1.塔筒体上部1/3筒高处需设置破风圈,以消除横风向风振;2.标高处管道按直径1800的开洞计算,根据计算结果,洞口处需要补强;3.沿筒高壁厚变化,厚度分别为16mm,14mm,12mm。
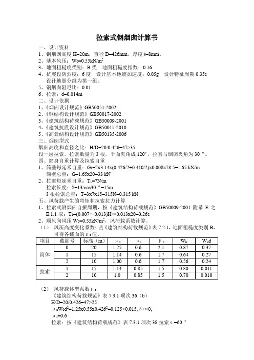
拉索式钢烟囱计算书一、设计资料1、钢烟囱高度 H=20m,直径 D=426mm,厚度 t=8mm 。
22、基本风压: W0=0.55kN/m2 3 43、地面粗糙度类别: B 类地面粗糙度指数: 0.164、抗震设防烈度: 6 度设计基本地震加速度: 0.05g 设计特征周期 0.35s 设计地震分组为第一组。
5、钢烟囱阻尼比: 0.016、拉索: d=0.014m二、设计依据1、《烟囱设计规范》 GB50051-20022、《钢结构设计规范》 GB50017-20023、《建筑结构荷载规范》 GB50009-20014、《建筑抗震设计规范》 GB50011-20105、《高耸结构设计规范》 GB50135-2006三、烟囱型式烟囱高度和直径之比: H/D=20/0.426=47>35 设一层拉索,拉索数量为 3 根,平面夹角成 120o,拉索与烟囱夹角为 30 o。
四、筒身自重计算及拉索自重1、筒壁每延米自重: G1=2x3.14x(0.426/2+0.410/2)x0.008x78.5=1.65 kN/m 筒壁总重: G=1.65x20=33 kN2、拉索每延米自重: T1=7N/m 拉索长度: S=13/cos30 o=15m3 根拉索总重: T=3x7x15=315N=0.315 kN五、风荷载产生的弯矩和拉索拉力计算 1、拉索式钢烟囱自振周期,按《建筑结构荷载规范》 GB50009-2001 附录 E 之E.1.1取:T1=(0.007~0.013)H≈0.013x20=0.26s2、顺风向风压 W0=0.55kN/m2,风荷载系数计算。
( 1)风压高度变化系数:查《建筑结构荷载规范》表 7.2.1,地面粗糙度类别B,可得各截面的μz 值2 风荷载体型系数μ s《建筑结构荷载规范》表 7.3.1项次 36(b)H/D=20/0.426=47>25 μz W0d2=1.25x0.55x0.4262=0.125>0.015,Δ≈0, μs=0.6拉索:按《建筑结构荷载规范》表 7.3.1项次 38 拉索α=60 o风荷载水平分量的体型系数 W SX =0.85 风荷载垂直分量的体型系数 W SY =0.40(3) 高度 Z 处的风振系数 β z 。
钢烟囱设计计算书(自立式)1 设计依据1.1 《建筑结构荷载规范》GB 50009-20121.2 《建筑抗震设计规范》GB 50011-20101.3 《烟囱设计规范》GB 50051-2013 2 设计参数 钢烟囱计算高度H e 16m :=材料强度Q235f t 215MPa:=烟囱底、顶标高z 120m :=下部高度H 18m:=上部高度H 2H e H 1−8m =:=下部内径d 11700mm :=上部内径d 21700mm:=上部壁厚t 26mm:=下部截面面积上部截面面积下部截面抵抗矩上部截面抵抗矩下部截面回转半径I 1A 1i 120.012m4=:=上部截面回转半径I 2A 2i 220.012m4=:=截面长细比3 风荷载计算 基本风压ω00.35kPa:=根据规范《石油化工管式炉钢结构设计规范》SHT3070-2005附录B规定,则圆形烟囱体型系数μs 0.70:=烟囱筒体质量m e0γs A 1H 1⋅A 2H 2⋅+()⋅ 4.039ton ⋅=:=烟囱附加设备质量m e12323kg:=烟囱总质量m e m e0m e1+ 6.6ton⋅=:=N e m e g ⋅58.713kN⋅=:=参照规范《石油化工管式炉钢结构设计规范》SHT3070-2005附录B,则直筒式烟囱基本自振周期参照规范《建筑结构荷载规范》GB 50009-2012附录F,则钢烟囱基本自振周期钢烟囱基本自振周期T 1max T 1a T 1b , ()0.208s=:=根据《建筑结构荷载规范》GB 50009-2012第8·4条,可不考虑顺风向风振的影响。
z高度处的风振系数βz计算峰值因子g 1 2.5:=10m高度名义湍流强度I 100.14:=备注:对应A、B、C和D类地面粗糙度,可分别取012、014、023和039结构阻尼比结构第1阶自振频率地面粗糙度修正系数备注:对应A、B、C和D类地面粗糙度,分别取128、100、054和026x 15>脉动风荷载的共振分量因子H1a 1.6m:=结构第1阶振型系数z为高度下部z为全高度处脉动风荷载垂直方向的相关系数脉动风荷载水平方向的相关系数ρx 1.00:=系数查表取值k0.910:=α10.218:=地面粗糙度类别B风压高度变化系数脉动风荷载的背景分量因子z高度处的风振系数风荷载标准值ωk1βz1μs ⋅μz1⋅ω0⋅0.319kPa ⋅=:=ωk2βz2μs ⋅μz2⋅ω0⋅ 1.298kPa⋅=:=烟囱底部截面受力计算:风荷载水平力标准值风荷载弯矩标准值风荷载水平力设计值V w 1.4V kw ⋅31.01kN ⋅=:=风荷载弯矩设计值M w 1.4M kw 248.06kN·m⋅=:=螺栓数量及直径计算根据《钢结构设计规范》表8·3·4,螺栓间距s取3倍至16倍螺栓孔径螺栓孔外挑宽度Δ1150mm:=螺栓圆周长L 1πd 12Δ1⋅+()⋅ 6.283m =:=螺栓数量估算螺栓数量取偶数个为地脚螺栓最大拉力查《钢结构设计手册》表10-6,螺栓直径d取20mm,对应最大拉力为34.3kN又由《石油化工管式炉钢结构设计规范》SHT3070-2005第9·3·13条,考虑锚栓的腐蚀裕度3mm 最终选择锚栓直径为M24。
(一)设计资料1.烟囱型式:单筒式钢筋混凝土烟囱2.钢内筒高210m,内直径8.0m钢筋混凝土外筒高205m,出口直径11m3.极端最低温度:-5度,极端最高温度:40度4.地震烈度:7度。
场地土类别:I类5.烟囱高度210m,安全等级为一级,风荷载采用百年一遇,换算后风荷载的为1.034Kpa6.烟囱零米标高相当于绝对标高12.00m,基础埋深-6.20m,持力层为中风化花岗岩,地基承载力特征值fa k≥800Kpa(二)设计原则1.钢筋混凝土外筒基础采用环板基础,混凝土等级为C402.内筒型式:自立式钢内筒,重量不传至外筒,计算外筒时不考虑内筒刚度,计算外筒时作为外加惯性荷载计入其重量。
内筒防腐按进口泡沫玻璃考虑,厚度为38mm,重量为13kg/㎡3.钢筋混凝土筒身采用C40混凝土。
外筒为内筒施工预留施工孔(9mx9m),外筒烟道孔按6.48mx16.68m考虑,底标高为12.73m4.计算软件为:钢筋混凝土烟囱计算软件Multi-flue Chimney V3.05.钢筋混凝土外筒内部设6层平台,平台处设置止晃点。
顶层平台为混凝土平台,按承重平台考虑,其余为钢平台,按检修平台考虑。
平台标高分别为:35.0m,70.0m,105.0m,140.0m,175.0m,203.6m(三)荷载计算1.钢内筒荷载计算(1)钢内筒筒壁自重荷载(壁厚按20mm计算)q1=rxA=rx∏x(r1·r1-r2·r2)=78x3.14x(4.058·4.058-4.038·4.038)=39.66KN/m(2) 钢内筒玻璃砖自重荷载:q2=rxA=rx∏xD=13x3.14x8.076=3.30 KN/m(3) 每个钢内筒沿竖向线性荷载:q= q1+ q2=39.66+3.30=42.96 KN/m2.平台荷载计算顶部平台恒载标准值;6 kN/㎡顶部平台活载标准值;7 kN/㎡其他平台恒载标准值;1.5kN/㎡其他平台活载标准值;3 kN/㎡35m平台:半径R=8.04m,A=3.14x8.04x8.04-3.14x4.35x4.35=143.56恒载标准值;1.5x143.56=215.34 KN活载标准值;3x143.56=430.68KN70m平台:半径R=6.60m,A=3.14x6.60x6.60-3.14x4.35x4.35=77.36恒载标准值;1.5x77.36=116.04 KN活载标准值;3x77.36=232.09KN105m平台:半径R=5.62m,A=3.14x5.62x5.62-3.14x4.35x4.35=39.76恒载标准值;1.5x39.76=59.64 KN活载标准值;3x39.76=119.28KN140m平台:半径R=4.95m,A=3.14x4.95x4.95-3.14x4.25x4.25=20.22恒载标准值;1.5x20.22=30.33 KN活载标准值;3x20.22=60.66KN175m平台:半径R=4.95m,A=3.14x5.15x5.15-3.14x4.45x4.45=21.10恒载标准值;6x21.10=31.65 KN活载标准值;3x21.10=63.30KN203.6m平台:半径R=4.95m,A=3.14x5.2x5.2-3.14x4.5x4.5=21.32恒载标准值;6x21.32=127.92 KN活载标准值;7x21.32=149.24KN计算各层外加垂直荷载时,平台活荷载折减系数取0.65计算各层外加惯性荷载时,不考虑顶层平台活荷载,考虑顶层平台积灰荷载1kN/㎡,其余平台荷载折减系数0.5,同时计入钢筒重量。
自立式钢烟囱一. 工程概况该结构为一自立式钢烟囱,安全等级为二m,壁厚从上至下分别为1012现在壁厚变化处作1-1、2-2、3-3剖面。
二. 设计依据主要计算根据是:1. 甲方提供的各种数据文件、资料和图2. 我国现行有关规范、规程,主要包《烟囱设计规范》(GB50051-《建筑结构荷载规范》(GB50009-《钢结构设计规范》(GB50017-《建筑抗震设计规范》(GB50011-三. 截面性质四. 荷载信息2.风荷载标准值:∑H/D=12.00,则μs=0.53w0=0.6kN/m2T1=0.39s,则w0 T12=0.09荷载规范》风荷载分布图(kN/m)弯矩图(kN·m)3. 地震荷载标准值:根据《烟囱设计规范》(GB50051-2002)式α1=0.12,H0= M0=α1 G E H0=375.56kN·m∵T1=0.39s,T g=∴η0=0.55,V0=η0α1 G E=五. 荷载组合1. 荷载效应组合按下式确定:γ0(γG S GK+γQ1S Q1K)≤R2. 地震作用效应组合按下式确定:γGE S GE+γEhS EhK+ψcweγ具体为如下2种组合情况:1) 1.2×恒载+ 1.42) 1.2×恒载+ 1.4其中,γ0=1.0,γRE=0.8六. 强度及局部稳定验算f t=γs f=1.00×215=215N/mm2,f t/γRE=268.75根据《烟囱设计规范》(GB50051-风荷载作用下:σcrt w10=0.4E t/k×t3/d3=351.57N/mm2σcrt w20=0.4E t/k×t2/d2=263.68N/mm2σcrt w30=0.4E t/k×t1/d1=219.73N/mm2地震作用下:σcrt E10=0.4E t/k×t3/d3=439.47N/mm2σcrt E10/γRE=549.33N/mm21. 1.2×恒载+1.4×风载 1-1截面:σ1=N1/A1+M1y1/I1= 4.34N/mm2<f t= τ1=2V1/A1=0.84N/mm<f v=125N/mm22-2截面:σ2=N2/A2+M2y2/I2=12.81N/mm2<f t= τ2=2V2/A2= 1.33N/mm<f v=125N/mm23-3截面:σ3=N3/A3+M3y/I3=20.40N/mm2<f t= τ3=2V3/A3= 1.42N/mm<f v=125N/mm22. 1.2×恒载+1.4×0.2×风载+1.3×地震3-3截面:σ3=N3/A3+M3y/I3=12.21 N/mm2<f t/γRE= τ3=2V3/A3=0.60 N/mm2<f v/γRE=七. 稳定验算根据《烟囱设计规范》(GB50051-i=√(I3/A3)=878.24mmλ=μl/i=68.32,则φ=0.76N EX=πE t A3/(1.1λ2)=49445.11kN1. 1.2×恒载+1.4×风载 σ=N3/φ3A3+M3y3/[I3(1-0.821.19 2. 1.2×恒载+1.4×0.2×风载+1.3×地震σ3=N3/φA3+M3y3/[I3(1-0.812.96八. 柱脚验算1. 锚栓验算选用20个Φ39锚栓,材料选用Q235,锚锚栓中心离底板外边缘距离为100mm,筒锚栓数量n=20构外壁距离锚栓中心离底板外边缘距离为100mm筒壁内侧底板长度为100mm锚栓中心线形成的圆直径d0= 2.7m轴向压力N=0.9*(G1+G2+G3)=209.75kN根据《烟囱设计规范》(GB50051-锚栓最大拉力P max=4M/(nd0)-91.06kN2. 底板厚度验算底板面积A =2450440mm 2底板惯性矩I = 2.10E+12mm 4如采用加劲肋,则σcbt =G /A +My /I = 1.01N/mm 2a =πd /n =456mm ,b =b /a =0.44,则β=0.05205M max =βσcbt a 2=10956N·mm t ≥√(6M max /f t )=17.5mm ,取底板厚度为25 mm 。
(如果不单独存档,不盖入库章)计 算 书xxxx 项目 xxxx 装置 66米钢烟囱文件编号:xxxx钢烟囱设计软件QY —Chimney*********工程建设有限公司2017年10月目录1、设计资料 (3)2、计算依据 (7)3、筒体自重计算 (8)4、筒体截面参数 (10)5、筒体温度计算 (11)6、动力特征计算 (14)7、风荷载计算 (16)8、考虑瞬时极端最大风速时的风荷载计算(只计算顺风向风压) (18)9、地震作用及内力计算 (20)10、附加弯矩计算 (24)11、荷载内力组合 (30)12、钢烟囱强度与稳定计算 (33)13、考虑瞬时极端最大风速下验算结果 (37)14、筒壁容许应力计算 (38)15、钢烟囱底座计算 (41)16、钢烟囱位移结果 (44)17、加强圈间距计算 (45)1、设计资料1.基本设计资料烟囱总高度H = 66。
000m烟气温度T gas = 80.00℃烟囱底部高出地面距离: 0mm夏季极端最高温度T sum = 40。
00℃冬季极端最低温度T win = —15。
00℃最低日平均温度T win = -5.00℃烟囱日照温差△T = 15.00℃基本风压ω0 = 0。
35kN/m2瞬时极端最大风速: 50.00(m/s)地面粗糙度: B类烟囱筒体几何缺陷折减系数δ = 0。
50 烟囱安全等级:二级抗震设防烈度: 7度(0.10g)设计地震分组: 第一组建筑场地土类别: Ⅱ类筒壁腐蚀厚度裕度: 2.00mm衬里起始高度: 0.00m设置破风圈: 是2.材料信息序号使用部位材料名称最高使用温度(℃)密度(kg/m3)导热系数λ(W /(m·K))1 隔热层JM—100 1100 850.00 ———-—2 筒壁钢材Q235(B)250 7850.00 58。
150给定三个温度点下隔热层的导热系数值给定温度(℃)350 450 550 导热系数(W /(m·K)) 0.200 0.200 0.2403.几何尺寸信息烟囱总分段数: 7烟囱筒身分段参数表编号标高(m)烟囱筒壁外直径(mm)分段高度(m)0 66.00 2000.00 -—--—1 60.00 2000。
1 设计依据:2 烟囱资料:钢烟囱高度H 35.000(m)12.1上部外径d 1 2.400(m) 1.000(m)下部外径d 2 2.900(m)1个上部壁厚t 16(mm)20.500(m)下部壁厚t 26(mm)14.500(m)钢材牌号Q235215.000(N/mm2)截面面积A 145126(mm 2) 2.69E+07(mm 3)截面面积A 254551(mm 2) 3.94E+07(mm 3)旋转半径i 1846(mm)83旋转半径i 21023(mm)68重力荷载代表值G E 118(kN)自振周期(按烟囱规范):T 1=0.26+0.0024H 2/d=1.188(S)3 竖向荷载计算:重力标准值G k127(kN)-9(kN)备注:z—计算高度ν—系数z/H—相对高度μz —风压高度系数φz —振型系数βz —风振系数μs —风荷载体型系数ξ—脉动增大系数上部高度钢烟囱计算书(自立式)《建筑结构荷载设计规范》 GB50009-2001(2006) 《高耸结构设计规范》 GBJ 135-90 《烟囱设计规范》 GB50051-2002《建筑抗震设计规范》 GB50011-2001下部高度H/d 平台直径平台个数f t 长细比λ1平台活荷标准值Q k截面抵抗矩W t1截面抵抗矩W t2长细比λ2βz =1+ξνφz /μzωk —风荷载标准值 ωk =βz μs μz ω03.46(kN/m)1414(kN.m)4 横风向风振计算:自振周期T 1 1.188截面直径D2.6501.293Kg/m 3斯托罗哈数S t 0.2 1.68临界风速v cr =D/T i S t 11.230.2(m/s)雷诺数R e =69000vD 2.0E+065 地震荷载计算:抗震设防烈度:6加速度:0.10g 结构阻尼比ζ:0.01地震分组:第一组场地类别:IV 查表 剪力修正系数ηC0.75αmax0.04特征周期T g (s)0.35下降斜率调整系数η10.03阻尼调整系数η2 1.520.970.05017.500(m)103.2(kN.m)4.4(kN)6 荷载组合:162.6(kN)1980.0(kN.m)530.2(kN.m)0.8验算荷载N=162.6(kN)M=1980.0(kN.m)7 截面荷载计算:1. 强度验算γx =1.15 1.546.7<ft=215满足!113.7>σ=46.7满足!2. 稳定验算6857044 查表φ=0.65555.8<ft=215满足!底部地震剪力标准值 V 2k =ηC α1G E衰减指数γ烟囱顶至重心距离h 03.E+05<=Re<3.E+06, 发生超临界范围的共振,可不做处理!可不考虑竖向地震作用!σ=N/A 2 +M/(γx W t2) (N/mm 2)轴力设计值 N=1.35G k +1.4×0.7×Q k非地震组合控制顶部风速V h =(2000μH ω0/ρ)1/2底部地震弯矩标准值 M 2k =α1G E H 0烟囱顶部风荷载标准值ωk1=ωk d 1地震影响系数α1=(Tg/T)γη2αmax筒壁局部稳定 0.4E t t 2/k/d 2 (N/mm 2)局部抗压调整系数k N ex =π2EA/(1.1λ2)(N)截面抗震调整系数γRE =顶部风压高度变化系数μH底部风荷载弯矩标准值 M 1k =ωk1H 2/3空气密度ρ非地震组合 M=1.4×M 1k 地震组合 M=1.3×M 2k +0.2×1.4×M 1k弯矩设计值σ=N/φA 2 +M/W t2(1-0.8N/N EX ) (N/mm 2)8 地脚螺栓选择:螺栓布置所在圆直径d0860(mm)16(个)螺栓材质Q23530(mm)565.4(kN)选用M36P=114.3(kN)(螺栓布置见附图)9 基础局部受压应力:基础混凝土强度等级C40βl=3混凝土f t 1.7132.0< 3.5不满足!10 烟囱顶部位移:fmax=11ql4/120EI=71.540322mmH/fmax=489.23459>100满足!0.675螺栓数量n混凝土局部压应力σcbt=N/A+M/W=荷载分布影响系数ω螺栓所受最大拉力为:P max=4M/nd0-N/n=ωβlft=螺栓直径d e。
拉索式钢烟囱计算书一、设计资料1、钢烟囱高度H=20m,直径D=426mm,厚度t=8mm。
2、基本风压:W0=0.55kN/m23、地面粗糙度类别:B类地面粗糙度指数:0.164、抗震设防烈度:6度设计基本地震加速度:0.05g 设计特征周期0.35s设计地震分组为第一组。
5、钢烟囱阻尼比:0.016、拉索:d=0.014m二、设计依据1、《烟囱设计规范》GB50051-20022、《钢结构设计规范》GB50017-20023、《建筑结构荷载规范》GB50009-20014、《建筑抗震设计规范》GB50011-20105、《高耸结构设计规范》GB50135-2006三、烟囱型式烟囱高度和直径之比:H/D=20/0.426=47>35设一层拉索,拉索数量为3根,平面夹角成120º,拉索与烟囱夹角为30 º。
四、筒身自重计算及拉索自重1、筒壁每延米自重:G1=2x3.14x(0.426/2+0.410/2)x0.008x78.5=1.65 kN/m筒壁总重:G=1.65x20=33 kN2、拉索每延米自重:T1=7N/m拉索长度:S=13/cos30 º=15m3根拉索总重:T=3x7x15=315N=0.315 kN五、风荷载产生的弯矩和拉索拉力计算1、拉索式钢烟囱自振周期,按《建筑结构荷载规范》GB50009-2001附录E之E.1.1取:T1=(0.007~0.013)H≈0.013x20=0.26s2、顺风向风压W0=0.55kN/m2,风荷载系数计算。
(1)风压高度变化系数:查《建筑结构荷载规范》表7.2.1,地面粗糙度类别B,(2)风荷载体型系数μs《建筑结构荷载规范》表7.3.1项次36(b)H/D=20/0.426=47>25μz W0d2=1.25x0.55x0.4262=0.125>0.015,Δ≈0,μs=0.6拉索:按《建筑结构荷载规范》表7.3.1项次38拉索α=60 º风荷载水平分量的体型系数W SX =0.85风荷载垂直分量的体型系数W SY =0.40(3) 高度Z 处的风振系数βz 。
35米钢烟囱计算书一、 设计依据:1.《烟囱设计规范》(GB50051-)2.《建筑结构荷载规范》(GB 50009-)3.《高耸结构设计规范》(GB J135-91)4.《钢结构设计规范》(GB 50017-)5.《建筑抗震设计规范》(GB50011-)6.《高耸结构设计手册》 王肇民 主编 中国建筑工业出版社7.《工程结构荷载与可靠度设计原理》 李国强等编 中国建筑工业出版社 8.《烟囱工程手册》 中国冶金建设集团包头钢铁设计研究总院二、 计算技术资料:1.基础风压20/55.0m kN w =, 地面粗糙度为B 类, 地震设防烈度为七度; 2烟气最高温度: 110o C, 不设隔热层; 3.烟囱钢材: Q235-B;4.烟囱安全等级为一级, 烟囱关键性系数0.1=o γ;5.烟囱高35米, 内径 为6000毫米, 20米以下壁厚t=18毫米、 20米以上壁厚t=16毫米, 满足《烟囱设计规范》(GB50051-)9.3.3条要求。
三、 判定是否考虑风荷载顺风向风振以及横风向风振效应由ANSYS 程序计算该烟囱基础自震周期 T 1=0.16s<0.25s高度35米处风压高度改变系数42.1=H μ 烟囱临界风速s m S T D v t cr /1732.016.0528.51=⨯==结构顶部风速s m w v H w H /8.4125.155.042.14.1200020000=⨯⨯⨯==ρμγ67105.3106.669000Re ⨯>⨯==D v cr ,但H cr v v <依据《高耸结构设计规范》和《建筑结构荷载规范》, 需要考虑风荷载顺风向风振, 而不考虑横风向风振效应。
四、 风荷载作用计算014.016.060.02210=⨯=T w , 查得脉动增大系数51.1=ξ, 脉动影响系数83.0=v , 风压高度改变系数42.1=z μ, 风荷载体型系数0.1=s μ五、 地震作用地震设防烈度为七度, 类场地。
拉索式钢烟囱计算书拉索式钢烟囱计算书⼀、设计资料1、钢烟囱⾼度H=20m,直径D=426mm,厚度t=8mm。
2、基本风压:W0=0.55kN/m23、地⾯粗糙度类别:B类地⾯粗糙度指数:0.164、抗震设防烈度:6度设计基本地震加速度:0.05g 设计特征周期0.35s设计地震分组为第⼀组。
5、钢烟囱阻尼⽐:0.016、拉索:d=0.014m⼆、设计依据1、《烟囱设计规范》GB50051-20022、《钢结构设计规范》GB50017-20023、《建筑结构荷载规范》GB50009-20014、《建筑抗震设计规范》GB50011-20105、《⾼耸结构设计规范》GB50135-2006三、烟囱型式烟囱⾼度和直径之⽐:H/D=20/0.426=47>35设⼀层拉索,拉索数量为3根,平⾯夹⾓成120o,拉索与烟囱夹⾓为30 o。
四、筒⾝⾃重计算及拉索⾃重1、筒壁每延⽶⾃重:G1=2x3.14x(0.426/2+0.410/2)x0.008x78.5=1.65 kN/m筒壁总重:G=1.65x20=33 kN2、拉索每延⽶⾃重:T1=7N/m拉索长度:S=13/cos30 o=15m3根拉索总重:T=3x7x15=315N=0.315 kN五、风荷载产⽣的弯矩和拉索拉⼒计算1、拉索式钢烟囱⾃振周期,按《建筑结构荷载规范》GB50009-2001附录E之E.1.1取:T1=(0.007~0.013)H≈0.013x20=0.26s2、顺风向风压W0=0.55kN/m2,风荷载系数计算。
(1)风压⾼度变化系数:查《建筑结构荷载规范》表7.2.1,地⾯粗糙度类别B,(2)风荷载体型系数µs《建筑结构荷载规范》表7.3.1项次36(b)H/D=20/0.426=47>25µz W0d2=1.25x0.55x0.4262=0.125>0.015,Δ≈0,µs=0.6拉索:按《建筑结构荷载规范》表7.3.1项次38拉索α=60 o风荷载⽔平分量的体型系数W SX =0.85风荷载垂直分量的体型系数W SY =0.40(3)⾼度Z 处的风振系数βz 。
目录1、设计资料 (2)2、计算依据 (6)3、筒体自重计算 (7)4、筒体截面参数................................................................................................................................................................................................ 错误!未定义书签。
5、筒体温度计算................................................................................................................................................................................................ 错误!未定义书签。
6、动力特征计算 (9)7、风荷载计算 (10)8、地震作用及内力计算 (13)9、附加弯矩计算 (15)10、荷载内力组合 (16)11、钢烟囱强度与稳定计算 (19)12、考虑瞬时极端最大风速下验算结果 (22)13、钢烟囱底座计算 (23)14、钢烟囱位移结果 (24)15、加强圈间距计算 (25)1、设计资料1.1 基本设计资料烟囱总高度H = 60.300m烟气温度T gas = 95.00℃烟囱底部高出地面距离: 0mm夏季极端最高温度T sum = 40.00℃冬季极端最低温度T win = -4.00℃最低日平均温度T win = -5.00℃烟囱日照温差△T = 20.00℃基本风压ω0 = 0.55kN/m2瞬时极端最大风速: 34.00(m/s)地面粗糙度: B类烟囱筒体几何缺陷折减系数δ = 0.50烟囱安全等级: 二级抗震设防烈度: 7度(0.10g)设计地震分组: 第一组建筑场地土类别: Ⅱ类筒壁腐蚀厚度裕度: 2.00mm衬里起始高度: 0.00m设置破风圈: 是自定义设计温度下筒壁钢材的许用应力: 117.00MPa 是否计算抽力: 否1.2 材料信息序号使用部位材料名称最高使用温度(℃)密度(kg/m3)导热系数λ(W /(m·K))1 筒壁钢材S31603 250 7850.00 58.150 1.3 几何尺寸信息烟囱总分段数: 18烟囱筒身分段参数表编号标高(m) 烟囱筒壁外直径(mm) 分段高度(m)0 60.30 1800.00 -----1 50.30 1800.00 10.002 43.50 1800.00 6.803 41.59 4000.00 1.914 38.91 4000.00 2.685 37.12 4000.00 1.806 35.32 4000.00 1.807 32.82 4000.00 2.508 30.82 4000.00 2.009 29.02 4000.00 1.8010 26.30 4000.00 2.7211 24.30 4000.00 2.0012 22.00 4000.00 2.3013 20.50 4000.00 1.5014 18.70 4000.00 1.8015 16.70 4000.00 2.0016 13.80 4000.00 2.9017 3.80 4000.00 10.0018 -0.00 4000.00 3.80 烟囱总截面数: 21烟囱筒身分节参数表(1)截面编号标高(m)烟囱筒壁外直径(mm)分节高度(m)筒壁厚度(mm)坡度(%)0 60.30 1800.00 ----- 12.00 0.0001 55.30 1800.00 5.000 12.00 0.0002 50.30 1800.00 5.000 12.00 0.0003 43.50 1800.00 6.800 12.00 0.0004 41.59 4000.00 1.905 12.00 57.7435 38.91 4000.00 2.680 12.00 0.0006 37.12 4000.00 1.800 12.00 0.0007 35.32 4000.00 1.800 12.00 0.0008 32.82 4000.00 2.500 12.00 0.0009 30.82 4000.00 2.000 14.00 0.00010 29.02 4000.00 1.800 14.00 0.00011 26.30 4000.00 2.720 14.00 0.00012 24.30 4000.00 2.000 14.00 0.00013 22.00 4000.00 2.300 14.00 0.00014 20.50 4000.00 1.500 16.00 0.00015 18.70 4000.00 1.800 16.00 0.00016 16.70 4000.00 2.000 16.00 0.00017 13.80 4000.00 2.900 16.00 0.00018 9.40 4000.00 4.395 16.00 0.00019 3.80 4000.00 5.605 16.00 0.00020 -0.00 4000.00 3.800 16.00 0.000烟囱筒身分节参数表(2)截面编号标高(m)附加重量(kN)附加风载(kN)洞口数量洞口形状洞口宽度(mm)洞口高度(mm)洞口直径(mm)5 38.91 8.00 0.00 0 矩形0 0 -----6 37.12 8.00 0.00 0 矩形0 0 -----7 35.32 8.00 0.00 0 矩形0 0 -----8 32.82 35.00 0.00 0 矩形0 0 -----9 30.82 75.00 0.00 0 矩形0 0 -----10 29.02 38.00 0.00 0 矩形0 0 -----11 26.30 8.00 0.00 0 矩形0 0 -----12 24.30 10.00 0.00 0 矩形0 0 -----13 22.00 10.00 0.00 0 矩形0 0 -----14 20.50 8.40 0.00 0 矩形0 0 -----15 18.70 38.00 0.00 0 矩形0 0 -----16 16.70 10.00 0.00 0 矩形0 0 -----18 9.40 0.00 0.00 1 圆形----- ----- 180020 -0.00 8.40 0.00 0 矩形0 0 -----是否设置爬梯: 否1.4 烟囱底座设计参数烟囱底板材料: Q235(B)烟囱底板内径D1: 3000.00mm烟囱底板外径D2: 5000.00mm偏心弯矩M e: 0.00kN.m地脚螺栓材料: Q235(B)地脚螺栓数量n: 20地脚螺栓腐蚀裕量c2: 4.0mm地脚螺栓中心线直径D3: 4500mm筋板材料: Q235(B)筋板高度hj: 600.00mm盖板材料: Q235(B)盖板类型: 环形盖板是否有垫板: 否2、计算依据《烟囱设计规范》 GB 50051-2013《建筑结构荷载规范》GB 50009-2012《建筑抗震设计规范》GB 50011-2010《钢结构设计规范》GB 50017-2003《烟囱设计手册》(2014年5月第1版)《不锈钢结构技术规程》CECS 410:2015 《低合金高强度结构钢》GB/T 1591-2008《钢结构设计手册》(第三版)《钢结构连接节点设计手册》(第二版)不锈钢S31603强度设计值见下表:3、筒体自重计算筒身自重表格(1)截面编号标高(m) 重量(kN) 筒壁0 60.30 0.001 55.30 25.932 50.30 25.933 43.50 35.264 41.59 18.425 38.91 31.006 37.12 20.827 35.32 20.828 32.82 28.919 30.82 26.9710 29.02 24.2811 26.30 36.6812 24.30 26.9713 22.00 31.0214 20.50 23.1115 18.70 27.7316 16.70 30.8117 13.80 44.6818 9.40 64.5819 3.80 86.3520 -0.00 58.54 合计-- 688.81筒身自重表格(2)截面编号标高(m)附加重量(kN)破风圈重(kN)本节总重量(kN)每节根部重量(kN)0 60.30 0.00 -- 0.00 0.001 55.30 0.00 3.34 29 292 50.30 0.00 3.34 29 593 43.50 0.00 4.54 40 984 41.59 0.00 1.27 20 1185 38.91 8.00 0.93 40 1586 37.12 8.00 0.00 29 1877 35.32 8.00 0.00 29 2168 32.82 35.00 0.00 64 2809 30.82 75.00 0.00 102 38110 29.02 38.00 0.00 62 44411 26.30 8.00 0.00 45 48812 24.30 10.00 0.00 37 52513 22.00 10.00 0.00 41 56614 20.50 8.40 0.00 32 59815 18.70 38.00 0.00 66 66416 16.70 10.00 0.00 41 70417 13.80 0.00 0.00 45 74918 9.40 0.00 0.00 65 81419 3.80 0.00 0.00 86 90020 -0.00 8.40 0.00 67 967合计-- 264.80 13.42 967 967 筒身总重量 G = (每节重量) = 967.03kN6、动力特征计算前五阶自振周期分别为:T1 = 0.7670sT2 = 0.2147sT3 = 0.0867sT4 = 0.0427sT5 = 0.0281s前五阶振型相对位移计算结果标高(m) 第一振型(相对值)第二振型(相对值)第三振型(相对值)第四振型(相对值)第五振型(相对值)60.30 1.0000 1.0000 1.0000 1.0000 1.0000 55.30 0.8645 0.5847 0.1394 -0.3018 -0.6062 50.30 0.7326 0.2107 -0.4989 -0.8153 -0.5944 43.50 0.5728 -0.0997 -0.6425 -0.1898 0.7089 41.59 0.5342 -0.1307 -0.5407 -0.0312 0.6491 38.91 0.4814 -0.1619 -0.3782 0.1375 0.4319 37.12 0.4465 -0.1784 -0.2664 0.2212 0.2577 35.32 0.4122 -0.1911 -0.1553 0.2738 0.0785 32.82 0.3656 -0.2019 -0.0084 0.2879 -0.1393 30.82 0.3295 -0.2050 0.0984 0.2505 -0.2577 29.02 0.2978 -0.2040 0.1836 0.1858 -0.3082 26.30 0.2517 -0.1961 0.2871 0.0486 -0.2802 24.30 0.2195 -0.1857 0.3407 -0.0656 -0.1930 22.00 0.1844 -0.1696 0.3764 -0.1906 -0.0487 20.50 0.1628 -0.1572 0.3850 -0.2603 0.0549 18.70 0.1381 -0.1409 0.3815 -0.3256 0.1733 16.70 0.1125 -0.1215 0.3609 -0.3692 0.2813 13.80 0.0792 -0.0920 0.3051 -0.3743 0.3695 9.40 0.0384 -0.0492 0.1848 -0.2712 0.3280 3.80 0.0066 -0.0094 0.0394 -0.0661 0.0909 -0.00 0 0 0 0 07、风荷载计算 7.1 横向风振判断7.1.1 第1振型时的临界风速计算V cr1 = D 2/3T 1S t = 4.000.7670 × 0.20= 26.08m/s式中 D 2/3-----2H /3高度处烟囱的外直径 7.1.2 烟囱雷诺数R eV H = 40μH ω0 = 40 1.7124 × 0.55 = 38.82m/sR e = 69000V cr1D 2/3 = 69000 × 26.08 × 4.00 = 7.20 × 106 R e ≥ 3.5 × 106, 1.2 × V H > V cr1 需要考虑横风向风荷载已经设立破风圈,不考虑横风向作用 7.2 风荷载标准值计算顺风向风压时风荷载计算结果标高(m) R o μz θB θv z /H R ϕ1(z)B z βzωk60.30 900 1.7124 0.45 1.92 1.00 1.9290 1.00000.8758 2.3320 2.64 55.30 900 1.6677 0.45 1.92 0.92 1.9290 0.8632 0.7762 2.1806 2.40 50.30 900 1.6227 0.45 1.92 0.83 1.9290 0.7247 0.6698 2.0187 2.16 43.50 900 1.5550 0.45 1.92 0.72 1.9290 0.5516 0.5319 1.8091 1.86 41.59 2000 1.5359 1.00 1.92 0.69 1.9290 0.5057 1.0973 2.6690 2.71 38.91 2000 1.5059 1.00 1.92 0.65 1.9290 0.4435 0.9815 2.4928 1.45 37.12 2000 1.4825 1.00 1.92 0.62 1.9290 0.4017 0.9030 2.3735 1.35 35.32 2000 1.4591 1.00 1.92 0.59 1.9290 0.3639 0.8311 2.2641 1.27 32.82 2000 1.4266 1.00 1.92 0.54 1.9290 0.3172 0.7411 2.1271 1.17 30.82 2000 1.4006 1.00 1.92 0.51 1.9290 0.2799 0.6660 2.0130 1.09 29.02 2000 1.3742 1.00 1.92 0.48 1.9290 0.2487 0.6031 1.9172 1.01 26.30 2000 1.3307 1.00 1.92 0.44 1.9290 0.2036 0.5098 1.7754 0.91 24.30 2000 1.2987 1.00 1.92 0.40 1.9290 0.1704 0.4373 1.6651 0.83 22.00 2000 1.2619 1.00 1.92 0.36 1.9290 0.1420 0.3749 1.5702 0.76 20.50 2000 1.2379 1.00 1.92 0.34 1.9290 0.1239 0.3336 1.5074 0.72 18.70 2000 1.2039 1.00 1.92 0.31 1.9290 0.1023 0.2831 1.4306 0.66 16.70 2000 1.1639 1.00 1.92 0.28 1.9290 0.0829 0.2372 1.3608 0.61 13.80 2000 1.0987 1.00 1.92 0.23 1.9290 0.0576 0.1747 1.2658 0.54 9.40 2000 1.0000 1.00 1.92 0.16 1.9290 0.0282 0.0939 1.1428 0.44 3.80 2000 1.0000 1.00 1.92 0.061.9290 0.0100 0.0333 1.0507 0.40 -0.0020001.00001.001.92-0.001.92900.01000.03331.05070.40注:R 0——筒身截面外半径(mm ) 7.3 风弯矩标准值计算风荷载及风弯矩标准值计算结果 标高(m) Q i M wki 60.30----55.30 27.19 6850.30 24.64 26643.50 29.51 71841.59 15.12 88838.91 22.25 117637.12 10.08 139935.32 9.46 163932.82 12.20 200030.82 9.02 231029.02 7.56 260426.30 10.47 307224.30 6.97 343422.00 7.34 386720.50 4.44 415818.70 4.97 451616.70 5.09 492313.80 6.64 55319.40 8.57 64863.80 9.47 7754-0.00 6.15 8643注: 1、Q i表示作用于每一节中心处的集中风荷载, 单位为kN2、M wki = ∑(Q i h i), 单位为kN.m7.4 考虑瞬时极端最大风速时的风荷载计算(只计算顺风向风压)瞬时极端最大风速时风荷载计算结果标高R oμzθBθv z/H Rϕ1(z) B zβzωk (m)60.30 900 1.7124 0.45 1.92 1.00 2.0186 1.0000 0.8758 2.3810 3.5455.30 900 1.6677 0.45 1.92 0.92 2.0186 0.8632 0.7762 2.2240 3.2250.30 900 1.6227 0.45 1.92 0.83 2.0186 0.7247 0.6698 2.0562 2.8943.50 900 1.5550 0.45 1.92 0.72 2.0186 0.5516 0.5319 1.8388 2.4841.59 2000 1.5359 1.00 1.92 0.69 2.0186 0.5057 1.0973 2.7303 3.6438.91 2000 1.5059 1.00 1.92 0.65 2.0186 0.4435 0.9815 2.5477 1.9437.12 2000 1.4825 1.00 1.92 0.62 2.0186 0.4017 0.9030 2.4240 1.8235.32 2000 1.4591 1.00 1.92 0.59 2.0186 0.3639 0.8311 2.3105 1.7132.82 2000 1.4266 1.00 1.92 0.54 2.0186 0.3172 0.7411 2.1686 1.5630.82 2000 1.4006 1.00 1.92 0.51 2.0186 0.2799 0.6660 2.0503 1.4529.02 2000 1.3742 1.00 1.92 0.48 2.0186 0.2487 0.6031 1.9510 1.3626.30 2000 1.3307 1.00 1.92 0.44 2.0186 0.2036 0.5098 1.8039 1.2124.30 2000 1.2987 1.00 1.92 0.40 2.0186 0.1704 0.4373 1.6895 1.1122.00 2000 1.2619 1.00 1.92 0.36 2.0186 0.1420 0.3749 1.5912 1.0220.50 2000 1.2379 1.00 1.92 0.34 2.0186 0.1239 0.3336 1.5261 0.9618.70 2000 1.2039 1.00 1.92 0.31 2.0186 0.1023 0.2831 1.4464 0.8816.70 2000 1.1639 1.00 1.92 0.28 2.0186 0.0829 0.2372 1.3741 0.81 13.80 2000 1.0987 1.00 1.92 0.23 2.0186 0.0576 0.1747 1.2755 0.71 9.40 2000 1.0000 1.00 1.92 0.16 2.0186 0.0282 0.0939 1.1480 0.58 3.80 2000 1.0000 1.00 1.92 0.06 2.0186 0.0100 0.0333 1.0526 0.53-0.00 2000 1.0000 1.00 1.92-0.002.0186 0.0100 0.0333 1.0526 0.53风荷载标准值计算结果标高(m) Q i M wki60.30 -- --55.30 36.45 9150.30 32.99 35643.50 39.45 96241.59 20.27 118938.91 29.89 157537.12 13.53 187435.32 12.68 219632.82 16.35 267930.82 12.07 309529.02 10.11 348826.30 13.98 411624.30 9.30 460122.00 9.78 518020.50 5.91 557018.70 6.61 604916.70 6.76 659413.80 8.80 74089.40 11.33 86853.80 12.48 10380-0.00 8.09 11569 注: 1、Q i表示作用于每一节中心处的集中风荷载, 单位为kN2、M wki = ∑(Q i h i), 单位为kN.m8、地震作用及内力计算地震作用下的剪力(kN)标高第一振型第二振型第三振型第四振型第五振型振型组合值(m)60.30 1.60 -2.93 1.45 -0.60 0.31 3.7055.30 4.38 -6.35 1.85 -0.24 -0.07 7.9350.30 7.15 -7.80 0.15 0.92 -0.50 10.6343.50 9.02 -7.21 -1.74 1.16 -0.05 11.7341.59 10.53 -6.53 -3.12 1.19 0.30 12.8438.91 12.34 -5.42 -4.41 1.00 0.61 14.2337.12 13.75 -4.39 -5.17 0.73 0.77 15.3735.32 15.24 -3.14 -5.67 0.36 0.82 16.5832.82 17.76 -0.60 -5.73 -0.39 0.64 18.6830.82 21.39 3.53 -4.75 -1.43 0.09 22.2429.02 23.63 6.32 -3.50 -1.96 -0.35 24.7926.30 24.73 7.88 -2.37 -2.04 -0.59 26.1524.30 25.67 9.33 -1.06 -1.93 -0.75 27.4122.00 26.41 10.59 0.32 -1.64 -0.78 28.5220.50 27.02 11.65 1.61 -1.28 -0.74 29.5018.70 28.04 13.54 4.15 -0.37 -0.50 31.4216.70 28.63 14.70 5.85 0.36 -0.22 32.7113.80 29.10 15.71 7.50 1.20 0.21 33.939.40 29.42 16.45 8.88 2.05 0.73 34.923.80 29.47 16.59 9.16 2.25 0.87 35.12-0.00 29.47 16.59 9.16 2.25 0.87 35.12地震作用下弯矩(kN.m)标高第一振型第二振型第三振型第四振型第五振型振型组合值(m)60.30 0.00 0.00 0.00 0.00 0.00 055.30 8.02 -14.63 7.24 -3.02 1.54 1850.30 29.90 -46.35 16.49 -4.22 1.21 5843.50 78.52 -99.39 17.49 2.06 -2.17 12841.59 95.70 -113.12 14.17 4.26 -2.27 14938.91 123.92 -130.63 5.79 7.45 -1.47 18037.12 146.13 -140.39 -2.15 9.25 -0.37 20335.32 170.89 -148.29 -11.45 10.56 1.01 22732.82 208.98 -156.13 -25.64 11.46 3.07 26230.82 244.50 -157.33 -37.10 10.68 4.34 29329.02 283.01 -150.98 -45.64 8.11 4.51 32426.30 347.28 -133.79 -55.17 2.79 3.55 37624.30 396.73 -118.02 -59.92 -1.29 2.37 41822.00 455.76 -96.56 -62.36 -5.73 0.66 470 20.50 495.38 -80.69 -61.87 -8.19 -0.52 506 18.70 544.02 -59.72 -58.98 -10.48 -1.86 551 16.70 600.09 -32.63 -50.68 -11.22 -2.85 603 13.80 683.10 10.01 -33.72 -10.18 -3.48 684 9.40 811.00 79.04 -0.75 -4.89 -2.57 815 3.80 975.88 171.25 49.02 6.60 1.52 992 -0.00 1087.86 234.28 83.84 15.14 4.82 11169、附加弯矩计算标高(m) 承载能力极限状态风荷载附加弯矩M ai(kN.m)承载能力极限状态地震附加弯矩M Eai(kN.m)正常使用极限状态风荷载附加弯矩M aki(kN.m)60.30 0.00 0.00 0.00 55.30 4.81 1.61 1.58 50.30 19.82 6.70 6.59 43.50 57.38 19.77 19.34 41.59 71.43 24.76 24.19 38.91 93.70 32.75 31.94 37.12 110.26 38.77 37.76 35.32 128.04 45.30 44.06 32.82 154.64 55.22 53.59 30.82 177.41 63.84 61.85 29.02 198.93 72.10 69.75 26.30 233.08 85.46 82.47 24.30 259.28 95.93 92.39 22.00 290.30 108.60 104.35 20.50 310.94 117.21 112.43 18.70 335.99 127.86 122.41 16.70 364.03 140.09 133.81 13.80 404.67 158.47 150.82 9.40 464.76 187.48 177.36 3.80 534.95 225.68 211.64 -0.00 575.50 251.72 234.4410、荷载内力组合荷载组合工况表组合1 S = 1.0S Gk + 1.4S wk + 1.0M a + 0.7 × 1.4 ×S Lk组合2 S = 1.2S Gk +1.4S wk + 1.0M a + 0.7 × 1.4 ×S Lk组合3 S = 1.35S Gk + 0.6 × 1.4 ×S wk + 1.0M a + 0.7 × 1.4 ×S Lk组合4 S = 1.2S GE + 1.3S Ehk + 0.2 × 1.4 ×S wk + 1.0 ×M aE组合5 S = 1.0S GE + 1.3S Ehk + 0.2 × 1.4 ×S wk + 1.0 ×M aE组合6 S = 1.2S GE + 1.3S Ehk + 0.5S Evk + 0.2 × 1.4 ×S wk + 1.0M aE1组合7 S = 1.0S GE + 1.3S Ehk - 0.5S Evk + 0.2 × 1.4 ×S wk + 1.0M aE2组合8 S = 1.2S GE + 0.5S Ehk + 1.3S Evk + 0.2 × 1.4 ×S wk + 1.0M aE1组合9 S = 1.0S GE + 0.5S Ehk - 1.3S Evk + 0.2 × 1.4 ×S wk + 1.0M aE2组合10 S = 1.0S Gk + 1.0M a + 1.0S Maxwk组合11 S = 1.0S Gk + 1.0M a + 1.4S wk标高(m)组合1 组合2 组合3N M N M N M60.30 0 0 0 0 0 0 55.30 29 100 35 100 40 62 50.30 59 392 70 392 79 243 43.50 98 1063 118 1063 133 661 41.59 118 1314 142 1314 159 817 38.91 158 1740 190 1740 213 1082 37.12 187 2069 224 2069 252 1285 35.32 216 2423 259 2423 291 1505 32.82 280 2955 335 2955 377 1835 30.82 381 3411 458 3411 515 2118 29.02 444 3844 533 3844 599 2386 26.30 488 4534 586 4534 659 2814 24.30 525 5067 630 5067 709 3144 22.00 566 5704 680 5704 765 3539 20.50 598 6132 718 6132 807 3804 18.70 664 6658 796 6658 896 4129 16.70 704 7257 845 7257 951 4500 13.80 749 8148 899 8148 1011 5051 9.40 814 9545 976 9545 1099 5913 3.80 900 11391 1080 11391 1215 7048 -0.00 967 12676 1160 12676 1305 7836标高(m)组合4 组合5N M N M60.30 0 0 0 0 55.30 35 45 29 45 50.30 70 156 59 156 43.50 118 387 98 387 41.59 142 467 118 467 38.91 190 596 158 596 37.12 224 694 187 694 35.32 259 799 216 799 32.82 335 956 280 956 30.82 458 1092 381 1092 29.02 533 1223 444 1223 26.30 586 1435 488 1435 24.30 630 1601 525 1601 22.00 680 1802 566 1802 20.50 718 1939 598 1939 18.70 796 2108 664 2108 16.70 845 2303 704 2303 13.80 899 2597 749 2597 9.40 976 3063 814 3063 3.80 1080 3686 900 3686 -0.00 1160 4123 967 4123标高(m)组合10N(kN) M(kN.m)60.30 0 0 55.30 29 96 50.30 59 376 43.50 98 1020 41.59 118 1260 38.91 158 1669 37.12 187 1984 35.32 216 2324 32.82 280 2834 30.82 381 3272 29.02 444 3687 26.30 488 4349 24.30 525 4860 22.00 566 5471 20.50 598 5881 18.70 664 6385 16.70 704 695813.80 749 7812 9.40 814 9150 3.80 900 10915 -0.00 967 12144标高(m)组合11N(kN) M(kN.m)60.30 0 0 55.30 29 100 50.30 59 392 43.50 98 1063 41.59 118 1314 38.91 158 1740 37.12 187 2069 35.32 216 2423 32.82 280 2955 30.82 381 3411 29.02 444 3844 26.30 488 4534 24.30 525 5067 22.00 566 5704 20.50 598 6132 18.70 664 6658 16.70 704 7257 13.80 749 8148 9.40 814 9545 3.80 900 11391 -0.00 967 1267611、钢烟囱强度与稳定计算11.1 钢烟囱强度计算截面编号标高(m)A ni(m2)W ni(m3)N i(kN)M i(kN.m)N iA ni±M iW ni(N/mm2)f t(N/mm2)⎝⎛⎭⎫N iA ni±M iW ni/f t(%)0 60.30 -- -- -- -- -- -- --1 55.30 0.0561 0.0249 35 100 4.64 207.73 2.232 50.30 0.0561 0.0249 70 392 16.97 207.73 8.173 43.50 0.0561 0.0249 118 1063 44.77 207.73 21.554 41.59 0.1252 0.1245 142 1314 11.69 207.73 5.635 38.91 0.1252 0.1245 190 1740 15.49 207.73 7.466 37.12 0.1252 0.1245 224 2069 18.41 207.73 8.867 35.32 0.1252 0.1245 259 2423 21.53 207.73 10.368 32.82 0.1252 0.1245 335 2955 26.42 207.73 12.729 30.82 0.1502 0.1491 458 3411 25.92 207.73 12.4810 29.02 0.1502 0.1491 533 3844 29.32 207.73 14.1111 26.30 0.1502 0.1491 586 4534 34.30 207.73 16.5112 24.30 0.1502 0.1491 630 5067 38.17 207.73 18.3813 22.00 0.1502 0.1491 680 5704 42.77 207.73 20.5914 20.50 0.1751 0.1737 718 6132 39.39 207.73 18.9615 18.70 0.1751 0.1737 796 6658 42.87 207.73 20.6416 16.70 0.1751 0.1737 845 7257 46.59 207.73 22.4317 13.80 0.1751 0.1737 899 8148 52.03 207.73 25.0518 9.40 0.1489 0.1102 976 9545 93.20 207.73 44.8719 3.80 0.1751 0.1737 1080 11391 71.73 207.73 34.5320 -0.00 0.1751 0.1737 1160 12676 79.59 207.73 38.3111.2 钢烟囱局部稳定计算钢烟囱局部稳定验算表(一)截面编号标高(m)t(mm)D i(mm)αNαB A ni(m2)W ni(m3)N i(kN)M i(kN.m)σN(N/mm2)σB(N/mm2)0 60.30 -- -- -- -- -- -- -- -- -- --1 55.30 10.00 1796 0.60 0.68 0.0561 0.0249 35 100 0.63 4.012 50.30 10.00 1796 0.60 0.68 0.0561 0.0249 70 392 1.25 15.723 43.50 10.00 1796 0.60 0.68 0.0561 0.0249 118 1063 2.10 42.674 41.59 10.00 3996 0.48 0.58 0.1252 0.1245 142 1314 1.13 10.565 38.91 10.00 3996 0.48 0.58 0.1252 0.1245 190 1740 1.51 13.986 37.12 10.00 3996 0.48 0.58 0.1252 0.1245 224 2069 1.79 16.627 35.32 10.00 3996 0.48 0.58 0.1252 0.1245 259 2423 2.07 19.468 32.82 10.00 3996 0.48 0.58 0.1252 0.1245 335 2955 2.68 23.749 30.82 12.00 3996 0.51 0.60 0.1502 0.1491 458 3411 3.05 22.8710 29.02 12.00 3996 0.51 0.60 0.1502 0.1491 533 3844 3.55 25.7711 26.30 12.00 3996 0.51 0.60 0.1502 0.1491 586 4534 3.90 30.4012 24.30 12.00 3996 0.51 0.60 0.1502 0.1491 630 5067 4.20 33.9813 22.00 12.00 3996 0.51 0.60 0.1502 0.1491 680 5704 4.53 38.2414 20.50 14.00 3996 0.53 0.62 0.1751 0.1737 718 6132 4.10 35.2915 18.70 14.00 3996 0.53 0.62 0.1751 0.1737 796 6658 4.55 38.3216 16.70 14.00 3996 0.53 0.62 0.1751 0.1737 845 7257 4.83 41.7717 13.80 14.00 3996 0.53 0.62 0.1751 0.1737 899 8148 5.13 46.9018 9.40 14.00 3996 0.53 0.62 0.1489 0.1102 976 9545 6.56 86.6419 3.80 14.00 3996 0.53 0.62 0.1751 0.1737 1080 11391 6.17 65.5620 -0.00 14.00 3996 0.53 0.62 0.1751 0.1737 1160 12676 6.63 72.96钢烟囱局部稳定验算表(二)截面编号标高(m)f yt(N/mm2)δαE t×105(N/mm2)σetβσcrtσN+σB(N/mm2)()σN+σB/σcrt(%)0 60.30 -- -- -- -- -- -- -- -- --1 55.30 227.06 0.50 0.33 2.06 1387.86 0.70 150.88 4.64 3.072 50.30 227.06 0.50 0.34 2.06 1387.86 0.70 151.11 16.97 11.233 43.50 227.06 0.50 0.34 2.06 1387.86 0.70 151.21 44.77 29.614 41.59 227.06 0.50 0.28 2.06 623.77 1.13 107.60 11.69 10.865 38.91 227.06 0.50 0.28 2.06 623.77 1.13 107.59 15.49 14.406 37.12 227.06 0.50 0.28 2.06 623.77 1.13 107.60 18.41 17.117 35.32 227.06 0.50 0.28 2.06 623.77 1.13 107.61 21.53 20.018 32.82 227.06 0.50 0.28 2.06 623.77 1.13 107.55 26.42 24.569 30.82 227.06 0.50 0.30 2.06 748.53 1.01 119.85 25.92 21.6310 29.02 227.06 0.50 0.30 2.06 748.53 1.01 119.82 29.32 24.4711 26.30 227.06 0.50 0.30 2.06 748.53 1.01 119.88 34.30 28.6212 24.30 227.06 0.50 0.30 2.06 748.53 1.01 119.91 38.17 31.8313 22.00 227.06 0.50 0.30 2.06 748.53 1.01 119.94 42.77 35.6614 20.50 227.06 0.50 0.31 2.06 873.28 0.92 129.17 39.39 30.5015 18.70 227.06 0.50 0.31 2.06 873.28 0.92 129.15 42.87 33.1916 16.70 227.06 0.50 0.31 2.06 873.28 0.92 129.17 46.59 36.0717 13.80 227.06 0.50 0.31 2.06 873.28 0.92 129.20 52.03 40.2718 9.40 227.06 0.50 0.31 2.06 873.28 0.92 129.39 93.20 72.0319 3.80 227.06 0.50 0.31 2.06 873.28 0.92 129.29 71.73 55.4820 -0.00 227.06 0.50 0.31 2.06 873.28 0.92 129.31 79.59 61.55 11.3 钢烟囱整体稳定性计算截面位置A bi(m2)W bi(m3)计算长度l0(m)长细比λ稳定系数ϕN Ex(kN)N i(kN)M i(kN.m)σ(N/mm2)f t(N/mm2)σ/f t(%)底部0.1751 0.1737 120.60 85.66 0.650 48525 1160 12676 84.57 207.73 40.71 11.4 钢烟囱孔洞应力计算根据烟囱规范式(10.3.2-16)计算σ = ⎣⎡⎦⎤N A 0 + MW 0αk ≤ f t标高 (m) αkA 0 (m 2) W 0 (m 3) N (kN) M (kN.m) σN/(mm 2) f tN/(mm 2)结果 9.403.000.14890.11029769545279.61 207.73不通过(洞口补强)(12、考虑瞬时极端最大风速下验算结果标高(m)A ni(m2)W ni(m3)N i(kN)M i(kN.m)N iA ni±M iW ni(N/mm2)f y(N/mm2)⎝⎛⎭⎫N iA ni±M iW ni/f y(%)60.30 -- -- -- -- -- -- -- 55.30 0.0561 0.0249 29 96 4.37 235.00 1.86 50.30 0.0561 0.0249 59 376 16.12 235.00 6.86 43.50 0.0561 0.0249 98 1020 42.68 235.00 18.16 41.59 0.1252 0.1245 118 1260 11.07 235.00 4.71 38.91 0.1252 0.1245 158 1669 14.67 235.00 6.24 37.12 0.1252 0.1245 187 1984 17.43 235.00 7.42 35.32 0.1252 0.1245 216 2324 20.39 235.00 8.68 32.82 0.1252 0.1245 280 2834 25.00 235.00 10.64 30.82 0.1502 0.1491 381 3272 24.48 235.00 10.42 29.02 0.1502 0.1491 444 3687 27.68 235.00 11.78 26.30 0.1502 0.1491 488 4349 32.41 235.00 13.79 24.30 0.1502 0.1491 525 4860 36.08 235.00 15.36 22.00 0.1502 0.1491 566 5471 40.45 235.00 17.21 20.50 0.1751 0.1737 598 5881 37.26 235.00 15.86 18.70 0.1751 0.1737 664 6385 40.54 235.00 17.25 16.70 0.1751 0.1737 704 6958 44.07 235.00 18.75 13.80 0.1751 0.1737 749 7812 49.24 235.00 20.95 9.40 0.1489 0.1102 814 9150 88.52 235.00 37.67 3.80 0.1751 0.1737 900 10915 67.96 235.00 28.92 -0.00 0.1751 0.1737 967 12144 75.42 235.00 32.0913.1 烟囱底板厚度计算底板面积:A(m2) 10.014底板抵抗矩:W(m3) 9.325底板压应力:σcbt(kN/m2) 1602.954筒壁外侧为三边支撑板自由边长度a(m) 0.524两端与自由边相邻的边长度b(m) 0.500β0.109M max(kN.m/m) 47.820底板厚度t(mm) 44.4筒壁内侧为一边支撑板筒壁内侧为一边支撑板C(m) 0.240M max(kN.m/m) 46.165底板厚度t(mm) 43.7 底板厚度取较大结果且要大于14mm ,因此取底板厚度t为45mm13.2 地脚螺栓直径计算单个地脚螺栓的拉力(kN) 385.737所需地脚螺栓净面积(mm2) 2755.264地脚螺栓计算直径d1(mm) 64.88地脚螺栓所需直径d(mm) 68.88地脚螺栓所需面积(mm2) 3726.55 最终取地脚螺栓为30-M7613.3 筋板厚度计算底板分布反力得到的压力N1(kN) 419.652锚栓产生的拉力N2(kN) 385.737根据筋板抗拉强度计算的筋板厚度t1(mm) 3.90根据筋板抗剪强度计算的筋板厚度t2(mm) 8.39构造要求t3(mm) 27.78筋板厚度取以上三者的较大值,最终取值为28mm13.4 盖板厚度计算盖板类型为环形盖板筋板内侧间距l3'(mm) 523.60筋板自由外伸宽度b(mm) 500.000盖板上地脚螺栓孔直径d3(mm) 86.00计算盖板厚度t g(mm) 37.11构造要求:盖板厚度不小于底板厚度,最终取值为38mm筒壁各截面位移结果截面编号标高(m)基本风压作用下位移(mm)瞬时最大风速作用下位移(mm)地震作用下位移(mm)0 60.30 132.17 177.00 17.551 55.30 113.74 152.32 14.862 50.30 95.86 128.36 12.293 43.50 74.61 99.91 9.414 41.59 69.46 93.01 8.755 38.91 62.42 83.59 7.866 37.12 57.79 77.38 7.277 35.32 53.24 71.29 6.708 32.82 47.10 63.07 5.939 30.82 42.35 56.71 5.3410 29.02 38.21 51.15 4.8211 26.30 32.21 43.12 4.0712 24.30 28.03 37.53 3.5513 22.00 23.50 31.46 2.9814 20.50 20.71 27.73 2.6315 18.70 17.54 23.49 2.2316 16.70 14.26 19.10 1.8217 13.80 10.00 13.39 1.2818 9.40 4.83 6.46 0.6219 3.80 0.83 1.11 0.1120 -0.00 0.000 0.000 0.00015、加强圈间距计算编号标高(m)D r(mm)t r(mm)E t×105(N/mm2)σα(N/mm2)f rv co(m/s)加强筋截面H s(m)0 60.30 -- -- -- -- -- -- -- --1 50.30 1800 10 2.06 141.00 7.77 34.99 2.9412 43.50 1800 10 2.06 141.00 7.77 34.99 2.9413 41.59 1800 10 2.06 141.00 7.77 34.99 2.9414 38.91 4000 10 2.06 141.00 1.57 15.74 2.9415 37.12 4000 10 2.06 141.00 1.57 15.74 2.9416 35.32 4000 10 2.06 141.00 1.57 15.74 2.9417 32.82 4000 10 2.06 141.00 1.57 15.74 2.9418 30.82 4000 12 2.06 141.00 1.89 18.89 2.0429 29.02 4000 12 2.06 141.00 1.89 18.89 2.04210 26.30 4000 12 2.06 141.00 1.89 18.89 2.04211 24.30 4000 12 2.06 141.00 1.89 18.89 2.04212 22.00 4000 12 2.06 141.00 1.89 18.89 2.04213 20.50 4000 14 2.06 141.00 2.20 22.04 1.50014 18.70 4000 14 2.06 141.00 2.20 22.04 1.50015 16.70 4000 14 2.06 141.00 2.20 22.04 1.50016 13.80 4000 14 2.06 141.00 2.20 22.04 1.50017 3.80 4000 14 2.06 141.00 2.20 22.04 1.50018 -0.00 4000 14 2.06 141.00 2.20 22.04 1.500计算结果:1.塔筒体上部1/3筒高处需设置破风圈,以消除横风向风振;2.标高10.300m处管道按直径1800的开洞计算,根据计算结果,洞口处需要补强;3.沿筒高壁厚变化,厚度分别为16mm,14mm,12mm。
钢烟囱计算书:一、设计资料:烟囱高度:H=16.6m基本风压:w=0.5kN/m2地面粗糙度B类a=0.16抗震设防烈度7度0.15场地类别Ⅲ分组二烟气温度Tg=80℃室外计算温度:夏季极端高Ta=39℃冬季极端低Ta=-5℃大气湿度75%烟囱上口内经D0= 1.5上口外径D= 1.8底部外径D1= 1.8二、材料选用:1、材料选择:因处在大气潮湿地区,筒壁钢材选用焊接结构用耐候钢Q235NH。
其质量标准应符合《焊接结构用耐候钢》GB/T4172-20002、梯子、平台同筒壁3、隔热内衬:选用轻质浇筑料,理化指标如下:重度ρ=8kN/m3耐压强度110℃X16h: 2.5Mpa1000℃X3h: 2.5Mpa导热系数:700℃:≤0.25W/m.K1000℃:≤0.25W/m.K使用温度:80℃线变化率:1000℃X3h:0~-0.8三、计算依据:《烟囱设计规范》GB50051-2002,《钢结构设计规范》GB50017-2002,《建筑抗震设计规范》GB50011-2001,《建筑结构荷载规范》GB50009-2001四、烟囱形式:1、钢板焊接,圆形,2、浇筑料由底至顶,厚度取0mm。
3、烟囱分节制作吊装,采用现场焊接。
共分7mX2+8m五、筒壁受热温度计算:温度计算简图如右:上口外径D= 1.8底部外径D1= 1.8筒壁外半径r1=900mm筒壁内半径r0=888mmr1/r0= 1.01< 1.1采用平壁法计算内衬厚度t1=0m筒壁厚度t2=0.012m导热系数λ1=0.25m导热系数λ2=58.15аin=38аex=121、热阻计算:R1=t1/λ1=0m2²K/WR2=t2/λ3=0.0002m2²K/WR in=1/аin=0.026m2²K/WR ex=1/аex=0.083m2²K/W总热阻R tot=R in+R1+R2+R ex=0.109m2²K/W2、各点受热温度计算:T ej=T g-(T g-T a)∑R i/R totT0=T g-(T g-T a)R in/R tot=70.2℃T1=T g-(T g-T a)(R in+R1)/R tot=70.2℃T2=T g-(T g-T a)(R in+R1+R2)/R tot=70.2℃筒壁温度<100℃,故钢材强度及弹性模量折减系数rs=1六、筒身自重计算:1、筒壁和内衬体积计算:V=πth((D+d)/2-t)1、钢烟囱结构自震周期计算:(等截面圆烟囱)T i=2πH2SQRT(W/(E t Ig))/C i=A=π(D2-d2)/4=0.0674m2A1=π(D2-d2)/4=0m2 W=Aρ= 5.291kN/mEt= 2.06E+08kN/m2I=π(D4-d4)/64=0.026924m4H=22mC1= 3.515C2=22.034C3=61.701T1=0.27sT2=0.043sT3=0.015s2、顺风向风压w0=0.5kN/m222m处μz= 1.2μz w0d2= 1.944>0.015μs=0.502据表3.2-2w0T2=0.04ξ= 1.69据表3.2-3B类查GB50009-2001表7.4.4-1:ν1=0.81ζν=1ζB=1ν=ν1ζνζB=0.81顺风向时的风荷载系数及风荷载标准值计算:)i圆形截面2/3高度处直径D= 1.8m 圆形截面斯脱罗哈数St=0.2v cr1=D/T 1S t =33.33m/s v cr2=D/T 2St=209.3m/s v cr3=D/T 3St=600m/s 烟囱雷诺数Re及横向风振判断:μH = 1.284ρ= 1.25V H =SQRT(2000γw μH w 0/ρ)=37.92m/s 2/3处的风速Dm= 1.8m Hm=6m V 10=SQRT(1600w 0)=28.3Vm=(Hm/10)0.16V 10=26.08Re=69000V m D m =3E+063.0X10^5≤Re≤3.5X10^6,跨临界范围VH>Vcr1,第1振型发生横向强风共振VH<Vcr2,第2振型不发生横向共振VH<Vcr3,第3振型不发生横向共振4、横向风振是否起控制作用判定:w cr1=V cr12/1600=0.69kN/m 2w=w cr1SQRT(0.04/δ12+βh 2)=13.87kN/m 2w h =V H 2/1600=0.9kN/m 2第1振型横向风振起控制作用,应计算横向风振效应。
计算书一、概述:中天合创鄂尔多斯煤炭项目烟囱建造用操作平台采用钢架结构,如图布置。
钢架上铺设木板;吊篮布置在烟囱壁两侧,各48只,并铺设两层木板;在内筒附近对称放置两只积料斗。
施工升降机通过内筒运输人员和物资。
现对该钢架作强度验算。
钢架结构图详见YCPT-30。
二、计算依据:GB50009《建筑结构荷载规范》GB50017《钢结构设计规范》三、钢架强度校核工况:平台位于烟囱底部,设烟囱中心直径为27.6m。
风载荷为水平力,对平台影响很小,计算过程中不予考虑。
受力图:1. 各部件重量1.1平台重量(包括木板):G=43500kg则:单位面积自重:q=G/S=43500/680=64kg/m2单件辐杆载重:P4=qS’=64x12.1=780kge=5.9m偏心距:1.2吊篮重量(包括木板):P1=200kg1.3内筒重量:1920kg,每支点载重P2=1920/48=40kg 1.4积料斗载重:2000kg,单支辐杆承载P3=667kg 1.5运输推车载重:300kg,单支辐杆P5=150kg单支辐杆由两根16#槽钢组合。
2.1受力计算支点A 受力R A =P1+P2+P3+P4+P5=200+40+667+770+150=1827kg 以C 点取矩:ΣM C =RL-P 1S 1- P 3S 3- P 4S 4- P 5S 5- Th=01827x11-200x10.1-667x1-780x5.9-150x5.5-4T=0 T=2996kg 以D 点取矩:ΣM D =RL-P 1S 1- P 3S 3- P 4S 4- P 5S 5- NH=01827x11-200x10.1-667x1-780x5.9-150x5.5-4.5T=0 N=2663kg2.2 单支辐杆截面特性:A=25.1x2=50.2cm 2 Wx=117x2=234cm 3i=6.1cm2.491.6300===i lc λ查得稳定性系数 0.86 2.3单支辐杆强度校核:槽钢材质为Q235许用应力[]2/2150cm kg =σ E-E 截面Mx=RL/2-Th1-P1L1-P4L4=1827x5.5-2996x1.6-200x4.6-780x0.4 =4023kgm[]σφσ<=+⨯=+=2/17802344023002.5086.02663N cm kg W Mx A 结论:辐杆强度通过验算。
30米钢烟囱安装计算书30米钢烟囱安装计算书烟囱形式:直径2700毫米,高30米,基础顶至10米标高采用φ2700×14的钢管,上段采用φ2687×12钢管,计算时将烟囱按标高分为0-10米,10-15米,15-20米,20-30米共四段。
一、有关几和参数:见下表:几何参数、风压高度变化系数和脉动影响系数标高(米) 外径B(米)形心高度z (米)风荷载作用面积(平方米)形心处的外径(米)z/H高度变化系数脉动影响系数30 2.687 24.55 21.241 2.687 0.967 1.40 0.824 20 2.687 18 14.09 2.687 0.734 1.21 0.824 15 2.687 13 14.09 2.687 0.556 1.080.824 10 2.700 5.5 27 2.700 0.289 1.01 0.824 0二、风荷载体型系数:总高度为30米,平均直径为近似可按 2.7米,μzω0d2=μz×0.6×2.72=4.4μz,地面粗糙度类别为B类,所以μz≥1.0,得μzω0d2>0.015,H/d=30/2.7=11.1,又因此钢烟囱表面“光滑”,所以可得μs=0.6+(0.5-0.6)/(7-25)×(10.8-25)=0.52三、风载的高度变化系数地面粗糙度类别为B类,查《建筑结构荷载规范》表7.2.1,得各高度处的风压高度变化系数μz见上表。
四、风振系数根据《建筑结构荷载规范》7.4.2 条,知本烟囱可只考虑第一振型的影响,顺风向风振系数可按βz=1+(ξνφz)/μz计算。
查《建筑结构荷载规范》附录E 结构基本自振周期的经验公式得烟囱基本自振周期为T1=0.011H=0.011×30=0.33s>0.25s,故需要考虑顺风向风振影响。
由ω0T12=0.6×0.33×0.33=0.065kNs2/平方米,查得脉动增大系数ξ=1.69+(1.77-1.69)/(0.06-0.04)*(0.065-0.04)=1.873。
30米钢烟囱安装计算书
烟囱形式:直径2700毫米,高30米,基础顶至10米标高采用φ2700×14的钢管,上段采用φ2687×12钢管,计算时将烟囱按标高分为0-10米,10-15米,15-20米,20-30米共四段。
一、有关几和参数:
见下表:
几何参数、风压高度变化系数和脉动影响系数
标高(米) 外径B
(米)
形心高度
z (米)
风荷载作用
面积(平
方米)
形心处的
外径
(米)
z/H
高度变
化系数
脉动影
响系数
30 2.687 24.55 21.241 2.687 0.967 1.40 0.824 20 2.687 18 14.09 2.687 0.734 1.21 0.824 15 2.687 13 14.09 2.687 0.556 1.08 0.824 10 2.700 5.5 27 2.700 0.289 1.01 0.824 0
二、风荷载体型系数:
总高度为30米,平均直径为近似可按2.7米,μzω0d2=μz×0.6×2.72=4.4μz,地面粗糙度类别为B类,所以μz≥1.0,得μzω0d2>0.015,H/d=30/2.7=11.1,又因此钢烟囱表面“光滑”,所以可得μs=0.6+(0.5-0.6)/(7-25)×(10.8-25)=0.52
三、风载的高度变化系数
地面粗糙度类别为B类,查《建筑结构荷载规范》表7.2.1,得各高度处的风压高度变化系数μz见上表。
四、风振系数
根据《建筑结构荷载规范》7.4.2 条,知本烟囱可只考虑第一振型的影响,顺风向风振系数可按βz=1+(ξνφz)/μz计算。
查《建筑结构荷载规范》附录E 结构基本自振周期的经验公式得烟囱基本自振周期为T1=0.011H=0.011×
30=0.33s>0.25s,故需要考虑顺风向风振影响。
由ω0T12=0.6×0.33×
0.33=0.065kNs2/平方米,查得脉动增大系数ξ=
1.69+(1.77-1.69)/(0.06-0.04)*(0.065-0.04)=1.873。
烟囱属于结构迎风面宽度远小于其高度的情况,且其外形、质量沿高度比较均匀,脉动系数可按表《建筑结构荷载规范》7.4.4-1 确定,查得当总高度为30.0时,脉动影响系数为ν
=0.79+(0.83-0.79)/(30-20)*(30-20)=0.83。
迎风面宽度远小于其高度的高耸结构,其振型系数φz可按表F.1.1 采用。
顺风向风振系数计算
标高
z (米)
z/H φzξνμzβz
24.05 0.867 0.79+(0.86-0.79)/(0.9-0
.8)*(0.867-0.8)=0.85
1.76 0.83 1.39
1+(1.76*0.85
*0.83)/1.39=
1.61
17.5 0.634 0.46+(0.59-0.46)/(0.7-0
.6)*(0.634-0.6)=0.51
1.76 0.83 1.20
1+(1.76*0.83
*0.51)/1.2=1.
46
标高
z (米)
z/H φzξνμzβz
12.5 0.456 0.23+(0.34-0.23)/(0.5-0
.4)*(0.456-0.4)=0.29
1.76 0.83 1.07
1+(1.76*0.83
*0.29)/1.07=
1.33
5 0.189 0.02+(0.06-0.02)/(0.2-0
.1)*(0.189-0.1)=0.06
1.76 0.83 1.00
1+(1.76*0.83
*0.06)/1.0=1.
02
五、各段风荷载的集中力
应用《建筑结构荷载规范》中式7.1.1条ωk=βzμsμzω0求风荷载,各分段的集中力Pi=ωk A w,此处A w的为风荷载作用面积,其计算过程见下表:
风荷载标值计算
标高z (米) 风荷载作
用面积
μsω0μzβzωk(kN/平方米)
集中力
P k(kN)
24.05 21.03 0.52 0.6 1.39 1.61 0.52*0.6*1.39*1.6
1=0.70
21.03*0.7=
17.03
17.5 12.98 0.52 0.6 1.20 1.46 0.52*0.6*1.2*1.46
=0.55
12.98*0.55
=7.79
12.5 12.98 0.52 0.6 1.07 1.33 0.52*0.6*1.07*1.3
3=0.43
12.98*0.43
=5.58
5 2
6 0.52 0.6 1.02 1.00 0.52*0.6*1.0*1.00
=0.31
26*0.31=8.
06
六、底部产生的弯矩和剪力
V k=17.03+7.79+5.58+8.06=38.46 kN
米k=17.03*24.05+7.79*17.5+5.58*12.5+8.06*5=664 kN.米
七、叛断是否考虑横向风振
当烟囱坡度≤2.5%时,对于钢烟囱应按国家标准《建筑结构荷载规范》(GB 50009)的规定验算横风向风振影响。
由《建筑结构荷载规范》7.6节知,雷诺数Re=69000vD,其中风速
v H=sqrt(2000μHω0/ρ)=sqrt(2000*1.39*0.6/1.25)=37.6米/s
R e=69000v cr D=69000*34.2*2.7=6.4x106>3.5x106
υcr=D/T1/S t=2.7/(0.010*30.0)/0.2=46.26>36.5*1.2=44.9 米/s
不用考虑横向风振
八、钢烟囱强度验算
本烟囱为自立式钢烟囱,H/d=30/2.7=11.1<20,满足自立式钢烟囱的直径d
和高度h之间的关系宜满足h≤20d的要求。
考虑到此钢烟囱较轻,所以风荷载应起控制作用不考虑地震。
烟囱所受轴力近似考虑为烟囱自重,烟囱截面面积为An=π(2.7*2.7-2.576*2.576)/4=0.099平方米,W
n
=1/32xπ(D3-d3)=π(2.7*2.7*2.7-2.576*2.576*2.576)/32=0.049,
自重G=1.2*78.5*0.098*30=277kN,弯矩设计值米=1.4米k=1.4*664=930kN.米
钢烟囱的应力为:
σ=N/An+米/W n=
277/0.098+930/0.049=22349 kN/平方米=22.3 N/毫米2<215 N/毫米2
σcrt=0.4(E t/k)*(t/d i)=0.4*(206000/1.5)*(12/2500)=263 N/毫米2>σ
满足要求
九地脚锚栓计算
在2.5米标高以下烟囱基础用C30砼灌实,其重量为25*π
/4*2.476*2.476*2=240kN
=4米采用Q345B级米52锚栓,受拉承载力为316.4 kN,P
米ax
/nd0-N/n=4*921/(28*3.0)-(259+240)/28=26<316.4 kN,满足要求
十、基础计算:
采用砼圆形基础,直径为=6 米埋深6米,f ak=350kP a,W=(1/32)π*63=21.2,A=πx62/4=28.3 平方米
考虑地基承载力较高,故不对其进行修正
V k =38.98kN
Mk=658 kN.米
N k =259/1.2+240 =455 kN
土及基础重:Gk =20*6*28.3=3396 kN
地基反力:
P米ax=(N k +Gk )/A+米k/W=
(455+3396)/28.3+(658+38.98*6)/21.2=178
P米in=(N k +Gk )/A-米k/W=(455+3396)/28.3-(658+38.98*6)/21.2=94
满足要求
十一、烟囱稳定性验算:
烟囱倾覆力矩为为米=1.4*(658+38.98*6)=1248 kN.米
烟囱抗倾覆力矩为(N k +Gk )*d/2=(455+3396)*6/2=11553 kN.米>米满足要求。