钢烟囱计算书
- 格式:xls
- 大小:416.00 KB
- 文档页数:10
拉索式钢烟囱计算书拉索式钢烟囱计算书设计资料:钢烟囱高度为20m,直径为426mm,厚度为8mm。
基本风压为0.55kN/m2,地面粗糙度类别为B类,地震设防烈度为6度,设计基本地震加速度为0.05g,设计特征周期为0.35s,设计地震分组为第一组,钢烟囱阻尼比为0.01,XXX直径为0.014m。
设计依据:本次设计依据《烟囱设计规范》GB-2002,《钢结构设计规范》GB-2002,《建筑结构荷载规范》GB-2001,《建筑抗震设计规范》GB-2010和《高耸结构设计规范》GB-2006.烟囱型式:根据烟囱高度和直径之比计算,H/D=20/0.426=47>35,因此设一层拉索,拉索数量为3根,平面夹角为120º,XXX与烟囱夹角为30º。
筒身自重计算及XXX自重:筒身每延米自重为1.65kN/m,筒身总重为33kN。
XXX 每延米自重为7N/m,XXX长度为15m,3根XXX总重为0.315kN。
风荷载产生的弯矩和XXX拉力计算:根据《建筑结构荷载规范》GB-2001附录E之E.1.1,拉索式钢烟囱自振周期为0.26s。
顺风向风压为0.55kN/m2,根据地面粗糙度类别B,查表得各截面的μz值。
根据烟囱高度和直径之比计算,H/D=20/0.426=47>25,根据表7.3.1项次36(b),得到风荷载体型系数μs为0.6.根据计算,风荷载体型系数μs为0.6.本文将钢烟囱的设计计算过程进行了详细介绍。
首先,根据《烟囱设计规范》第10.7.1条第5款要求,钢板厚度应留有2mm腐蚀厚度裕度,因此钢板厚度t=6mm。
接着,根据公式(9.3.2-2)计算筒壁局部稳定的临界应力值为773.7N/mm2.在荷载(自重和风)作用下,按公式(9.3.2-1)计算钢烟囱的强度,包括未开洞截面和开一个洞宽为b的截面。
同时,根据荷载效应组合(自重+风)截面强度及局部稳定计算结果,判断钢烟囱的整体稳定性。
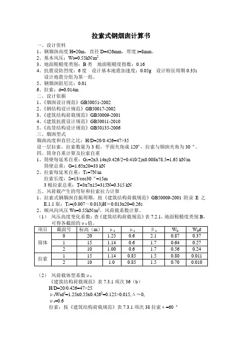
拉索式钢烟囱计算书一、设计资料1、钢烟囱高度H=20m,直径D=426mm,厚度t=8mm。
2、基本风压:W0=0.55kN/m23、地面粗糙度类别:B类地面粗糙度指数:0.164、抗震设防烈度:6度设计基本地震加速度:0.05g 设计特征周期0.35s设计地震分组为第一组。
5、钢烟囱阻尼比:0.016、拉索:d=0.014m二、设计依据1、《烟囱设计规范》GB50051-20022、《钢结构设计规范》GB50017-20023、《建筑结构荷载规范》GB50009-20014、《建筑抗震设计规范》GB50011-20105、《高耸结构设计规范》GB50135-2006三、烟囱型式烟囱高度和直径之比:H/D=20/0.426=47>35设一层拉索,拉索数量为3根,平面夹角成120º,拉索与烟囱夹角为30 º。
四、筒身自重计算及拉索自重1、筒壁每延米自重:G1=2x3.14x(0.426/2+0.410/2)x0.008x78.5=1.65 kN/m筒壁总重:G=1.65x20=33 kN2、拉索每延米自重:T1=7N/m拉索长度:S=13/cos30 º=15m3根拉索总重:T=3x7x15=315N=0.315 kN五、风荷载产生的弯矩和拉索拉力计算1、拉索式钢烟囱自振周期,按《建筑结构荷载规范》GB50009-2001附录E之E.1.1取:T1=(0.007~0.013)H≈0.013x20=0.26s2、顺风向风压W0=0.55kN/m2,风荷载系数计算。
(1)风压高度变化系数:查《建筑结构荷载规范》表7.2.1,地面粗糙度类别B,(2)风荷载体型系数μs《建筑结构荷载规范》表7.3.1项次36(b)H/D=20/0.426=47>25μz W0d2=1.25x0.55x0.4262=0.125>0.015,Δ≈0,μs=0.6拉索:按《建筑结构荷载规范》表7.3.1项次38拉索α=60 º风荷载水平分量的体型系数W SX =0.85风荷载垂直分量的体型系数W SY =0.40(3) 高度Z 处的风振系数βz 。
直径2.6m钢烟囱计算书烟囱形式:直径2600mm,高28.1m,基础顶至10m标高采用φ2600x12的钢管,上段采用φ2596x10钢管,计算时将烟囱按标高分为0-10m,10-15m,15-20m,20-28.1m共4段。
1、有关几和参数:见下表:几何参数、风压高度变化系数和脉动影响系数标高(m) 外径B(m)形心高度z (m)风荷载作用面积(m2)形心处的外径(m)z/H高度变化系数脉动影响系数28.1 2.596 24.05 21.03 2.596 0.856 1.39 0.823 20 2.596 17.5 12.98 2.596 0.623 1.20 0.823 15 2.596 12.5 12.98 2.596 0.445 1.07 0.823 10 2.600 5 26 2.600 0.178 1.00 0.823 02、风荷载体型系数:总高度为28.1m,平均直径为近似可按2.6m,μzω0d2=μz*0.6*2.62=4.1μz,地面粗糙度类别为B类,所以μz≥1.0,得μzω0d2>0.015,H/d=28.1/2.6=10.8,又因此钢烟囱表面“光滑”,所以可得μs=0.6+(0.5-0.6)/(7-25)*(10.8-25)=0.52 3、风载的高度变化系数地面粗糙度类别为B类,查《建筑结构荷载规范》表7.2.1,得各高度处的风压高度变化系数μz见上表。
4、风振系数根据《建筑结构荷载规范》7.4.2 条,知本烟囱可只考虑第一振型的影响,顺风向风振系数可按βz=1+(ξνφz)/μz计算。
查《建筑结构荷载规范》附录E 结构基本自振周期的经验公式得烟囱基本自振周期为T1=0.011H=0.011x28.1=0.31s>0.25s,故需要考虑顺风向风振影响。
由ωT12=0.6*0.31*0.31=0.058 kNs2/m2,查得脉动增大系数ξ=1.69+(1.77-1.69)/(0.06-0.04)*(0.058-0.04)=1.762。
目录1、设计资料基本设计资料烟囱总高度H =烟气温度T gas = ℃烟囱底部高出地面距离: 0mm夏季极端最高温度T sum = ℃冬季极端最低温度T win = ℃最低日平均温度T win = ℃烟囱日照温差△T = ℃基本风压?0 = m2瞬时极端最大风速: (m/s)地面粗糙度: B类烟囱筒体几何缺陷折减系数? =烟囱安全等级: 二级抗震设防烈度: 7度设计地震分组: 第一组建筑场地土类别: Ⅱ类筒壁腐蚀厚度裕度:衬里起始高度:设置破风圈: 是自定义设计温度下筒壁钢材的许用应力: 是否计算抽力: 否材料信息序号使用部位材料名称最高使用温度(℃)密度(kg/m3)导热系数?(W /(m·K))1 筒壁钢材S31603 250几何尺寸信息烟囱总分段数: 18烟囱筒身分段参数表编号标高(m) 烟囱筒壁外直径(mm) 分段高度(m)0 -----123456789101112131415161718烟囱总截面数: 21烟囱筒身分节参数表(1)截面编号标高(m)烟囱筒壁外直径(mm)分节高度(m)筒壁厚度(mm)坡度(%)0 -----1234567891011121314151617181920烟囱筒身分节参数表(2)截面编号标高(m)附加重量(kN)附加风载(kN)洞口数量洞口形状洞口宽度(mm)洞口高度(mm)洞口直径(mm)5 0 矩形0 0 -----6 0 矩形0 0 -----7 0 矩形0 0 -----8 0 矩形0 0 -----9 0 矩形0 0 -----10 0 矩形0 0 -----11 0 矩形0 0 -----12 0 矩形0 0 -----13 0 矩形0 0 -----14 0 矩形0 0 -----15 0 矩形0 0 -----16 0 矩形0 0 -----18 1 圆形----- ----- 180020 0 矩形0 0 -----是否设置爬梯: 否烟囱底座设计参数烟囱底板材料: Q235(B)烟囱底板内径D1:烟囱底板外径D2:偏心弯矩M e: 地脚螺栓材料: Q235(B)地脚螺栓数量n: 20地脚螺栓腐蚀裕量c2:地脚螺栓中心线直径D3: 4500mm筋板材料: Q235(B)筋板高度hj:盖板材料: Q235(B)盖板类型: 环形盖板是否有垫板: 否2、计算依据《烟囱设计规范》 GB 50051-2013《建筑结构荷载规范》GB 50009-2012《建筑抗震设计规范》GB 50011-2010《钢结构设计规范》GB 50017-2003《烟囱设计手册》(2014年5月第1版)《不锈钢结构技术规程》CECS 410:2015 《低合金高强度结构钢》GB/T 1591-2008《钢结构设计手册》(第三版)《钢结构连接节点设计手册》(第二版)不锈钢S31603强度设计值见下表:3、筒体自重计算筒身自重表格(1)截面编号标高(m) 重量(kN) 筒壁1234567891011121314151617181920合计--筒身自重表格(2)截面编号标高(m)附加重量(kN)破风圈重(kN)本节总重量(kN)每节根部重量(kN)0 --1 29 292 29 593 40 984 20 1185 40 1586 29 1877 29 2168 64 2809 102 38110 62 44411 45 48812 37 52513 41 56614 32 59815 66 66416 41 70417 45 74918 65 81419 86 90020 67 967合计-- 967 967 筒身总重量 G = (每节重量) =6、动力特征计算前五阶自振周期分别为:T1 =T2 =T3 =T4 =T5 =前五阶振型相对位移计算结果标高(m) 第一振型(相对值)第二振型(相对值)第三振型(相对值)第四振型(相对值)第五振型(相对值)0 0 0 0 07、风荷载计算横向风振判断第1振型时的临界风速计算错误!式中D2/3-----2H/3高度处烟囱的外直径烟囱雷诺数R e错误!R e = 69000V cr1D2/3 = 69000 ×× = × 106R e≥× 106,×V H > V cr1需要考虑横风向风荷载已经设立破风圈,不考虑横风向作用风荷载标准值计算顺风向风压时风荷载计算结果标高R o?z?B?v z/H R?1(z) B z?z?k (m)90090090090020002000200020002000200020002000200020002000200020002000200020002000注:R0——筒身截面外半径(mm)风弯矩标准值计算风荷载及风弯矩标准值计算结果标高(m) Q i M wki-- --682667188881176139916392000231026043072343438674158451649235531648677548643注: 1、Q i表示作用于每一节中心处的集中风荷载, 单位为kN2、M wki = ∑(Q i h i), 单位为考虑瞬时极端最大风速时的风荷载计算(只计算顺风向风压)瞬时极端最大风速时风荷载计算结果标高R o?z?B?v z/H R?1(z) B z?z?k (m)90090090090020002000200020002000200020002000200020002000200020002000200020002000风荷载标准值计算结果标高(m) Q i M wki-- --913569621189157518742196267930953488411646015180557060496594740886851038011569 注: 1、Q i表示作用于每一节中心处的集中风荷载, 单位为kN2、M wki = ∑(Q i h i), 单位为8、地震作用及内力计算地震作用下的剪力(kN)标高第一振型第二振型第三振型第四振型第五振型振型组合值(m)地震作用下弯矩标高第一振型第二振型第三振型第四振型第五振型振型组合值(m)1858128149180203227262293324376418470506 551 603 684 815 992 11169、附加弯矩计算标高(m) 承载能力极限状态风荷载附加弯矩M ai承载能力极限状态地震附加弯矩M Eai正常使用极限状态风荷载附加弯矩M aki10、荷载内力组合荷载组合工况表组合1 S = + + + ××S Lk组合2 S = + + + ××S Lk组合3 S = + ××S wk + + ××S Lk组合4 S = + + ××S wk + ×M aE组合5 S = + + ××S wk + ×M aE组合6 S = + + + ××S wk +组合7 S = + - + ××S wk +组合8 S = + + + ××S wk +组合9 S = + - + ××S wk +组合10 S = + +组合11 S = + +标高(m)组合1 组合2 组合3N M N M N M 0 0 0 0 0 0 29 100 35 100 40 62 59 392 70 392 79 243 98 1063 118 1063 133 661 118 1314 142 1314 159 817 158 1740 190 1740 213 1082 187 2069 224 2069 252 1285 216 2423 259 2423 291 1505 280 2955 335 2955 377 1835 381 3411 458 3411 515 2118 444 3844 533 3844 599 2386 488 4534 586 4534 659 2814 525 5067 630 5067 709 3144 566 5704 680 5704 765 3539 598 6132 718 6132 807 3804 664 6658 796 6658 896 4129 704 7257 845 7257 951 4500 749 8148 899 8148 1011 5051 814 9545 976 9545 1099 5913 900 11391 1080 11391 1215 7048 967 12676 1160 12676 1305 7836标高(m)组合4 组合5N M N M0 0 0 035 45 29 4570 156 59 156 118 387 98 387 142 467 118 467 190 596 158 596 224 694 187 694 259 799 216 799 335 956 280 956 458 1092 381 1092 533 1223 444 1223 586 1435 488 1435 630 1601 525 1601 680 1802 566 1802 718 1939 598 1939 796 2108 664 2108 845 2303 704 2303 899 2597 749 2597 976 3063 814 3063 1080 3686 900 3686 1160 4123 967 4123标高(m)组合10N(kN) M0 0 29 96 59 376 98 1020 118 1260 158 1669 187 1984 216 2324 280 2834 381 3272 444 3687 488 4349 525 4860 566 5471 598 5881 664 6385 704 6958 749 7812 814 9150 900 10915967 12144标高(m)组合11N(kN) M0 0 29 100 59 392 98 1063 118 1314 158 1740 187 2069 216 2423 280 2955 381 3411 444 3844 488 4534 525 5067 566 5704 598 6132 664 6658 704 7257 749 8148 814 9545 900 11391 967 1267611、钢烟囱强度与稳定计算钢烟囱强度计算截面编号标高(m)A ni(m2)W ni(m3)N i(kN)M iN iA ni±M iW ni(N/mm2)f t(N/mm2)⎝⎛⎭⎫N iA ni±M iW ni/f t(%)0 -- -- -- -- -- -- --1 35 1002 70 3923 118 10634 142 13145 190 17406 224 20697 259 24238 335 29559 458 341110 533 384411 586 453412 630 506713 680 570414 718 613215 796 665816 845 725717 899 814818 976 954519 1080 1139120 1160 12676钢烟囱局部稳定计算钢烟囱局部稳定验算表(一)截面编号标高(m)t(mm)D i(mm)?N?B A ni(m2)W ni(m3)N i(kN)M i?N(N/mm2)?B(N/mm2)0 -- -- -- -- -- -- -- -- -- --1 1796 35 1002 1796 70 3923 1796 118 10634 3996 142 13145 3996 190 17406 3996 224 20697 3996 259 24238 3996 335 29559 3996 458 341110 3996 533 384411 3996 586 453412 3996 630 5067 13 3996 680 5704 14 3996 718 6132 15 3996 796 6658 16 3996 845 7257 17 3996 899 8148 18 3996 976 9545 19 3996 1080 11391 203996116012676钢烟囱局部稳定验算表(二)截面 编号 标高 (m) f yt (N/mm 2) ?? E t ×105 (N/mm 2) ?et ??crt?N +?B(N/mm 2) ()σN +σB /σcrt(%)0 -- -- -- -- -- -- -- -- -- 1 2 3 4 5 6 7 8 9 10 11 12 13 14 15 16 17 18 19 20钢烟囱整体稳定性计算 截面位置 A bi (m 2) W bi(m 3) 计算长 度l 0(m)长细比? 稳定 系数? N Ex (kN) N i (kN) M i ? (N/mm 2) f t(N/mm 2)?/f t(%) 底部48525116012676钢烟囱孔洞应力计算 根据烟囱规范式()计算σ = ⎣⎡⎦⎤N A 0 + MW 0αk ≤ f t标高(m) ?k A0(m2)W0(m3)N(kN)M?N/(mm2)f tN/(mm2)结果976 9545不通过(洞口补强)(12、考虑瞬时极端最大风速下验算结果标高(m)A ni(m2)W ni(m3)N i(kN)M iN iA ni±M iW ni(N/mm2)f y(N/mm2)⎝⎛⎭⎫N iA ni±M iW ni/f y(%)-- -- -- -- -- -- --29 9659 37698 1020118 1260158 1669187 1984216 2324280 2834381 3272444 3687488 4349525 4860566 5471598 5881664 6385704 6958749 7812814 9150900 10915967 12144烟囱底板厚度计算底板面积:A(m2)底板抵抗矩:W(m3)底板压应力:?cbt(kN/m2)筒壁外侧为三边支撑板自由边长度a(m)两端与自由边相邻的边长度b(m)?M max m)底板厚度t(mm)筒壁内侧为一边支撑板筒壁内侧为一边支撑板C(m)M max m)底板厚度t(mm)底板厚度取较大结果且要大于14mm ,因此取底板厚度t为45mm地脚螺栓直径计算单个地脚螺栓的拉力(kN)所需地脚螺栓净面积(mm2)地脚螺栓计算直径d1(mm)地脚螺栓所需直径d(mm)地脚螺栓所需面积(mm2)最终取地脚螺栓为30-M76筋板厚度计算底板分布反力得到的压力N1(kN)锚栓产生的拉力N2(kN)根据筋板抗拉强度计算的筋板厚度t1(mm)根据筋板抗剪强度计算的筋板厚度t2(mm)构造要求t3(mm)筋板厚度取以上三者的较大值,最终取值为28mm盖板厚度计算盖板类型为环形盖板筋板内侧间距l3'(mm)筋板自由外伸宽度b(mm)盖板上地脚螺栓孔直径d3(mm)计算盖板厚度t g(mm)构造要求:盖板厚度不小于底板厚度,最终取值为38mm筒壁各截面位移结果截面编号标高(m)基本风压作用下位移(mm)瞬时最大风速作用下位移(mm)地震作用下位移(mm)0 1 2 3 4 5 6 7 8 9101112131415161718192015、加强圈间距计算编号标高(m)D r(mm)t r(mm)E t×105(N/mm2)??(N/mm2)f rv co(m/s)加强筋截面H s(m)0 -- -- -- -- -- -- -- --1 1800 102 1800 103 1800 104 4000 105 4000 106 4000 107 4000 108 4000 129 4000 1210 4000 1211 4000 1212 4000 1213 4000 1414 4000 1415 4000 1416 4000 1417 4000 1418 4000 14计算结果:1.塔筒体上部1/3筒高处需设置破风圈,以消除横风向风振;2.标高处管道按直径1800的开洞计算,根据计算结果,洞口处需要补强;3.沿筒高壁厚变化,厚度分别为16mm,14mm,12mm。
拉索式钢烟囱计算书一、设计资料1、钢烟囱高度 H=20m,直径 D=426mm,厚度 t=8mm 。
22、基本风压: W0=0.55kN/m2 3 43、地面粗糙度类别: B 类地面粗糙度指数: 0.164、抗震设防烈度: 6 度设计基本地震加速度: 0.05g 设计特征周期 0.35s 设计地震分组为第一组。
5、钢烟囱阻尼比: 0.016、拉索: d=0.014m二、设计依据1、《烟囱设计规范》 GB50051-20022、《钢结构设计规范》 GB50017-20023、《建筑结构荷载规范》 GB50009-20014、《建筑抗震设计规范》 GB50011-20105、《高耸结构设计规范》 GB50135-2006三、烟囱型式烟囱高度和直径之比: H/D=20/0.426=47>35 设一层拉索,拉索数量为 3 根,平面夹角成 120o,拉索与烟囱夹角为 30 o。
四、筒身自重计算及拉索自重1、筒壁每延米自重: G1=2x3.14x(0.426/2+0.410/2)x0.008x78.5=1.65 kN/m 筒壁总重: G=1.65x20=33 kN2、拉索每延米自重: T1=7N/m 拉索长度: S=13/cos30 o=15m3 根拉索总重: T=3x7x15=315N=0.315 kN五、风荷载产生的弯矩和拉索拉力计算 1、拉索式钢烟囱自振周期,按《建筑结构荷载规范》 GB50009-2001 附录 E 之E.1.1取:T1=(0.007~0.013)H≈0.013x20=0.26s2、顺风向风压 W0=0.55kN/m2,风荷载系数计算。
( 1)风压高度变化系数:查《建筑结构荷载规范》表 7.2.1,地面粗糙度类别B,可得各截面的μz 值2 风荷载体型系数μ s《建筑结构荷载规范》表 7.3.1项次 36(b)H/D=20/0.426=47>25 μz W0d2=1.25x0.55x0.4262=0.125>0.015,Δ≈0, μs=0.6拉索:按《建筑结构荷载规范》表 7.3.1项次 38 拉索α=60 o风荷载水平分量的体型系数 W SX =0.85 风荷载垂直分量的体型系数 W SY =0.40(3) 高度 Z 处的风振系数 β z 。
不锈钢烟囱烟囱排烟阻力计算书一、热水锅炉1、工程基本资料排烟设备:4吨热水锅炉;燃料种类:(天然气);燃料耗量:296m ³/h ·台;排烟温度:110℃;烟囱规格:φ850㎜烟管截面积:S=0.567㎡。
2、烟气量的计算1立方燃料所产生的烟气量为23m 3/h (经验值),则机组的排烟总量为6800m 3/h 。
110℃时烟气的密度为:955.011027327334.12732730=+⨯=+⨯=t ρρ㎏/m 3; 烟气流速为:3.33m/s 。
3、烟囱内部阻力计算(1) 烟囱水平管道85m ,垂直管道27m 的摩擦阻力m yc P ∆(Pa )为:pj pj PJ m ycd H P ρωλ22=∆ 即: m yc P ∆=(0.02×112×3.332×0.955)÷(2×0.85)=13.95(Pa )(2)出口阻力:c Ccyc A P ρω22=∆=1.1×3.332×0.955÷2=5.82(Pa )(3)弯头阻力:90°弯头数量为8只,阻力为:pj Cw yc P ρωξ22=∆=0.7×3.332×0.955÷2×8=29.65(Pa )2只135°缓弯头的总阻力为:0.3×3.332×0.955÷2×2=3.18(Pa )(4)∴ 烟道总阻力为:yc P ∆=13.95+5.82+29.65+3.18=52.60(Pa )4、抽力计算(环境温度取25℃)0℃时空气密度是1.293㎏/m 3,25℃时空气的密度为:18.125273273293.12732730=+⨯=+⨯=t ρρ空㎏/m 3 54.598.927955.018.18.9=⨯⨯-=⨯⨯-=)()(空H S ρρ Pa5、结论烟囱的抽力大于烟囱排烟所产生的阻力20%,烟气可正常排出,依据上面计算,本工程热水锅炉烟囱抽力略大于阻力,烟气可排出但不是很顺畅。
钢烟囱设计计算书(自立式)1 设计依据1.1 《建筑结构荷载规范》GB 50009-20121.2 《建筑抗震设计规范》GB 50011-20101.3 《烟囱设计规范》GB 50051-2013 2 设计参数 钢烟囱计算高度H e 16m :=材料强度Q235f t 215MPa:=烟囱底、顶标高z 120m :=下部高度H 18m:=上部高度H 2H e H 1−8m =:=下部内径d 11700mm :=上部内径d 21700mm:=上部壁厚t 26mm:=下部截面面积上部截面面积下部截面抵抗矩上部截面抵抗矩下部截面回转半径I 1A 1i 120.012m4=:=上部截面回转半径I 2A 2i 220.012m4=:=截面长细比3 风荷载计算 基本风压ω00.35kPa:=根据规范《石油化工管式炉钢结构设计规范》SHT3070-2005附录B规定,则圆形烟囱体型系数μs 0.70:=烟囱筒体质量m e0γs A 1H 1⋅A 2H 2⋅+()⋅ 4.039ton ⋅=:=烟囱附加设备质量m e12323kg:=烟囱总质量m e m e0m e1+ 6.6ton⋅=:=N e m e g ⋅58.713kN⋅=:=参照规范《石油化工管式炉钢结构设计规范》SHT3070-2005附录B,则直筒式烟囱基本自振周期参照规范《建筑结构荷载规范》GB 50009-2012附录F,则钢烟囱基本自振周期钢烟囱基本自振周期T 1max T 1a T 1b , ()0.208s=:=根据《建筑结构荷载规范》GB 50009-2012第8·4条,可不考虑顺风向风振的影响。
z高度处的风振系数βz计算峰值因子g 1 2.5:=10m高度名义湍流强度I 100.14:=备注:对应A、B、C和D类地面粗糙度,可分别取012、014、023和039结构阻尼比结构第1阶自振频率地面粗糙度修正系数备注:对应A、B、C和D类地面粗糙度,分别取128、100、054和026x 15>脉动风荷载的共振分量因子H1a 1.6m:=结构第1阶振型系数z为高度下部z为全高度处脉动风荷载垂直方向的相关系数脉动风荷载水平方向的相关系数ρx 1.00:=系数查表取值k0.910:=α10.218:=地面粗糙度类别B风压高度变化系数脉动风荷载的背景分量因子z高度处的风振系数风荷载标准值ωk1βz1μs ⋅μz1⋅ω0⋅0.319kPa ⋅=:=ωk2βz2μs ⋅μz2⋅ω0⋅ 1.298kPa⋅=:=烟囱底部截面受力计算:风荷载水平力标准值风荷载弯矩标准值风荷载水平力设计值V w 1.4V kw ⋅31.01kN ⋅=:=风荷载弯矩设计值M w 1.4M kw 248.06kN·m⋅=:=螺栓数量及直径计算根据《钢结构设计规范》表8·3·4,螺栓间距s取3倍至16倍螺栓孔径螺栓孔外挑宽度Δ1150mm:=螺栓圆周长L 1πd 12Δ1⋅+()⋅ 6.283m =:=螺栓数量估算螺栓数量取偶数个为地脚螺栓最大拉力查《钢结构设计手册》表10-6,螺栓直径d取20mm,对应最大拉力为34.3kN又由《石油化工管式炉钢结构设计规范》SHT3070-2005第9·3·13条,考虑锚栓的腐蚀裕度3mm 最终选择锚栓直径为M24。
自立式钢烟囱一. 工程概况该结构为一自立式钢烟囱,安全等级为二m,壁厚从上至下分别为1012现在壁厚变化处作1-1、2-2、3-3剖面。
二. 设计依据主要计算根据是:1. 甲方提供的各种数据文件、资料和图2. 我国现行有关规范、规程,主要包《烟囱设计规范》(GB50051-《建筑结构荷载规范》(GB50009-《钢结构设计规范》(GB50017-《建筑抗震设计规范》(GB50011-三. 截面性质四. 荷载信息2.风荷载标准值:∑H/D=12.00,则μs=0.53w0=0.6kN/m2T1=0.39s,则w0 T12=0.09荷载规范》风荷载分布图(kN/m)弯矩图(kN·m)3. 地震荷载标准值:根据《烟囱设计规范》(GB50051-2002)式α1=0.12,H0= M0=α1 G E H0=375.56kN·m∵T1=0.39s,T g=∴η0=0.55,V0=η0α1 G E=五. 荷载组合1. 荷载效应组合按下式确定:γ0(γG S GK+γQ1S Q1K)≤R2. 地震作用效应组合按下式确定:γGE S GE+γEhS EhK+ψcweγ具体为如下2种组合情况:1) 1.2×恒载+ 1.42) 1.2×恒载+ 1.4其中,γ0=1.0,γRE=0.8六. 强度及局部稳定验算f t=γs f=1.00×215=215N/mm2,f t/γRE=268.75根据《烟囱设计规范》(GB50051-风荷载作用下:σcrt w10=0.4E t/k×t3/d3=351.57N/mm2σcrt w20=0.4E t/k×t2/d2=263.68N/mm2σcrt w30=0.4E t/k×t1/d1=219.73N/mm2地震作用下:σcrt E10=0.4E t/k×t3/d3=439.47N/mm2σcrt E10/γRE=549.33N/mm21. 1.2×恒载+1.4×风载 1-1截面:σ1=N1/A1+M1y1/I1= 4.34N/mm2<f t= τ1=2V1/A1=0.84N/mm<f v=125N/mm22-2截面:σ2=N2/A2+M2y2/I2=12.81N/mm2<f t= τ2=2V2/A2= 1.33N/mm<f v=125N/mm23-3截面:σ3=N3/A3+M3y/I3=20.40N/mm2<f t= τ3=2V3/A3= 1.42N/mm<f v=125N/mm22. 1.2×恒载+1.4×0.2×风载+1.3×地震3-3截面:σ3=N3/A3+M3y/I3=12.21 N/mm2<f t/γRE= τ3=2V3/A3=0.60 N/mm2<f v/γRE=七. 稳定验算根据《烟囱设计规范》(GB50051-i=√(I3/A3)=878.24mmλ=μl/i=68.32,则φ=0.76N EX=πE t A3/(1.1λ2)=49445.11kN1. 1.2×恒载+1.4×风载 σ=N3/φ3A3+M3y3/[I3(1-0.821.19 2. 1.2×恒载+1.4×0.2×风载+1.3×地震σ3=N3/φA3+M3y3/[I3(1-0.812.96八. 柱脚验算1. 锚栓验算选用20个Φ39锚栓,材料选用Q235,锚锚栓中心离底板外边缘距离为100mm,筒锚栓数量n=20构外壁距离锚栓中心离底板外边缘距离为100mm筒壁内侧底板长度为100mm锚栓中心线形成的圆直径d0= 2.7m轴向压力N=0.9*(G1+G2+G3)=209.75kN根据《烟囱设计规范》(GB50051-锚栓最大拉力P max=4M/(nd0)-91.06kN2. 底板厚度验算底板面积A =2450440mm 2底板惯性矩I = 2.10E+12mm 4如采用加劲肋,则σcbt =G /A +My /I = 1.01N/mm 2a =πd /n =456mm ,b =b /a =0.44,则β=0.05205M max =βσcbt a 2=10956N·mm t ≥√(6M max /f t )=17.5mm ,取底板厚度为25 mm 。
目录1、设计资料1.1基本设计资料烟囱总高度H=60.300m烟气温度T=95.00rgas烟囱底部高出地面距离:0mm夏季极端最高温度T sum=40.00°C冬季极端最低温度T win=-4.00C win最低日平均温度T.=-5.00Cwin烟囱日照温差△T=20.00C基本风压叫=0.55kN/m2瞬时极端最大风速:34.00(m/s)地面粗糙度:B类烟囱筒体几何缺陷折减系数6=0.50烟囱安全等级:二级抗震设防烈度:7度(0.10g)设计地震分组:第一组建筑场地土类别:II类筒壁腐蚀厚度裕度:2.00mm衬里起始高度:0.00m设置破风圈:是自定义设计温度下筒壁钢材的许用应力:117.00MPa是否计算抽力:否1.2材料信息序1—1使用部位材料名称最高使用温密度导热系数尢号度(C) (kg/m3) (W/(m・1 筒壁钢材S31603 250 7850.00 58.1501.3几何尺寸信息烟囱总分段数:18烟囱筒身分段参数表编号标咼(m) 烟囱筒壁外直径(mm) 分段高度(m)0 60.30 1800.001 50.30 1800.00 10.002 43.50 1800.00 6.803 41.59 4000.00 1.914 38.91 4000.00 2.685 37.12 4000.00 1.806 35.32 4000.00 1.807 32.82 4000.00 2.508 30.82 4000.00 2.009 29.02 4000.00 1.8010 26.30 4000.00 2.7211 24.30 4000.00 2.0012 22.00 4000.00 2.30烟囱总截面数:2113 20.54000.00 1.501418.70 4000.00 1.801516.70 4000.00 2.001613.80 4000.00 2.9017 3.80 4000.00 10.0018-0.04000.00 3.80烟囱筒身分节参数表(1)截面标高烟囱筒壁外直径(mm)分节高度筒壁厚度坡度编号(m) (m) (mm) (%) 0 60.30 1800.00 12.000.001 55.30 1800.00 5.000 12.000.002 50.30 1800.00 5.000 12.000.003 43.50 1800.00 6.800 12.000.004 41.59 4000.00 1.905 12.0057.7435 38.91 4000.00 2.680 12.000.006 37.12 4000.00 1.800 12.000.007 35.32 4000.00 1.800 12.000.008 32.82 4000.00 2.500 12.000.009 30.82 4000.00 2.000 14.000.0010 29.02 4000.00 1.800 14.000.0011 26.30 4000.00 2.720 14.000.0012 24.30 4000.00 2.000 14.000.0013 22.00 4000.00 2.300 14.000.0014 20.50 4000.00 1.500 16.000.0015 18.70 4000.00 1.800 16.000.0016 16.70 4000.00 2.000 16.000.0017 13.80 4000.00 2.900 16.000.0018 9.40 4000.00 4.395 16.000.0019 3.80 4000.00 5.605 16.000.0020 -0.00 4000.00 3.800 16.00 0.00烟囱筒身分节参数表(2)面标高附加重量附加风载洞口洞口洞口宽洞口高号(m) (kN) (kN) 数量形状度(mm) 度(mm) 5 38.91 8.00 0.00 0 矩形0 06 37.12 8.00 0.00 0 矩形0 07 35.32 8.00 0.00 0 矩形0 08 32.82 35.00 0.00 0 矩形0 09 30.82 75.00 0.00 0 矩形0 010 29.02 38.00 0.00 0 矩形0 011 26.30 8.00 0.00 0 矩形0 0 洞口直径(mm)12 24.30 10.00 0.00 0 矩形0 013 22.00 10.00 0.00 0 矩形0 014 20.50 8.40 0.00 0 矩形0 015 18.70 38.00 0.00 0 矩形0 016 16.70 10.00 0.00 0 矩形0 018 9.40 0.00 0.00 1 圆形180020 -0.00 8.40 0.00 0 矩形0 0是否设置爬梯:否1.4烟囱底座设计参数烟囱底板材料:Q235(B)烟囱底板内径DI:3000.00mm烟囱底板外径D2:5000.00mm偏心弯矩M e:0.00kN.m地脚螺栓材料:Q235(B) 地脚螺栓数量n:20地脚螺栓腐蚀裕量c2:4.0mm地脚螺栓中心线直径D3:4500mm筋板材料:Q235(B)筋板高度hj:600.00mm盖板材料:Q235(B)盖板类型:环形盖板是否有垫板:否2、计算依据《烟囱设计规范》GB50051-2013《建筑结构荷载规范》GB50009-2012《建筑抗震设计规范》GB50011-2010《钢结构设计规范》GB50017-2003(201451)《低合金高强度结构钢》GB/T1591-2008《钢结构设计手册》(第三版)《钢结构连接节点设计手册》(第二版)不锈钢S31603强度设计值见下表:续表3.3.13、筒体自重计算筒身自重表格(1)截面编号0 标咼(m)60.30重量(kN)筒壁0.001 55.30 25.932 50.30 25.933 43.50 35.264 41.59 18.425 38.91 31.006 37.12 20.827 35.32 20.828 32.82 28.919 30.82 26.9710 29.02 24.2811 26.30 36.6812 24.30 26.9713 22.00 31.0214 20.50 23.1115 18.70 27.7316 16.70 30.8117 13.80 44.6818 9.40 64.5819 3.80 86.3520 -0.00 58.54 合计-- 688.81筒身自重表格(2)截面卡去"^/e、附加重量破风圈重本节总重量每节根部重编号标冋(m)(kN) (kN) (kN) 量(kN)0 60.30 0.00 -- 0.00 0.001 55.30 0.00 3.34 29 292 50.30 0.00 3.34 29 593 43.50 0.00 4.54 40 984 41.59 0.00 1.27 20 1185 38.91 8.00 0.93 40 1586 37.12 8.00 0.00 29 1877 35.32 8.00 0.00 29 2168 32.82 35.00 0.00 64 2809 30.82 75.00 0.00 102 38110 29.02 38.00 0.00 62 44411 26.30 8.00 0.00 45 48812 24.30 10.00 0.00 37 52513 22.00 10.00 0.00 41 56614 20.50 8.40 0.00 32 59815 18.70 38.00 0.00 66 66416 16.70 10.00 0.00 41 70417 13.80 0.00 0.00 45 74918 9.40 0.00 0.00 65 81419 3.80 0.00 0.00 86 90020 -0.00 8.40 0.00 67 967合计-- 264.80 13.42 967 967 筒身总重量G=刀(每节重量)=967.03kN6、动力特征计算前五阶自振周期分别为:T1=0.7670sT2=0.2147sT3=0.0867sT4=0.0427sT5=0.0281s前五阶振型相对位移计算结果标咼(m)第一振型第二振型第三振型第四振型第五振型(相对值)(相对值)(相对值)(相对值)(相对值)60.30 1.0000 1.0000 1.0000 1.0000 1.000055.30 0.8645 0.5847 0.1394 -0.3018 -0.606250.30 0.7326 0.2107 -0.4989 -0.8153 -0.594443.50 0.5728 -0.0997 -0.6425 -0.1898 0.708941.59 0.5342 -0.1307 -0.5407 -0.0312 0.649138.91 0.4814 -0.1619 -0.3782 0.1375 0.431937.12 0.4465 -0.1784 -0.2664 0.2212 0.257735.32 0.4122 -0.1911 -0.1553 0.2738 0.078532.82 0.3656 -0.2019 -0.0084 0.2879 -0.139330.82 0.3295 -0.2050 0.0984 0.2505 -0.257729.02 0.2978 -0.2040 0.1836 0.1858 -0.308226.30 0.2517 -0.1961 0.2871 0.0486 -0.280224.30 0.2195 -0.1857 0.3407 -0.0656 -0.193022.00 0.1844 -0.1696 0.3764 -0.1906 -0.048720.50 0.1628 -0.1572 0.3850 -0.2603 0.054918.70 0.1381 -0.1409 0.3815 -0.3256 0.173316.70 0.1125 -0.1215 0.3609 -0.3692 0.281313.80 0.0792 -0.0920 0.3051 -0.3743 0.36959.40 0.0384 -0.0492 0.1848 -0.2712 0.32803.80 0.0066 -0.0094 0.0394 -0.0661 0.0909-0.00 0 0 0 0 0 7、风荷载计算7.1横向风振判断7.1.1第1振型时的临界风速计算V cr1=D2S3=0767黑020=26・08m/s式中D2/32H/3高度处烟囱的外直径7.1.2烟囱雷诺数R eV H=40冷%叫=4^1.7124X0.55=38.82m/sRe=69000V cr1D2/3=69000X26.08X4.00=7.20X106Re上3.5X106,L2X VH>V cr1需要考虑横风向风荷载已经设立破风圈,不考虑横风向作用7.2风荷载标准值计算顺风向风压时风荷载计算结果标咼(m) RooB evz/H R豁(z) B zzpz叫60.30 900 1.7124 0.45 1.92 1.00 1.9290 1.0000 0.8758 2.3320 2.6455.30 900 1.6677 0.45 1.92 0.92 1.9290 0.8632 0.7762 2.1806 2.450.30 900 1.6227 0.45 1.92 0.83 1.9290 0.7247 0.6698 2.0187 2.1643.50 900 1.5550 0.45 1.92 0.72 1.9290 0.5516 0.5319 1.8091 1.8641.59 2000 1.5359 1.00 1.92 0.69 1.9290 0.5057 1.0973 2.6690 2.7138.91 2000 1.5059 1.00 1.92 0.65 1.9290 0.4435 0.9815 2.4928 1.4537.12 2000 1.4825 1.00 1.92 0.62 1.9290 0.4017 0.9030 2.3735 1.3535.32 2000 1.4591 1.00 1.92 0.59 1.9290 0.3639 0.8311 2.2641 1.2732.82 2000 1.4266 1.00 1.92 0.54 1.9290 0.3172 0.7411 2.1271 1.1730.82 2000 1.4006 1.00 1.92 0.51 1.9290 0.2799 0.6660 2.0130 1.0929.02 2000 1.3742 1.00 1.92 0.48 1.9290 0.2487 0.6031 1.9172 1.0126.30 2000 1.3307 1.00 1.92 0.44 1.9290 0.2036 0.5098 1.7754 0.9124.30 2000 1.2987 1.00 1.92 0.40 1.9290 0.1704 0.4373 1.6651 0.8322.00 2000 1.2619 1.00 1.92 0.36 1.9290 0.1420 0.3749 1.5702 0.7620.50 2000 1.2379 1.00 1.92 0.34 1.9290 0.1239 0.3336 1.5074 0.7218.70 2000 1.2039 1.00 1.92 0.31 1.9290 0.1023 0.2831 1.4306 0.6616.70 2000 1.1639 1.00 1.92 0.28 1.9290 0.0829 0.2372 1.3608 0.6113.80 2000 1.0987 1.00 1.92 0.23 1.9290 0.0576 0.1747 1.2658 0.549.40 2000 1.0000 1.00 1.92 0.16 1.9290 0.0282 0.0939 1.1428 0.443.80 2000 1.0000 1.00 1.92 0.06 1.9290 0.0100 0.0333 1.0507 0.40 -0.00 2000 1.0000 1.00 1.92 - 1.9290 0.0100 0.0333 1.0507 0.40.00注:R0筒身截面外半径(mm)7.3风弯矩标准值计算风荷载及风弯矩标准值计算结果标咼(m)Q i60.30--55.30 27.19 68 50.30 24.64 266 43.50 29.51 718 41.59 15.12 888 38.91 22.25 1176 37.12 10.08 1399 35.32 9.46 1639 32.82 12.20 2000 30.82 9.02 2310 29.02 7.56 2604 26.30 10.47 3072 24.30 6.97 3434 22.00 7.34 3867 20.50 4.44 4158 18.70 4.97 4516 16.70 5.09 492313.80 6.64553 19.40 8.57 64863.80 9.47 7754-0.00 6.15 8643注:1、Q i表示作用于每一节中心处的集中风荷载,单位为kN2、M wki=E(Q i h i),单位为kN.m7.4考虑瞬时极端最大风速时的风荷载计算(只计算顺风向风压)瞬时极端最大风速时风荷载计算结果标高(m) Roo馬Bevz/H R豁(z) B zzpz叫60.30 900 1.7124 0.45 1.92 1.00 2.0186 1.0000 0.8758 2.38103.5 455.30 900 1.6677 0.45 1.92 0.92 2.0186 0.8632 0.7762 2.22403.2 250.30 900 1.6227 0.45 1.92 0.83 2.0186 0.7247 0.6698 2.05622.8 943.50 900 1.5550 0.45 1.92 0.72 2.0186 0.5516 0.5319 1.83882.4 841.59 2000 1.5359 1.00 1.92 0.69 2.0186 0.5057 1.0973 2.73033.6 438.91 2000 1.5059 1.00 1.92 0.65 2.0186 0.4435 0.9815 2.54771.9 437.12 2000 1.4825 1.00 1.92 0.62 2.0186 0.4017 0.9030 2.42401.8 235.32 2000 1.4591 1.00 1.92 0.59 2.0186 0.3639 0.8311 2.31051.7 132.82 2000 1.4266 1.00 1.92 0.54 2.0186 0.3172 0.7411 2.16861.5 630.82 2000 1.4006 1.00 1.92 0.51 2.0186 0.2799 0.6660 2.05031.4 529.02 2000 1.3742 1.00 1.92 0.48 2.0186 0.2487 0.6031 1.95101.3 626.30 2000 1.3307 1.00 1.92 0.44 2.0186 0.2036 0.5098 1.80391.2 124.30 2000 1.2987 1.00 1.92 0.40 2.0186 0.1704 0.4373 1.68951.1 122.00 2000 1.2619 1.00 1.92 0.36 2.0186 0.1420 0.3749 1.59121.0 220.50 2000 1.2379 1.00 1.92 0.34 2.0186 0.1239 0.3336 1.52610.9 618.70 2000 1.2039 1.00 1.92 0.31 2.0186 0.1023 0.2831 1.4464 0.8816.70 2000 1.1639 1.00 1.92 0.28 2.0186 0.0829 0.2372 1.3741 0.8113.80 2000 1.0987 1.00 1.92 0.23 2.0186 0.0576 0.1747 1.27550.7 19.40 2000 1.0000 1.00 1.92 0.16 2.0186 0.0282 0.0939 1.14800.5 83.80 2000 1.0000 1.00 1.92 0.06 2.0186 0.0100 0.0333 1.0526 0.53 -0.00 2000 1.0000 1.00 1.92 0.00 2.0186 0.0100 0.0333 1.0526 0.53 风荷载标准值计算结果标咼(m) Qi Mwkiwki60.30 -- -- 55.30 36.45 91 50.30 32.99 356 43.50 39.45 962 41.59 20.27 1189 38.91 29.89 1575 37.12 13.53 1874 35.32 12.68 2196 32.82 16.35 2679 30.82 12.07 3095 29.02 10.11 3488 26.30 13.98 4116 24.30 9.30 4601 22.00 9.78 5180 20.50 5.91 5570 18.70 6.61 6049 16.70 6.76 6594 13.80 8.80 7408 9.40 11.33 86853.80 12.481038 0-0.00 8.09 11569注:1、Q i表示作用于每一节中心处的集中风荷载,单位为kN2、M wki=E(Q i h i),单位为kN.m8、地震作用及内力计算标高(m) 60.30地震作用下的剪力(kN)振型组合值3.70 第一振型1.60第二振型-2.93第三振型1.45第四振型-0.60第五振型0.3155.30 4.38 -6.35 1.85 -0.24 -0.07 7.9350.30 7.15 -7.80 0.15 0.92 -0.50 10.63 43.50 9.02 -7.21 -1.74 1.16 -0.05 11.73 41.59 10.53 -6.53 -3.12 1.19 0.30 12.84 38.91 12.34 -5.42 -4.41 1.00 0.61 14.23 37.12 13.75 -4.39 -5.17 0.73 0.77 15.37 35.32 15.24 -3.14 -5.67 0.36 0.82 16.58 32.82 17.76 -0.60 -5.73 -0.39 0.64 18.68 30.82 21.39 3.53 -4.75 -1.43 0.09 22.24 29.02 23.63 6.32 -3.50 -1.96 -0.35 24.79 26.30 24.73 7.88 -2.37 -2.04 -0.59 26.15 24.30 25.67 9.33 -1.06 -1.93 -0.75 27.41 22.00 26.41 10.59 0.32 -1.64 -0.78 28.52 20.50 27.02 11.65 1.61 -1.28 -0.74 29.50 18.70 28.04 13.54 4.15 -0.37 -0.50 31.42 16.70 28.63 14.70 5.85 0.36 -0.22 32.71 13.80 29.10 15.71 7.50 1.20 0.21 33.93 9.40 29.42 16.45 8.88 2.05 0.73 34.923.80 29.47 16.59 9.16 2.25 0.87 35.12 -0.00 29.47 16.59 9.16 2.25 0.87 35.12地震作用下弯矩(kN.m)标高(m) 第一振型第二振型第三振型第四振型第五振型振型组合值60.30 0.00 0.00 0.00 0.00 0.00 055.30 8.02 -14.63 7.24 -3.02 1.54 18 50.30 29.90 -46.35 16.49 -4.22 1.21 58 43.50 78.52 -99.39 17.49 2.06 -2.17 128 41.59 95.70 -113.12 14.17 4.26 -2.27 149 38.91 123.92 -130.63 5.79 7.45 -1.47 180 37.12 146.13 -140.39 -2.15 9.25 -0.37 203 35.32 170.89 -148.29 -11.45 10.56 1.01 227 32.82 208.98 -156.13 -25.64 11.46 3.07 262 30.82 244.50 -157.33 -37.10 10.68 4.34 293 29.02 283.01 -150.98 -45.64 8.11 4.51 32426.30 347.28 -133.79 -55.17 2.79 3.55 376 24.30 396.73 -118.02 -59.92 -1.29 2.37 41822.00 455.76 -96.56 -62.36 -5.73 0.66 470 20.50 495.38 -80.69 -61.87 -8.19 -0.52 506 18.70 544.02 -59.72 -58.98 -10.48 -1.86 551 16.70 600.09 -32.63 -50.68 -11.22 -2.85 603 13.80 683.10 10.01 -33.72 -10.18 -3.48 684 9.40 811.00 79.04 -0.75 -4.89 -2.57 815 3.80 975.88 171.25 49.02 6.60 1.52 992 -0.00 1087.86 234.28 83.84 15.14 4.82 11169、附加弯矩计算标咼(m) 承载能力极限状态风荷载附加弯矩M ai(kN.m)承载能力极限状态地震附加弯矩M Eai(kN.m)正常使用极限状态风荷载附加弯矩M aki(kN.m)60.30 0.00 0.00 0.00 55.30 4.81 1.61 1.5850.30 19.82 6.70 6.59 43.50 57.38 19.77 19.34 41.59 71.43 24.76 24.19 38.91 93.70 32.75 31.94 37.12 110.26 38.77 37.76 35.32 128.04 45.30 44.06 32.82 154.64 55.22 53.59 30.82 177.41 63.84 61.85 29.02 198.93 72.10 69.75 26.30 233.08 85.46 82.47 24.30 259.28 95.93 92.39 22.00 290.30 108.60 104.35 20.50 310.94 117.21 112.43 18.70 335.99 127.86 122.41 16.70 364.03 140.09 133.81 13.80 404.67 158.47 150.82 9.40 464.76 187.48 177.363.80 534.95 225.68 211.64 -0.00 575.50 251.72 234.4410、荷载内力组合荷载组合工况表组合1 组合2 S =1.0S Gk +1.4S wkGkwkS =1.2S Gk +1.4S wk +Gkwk+1.0M a +a1.0M +a0.7x 1.4x S Lk Lk 0.7x 1.4x S LkLk组合3 S =1.35S Gk +0.6xGk1.4x S wk +1.0M a +0.7x 1.4x S Lk组合4 S =1.2S +1.3S GEEhk +0.2x 1.4x S wk +1.0x M aE wkaE组合5 S =1.0S +1.3S GEEhk +0.2x1.4x S wk +1.0x M aEwkaE组合6 S =1.2S +1.3S GEEhk +0.5S Evk +0.2x 1.4x S wk w k+1.0MaE1 aE1 组合7 S =1.0S +1.3SGEEhk-0.5S Evk+0.2x 1.4x S wk w k+1.0M aE2 aE2 组合8 S =1.2S GE +0.5SEhk +1.3S Evk +0.2x1.4x S wk wk+1.0MaE1 aE1组合9 S =1.0S GE +0.5S Ehk-1.3S Evk+0.2x 1.4x S wk w k+1.0M aE2 aE2 组合10 S =1.0S Gk +1.0M a +1.0S Maxwk组合11 S =1.0SGk +1.0M a +1.4S wk标高组合1组合2组合3(m) NMNMNM60.30 0 0 0 0 0 0 55.30 29100 35 100 4062 50.30 59 392 70 392 79243 43.50 98 1063 118 1063 133661 41.59 118 1314 142 1314 159817 38.91 158 1740 190 1740 2131082 37.12 187 2069 224 2069 2521285 35.32 216 2423 259 2423 2911505 32.82 280 2955 335 2955 377 1835 30.82 381 3411 458 3411 5152118 29.02 444 3844 533 3844 599 2386 26.30 488 4534 586 4534 6592814 24.30 525 5067 630 5067 7093144 22.00 566 5704 680 5704 7653539 20.50 598 6132 718 6132 8073804 18.70 664 6658 796 6658 8964129 16.70 704 7257 845 7257 9514500 13.80 749 8148 899 8148 10115051 9.40 814 9545 976 954510995913 3.80 900 11391 1080 11391 12157048 -0.0096712676116012676 13057836标高组合4组合5(m) NMNM60.30 0 0 0 0 55.30 35 45 29 45 50.30 70 156 59 156 43.50 118 387 98 387 41.59 142 467 118 467 38.91 190 596 158 596 37.12 224 694 187 694 35.32 259 799 216 799 32.82 335 956 280 956 30.82 458 1092 381 1092 29.02 533 1223 444 1223 26.30 586 1435 488 1435 24.30 630 1601 525 1601 22.00 680 1802 566 1802 20.50 718 1939 598 1939 18.70 796 2108 664 2108 16.70 845 2303 704 2303 13.80 899 2597 749 2597 9.40 976 3063 814 3063 3.80 1080 3686 900 3686 -0.00116041239674123标咼(m)N (kN)组合10M (kN.m)60.300 055.30 29 9650.30 59 37643.50 98 102041.59 118 126038.91 158 166937.12 187 198435.32 216 232432.82 280 283430.82 381 327229.02 444 368726.30 488 434924.30 525 486022.00 566 547120.50 598 588118.70 664 638516.70704 695813.80 749 7812 9.40 814 9150 3.80 900 10915 -0.0096712144组合11标咼(m)M (kN.m0 60.30 N (kN)0 55.30 29 100 50.30 59 392 43.50 98 1063 41.59 118 1314 38.91 158 1740 37.12 187 2069 35.32 216 2423 32.82 280 2955 30.82 381 3411 29.02 444 3844 26.30 488 4534 24.30 525 5067 22.00 566 5704 20.50 598 6132 18.70 664 6658 16.70 704 7257 13.80 749 8148 9.40 814 9545 3.80 900 11391 -0.0096712676截标高tD.(m m) 编号(m) (mm) 0 60.30 -- -- 1 55.30 10.00 1796 2 50.30 10.00 1796 3 43.50 10.00 1796 4 41.59 10.00 3996 5 38.91 10.00 3996 6 37.12 10.00 3996 7 35.32 10.00 3996 8 32.82 10.00 3996 9 30.82 12.00 3996 1029.0212.003996aN钢烟囱局部稳定验算表(一) %A n. (m 2)W n.n.(m 3)0.60 0.68 0.0561 0.0249 0.60 0.68 0.0561 0.0249 0.60 0.68 0.0561 0.0249 0.48 0.58 0.1252 0.1245 0.48 0.58 0.1252 0.1245 0.48 0.58 0.1252 0.1245 0.48 0.58 0.1252 0.1245 0.48 0.58 0.1252 0.1245 0.51 0.60 0.1502 0.1491 0.510.600.15020.1491N..(kN) M.(kN.m) °N(N/mm 2) °B(N/mm 2) 35 100 0.63 4.01 70 392 1.25 15.72 118 1063 2.10 42.67 142 1314 1.13 10.56 190 1740 1.51 13.98 224 2069 1.79 16.62 259 2423 2.07 19.46 335 2955 2.68 23.74 458 34113.05 22.87 533 38443.5525.7711、钢烟囱强度与稳定计算11.1钢烟囱强度计算截面 编号 标高(m)Ani (m 2)Wnini (m 3)Nii(kN) Mi(kN.m) i ±'i A ±W .ni ni (N/mm 2)ft(N/mm 2)I A ±W 〔n.n.(%) 0 60.30 -- ---- -- ---- -- 1 55.30 0.0561 0.0249 35 100 4.64 207.73 2.23 2 50.30 0.0561 0.0249 70 392 16.97 207.73 8.173 43.50 0.0561 0.0249 118 1063 44.77 207.73 21.554 41.59 0.1252 0.1245 142 1314 11.69 207.73 5.63 5 38.91 0.1252 0.1245 190 1740 15.49 207.73 7.46 6 37.12 0.1252 0.1245 224 2069 18.41 207.73 8.867 35.32 0.1252 0.1245 259 2423 21.53 207.73 10.368 32.82 0.1252 0.1245 335 2955 26.42 207.73 12.729 30.82 0.1502 0.1491 458 3411 25.92 207.73 12.48 10 29.02 0.1502 0.1491 533 3844 29.32 207.73 14.11 11 26.30 0.1502 0.1491 586 4534 34.30 207.73 16.51 12 24.30 0.1502 0.1491 630 5067 38.17 207.73 18.38 13 22.00 0.1502 0.1491 680 5704 42.77 207.73 20.59 14 20.50 0.1751 0.1737 718 6132 39.39 207.73 18.96 15 18.70 0.1751 0.1737 796 6658 42.87 207.73 20.64 16 16.70 0.1751 0.1737 845 7257 46.59 207.73 22.43 17 13.80 0.1751 0.1737 899 8148 52.03 207.73 25.05 189.400.1489 0.1102976954593.20207.7344.87 11.2钢烟囱局部稳定计算19 3.80 0.1751 0.1737 1080 11391 71.73 207.7334.5 320 -0.00 0.1751 0.1737 1160 12676 79.59 207.73 38.3111 26.30 12.00 3996 0.51 0.60 0.1502 0.1491 586 4534 3.90 30.4012 24.30 12.00 3996 0.51 0.60 0.1502 0.1491 630 5067 4.20 33.9813 22.00 12.00 3996 0.51 0.60 0.1502 0.1491 680 5704 4.53 38.2414 20.50 14.00 3996 0.53 0.62 0.1751 0.1737 718 6132 4.10 35.2915 18.70 14.00 3996 0.53 0.62 0.1751 0.1737 796 6658 4.55 38.3216 16.70 14.00 3996 0.53 0.62 0.1751 0.1737 845 7257 4.83 41.7717 13.80 14.00 3996 0.53 0.62 0.1751 0.1737 899 8148 5.13 46.9018 9.40 14.00 3996 0.53 0.62 0.1489 0.1102 976 9545 6.56 86.6419 3.80 14.00 3996 0.53 0.62 0.1751 0.1737 1080 11391 6.17 65.5620 -0.00 14.00 3996 0.53 0.62 0.1751 0.1737 1160 12676 6.63 72.96钢烟囱局部稳定验算表(二)截标高f yt5 E X105 (o^+oj/o编号(m)yt(N/mm2) a t(N/mm2) G et P o crt NB(N/mm2)NBcrt(%)0 60.30 -- -- -- -- -- -- -- -- --1 55.30 227.06 0.50 0.33 2.06 1387.86 0.70 150.88 4.64 3.072 50.30 227.06 0.50 0.34 2.06 1387.86 0.70 151.11 16.97 11.233 43.50 227.06 0.50 0.34 2.06 1387.86 0.70 151.21 44.77 29.614 41.59 227.06 0.50 0.28 2.06 623.77 1.13 107.60 11.69 10.865 38.91 227.06 0.50 0.28 2.06 623.77 1.13 107.59 15.49 14.406 37.12 227.06 0.50 0.28 2.06 623.77 1.13 107.60 18.41 17.117 35.32 227.06 0.50 0.28 2.06 623.77 1.13 107.61 21.53 20.018 32.82 227.06 0.50 0.28 2.06 623.77 1.13 107.55 26.42 24.569 30.82 227.06 0.50 0.30 2.06 748.53 1.01 119.85 25.92 21.6310 29.02 227.06 0.50 0.30 2.06 748.53 1.01 119.82 29.32 24.4711 26.30 227.06 0.50 0.30 2.06 748.53 1.01 119.88 34.30 28.6212 24.30 227.06 0.50 0.30 2.06 748.53 1.01 119.91 38.17 31.8313 22.00 227.06 0.50 0.30 2.06 748.53 1.01 119.94 42.77 35.6614 20.50 227.06 0.50 0.31 2.06 873.28 0.92 129.17 39.39 30.5015 18.70 227.06 0.50 0.31 2.06 873.28 0.92 129.15 42.87 33.1916 16.70 227.06 0.50 0.31 2.06 873.28 0.92 129.17 46.59 36.0717 13.80 227.06 0.50 0.31 2.06 873.28 0.92 129.20 52.03 40.2718 9.40 227.06 0.50 0.31 2.06 873.28 0.92 129.39 93.20 72.0319 3.80 227.06 0.50 0.31 2.06 873.28 0.92 129.29 71.73 55.4820 -0.00 227.06 0.50 0.31 2.06 873.28 0.92 129.31 79.59 61.55 11.3钢烟囱整体稳定性计算截面位AbiWbi计算长长细稳定NExNiiMiio f t o/f t置(m2) (m3) 度l0(m) 比尢系数(kN) (kN) (kN.m) (N/mm2) (N/mm2) (%) 底部0.1751 0.1737 120.60 85.66 0.650 48525 1160 12676 84.57 207.73 40.71 11.4钢烟囱孔洞应力计算根据烟囱规范式(10.3.2-16)计算=_A +仔%w fA 0W标高(m) %A0 (m 2)WW0 (m 3)N (kN) M(kN.m) N/(mm 2) ftN/(mm 2) 结果 不通过 9.403.000.1489 0.11029769545279.61207.73(洞口补12、考虑瞬时极端最大风速下验算结果标高A ni W ni i i N土M Ai士W nini(N/mm2)fy (N/mm 2)(m) 111(m2)111(m3)Ni(kN)Mi(kN.m)60.30 -- -- -- -- -- --55.30 0.0561 0.0249 29 96 4.37 235.00 50.30 0.0561 0.0249 59 376 16.12 235.00 43.50 0.0561 0.0249 98 1020 42.68 235.00 41.59 0.1252 0.1245 118 1260 11.07 235.00 38.91 0.1252 0.1245 158 1669 14.67 235.00 37.12 0.1252 0.1245 187 1984 17.43 235.00 35.32 0.1252 0.1245 216 2324 20.39 235.00 32.82 0.1252 0.1245 280 2834 25.00 235.00 30.82 0.1502 0.1491 381 3272 24.48 235.00 29.02 0.1502 0.1491 444 3687 27.68 235.00 26.30 0.1502 0.1491 488 4349 32.41 235.00 24.30 0.1502 0.1491 525 4860 36.08 235.00 22.00 0.1502 0.1491 566 5471 40.45 235.00 20.50 0.1751 0.1737 598 5881 37.26 235.00 18.70 0.1751 0.1737 664 6385 40.54 235.00 16.70 0.1751 0.1737 704 6958 44.07 235.00 13.80 0.1751 0.1737 749 7812 49.24 235.00 9.40 0.1489 0.1102 814 9150 88.52 235.003.80 0.1751 0.1737 900 10915 67.96 235.00 -0.00 0.1751 0.1737 967 12144 75.42 235.00 俨土紋nini(%) 1.86 6.86 18.16 4.716.247.428.68 10.6410.4211.78 13.79 15.36 17.21 15.8617.2518.75 20.95 37.67 28.92 32.09筒壁外侧为三边支撑板筒壁内侧为一边支撑板底板面积:A(m2)底板抵抗矩:W(m3)底板压应力:Q cb t(kN/m2)自由边长度a(m)两端与自由边相邻的边长度b(m)PM max(kN.m/m)底板厚度t(mm)筒壁内侧为一边支撑板C(m)M max(kN.m/m)底板厚度t(mm)10.0149.32513、钢烟囱底座计算13.1烟囱底板厚度计算底板厚度取较大结果且要大于14mm,因此取底板厚度t为45mm13.2地脚螺栓直径计算单个地脚螺栓的拉力(kN)385.737所需地脚螺栓净面积(mm2)2755.264地脚螺栓计算直径d1(mm)64.88地脚螺栓所需直径d(mm)68.88地脚螺栓所需面积(mm2)3726.55最终取地脚螺栓为30-M7613.3筋板厚度计算底板分布反力得到的压力N1(kN)419.652锚栓产生的拉力N2(kN)385.737根据筋板抗拉强度计算的筋板厚度t1(mm)3.90根据筋板抗剪强度计算的筋板厚度t2(mm)8.39构造要求t3(mm)筋板厚度取以上三者的较大值,最终取值为28mm27.7813.4盖板厚度计算盖板类型为环形盖板筋板内侧间距l3(mm) 523.60筋板自由外伸宽度b(mm) 500.000盖板上地脚螺栓孔直径d3(mm) 86.00计算盖板厚度t g(mm)O 37.11 构造要求:盖板厚度不小于底板厚度,最终取值为38mm14、钢烟囱位移结果筒壁各截面位移结果截面编号标咼(m) 基本风压作用卜位移(mm)瞬时最大风速作用卜位移(mm)地震作用下位移(mm)0 60.30 132.17 177.00 17.551 55.30 113.74 152.32 14.862 50.30 95.86 128.36 12.293 43.50 74.61 99.91 9.414 41.59 69.46 93.01 8.755 38.91 62.42 83.59 7.866 37.12 57.79 77.38 7.277 35.32 53.24 71.29 6.708 32.82 47.10 63.07 5.939 30.82 42.35 56.71 5.3410 29.02 38.21 51.15 4.8211 26.30 32.21 43.12 4.0712 24.30 28.03 37.53 3.5513 22.00 23.50 31.46 2.9814 20.50 20.71 27.73 2.6315 18.70 17.54 23.49 2.2316 16.70 14.26 19.10 1.8217 13.80 10.00 13.39 1.2818 9.40 4.83 6.46 0.6219 3.80 0.83 1.11 0.1120 -0.00 0.000 0.000 0.00015、加强圈间距计算编号标高(m) D rr(mm)tr(mm)E t X105(N/mm2) a(N/mm2)fvcor(m/s)加强筋截面H ss(m)0 60.30 -- -- -- -- -- -- -- --1 50.30 1800 10 2.06 141.00 7.77 34.99 2.9412 43.50 1800 10 2.06 141.00 7.77 34.992.94 13 41.59 1800 10 2.06 141.00 7.77 34.99 2.9414 38.91 4000 10 2.06 141.00 1.57 15.742.94 15 37.12 4000 10 2.06 141.00 1.57 15.74 2.9416 35.32 4000 10 2.06 141.00 1.57 15.742.94 17 32.82 4000 10 2.06 141.00 1.57 15.74 2.9418 30.82 4000 12 2.06 141.00 1.89 18.892.04 29 29.02 4000 12 2.06 141.00 1.89 18.89 2.04210 26.30 4000 12 2.06 141.00 1.89 18.892.04 211 24.30 4000 12 2.06 141.00 1.89 18.89 2.04212 22.00 4000 12 2.06 141.00 1.89 18.892.04 213 20.50 4000 14 2.06 141.00 2.20 22.041.50 014 18.70 4000 14 2.06 141.00 2.20 22.041.50 015 16.70 4000 14 2.06 141.00 2.20 22.041.50 016 13.80 4000 14 2.06 141.00 2.20 22.041.50 017 3.80 4000 14 2.06 141.00 2.20 22.041.50 018 -0.00 4000 14 2.06 141.00 2.20 22.04 1.50计算结果:1.塔筒体上部1/3筒高处需设置破风圈,以消除横风向风振;2.标高10.300m处管道按直径1800的开洞计算,根据计算结果,洞口处需要补强;3.沿筒高壁厚变化,厚度分别为16mm,14mm,12mm。
30米钢烟囱安装计算书烟囱形式:直径2700毫米,高30米,基础顶至10米标高采用φ2700×14的钢管,上段采用φ2687×12钢管,计算时将烟囱按标高分为0-10米,10-15米,15-20米,20-30米共四段。
一、有关几和参数:见下表:几何参数、风压高度变化系数和脉动影响系数标高(米) 外径B(米)形心高度z (米)风荷载作用面积(平方米)形心处的外径(米)z/H高度变化系数脉动影响系数30 2.687 24.55 21.241 2.687 0.967 1.40 0.824 20 2.687 18 14.09 2.687 0.734 1.21 0.824 15 2.687 13 14.09 2.687 0.556 1.08 0.824 10 2.700 5.5 27 2.700 0.289 1.01 0.824 0二、风荷载体型系数:总高度为30米,平均直径为近似可按2.7米,μzω0d2=μz×0.6×2.72=4.4μz,地面粗糙度类别为B类,所以μz≥1.0,得μzω0d2>0.015,H/d=30/2.7=11.1,又因此钢烟囱表面“光滑”,所以可得μs=0.6+(0.5-0.6)/(7-25)×(10.8-25)=0.52三、风载的高度变化系数地面粗糙度类别为B类,查《建筑结构荷载规范》表7.2.1,得各高度处的风压高度变化系数μz见上表。
四、风振系数根据《建筑结构荷载规范》7.4.2 条,知本烟囱可只考虑第一振型的影响,顺风向风振系数可按βz=1+(ξνφz)/μz计算。
查《建筑结构荷载规范》附录E 结构基本自振周期的经验公式得烟囱基本自振周期为T1=0.011H=0.011×30=0.33s>0.25s,故需要考虑顺风向风振影响。
由ω0T12=0.6×0.33×0.33=0.065kNs2/平方米,查得脉动增大系数ξ=1.69+(1.77-1.69)/(0.06-0.04)*(0.065-0.04)=1.873。
拉索式钢烟囱计算书一、设计资料1、钢烟囱高度H=20m,直径D=426mm,厚度t=8mm。
2、基本风压:W0=0.55kN/m23、地面粗糙度类别:B类地面粗糙度指数:0.164、抗震设防烈度:6度设计基本地震加速度:0.05g 设计特征周期0.35s设计地震分组为第一组。
5、钢烟囱阻尼比:0.016、拉索:d=0.014m二、设计依据1、《烟囱设计规范》GB50051-20022、《钢结构设计规范》GB50017-20023、《建筑结构荷载规范》GB50009-20014、《建筑抗震设计规范》GB50011-20105、《高耸结构设计规范》GB50135-2006三、烟囱型式烟囱高度和直径之比:H/D=20/0.426=47>35设一层拉索,拉索数量为3根,平面夹角成120º,拉索与烟囱夹角为30 º。
四、筒身自重计算及拉索自重1、筒壁每延米自重:G1=2x3.14x(0.426/2+0.410/2)x0.008x78.5=1.65 kN/m筒壁总重:G=1.65x20=33 kN2、拉索每延米自重:T1=7N/m拉索长度:S=13/cos30 º=15m3根拉索总重:T=3x7x15=315N=0.315 kN五、风荷载产生的弯矩和拉索拉力计算1、拉索式钢烟囱自振周期,按《建筑结构荷载规范》GB50009-2001附录E之E.1.1取:T1=(0.007~0.013)H≈0.013x20=0.26s2、顺风向风压W0=0.55kN/m2,风荷载系数计算。
(1)风压高度变化系数:查《建筑结构荷载规范》表7.2.1,地面粗糙度类别B,(2)风荷载体型系数μs《建筑结构荷载规范》表7.3.1项次36(b)H/D=20/0.426=47>25μz W0d2=1.25x0.55x0.4262=0.125>0.015,Δ≈0,μs=0.6拉索:按《建筑结构荷载规范》表7.3.1项次38拉索α=60 º风荷载水平分量的体型系数W SX =0.85风荷载垂直分量的体型系数W SY =0.40(3) 高度Z 处的风振系数βz 。
35米钢烟囱计算书一、 设计依据:1.《烟囱设计规范》(GB50051-)2.《建筑结构荷载规范》(GB 50009-)3.《高耸结构设计规范》(GB J135-91)4.《钢结构设计规范》(GB 50017-)5.《建筑抗震设计规范》(GB50011-)6.《高耸结构设计手册》 王肇民 主编 中国建筑工业出版社7.《工程结构荷载与可靠度设计原理》 李国强等编 中国建筑工业出版社 8.《烟囱工程手册》 中国冶金建设集团包头钢铁设计研究总院二、 计算技术资料:1.基础风压20/55.0m kN w =, 地面粗糙度为B 类, 地震设防烈度为七度; 2烟气最高温度: 110o C, 不设隔热层; 3.烟囱钢材: Q235-B;4.烟囱安全等级为一级, 烟囱关键性系数0.1=o γ;5.烟囱高35米, 内径 为6000毫米, 20米以下壁厚t=18毫米、 20米以上壁厚t=16毫米, 满足《烟囱设计规范》(GB50051-)9.3.3条要求。
三、 判定是否考虑风荷载顺风向风振以及横风向风振效应由ANSYS 程序计算该烟囱基础自震周期 T 1=0.16s<0.25s高度35米处风压高度改变系数42.1=H μ 烟囱临界风速s m S T D v t cr /1732.016.0528.51=⨯==结构顶部风速s m w v H w H /8.4125.155.042.14.1200020000=⨯⨯⨯==ρμγ67105.3106.669000Re ⨯>⨯==D v cr ,但H cr v v <依据《高耸结构设计规范》和《建筑结构荷载规范》, 需要考虑风荷载顺风向风振, 而不考虑横风向风振效应。
四、 风荷载作用计算014.016.060.02210=⨯=T w , 查得脉动增大系数51.1=ξ, 脉动影响系数83.0=v , 风压高度改变系数42.1=z μ, 风荷载体型系数0.1=s μ五、 地震作用地震设防烈度为七度, 类场地。
1 设计依据:2 烟囱资料:钢烟囱高度H 20.000(m) 5.7上部外径d 1 3.500(m) 6.500(m)下部外径d 2 3.500(m)8个上部壁厚t 110(mm) 2.000(m)下部壁厚t 212(mm)18.000(m)钢材牌号Q235215.000(N/mm 2)截面面积A 1109642(mm 2)#######(mm 3)截面面积A 2131495(mm 2)#######(mm 3)旋转半径i 11234(mm)32旋转半径i 21233(mm)32重力荷载代表值G E1051(kN)自振周期(按烟囱规范):T 1=0.26+0.0024H 2/d= 1.188(S)3 竖向荷载计算:重力标准值G k 580(kN)471(kN)z/H—相对高度μz —风压高度系数φz —振型系数βz —风振系数μs —风荷载体型系数ξ—脉动增大系数ωk —风荷载标准值 ωk =βz μs μz ω07.94(kN/m )平台活荷标准值Q k βz =1+ξνφz /μz 烟囱顶部风荷载标准值ωk1=ωk d 1截面抵抗矩W t2长细比λ1长细比λ2平台直径平台个数上部高度下部高度f t截面抵抗矩W t1钢烟囱计算书(自立式)《建筑结构荷载设计规范》 GB50009-2001(2006)《建筑抗震设计规范》 GB50011-2001《高耸结构设计规范》 GBJ 135-90《烟囱设计规范》 GB50051-2002H/d1058(kN.m)4 横风向风振计算:自振周期T 1 1.188截面直径D 3.500 1.293Kg/m 3斯托罗哈数S t 0.2 1.68临界风速v cr =D/T i S t 14.737.8(m/s)雷诺数R e =69000vD3.6E+065 地震荷载计算:抗震设防烈度:6加速度:0.10g结构阻尼比ζ:0.01地震分组:第一组场地类别:IV 查表 剪力修正系数ηC 0.75αmax 0.04特征周期T g (s)0.35下降斜率调整系数η10.03阻尼调整系数η21.520.970.05010.000(m)526.0(kN.m)39.4(kN)6 荷载组合:1244.8(kN )1481.6(kN.m)980.1(kN.m)0.8验算荷载N =1244.8(kN )M=1481.6(kN.m)7 截面荷载计算:1. 强度验算γx =1.15 1.520.7<ft=215满足!188.3>σ=20.7满足!2. 稳定验算########查表φ=0.65527.6<ft=215满足!8 地脚螺栓选择:螺栓布置所在圆直径d 04000(mm )24(个)螺栓材质Q23530(mm )9.9(kN)选用M36P =114.3(kN)(螺栓布置见附图)9 基础局部受压应力:N ex =π2EA/(1.1λ2)(N)σ=N/φA 2 +M/W t2(1-0.8N/N EX ) (N/mm 2)螺栓数量n螺栓直径d e 螺栓所受最大拉力为:P max =4M/nd 0-N/n=地震组合 M=1.3×M 2k +0.2×1.4×M 1k截面抗震调整系数γRE =非地震组合控制局部抗压调整系数k σ=N/A 2 +M/(γx W t2) (N/mm 2)筒壁局部稳定 0.4E t t 2/k/d 2 (N/mm 2)底部地震弯矩标准值 M 2k =α1G E H 0底部地震剪力标准值 V 2k =ηC α1G E 轴力设计值 N=1.35G k +1.4×0.7×Q k 弯矩设计值非地震组合 M=1.4×M 1k 顶部风速V h =(2000μH ω0/ρ)1/2Re>=3.E+06, 可发生跨临界的强风共振,应考虑共振效应!可不考虑竖向地震作用!衰减指数γ地震影响系数α1=(Tg/T)γη2αmax 烟囱顶至重心距离h 0底部风荷载弯矩标准值 M 1k =ωk1H 2/3空气密度ρ顶部风压高度变化系数μH基础混凝土强度等级 C30βl =3混凝土f t1.430.3<2.9满足!10 烟囱顶部位移:fmax=11ql 4/120EI= 3.385297mm H/fmax=5907.902>100满足!0.675混凝土局部压应力σcbt =N/A+M/W=ωβlft=荷载分布影响系数ω。
不锈钢烟囱烟囱排烟阻力计算书一、热水锅炉1、工程基本资料排烟设备:4吨热水锅炉;燃料种类:(天然气);燃料耗量:296m ³/h ·台;排烟温度:110℃;烟囱规格:φ850㎜烟管截面积:S=0.567㎡。
2、烟气量的计算1立方燃料所产生的烟气量为23m 3/h (经验值),则机组的排烟总量为6800m 3/h 。
110℃时烟气的密度为:955.011027327334.12732730=+⨯=+⨯=t ρρ㎏/m 3; 烟气流速为:3.33m/s 。
3、烟囱内部阻力计算(1) 烟囱水平管道85m ,垂直管道27m 的摩擦阻力m yc P ∆(Pa )为:pj pj PJ m ycd H P ρωλ22=∆ 即: m yc P ∆=(0.02×112×3.332×0.955)÷(2×0.85)=13.95(Pa )(2)出口阻力:c Ccyc A P ρω22=∆=1.1×3.332×0.955÷2=5.82(Pa )(3)弯头阻力:90°弯头数量为8只,阻力为:pj Cw yc P ρωξ22=∆=0.7×3.332×0.955÷2×8=29.65(Pa )2只135°缓弯头的总阻力为:0.3×3.332×0.955÷2×2=3.18(Pa )(4)∴ 烟道总阻力为:yc P ∆=13.95+5.82+29.65+3.18=52.60(Pa )4、抽力计算(环境温度取25℃)0℃时空气密度是1.293㎏/m 3,25℃时空气的密度为:18.125273273293.12732730=+⨯=+⨯=t ρρ空㎏/m 3 54.598.927955.018.18.9=⨯⨯-=⨯⨯-=)()(空H S ρρ Pa5、结论烟囱的抽力大于烟囱排烟所产生的阻力20%,烟气可正常排出,依据上面计算,本工程热水锅炉烟囱抽力略大于阻力,烟气可排出但不是很顺畅。
(计算 书xxxx 项目 xxxx 装置 66米钢烟囱 文件编号:xxxx钢烟囱设计软件QY-Chimney*********工程建设有限公司目录1、设计资料 ..................................................................................................................................................................................17、加强圈间距计算 ..........................................................................................................................................................1、设计资料1.基本设计资料烟囱总高度H = 66.000m烟气温度T gas = 80.00℃烟囱底部高出地面距离: 0mm夏季极端最高温度T sum = 40.00℃冬季极端最低温度T win = -15.00℃最低日平均温度T win = -5.00℃烟囱日照温差△T = 15.00℃基本风压ω0 = 0.35kN/m2瞬时极端最大风速: 50.00(m/s)地面粗糙度: B类烟囱筒体几何缺陷折减系数δ = 0.50烟囱安全等级: 二级抗震设防烈度: 7度(0.10g)设计地震分组: 第一组建筑场地土类别: Ⅱ类筒壁腐蚀厚度裕度: 2.00mm衬里起始高度: 0.00m设置破风圈: 是23烟囱总分段数: 7烟囱总截面数烟囱筒身分节参数表(1)是否设置爬梯: 是爬梯自重(沿高度): 5.00(kN/m) 4.烟囱底座设计参数烟囱底板材料: Q235(B)烟囱底板内径D1: 3500.00mm烟囱底板外径D2: 8000.00mm偏心弯矩M e: 0.00kN.m地脚螺栓材料: Q235(B)地脚螺栓数量n: 6地脚螺栓腐蚀裕量c2: 4.0mm地脚螺栓中心线直径D3: 7500mm筋板材料: Q235(B)筋板高度hj: 600.00mm盖板材料: Q235(B)盖板类型: 环形盖板是否有垫板: 是垫板厚度td: 20mm垫板宽度L4: 500mm2、计算依据《烟囱设计规范》 GB 50051-2013(以下简称“烟规”)《建筑结构荷载规范》GB 50009-2012(以下简称“荷载规范”)《建筑抗震设计规范》GB 50011-2010(以下简称“抗震规范”)《钢结构设计规范》GB 50017-2003(以下简称“钢结构规范”)《烟囱设计手册》(中国计划出版社, 2014年5月第1版, 以下简称“烟囱手册”)《塔式容器》NB/T 47041-2014《碳素结构钢》GB/T 700-2006《低合金高强度结构钢》GB/T 1591-2008《钢结构设计手册》(第三版)中国建筑工业出版社《钢结构连接节点设计手册》(第二版)中国建筑工业出版社3、筒体自重计算如果存在洞口的话则扣除洞口部位的重量。
钢烟囱计算书:一、设计资料:烟囱高度:H=16.6m基本风压:w=0.5kN/m2地面粗糙度B类a=0.16抗震设防烈度7度0.15场地类别Ⅲ分组二烟气温度Tg=80℃室外计算温度:夏季极端高Ta=39℃冬季极端低Ta=-5℃大气湿度75%烟囱上口内经D0= 1.5上口外径D= 1.8底部外径D1= 1.8二、材料选用:1、材料选择:因处在大气潮湿地区,筒壁钢材选用焊接结构用耐候钢Q235NH。
其质量标准应符合《焊接结构用耐候钢》GB/T4172-20002、梯子、平台同筒壁3、隔热内衬:选用轻质浇筑料,理化指标如下:重度ρ=8kN/m3耐压强度110℃X16h: 2.5Mpa1000℃X3h: 2.5Mpa导热系数:700℃:≤0.25W/m.K1000℃:≤0.25W/m.K使用温度:80℃线变化率:1000℃X3h:0~-0.8三、计算依据:《烟囱设计规范》GB50051-2002,《钢结构设计规范》GB50017-2002,《建筑抗震设计规范》GB50011-2001,《建筑结构荷载规范》GB50009-2001四、烟囱形式:1、钢板焊接,圆形,2、浇筑料由底至顶,厚度取0mm。
3、烟囱分节制作吊装,采用现场焊接。
共分7mX2+8m五、筒壁受热温度计算:温度计算简图如右:上口外径D= 1.8底部外径D1= 1.8筒壁外半径r1=900mm筒壁内半径r0=888mmr1/r0= 1.01< 1.1采用平壁法计算内衬厚度t1=0m筒壁厚度t2=0.012m导热系数λ1=0.25m导热系数λ2=58.15аin=38аex=121、热阻计算:R1=t1/λ1=0m2²K/WR2=t2/λ3=0.0002m2²K/WR in=1/аin=0.026m2²K/WR ex=1/аex=0.083m2²K/W总热阻R tot=R in+R1+R2+R ex=0.109m2²K/W2、各点受热温度计算:T ej=T g-(T g-T a)∑R i/R totT0=T g-(T g-T a)R in/R tot=70.2℃T1=T g-(T g-T a)(R in+R1)/R tot=70.2℃T2=T g-(T g-T a)(R in+R1+R2)/R tot=70.2℃筒壁温度<100℃,故钢材强度及弹性模量折减系数rs=1六、筒身自重计算:1、筒壁和内衬体积计算:V=πth((D+d)/2-t)1、钢烟囱结构自震周期计算:(等截面圆烟囱)T i=2πH2SQRT(W/(E t Ig))/C i=A=π(D2-d2)/4=0.0674m2A1=π(D2-d2)/4=0m2 W=Aρ= 5.291kN/mEt= 2.06E+08kN/m2I=π(D4-d4)/64=0.026924m4H=22mC1= 3.515C2=22.034C3=61.701T1=0.27sT2=0.043sT3=0.015s2、顺风向风压w0=0.5kN/m222m处μz= 1.2μz w0d2= 1.944>0.015μs=0.502据表3.2-2w0T2=0.04ξ= 1.69据表3.2-3B类查GB50009-2001表7.4.4-1:ν1=0.81ζν=1ζB=1ν=ν1ζνζB=0.81顺风向时的风荷载系数及风荷载标准值计算:)i圆形截面2/3高度处直径D= 1.8m 圆形截面斯脱罗哈数St=0.2v cr1=D/T 1S t =33.33m/s v cr2=D/T 2St=209.3m/s v cr3=D/T 3St=600m/s 烟囱雷诺数Re及横向风振判断:μH = 1.284ρ= 1.25V H =SQRT(2000γw μH w 0/ρ)=37.92m/s 2/3处的风速Dm= 1.8m Hm=6m V 10=SQRT(1600w 0)=28.3Vm=(Hm/10)0.16V 10=26.08Re=69000V m D m =3E+063.0X10^5≤Re≤3.5X10^6,跨临界范围VH>Vcr1,第1振型发生横向强风共振VH<Vcr2,第2振型不发生横向共振VH<Vcr3,第3振型不发生横向共振4、横向风振是否起控制作用判定:w cr1=V cr12/1600=0.69kN/m 2w=w cr1SQRT(0.04/δ12+βh 2)=13.87kN/m 2w h =V H 2/1600=0.9kN/m 2第1振型横向风振起控制作用,应计算横向风振效应。
自立式
钢烟囱
一. 工程概况
该结构为一自立式钢
烟囱,安全等级为二
m,壁厚从上至下分
别为1012现在壁厚变化处作1-
1、2-
2、3-3剖面。
二. 设计依据
主要计算根据是:
1. 甲方提供的各种
数据文件、资料和图
2. 我国现行有关规
范、规程,主要包
《烟囱设计规范
》(GB50051-
《建筑结构荷载
规范》(GB50009-
《钢结构设计规
范》(GB50017-
《建筑抗震设计
规范》(GB50011-
三. 截面性质
四. 荷载信息
2.风荷载标准值:
∑H/D=12.00,则μs=0.53
w0=0.6kN/m2
T1=0.39s,则w0 T12=0.09
荷载规范》
风荷载分布图(kN/m)弯矩图(kN·m)
3. 地震荷载标准值:根据《烟囱设计规范》
(GB50051-2002)式
α1=0.12,H0= M0=α1 G E H0=375.56kN·m
∵T1=0.39s,T g=
∴η0=0.55,V0=η0α1 G E=
五. 荷载组合
1. 荷载效应组合按下式确定:γ0(γG S GK+γQ1
S Q1K)≤R
2. 地震作用效应组合按下式确定:γGE S GE+γ
Eh
S EhK+ψcweγ
具体为如下2种组合
情况:
1) 1.2×恒载+ 1.4
2) 1.2×恒载+ 1.4
其中,γ0=1.0,γRE=0.8
六. 强度及局部稳
定验算
f t=γs f=1.00×215=215N/mm2,f t/γRE=268.75根据《烟囱设计规范
》(GB50051-
风荷载作用下:σcrt w10=0.4E t/k×t3/d3=351.57N/mm2
σcrt w20=0.4E t/k×t2/d2=263.68N/mm2
σcrt w30=0.4E t/k×t1/d1=219.73N/mm2
地震作用下:σcrt E10=0.4E t/k×t3/d3=439.47N/mm2
σcrt E10/γRE=549.33N/mm2
1. 1.2×恒载+1.4×风
载 1-1截面:σ
1
=
N1/A1+M1y1/I1= 4.34N/mm2<f t= τ
1=2V1/A1=0.84
N/mm<f v=125
N/mm2
2-2截面:σ2=
N2/A2+M2y2/I2=12.81N/mm2<f t= τ
2=2V2/A2= 1.33
N/mm<f v=125
N/mm2
3-3截面:σ3=
N3/A3+M3y/I3=20.40N/mm2<f t= τ
3=2V3/A3= 1.42
N/mm<f v=125
N/mm2
2. 1.2×恒载+1.4×0.2×
风载+1.3×地震
3-3截面:σ3=
N3/A3+M3y/I3=12.21 N/mm2<f t/γRE= τ
3
=2V3/A3=0.60 N/mm2<f v/γRE=
七. 稳定验算
根据《烟囱设计规范
》(GB50051-
i=√(I3/A3)=878.24mm
λ=μl/i=68.32,则φ=0.76
N EX=πE t A3/
(1.1λ2)=49445.11kN
1. 1.2×恒载+1.4×风
载 σ
=N3/φ
3
A3+M3y3/[I3(1-0.821.19 2. 1.2×恒载+1.4×0.2×
风载+1.3×地震
σ3=N3/φ
A3+M3y3/[I3(1-0.812.96
八. 柱脚验算
1. 锚栓验算
选用20个Φ39锚栓,
材料选用Q235,锚
锚栓中心离底板外边
缘距离为100mm,筒
锚栓数量n=20构外壁距离
锚栓中心离底板外边
缘距离为100mm
筒壁内侧底板长度为100mm
锚栓中心线形成的圆
直径d0= 2.7m
轴向压力N=0.9*
(G1+G2+G3)=209.75kN
根据《烟囱设计规范
》(GB50051-
锚栓最大拉力
P max=4M/(nd0)-91.06kN
2. 底板厚度验算底板面积A =2450440mm 2底板惯性矩I = 2.10E+12
mm 4
如采用加劲肋,则σcbt =G /A +My /I = 1.01N/mm 2a =πd /n =456mm ,b =b /a =
0.44,则β=0.05205
M max =βσcbt a 2=10956N·mm t ≥√(6M max /f t )=
17.5
mm ,取底板厚度为25 mm 。
2.5m ,高30
16mm ,材料为Q235。
,ξ= 1.855
,w k=βzμsμz w0
z
13.43m,G E=233.05kN
0.90s
15.38kN
×风载
×0.2×风载+ 1.3×地震N/mm2
215N/mm及σ
crt
w30=219.73N/mm2
215N/mm及σ
crt
w20=263.68N/mm2
215N/mm及σ
crt
w10=351.57N/mm2
268.75N/mm及σcrt/
γRE =549.33N/mm2
156.25N/mm2
N/mm2<f t=215N/mm2 N/mm2<f t=215N/mm2
100mm
200mm。