35米钢烟囱计算书
- 格式:doc
- 大小:117.00 KB
- 文档页数:3
钢烟囱设计计算书(自立式)1 设计依据1.1 《建筑结构荷载规范》GB 50009-20121.2 《建筑抗震设计规范》GB 50011-20101.3 《烟囱设计规范》GB 50051-2013 2 设计参数 钢烟囱计算高度H e 16m :=材料强度Q235f t 215MPa:=烟囱底、顶标高z 120m :=下部高度H 18m:=上部高度H 2H e H 1−8m =:=下部内径d 11700mm :=上部内径d 21700mm:=上部壁厚t 26mm:=下部截面面积上部截面面积下部截面抵抗矩上部截面抵抗矩下部截面回转半径I 1A 1i 120.012m4=:=上部截面回转半径I 2A 2i 220.012m4=:=截面长细比3 风荷载计算 基本风压ω00.35kPa:=根据规范《石油化工管式炉钢结构设计规范》SHT3070-2005附录B规定,则圆形烟囱体型系数μs 0.70:=烟囱筒体质量m e0γs A 1H 1⋅A 2H 2⋅+()⋅ 4.039ton ⋅=:=烟囱附加设备质量m e12323kg:=烟囱总质量m e m e0m e1+ 6.6ton⋅=:=N e m e g ⋅58.713kN⋅=:=参照规范《石油化工管式炉钢结构设计规范》SHT3070-2005附录B,则直筒式烟囱基本自振周期参照规范《建筑结构荷载规范》GB 50009-2012附录F,则钢烟囱基本自振周期钢烟囱基本自振周期T 1max T 1a T 1b , ()0.208s=:=根据《建筑结构荷载规范》GB 50009-2012第8·4条,可不考虑顺风向风振的影响。
z高度处的风振系数βz计算峰值因子g 1 2.5:=10m高度名义湍流强度I 100.14:=备注:对应A、B、C和D类地面粗糙度,可分别取012、014、023和039结构阻尼比结构第1阶自振频率地面粗糙度修正系数备注:对应A、B、C和D类地面粗糙度,分别取128、100、054和026x 15>脉动风荷载的共振分量因子H1a 1.6m:=结构第1阶振型系数z为高度下部z为全高度处脉动风荷载垂直方向的相关系数脉动风荷载水平方向的相关系数ρx 1.00:=系数查表取值k0.910:=α10.218:=地面粗糙度类别B风压高度变化系数脉动风荷载的背景分量因子z高度处的风振系数风荷载标准值ωk1βz1μs ⋅μz1⋅ω0⋅0.319kPa ⋅=:=ωk2βz2μs ⋅μz2⋅ω0⋅ 1.298kPa⋅=:=烟囱底部截面受力计算:风荷载水平力标准值风荷载弯矩标准值风荷载水平力设计值V w 1.4V kw ⋅31.01kN ⋅=:=风荷载弯矩设计值M w 1.4M kw 248.06kN·m⋅=:=螺栓数量及直径计算根据《钢结构设计规范》表8·3·4,螺栓间距s取3倍至16倍螺栓孔径螺栓孔外挑宽度Δ1150mm:=螺栓圆周长L 1πd 12Δ1⋅+()⋅ 6.283m =:=螺栓数量估算螺栓数量取偶数个为地脚螺栓最大拉力查《钢结构设计手册》表10-6,螺栓直径d取20mm,对应最大拉力为34.3kN又由《石油化工管式炉钢结构设计规范》SHT3070-2005第9·3·13条,考虑锚栓的腐蚀裕度3mm 最终选择锚栓直径为M24。
(一)设计资料1.烟囱型式:单筒式钢筋混凝土烟囱2.钢内筒高210m,内直径8.0m钢筋混凝土外筒高205m,出口直径11m3.极端最低温度:-5度,极端最高温度:40度4.地震烈度:7度。
场地土类别:I类5.烟囱高度210m,安全等级为一级,风荷载采用百年一遇,换算后风荷载的为1.034Kpa6.烟囱零米标高相当于绝对标高12.00m,基础埋深-6.20m,持力层为中风化花岗岩,地基承载力特征值fa k≥800Kpa(二)设计原则1.钢筋混凝土外筒基础采用环板基础,混凝土等级为C402.内筒型式:自立式钢内筒,重量不传至外筒,计算外筒时不考虑内筒刚度,计算外筒时作为外加惯性荷载计入其重量。
内筒防腐按进口泡沫玻璃考虑,厚度为38mm,重量为13kg/㎡3.钢筋混凝土筒身采用C40混凝土。
外筒为内筒施工预留施工孔(9mx9m),外筒烟道孔按6.48mx16.68m考虑,底标高为12.73m4.计算软件为:钢筋混凝土烟囱计算软件Multi-flue Chimney V3.05.钢筋混凝土外筒内部设6层平台,平台处设置止晃点。
顶层平台为混凝土平台,按承重平台考虑,其余为钢平台,按检修平台考虑。
平台标高分别为:35.0m,70.0m,105.0m,140.0m,175.0m,203.6m(三)荷载计算1.钢内筒荷载计算(1)钢内筒筒壁自重荷载(壁厚按20mm计算)q1=rxA=rx∏x(r1·r1-r2·r2)=78x3.14x(4.058·4.058-4.038·4.038)=39.66KN/m(2) 钢内筒玻璃砖自重荷载:q2=rxA=rx∏xD=13x3.14x8.076=3.30 KN/m(3) 每个钢内筒沿竖向线性荷载:q= q1+ q2=39.66+3.30=42.96 KN/m2.平台荷载计算顶部平台恒载标准值;6 kN/㎡顶部平台活载标准值;7 kN/㎡其他平台恒载标准值;1.5kN/㎡其他平台活载标准值;3 kN/㎡35m平台:半径R=8.04m,A=3.14x8.04x8.04-3.14x4.35x4.35=143.56恒载标准值;1.5x143.56=215.34 KN活载标准值;3x143.56=430.68KN70m平台:半径R=6.60m,A=3.14x6.60x6.60-3.14x4.35x4.35=77.36恒载标准值;1.5x77.36=116.04 KN活载标准值;3x77.36=232.09KN105m平台:半径R=5.62m,A=3.14x5.62x5.62-3.14x4.35x4.35=39.76恒载标准值;1.5x39.76=59.64 KN活载标准值;3x39.76=119.28KN140m平台:半径R=4.95m,A=3.14x4.95x4.95-3.14x4.25x4.25=20.22恒载标准值;1.5x20.22=30.33 KN活载标准值;3x20.22=60.66KN175m平台:半径R=4.95m,A=3.14x5.15x5.15-3.14x4.45x4.45=21.10恒载标准值;6x21.10=31.65 KN活载标准值;3x21.10=63.30KN203.6m平台:半径R=4.95m,A=3.14x5.2x5.2-3.14x4.5x4.5=21.32恒载标准值;6x21.32=127.92 KN活载标准值;7x21.32=149.24KN计算各层外加垂直荷载时,平台活荷载折减系数取0.65计算各层外加惯性荷载时,不考虑顶层平台活荷载,考虑顶层平台积灰荷载1kN/㎡,其余平台荷载折减系数0.5,同时计入钢筒重量。
(如果不单独存档,不盖入库章)计 算 书xxxx 项目 xxxx 装置 66米钢烟囱文件编号:xxxx钢烟囱设计软件QY-Chimney*********工程建设有限公司2017年10月目录1、设计资料 (3)2、计算依据 (7)3、筒体自重计算 (8)4、筒体截面参数 (10)5、筒体温度计算 (11)6、动力特征计算 (15)7、风荷载计算 (17)8、考虑瞬时极端最大风速时的风荷载计算(只计算顺风向风压) (19)9、地震作用及内力计算 (21)10、附加弯矩计算 (25)11、荷载内力组合 (31)12、钢烟囱强度与稳定计算 (34)13、考虑瞬时极端最大风速下验算结果 (38)14、筒壁容许应力计算 (39)15、钢烟囱底座计算 (42)16、钢烟囱位移结果 (46)17、加强圈间距计算 (47)1、设计资料1.基本设计资料烟囱总高度H = 66.000m烟气温度T gas = 80.00℃烟囱底部高出地面距离: 0mm夏季极端最高温度T sum = 40.00℃冬季极端最低温度T win = -15.00℃最低日平均温度T win = -5.00℃烟囱日照温差△T = 15.00℃基本风压ω0 = 0.35kN/m2瞬时极端最大风速: 50.00(m/s)地面粗糙度: B类烟囱筒体几何缺陷折减系数δ = 0.50 烟囱安全等级: 二级抗震设防烈度: 7度(0.10g)设计地震分组: 第一组建筑场地土类别: Ⅱ类筒壁腐蚀厚度裕度: 2.00mm衬里起始高度: 0.00m设置破风圈: 是2.材料信息3烟囱总分段数: 7是否设置爬梯: 是爬梯自重(沿高度): 5.00(kN/m) 4.烟囱底座设计参数烟囱底板材料: Q235(B)烟囱底板内径D1: 3500.00mm烟囱底板外径D2: 8000.00mm偏心弯矩M e: 0.00kN.m地脚螺栓材料: Q235(B)地脚螺栓数量n: 6地脚螺栓腐蚀裕量c2: 4.0mm地脚螺栓中心线直径D3: 7500mm筋板材料: Q235(B)筋板高度hj: 600.00mm盖板材料: Q235(B)盖板类型: 环形盖板是否有垫板: 是垫板厚度td: 20mm垫板宽度L4: 500mm2、计算依据《烟囱设计规范》 GB 50051-2013(以下简称“烟规”)《建筑结构荷载规范》GB 50009-2012(以下简称“荷载规范”)《建筑抗震设计规范》GB 50011-2010(以下简称“抗震规范”)《钢结构设计规范》GB 50017-2003(以下简称“钢结构规范”)《烟囱设计手册》(中国计划出版社, 2014年5月第1版, 以下简称“烟囱手册”)《塔式容器》NB/T 47041-2014《碳素结构钢》GB/T 700-2006《低合金高强度结构钢》GB/T 1591-2008《钢结构设计手册》(第三版)中国建筑工业出版社《钢结构连接节点设计手册》(第二版)中国建筑工业出版社3、筒体自重计算如果存在洞口的话则扣除洞口部位的重量。
烟囱计算公式范文
1.烟气排放速度计算公式:
烟气排放速度是指单位时间内从烟囱排放的烟气体积。
烟气排放速度的计算公式为:
V = (55.52 * Q * (Tg - Ta)) / (Patm * √(Ts + 273.15 + 273.15))
其中,V为烟气排放速度(m/s);
Q为烟气流量(m³/s);
Tg为烟气温度(℃);
Ta为环境温度(℃);
Patm为大气压力(Pa);
Ts为烟气中的湿度(%)。
2.烟囱的阻力计算公式:
烟囱的阻力是指烟气通过烟囱时所受到的阻力。
烟囱的阻力计算公式为:
ΔP=(0.09*H*V^2)/(D^2)
其中,ΔP为烟囱的阻力(Pa);
H为烟囱的高度(m);
V为烟气排放速度(m/s);
D为烟囱的内径(m)。
3.烟道的承重能力计算公式:
烟道的承重能力是指烟囱所能承受的最大荷载。
F=(π*D^2*σ*γ)/4
其中,F为烟道的承重能力(N);
D为烟道的内径(m);
σ为烟道材料的抗拉强度(N/m²);
γ为烟道材料的密度(kg/m³)。
以上就是烟囱计算的基本公式,可以根据实际情况进行计算。
当然,实际计算中还需要考虑更多的因素,如烟囱的材料特性、烟道的几何结构以及烟囱的热工参数等。
因此,在具体计算中还需要结合实际情况进行详细计算。
烟囱抽力计算
一、烟囱抽力计算
1、公式
△P=0.0345H[1/(273+t b)-1/(273+t g)]B
2、参数说明
△P—烟囱的抽力(pa);
H-产生抽力的管道高度(m);
t b—外部空气温度(℃);
t g—计算管段中烟气的平均温度(℃);
B—大气压力(pa)。
二、烟囱抽力计算
1、公式
h抽=H(γ空—γ气)
2、参数说明
(1)高度H的影响:由公式可知,H愈大,也即烟囱愈高,抽力愈大;H愈小,也即烟囱愈低,抽力愈小。
(2)空气重度的影响:由公式可知,在H、γ气不变的情况下,γ空愈大,也即外界空气温度愈低,抽力愈大。
同时一个烟囱,在闸板开度一样的情况下,冬天的抽力比夏天大,晚上的抽力比白天大,这就是冬天、晚上外界空气的温度比夏天、白天低,γ空比较大。
(3)烟气温度的影响:由公式可知,在H、γ空不变的情况下,γ气愈大,也即烟气温度愈低,抽力愈小;γ气愈小,也即烟气温度愈高,抽力愈大。
钢烟囱结构设计计算
1.受力分析:根据钢烟囱的使用条件和荷载情况,进行受力分析。
常
见受力有:自重、侧风荷载、温度变形、地震荷载、内外压力荷载等。
通
过合理的假设和分析,得到烟囱在各个工况下的受力情况。
2.强度计算:钢烟囱的强度计算是指确定烟囱的破坏承载能力,主要
包括弯曲强度、轴向强度、剪切强度等。
在计算过程中需要确定截面性质,如截面面积、惯性矩、抗扭矩等,然后根据受力情况和截面特性进行强度
计算。
3.稳定性分析:钢烟囱在外部荷载作用下可能发生的稳定性问题有局
部稳定和整体稳定两方面。
局部稳定主要指的是烟囱的截面局部失稳,如
压杆失稳、剪力失稳等;整体稳定则是指烟囱整体的屈曲失稳。
为了确保
烟囱的稳定性,需要进行相应的计算和分析。
4.振动计算:钢烟囱在风荷载作用下可能发生的振动问题也需要进行
计算和分析。
通过振动计算,可以确定烟囱的自振频率,以及通过采取一
些措施来控制烟囱的振动。
5.其他计算:钢烟囱结构设计还需要进行其他方面的计算,例如焊接
接头的强度计算、对焊缝的评估、防火设计、腐蚀预防设计等。
总之,钢烟囱结构设计计算是涉及多个方面的复杂计算过程。
在进行
设计计算时,需要综合考虑各种荷载条件和受力情况,确保烟囱结构的稳
定性、强度和安全性。
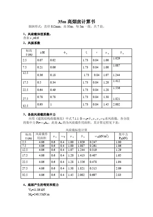
35m高烟囱计算书烟囱形式:直径812mm,高35m,每5m一段,共7段。
1、风荷载体型系数:查表μs=0.62、风振系数标高z (m)z/H φzξνμzβz 2.5 0.07 0.02 1.730.841.001.0297.5 0.21 0.06 1.730.841.001.08712.50.36 0.18 1.73 0.841.07 1.244 17.5 0.5 0.34 1.730.841.201.412 22.5 0.64 0.49 1.730.841.281.55627.5 0.78 0.78 1.73 0.84 1.381.82132.50.93 1 1.73 0.84 1.45 2.0023、各段风荷载的集中力应用《建筑结构荷载规范》中式7.1.1条ωk=βzμsμzω0求风荷载,各分段的集中力Pi=ωk A w,此处A w的为风荷载作用面积,其计算过程见下表:风荷载标值计算标高 z (m) 风荷载作用面积μsω0μzβzωk(kN/m2)集中力P k(kN)2.5 4.060.60.41.001.0290.247 1.00 7.5 4.060.60.41.001.0870.261 1.06 12.5 4.060.60.41.071.2440.319 1.29 17.5 4.060.60.41.201.4130.407 1.65 22.5 4.060.60.41.281.5560.478 1.94 27.5 4.060.60.41.381.8210.515 2.09 32.5 4.060.60.41.452.0020.697 2.83 4、底部产生的弯矩和剪力V k=11.86 kNM k=248.55kN.m5、钢烟囱强度验算考虑到此钢烟囱较轻,所以风荷载应起控制作用不考虑地震。
烟囱所受轴力=1/32xπ(D3-d3)=0.003,近似考虑为烟囱自重,烟囱截面面积为An=0.015m2,Wn自重G=1.2*G1=51.63kN,弯矩设计值 M=1.4M k=1.4*248.55=347.97kN.m钢烟囱的应力为:σ=N/An+M/W n=119.43 kN/m2<215 N/mm2σcrt=0.4(E t/k)*(t/d i)=405.9 N/mm2>σ满足要求6、地脚锚栓计算采用Q345B级M20锚栓,受拉承载力为108 kN,P max=4M/nd0-N/n=102<108kN,满足要求7、底板厚度验算M max=βσcbt a2=3.55x103t=sqr(6 M max /f v )=10mm考虑腐蚀和刚度要求,底板厚度取t=16mm。
钢烟囱计算书:一、设计资料:烟囱高度:H=16.6m基本风压:w=0.5kN/m2地面粗糙度B类a=0.16抗震设防烈度7度0.15场地类别Ⅲ分组二烟气温度Tg=80℃室外计算温度:夏季极端高Ta=39℃冬季极端低Ta=-5℃大气湿度75%烟囱上口内经D0= 1.5上口外径D= 1.8底部外径D1= 1.8二、材料选用:1、材料选择:因处在大气潮湿地区,筒壁钢材选用焊接结构用耐候钢Q235NH。
其质量标准应符合《焊接结构用耐候钢》GB/T4172-20002、梯子、平台同筒壁3、隔热内衬:选用轻质浇筑料,理化指标如下:重度ρ=8kN/m3耐压强度110℃X16h: 2.5Mpa1000℃X3h: 2.5Mpa导热系数:700℃:≤0.25W/m.K1000℃:≤0.25W/m.K使用温度:80℃线变化率:1000℃X3h:0~-0.8三、计算依据:《烟囱设计规范》GB50051-2002,《钢结构设计规范》GB50017-2002,《建筑抗震设计规范》GB50011-2001,《建筑结构荷载规范》GB50009-2001四、烟囱形式:1、钢板焊接,圆形,2、浇筑料由底至顶,厚度取0mm。
3、烟囱分节制作吊装,采用现场焊接。
共分7mX2+8m五、筒壁受热温度计算:温度计算简图如右:上口外径D= 1.8底部外径D1= 1.8筒壁外半径r1=900mm筒壁内半径r0=888mmr1/r0= 1.01< 1.1采用平壁法计算内衬厚度t1=0m筒壁厚度t2=0.012m导热系数λ1=0.25m导热系数λ2=58.15аin=38аex=121、热阻计算:R1=t1/λ1=0m2²K/WR2=t2/λ3=0.0002m2²K/WR in=1/аin=0.026m2²K/WR ex=1/аex=0.083m2²K/W总热阻R tot=R in+R1+R2+R ex=0.109m2²K/W2、各点受热温度计算:T ej=T g-(T g-T a)∑R i/R totT0=T g-(T g-T a)R in/R tot=70.2℃T1=T g-(T g-T a)(R in+R1)/R tot=70.2℃T2=T g-(T g-T a)(R in+R1+R2)/R tot=70.2℃筒壁温度<100℃,故钢材强度及弹性模量折减系数rs=1六、筒身自重计算:1、筒壁和内衬体积计算:V=πth((D+d)/2-t)1、钢烟囱结构自震周期计算:(等截面圆烟囱)T i=2πH2SQRT(W/(E t Ig))/C i=A=π(D2-d2)/4=0.0674m2A1=π(D2-d2)/4=0m2 W=Aρ= 5.291kN/mEt= 2.06E+08kN/m2I=π(D4-d4)/64=0.026924m4H=22mC1= 3.515C2=22.034C3=61.701T1=0.27sT2=0.043sT3=0.015s2、顺风向风压w0=0.5kN/m222m处μz= 1.2μz w0d2= 1.944>0.015μs=0.502据表3.2-2w0T2=0.04ξ= 1.69据表3.2-3B类查GB50009-2001表7.4.4-1:ν1=0.81ζν=1ζB=1ν=ν1ζνζB=0.81顺风向时的风荷载系数及风荷载标准值计算:)i圆形截面2/3高度处直径D= 1.8m 圆形截面斯脱罗哈数St=0.2v cr1=D/T 1S t =33.33m/s v cr2=D/T 2St=209.3m/s v cr3=D/T 3St=600m/s 烟囱雷诺数Re及横向风振判断:μH = 1.284ρ= 1.25V H =SQRT(2000γw μH w 0/ρ)=37.92m/s 2/3处的风速Dm= 1.8m Hm=6m V 10=SQRT(1600w 0)=28.3Vm=(Hm/10)0.16V 10=26.08Re=69000V m D m =3E+063.0X10^5≤Re≤3.5X10^6,跨临界范围VH>Vcr1,第1振型发生横向强风共振VH<Vcr2,第2振型不发生横向共振VH<Vcr3,第3振型不发生横向共振4、横向风振是否起控制作用判定:w cr1=V cr12/1600=0.69kN/m 2w=w cr1SQRT(0.04/δ12+βh 2)=13.87kN/m 2w h =V H 2/1600=0.9kN/m 2第1振型横向风振起控制作用,应计算横向风振效应。
计算书一、概述:中天合创鄂尔多斯煤炭项目烟囱建造用操作平台采用钢架结构,如图布置。
钢架上铺设木板;吊篮布置在烟囱壁两侧,各48只,并铺设两层木板;在内筒附近对称放置两只积料斗。
施工升降机通过内筒运输人员和物资。
现对该钢架作强度验算。
钢架结构图详见YCPT-30。
二、计算依据:GB50009《建筑结构荷载规范》GB50017《钢结构设计规范》三、钢架强度校核工况:平台位于烟囱底部,设烟囱中心直径为27.6m。
风载荷为水平力,对平台影响很小,计算过程中不予考虑。
受力图:1. 各部件重量1.1平台重量(包括木板):G=43500kg则:单位面积自重:q=G/S=43500/680=64kg/m2单件辐杆载重:P4=qS’=64x12.1=780kge=5.9m偏心距:1.2吊篮重量(包括木板):P1=200kg1.3内筒重量:1920kg,每支点载重P2=1920/48=40kg 1.4积料斗载重:2000kg,单支辐杆承载P3=667kg 1.5运输推车载重:300kg,单支辐杆P5=150kg单支辐杆由两根16#槽钢组合。
2.1受力计算支点A 受力R A =P1+P2+P3+P4+P5=200+40+667+770+150=1827kg 以C 点取矩:ΣM C =RL-P 1S 1- P 3S 3- P 4S 4- P 5S 5- Th=01827x11-200x10.1-667x1-780x5.9-150x5.5-4T=0 T=2996kg 以D 点取矩:ΣM D =RL-P 1S 1- P 3S 3- P 4S 4- P 5S 5- NH=01827x11-200x10.1-667x1-780x5.9-150x5.5-4.5T=0 N=2663kg2.2 单支辐杆截面特性:A=25.1x2=50.2cm 2 Wx=117x2=234cm 3i=6.1cm2.491.6300===i lc λ查得稳定性系数 0.86 2.3单支辐杆强度校核:槽钢材质为Q235许用应力[]2/2150cm kg =σ E-E 截面Mx=RL/2-Th1-P1L1-P4L4=1827x5.5-2996x1.6-200x4.6-780x0.4 =4023kgm[]σφσ<=+⨯=+=2/17802344023002.5086.02663N cm kg W Mx A 结论:辐杆强度通过验算。
自立式钢烟囱计算书一. 工程概况该结构为一自立式钢烟囱,安全等级为二级,结构形式如下图所示,圆钢管外直径为m,壁厚从上至下分别为1012现在壁厚变化处作1-1、2-2、3-3剖面。
二. 设计依据主要计算根据是:1. 甲方提供的各种数据文件、资料和图纸等。
2. 我国现行有关规范、规程,主要包括:《烟囱设计规范》(GB50051-2002)《建筑结构荷载规范》(GB50009-2001)《钢结构设计规范》(GB50017-2003)《建筑抗震设计规范》(GB50011-2001)三. 截面性质四. 荷载信息2.风荷载标准值:∑H/D=12.00,则μs=0.53w0=0.6kN/m2T1=0.39s,则w0 T12=0.09注:根据《建筑结构荷载规范》(GB50009-2001)式(7.4.2)及(7.1.1-1),上表中风荷载分布图(kN/m)弯矩图(kN·m)3. 地震荷载标准值:根据《烟囱设计规范》(GB50051-2002)式(5.5.5-1)及(5.5.5-2)α1=0.12,H0=M0=α1 G E H0=375.56kN·m∵T1=0.39s,T g=∴η0=0.55,V0=η0α1 G E=五. 荷载组合1. 荷载效应组合按下式确定:γ0(γG S GK+γQ1S Q1K)≤R2. 地震作用效应组合按下式确定:γGE S GE+γEh S EhK+ψcweγw S wk≤R/γRE具体为如下2种组合情况:1) 1.2×恒载+ 1.42) 1.2×恒载+ 1.4其中,γ0=1.0,γRE=0.8六. 强度及局部稳定验算f t=γs f=1.00×215=215N/mm2,f t/γRE=268.75根据《烟囱设计规范》(GB50051-2002)式(9.3.2-1)及(9.3.2-2)风荷载作用下:σcrt w10=0.4E t/k×t3/d3=351.57N/mm2σcrt w20=0.4E t/k×t2/d2=263.68N/mm2σcrt w30=0.4E t/k×t1/d1=219.73N/mm2地震作用下:σcrt E10=0.4E t/k×t3/d3=439.47N/mm2σcrt E10/γRE=549.33N/mm21. 1.2×恒载+1.4×风载1-1截面:σ1=N1/A1+M1y1/I1= 4.34N/mm2<f t=τ1=2V1/A1=0.84 N/mm2<f v=125 N/mm2 2-2截面:σ2=N2/A2+M2y2/I2=12.81N/mm2<f t=τ2=2V2/A2= 1.33 N/mm2<f v=125 N/mm2 3-3截面:σ3=N3/A3+M3y/I3=20.40N/mm2<f t=τ3=2V3/A3= 1.42 N/mm2<f v=125 N/mm2 2. 1.2×恒载+1.4×0.2×风载+1.3×地震3-3截面:σ3=N3/A3+M3y/I3=12.21 N/mm2<f t/γRE=τ3=2V3/A3=0.60 N/mm2<f v/γRE=七. 稳定验算根据《烟囱设计规范》(GB50051-2002)式(9.3.2-3)及(9.3.2-4)i=√(I3/A3)=878.24mmλ=μl/i=68.32,则φ=0.76N EX=π2E t A3/(1.1λ2)=49445.11kN1. 1.2×恒载+1.4×风载σ3=N3/φA3+M3y3/[I3(1-0.8 N3/ N EX)]=21.19 2. 1.2×恒载+1.4×0.2×风载+1.3×地震σ3=N3/φA3+M3y3/[I3(1-0.8 N3/ N EX)]=12.96八. 柱脚验算1. 锚栓验算选用20个Φ39锚栓,材料选用Q235,锚栓中心离结构外壁距离为100mm,锚栓中心离底板外边缘距离为100mm,筒壁内侧底板长度为100mm。
钢烟囱结构计算钢烟囱结构计算一、筒身自重和XXX自重计算首先计算筒身自重,根据公式1,筒壁自重为 1.17kN/m,烟囱全高自重为41kN。
接下来计算拉索自重,采用镀锌钢丝绳16NAT6(6+1)+NF1470ZZ.9GB/T 8918-1996,每根索长为38.9m,每根拉索自重为350N,近似计算三根索,自重全部由筒身承担,所以XXX自重为1.05kN。
二、风荷载产生的弯矩设计值和XXX拉力设计值风荷载需要另行计算,计算结果如下:25m位置设定拉索,25m位置以上,风荷载设计值为2.44kN/m,25m位置以下,风荷载设计值为2.13kN/m。
风荷载产生的弯矩设计值近似计算如下:M1=1/2*q*l^2=1/2*2.44*10^2=122kN·m,M2=122.3kN·m。
作用在烟囱上总水平力为77.65kN。
XXX拉力设计值需要满足公式参烟囱工程手册7.3-3,计算得到S=70.95kN<124kN,所以采用的φ16镀锌钢丝绳满足要求。
XXX拉力焊缝计算,假设拉索翼缘板厚t=8mm,焊缝长度lw=200mm,计算得到σt=44.34N/mm2<210N/mm2,满足要求。
XXX拉力对烟囱产生的竖向压力P设计值为91.2kN。
三、承重能力极限状态设计筒壁局部稳定性的临界应力值按照烟囱工程手册公式(7.2-7)计算,得到σcrt=668.4N/mm2.其中,30°温度作用下钢材的弹性模量E为1.88×105,局部抗压强度调整系数K=1.5.在考虑荷载(自重和风)作用下,我们需要按照《烟囱工程手册》公式(7.2-6)进行计算。
首先,我们需要计算截面处的净截面面积Ani其计算公式为Aniπ460025842mm2接着,我们需要计算截面处的净截面抵抗矩Wni其计算公式为Wni0.77d2t=0.77×6002×8=xxxxxxxmm3.其中,ft210N/mm2,σcrt668.4N/mm2.根据这些参数,我们可以计算出钢烟囱水平计算截面i的轴向压力设计值Ni其计算公式为Ni1.2NikN11.2×(1.17×10)+91.2=105.2kN。
1 设计依据:2 烟囱资料:钢烟囱高度H 35.000(m)12.1上部外径d 1 2.400(m) 1.000(m)下部外径d 2 2.900(m)1个上部壁厚t 16(mm)20.500(m)下部壁厚t 26(mm)14.500(m)钢材牌号Q235215.000(N/mm2)截面面积A 145126(mm 2) 2.69E+07(mm 3)截面面积A 254551(mm 2) 3.94E+07(mm 3)旋转半径i 1846(mm)83旋转半径i 21023(mm)68重力荷载代表值G E 118(kN)自振周期(按烟囱规范):T 1=0.26+0.0024H 2/d=1.188(S)3 竖向荷载计算:重力标准值G k127(kN)-9(kN)备注:z—计算高度ν—系数z/H—相对高度μz —风压高度系数φz —振型系数βz —风振系数μs —风荷载体型系数ξ—脉动增大系数上部高度钢烟囱计算书(自立式)《建筑结构荷载设计规范》 GB50009-2001(2006) 《高耸结构设计规范》 GBJ 135-90 《烟囱设计规范》 GB50051-2002《建筑抗震设计规范》 GB50011-2001下部高度H/d 平台直径平台个数f t 长细比λ1平台活荷标准值Q k截面抵抗矩W t1截面抵抗矩W t2长细比λ2βz =1+ξνφz /μzωk —风荷载标准值 ωk =βz μs μz ω03.46(kN/m)1414(kN.m)4 横风向风振计算:自振周期T 1 1.188截面直径D2.6501.293Kg/m 3斯托罗哈数S t 0.2 1.68临界风速v cr =D/T i S t 11.230.2(m/s)雷诺数R e =69000vD 2.0E+065 地震荷载计算:抗震设防烈度:6加速度:0.10g 结构阻尼比ζ:0.01地震分组:第一组场地类别:IV 查表 剪力修正系数ηC0.75αmax0.04特征周期T g (s)0.35下降斜率调整系数η10.03阻尼调整系数η2 1.520.970.05017.500(m)103.2(kN.m)4.4(kN)6 荷载组合:162.6(kN)1980.0(kN.m)530.2(kN.m)0.8验算荷载N=162.6(kN)M=1980.0(kN.m)7 截面荷载计算:1. 强度验算γx =1.15 1.546.7<ft=215满足!113.7>σ=46.7满足!2. 稳定验算6857044 查表φ=0.65555.8<ft=215满足!底部地震剪力标准值 V 2k =ηC α1G E衰减指数γ烟囱顶至重心距离h 03.E+05<=Re<3.E+06, 发生超临界范围的共振,可不做处理!可不考虑竖向地震作用!σ=N/A 2 +M/(γx W t2) (N/mm 2)轴力设计值 N=1.35G k +1.4×0.7×Q k非地震组合控制顶部风速V h =(2000μH ω0/ρ)1/2底部地震弯矩标准值 M 2k =α1G E H 0烟囱顶部风荷载标准值ωk1=ωk d 1地震影响系数α1=(Tg/T)γη2αmax筒壁局部稳定 0.4E t t 2/k/d 2 (N/mm 2)局部抗压调整系数k N ex =π2EA/(1.1λ2)(N)截面抗震调整系数γRE =顶部风压高度变化系数μH底部风荷载弯矩标准值 M 1k =ωk1H 2/3空气密度ρ非地震组合 M=1.4×M 1k 地震组合 M=1.3×M 2k +0.2×1.4×M 1k弯矩设计值σ=N/φA 2 +M/W t2(1-0.8N/N EX ) (N/mm 2)8 地脚螺栓选择:螺栓布置所在圆直径d0860(mm)16(个)螺栓材质Q23530(mm)565.4(kN)选用M36P=114.3(kN)(螺栓布置见附图)9 基础局部受压应力:基础混凝土强度等级C40βl=3混凝土f t 1.7132.0< 3.5不满足!10 烟囱顶部位移:fmax=11ql4/120EI=71.540322mmH/fmax=489.23459>100满足!0.675螺栓数量n混凝土局部压应力σcbt=N/A+M/W=荷载分布影响系数ω螺栓所受最大拉力为:P max=4M/nd0-N/n=ωβlft=螺栓直径d e。
烟囱高度计算
排出的总粉尘量Q m/(kg/h)6
在Y方向上的湍流扩撒系数C y1
在Z方向上的湍流扩散系数C z1
粉尘的日平均最高允许浓度S max/(mg/m3)0.15
烟囱出口处平均风速V/(m/s) 根据国内气象资料统
3
计,离地10-300m高度范围内,平均风速为3-6m/s
烟囱出口气流速度Vs/(m/s)15
烟囱出口内径Ds/m0.6
烟囱出口处烟气绝对温度Ts/K318
烟囱出口处周围大气环境温度Ta/K288
烟囱有效高度H e/m29.50204011烟羽抬升高度Δh/m 4.958490566烟囱实际高度H/m24.54354954地面可能出现最大浓度的距离X max442.5306016说明
该计算参考《钢铁企业采暖通风设计手册》P277
计算公式是Holland(赫兰)计算式,适应中性大气状况,当大气状况非稳定状况下,应将计算结果增加10-20%,对稳定状况,则应降低10-20%。
35米钢烟囱计算书
一、设计依据:
1.《烟囱设计规范》(GB50051-2003)
2.《建筑结构荷载规范》(GB 50009-2002)
3.《高耸结构设计规范》(GB J135-91)
4.《钢结构设计规范》(GB 50017-2004)
5.《建筑抗震设计规范》(GB50011-2002)
6.《高耸结构设计手册》 王肇民 主编 中国建筑工业出版社
7.《工程结构荷载与可靠度设计原理》 李国强等编 中国建筑工业出版社 8.《烟囱工程手册》 中国冶金建设集团包头钢铁设计研究总院
二、计算技术资料:
1.基本风压20/55.0m kN w =,地面粗糙度为B 类,地震设防烈度为七度; 2烟气最高温度:110o C ,不设隔热层; 3.烟囱钢材:Q235-B ;
4.烟囱安全等级为一级,烟囱重要性系数0.1=o γ;
5.烟囱高35米,内径 为6000毫米, 20米以下壁厚t=18毫米、20米以上壁厚t=16毫米,满足《烟囱设计规范》(GB50051-2003)9.3.3条要求。
三、判断是否考虑风荷载的顺风向风振以及横风向风振效应
由ANSYS 程序计算该烟囱的基本自震周期 T 1=0.16s<0.25s
高度35米处风压高度变化系数42.1=H μ 烟囱临界风速s m S T D v t cr /1732
.016.0528
.51=⨯==
结构顶部风速s m w v H w H /8.4125
.155
.042.14.1200020000
=⨯⨯⨯=
=
ρ
μγ
67105.3106.669000Re ⨯>⨯==D v cr ,但H cr v v <
根据《高耸结构设计规范》和《建筑结构荷载规范》,需要考虑风荷载的顺风向风振,而不考虑横风向风振效应。
四、风荷载作用计算
014.016.060.02210=⨯=T w ,查得脉动增大系数51.1=ξ,脉动影响系数83.0=v ,风
压高度变化系数42.1=z μ,风荷载体型系数0.1=s μ
五、地震作用
地震设防烈度为七度, 类场地。
地震作用一般不控制,故不验算。
六、结构验算 按 6028×16毫米计算
1.烟囱截面特性计算(烟囱外径D =6.028米,烟囱内径r D =6.000米) 面积)(4
2
2r D D A -=
π
=0.2425米2
惯性矩)(64
4
4r D D I -=
π
=0.9217米4
截面抵抗矩D
I
W 2=
=0.3335米3 回转半径A
I
i =
=1.9495米 长细比==
i
l
2λ31,查得稳定系数=ϕ0.932 2.结构内力计算
风荷载作用下弯矩(标准值)
=M 2766m kN -
风荷载作用下剪力(标准值) =V 158kN
自重产生轴力(标准值)
=N 286+327+100=713kN 3.结构计算
(1)强度验算(1.2永久荷载+1.4风荷载)
=+=
ni
i
ni i W M A N σ15 N/毫米22215N f =<,满足要求 局部稳定:=⋅=<i
t crt d t
k E 4
.0σσ1392mm N (2)稳定验算(1.2永久荷载+1.4风荷载)
==2
21.1λπbi t Ex
A E N 466404kN =-+)
8.01(Ex i bi i
bi i N N W M A N ϕ1622215mm N f mm N =<,满足要求 3.侧移验算(1.0永久荷载+1.0风荷载)
由STS 计算侧移,烟囱顶部侧移 18.8毫米。
满足要求。
4.基础锚栓36 米42(Q235)验算(0.9永久荷载+1.4风荷载)
=-=
n
N
nd M P 0max 450kN kN 9.156< 满足要求。