车载点烟器的分类
- 格式:doc
- 大小:5.18 MB
- 文档页数:7
很多人对点烟器的使用都很了解,但是点烟器的工作方式和工作原理谁能准确的说出来呢?现在对点烟器插座.结合,点烟头和雪茄头做一个详细的点烟器作业,希望能让大家细致的了解一下点烟器。
先解释说明原理,后附图(就是所谓的看下图)一般来说点烟器主要用于拒绝明火的地方,比如工厂、车间等地方需要点烟,所以只能用点烟器来完成。
其实点烟器插座是车载电源插座的一个种类所有的点烟器插座都可以作为车载电源供电但是不是所有的车载电源插座都可以使用点烟器插头这个概念大家要分清。
下图为点烟器插头为45度角度下图为正视图下图为点烟头伸出状态内部有弹簧按下后如果松手点烟头会自动缩回热烈欢迎点烟器插座上场下图是侧视图看见插座的卡夹了吗?后45度正视图点烟器插入插座套筒之前的合影----这个合照很明显的看出来点烟器的设计结构了吧下图是实物参照比例1:1 大家可以清晰的看到点烟器插入后的内部位置对应状态点烟器头插入点烟器插座状态还未彻底插入大家认真看点烟器头的相应位置全部插入待加热状态大家看到了吗,插座的最上边的卡夹已经卡住了点烟器头,这是是防止点烟器头滑出插座的---此时点烟头未加热如果要加热需要按下去按出点烟头看看点烟头的重点部位点烟头已经伸出来的状态我做了点手脚它缩不回去了下图为点烟头加热时候的实物参照,大家可以看点烟头相应的位置可以伸入加热卡夹了,对于插座的那个卡夹本人曾经以为那是物理课中的双金属片经仔细辨认后不是--真不是点烟头插入插座加热状态的特写仔细看哟看清楚喽为了方便大家理解我做了个套图大家看看就明白了下一步介绍一下雪茄头点烟器又分为从电源里面取电的那种!这种点烟器就不是用来点烟的,只是用来从汽车上面引电出来的!这种点烟器又叫做雪茄头。
补充:电源一般为直流12伏(不同车型可能有所不同),中间弹性头为正极,两边卡扣(耳朵)为负极。
其与汽车所用电池直接连接,电流功率等与电池相同。
多说一句其实那两个耳朵(负极)通常只有一个连接负极另一个只起到对称固定的作用这个大家要了解曾经有人说把雪茄头插入点烟器座会烧坏雪茄头,或者有人对雪茄头和点烟器插座是否兼容产生质疑想必这回知道答案了吧!!。
家用车的点烟器更换指南随着科技的进步和人们对生活品质的追求,家用车的配置也越来越丰富。
而在众多配置中,点烟器作为一个常用的电源接口,为我们的出行提供了诸多便利。
然而,随着时间的推移,点烟器也会因为长期使用或其他原因出现故障,需要进行更换。
本文将为大家提供一份家用车的点烟器更换指南,帮助大家解决这一问题。
首先,我们需要明确点烟器的作用和类型。
点烟器是一种用于给电子设备充电的接口,通常安装在车辆的仪表盘或者中央控制台上。
根据不同的车型和配置,点烟器的形状和功率也会有所不同。
在更换点烟器之前,我们需要确认车辆的点烟器类型和规格。
接下来,我们需要准备必要的工具和材料。
更换点烟器需要用到一些简单的工具,如螺丝刀、扳手等。
此外,我们还需要购买适合车辆的新点烟器。
在购买新点烟器时,我们需要注意选择与车辆原点烟器相匹配的规格和功率,以确保兼容性和安全性。
在准备工具和材料之后,我们可以开始进行点烟器的更换。
首先,我们需要找到车辆原点烟器的安装位置。
通常情况下,点烟器位于仪表盘或者中央控制台上,周围可能有一些装饰板或者盖板。
我们需要使用工具将这些装饰板或者盖板拆卸下来,以便更换点烟器。
在拆卸装饰板或者盖板之后,我们可以看到原点烟器的连接线束。
我们需要小心地拆卸连接线束,并将其与新点烟器的连接线束相匹配。
在连接线束之后,我们可以将新点烟器插入安装孔中,并使用螺丝刀或者扳手将其固定好。
在更换点烟器之后,我们需要进行一些测试以确保其正常工作。
首先,我们可以将车辆的电源打开,并插入一些电子设备,如手机充电器,以检查点烟器是否能够正常供电。
其次,我们可以观察点烟器的指示灯,如果指示灯亮起,说明点烟器已经成功更换并正常工作。
最后,我们需要将拆卸下来的装饰板或者盖板重新安装回去,以保持车辆的整洁和美观。
在安装装饰板或者盖板时,我们需要注意对齐位置,并使用适当的力度进行固定,避免松动或者摇晃。
通过以上的步骤,我们可以顺利地完成家用车的点烟器更换。
汽车内的点烟器原理
汽车内的点烟器(也称作点烟插座)的原理是利用车辆的电力系统提供电源,为用户提供点烟和使用电子设备的功能。
汽车内的点烟器通常是由以下四个主要部件组成:
1. 点烟器插孔:汽车中配备有一个专门的插孔,用于插入点烟器或其他电子设备。
2. 点烟器线圈:车辆的电源通过点烟器线圈供电,通常是12V的直流电。
3. 熔断器:点烟器线路通常与车辆的熔断器连接,以保护汽车电力系统不被过载或短路所损坏。
4. 点烟器/电源适配器:点烟器/电源适配器是插入插孔的可移动部分,它包含一个或多个电源插座,供用户插入和连接电子设备。
当用户将点烟器或其他设备插入汽车的点烟器插孔时,电源线圈与车辆电源系统连接,车辆电源系统将直流电流(通常为12V)提供给点烟器或其他设备。
一旦电源连接成功,电子设备就可以从点烟器或电源适配器中获得电力。
用户可以使用点烟器来点燃香烟或使用电子设备,如充电手机、导航仪、车载音响等。
需要注意的是,点烟插座通常只能提供有限的功率,并且并非所有的电子设备都可以连接到点烟器上。
因此,在使用点烟器供电的时候,用户需要确保所连接的
设备的功率需求不会超过点烟器插孔的额定功率承载能力。
若功率过大可能导致点烟器烧毁或车辆电源系统过载。
此外,使用点烟器供电时也需要注意电线和连接的安全,避免短路或电源线松动所产生的安全风险。
阐述汽车点火器的类型及工作原理汽车点火器是汽车发动机启动的重要部件,它负责提供点火能量,使燃料混合气体在汽缸内燃烧,从而驱动发动机正常运转。
根据点火器的类型和工作原理的不同,可以将其分为传统点火器和电子点火器两种类型。
一、传统点火器传统点火器主要由点火线圈、分电器、火花塞和点火开关等组成。
其工作原理如下:1. 点火线圈:传统点火器采用的是低压点火系统,点火线圈负责将电瓶提供的低电压转化为高电压,以产生足够的电能来点燃燃料混合气体。
点火线圈由初级线圈和次级线圈组成,初级线圈由电瓶供电,次级线圈产生高电压。
2. 分电器:分电器的作用是将点火线圈产生的高电压分配给各个火花塞。
分电器通过转子和分配器将高电压传输到正确的火花塞上,确保每个汽缸都能正常点火。
3. 火花塞:火花塞是点火器的重要组成部分,它负责将高电压转化为火花,点燃燃料混合气体。
火花塞由中心电极、接地电极和绝缘体组成,当高电压通过火花塞时,产生的火花能够点燃燃料混合气体。
4. 点火开关:点火开关用于控制点火系统的开关,通过打开或关闭点火开关,可以启动或熄火汽车发动机。
二、电子点火器电子点火器是传统点火器的升级版,它采用电子元件来控制点火系统,具有更高的点火能量和更稳定的点火效果。
其工作原理如下:1. 点火控制模块:电子点火器的核心部件是点火控制模块,它负责控制点火系统的工作。
点火控制模块通过传感器获取发动机的相关数据,如转速、负荷等,然后根据这些数据计算出最佳的点火时机和点火能量,并将信号发送给点火线圈。
2. 点火线圈:电子点火器采用的是高压点火系统,点火线圈负责将点火控制模块发出的信号转化为高电压,以产生更强劲的火花来点燃燃料混合气体。
3. 火花塞:电子点火器的火花塞与传统点火器的火花塞相似,负责将高电压转化为火花,点燃燃料混合气体。
4. 无分电器:电子点火器不需要分电器来分配高电压,而是通过点火控制模块直接控制点火线圈的工作,从而实现更精准的点火时机和更稳定的点火效果。
阐述汽车点火器的类型及工作原理汽车点火器是一种关键的汽车零部件,它负责提供点火能量以使发动机正常运转。
根据点火方式的不同,汽车点火器可以分为传统点火器和电子点火器两种类型。
一、传统点火器传统点火器是指使用机械方式产生高压电流以点燃混合气体的点火器。
它主要由以下几个部份组成:1. 高压线圈:高压线圈是传统点火器的核心部件之一,它通过变压器原理将低压电流转换为高压电流。
高压线圈通常由铁芯、一次线圈和二次线圈组成,一次线圈接收低压电流,而二次线圈则产生高压电流。
2. 分电器:分电器将高压线圈输出的高压电流分配给每一个汽缸的点火塞。
分电器通常由转子和分电器盖组成,转子随着发动机的转动而旋转,将高压电流传递给对应的点火塞。
3. 点火塞:点火塞是传统点火器中的关键部件,它负责将高压电流转化为电火花,点燃汽缸内的混合气体。
点火塞通常由中心电极、接地电极和绝缘体组成,它们的间距和形状对点火性能有着重要影响。
传统点火器的工作原理如下:当发动机转动时,低压电流从电池经过点火开关进入一次线圈,一次线圈产生的磁场使得二次线圈产生高压电流。
高压电流经过分电器分配给每一个点火塞,点火塞产生的电火花点燃混合气体,从而使发动机正常工作。
二、电子点火器电子点火器是一种使用电子元件产生高压电流以点燃混合气体的点火器。
相比传统点火器,电子点火器具有更高的点火能量和更好的稳定性,因此被广泛应用于现代汽车中。
它主要由以下几个部份组成:1. 控制模块:控制模块是电子点火器的核心部件之一,它负责接收来自车辆电脑系统的信号,并根据信号控制点火时机和点火能量。
控制模块通常由微处理器和相关电路组成。
2. 发射线圈:发射线圈是电子点火器的另一个重要部件,它负责产生高压电流以点燃混合气体。
与传统点火器不同,发射线圈通常是一体化设计,没有一次线圈和二次线圈的区分。
3. 传感器:电子点火器需要通过传感器获取发动机转速、曲轴位置等信息,以确定点火时机和点火能量。
车载点烟器原理车载点烟器是一种常见的汽车配件,它为驾驶员和乘客提供了方便的充电和点烟功能。
那么,车载点烟器的原理是什么呢?下面我们就来详细了解一下。
首先,车载点烟器的原理是利用汽车的电源系统来提供电力。
汽车的电源系统一般由蓄电池、发电机和电气设备组成。
当汽车发动机运转时,发电机会产生电力,同时为蓄电池充电。
而车载点烟器就是通过连接到汽车电源系统,利用这个电力来实现充电和点烟的功能。
其次,车载点烟器内部主要包括一个点烟器插座和一个USB接口。
点烟器插座可以接入点烟器插头,用来点烟或者连接其他电子设备。
而USB接口则可以连接USB充电线,为手机、平板等设备提供充电功能。
通过这两个接口,车载点烟器可以满足不同设备的充电需求,提供了便利的使用体验。
另外,车载点烟器还配备了保险丝和LED指示灯。
保险丝的作用是在电路发生短路或过载时,起到保护作用,防止汽车电路损坏。
而LED指示灯则可以显示车载点烟器的工作状态,方便用户进行观察和判断。
总的来说,车载点烟器的原理是利用汽车电源系统提供电力,通过点烟器插座和USB接口实现充电和点烟功能,同时配备保险丝和LED指示灯,确保安全可靠地使用。
这种设计简单实用,为驾驶员和乘客提供了便利,成为了汽车上不可或缺的配件之一。
通过对车载点烟器的原理进行了解,我们可以更加深入地了解它的工作原理和使用方法,从而更好地利用这一汽车配件,为我们的生活出行带来更多的便利和舒适。
希望本文能够帮助大家更好地了解车载点烟器的原理,让我们在驾驶和乘坐汽车时,能够更加方便地使用电子设备和点烟功能。
阐述汽车点火器的类型及工作原理汽车点火器是汽车发动机中至关重要的部件,它负责将点火蜡燃烧产生的火花传递给汽车的燃料,从而引燃燃料混合气,使发动机正常运转。
本文将详细介绍汽车点火器的类型及工作原理。
一、传统点火器1.1 磁性点火器磁性点火器通过磁场产生高压电流,从而产生火花点燃燃料混合气。
1.2 机械点火器机械点火器通过机械装置使点火蜡点燃,产生火花点燃燃料混合气。
1.3 火花塞点火器火花塞点火器通过火花塞产生高压电流,点燃燃料混合气。
二、电子点火器2.1 电容器放电式电子点火器电容器放电式电子点火器通过电容器储存电能,放电产生高压电流,点燃燃料混合气。
2.2 磁性传感器式电子点火器磁性传感器式电子点火器通过磁性传感器感知转子位置,控制点火时机,点燃燃料混合气。
2.3 光电传感器式电子点火器光电传感器式电子点火器通过光电传感器感知转子位置,控制点火时机,点燃燃料混合气。
三、工作原理3.1 点火蜡点火传统点火器通过点火蜡点燃产生火花,点燃燃料混合气。
3.2 电流放电点火电子点火器通过电流放电产生高压电流,点燃燃料混合气。
3.3 点火时机控制电子点火器通过传感器感知转子位置,控制点火时机,确保点火准确。
四、优缺点比较4.1 传统点火器优点传统点火器结构简单,维护成本低。
4.2 传统点火器缺点传统点火器点火效率低,易受外界干扰。
4.3 电子点火器优缺点电子点火器点火效率高,稳定性好,但成本较高,维护复杂。
五、发展趋势5.1 高压电子点火器未来汽车点火器发展趋势将是高压电子点火器,提高点火效率。
5.2 智能点火系统智能点火系统将成为未来汽车点火器的发展方向,通过智能控制提高点火精准度。
5.3 绿色环保点火技术绿色环保点火技术将成为未来汽车点火器的发展重点,减少排放,提高燃烧效率。
总结:汽车点火器类型繁多,每种点火器都有其独特的工作原理和优缺点。
随着技术的不断发展,汽车点火器将朝着高效、智能、环保的方向发展。
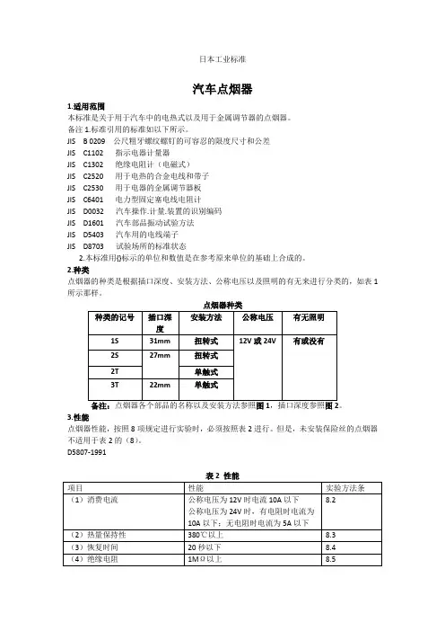
日本工业标准汽车点烟器1.适用范围本标准是关于用于汽车中的电热式以及用于金属调节器的点烟器。
备注1.标准引用的标准如以下所示。
JIS B 0209 公尺粗牙螺纹螺钉的可容忍的限度尺寸和公差 JIS C1102 指示电器计量器JIS C1302 绝缘电阻计(电磁式) JIS C2520 用于电热的合金电线和带子 JIS C2530 用于电器的金属调节器板 JIS C6401 电力型固定塞电线电阻计JIS D0032 汽车操作.计量.装置的识别编码 JIS D1601 汽车部品振动试验方法 JIS D5403 汽车用的电线端子 JIS D8703 试验场所的标准状态2.本标准用{}标示的单位和数值是在参考原来单位的基础上合成的。
2.种类点烟器的种类是根据插口深度、安装方法、公称电压以及照明的有无来进行分类的,如表1所示那样。
备注:点烟器各个部品的名称以及安装方法参照图1,插口深度参照图2。
3.性能点烟器性能,按照8项规定进行实验时,必须按照表2进行。
但是,未安装保险丝的点烟器不适用于表2的(8)。
D5807-19914.构造4.1一般构造点烟器的一般构造如下所示。
(1)点烟器是把金属调节器内藏于点烟器插座处。
带有发热装置的点烟器插塞。
以及根据各部分安装用的底座来构成。
此外,点烟器要是能够简便安装且足够坚固,各部位不能出现松散。
(2)24V带电阻的点烟器要是能够在12V点火器接续电阻的构造,其电阻要为JIS C6401的1.2—1.45Ω,必须使用30W以上或与其等同的电阻计。
(3)插塞上安装有护盖的,在从插足取出插塞时,盖子要牢固地缠绕发热器以及发热器盖子。
(4)安装在插座上照明的东西要标明是从插座底部照明还是其外部绿色的环状照明。
4.2操作方式点烟器的操作方法根据下述。
(1)将插塞插入底座时,插到点火位置时通电,插塞尖端处成炽热状态时,插塞要自动地从点火位置恢复到原来的位置。
此外,不要超过原始位置飞出来了。
项目作业项目名称汽车点烟器指导教师宋华班级汽电102班学生姓名吕洪波学号 2010100215 成绩齐齐哈尔工程学院汽电专业102班汽车点烟器以及结构电路摘要:汽车点烟器的组成包括壳体、定位座、电阻丝、云母、电阻盘、弹簧、弹簧盖、拉钮,定位座底部的中心设有一段导向孔,所述导向孔中动配合穿设有一刚性的柱状连接杆成导向配合,所述连接杆前段设有定位结构与电阻盘中心孔相配,所述电阻丝安装电阻盘中后固定在连接杆的一端,拉钮和弹簧盖固定在连接杆的另一端。
本实用新型将电阻盘与拉钮直接连接,取消了瓷垫架、连接件与电阻盘用螺钉螺母连接的往返滑动和导向,保证了电阻盘与连接杆的同心度,避免了因定位座在拉伸、落底过程中产生严重变形,造成卡死电阻盘总成,发生电路短路,而引发的安全事故。
外接设备插头正文:车辆都配备一个点烟器,是为了方便驾车人使用,尽管我们反对在车内吸烟,可这个配置却不会取消,有些高档车在后排还单独有另一个点烟器,方便后排乘员使用。
随着汽车技术的发展,利用点烟器得到汽车的电力,各种车载附加电子设备越老越多,最典型的有:GPS、MP3转换器、电源逆变器、刮胡刀、车载充气机、洗车泵等。
为驾车人带来很大的方便。
随着这些东西的增多,点烟器使用的频率越来越高。
1、点烟器的正确使用和注意事项点烟器的电源电压为12伏,与车辆的电瓶电压是一致的,通常点烟器有单独的一条电源线与之相连,和其他的线路不混用,因此,有单独的保险。
正确的使用方法应当是上下垂直插入和拔出,不要晃动,经常晃动的拔出容易造成松动和短路,烧毁保险和外接设备。
点烟器的结构可看图了解。
点烟器的外壳铁皮部分是电源的负极,中间的电热丝是电源的正极,当插入点烟器并向下按动锁止后,点烟器的电热片和点烟器插座的正极接触,开始加热,当电热片温度达到后,受温度的影响,卡簧变型,释放点烟器插头,点烟器弹出,就可点燃香烟了,用后插回插座(不再按动)。
电热片会自然降低温度。
如果电眼后点烟器不插回插座,容易引起火灾,这点要注意。
阐述汽车点火器的类型及工作原理汽车点火器是汽车发动机的重要组成部份,它负责引起燃料和空气混合物的燃烧,从而使发动机正常运转。
根据不同的点火方式和工作原理,汽车点火器可以分为传统点火器和电子点火器两种类型。
一、传统点火器传统点火器主要包括磁电式点火器和霍尔式点火器两种。
1. 磁电式点火器磁电式点火器是一种基于电磁感应原理的点火器。
它由磁铁、线圈、点火开关和分电器等组成。
当点火开关打开时,电流从电瓶流经线圈,产生一个磁场。
当发动机转动时,分电器中的凸轮带动分电器的转子旋转,使线圈中的磁场发生变化。
这个变化的磁场会感应出一个高压电流,通过高压线传输到火花塞,从而引起燃料的燃烧。
2. 霍尔式点火器霍尔式点火器是一种基于霍尔效应的点火器。
它由霍尔元件、磁铁和点火开关等组成。
霍尔元件是一种半导体器件,当磁场作用于霍尔元件时,会引起霍尔电压的变化。
当发动机转动时,磁铁带动霍尔元件与磁场相互作用,产生霍尔电压的变化。
这个变化的电压会触发点火开关,从而引起火花塞的点火。
二、电子点火器电子点火器是一种利用电子技术实现点火的装置,它主要由控制模块、传感器和点火线圈等组成。
1. 直接点火式电子点火器直接点火式电子点火器是一种将点火线圈直接安装在火花塞上的点火器。
它通过传感器感知发动机转速、负荷和温度等参数,将这些参数传递给控制模块。
控制模块根据这些参数计算出最佳的点火时机和点火能量,然后通过点火线圈产生高压电流,点燃火花塞。
2. 间接点火式电子点火器间接点火式电子点火器是一种将点火线圈安装在发动机上的点火器。
它通过传感器感知发动机转速、负荷和温度等参数,将这些参数传递给控制模块。
控制模块根据这些参数计算出最佳的点火时机和点火能量,然后通过点火线圈产生高压电流,将这个高压电流传输到分电器,再由分电器将高压电流分配到各个火花塞进行点火。
总结:汽车点火器的类型及工作原理可以分为传统点火器和电子点火器两种。
传统点火器包括磁电式点火器和霍尔式点火器,它们分别基于电磁感应原理和霍尔效应原理实现点火。
目前,全球并没有统一的车载充电器烟头尺寸标准。
不同国家、地区和汽车制造商可能采用不同的标准和接口类型。
以下是几种常见的车载充电器烟头尺寸和接口类型:
1.标准烟头插座(Cigarette Lighter Socket):这是最常见的车载充电接口之一,也被称为
12V电源插座。
它通常使用直径为21毫米的内部正极和外部接地环。
B接口:随着智能手机和其他便携设备的普及,车辆中经常出现带有USB接口的充电
器。
USB接口通常有标准Type-A或Type-C接口,可以连接到适当的USB充电线。
3.其他非标准接口:除了上述两种常见接口外,一些汽车制造商可能会提供特定的充电接
口,以满足其车辆的需求。
这些接口可能具有不同的尺寸、形状和功率要求。
因此,在购买车载充电器时,建议您根据自己的车辆型号和所在国家/地区的标准来选择合适的充电器。
最好查阅车辆的用户手册或咨询相关厂商或专业人士以获取正确的信息。
此外,还要注意充电器的功率和质量,确保其符合安全标准和适配您的设备需求。
多功能车载点烟器
作者:段孜远
来源:《发明与创新·中学生》2020年第07期
随着电子产品的普及使用,车载点烟器插头的使用率大大增加。
点烟器插头从汽车点烟器接口取电,通过电性接口为智能手机等终端电子设备充电。
传统的点烟器插头仅具备充电功能,而耐用、亮度高的微型手持移动照明设备需要另外配置。
此外,汽车内最好配备安全锤、安全带切割刀,但车子前排储存空间有限,几种工具堆放在一起既占用空间又显得很凌乱,使用还不便。
我设计了一款多功能车载点烟器,它的外观大致呈L形,上方顶端有一个USB接口,可为终端电子设备充电。
车载点烟头的上方一侧为割刀,刀头朝内,安全性高,能在紧急情况下快速将安全带割断。
需使用安全锤和割刀功能时,拔出多功能车载点烟器即可。
将锤杆部插入车载点烟器的接口用于点烟。
点烟器的顶部为钨钢所制,能用作安全锤,可在紧急情况下砸碎汽车玻璃。
车载点烟器内置充电锂电池,另一端设有LED照明灯,点烟器插头与LED照明燈通过电线与充电锂电池连接,便于手电筒插入车载点烟器插口处充电,方便寻物照明等。
阐述汽车点火器的类型及工作原理汽车点火器是汽车发动机启动的关键部件之一,它负责提供点火能量,使混合气体在汽缸内燃烧,从而驱动汽车运行。
根据点火方式的不同,汽车点火器主要分为传统点火器和电子点火器两种类型。
传统点火器是早期汽车所采用的点火系统,它由点火线圈、分电器、点火开关和火花塞组成。
点火线圈将低电压的电能转换为高电压,通过分电器将高电压分配给各个火花塞,点火开关控制点火的时机。
当点火开关通电时,点火线圈产生高电压,通过分电器分配到各个火花塞,从而产生火花点火,使混合气体燃烧。
电子点火器是现代汽车所采用的点火系统,它采用电子控制器来替代传统的分电器,具有点火能量稳定、点火时机精确等优点。
电子点火器由点火控制模块、传感器和点火线圈组成。
传感器感知发动机转速、负荷等参数,并将信号传输给点火控制模块,点火控制模块根据接收到的信号控制点火线圈产生高电压,从而实现点火。
传统点火器和电子点火器的工作原理有所不同。
传统点火器通过分电器将高电压分配给各个火花塞,而电子点火器通过电子控制器精确控制点火时机和点火能量。
传统点火器的点火能量相对较低,容易受到环境温度和电源电压的影响,而电子点火器的点火能量稳定,能够适应不同的工作环境。
此外,电子点火器还可以实现多次点火和点火能量的调节,提高了发动机的燃烧效率和动力性能。
总结起来,汽车点火器的类型包括传统点火器和电子点火器。
传统点火器通过分电器将高电压分配给各个火花塞,而电子点火器通过电子控制器精确控制点火时机和点火能量。
电子点火器具有点火能量稳定、点火时机精确等优点,能够提高发动机的燃烧效率和动力性能。
随着汽车技术的不断发展,电子点火器已经成为主流,取代了传统点火器。
车载点烟器的分类
每一辆汽车上都配有一个点烟口,这个设计的最初目的是为了满足乘车人吸烟的习惯,现在,随着可以的发展,点烟口的功能已经不仅仅局限于点烟了,在众多的车载电器的背景下,点烟口又有了新的功能,被赋予了新的使命,那就是作为汽车车载电器的电源输出口。
如今很多车主都配备了很多款车载电子设备,这对于只有一个点烟口来说是不够的,市面上的车载点烟器款式如此丰富,具备不同的使用功能,以下对得道电子有限公司生产的车载点烟器做了一个分类,方便用户根据自己的需要进行选择。
1、单USB多孔点烟器
一个USB输出口,多个点烟口输出,可以同时为多款设备充电
2、单孔双USB点烟器
只有一个点烟口,但是配备两个USB输出口3、双孔点烟器
4、单USB双孔点烟器
只有一个USB输出口,还有两个点烟口5、双USB双孔点烟器
两个USB输出口,两个点烟口输出
6、多孔点烟器
没有USB输出口,只有多个点烟口7、多孔连线点烟器
除了自带的连接线插入车内点烟口外,还配备多个点烟口可以为多台设备充电
8、双USB双孔连线点烟器
除了自带的连接线插入车内点烟口外,还配备两个点烟口和两个USB 插口可以为多台设备充电。
以上就是车载点烟器的分类,用户可以根据自己的车载电子设备的使用需求进行选择,方便进行充电使用,但是有一点要注意,一般汽车的最大功率是120瓦,汽车的电压是12v,如果同时使用多款设备充电,可能会导致点烟器的保险丝烧断,从而引发危险,所以建议车主朋友尽量不要同时使用多款大功率电子设备充电,以免造成不必要的
麻烦。
车载点烟器的分类
每一辆汽车上都配有一个点烟口,这个设计的最初目的是为了满足乘车人吸烟的习惯,现在,随着可以的发展,点烟口的功能已经不仅仅局限于点烟了,在众多的车载电器的背景下,点烟口又有了新的功能,被赋予了新的使命,那就是作为汽车车载电器的电源输出口。
如今很多车主都配备了很多款车载电子设备,这对于只有一个点烟口来说是不够的,市面上的车载点烟器款式如此丰富,具备不同的使用功能,以下对得道电子有限公司生产的车载点烟器做了一个分类,方便用户根据自己的需要进行选择。
1、单USB多孔点烟器
一个USB输出口,多个点烟口输出,可以同时为多款设备充电
2、单孔双USB点烟器
只有一个点烟口,但是配备两个USB输出口3、双孔点烟器
4、单USB双孔点烟器
只有一个USB输出口,还有两个点烟口5、双USB双孔点烟器
两个USB输出口,两个点烟口输出
6、多孔点烟器
没有USB输出口,只有多个点烟口7、多孔连线点烟器
除了自带的连接线插入车内点烟口外,还配备多个点烟口可以为多台设备充电
8、双USB双孔连线点烟器
除了自带的连接线插入车内点烟口外,还配备两个点烟口和两个USB 插口可以为多台设备充电。
以上就是车载点烟器的分类,用户可以根据自己的车载电子设备的使用需求进行选择,方便进行充电使用,但是有一点要注意,一般汽车的最大功率是120瓦,汽车的电压是12v,如果同时使用多款设备充电,可能会导致点烟器的保险丝烧断,从而引发危险,所以建议车主朋友尽量不要同时使用多款大功率电子设备充电,以免造成不必要的
麻烦。