消防车参数汇总
- 格式:doc
- 大小:851.50 KB
- 文档页数:18
消防车参数与技术要求咱来说说消防车的参数和技术要求哈。
一、尺寸参数。
1. 长度。
一般消防车的长度大概在6 12米左右。
小型的那种可能接近6米,就像个稍微长点的大客车。
大型的呢,特别是那些云梯消防车,能有12米长,开在路上那可老拉风了。
这长度得考虑到它在街道上转弯、进出车库的情况。
你想啊,如果太长了,在那些狭窄的老城区街道里,就跟个大笨象进小胡同似的,转个弯都费劲。
2. 宽度。
宽度通常在2 3米。
这个宽度得保证它既能稳当当地行驶,又不会太占地方。
要是太宽了,在双向车道上就容易把路都堵死,其他车都得躲着它,就像个横行霸道的大螃蟹。
3. 高度。
高度差异比较大。
普通的消防车可能就2 3米高,但是云梯消防车在伸展云梯的时候,那高度可不得了。
有些能达到几十米呢,就像个超级巨人伸着胳膊往天上够。
不过它在行驶的时候,高度也得考虑过桥洞、电线啥的,总不能开着开着就把电线给扯断了,那可就乱套了。
二、重量参数。
1. 空车重量。
空车重量有轻有重。
小型消防车可能就几吨,大概5 10吨。
这种小型的就比较灵活,像个小机灵鬼。
大型的消防车,特别是装满了水和各种设备的,能有二三十吨。
这就相当于好几头大象的重量了,所以它的底盘和轮胎啥的都得特别结实,不然跑着跑着就散架了可不行。
2. 满载重量。
满载的时候,消防车要考虑道路的承载能力。
像在一些老桥或者不太结实的路面上,如果满载的重型消防车上去,说不定就把路给压坏了。
满载重量一般会比空车多不少,主要是因为装了水和灭火剂这些东西。
水可是很重的,一立方米的水就有一吨重呢,要是装个好几立方米的水,再加上设备,重量蹭蹭就上去了。
三、技术要求。
1. 动力系统。
消防车的动力得强劲。
就像运动员的腿一样,得有劲儿。
一般来说,发动机的功率得足够大,这样才能快速赶到火灾现场。
要是慢悠悠的,那火势可不等它。
有些消防车配备大排量的柴油发动机,扭矩大得很。
就好比大力水手吃了菠菜,拉着那些沉重的水和设备也能跑得飞快。
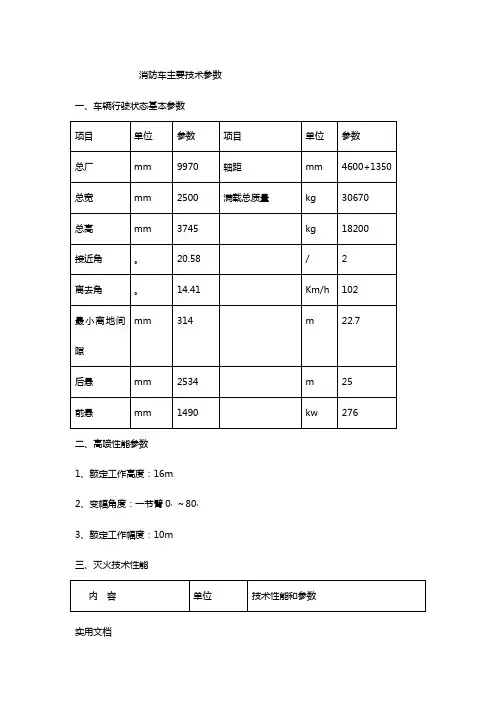
1 泡沫消防车1、整车技术参数外形尺寸:10250mm32500mm33650mm满载总质量:26500kg灭火剂容量:9000kg(水)3000kg(泡沫)乘员人数:6 人最高车速:≥90km/h排放标准:国Ⅳ2、底盘技术参数:底盘型号:ZZ5347V4347D1 二类底盘驱动形式:634轴距:4325mm+1350mm发动机型号:缸数:6型式:直列六缸、水冷、四冲程、增压中冷、高压共轨柴油发动机额定功率:279/2000Kw/rpm最大扭矩:1650/(1100~1400)N2m/rpm离合器:单片、干式,带缓冲弹簧3、取力器:形式:全功率夹心式润滑方式:飞溅式4、驾驶室:结构:双排座一体式焊接结构,带专用液压翻转机构。
座位设置:2+4,其中前排2 座,后排4 座。
后排靠背处设有四个空气呼吸器架。
设备:驾驶室内加装水泵的取力器开关;警报器及警灯开关等。
5、消防泵及管路系统消防泵流量:时60 L/s,时30L/s引水形式:采用全自动真空泵进行水环式引水吸水深度:7m引水时间:≤40s安装形式:后置式管路系统进水口:泵房左右两侧各设有1 个Φ125mm 吸水口;1 个带Φ125mm 阀门的进水口,用于与水罐相连接。
注水口:泵房左右两侧各设1 个Φ80mm 的罐注水口。
出水口:泵房左右两侧各设2 个带阀门的Φ80mm 的出水口。
放余水管路:为保护水泵及各球阀,在管路中加装了放余水球阀。
卷盘:在泵房设1 个带枪的中压卷盘。
泡沫比例混合系统泡沫比例混合器型号:PH64泡沫混合比:6%消防控制系统仪表板装有液位指示器、转速表、压力表、真空表、油门等消防控制设备。
所有开关、仪表板指示说明采用防腐蚀标牌。
6、消防炮流量:水≥50L/s,泡沫≥48L/s射程:水≥60m,泡沫≥50m水平旋转角:360°俯仰角:-15°~+60°安装位置:车厢顶部7、液罐容量:9000kg(水)3000kg(泡沫)材质:优质碳钢,经高科技防腐处理结构:内加纵横防荡隔板型式:外露式设备:2 个Φ450mm 入口孔,带快速开启锁紧装置;1 个溢流/卸压装置;2 个液位传感器;2 个带阀门的排污口;2 个注水口。
豪沃330消防车参数配置表车型:豪沃330消防车
车身尺寸(mm):7065×2200×3185
总重(kg):12490
最大载重量(kg):8345
额定乘员人数(人):6
发动机型号:YC6J180-42
排量(L):6.49
最大输出功率(kW):132
最大输出扭矩(N.m):660
变速箱型号:10JSD140T-B
传动形式:6×2
思迪驱动桥:5T
轮胎规格:11.00-20
底盘制动:前轮气动制动,后轮机械制动车辆最高速度(km/h):95
摆臂型号:GRBF
最高工作平台高度(m):24
最大作业半径(m):14
水罐容积(L):4000
泡沫罐容积(L):1000
灭火枪流量(L/s):≥24
灭火枪射程(m):≥55
电动摆臂控制方式:摆臂台控、车顶控
消防泵型号:B1500型(操纵盘手柴可装备进口)
额定流量(L/s):≥60
额定压力(MPa):≥1.0
起动方式:电起动
防炸装置:自动防过载、防空转
照明设施:扩音装置、警灯、工作灯
车体构造:铝合金型材框架结构
外形喷漆颜色:消防车红色
特别装备:液压剪切器、气动扩张器、气垫、手动插销式红外过闸探测装置、充气洞掩盖器、侵入警铃、消防斧、锤、水流量表、防爆手电、小型水带等。
水罐消防车规格及技术参数一、整车主要性能参数1、底盘:型号:ZZ5207M4617D5类别:N2生产企业:中国重汽集团济南卡车股份有限公司轴数: 2轮胎规格:12.00轮胎数: 62、发动机:型号:D10.31-40生产企业:中国重型汽车集团有限公司排量(ml) 9726燃料种类: 柴油额定功率(kw):228最大扭矩(N.m): 1340排放依据标准:GB17691-2005 国Ⅳ3、外型尺寸(长×宽×高)(mm):8350×2500×3500轴距(mm):4600轮距(前/后)(mm): 2022/1830最小离地间隙(mm):264悬长(前悬/后悬)(mm):1500/2250接近角/离去角:16°/12°4、性能参数最高车速(km/h):90最大爬坡度(%): ≥30最小转弯直径(m): ≤18.5加速行驶车外噪音:≤84dB(A)5、质量参数:满载总质量(kg):20000满载时前轴载质量(kg):7000满载时后桥载质量(kg):13000灭火剂装载量(L):水:8000比功率:11.46、驾驶室准乘人数:6(人)二、驾驶室:结构:平头全金属前翻,双排原装驾驶室。
座位设置:2+4人。
其中后排乘员座位后面设有空气呼吸器固定架4个,并设有避震防护装置,前方约1.2米高度处有精致的安全栏杆。
翻转:液压翻转机构。
乘员室内设备:除原车设备外,加装有100W警报器、回转警灯开关、取力器控制开关、附体灯开关及指示灯、电台电源线桩口,排列整齐有序易操作。
警灯:驾驶室顶部安装有长排爆闪警灯。
三、载液罐:容量:水:8000L材质:优质碳钢板,壁、顶厚度3mm,底厚度4mm结构:水罐为焊接式结构,前后封板、罐两侧壁板、纵横防板均设有可增加强度的梯形折筋。
另有维修人孔圈以及防吸水漩涡紊流结构设备:(1)车顶罐设2个460mm检查孔,孔口敷设密封橡胶,盖口带快速锁启装置(2)内置溢水口1个(3)液位指示器1个(4)罐底设排污阀1个(5)罐体两侧各设1个DN65雌式单向注水口(6)水罐与水泵连接口采用软管连接(7)技术要求:符合GA39.4的有关规定四、消防泵及管路系统:1、水泵:上海茸申2、型号:30/60型3、流量:60L/s (1.0MPa时)30L/s (2.0MPa时)4、安装型式:后置式5、水泵后部设1个DN135吸水口,带有不锈钢滤网,出水口6个(DN80;2个,DN65;4个),均为雌式。
消防车参数汇总范文消防车是指专门用于扑灭和控制火灾的特种装备车辆,其设计和配置各不相同,以适应不同火灾救援任务的需求。
下面将对消防车的常见参数进行汇总介绍。
1.动力系统:消防车通常采用内燃机作为动力源,常见的有柴油发动机和汽油发动机。
柴油发动机具有较高的功率和较好的耐久性,适用于重型消防车;而汽油发动机则常用于轻型消防车。
近年来,一些地区也开始采用电动动力系统,以减少对环境的污染。
2.车身结构:消防车的车身结构通常为厢式,分为单排和双排。
单排消防车可以容纳一名驾驶员和几名乘客,适用于小规模火灾救援;而双排消防车则可容纳更多的消防人员及装备,适用于大规模灾情。
3.车身尺寸:消防车的尺寸根据具体用途和需求而有所不同。
一般来说,消防车的长度在8米到12米之间,宽度在2.5米到3.5米之间,高度在3.5米到4.5米之间。
车身尺寸的设计旨在提供足够的空间来容纳消防人员、灭火装备和水罐等。
4.载重能力:消防车的承载能力主要取决于车身结构和底盘设计。
轻型消防车通常具有较低的载重能力,一般在2吨到5吨之间;而重型消防车的载重能力可达到10吨以上。
载重能力的设计需满足承载灭火器材、水罐和人员等需求。
5.灭火装备:消防车上常常安装有多种类型的灭火装备,以满足不同的火灾救援需求。
常见的灭火装备包括消防水枪、消防水带、消防泡沫发生器和干粉灭火器等。
这些装备可以迅速将水、泡沫或干粉喷射到火灾现场,控制和扑灭火源。
6.水罐容量:消防车通常配备有水罐,以储存水源供应灭火使用。
水罐的容量根据消防车的用途和规模而有所不同,一般在500升到5000升之间。
有些消防车还配备有外接水源连接器,可以通过消防栓等供水点直接获取水源。
7.通信装备:在火灾救援中,及时的通信和指挥是至关重要的。
消防车通常配备有无线电通信设备,以便消防人员与指挥中心和其他救援人员进行实时沟通。
通信设备的性能和频率根据不同地区和国家的法规和标准而有所差异。
总而言之,消防车的参数汇总涵盖动力系统、车身结构、车身尺寸、载重能力、灭火装备、水罐容量和通信装备等方面。
城市主战消防车参数
城市主战消防车是指用于城市消防救援工作的消防车辆。
其参数主要包括以下几个方面:
1. 动力系统:城市主战消防车通常采用柴油发动机作为动力源,具有一定的功率和扭矩输出,以满足消防车辆的高速行驶和急救行动需求。
2. 车辆尺寸:城市主战消防车尺寸一般比较大,长约6-8米,宽约2.4-2.8米,高约2.8-
3.2米。
这样的尺寸可以容纳更多的消防设备和人员。
3. 载重能力:消防车需要携带大量的水源和其他救援设备,因此其载重能力比较重要。
一般来说,城市主战消防车的载重能力在3-5吨之间。
4. 救援装备:城市主战消防车一般配备有高压水枪、水源泵、通讯设备、灭火器具、救生绳索等消防救援装备。
这些装备可以帮助消防员快速、有效地进行火灾扑救和人员救援。
5. 灭火性能:城市主战消防车通常具备较强的灭火能力,一般配备有大容量的水罐、泡沫液罐,可以快速喷射水雾、泡沫液或其他灭火剂进行灭火。
需要说明的是,城市主战消防车的参数可以根据具体使用需求进行定制。
不同城市和消防机构对于消防车的要求可能会有所不同。
以上参数仅为一般参考,并非所有城市主战消防车都具备相同的参数。
1 泡沫消防车1、整车技术参数1.1 外形尺寸:10250mm³2500mm³3650mm1.2 满载总质量:26500kg1.3 灭火剂容量:9000kg(水)3000kg(泡沫)1.4 乘员人数:6 人1.5 最高车速:≥90km/h1.6 排放标准:国Ⅳ2、底盘技术参数:2.1 底盘型号:ZZ5347V4347D1 二类底盘2.2 驱动形式:6³42.3 轴距:4325mm+1350mm2.4 发动机型号:D12.38-402.5 缸数:62.6 型式:直列六缸、水冷、四冲程、增压中冷、高压共轨柴油发动机2.7 额定功率:279/2000Kw/rpm2.8 最大扭矩:1650/(1100~1400)N²m/rpm2.9 离合器:单片、干式,带缓冲弹簧3、取力器:3.1 形式:全功率夹心式3.2 润滑方式:飞溅式4、驾驶室:4.1 结构:双排座一体式焊接结构,带专用液压翻转机构。
4.2 座位设置:2+4,其中前排2 座,后排4 座。
后排靠背处设有四个空气呼吸器架。
4.3 设备:驾驶室内加装水泵的取力器开关;警报器及警灯开关等。
5、消防泵及管路系统5.1 消防泵5.1.1 流量:1.0MPa 时60 L/s,2.0MPa 时30L/s5.1.2 引水形式:采用全自动真空泵进行水环式引水5.1.3 吸水深度:7m5.1.4 引水时间:≤40s5.1.5 安装形式:后置式5.2 管路系统5.2.1 进水口:泵房左右两侧各设有1 个Φ125mm 吸水口;1 个带Φ125mm 阀门的进水口,用于与水罐相连接。
5.2.2 注水口:泵房左右两侧各设1 个Φ80mm 的罐注水口。
5.2.3 出水口:泵房左右两侧各设2 个带阀门的Φ80mm 的出水口。
5.2.4 放余水管路:为保护水泵及各球阀,在管路中加装了放余水球阀。
5.2.5 卷盘:在泵房设1 个带枪的中压卷盘。
5.3 泡沫比例混合系统5.3.1 泡沫比例混合器型号:PH645.3.2 泡沫混合比:6%5.4 消防控制系统仪表板装有液位指示器、转速表、压力表、真空表、油门等消防控制设备。
消防车参数汇总消防车作为现代城市灭火系统中不可或缺的组成部分,其性能和参数的优劣对于城市消防服务的水平和效率有着至关重要的影响。
本文将对消防车的参数进行汇总和介绍,以期为消防车使用和选购提供一些参考和建议。
尺寸和重量消防车的尺寸和重量直接关系到其在城市交通运输中的便捷性和灭火能力。
下面是一些常见的消防车尺寸和重量参数:•长度:5m ~ 16m•宽度:2.1m ~ 2.8m•高度:2.5m ~ 4.2m•自重:3t ~ 20t•载重:1t ~ 10t需要根据实际需要和环境条件选用适当的尺寸和重量级别的消防车。
发动机消防车的发动机作为动力源,其性能和功率的高低直接影响到消防车的行驶和灭火能力。
消防车的发动机通常采用柴油和汽油两种类型,以下是一些常见的发动机参数:•发动机类型:柴油/汽油•排量:3L ~ 12L•功率:150HP ~ 800HP•最高车速:80km/h ~ 120km/h•转弯半径:≤10m需要选用具有高输出功率、高可靠性和经济性的发动机,以便保障消防车在复杂环境下的稳定性和灭火效果。
水泵和水罐消防车的水泵和水罐是消防装备的核心,其性能和容量直接决定了消防车的灭火能力和使用寿命。
以下是一些常见的水泵和水罐参数:•水罐容量:1000L ~ 12000L•泵送压力:1.2MPa ~ 2.0MPa•流量:60L/s ~ 160L/s•举升高度:≥60m•吸水深度:≤7m需要选用具有高压、大流量和稳定性能的水泵和容量适当的水罐,以便在不同的灭火场合中确保消防车的有效灭火作用。
照明和配电消防车需要在夜间或灭火场所缺乏光线时进行照明和电力供应。
以下是一些常见的照明和配电参数:•照明功率:1000W ~ 3000W•电源类型:220V/380V AC•电池容量:100Ah ~ 2000Ah•电压:12V/24V DC需要选用具有高照明功率、长续航时间和稳定性能的照明设备和电源系统,以便在灭火作业中确保操作人员的安全和作业效果。
消防⻋⻓度及转弯半径标准⼀、背景消防⻋是消防部⻔⽤于扑灭⽕灾、救援和应急处理的重要⼯具。
其设计和性能对于提⾼消防队的响应效率和灭⽕效果具有重要意义。
消防⻋的⻓度及转弯半径作为其重要的技术参数,直接关系到消防⻋在实际操作中的性能表现和安全。
因此,对消防⻋的⻓度及转弯半径进⾏规范和标准化⾄关重要。
⼆、消防⻋⻓度标准消防⻋的⻓度根据其类型和功能的不同⽽有所差异。
以下是⼀些常⻅类型消防⻋的⻓度标准:1.轻型消防⻋:⻓度通常在7⽶⾄7.5⽶之间,适合于城市和⼩型⽕灾的扑救。
2.中型消防⻋:⻓度在7.5⽶⾄9⽶之间,适⽤于⼀般性的⽕灾扑救和救援任务。
3.重型消防⻋:⻓度在9⽶⾄12⽶之间,主要⽤于⼤型⽕灾的扑救和⻓时间的救援任务。
4.特⼤型消防⻋:⻓度超过12⽶,主要⽤于特殊⽕灾,如⽯油化⼯⽕灾的扑救。
此外,为了确保消防⻋的灵活性和通过性,⼀些国家和地区还规定了消防⻋的最⼤⻓度。
例如,欧洲经济委员会规定消防⻋的最⼤⻓度不得超过12.5⽶。
三、消防⻋转弯半径标准转弯半径是指消防⻋在原地转弯所需的最⼩内轮轨迹半径。
消防⻋的转弯半径决定了其在扑救⽕灾和救援过程中对现场环境的要求和操作难度。
以下是⼀些常⻅类型消防⻋的转弯半径标准:1.轻型消防⻋:转弯半径通常在4⽶⾄6⽶之间,适合在狭⼩空间和拥挤地区操作。
2.中型消防⻋:转弯半径在6⽶⾄8⽶之间,适⽤于⼀般性的⽕灾扑救和救援任务。
3.重型消防⻋:转弯半径在8⽶⾄10⽶之间,适⽤于⼤型⽕灾的扑救和⻓时间的救援任务。
4.特⼤型消防⻋:转弯半径根据具体⻋型⽽有所不同,但通常较⼤,需要较⼤的操作空间。
此外,为了确保消防⻋在实际操作中的安全性和稳定性,⼀些国家和地区还规定了消防⻋的最⼩转弯半径。
例如,美国联邦机动⻋安全标准规定消防⻋的最⼩转弯半径不得⼩于6.5⽶。
四、总结与建议随着科技的进步和城市化进程的加速,消防⻋作为重要的消防设备也得到了不断的更新和完善。
为了进⼀步提⾼消防⻋的性能和灭⽕效率,建议在未来的发展中加强以下⼏个⽅⾯的⼯作:1.标准化和规范化:制定更加详细和完善的消防⻋⻓度及转弯半径标准,确保消防⻋的性能和质量符合实际需求。
技术规格书斯太尔王150型泡沫消防车明光市浩淼消防科技发展有限公司一、整车结构及技术参数1、底盘型号:ZZ1256M4346F型货车底盘(斯太尔王底盘)厂家:中国重型汽车集团(济南)公司驱动型式:6×4轴距:4325mm+1350mm2、发动机型号:WD615.87;功率:213kW(2200r/min)扭矩:1160N·m(1300-1600r/min)3、车辆满载总质量:30000kg4、最高车速:90km/h5、外型尺寸:(长×宽×高)9910mm×2500mm×3500mm6、驾驶室及乘员室结构:四开门整体平头双排驾驶室,全钢框架焊接结构,液压翻转机构。
后排座位后有6.8L空气呼吸器固定架4具。
座位设置:前排2人,后排4人。
设备:除原车设备外,加装有100W警报器、回转警灯开关、取力器控制开关及指示灯。
7、消防泵水泵:CB10/60消防泵流量:60L/s压力:1.0MPa1分钟真空度下降值:≤2.6kPa最大真空度:≥85kPa引水时间:≤50s(吸深7m时)最大吸深:≥7m安装形式:后置式8、管路系统内进水管路:1个Φ150mm的后进水,由罐体进入消防泵,装1只Φ150mm手动蝶阀,连接液罐与水泵。
外进水管路:泵后侧有1个外进水口,其管径Φ150mm,接外吸管,管牙接口,(闷盖密封);泵后侧引水,吸水管Φ150×2m(4根) 。
出水管路:※水泵后侧有4个Φ80mm球阀控制的出水口(闷盖密封);※1个Φ100mm的炮管路,采用Φ100mm挠性接头,并用Φ80mm球阀控制。
注水管路:※ 1个Φ65mm的内注水管路,可通过水泵直接向罐内注水;※在车身两侧各有2个Φ65mm的外注水接口;放余水管路:为保护水泵及各球阀,在球阀最低处加装放余水阀。
9、比例混合器型号:PH48操纵:手动调节混合比:6%10、消防炮型号:PL48型泡沫/水两用消防炮压力:0.8~1.0MPa流量:48L/s射程:水≥60m 泡沫≥55m回转角度:水平360°仰角:80°俯角:-15°11、液罐(外露式)装载量:水13000kg 泡沫2000kg材质:泡沫罐部分为不锈钢板,水罐部分为优质钢板。
抢险救援消防车参数1、整车外形尺寸:≤8950mm×2500mm×3500mm满载总质量:13000kg乘员人数(含驾驶员):6人最大功率:≥213Kw排放标准:欧Ⅳ2、底盘:底盘型号: TGM 18.290 4×2 BB驱动形式:4×2驾驶室:MAN TGM DK驾驶室轴距(mm):≥ 4500发动机功率(Kw):≥213车辆允许总重(Kg):18000最高车速: 140.8公里/小时(电子限速100公里/小时)最小转弯半径:7.8米驾驶室:MAN TGM DK驾驶室(四门,双排座,座位1+1+4,在生产线上直接安装),宽2,240毫米,进深2,785毫米,消防红色,高舒适型空气弹簧司机座椅,前排单人和副司机座椅,后排四人条椅,多处储物空间,自动温控环保空调系统,收音机+CD,两侧电动电热后视镜,两侧电动电热广角镜、右侧电动电热下视镜、右前侧下视镜等等仪表:MAN Tronic系统(电脑控制仪表盘),司机自动电子行驶记录仪,燃油表,转速表,机油油压表,倒档响号等等。
发动机:型号:MAN D0836排量: 6.871升最大功率(KW):≥213千瓦最大扭矩(Nu/m):1150牛顿米在1200-1750转/分排放标准:欧洲4号排放标准(无需加尿素)六缸直列涡轮增压中冷电控柴油发动机,温控风扇,带加热功能的燃油滤清器,另加带加热功能、带油水分离器的燃油滤清器,火焰预热冷启动系统(适合寒冷地区),80分贝降噪处理,定速巡航控制系统等。
外部数据交换控制模块KSM(相当于外接控制油门。
电脑可设定发动机转速以:1、无级调速;2、台阶式转速-既可以固定在怠速至发动机最大转速范围内的任何转速下)离合器:单片离合器,离合器片直径395毫米,液压助力变速箱:ZF 9S-1310 OD手动变速箱,9个前进档,1个倒档取力器:NH/4b ,法兰输出,速比1.24,逆时针旋转(与发动机相同),最大输出扭矩430牛顿米,适合长时间运转,输出位置:顶部右侧前后桥:前桥:VP-09下沉式转向桥,抛物线形钢板弹簧 7.1 吨,带平衡杆后桥(双):HP-1333单级减速后桥,抛物线形钢板弹簧11.5吨,速比 4.83,带差速锁和平衡杆电气系统:发电机28伏/110安培/3080瓦,蓄电池2×12伏/175安培时,单音电喇叭,手动蓄电池主开关。
照明消防车技术参数照明消防车技术参数:一. 整车综合要求1.1 整车外形尺寸 (长×宽×高):约8300-9000×2500×3820mm1.2 整车满载质量:不低于16000 Kg。
1.3 驱动方式:4×2。
1.4 △供应商投标时需提供近似车辆的3C认证报告和强制性检验报告,交车时提供投标车辆对应的3C认证报告和强制性检验报告。
二. 底盘主要技术参数2.1 底盘:2.1.1轴距(mm):约46002.1.2最小转弯半径:约8.4m2.1.3接近角:约16°2.1.4离去角:约23°2.1.5离地间隙:约310mm2.1.6最大允许总质量:不小于20000kg2.2 底盘车架:2.2.1二桥底盘,驱动方式:4×2。
2.2.2转向:左方向驾驶,带动力助力转向。
高强度钢材车架,钢制保险杠,散热器下设保护板。
2.3 发动机:水冷6缸4冲程直列式柴油发动机。
最大功率:不低于248KW。
排放标准:国Ⅴ标准。
油箱200L,配燃油过滤网,燃油箱盖带锁。
空滤及进、排气管等部件均视情提高了安装位置,均做密封处理,防水防淹。
2.4 变速器:手动变速箱。
2.5 取力器:采用原车取力器,结合装置合理,可靠耐用。
2.6轮胎:车轮设置:前桥单轮,后桥每侧各双轮,共6个真空钢丝轮胎。
2.7制动系统:双回路压缩空气制动,带ABS防抱死刹车系统。
2.8设备:除原车设备外,加装有100W警报器、回转警灯开关等。
2.9 电气系统:2.9.1 各类指示灯:转向灯显示器,远、近光,仪表板显示亮度调节,电瓶充电指示器,驻车制动指示灯,前雾灯,后雾灯。
2.9.2 紧急警示灯:制动系统气压低报警,发动机润滑系统低压报警,空滤器堵塞报警等。
2.9.3 其它:带倒车报警蜂鸣器、行车记录仪、倒车影像、驾驶室内监视器;车辆前后有预留牌照架、符合现行武警消防车牌尺寸,采用金属构件固定后结实耐用。
氮气消防车参数
氮气消防车的参数包括但不限于以下方面:
•最高行驶速度:90km/h
•比功率:≥11kW/t
•流量范围:200~900m³/h
•纯度范围:90%~99%
•氨气压力:1.2Mpa,最高可达15Mpa
•氮气制取时间:≤5min
•干粉罐容量:3000kg
•氮气瓶容量:720L
•干粉炮喷射速率:≥40kg/s
•干粉炮射程:≥40m
•干粉枪喷射速率:≥2kg/s
•消防水枪流量:≥13L/s
•干粉灭火剂喷射速率:≥1kg/s
•移动供氮灭火距离:≥150m
•升降灯功率:240W
•升降高度:≥7m
请注意,以上参数可能会因不同的氮气消防车型号和制造商而有所差异。
在选择氮气消防车时,建议根据实际需求和用途选择合适的型号和制造商,并参考其官方提供的参数和性能数据。
一、消防车具体参数底盘型号:五十铃发动机:功率(KW):≥180KW 比功率(KW/T):≥10排放标准:国Ⅲ1、驾驶室座位设置:双排四开整体驾驶室,准乘5人,座位设置2+3;后排座位后可加装空气呼吸器固定架3套(模具制作)。
驾驶室内设备:除原车设备外,加装有取力器控制开关及指示灯、100W警报器、警灯、爆闪灯开关、电台电源线桩头。
特别说明:乘员室内饰为模具压制而成。
2、水罐容量:2000kg材质:优质钢板制造,液罐整体采用高科技防腐处理型式:内藏式结构:内设纵、横防荡板设备:✧ 1个入口孔,带有快速锁紧及开启装置✧ 1个溢流阀及通气装置✧ 1个液位指示器✧1个排污口,带不锈钢球阀✧ 2个注水口,且露在车身之外✧ 1个的后进水管路,连接水罐与水泵技术要求:符合GA39.4-92的有关规定。
3、消防泵及其管路系统型号:CB10/20型常压消防泵流量:40 L/s压力:1.0 MPa安装形式:后置式吸水管路:水泵后端设有Φ100mm进水口,可吸天然水源;采用Φ100mm免接式吸水管机构8m×1根,带收管机构,可左、右、后三面吸水,省力便捷。
出水管路:✧在水罐后封板有1个直径50mm注水管路,可通过水泵直接向罐内注水;✧系统设有2个Φ65 mm 出水口。
放余水管路:为保护水泵及各球阀,在管路中加装了放余水管,并分别配有不锈钢球阀。
冷却水管路:为确保取力器在高温下正常工作,管路中配有一冷却水管路,进、出水管中各配一不锈钢球阀。
4、取力器型式:夹心式(全功率取力器)。
操纵:手动控制。
冷却方式:强制式水冷,冷却水开关设置在消防泵后端;润滑方式:飞溅式油润滑。
5、器材箱及泵房材质:骨架为可优质Q235A钢材;内饰板和底板为铝合金板(氧化处理)。
结构特点:器材箱内采用了可调型钢结构,空间利用率高、器材取用方便。
开门:器材箱左右两侧均有铝合金卷帘门,轻便可靠、噪声小。
器材布置原则❖按战斗编成和战斗展开设计器材集成。
消防车配置标准及性能要求消防车配置标准及性能要求1.基本参数外廓尺寸:约7750mm×2500mm×3450mm轴距: 4500mm载液量: 6000L(水5000L,泡沫1000L)发动机最大功率: 191kw(260hp)最高车速: 110km/h排放标准:国III消防泵流量: 1.0Mpa时,4500L/min车顶炮: 1.0Mpa:2400L/min射程:水65m,泡沫60m乘员: 1+1+42.底盘型号:ISUZU FVR34J2 4×2发动机型号/型号:6HK1-TCN/6缸,水冷,直喷式,增压中冷电控柴油发动机最大功率: 191kw (260hp)扭矩: 706Nm燃油箱:135L最大总质量: 15750kg最大装载质量: 10500kg最大轴荷:前轴(kg) 5750kg后桥(kg) 10000kg制动距离:≤9m发动机冷却:水冷系统电气:24V,2个电瓶,每个12V,115Ah轮胎:10.00R20-16PR前桥:单胎后桥:双胎制动:双回路制动前后桥:蹄片式制动电路预留:预留车载电台接口位置3.上装3.1水罐容量: 5000L材质:不锈钢人孔:450mm内径溢流—通风:2个,带溢流管,满足罐体溢流及通气要求经泵往罐注水:DN50球阀罐注水口:左右侧各2个(共4个接头),DN65内径罐排水口:1个3.2泡沫罐容量:1000L材质:不锈钢板厚:罐体底板为≥4mm,顶板及侧板为≥3mm位置:与水罐合为一人孔:450mm内径溢流—通风:1个排液管: DN40内径罐吸泡沫出口: 1个,DN50,带不锈钢气动球阀控制。
补液管: 2个,DN50内径4.消防系统4.1 水泵泵型号:奥地利卢森宝亚N45设计:离心型,1级常压材质:泵壳及叶轮:防腐轻合金;泵轴:不锈钢泵垫圈:机械轴封额定流量:常压:1.0Mpa时4500L/min;在3m吸深时泵驱动:通过取力器由汽车发动机驱动真空装置:双活塞真空泵,手动控制,最大吸深≥7.5m位置:后置式管路材质:水管及泵接头:防腐热浸镀钢,刚性橡胶管或弹性橡胶连接材质泡沫管及泵接头:高级不锈钢,青铜、刚性橡胶管或聚酯材料水罐吸水管:带DN150碟阀,电-气操作外吸水管:1个DN125吸水口,配不锈钢蝶阀,带滤网,卡式雌接口及闷盖左侧出水口:2个常压出口,带阀门及DN65卡式雌接扣及闷盖右侧出水口:2个常压出口,带阀门及DN65卡式雌接扣及闷盖炮供水管:1个常压管,与车顶炮连接泵排水口:10mm球阀,手动操作4.2自动环泵泡沫系统比例混合器型号:卢森宝亚Fix Mix材质:计量及比例阀由铜合金制成常压泡沫比例:3%及6%泡沫罐吸液管:1个DN50泡沫罐吸液管外吸泡沫管:1个DN50外吸泡沫管4.3水/泡沫车顶炮型号:奥地利卢森宝亚RM24M设计:手动水/泡沫两用炮位置:罐体上方车顶安装:带法兰的固定安装喷嘴:水及泡沫联用,带O型喷嘴,无限可调泡沫筒:低倍数泡沫筒,旋转式转动范围:旋转:360°俯仰:-30°至76°流量: 1.0Mpa时2400 L/min射程:水直流射程:65m泡沫直流射程:60m水雾状:约25m宽4.4传动轴结构型式:万向十字节结构,能承受瞬间最大扭矩:3000Nm 材料:优质无缝钢管5. 总模块5.1 警报系统驾驶室顶视觉警报装置:1个1.6m长排爆闪警灯电子警笛:电子公共广播系统,带Wail-Yelp声警笛侧警灯:左右两侧各3组红蓝爆闪灯5.2上装电气电压:24V储物箱照明:每个储物箱LED照明灯。
1 泡沫消防车1、整车技术参数1.1 外形尺寸:10250mm³2500mm³3650mm1.2 满载总质量:26500kg1.3 灭火剂容量:9000kg(水)3000kg(泡沫)1.4 乘员人数:6 人1.5 最高车速:≥90km/h1.6 排放标准:国Ⅳ2、底盘技术参数:2.1 底盘型号:ZZ5347V4347D1 二类底盘2.2 驱动形式:6³42.3 轴距:4325mm+1350mm2.4 发动机型号:D12.38-402.5 缸数:62.6 型式:直列六缸、水冷、四冲程、增压中冷、高压共轨柴油发动机2.7 额定功率:279/2000Kw/rpm2.8 最大扭矩:1650/(1100~1400)N²m/rpm2.9 离合器:单片、干式,带缓冲弹簧3、取力器:3.1 形式:全功率夹心式3.2 润滑方式:飞溅式4、驾驶室:4.1 结构:双排座一体式焊接结构,带专用液压翻转机构。
4.2 座位设置:2+4,其中前排2 座,后排4 座。
后排靠背处设有四个空气呼吸器架。
4.3 设备:驾驶室内加装水泵的取力器开关;警报器及警灯开关等。
5、消防泵及管路系统5.1 消防泵5.1.1 流量:1.0MPa 时60 L/s,2.0MPa 时30L/s5.1.2 引水形式:采用全自动真空泵进行水环式引水5.1.3 吸水深度:7m5.1.4 引水时间:≤40s5.1.5 安装形式:后置式5.2 管路系统5.2.1 进水口:泵房左右两侧各设有1 个Φ125mm 吸水口;1 个带Φ125mm 阀门的进水口,用于与水罐相连接。
5.2.2 注水口:泵房左右两侧各设1 个Φ80mm 的罐注水口。
5.2.3 出水口:泵房左右两侧各设2 个带阀门的Φ80mm 的出水口。
5.2.4 放余水管路:为保护水泵及各球阀,在管路中加装了放余水球阀。
5.2.5 卷盘:在泵房设1 个带枪的中压卷盘。
5.3 泡沫比例混合系统5.3.1 泡沫比例混合器型号:PH645.3.2 泡沫混合比:6%5.4 消防控制系统仪表板装有液位指示器、转速表、压力表、真空表、油门等消防控制设备。
所有开关、仪表板指示说明采用防腐蚀标牌。
6、消防炮6.1 流量:水≥50L/s,泡沫≥48L/s6.2 射程:水≥60m,泡沫≥50m6.3 水平旋转角:360°6.4 俯仰角:-15°~+60°6.5 安装位置:车厢顶部7、液罐7.1 容量:9000kg(水)3000kg(泡沫)7.2 材质:优质碳钢,经高科技防腐处理7.3 结构:内加纵横防荡隔板7.4 型式:外露式7.5 设备:2 个Φ450mm 入口孔,带快速开启锁紧装置;1 个溢流/卸压装置;2 个液位传感器;2 个带阀门的排污口;2 个注水口。
8、车厢、器材厢及泵房8.1 材质:优质钢材、铝合金型材、铝板8.2 结构:车厢外骨架及外蒙皮均为优质钢材,内骨架为高强度铝合金型材,底板为表面经阳极氧化处理的铝合金板。
8.3 器材厢门:采用轻型优质铝合金,带铝合金大幅卷帘门(带拉杆式门把手),启闭灵活、密封性好、噪音低、外形美观、轻便可靠,所有卷帘门均可通用一把钥匙开启。
8.4 内部结构:内骨架采用铝型材搭接技术,能最大限度地提高空间利用率和可变性,充分利用车厢内部有限空间,取放器材方便、牢固。
8.5 车厢后部右侧安装有通往车顶的铝合金安全梯;8.6 车厢顶部进行防滑处理,积水自然下流;9、电器及警示:9.1 车顶前部配置有长排警灯,驾驶室内安装警报器控制盒;9.2 车厢顶后部配置有全方位电控照明灯;9.3 每个器材箱门两侧均安装有条形LED 照明灯带;9.4 车厢两侧上部各配置2 只爆闪灯9.5 其余照明及警示设备符合GA39.5-92 中电气系统的规定和要求10、喷漆10.1 车身颜色:符合GB7258 规定的GB/T3181《漆膜颜色标准》中R03 大红色10.2 车身漆料:车厢表面喷涂进口大红色光面漆10.3 整车标示:可按用户要求进行喷涂11、总体技术描述11.1 所有操作开关、仪表、器材架及车辆均有符合规范的铭牌标志;11.2 整车性能符合GB7956-1998《消防车性能要求及试验方法》的规定。
11.3 液罐质量符合公安部GA39.5-92 的规定。
11.4 整车外观保持一定的平整度,符合GA39.5-92 的规定。
11.5 所有铆接保持一定的密度。
11.6 所有焊接牢固、光洁、平整。
12、随车文件12.1 底盘使用说明书12.2 底盘维修手册12.3 底盘质量保修卡12.4 底盘合格证12.5 发动机号码拓印件12.6 底盘号码拓印件12.7 消防车使用说明书12.8 消防车消防器材清单12.9 消防车合格证12.10 消防车跟踪服务卡12.11 消防车交接清单13、随车器材清单序号型号名称数量规格附注1 16-65-20 水带总成8 盘65³20000mm 卡式接口,16kg 级2 16-80-20 水带总成 4 盘80³20000mm 卡式接口,16kg 级3 吸水管总成4 根125³2000mm 螺纹式接口4 FB450 地上消火栓扳手 1 把450mm5 FB800 地下消火栓扳手 1 把800 mm6 FFS80 三分水器 1 支80³65 mm 卡式接口7 FG600 水带挂钩 4 个600 mm8 FH80 护带桥 2 件80 mm9 FL125 滤水器 1 个125 mm 螺纹式接口10 FP470 水带包布 4 个470 mm11 FS125 吸水管扳手 4 把125 mm12 KJ65/80 异径接口 2 个65³80 内扣式13 KJK65³80Z 异径接口 2 个65(雌)³80(雄)mm 卡式接口14 KJK80³65Z 异径接口 2 个80(雌)³65(雄)mm 卡式接口15 KT125 同型接口 1 个125³100 螺纹式接口2 干粉消防车1、整车技术参数1.1 外形尺寸:8150 ㎜³2500 ㎜³3400 ㎜1.2 满载总质量:14500kg1.3 灭火剂容量:3500kg(干粉)1.4 乘员人数:6 人1.5 最高车速:≥90km/h1.6 排放标准:国四2、底盘技术参数:2.1 底盘型号:EQ1160HD4JG 二类底盘2.2 驱动形式:4³22.3 轴距:4500mm2.4 发动机型号:ISDe185.402.5 缸数:62.6 型式:直列4 冲程,水冷,直喷,增压,中冷型柴油机2.7 额定功率:136/2500kW/rpm2.8 扭矩:700/1200-1700 N²m/rpm2.9 离合器:单片、干式、带气压伺服助力器3、驾驶室:3.1 结构:双排座一体式焊接结构,带专用液压翻转机构。
3.2 座位设置:2+4,其中前排2 座,后排4 座。
后排靠背处设有四个空气呼吸器架。
3.3 设备:驾驶室内加装水泵的取力器开关;警报器及警灯开关等。
4、干粉系统由钢制管路、高压胶管、各种阀门将干粉罐、氮气瓶、干粉炮、干粉卷盘(带枪)等各部连接成一个完整的干粉系统。
4.1 干粉罐4.1.1 材质:Q345R4.1.2 灭火剂量:1750kg(单罐)4.1.3 罐数量:2 个4.1.4 设计压力:1.7MPa4.1.5 工作压力:1.4Mpa4.2 氮气瓶4.2.1 材质:37Mn4.2.2 容量:40L4.2.3 压力:15Mpa4.2.4 数量:12 只4.3 干粉炮4.3.1 型号:PF404.3.2 数量:2 门4.3.3 开启压力:1.4Mpa4.3.4 流量:40kg/s4.3.5 射程:≥40m4.4 干粉卷盘(带干粉枪)4.4.1 数量:2 只4.4.2 喷射率:≥2.5kg/s4.4.3 射程:≥12m4.4.4 卷盘胶管长:40m5、车厢5.1 材质:优质钢材、铝板5.2 结构:车厢外骨架及外蒙皮均为优质钢材,底板为表面经阳极氧化处理的铝合金板。
5.3 厢门:采用轻型优质铝合金,带铝合金大幅卷帘门(带拉杆式门把手),启闭灵活、密封性好、噪音低、外形美观、轻便可靠,所有卷帘门均可通用一把钥匙开启。
5.4 车厢后部右侧安装有通往车顶的铝合金安全梯;5.5 车厢顶部进行防滑处理,积水自然下流;6、电器及警示:6.1 车顶前部配置有长排警灯,驾驶室内安装警报器控制盒;6.2 车厢顶后部配置有全方位电控照明灯;6.3 每个器材箱门两侧均安装有条形LED 照明灯带;6.4 车厢两侧上部各配置2 只爆闪灯6.5 其余照明及警示设备符合GA39.5-92 中电气系统的规定和要求7、喷漆7.1 车身颜色:符合GB7258 规定的GB/T3181《漆膜颜色标准》中R03 大红色7.2 车身漆料:车厢表面喷涂进口大红色光面漆7.3 整车标示:可按用户要求进行喷涂8、总体技术描述8.1 所有操作开关、仪表、器材架及车辆均有符合规范的铭牌标志;8.2 整车性能符合GB7956-1998《消防车性能要求及试验方法》的规定。
8.3 整车外观保持一定的平整度,符合GA39.5-92 的规定。
8.4 所有铆接保持一定的密度。
8.5 所有焊接牢固、光洁、平整。
9、随车文件9.1 底盘使用说明书9.2 底盘维修手册9.3 底盘质量保修卡9.4 底盘合格证9.5 发动机号码拓印件9.6 底盘号码拓印件9.7 消防车使用说明书9.8 消防车消防器材清单9.9 消防车合格证9.10 消防车跟踪服务卡9.11 消防车交接清单3 水罐消防车1、整车技术参数1.1 外形尺寸:7990 ㎜³2490 ㎜³3360 ㎜1.2 满载总质量:14900kg1.3 灭火剂容量:5000kg(水)1.4 乘员人数:6 人1.5 最高车速:≥90km/h1.6 排放标准:国四2、底盘技术参数:2.1 底盘型号:EQ1160HD4JG 二类底盘2.2 驱动形式:4³22.3 轴距:4500mm2.4 发动机型号:ISDe185.402.5 缸数:62.6 型式:直列4 冲程,水冷,直喷,增压,中冷型柴油机2.7 额定功率:136/2500kW/rpm2.8 扭矩:700/1200-1700 N²m/rpm2.9 离合器:单片、干式、带气压伺服助力器3、取力器:3.1 形式:全功率夹心式3.2 润滑方式:飞溅式4、驾驶室:4.1 结构:双排座一体式焊接结构,带专用液压翻转机构。
4.2 座位设置:2+4,其中前排2 座,后排4 座。