FT550 高精度恒流 恒压反馈控制芯片
- 格式:pdf
- 大小:1.44 MB
- 文档页数:11
PT2312B恒压恒流原边反馈转换器概述PT2312B 是一款高性能的AC/DC 功率转换器,可应用于充电器和适配器。
芯片采用原边反馈和控制,无需光耦和TL431即可实现较高的恒压恒流精度。
PT2312B 在恒流工作中采用PFM 控制,在恒压工作中采用PFM/PWM 复合控制。
此外,PT2312B 集成了准谐振开关控制以及输出线缆补偿功能,从而有利于减小开关损耗并简化系统EMI 设计,优化输出特性。
PT2312B 提供软启动,EMI 抖频技术以及多种保护功能,诸如自动重启,逐周期电流限制,VCC 过压欠压保护,采样电阻开路短路保护,过温保护等。
PT2312B 采用SOP-7封装。
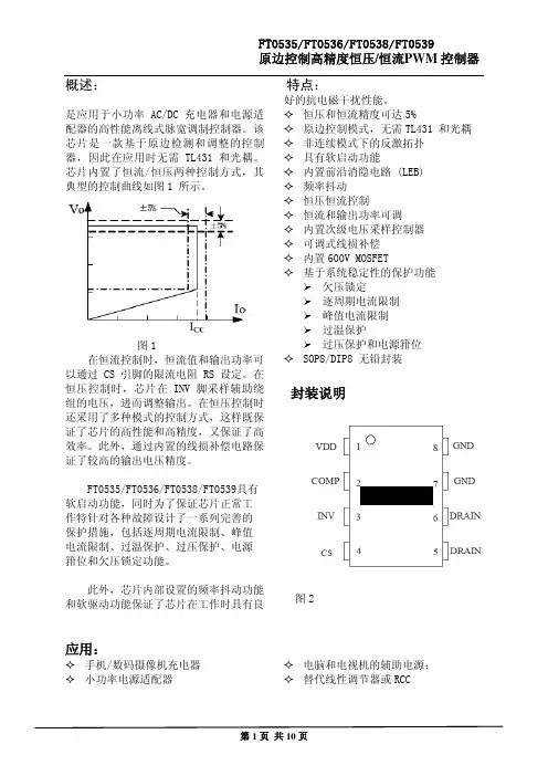
特点● 原边采样和反馈,无需光耦和TL431 ● 在常规输入条件下,5%的恒流恒压精度 ● 准谐振开关控制 ● 抖频技术● 可编程的输出线缆补偿 ● 自适应峰值电流调节 ● 前沿消隐功能(LEB ) ● 逐周期限流功能● VCC 过压欠压保护(UVLO ,OVP ) ● 采样电阻开路、短路保护 ●过温保护(OTP )● 应用● 适配器,充电器等 ● LED 灯 ●辅助供电订购信息典型应用电路T1图1,PT2312B 的典型应用线路PT2312B恒压恒流原边反馈转换器封装及引脚排列7651234FBCRC VCC CSGNDDRAIN SOP-7DRAINPT2312B图2,PT2312B 的封装引脚图(正面)引脚说明极限参数 (注1)注1: 最大极限值是指超出该工作范围,芯片有可能损坏。
推荐工作范围是指在该范围内,器件功能正常,但并不完全保证满足个别性能指标。
电气参数定义了器件在工作范围内并且在保证特定性能指标的测试条件下的直流和交流电参数规范。
对于未给定上下限值的参数,该规范不予保证其精度,但其典型值合理反映了器件性简化模块图CRCGNDCS图3,PT2312B的简化模块图电气参数(无特别说明T A=25˚C, VCC=20.5V)功能描述PT2312B 是一款高性能的AC/DC 功率转换器,可应用于充电器和适配器。
高精度恒流恒压整流电源设计高精度恒流恒压整流电源设计随着科技的不断发展,电子设备在我们日常生活中扮演着越来越重要的角色。
为了保证这些电子设备的正常运行,我们需要为其提供稳定可靠的电源。
在电源设计中,高精度恒流恒压整流电源成为了一种常见的选择。
高精度恒流恒压整流电源的设计目标是提供稳定的电流和电压输出,以满足不同电子设备的需求。
其核心原理是通过反馈控制电路来实现精确的电流和电压调节。
通过对输入电压和输出电流电压进行实时监测和调节,可以确保电源输出的稳定性和可靠性。
设计这种电源的关键是选择合适的电源拓扑和控制策略。
常见的电源拓扑包括线性稳压电源、开关稳压电源和开关电源等。
线性稳压电源具有简单、可靠的优点,适合用于低功率应用。
开关稳压电源具有高效率、小体积的特点,适合用于大功率应用。
根据实际需求和成本考虑,选择合适的拓扑结构。
控制策略方面,常见的有反馈控制和前馈控制两种方式。
反馈控制通过对电源输出进行采样和比较,根据误差信号来调整控制器的输出,使得输出电压和电流达到设定值。
前馈控制则根据输入信号的变化预先调整输出电压和电流,以提高响应速度和稳定性。
在设计过程中,还需要考虑到电源的负载特性和环境因素。
负载特性包括负载电阻、电感和电容等参数的变化对电源稳定性的影响。
环境因素包括温度、湿度和电磁干扰等因素对电源性能的影响。
通过合理的设计和选择合适的元件,可以提高电源的抗干扰能力和稳定性。
高精度恒流恒压整流电源的设计不仅要考虑整体性能,还需要兼顾成本和功耗。
因此,在设计中需要权衡各种因素,选择适合的方案。
总之,高精度恒流恒压整流电源设计是电子设备正常运行的关键之一。
通过选择合适的拓扑结构和控制策略,以及考虑负载特性和环境因素,可以实现稳定可靠的电源输出。
随着科技的不断进步,我们相信高精度恒流恒压整流电源设计将会得到进一步的发展和应用。
DS9135
产品特点
●低启动电流(<8uA)
●集成650V功率MOSFET
●PFM模式原边反馈控制
●内置负载调节补偿
●恒压/恒流工作
●输出短路保护
●FB引脚开路/短路保护
●2ms软启动
●Vcc的过电压保护(OVP)
●内部过温保护(OTP)
●DIP-7封装,外部所需很少器件产品选型功能描述
DS9135是一款PFM模式用于反激式变换器的高性能原边反馈控制器,最大限度的减少了元器件的数量,并采用了微小的DIP-7封装。
这使它成为低成本应用的理想设计。
并且提供了低启动电流、绿色模式省电操作,VCC过压保护、FB引脚异常情况感应,防止电路因异常状态而损坏。
应用领域
●手机充电器
●低功率AC/DC适配器
产品型号封装Rdson
DS9135L DIP-7 3.6Ω
DS9135K DIP-7 2.0Ω
DS9135E DIP-7 1.5Ω
DS9135C DIP-7 1.0Ω
典型应用信息
高精度CC/CV原边控制开关电源芯片
DS9135
Tel: +86 186****2042
1。
FM3783(文件编号:S&CIC1593)低功耗原边反馈开关电源芯片概述FM3783是一款低功耗原边反馈(PSR)开关电源芯片,其内部集成了大功率BJT管,适用于隔离型的高效低功耗便携式设备充电器应用。
FM3783采用独特具有恒流恒压功能的原边反馈控制技术,以及独特的轻载调频技术降低轻载下芯片自身功耗实现高效应用。
FM3783具有输出线损补偿技术,在大电流下保证足够的输出功率。
另外FM3783还集成了过温保护,VCC欠压保护,输出过压保护,C极开路保护等技术。
FM3783采用紧凑的SOP-7封装,便于系统设计布线。
特点集成大功率BJT管高精度恒压恒流控制待机功耗小于75mw输出短路保护输出过压保护输入欠压保护过温保护原边反馈外围元器件少SOP-7封装应用手机等便携式设备的充电器和适配器LED驱动电源其他辅助电源FM3783A适用5V2.1A方案满足六级能效标准FM3783B适用5V2.4A方案满足六级能效标准引脚示意图及说明SOP-7FM3783(文件编号:S&CIC1593)低功耗原边反馈开关电源芯片典型应用电路图典型应用电路图1典型应用电路图2FM3783(文件编号:S&CIC1593)低功耗原边反馈开关电源芯片典型应用电路图3典型应用电路图4FM3783(文件编号:S&CIC1593)低功耗原边反馈开关电源芯片典型应用电路图5注:部分PCB Layout不是很规范的客户原理图建议使用图3、4、5。
极限参数(注1)注1:最大极限值是指超出该工作范围,芯片有可能损坏。
注2:最大允许功耗为P DMAX=(T JMAX-T A)/θJA或是极限范围给出的数字中比较低的那个值。
注3:人体模型(HBM),100pF电容通过1.5KΩ电阻放电。
FM3783(文件编号:S&CIC1593)低功耗原边反馈开关电源芯片电气参数(注4,5,6)(无特别说明情况下,V CC=16V,T A=25℃)注4:电气参数定义了器件在工作范围内并且在保证特定性能指标的测试条件下的直流和交流电参数规范。
大功率led恒流源芯片LED(Light-Emitting Diode)是一种半导体光源,具有高效、节能、寿命长等优点,在照明、显示和信息传输等领域得到广泛应用。
为了驱动高功率LED,需要使用恒流源芯片来提供稳定的电流。
一、大功率LED恒流源芯片的原理大功率LED恒流源芯片的主要原理是通过反馈控制,保持LED电流的恒定。
它通常由一个电流检测电阻、一个比较器和一个功率驱动器组成。
1. 电流检测电阻:将LED串联电路中的电流转化成电压信号。
电流检测电阻的阻值大小直接影响到电流的测量精度。
2. 比较器:将电流检测电阻输出的电压信号与参考电压进行比较,生成一个误差信号。
误差信号表示实际电流与设定电流之间的差异。
3. 功率驱动器:根据比较器输出的误差信号,调整输出电流,使其接近设定电流。
功率驱动器通常采用PWM(脉宽调制)技术,通过调节脉冲宽度来控制输出电流。
二、大功率LED恒流源芯片的特点1. 高精度恒流输出:大功率LED恒流源芯片具有高精度的电流输出能力,能够保持恒定的电流,确保LED的亮度稳定。
2. 宽输入电压范围:大功率LED恒流源芯片通常能够适应宽范围的输入电压,从几伏到几十伏都可以正常工作。
3. 温度保护功能:大功率LED恒流源芯片通常内置了温度保护功能,当芯片温度超过一定阈值时,会降低输出电流,以保护芯片的安全性和寿命。
4. 高效率:大功率LED恒流源芯片通常具有高效率的功率转换能力,能够最大限度地减少能量损耗。
5. 可编程性:一些大功率LED恒流源芯片具有可编程功能,可以通过外部接口进行参数设置和调节,以满足不同应用的需求。
三、大功率LED恒流源芯片的应用大功率LED恒流源芯片广泛应用于以下领域:1. 照明应用:大功率LED恒流源芯片可以驱动高功率LED灯具,用于室内照明、道路照明、景观照明等。
2. 显示应用:大功率LED恒流源芯片可以用于驱动LED显示屏、大屏幕电视等,提供稳定的亮度和色彩效果。
原边控制高精度恒压/恒流PWM驱动器概述CL2107OH是一款性能优异的原边反馈控制器,内部集成了650V的高压功率管,它集成了多种保护功能。
CL2107OH最大限度地减少了系统元件数目并采用SOP7封装,这些使得CL2107OH较好地应用于低成本的设计中。
CL2107OH优化了FB采样机制,可以适用于自动绕线机绕制的变压器。
CL2107OH可用于设计60kHz工作频率的电源系统。
特性◆±3%恒压精度,±3%恒流精度◆原边反馈省去TL431和光耦以降低成本◆适应于自动绕线机绕制变压器◆系统可设计工作频率高达60kHz◆低启动电流:5μA(典型值)◆低工作电流:2mA(典型值)◆可调输出恒定电压、恒定电流及功率◆峰值电流模控制◆补偿变压器电感容差◆补偿电缆压降◆内置频率抖动技术改善EMI◆内置软启动功能◆内置前沿消隐电路(LEB)◆逐周期电流限制◆欠压锁定(UVLO)◆VDD OVP保护功能◆VDD电压钳位功能◆内置650V高压MOSFET功率管应用范围◆手机/无绳电话充电器◆数码相机充电器◆小功率电源适配器◆电脑/电视辅助电源◆替代线性电源CL2107OH采用SOP7封装典型应用ACN AN P N SV OC0GND DRAIN DRAINVDD COMP CSFB1234567CL2107OHRINPUTDC OUTPUT原边控制高精度恒压/恒流PWM 驱动器典型CC/CV 曲线IccIoVo±3%±3%图1打标说明及管脚分布SOP7134567GND DRAIN DRAIN VDDCOMPCSFB CL2107OH YWXXXXX2管脚图 丝印字符 丝印字符说明左示意图CL2107OH芯片型号 Y 年号 W 周号 XXXXX生产批号管脚描述管脚号 管脚名 描述1 VDD 电源。
2 COMP 环路补偿提高恒压稳定性。
3 FB 辅助绕组进行电压反馈端。
连接电阻分压器和辅助绕组反映输出电压。
原边反馈AC-DC控制芯片中的关键技术原边反馈方式的AC/DC控制技术是最近10年间发展起来的新型AC/DC控制技术,与传统的副边反馈的光耦加431的结构相比,其最大的优势在于省去了这两个芯片以及与之配合工作的一组元器件,这样就节省了系统板上的空间,降低了成本并且提高了系统的可靠性。
在手机充电器等成本压力较大的市场,以及LED驱动等对体积要求很高的市场具有广阔的应用前景。
在省去了这些元器件之后,为了实现高精度的恒流/恒压(CC/CV)特性,必然要采用新的技术来监控负载、电源和温度的实时变化以及元器件的同批次容差,这就涉及到初级(原边)调节技术、变压器容差补偿、线缆补偿和EMI优化技术。
初级调节的原理是通过精确采样辅助绕组(NAUX)的电压变化来检测负载变化的信息。
当控制器将MOS管打开时,变压器初级绕组电流ip从0线性上升到ipeak,公式为。
此时能量存储在初级绕组中,当控制器将MOS管关断后,能量通过变压器传递到次级绕组,并经过整流滤波送到输出端VO。
在此期间,输出电压VO 和二极管的正向电压VF 被反射到辅助绕组NAUX,辅助绕组NAUX 上的电压在去磁开始时刻可由公式表示,其中VF是输出整流二极管的正向导通压降,在去磁结束时刻可由公式表示,由此可知,在去磁结束时间点,次级绕组输出电压与辅助绕组具有线性关系,只要采样此点的辅助绕组的电压,并形成由精确参考电压箝位的误差放大器的环路反馈,就可以稳定输出电压VO。
这时的输出电流IO由公式表示,其中VCS是CS脚上的电压,其他参数意义如图1所示。
这是恒压(CV)模式的工作原理。
图1 原边控制应用框图及主要节点波形图。
当负载电流超过电流极限时,负载电流会被箝位在极限电流值,此时系统就进入恒流(CC)模式,这里对IO的公式需要加一个限定条件即,即去磁时间与开关周期的比例保持一个常数,这样在CC模式下的输出电流公式变成了,其中C1是一个小于0.5的常数,VCSLMT是CS引脚限压极限值。
原边反馈AC—DC控制芯片中的关键技术原边反馈方式的AC/DC控制技术是最近10年间发展起来的新型AC/DC控制技术,与传统的副边反馈的光耦加431的结构相比,其最大的优势在于省去了这两个芯片以及与之配合工作的一组元器件,这样就节省了系统板上的空间,降低了成本并且提高了系统的可靠性。
在手机充电器等成本压力较大的市场,以及LED驱动等对体积要求很高的市场具有广阔的应用前景.在省去了这些元器件之后,为了实现高精度的恒流/恒压(CC/CV)特性,必然要采用新的技术来监控负载、电源和温度的实时变化以及元器件的同批次容差,这就涉及到初级(原边)调节技术、变压器容差补偿、线缆补偿和EMI优化技术.初级调节的原理是通过精确采样辅助绕组(NAUX)的电压变化来检测负载变化的信息。
当控制器将MOS管打开时,变压器初级绕组电流ip从0线性上升到ipeak,公式为。
此时能量存储在初级绕组中,当控制器将MOS管关断后,能量通过变压器传递到次级绕组,并经过整流滤波送到输出端VO。
在此期间,输出电压VO 和二极管的正向电压VF 被反射到辅助绕组NAUX,辅助绕组NAUX 上的电压在去磁开始时刻可由公式表示,其中VF是输出整流二极管的正向导通压降,在去磁结束时刻可由公式表示,由此可知,在去磁结束时间点,次级绕组输出电压与辅助绕组具有线性关系,只要采样此点的辅助绕组的电压,并形成由精确参考电压箝位的误差放大器的环路反馈,就可以稳定输出电压VO。
这时的输出电流IO由公式表示,其中VCS是CS脚上的电压,其他参数意义如图1所示。
这是恒压(CV)模式的工作原理.图1 原边控制应用框图及主要节点波形图.当负载电流超过电流极限时,负载电流会被箝位在极限电流值,此时系统就进入恒流(CC)模式,这里对IO的公式需要加一个限定条件即,即去磁时间与开关周期的比例保持一个常数,这样在CC模式下的输出电流公式变成了,其中C1是一个小于0。
5的常数,VCSLMT是CS引脚限压极限值。
一种单线恒流转恒压电能转换电路的制作方法随着能源危机日益严重,节能减排成为社会关注的焦点。
在电能转换电路中,单线恒流转恒压电路因其高效、稳定的特点,受到了广泛的关注。
本文将介绍一种制作单线恒流转恒压电能转换电路的方法,以供大家参考。
一、所需材料准备1.电容器:选用额定电压高于工作电压的电解电容器,以保证安全性和稳定性。
2.电感:选用合适的电感,通常可以选择铁氧体电感或磁性材料制成的电感。
3.稳压管:选用具有稳定电压特性的稳压管,以保证输出电压的稳定性。
4.二极管:选择适合功率的二极管,以保证整个电路的工作效率。
5.电阻:根据实际需求选择合适的电阻,用于限制电流和调节输出电压。
二、电路设计1. 选取合适的主控芯片:根据实际需求选择合适的主控芯片,常见的有LM317、LM337等稳压芯片。
2. 连接电容器和电感:将电容器与电感串联,连接至主控芯片的输入端,用于过滤输入电压并实现电流的稳定输出。
3. 连接稳压管和二极管:将稳压管和二极管串联,连接至主控芯片的输出端,用于稳定输出电压。
4. 添加电阻和调节电压:根据需要,在输出端串联电阻,用于限制电流和调节输出电压。
三、电路测试1. 连接电路:将制作好的电路连接至电源,并通过万用表监测输入电压和输出电压。
2. 调节电压:通过调节电阻或主控芯片上的电压调节引脚,实现输出电压的调节和稳定。
3. 测试稳定性:在不同负载情况下,测试电路的稳定性和效率,确保电路可以稳定、高效地工作。
四、电路优化1. 降低功耗:优化电路布局,减小电阻和二极管的功耗,提高整个电路的效率。
2. 提高稳定性:选择质量较好的电容器和电感,提高整个电路的稳定性和可靠性。
3. 减小体积:优化电路结构,减小元器件的体积,提升电路的集成度和便携性。
五、电路应用1. 新能源领域:将单线恒流转恒压电路应用于太阳能、风能等新能源的电能转换系统中。
2. 电动汽车领域:将单线恒流转恒压电路应用于电动汽车的电池充电管理系统中,实现高效、稳定的电能转换。