(完整版)桩基础计算书
- 格式:doc
- 大小:32.03 KB
- 文档页数:9
地基基础课程设计学生姓名:单兴孙学号:201005024312指导教师:赵少飞所在学院:建筑工程学院专业:土木工程专业2013 年09 月地基基础课程设计任务书(预制桩基础)-—土木B103一、工程概况燕郊某机械厂车间,为单层单跨排架结构,跨度18米,柱距6米,纵向总长度72m,室内外地面高差0.30米。
柱截面500×1000mm.建筑场地地质条件见表A,作用于基础顶面的荷载见表B.表A 建筑场地地质条件注:地下水位在天然地面下2。
5米处表B 上部结构传来荷载注:1、荷载作用于基础顶面,弯矩作用于跨度方向;2、表中给出的是荷载设计值,如需用到荷载标准值,直接把设计值除以1.3即可。
二、题目分配按学号选择表B中相应的荷载,全班地质条件均相同(表A)。
三、设计要求1、设计桩基础(包括桩、承台设计、群桩基础计算等);2、绘制施工图,包括基础平面布置图、承台和桩身详图及必要的施工说明等;(A1图纸594mm×841mm).3、计算书内容应详尽,数据准确,排版规范(按附件的排版规范执行).图纸应符合制图规范相关要求,表达完整、准确.参考设计步骤:1、确定桩的类型、长度(包括确定桩端持力层)、截面尺寸,初步选择承台底面标高(要考虑预制桩的要求);2、按经验公式确定单桩承载力;3、确定桩数及布置;4、群桩基础计算;5、桩身设计;6、承台设计;7、绘制施工图。
目录1 设计资料................................................................................................ 错误!未定义书签。
2 选择桩端持力层、承台埋深................................................................ 错误!未定义书签。
3 确定单桩极限承载力标准值 (2)4 确定桩数和承台尺寸 (3)5 桩顶作用效用验算 (3)6 桩基础沉降验算 (4)6.1 求基底压力和基底附加压力 (4)6。
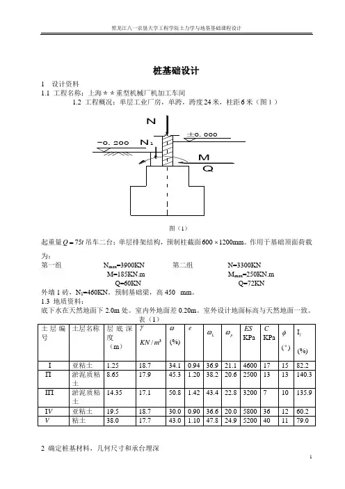
桩基础设计1 设计资料1.1 工程名称:上海**重型机械厂机加工车间1.2 工程概况:单层工业厂房,单跨,跨度24米,柱距6米(图1)-0.200±0.000 NQM N1图(1)起重量75Q t=吊车二台;单层排架结构,预制柱截面600⨯1200mm。
作用于基础顶面荷载为:第一组N max=3900KN 第二组N=3300KNM=185KN.m M max=250KN.mQ=60KN Q=72KN外墙1砖,N1=460KN。
预制基础梁,高450mm。
1.3 地质资料:底下水在天然地面下2.0m处。
室内外地面差0.20m。
室外设计地面标高与天然地面一致。
表(1)土层编号土层名称层底深度(m)γ3/KN mω(%)eLωpωESKPaCKPaφ( )lI(%)I亚粘土 1.25 18.7 34.1 0.94 36.9 21.1 4600 17 15 82.2 ∏淤泥质粘土8.65 17.9 45.3 1.20 38.2 20.6 2500 13 13 140.3 I∏淤泥质粘土14.35 17.1 50.8 1.42 43.4 22.8 3200 7 10 135.9 V I亚粘土19.5 18.7 30.0 0.90 36.6 20.0 5800 36 12 60.2 V粘土38.0 17.7 43.0 1.10 47.8 24.9 5200 40 11 79.0 2 确定桩基材料,几何尺寸和承台埋深桩身采用30C 混凝土,钢筋采用HRB335级钢筋,承台采用20C 混凝土,钢筋采用HPB235,垫层采用10C 素混凝土,100mm 厚。
采用钢筋混凝土预制桩,桩的截面尺寸选用400mm ⨯400mm ,桩基有效长度18.7m ,桩顶嵌入承台0.1米,实际桩长18.8米,桩分为两段,上段长8.8米,下段长10米。
依据地基土的分布:确定第5层土是较合适的的桩端持力层,桩端全截面进入持力层1.0m ,承台埋深1.8米。
基础工程计算书桩基础设计1.1设计资料 1.1.1上部结构资料某教学实验楼,上部结构为七层框架,其框架主梁、次梁、楼板均为现浇整体式,混凝土强度等级为C30。
底层层高3.4m (局部10m ,内有10t 桥式吊车),其余层高3.3m ,底层拄网平面布置及柱底菏载见图2.1。
1.1.2建筑物场地资料拟建建筑场地位于市区内,地势平坦,建筑平面位置见图2.2。
建筑场地位于非地震区,不考虑地震影响。
图2.2建筑物平面位置示意图单位:m场地地下水类型为潜水,地下水位离地表 2.1m,根据已有的分析资料,该场地底下水对混凝土无腐蚀性。
建筑地基的土层分布情况及其各土层的物理、力学指标见表2.1表2.1地基各土层物理、力学指标1.2选择桩型、桩端持力层、承台埋深1.2.1选择桩型因框架跨度大而且极不均匀,柱底荷载大,不宜采用浅基础。
根据施工场地、地基条件以及场地周围的环境条件,选择桩基础。
因钻孔灌注桩水泥排泄不便,为了减小对周围环境的污染,采用静压预制桩,这样可以较好的保证桩身质量,并在较短施工工期完成沉桩任务,同时,当地的施工技术力量、施工设备及材料供应也为采用静压桩提供了可能性。
1.2.2选择桩的几何尺寸及承台埋深依据地基土的分布,第④层土是较合适的桩端持力层。
桩端全断面进入持力层1.0m(>d2),工程桩进土深度为23.1m。
承台底进入第②层土0.3m,所以承台的埋深为2.1m,桩基的有效长度即为21m。
桩截面尺寸选用450m m×450m m,由施工设备要求,桩分为两节,上段长11m,下段长11m(不包括桩尖长度在内),实际桩长比有效桩长大1m,这是考虑持力层可能有一定的起伏以及桩需嵌入承台一定长度而留有的余地。
桩基及土层分布示意图见图2.3. 1.3确定单桩极限承载力标准值本设计属二级建筑桩基,采用经验参数法和静力触探法估算单桩承载力标准值。
根据单桥探头静力触探资料s P 按图1.2确定桩侧极限阻力标准值。
桩基础实例设计计算书桩基础设计计算书⼀:建筑设计资料1、建筑场地⼟层按其成因⼟的特征和⼒学性质的不同⾃上⽽下划分为四层,物理⼒学指标见下表。
勘查期间测得地下⽔混合⽔位深为,地下⽔⽔质分析结果表明,本场地下⽔⽆腐蚀性。
建筑安全等级为2级,已知上部框架结构由柱⼦传来的荷载:V = 3200kN, M=400kN mg,H = 50kN;柱的截⾯尺⼨为:400×400mm;承台底⾯埋深:D =。
2、根据地质资料,以黄⼟粉质粘⼟为桩尖持⼒层,钢筋混凝⼟预制桩断⾯尺⼨为300×300,桩长为3、桩⾝资料:混凝⼟为C30,轴⼼抗压强度设计值fc=15MPa,弯曲强度设计值为fm =,主筋采⽤:4Φ16,强度设计值:fy=310MPa4、承台设计资料:混凝⼟为C30,轴⼼抗压强度设计值为fc=15MPa,弯曲抗压强度设计值为fm=。
、附:1):⼟层主要物理⼒学指标;2):桩静载荷试验曲线。
附表⼀:附表⼆:桩静载荷试验曲线⼆:设计要求:1、单桩竖向承载⼒标准值和设计值的计算;2、确定桩数和桩的平⾯布置图;3、群桩中基桩的受⼒验算4、承台结构设计及验算;5、桩及承台的施⼯图设计:包括桩的平⾯布置图,桩⾝配筋图,承台配筋和必要的施⼯说明;6、需要提交的报告:计算说明书和桩基础施⼯图。
三:桩基础设计(⼀):必要资料准备1、建筑物的类型机规模:住宅楼2、岩⼟⼯程勘察报告:见上页附表3、环境及检测条件:地下⽔⽆腐蚀性,Q —S 曲线见附表(⼆):外部荷载及桩型确定1、柱传来荷载:V = 3200kN 、M = 400kN ?m 、H = 50kN2、桩型确定:1)、由题意选桩为钢筋混凝⼟预制桩;2)、构造尺⼨:桩长L =,截⾯尺⼨:300×300mm 3)、桩⾝:混凝⼟强度 C30、cf=15MPa 、m=4φ16yf=310MPa 4)、承台材料:混凝⼟强度C30、cf=15MPa 、mf=tf=(三):单桩承载⼒确定 1、单桩竖向承载⼒的确定:1)、根据桩⾝材料强度(?=按折减,配筋φ16)2()1.0(150.25300310803.8)586.7pS cyR kNf f AA ?''=+=+?=2)、根据地基基础规范公式计算:1°、桩尖⼟端承载⼒计算:粉质粘⼟,LI=,⼊⼟深度为100800(800)8805pakPa q -=?= 2°、桩侧⼟摩擦⼒:粉质粘⼟层1:1.0LI17~24sakPa q= 取18kPa粉质粘⼟层2:0.60LI= ,24~31sakPa q= 取28kPa28800.340.3(189281)307.2p ippasia Ra kPaqq lA µ=+=?++?=∑3)、根据静载荷试验数据计算:根据静载荷单桩承载⼒试验Q s -曲线,按明显拐点法得单桩极限承载⼒550ukN Q=单桩承载⼒标准值:55027522uk kN QR === 根据以上各种条件下的计算结果,取单桩竖向承载⼒标准值275akN R单桩竖向承载⼒设计值1.2 1.2275330k kN R R ==?=4)、确定桩数和桩的布置:1°、初步假定承台的尺⼨为 223m ? 上部结构传来垂直荷载: 3200V kN = 承台和⼟⾃重: 2(23)20240G kN == 32002401.1 1.111.5330F G n R ++=?=?= 取 12n =根桩距:()()3~43~40.30.9~1.2S d m ==?= 取 1.0S m =2°、承台平⾯尺⼨及柱排列如下图:桩平⾯布置图1:100桩⽴⾯图(四):单桩受⼒验算: 1、单桩所受平均⼒:3200 2.6 3.6220297.912F G N kPa R n ++===<2、单桩所受最⼤及最⼩⼒:()()max max min2240050 1.5 1.5297.960.5 1.5iF G nMx Nx+??+=±=±=??∑3、单桩⽔平承载⼒计算: 150 4.212i H kPa n H === , 3200266.712i V == 4.211266.763.512H V ==<即 i V 与i H 合⼒与i V 的夹⾓⼩于5o∴单桩⽔平承载⼒满⾜要求,不需要进⼀步的验算。
目录1设计任务 (2)1.1设计资料 (2)1.2设计要求 (3)2 桩基持力层,桩型,桩长的确定 (3)3 单桩承载力确定 (3)3.1单桩竖向承载力的确定 (3)4 桩数布置及承台设计 (4)5 复合桩基荷载验算 (6)6 桩身和承台设计 (9)7 沉降计算 (14)8 构造要求及施工要求 (20)8.1预制桩的施工 (20)8.2混凝土预制桩的接桩 (21)8.3凝土预制桩的沉桩 (22)8.4预制桩沉桩对环境的影响分析及防治措施 (23)8.5结论与建议 (25)9 参考文献 (25)一、设计任务书(一)、设计资料1、某地方建筑场地土层按其成因土的特征和力学性质的不同自上而下划分为5层,物理力学指标见下表。
勘查期间测得地下水混合水位深为2.1m,本场地下水无腐蚀性。
建筑安全等级为2级,已知上部框架结构由柱子传来的荷载。
承台底面埋深:D =2.1m。
(二)、设计要求:1、桩基持力层、桩型、承台埋深选择2、确定单桩承载力3、桩数布置及承台设计4、群桩承载力验算5、桩身结构设计和计算6、承台设计计算7、群桩沉降计算8、绘制桩承台施工图二、桩基持力层,桩型,桩长的确定根据设计任务书所提供的资料,分析表明,在柱下荷载作用下,天然地基基础难以满足设计要求,故考虑选用桩基础。
由地基勘查资料,确定选用第四土层黄褐色粉质粘土为桩端持力层。
根据工程请况承台埋深 2.1m,预选钢筋混凝土预制桩断面尺寸为450㎜×450㎜。
桩长21.1m。
三、单桩承载力确定(一)、单桩竖向承载力的确定:1、根据地质条件选择持力层,确定桩的断面尺寸和长度。
根据地质条件以第四层黄褐色粉土夹粉质粘土为持力层,采用截面为450×450mm的预置钢筋混凝土方桩,桩尖进入持力层1.0m;镶入承台0.1m,桩长21.1 m。
承台底部埋深2.1 m。
2、确定单桩竖向承载力标准值Quk可根据经验公式估算:Quk= Qsk+ Qpk=µ∑qsikli+qpkApQ——单桩极限摩阻力标准值(kN)skQ——单桩极限端阻力标准值(kN)pku——桩的横断面周长(m)A——桩的横断面底面积(2m)pL——桩周各层土的厚度(m)iq——桩周第i层土的单位极限摩阻力标准值(a kP)sikq——桩底土的单位极限端阻力标准值(a kP)pk桩周长:µ=450×4=1800mm=1.8m桩横截面积:Ap=0.45²=0.2025㎡桩侧土极限摩擦力标准值qsik:查表得:用经验参数法:粉质粘土层:L I=0.95,取qsk=35kPa淤泥质粉质粘土:qsk=29kPa粉质粘土:L I=0.70,取qsk=55kPa桩端土极限承载力标准值qpk,查表得:qpk=2200 kPa用经验参数法求得Quk1=1.8×(35×8.0+29×12.0+1.0×55) +2200×0.2025=1674.9KN用静力触探法求得Quk2=1.8×(36×8.0+43×12.0+1.0×111) +1784.5×0.2025=2008.4KN3、确定单桩竖向承载力设计值R,并且确定桩数n和桩的布置先不考虑群桩效应,估算单桩竖向承载力设计值R为:R=Qsk/rs+Qpk/rpR——单桩竖向极限承载力设计值,kNQ——单桩总极限侧阻力力标准值,kNskQ——单桩总极限端阻力力标准值,kNpkγ——桩侧阻力分项抗力系数sγ——桩端阻力分项抗力系数p用经验参数法时:查表rs=rp=1.65R1=Qsk/rs+Qpk/rp=1229.4/1.65+445.5/1.65=1015.09KN 用静力触探法时:查表rs=rp=1.60R2=Qsk/rs+Qpk/rp=1647/1.60+361.4/1.60=1255.25KNRz=min(R1,R2)= 1015.09 KN四、桩数布置及承台设计根据设计资料,以轴线⑦为例。
桩基础计算书9第一部分桥梁桩基础设计一、设计题目:桥梁桩基础或沉井基础二、设计资料1.地质与水文资料图1.水文及地基土层分布表1 各层土的物理性质及力学指标2.墩底标高:90.9m3.墩底尺寸:3.5m(纵桥向) 7.0m4.上部为等跨30m的钢筋混凝土预应力桥梁,荷载为纵桥向控制设计。
5.墩底荷载:纵桥向为恒载及一孔活载时ΣN=6800+50n(kN)ΣH=360+5n( kN)(制动力及风力)ΣM=4700kN m(竖直反力偏心距、制动力及风力引起)恒载及二孔活载时ΣN=8000+50n kNn为学生学号(取后三位);三、设计任务(时间:1周)1.选择桩的类型、确定桩数、桩径、桩长、桩的平面布置、桩的配筋、混凝土标号;2.设计承台(承台尺寸、配筋、混凝土标号);3.绘制施工图(桩基础平面、桩及承台剖面、承台配筋、桩身配筋、节点详图)。
4.如果采用沉井基础,试确定沉井的高度、平面尺寸、刃脚和井壁的配筋、混凝土标号,绘制施工图(正面、侧面和平面尺寸,刃脚和井壁的配筋图)。
第一章方案拟定一.桩基础类型的选择1.摩擦桩桩基与端承桩桩基的考虑从任务书中的地质资料分析,河床7米以下的土层为密实砂卵石层,这种土层土质较好且很厚,承载能力较大,可作为持力层,但不适合柱桩的受力特性,端承桩主要指桩底支撑在基岩上的桩,适用于基岩埋深较浅的情况,埋深较大时,如果将桩一直打入基岩层,则桩的长度将很大,既不经济,给施工带来一定的难度,造成施工周期较长,故综合考虑后选择摩擦桩。
2.桩型与成桩工艺该桩基础的施工环境在水下,而钻孔灌注桩因其施工方便,基本避免了水下作业,同时施工速度快、造价低、工艺设备简单,在实际工程中广泛被采用。
灌注桩成孔的方式很多,考虑到冲抓锥更适用于淤泥、粘性土、砂土、砾石、卵石等土层的成孔,且适用孔径为0.6~1.5m,与该处条件基本相符,故综合考虑后选择钻孔灌注桩。
二.桩径的拟定查《公路桥涵地基与基础设计规范》(以下简称《规范》)知,钻孔桩设计直径不宜小于0.8m,且常用尺寸为0.8~3.2m,参照已有工程实例与荷载大小,初步拟定桩的直径为1.2m。
本工程中fak=1000kPa1、当d=1400D=1300时,N max =D 2×3.14×f a /4=1327.321775kN192.422388kN则N =N max -N 1=1134.899388kNQ=1327.321775kNA p ×f c ×Ψc =10991.16677kN所以Q <Ap×fc×Ψc3078.7582mm 2选用钢筋为:16φ16N=16φ=16As=3216.98816 2、当d=1100D=1400时,N max =D 2×3.14×f a /4=1539.3791kN118.791372kN则N =N max -N 1=1420.587728kNQ=1539.3791kNA p ×f c ×Ψc =6785.363162kN所以Q <Ap×fc×Ψc1900.66195mm 2选用钢筋为:13φ14N=13φ=14As=2001.19283 3、当d=1200D=1500时,N max =D 2×3.14×f a /4=1767.144375kN141.37155kN则N =N max -N 1=1625.772825kNQ=1767.144375kNA p ×f c ×Ψc =8075.142936kN所以Q <Ap×fc×Ψc钢筋根数 N 钢筋直径mm 面积 As=N*(Pi*φ^2/4)配筋满足要求假设每根桩长5m,那么桩身自重N1为桩基础计算书桩的承载力计算桩的承载力计算假设每根桩长5m,那么桩身自重N1为桩身强度验算桩身强度验算按构造配筋,最小配筋面积应为配筋满足要求满足规范要求钢筋直径mm 面积 As=N*(Pi*φ^2/4)满足规范要求桩的承载力计算假设每根桩长5m,那么桩身自重N1为桩身强度验算满足规范要求按构造配筋,最小配筋面积应为钢筋根数 N2261.9448mm 2选用钢筋为:15φ14N=15φ=14As=2309.06865 4、当d=1500D=1900时,N max =D 2×3.14×f a /4=2835.284975kN220.893047kN 则N =N max -N 1=2614.391928kNQ=2835.284975kNA p ×f c ×Ψc =12617.41084kN所以Q <Ap×fc×Ψc3534.28875mm 2选用钢筋为:18φ16N=18φ=16As=3619.11168 5、当d=1600D=2000时,N max =D 2×3.14×f a /4=3141.59kN251.3272kN 则N =N max -N 1=2890.2628kNQ=3141.59kNA p ×f c ×Ψc =14355.80966kN所以Q <Ap×fc×Ψc4021.2352mm 2选用钢筋为:21φ16N=21φ=16As=4222.29696桩身强度验算面积 As=N*(Pi*φ^2/4)配筋满足要求满足规范要求按构造配筋,最小配筋面积应为钢筋根数 N 钢筋直径mm 按构造配筋,最小配筋面积应为钢筋根数 N 假设每根桩长5m,那么桩身自重N1为桩身强度验算满足规范要求按构造配筋,最小配筋面积应为钢筋直径mm 桩的承载力计算假设每根桩长5m,那么桩身自重N1为面积 As=N*(Pi*φ^2/4)桩的承载力计算配筋满足要求钢筋根数 N 钢筋直径mm 面积 As=N*(Pi*φ^2/4)配筋满足要求。
目录一、设计资料 (4)二、确定桩的长度和承台埋深 (5)三、确定单桩的竖向承载力 (5)四、轴线选择 (5)五、初步确定桩数及承台尺寸 (5)六、群桩基础中单桩承载力验算 (6)七、确定桩的平面布置 (6)八、承台结构计算 (6)1、桩顶最大竖向力 (6)2、承台受弯验算及承台配筋 (6)3、承台柱下抗冲切验算 (7)4、承台角桩抗冲切验算 (8)5、承台抗剪验算 (9)九、单桩配筋设计和计算 (10)一、设计资料1、地形拟建建筑场地地势平坦,局部堆有建筑垃圾;2、工程地质条件自上而下土层依次如下:号土层:素填土,层厚约1.5m,稍湿,松散,承载力特征值fak=95kPa号土层:淤泥质土,层厚3.3m,流塑,承载力特征值fak=65kPa;号土层:粉砂,层厚6.6m,稍密,承载力特征值fak=110kPa;号土层:粉质黏土,层厚4.2m,湿,可塑,承载力特征值fak=165kPa;号土层:粉砂层,钻孔未穿透,中密-密实,承载力特征值fak=280kPa;3、岩土设计技术参数岩土设计参数如表和表所示.4、水文地质条件1拟建场区地下水对混凝土结构无腐蚀性; 2地下水位深度:位于地表下3.5m;5、场地条件建筑物所处场地抗震设防烈度为7度,场地内无可液化砂土、粉土; 6、上部结构资料拟建建筑物为六层钢筋混凝土结构,长30m,宽9.6m;室外地坪标高同自然地面,室内外高差450mm;柱截面尺寸均为4 00mm×400mm,横向承重,柱网布置如图所示;图柱网布置图7、上部结构作用、水平上部结构作用在柱底的荷载效应标准组合值如表所示,该表中弯矩MK 均为横向方向;上部结构作用在柱底的荷载效应基本组合值如表所示,该表中力VK弯短M、水平力V均为横向方向;8、材料混凝土强度等级为C25~C30,钢筋采用HPB235、HRB335级; 二、确定桩的长度和承台埋深1、 材料信息:柱混凝土强度等级:30C桩、承台混凝土强度等级:30C 2/43.1mm N f t = 钢筋强度等级:235HpB 2/210mm N f y = 钢筋强度等级:335HRB 2/300mm N f y =2、 确定桩的长度及截面尺寸:根据设计资料,选第四层粉质粘土为持力层,进入持力层,承台埋深,桩长12m;截面尺寸选为300mmx300mm;三、确定单桩竖向承载力根据公式根据设计资料,Ap=0.3m=㎡,==1.2m,p四、轴线选择选择第1组轴线B计算,根据设计资料有:柱底荷载效应标准组合值:FK=1765KN,MK=,V=130 KN;柱底荷载效应基本组合值:FK=2630KN,MK=,V=140KN五、初步确定桩数及承台尺寸先假设承台尺寸为2mx2m,厚度为1m,承台及其上土平均容重为30 kN/m3则承台及其上土自重标准值为:Gk==300 kN,根据规范,桩数n需满足:4.39.6653001765x 1.11.1n =+=+=Ra G F k k , 如下图所示:六、群桩基础中单桩承载力验算 按照设计的承台尺寸,计算 Gk= kN,单桩平均竖向力: 符合要求;单桩偏心荷载下最大竖向力:在偏心竖向力作用下,必须有: Qk,max=, 符合要求;七、确定桩的平面布置几何参数:承台边缘至桩中心距 mm C 300= mm D 300= 桩列间距 mm A 2000= 桩行间距 mm B 1000= 承台高度mm H 1000= 桩顶深入承台100 mm,承台下设100mm,强度为C25的混凝土垫层,钢筋保护层取50mm , 承台有效高度h0=850mm承台采用混凝土强度等级为C30,抗拉强度2/43.1mm N f t =, 钢筋采用:335HRB 2/300mm N f y =八、承台结构计算1、在承台结构计算中,相应于荷载效应基本组合设计值为:FK=2630KN,MK=,V=140 KN各桩不计承台及其上土重Gk 部分的净反力Ni 为: Ni=kN n F k 5.6574/2630/== 最大竖向力3、 承台受弯计算及承台配筋:1对Ⅰ-Ⅰ截面,垂直于X 轴方向计算截面处弯矩计算:2606.57958503009.0101.13309.0mm h f M A y ys =⨯⨯⨯== 选用2512φ 25890mm A s =,平行于x 轴布置;2对于Ⅱ-Ⅱ截面,垂直于Y 轴方向计算截面处弯矩计算:2606.14368503009.0105.3949.0mm h f M A y x s =⨯⨯⨯== 选用1214φ 21582mm A s =,平行于y 轴布置.4、 承台柱下抗冲切验算:计算公式:建筑地基基础设计规范JGJ-94——2008 式中:X 方向上自柱边到最近桩边的水平距离:,mm a ox 65.0= X 方向冲垮比:765.085.065.00===h a ox ox λ,X 方向冲切系数:87.0)2.0765.0(84.0)2.0(84.0=+=+=ox ox λβY 方向上自柱边到最近桩边的水平距离: mm a oy 15.0=,Y 方向冲垮比:2.018.085.015.00y <===h a o oy λ,取2.0=oy λ,Y 方向冲切系数:1.2)2.02.0(84.0)2(84.0=+=+=oy oy λβ bc=ac=0.4m,作用于冲切破坏锥体上的冲切力设计值:kN Ni F F l 5.19725.6572630=-=-= 符合要求;4、承台角桩抗冲切验算:计算公式:建筑地基基础设计规范JGJ-94——2008 角桩竖向冲反力设计值:kN N N 5.796m ax 1== 式中:Y 方向上从承台角桩内边缘引 45冲切线于承台顶面相交点至角桩边缘的水平距离当柱或承台变阶处位于该 45线以内时,则取由柱边变阶处与桩内边缘连线为冲切锥体的锥线m a x 65.01=,765.085.065.0011===h a x x λ, 58.0)2.056.011=+=x x λβ;X 方向上从承台角桩内边缘引 45冲切线于承台顶面相交点至角桩边缘的水平距离当柱或承台变阶处位于该 45线以内时,则取由柱边变阶处与桩内边缘连线为冲切锥体的锥线m a y 15.01=,2.018.0011<==h a y y λ取,2.01=y λ抗冲切=0111121)]2()2([h f a c a c t hp x y y x ⋅⋅+++βββ符合要求; 5、承台抗剪验算:计算公式:建筑地基基础设计规范JGJ-94——2008(1) Ⅰ—Ⅰ截面的抗剪验算:765.085.065.001===h a x x λ,02.2)0.1765.075.1)0.1(75.1=+=+=λβ受剪的承载力截面高度影响系数hs β的计算:985.08508008004141=⎪⎭⎫ ⎝⎛=⎪⎪⎭⎫ ⎝⎛=h hs β最大剪力设计值:kN N V l 15935.7962m ax 2=⨯==抗剪切力=kN V kN h b f l t hs 6.16625.241885.0143002.2985.000=>=⨯⨯⨯=ββ 符合要求2Ⅱ-Ⅱ截面的抗剪验算:3.018.085.015.00<===h a y y λ,取3.0=y λ,受剪的承载力截面高度影响系数hs β的计算:985.08508008004141=⎪⎭⎫ ⎝⎛=⎪⎪⎭⎫ ⎝⎛=h hs β 最大剪力设计值:kN Ni V l 13155.65722=⨯==抗剪切力=kN V kN h b f l t hs 13159.418985.06.21430346.1985.000=>=⨯⨯⨯⨯=ββ 符合要求; 九、单桩配筋设计和计算桩身采用C30混凝土,2/1.20mm N f c = 按构造配筋,根据建筑地基基础设计规范JGJ-94——2008,取最小配筋率%:%8.03.03.0=⨯sA 2720mm A s = 采用146φ 2923mm A s =箍筋取200@6φ,局部加密,保护层厚度为30mm.。
1.确定桩的规格根据地质勘察资料,确定第4层粘土为桩端持力层。
采用钢筋混凝土预制桩,桩截面为方桩,为400mm ×400mm ,桩长为22米。
承台埋深1.5米 ,桩顶嵌入承台0.1米,则桩端进持力层2.4米。
2.确定单桩竖向承载力标准值Q 和桩基竖向承载力设计值R查表内插求值得按静力触探法确定单桩竖向极限承载力标准值:p pk i sik pk sk uk A q l q u Q Q Q +=+=∑=4×0.4(24×2.0+14×15+32×2.4)+1600×0.4×0.4=791.68KN取=uk Q 791.68 kNQ 2uk R == 791.62=395kN 3.确定桩数n 及其布置粗估桩数n 为n =F/R=3200/ 395=8.1根取桩数n =9根。
桩距,查表,桩距s=3.0b p =3×0.4=1.2m承台边:a=2×(0.4+1.2)=3.2承台高度h 为1.2m, 桩顶嵌入承台0.1m ,钢筋保护层取150mm ,则h 0=1.2-0.15=1.05m=105mm4.基桩承载力验算∑++=2max max iy x x M n G F N= 3200 3.2 3.2 1.5 20(40050 1.05)1.296 1.2 1.2+⨯⨯⨯+⨯+⨯⨯ = 389+62.8 =451.8kN < 1.2R =1.2×395=474 kN 且nG F N +== 389 < R =395(满足) 5.软弱下卧层承载力验算 由Es1/Es2=3.2/1.9=1.68.z/b=2.5/2>0.5,查表得023θ=。
下卧层顶面处附加应力:()(2tan )(2tan )k c z lb p p p b z l z θθ-=++ 23.2 3.2(342.520 1.5)(3.2230.424)⨯⨯-⨯=+⨯⨯=96.9kpa 下卧层顶面处的自重应力:20 1.518.3(10.387)363.6cz σ=⨯+⨯-⨯=kpa 下卧层承载力:363.614.1/4.5czm KN m d z σγ===+ 75 1.214.1(4.50.5)142.68az f kpa =+⨯⨯-=>96.9kpa z p =(满足) 单桩水平力:1/ 5.6k k H H n kN ==(可以)相应于荷载效应基本组合时作用于桩底的荷载设计值为: 1.35 1.3532004320K F F KN ==⨯=1.35 1.35400540.K M M KN m ==⨯=1.35 1.355067.5K H H KN ==⨯=桩顶竖向设计值:480F N n==KN ()max maxmin 2iM Hh x N N x +=±∑ ()609350254067.5 1.2 1.2480480129.38{4 1.2+⨯⨯=±=±=⨯ 6.承台计算(1) 承台冲切计算:柱对承台的冲切,按下式计算:F 1.35320004320Ii l F N =-=⨯-=∑KN 受冲切承载截面高度影响系数hp β=1冲跨比λ与系数α的计算0000.80.76( 1.0)1.05a h λ===<00.840.880.760.2β==+ ()004b c hp t o a f h ββ⨯+()40.880.40.811100 1.05=⨯⨯+⨯⨯⨯ =4851>Fl角桩向上冲切,110.560.560.5830.20.760.2x βλ===++ ()102/2hp t c a f h ββ+()20.5830.60.8/211100 1.05=⨯+⨯⨯⨯ =1347.5>Nmax=609KN(可以)(2) 承台受剪计算1/408000.93hs h β⎛⎫== ⎪⎝⎭I -I 截面:00.76x λλ==175.1+=λβ=1.75/(0.76+1)=0.994 00h b f t hs ββ=0.93×0.994×1100×3.2×1.05=3416.6 kN >2Nmax=2×609=1218满足要求(3) 承台受弯计算按式计算x 34800.375769.5.i i M N y KN m ==⨯⨯=∑ 60769.5102714.0.90.93001050x s y M A KN m f h ⨯===⨯⨯ 选用1814,=s A 27702mm ,沿x,y 均匀布置。
四桩基础计算书华清家园工程;工程建设地点:武清区新城翠通路西侧;属于结构;地上33层;地下1层;建筑高度:100m;标准层层高:3m ;总建筑面积:11500平方米;总工期:0天。
本工程由投资建设,设计,地质勘察,监理,组织施工;由担任项目经理,担任技术负责人。
本计算书主要依据施工图纸及以下规范及参考文献编制:《塔式起重机设计规范》(GB/T13752-1992)、《地基基础设计规范》(GB50007-2002)、《建筑结构荷载规范》(GB50009-2001)、《建筑安全检查标准》(JGJ59-99)、《混凝土结构设计规范》(GB50010-2002)、《建筑桩基技术规范》(JGJ94-2008)等编制。
一、塔吊的基本参数信息塔吊型号:TQ60/80,塔吊起升高度H:65.000m,塔身宽度B:2.5m,基础埋深D:1.500m,自重F1:852.6kN,基础承台厚度Hc:1.000m,最大起重荷载F2:80kN,基础承台宽度Bc:6.000m,桩钢筋级别:HPB235,桩直径或者方桩边长:0.700m,桩间距a:5m,承台箍筋间距S:200.000mm,承台混凝土的保护层厚度:50mm,承台混凝土强度等级:C35;二、塔吊基础承台顶面的竖向力和弯矩计算塔吊自重(包括压重)F1=852.60kN;塔吊最大起重荷载F2=80.00kN;作用于桩基承台顶面的竖向力F k=F1+F2=932.60kN;风荷载对塔吊基础产生的弯矩计算:M kmax=2188.71kN·m;三、承台弯矩及单桩桩顶竖向力的计算1. 桩顶竖向力的计算依据《建筑桩技术规范》(JGJ94-2008)的第5.1.1条,在实际情况中x、y轴是随机变化的,所以取最不利情况计算。
N ik=(F k+G k)/n±M yk x i/∑x j2±M xk y i/∑y j2;其中 n──单桩个数,n=4;F k──作用于桩基承台顶面的竖向力标准值,F k=932.60kN;G k──桩基承台的自重标准值:G k=25×Bc×Bc×Hc=25×6.00×6.00×1.00=900.00kN;M xk,M yk──承台底面的弯矩标准值,取2188.71kN·m;x i,y i──单桩相对承台中心轴的XY方向距离a/20.5=3.54m;N ik──单桩桩顶竖向力标准值;经计算得到单桩桩顶竖向力标准值最大压力:N kmax=(932.60+900.00)/4+2188.71×3.54/(2×3.542)=767.68kN。
基础工程桩基础设计专业年级姓名学号指导教师二〇二〇年一月中国基础工程课程设计目录一、场地条件及地质资料 (1)二、基础设计资料 (2)三、持力层、桩型、桩长的确定 (2)3.1桩端持力层选择 (2)3.2桩型选择 (3)3.3桩长确定 (3)四、单桩竖向承载力标准值和设计值的计算 (3)五、确定桩数和桩平面布置图; (3)5.1初步估算桩数 (3)5.2初选承台尺寸 (4)六、群桩中基桩受力验算; (4)6.1考虑承台效应确定基桩承载力 (4)6.2单桩承载力验算 (5)七、群桩沉降计算 (5)八、桩身设计及强度验算 (7)8.1桩身设计 (7)8.2桩身强度验算 (8)九、承台设计及强度验算 (9)9.1承台设计 (9)9.2承台正截面抗弯设计 (9)9.3承台受柱冲切计算 (9)9.4角桩向上冲切验算 (10)9.5承台斜截面抗剪计算 (10)9.6承台局部受压计算 (11)十、设计说明 (11)十一、施工说明 (12)11.1静压沉桩施工方案 (12)11.2承台施工 (14)11.3质量保证措施 (17)11.4安全保证措施 (18)11.5环境、水土保护措施 (19)十二、参考文献 (20)一、场地条件及地质资料建筑场地土层按其成因、土的特征和力学性质的不同自上而下划分为 6 层(见图1),物理力学指标见表1,勘查期间测得地下水水位深度为2.0 m,本场地下水无腐蚀性。
建筑安全等级为II 级,已知上部框架结构由柱子传来的荷载,柱截面尺寸为0.5 m×0.5 m。
承台底面埋深D=1.8 m。
设地面高程为0,地下水位高程为-2.0 m。
图- 1场地的地质剖面示意图表1地质资料表二、基础设计资料1、建筑安全等级为二级;2、已知上部框架结构由柱子传来的荷载:轴力,剪力,弯矩,其中H、M沿承台X方向作用。
3、柱子截面尺寸为0.5m×0.5m;4、承台地面埋深D =1.8m;5、地面高程为0,地下水位高程为-2.0m。
桥台桩基础设计计算书路桥073 张金辉一、荷载计算(一)上部构造恒载反力及桥台台身、基础土重的计算该部分的计算列于以下的恒载计算表中。
(弯矩正负规定如下:逆时针方向取“+”,顺时针方向取“-”)该桥台的侧立面图、平面图如图(一)、图(二)所示,在计算桥台混凝土自重时,将其分为11块分别进行计算,最后将其求和累加.上部构造恒载计算:上部构造恒载=边梁重量+中梁重量+桥面铺装重量= 15*19.94*10.28+2*19.94*10.72+3。
5*(12+5。
5)*19。
94= 4723.587 KN距离承台底形心轴的距离= 1.48 m对承台底形心轴的弯矩为:Mx=—21*4723.587*1。
48=—3495。
454 KN·m图(二)恒载计算表序号计算式竖直力对基底中心轴偏心弯矩10.75×0.3×2.5×2514。
0630.5×2。
5+0.1+2=3。
3547。
11120。
5×2。
5×1.37×0。
3×0。
512。
84431×2。
5+0.1+2=2.93337.67130。
3×0.3×(1.75+5。
5×3+1.74)×2544.9780.15+0。
1+2=2。
25101。
20140。
5×0。
3×0.3×(1.75+5.5×3+1。
74)×2522.48931×0.3+0。
1+2=2.249。
4765 1.02×0.35×(0。
3+1。
75+5。
5×3+1。
181.082+0.1—0.5×0.35=1.925348.59(二) 土压力计算根据《公路桥涵设计通用规范》,取台背与填土间的摩擦角δ= 。
土压力按台背竖直(ε=0),回填土为两层: 0~1。
5m 采用天然级配砂砾回填=40°,ε=0,δ= =20°,β=0,;下部分采用原土碾压回填=16° , c=30° ,;根据土压力相等的概念来计算1。
目录一.作用效应组合 (2)(一)、恒载计算 (2)(二)、活载反力计算 (3)(三)、人群荷载 (3)(四)、汽车制动力计算 (4)(五)、支座摩阻力 (4)(六)、荷载组合计算 (4)二.确定桩长 (6)三.桩基强度验算 (7)(一)、桩的内力计算 (7)(二)桩身材料截面强度验算 (11)四.桩顶纵向水平位移验算 (13)五.横系梁设计 (14)六.桩柱配筋 (14)七.裂缝宽度验算 (14)桥墩桩基础设计计算书一. 作用效应组合(一)恒载计算1、盖梁自重 )1(G =25⨯0.5⨯0.33⨯1.4=5.775 KN)2(G =(0.9+1.5)⨯2.075/2⨯25⨯1.4=87.15 KN)3(G =(0.25+1.2+5.8+1.2+5.8+1.2+0.25)⨯25⨯1.5⨯1.4=824.25KN )4(G =0.33⨯0.5⨯25⨯1.4=5.775 KN)5(G =(0.9+1.5)⨯2.065/2⨯25⨯1.4=86.73 KN1G =)1(G +)2(G +)3(G +)4(G +)5(G =1009.68 KN2、桥墩自重:2G =)]633.6738.6843.6(412.1[252++⨯⨯⨯⨯π=KN 54.5713.系梁自重:3G =253145.128.01)215.08.5(252⨯⨯⨯⨯+⨯⨯⨯⨯-⨯π=KN 54.3524.上部恒载:各梁恒载反力表 表一边梁自重:)1(G =2⨯12.54⨯19.94=500.10KN 中辆自重:)2(G =10.28⨯19.94⨯15=3074.75KN 一孔上部铺装自重:)3(G =3.5⨯19.94⨯17.5=1221.33KN 一孔上部恒载:4G =)1(G +)2(G +)3(G =4796.18KN 综上可得恒载为:G=1G +2G +3G +4G =6729.94KN(二)支座活载反力计算 1. 汽车荷载(1)一跨活载反力查规范三车道横向折减系数取0.78,根据规范的跨径在五米和五十米之内均布荷载标准值应该采用直线内插法180360180--x 4515= 解得x =237.84 故P K=237.84KN在桥跨上的车道荷载布置如图排列,均布荷载q k =10.5KN/m 满跨布置,集中荷载P K=237.84KN 布置在最大影响线峰值处,反力影响线的纵距分别为: h 1=1.0, h 2=0.0hh 1支座反力: KN l q P N k k 61.79578.03)2205.1084.237(78.03)2(6=⨯⨯⨯+=⨯⨯⨯+= 支座反力作用点离基底形心轴的距离:e a =(20-19.46)/2=0.27m由1N 引起的弯矩:KN M 81.21427.061.7951=⨯=(1) 两跨活载反力 支座反力: KN lq P N k k 68.103478.03)46.195.1084.237(78.03)22(2=⨯⨯⨯+=⨯⨯⨯⨯+= 由2N 产生的弯矩:m KN M .36.27927.068.10342=⨯= 2.行人荷载布置在5.5米人行道上,产生竖直方向力。
桩基础计算报告书计算人校对人:审核人:计算工具:PKPM软件开发单位:中国建筑科学研究院设计单位:灌注桩计算说明书1.支架计算组件钢结构支架要在37m/s(基本风压0.85KN/m2)的风载作用下正常使用,应使其主要构件满足强度要求、稳定性要求,即横梁、斜梁、斜撑、拉杆、立柱在风载作用下不失稳且立柱弯曲强度满足要求。
组件自重19.5kg。
支架计算最大柱底反力:Fx max=5.6KN,F max=0.9KN,Fz ax=12.1KNFx min = -6.9KN, Fy min= -0.9KN,F min= -7.29KN2.灌注桩设计2.1基桩设计参数成桩工艺:干作业钻孔桩承载力设计参数取值:根据建筑桩基规范查表孔口标高0.00 m桩顶标高0.30 m桩身设计直径:d = 0.25m桩身长度:I = 1.60 m根据《建筑地基基础设计规范》GB50007-2011,设计使用年限不少于50年时,灌注桩的混凝土强度不应低于C25;所以本次设计中混凝土强度选用C25o灌注桩纵向钢筋的配置为3跟根①6,箍筋采用①4钢筋,箍筋间距选择300~400。
2.2岩土设计参数2.3设计依据《建筑桩基技术规范》(JGJ 94-2008)以下简称桩基规范 《建筑地基基础设计规范》 GB50007-2011 《混凝土结构设计规范》GB50010-2010 《建筑结构载荷规范》GB50009-2012 《钢结构设计规范》GB50017-2003《混凝土结构工程施工质量验收规范》 GB50204-2002( 2011年版) 《钢结构工程施工质量验收规范》 GB50205-2001 2.4单桩竖向承载力估算当根据土的物理指标与承载力参数之间的经验关系确定单桩竖向极限承载 力标准值时,宜按下式估算:式中一一桩侧第i 层土的极限阻力标准值,按 JGJ94-2008中表535-1取值, 吐鲁番当地土质为角砾,属中密-密实状土层,查表得出干作业钻 孔桩的极限侧阻力标准值为135~150;――极限端阻力标准值,按 JGJ94-2008中表535-2取值,吐鲁番当地土质为 角砾,属中密-密实状土层,查表得出干作业钻孔桩的极限端阻力 标准值为4000~5500;卩 -- 桩身周长; ――桩周第i 层土的厚度; ――桩端面积。
完整版)桩基础设计计算书设计任务书设计要求:1.确定桩基持力层、桩型、桩长;2.确定单桩承载力;3.确定桩数布置及承台设计;4.进行复合桩基荷载验算;5.进行桩身和承台设计;6.进行沉降计算;7.确定构造要求及施工要求。
设计资料:场地土层自上而下划分为5层,勘查期间测得地下水混合水位深为2.1m,建筑安全等级为2级,已知上部框架结构由柱子传来的荷载,承台底面埋深为2.1m。
桩基持力层、桩型、桩长的确定:根据场地的土层特征和勘查数据,确定了桩基持力层、桩型和桩长。
单桩承载力确定:通过计算,确定了单桩竖向承载力。
桩数布置及承台设计:根据单桩承载力和建筑荷载,确定了桩数布置和承台设计方案。
复合桩基荷载验算:进行了复合桩基荷载验算,确保了基础的稳定性和安全性。
桩身和承台设计:根据桩基的荷载情况,进行了桩身和承台的设计。
沉降计算:进行了沉降计算,确保了基础的稳定性和安全性。
构造要求及施工要求:确定了基础的构造要求和施工要求,确保施工的质量和安全。
预制桩的施工、混凝土预制桩的接桩、凝土预制桩的沉桩、预制桩沉桩对环境的影响分析及防治措施:详细介绍了预制桩的施工、混凝土预制桩的接桩、凝土预制桩的沉桩、预制桩沉桩对环境的影响分析及防治措施。
结论与建议:总结了本次基础设计的主要内容,并提出了建议。
参考文献:列出了本次设计中所使用的参考文献。
根据设计任务书提供的资料,分析表明在柱下荷载作用下,天然地基基础难以满足设计要求,因此考虑采用桩基础。
经过地基勘查,确定选用第四土层黄褐色粉质粘土为桩端持力层。
同时,根据工程情况,承台埋深为2.1m,预选钢筋混凝土预制桩断面尺寸为45㎜×45㎜,桩长为21.1m。
为了确定单桩承载力,首先需要根据地质条件选择持力层,确定桩的断面尺寸和长度。
在本工程中,采用截面为450×450mm的预置钢筋混凝土方桩,桩尖进入持力层1.0m,镶入承台0.1m,承台底部埋深2.1m。
桩基础计算报告书计算人校对人:审核人:计算工具:PKPM软件开发单位:中国建筑科学研究院设计单位:灌注桩计算说明书1.支架计算组件钢结构支架要在37m/s(基本风压0.85KN/m2)的风载作用下正常使用,应使其主要构件满足强度要求、稳定性要求,即横梁、斜梁、斜撑、拉杆、立柱在风载作用下不失稳且立柱弯曲强度满足要求。
组件自重19.5kg。
支架计算最大柱底反力:Fx max=5.6KN,Fy max=0.9KN,Fz max=12.1KNFx min= -6.9KN, Fy min= -0.9KN,Fz min= -7.29KN2.灌注桩设计2.1基桩设计参数成桩工艺: 干作业钻孔桩承载力设计参数取值: 根据建筑桩基规范查表孔口标高0.00 m桩顶标高0.30 m桩身设计直径: d = 0.25m桩身长度: l = 1.60 m根据《建筑地基基础设计规范》GB50007-2011,设计使用年限不少于50年时,灌注桩的混凝土强度不应低于C25;所以本次设计中混凝土强度选用C25。
灌注桩纵向钢筋的配置为3跟根Ф6,箍筋采用Ф4钢筋,箍筋间距选择300~400。
2.2岩土设计参数2.3设计依据《建筑桩基技术规范》(JGJ 94-2008) 以下简称桩基规范 《建筑地基基础设计规范》GB50007-2011 《混凝土结构设计规范》GB50010-2010 《建筑结构载荷规范》GB50009-2012 《钢结构设计规范》GB50017-2003《混凝土结构工程施工质量验收规范》GB50204-2002(2011年版) 《钢结构工程施工质量验收规范》GB50205-2001 2.4单桩竖向承载力估算当根据土的物理指标与承载力参数之间的经验关系确定单桩竖向极限承载力标准值时,宜按下式估算:式中——桩侧第i 层土的极限阻力标准值,按JGJ94-2008中表5.3.5-1取值,吐鲁番当地土质为角砾,属中密-密实状土层,查表得出干作业钻孔桩的极限侧阻力标准值为135~150;——极限端阻力标准值,按JGJ94-2008中表5.3.5-2取值,吐鲁番当地土质为角砾,属中密-密实状土层,查表得出干作业钻孔桩的极限端阻力标准值为4000~5500;μ——桩身周长; ——桩周第i 层土的厚度; ——桩端面积。
1)计算参数表2)桩身周长u、桩端面积A p计算u = π × 0.25 = 0.79 mA p = π × 0.252 / 4 = 0.049 m23)单桩竖向抗压承载力估算根据桩基规范5.2.8采用公式如下Q uk = Q sk + Q pk土的总极限侧阻力标准值为:Q sk = u∑q sik l i = 0.79 × (120 × 2.00) = 189.6kN总极限端阻力标准值为:Q pk = q pk A p = 0.049× 4106 =201.2kN单桩竖向极限承载力标准值为:Q uk = Q sk + Q pk = 189.6+201.2=390.8kN单桩竖向承载力特征值R a计算,根据基础规范附录Q条文Q.0.10第7条规定R a = Q uk/2 = 390.8/ 2 = 195.4kN2.5单桩水平承载力计算灌注桩配筋率为0.50 % < 0.65 %, 所以单桩水平承载力设计值按"桩基规范"式(5.4.2-1)估算:R h = αγm f t W0νm(1.25 + 22ρg)(1 ±ζN Nγm f t A n)上式中:R h ---- 单桩水平承载力设计值γm ---- 桩截面模量塑性系数, 圆形截面γm = 2f t ---- 桩身混凝土抗拉强度设计值, C25混凝土, f t = 1430 kN/m2ρg ---- 桩身配筋率, 该桩为0.50 %νm ---- 桩身最大弯矩系数α ---- 桩的水平变形系数α = 5mbEI上式中:m ---- 地基土水平抗力系数的比例系数桩基侧面主要影响深度h m = 2(d + 1) = 2 × (0.25 + 1) = 2.44m范围内土层数n = 1m = 20b0 ---- 桩身计算宽度, 圆形截面, b0 = 0.9(1.5d + 0.5) = 0.9 × (1.5 × 0.25 + 0.5) = 0.747mEI ---- 桩身抗弯刚度, EI = 0.85E c I0E c ---- 混凝土弹性模量, C25, E c = 3.00 × 104N/mm2 = 3.00 × 107kN/m2I0 ---- 桩身换算截面惯性矩, I0 = W0d/2W0 ---- 桩身换算截面受拉边缘的截面模量, 圆形截面W0为:W0 = πd32[d2 + 2(αE - 1)ρg d02]其中:d0 ---- 扣除保护层的桩直径, d0 = d - 2a s = 0.18mαE ---- 钢筋弹性模量与混凝土弹性模量比值αE = E sE c=2.0× 1053.00 × 104= 6.67W0 = π × 0.2532× [0.252 + 2 × (6.67 - 1) × 0.00500 × 0.182] = 0.0016m3I0 = W0d/2 = 0.0016 × 0.250 /2 = 0.000 m4EI = 0.85E c I0 = 0.85 × 3.00 × 107 × 0.000 = 0.001 × 107 kN·m2α = 5mbEI=520.00 × 103 × 0.790.001 × 107=53.129 = 1.2563αh = 1.2563 × 2.0000 = 2.5126查"桩基规范"表5.4.2, 当桩顶铰接、自由时得νm = 0.639, νx = 3.163A n为桩身换算面积, A n = πd24[1 + (αE - 1)ρg]A n = π × 0.2524× [1 + (6.67 - 1) × 0.01] = 0.05m2ζN为桩顶竖向力影响系数, 竖向压力, ζN = 0.5 所以, 单桩水平承载力设计值为:R h = αγm f t W 0νm (1.25 + 22ρg )(1 + ζN Nγm f t A n) =1.256 ×2.00 × 1430.00 × 0.0020.64× (1.25 + 22 × 0.00500) × (1 + 0.50 × 100.002.00 × 1430.00 × 0.05 ) =8.88 × 1.36 × 1.35= 16.26 kN验算桩的水平承载力 由"桩基规范"式5.1.1-3验算 H 1 = H n其中H = max(V x ,V y ) =7.00 kNV x --作用于承台底面通过桩群形心x 轴的剪力设计值,V x =7.00 kN V y --作用于承台底面通过桩群形心y 轴的剪力设计值,V y = 1.00 kN 桩数: n = 1 H1=7/1=7KNγ0H 1 = 1.00 ×7.00 = 7.00 kN ≤R h = 12.1kN满足要求!2.6抗拔承载力验算 最不利布置情况一:承受拔力的桩基,应按下列公式同时验算群桩基础呈整体破坏和呈非整体破坏时基桩的抗拔承载力:/2k gk gp N T G <+/2k uk pN T G <+式中kN ——按荷载效应标准组合计算的基桩拔力;gkT ——群桩呈整体破坏时基桩的抗拔极限承载力标准值,可按桩基规范5.4.6确定;ukT ——群桩呈非整体破坏时基桩的抗拔极限承载力标准值,可按桩基规范5.4.6确定;gpG ——群桩基础所包围体积的桩土总自重除以总桩数,地下水位以下取浮重度;pG ——基桩自重,地下水位以下取浮重度,对于扩底桩应按桩基规范表5.4.6-1确定桩、土柱体周长,计算桩、土自重。
(1) 群桩呈非整体破坏时, 基桩的抗拔极限承载力标准值按以下式计算: q sik uk i i T u l =式中:T uk --基桩抗拔极限承载里标准值 u i -- 破坏表面周长, 取u = πd ;q sik -- 桩侧表面第i 层土的抗压极限侧阻力标准值;λi -- 抗拔系数;(2) 群桩呈整体破坏时, 基桩的抗拔极限承载力标准值按以下式计算:u l -- 桩群外围周长; N --基桩上拔力设计值(kN) n = 1G = A e γG l - A e γw l w = 1.00 × 20.0 × 2.00 - 1.00 × 10.0 × 2.00 = 40.00 -20.00 = 20.00 kNG gp = 20.00 / 1 = 20.00 kNG p = 0.05 × 2.00 × 15.0 = 1.47 kNq sk =0.5×120×0.79×2=94.8kN/m u l = 3.00 mq sik =3×0.5×120×2=120kN/mγ0N i = 0.00 ≤U gk / γs + G gp = 20.00群桩满足要求!最不利布置情况二:风荷载产生的单桩抗拔力Fw=3.32X2.6X0.85X1.4X2.0X0.5Xcos39=7.983KNP抗拔力=3根1级圆钢6mm直径能承受3*270*28.3=22.923KN P抗拔力>Fw故配3根一级圆钢6mm直径能满足结构安全要求。
桩基满足要求!。