西门子阀门定位器故障分析解答
- 格式:ppt
- 大小:288.50 KB
- 文档页数:12
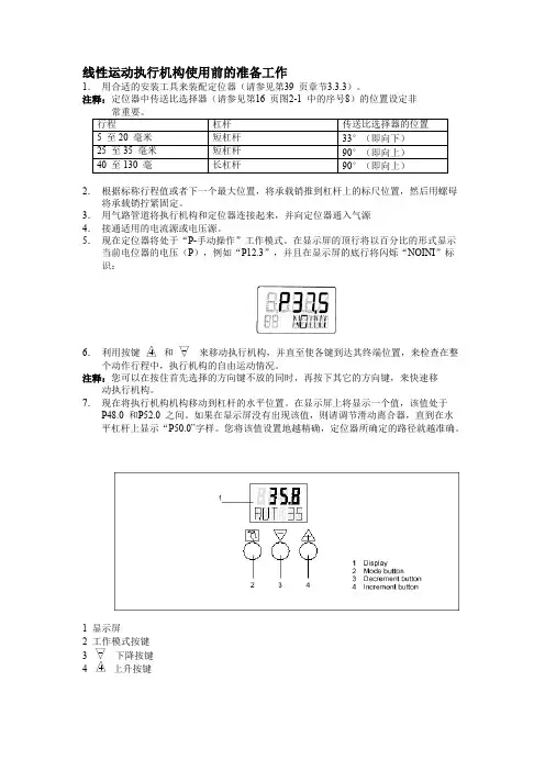
智能阀门定位器(SIPART PS2)一、气源:气源要求:1.4~4bar二、直行程执行器调试准备:1、用相应的安装配件安装定位器。
2、用气动管缆连接定位器与执行机构,给定位器提供气源。
3、连接相应的电流或电压源。
4、现在定位器处于“P manual”方式,在显示屏上一行显示当前电位计的百分比电压值(P),显示屏下行“NOINI”在闪烁。
5、通过“增加键”和“减少键”移动执行机构达到每一个最终位置,来检查机械装置是否可在全部调整范围内自由移动,即显示P5.0~P95.0的允许范围之间。
如果不是,利用调节轮和反馈杆长度调节PS2的零点和量程。
(调节轮调整相当零点调整,反馈杆长度调整相当量程调整)6、现在移动执行器,使杆达到水平位置,显示一个介于P48.0到P52.0之间的值,如果不是这种情况,调整摩擦夹紧单元,直到杆水平显示“P50.0”。
三、直行程执行机构的自动初始化正确移动执行机构。
离开中心位置,开始初始化。
1、按下“方式键”5秒以上,进入组态方式,进入到第一参数,选择执行器类型,2、短按“方式键”切换到第二参数,根据冲程选择参数,即比率开关位置。
或3、按“方式键”进入到下一参数如果你希望在初始化阶段完成后,计算的整个冲程量用mm表示,这一步必须设置为此,你需要屏上选择与刻度杆上驱动钉设定值相同的值。
4、按“方式键”进入下一参数,然后按”增加键”超过5秒,初始化开始,初始化进行时,“RUN1”至“RUN5”一个接一个出现于显示屏下行,初始化过程依据执行机构,可持续15分钟,当显示时初始化完成。
5、短按“方式键”,出现“INITA”,再按“方式键”超过5秒退出组态方式。
松开“方式键”时,处于手动方式,再短按“方式键”进入自动方式。
注:如使用手动初始化,则RUN2由手动完成,其余各步骤均相同。
四、角行程执行机构调试准备1、用相应的安装配件安装定位器。
2、用气动管缆连接定位器与执行机构,给定位器提供气源。
PS2阀门定位器简明操作指南准备:1.按照操作说明书将PS2与阀门连接.2.检查并确认电路和气路的连接.3.通电(4—20mA电流供电).4.禁止电压供电.初始化没有经过初始化的定位器,接入电流信号后,LCD屏幕右下方出现闪烁细体“NOINI”字母.此时按上升键或下降键可以使执行机构动作,LCD屏幕能显示粗黑字体Pxx.x。
在没有做初始化前,首先要做到按上升键使阀杆上升到最高,LCD屏幕显示的数值大约在P85~95% 之间,按下降键;使阀杆下降到最低,LCD屏幕显示的数值大约在P5~10%之间,在中间的过程中不能出现P---.--情况,否则需要做一系列的调整。
以直行程调节阀为例: 调节阀杠杆行程<20 mm (阀门开度), 气开阀. 叙说如下;选择反馈角度33°、量程<=20 mm 和90°、量程>=20 mm,分别利用调节轮和反馈杆长度调整PS2的零点和量程。
PS2定位器与阀体固定前,先将反馈杠杆支点调整并固定在反馈杆上刻有33°、15 、20 一侧的20位置左右,U形定位槽与反馈支点配合使用,并与阀体固定.⑴确定定位器内的33°/90°切换开关置于33°位置,互锁齿轮置于33°(黄颜色)(可参阅与定位器一起提供的资料)。
参见图1.⑵通电、通气后, 按手键(组态键)>5秒,则会出现1. YFCT 上方黑体显示WAY、再按一下出现2.YAGL,上方黑体显示33°,每按一下出现下一个新的参数值。
需要给定位器内的程序赋值;参数1设置在WAY, 参数2 设置在33°, 参数3设置在20 mm。
a. 将一字螺丝刀(4mm宽)插入黄颜色轮夹紧轮齿轮状部件内部,向右拨动,松开夹紧装置,向左或者向右转动耦合调节轮,阀杆位移指针指向阀位刻度0%左右时, (与下降键配合使用),使量程下限(液晶显示)在5%~10%左右,并记录其数值为P1。
阀门定位器及调节阀日常故障和判断智能阀门定位器在石油化工装置自动化控制系统中的应用在石油化工装置自动化控制系统中,调节阀的选用对精度而言至关重要,它的使用情况影响到产品质量,并关系到装置安全生产。
独山子乙烯厂各装置使用的调节阀包括各个厂家多种类型的产品。
但绝大多数调节阀安装的是普通类型阀门定位器。
现在独山子乙烯厂使用了美国FISHER-ROSEMOUNT公司生产的FIELDVUE智能阀门定位器,经过一年多的运行,与普通阀门定位器的性能、使用情况、性能价格比等方面进行了比较类型配用普通定位器的调节阀配用智能定位器的调节阀基本误差小于全行程的20% 小于全行程的0.5%阀门稳定性稳定极其稳定调校在现场手动调校通过校验仪在现场、机柜或与DCS通讯调校信号源4~20mA或气动信号模拟信号或数字信号性能/价格比低高PID操作无有通讯无HART协议1 FIELDVUE智能阀门定位器的工作原理和特性1.1 智能定位器原理FIELDVUE系列数字式阀门控制器有一个独立的模块基座,它可以很方便地在现场更换而不必拆现场的导线或导管。
这个模块基座包括一些子模块:I/P转换器;PWB (印刷电路板)组件;气动中继器;指示表。
模块基座可以通过换子模块而重新组合。
FIELDVUE系列数字式阀门控制器通过进入端子盒的一对双绞线接受输入信号和电能,输入信号同时到PWB组件子模块,在那里它被附加许多参数,例如多段折线性化中的节点坐标,极限值和其他数值。
然后PWB组件子模块送信号给I/P转换器子模块。
I/P转换器转变输入信号成为气压信号。
该气压信号送到气动中继器,加以放大并作为输出信号送到执行机构。
该输出信号也可以被安置在PWB组件子模块上的压力敏感元件所感受。
用于阀门执行机构的诊断信息。
阀门和执行机构的阀杆位置当作输入信号引入PWB子模块,用作数字式阀门控制器的反馈信号,数字式阀门控制器上也可以配备指示表,指示气源压力和输出压力。
电气阀门定位器1简介电气阀门定位器(又称:气动阀门定位器)是调节阀的主要附件,通常与气动调节阀配套使用,它接受调节器的输阀门定位器出信号,然后以它的输出信号去控制气动调节阀,当调节阀动作后,阀杆的位移又通过机械装置反馈到阀门定位器,阀位状况通过电信号传给上位系统。
2工作原理电气阀门定位器是控制阀的主要附件.它将阀杆位移信号作为输入的反馈测量信号,以控制器输出信号作为设定信号,进行比较,当两者有偏差时,改变其到执行机构的输出信号,使执行机构动作,建立了阀杆位移倍与控制器输出信号之间的一一对应关系。
因此,阀门定位器组成以阀杆位移为测量信号,以控制器输出为设定信号的反馈控制系统。
该控制系统的操纵变量是阀门定位器去执行机构的输出信号.3分类阀门定位器按输入信号分为气动阀门定位器、电气阀门定位器和智能阀门定位器。
气动阀门定位器的输入信号是标准气信号,例如,20~100kPa气信号,其输出信号也是标准的气信号。
电气阀门定位器的输入信号是标准电流或电压信号,例如,4~20mA电流信号或1~5V电压信号等,在电气阀门定位器内部将电信号转换为电磁力,然后输出气信号到拨动控制阀。
智能电气阀门定位器它将控制室输出的电流信号转换成驱动调节阀的气信号,根据调节阀工作时阀杆摩擦力,抵消介质压力波动而产生的不平衡力,使阀门开度对应于控制室输出的电流信号。
并且可以进行智能组态设置相应的参数,达到改善控制阀性能的目的。
按动作的方向可分为单向阀门定位器和双向阀门定位器。
单向阀门定位器用于活塞式执行机构时,阀门定位器只有一个方向起作用,双向阀门定位器作用在活塞式执行机构气缸的两侧,在两个方向起作用。
按阀门定位器输出和输入信号的增益符号分为正作用阀门定位器和反作用阀门定位器。
正作用阀门定位器的输入信号增加时,输出信号也增加,因此,增益为正。
反作用阀门定位器的输入信号增加时,输出信号减小,因此,增益为负. 按阀门定位器输入信号是模拟信号或数字信号,可分为普通阀门定位器和现场总线电气阀门定位器。
调节阀及电气阀门定位器的试验及故障分析张荣天俱时电议试验中心摘要:介绍了在石油化工装置中应用的气动调节阀检查试验内容,对国内外试验要求的不同进行对比。
同时结合实际工作中的经验,对调节阀试验和电气阀门定位器试验中常见的故障及解决办法做了简要的总结。
关键字:调节阀灵敏度电气阀门定位器1前言调节阀是石油化工行业中应用最多的仪表之一,它安装在工艺管道上。
调节阀响应外部输入信号,并与其成比例的方式,使阀杆移动至对应位置,通过改变阀芯与阀座之间的间隙,达到控制流量的目的,从而控制系统的压力、温度和液位等。
根据中华人民共和国国家标准《自动化仪表工程施工及验收规范)GB50093-2002“仪表试验”中11.1.1规定“仪表在安装和使用前,应进行检查、校准和试验,确认符合设计文件要求以及产品技术文件所规定的技术性能”和11.1.8条“仪表校准和试验的条件、项目、方法应符合产品技术文件的规定和设计文件要求”。
调节阀性能的好坏直接关系到装置试车和生产能否正常进行,对调节阀的检验是检查其性能指标的重要手段。
有时因为参数模糊或标准不一,造成检定结论不同。
检验的程序和手段以及内容应该符合有关规范的规定,对规范中没有规定的项目也应视不同的阀门类型而扩展。
2 国内外规范标准对检查项目的比较随着引进装置和技术的加快,国内常用的一些技术参数与国外参数有时容易造成混乱。
在规范中,对调节阀的检验规定了检查项目,包括阀体压力试验、阀座密封试验、膜头(气缸)泄漏、行程和全行程时间等项目。
2.1 阀体压力试验阀体压力试验是检验阀体耐压,包括铸体本身是否有砂眼、机械连接部位是否严密以及有无变形等。
试验是由专门的部门、用专用的设备进行的,试验用的介质是洁净水,在阀门全开的前提下升压至公称压力的1.5倍,在规定时间内无可见的泄漏为合格。
2.2 阀座密封试验阀座密封试验是为了检查阀座和阀芯之间的严密性。
调节阀的结构形式决定了其阀芯与阀座的密封等级。
调节阀定位器故障大集合,问题究竟出在哪了?阀门定位器,按结构可分为:气动阀门定位器、电气阀门定位器及智能阀门定位器,是调节阀的主要附件,通常与气动调节阀配套使用,它接受调节器的输出信号,然后以它的输出信号去控制气动调节阀,当调节阀动作后,阀杆的位移又通过机械装置反馈到阀门定位器,阀位状况通过电信号传给上位系统。
阀门定位器作为整个调节阀中最精密的部件,其故障的发生率也是最多的,一旦出现故障,就会影响整个系统的运行,所以,对于现场的仪表工作人员来说,多了解一些这方面的知识,是很有必要的!气动阀门定位器常见故障1.有输入信号但输出很小或没有定位器由于行程微调螺钉调整过多,造成力矩马达线圈脱焊,焊上引线即可。
力矩马达线圈内部断线或由于过流烧坏;用万用表Ω挡测量线圈电阻,正常时应该250Ω左右,若偏离250Ω太大则更换线圈。
信号线接触不良;检查接线端子,消除松动现象。
信号线接反:检查(+)(-)端子接线,看是否接反。
喷嘴挡板位置不正:重新调整平行度,看输出变化。
喷嘴固定螺钉松动:固紧喷嘴固定螺钉,到满足行程要求。
放大器有故障;检查放大器是否有故障或更换之。
气阻堵塞:用Ф0.12通针清除污物即可。
排气孔堵塞:定位器底座中央,有一喷嘴排气孔,若不注意将其堵塞,定位器将停止工作。
挡板杠杆连接弹簧变形或断;打开定位器盖更换之。
永磁体放置位置不对改变永磁体磁极,看阀是否动作。
反馈杠杆脱落;重新调整平行度,看阀动作情况。
反馈杠杆量程固定销钉偏里:调整销钉满足行程要求。
带手轮的调节阀手轮未打到中间位置;检查手轮位置,重新调整至中间位置。
凸轮松动或位置不当;固紧凸轮或重新调整凸轮位置。
挡板杠杆连接弹簧刚度不够:改变(+)(-)极性接线、调整挡板与喷嘴距离,满足行程要求(这时需要改变调节器作用方式)。
2.输出压力振荡放大器中有污物:清除放大器中的污物。
输出管线或膜头漏气:消除漏气现象,使阀动作平稳。
膜头膜片老化:更换老化膜片即可。
阀门电气定位器故障及解决方法电气定位器气动调节阀上重要附件之一,在使用一段时间后会出现各种故障。
以下列出常见的故障及解决方法▶输入电流信号,定位器不动作。
(1) 确认减压阀是否正常供气。
输入压力至少要超过1.4kgf/cm2以上。
使用弹簧复位型执行机构时,输入压力要大于弹簧系数大小。
(2) 确认电流信号和接线是否正常。
电流信号范围是4-20mA DC。
(3) 确认定位器的零位,量程调节是否偏向某一方,特别是确认零点设定是否过高或过低。
(4) 确认定位器的喷嘴是否被堵住。
确认减压阀是否正常供气,手动调节挡板,确认喷嘴是否有空气输出。
(5) 确认反馈杆是否正确连接到执行机构上。
正确与否请参考本说明书安装部分。
▶出口1压力上升到减压阀设定压力大小后不下降时。
(1) 确认自动/手动开关是否漏气。
如果漏气请更换开关或更换先导阀。
(2) 确认喷嘴和挡板是否正常,有无破损。
如果破损,请和我公司或我公司代理商联系。
(3) 确认自动/手动开关上的恒节流孔是否被堵。
如果被堵请参照本说明书第18页。
▶只能通过自动/手动开关才有压力输出时。
(1) 确认喷嘴是否被堵住。
确认减压阀是否正常供气,手动调节挡板,确认喷嘴是否有空气输出。
如果喷嘴被堵,请把产品发到我公司代理商处进行维修。
▶执行机构发生振荡时。
(1) 确认先导阀侧面的负载弹簧是否脱落。
如果脱落,请重新正确安装。
(2) 确认执行机构体积是否过小。
这种情况可以通过加载节流孔,减小输入到执行机构的流量来解决。
(3) 确认阀杆和执行机构推杆摩擦力是否过大。
这种情况要通过加大执行机构尺寸或减小阀杆摩擦力解决。
(4) 如果上述三项措施也不能解决振荡问题。
▶执行机构只有开/关动作,没有中间调节。
(1) 确认执行机构和定位器的动作方式。
YT-1000系列定位器是随着输入信号增加,出口1的压力增加,按这个原理要正确连接气路。
并且根据这个原理,正作用执行机构量程调节件要安装在正作用位置,反作用的执行机构量程调节件要安装在反作用位置。
智能阀门定位器的工作原理及故障处理作者:詹海锋康小荣来源:《科教导刊·电子版》2016年第29期摘要在工业自动化控制中,要用到各种类型的调节阀,而给调节阀配备稳定可靠的阀门定位器则显得尤其重要。
西门子智能阀门定位器是工业自动化控制领域的领先产品,获得了广泛的应用。
文章介绍了阀门定位器的工作原理、作用及其发展过程,详细说明了智能型电气阀门定位器的工作原理及其先进性。
本文重点介绍了在工业自动化控制领域广泛使用的阀门定位器的工作原理及特点,并详细分析了在使用过程中出现的常见故障。
关键词过程控制调节阀定位器故障处理中图分类号:TP207 文献标识码:A工业生产自动控制(简称过程控制)主要针对所谓六大参数,即温度、压力、流量、液位(或物位)、成分和物性等参数的控制问题。
它覆盖许多工业部门,诸如石油、化工、电力、冶金、轻工、纺织等,在国民经济中占有极其重要的地位。
在工业自动化控制中,要用到各种类型的调节阀,而给调节阀配备稳定可靠的阀门定位器则显得尤其重要。
西门子智能阀门定位器,凭借其强大完善的功能、极高的控制精度、简单方便易用的性能及超长的使用寿命、低耗气耗能量深受广大用户好评,是该领域的领先产品,获得了广泛的应用。
1定位器的发展历史电子技术和自动化技术的迅速发展,使得控制系统技术中的先进性已经超过了调节阀和定位器的发展,在今天的自动调节系统中,大多数变送器是带有数字或模拟输出的电子装置,并且调节器的输出也几乎都是电子信号,但大多数的最后控制单元包括调节阀都是气动的。
随着多种微处理器及微型计算机的应用,智能技术已广泛应用于各种测量控制仪表。
目前,国外一些在工业自动化领域有着多年经验和雄厚技术优势的大公司,如西门子、费希尔一罗斯蒙特等,相继研制成功了智能型电气阀门定位器(即带有微处理器的定位器),国内这方面起步较晚。
2定位器的基本原理与主要作用定位器是提高调节阀性能的重要手段之一。
要理解阀门定位器在一个过程系统中所扮演的角色,见图1有定位器的自动调节系统。
西门子智能电气阀门定位器调试及常见故障分析摘要:本文章还将重点对我国西门子自动调节阀系统以及引进德国的西门子公司生产的西门子SIPART PS二型智能电子阀门定位仪等系统设备的主要工作基本原理、调试和装配的方法过程、常见的故障和检测的分析处理方法过程以及一些常用的数据处理技术方法过程等内容进行了比较系统详细全面的技术介绍和分析。
关键词:调节阀;定位器;调试;故障分析;处理前言西门子智能电气阀门定位器被广泛用于石油化工企业,其是人机交互操作的典型定位器,操作人员可以根据LCD显示的具体情况进行实际操作,凭借能耗小、结构简单、操作方便深受各大企业的喜爱。
基于此,本文就工程实际,对该定位器在实际应用过程中的一系列常见问题进行分析,以期能够有效解决问题。
一、西门子智能阀门定位器的特点SIPARTPS2智能定位器的特点采用了新型的传导性塑料、压电阀等控制部件,实现了高精度的定位,并通过采用微处理技术,使定位器的调整和应用范围得到了极大地提高。
它的主要特征是:(1)易于安装,能实现自动调节。
其组态简单、灵活,可以很容易地设置阀门的正反动作、流量特性、行程限制和分段运行。
(2)定位装置的空气消耗很少,常规定位装置的喷嘴和挡板系统都是持续的消耗气体,而智能定位装置的喷嘴、挡板系统取代了传统的喷嘴和挡板系统,并且五级脉冲压电阀的控制方法可以快速、准确地定位阀门,智能定位装置只在输出压力降低时才会排出,所以大多数时候都是无消耗的,它的耗气量为20升/小时,与常规的定位装置相比,几乎可以忽略不计。
(3)具有智能通信或方便的现场显示,使维护人员能够及时地检查和维护定位器的运行状况。
(4) 因为智能定位仪采用的是位置信号反馈的器件即为电势计,所以其阀位信号全部采用了电子信号来传递,从而就能够实现在一个CPU范围内自动就地自动调节各种阀门开关的性能。
所以,在外部还安装了冲程位置检测的设备,将阀位器的反馈器组件自身和定位器组件的自身进行分别的安装。
阀门定位器工作原理:阀门定位器是控制阀的主要附件.它将阀杆位移信号作为输入的反馈测量信号,以控制器输出信号作为设定信号,进行比较,当两者有偏差时,改变其到执行机构的输出信号,使执行机构动作,建立了阀杆位移倍与控制器输出信号之间的一一对应关系。
因此,阀门定位器组成以阀杆位移为测量信号,以控制器输出为设定信号的反馈控制系统。
该控制系统的操纵变量是阀门定位器去执行机构的输出信号。
阀门定位器的作用主要有:1.改善调节阀的静态特性,提高阀门位置的线性度。
2.改善调节阀的动态特性,减少调节信号的传递滞后。
3.改变调节阀的流量特性。
4.改变调节阀对信号压力的响应范围实现分程控制。
5.使阀门动作反向。
西门子定位器基本设置步骤准备工作:1、将定位器、执行器及其它气路元件用气源管连好,并给上气源。
2、将定位器的信号线和反馈线连接完毕。
3、现在定位器处于手动模式,在定位器显示窗口上方显示的为电位计的电压百分数,例如:“P 12.3”,窗口的下方闪烁显示“NOINIT”即“未初始化”。
4、用定位器显示窗口下方的‘+’和‘-’两个按键,使执行机构运动,看整个机构能否自由走满行程。
5、让执行器运动到行程的中间位置(直行程的反馈杆处于水平位置),就可以进行初始化了。
注:当你按住其中一个键的同时再按另一个键可以加快执行机构的动作。
参数设置:1、按功能键(小手形)5秒后就可以进行参数设置。
2、SIEMENS定位器共有36组参数,可以根据现场的实际情况进行设置。
用‘+’和‘-’键可以在一组参数中进行选择,选择完后可以按一下功能键进入第二组参数的设置,若上一个参数设置有误,可以按功能键同时按‘-’键,回到上一个参数再进行设置。
3、在这些参数中有几个是经常用到的。
YFCT(执行器类型):直行程选WAY,角行程选 TURN。
YAGL(额定反馈角度):一般情况下,直行程设置成33、角行程90。
SDIR:给定方向上升RISE,给定方向下降FALLYDIR(操作变量方向显示):上升RISE,下降FALL同时改变SDIR和YDIR这两组参数可改变执行器动作方向。
西门子汽轮机轴封溢流阀定位器异常导致机组负荷异常波动分析异常波动分析摘要:汽轮机轴封系统(简称CET)主要是防止空气进入汽缸或蒸汽由汽缸漏出,并回收汽轮机汽封漏汽,利用其热量加热部分凝结水,同时还抽出汽轮机轴封系统的气体混合物,防止蒸汽漏入油系统中。
汽轮机轴封系统出现异常时会导致运行机组一系列问题的出现,最终影响机组安全运行。
关键词:轴封系统;溢流调门;定位器;负荷波动一、引言某厂汽轮机是西门子公司生产的K30*40-16 N30-2*10型亚临界,反动式、一次中间再热、单轴、双缸、双排汽、凝汽式汽轮机。
汽轮机轴封蒸汽系统通过向轴封装置提供密封蒸汽,防止高中压缸蒸汽漏入汽机房,同时防止冷空气进入低压缸再进入凝汽器。
当机组启动时,从辅汽联箱来的蒸汽经过密封蒸汽调节阀保持密封蒸汽联箱及轴封各汽室压力为一恒定值35mbar(表压),当机组负荷达50%~70%额定负荷,该系统实现自密封,不需要外部蒸汽,即高中压轴封漏汽用于低压轴封密封。
随着负荷的增加,蒸汽联箱压力提高时,通过开启密封蒸汽排汽调节阀将多余蒸汽排至凝汽器,以维持联箱压力恒定。
汽机轴封最外层汽室与轴封蒸汽联箱相通,该联箱保持-5mbar(表压)的微负压,漏入轴封汽室的空气及沿轴泄漏的蒸汽被一起排入轴封加热器中,蒸汽被凝结,而空气被排放到大气中,负压是通过轴加风机维持的。
轴封蒸汽系统包括密封蒸汽和轴封蒸汽两部分,溢流蒸汽系统由汽机阀门门杆漏汽和U形环漏汽两部分组成。
二、现象4月5日早上2号机组正常运行,负荷300MW左右。
上午10:10分轴封溢汽调门的开度突然由14.8%变为18.8%,而后又迅速关到0位,此时轴封压力由4.8Kpa快速升到8.7Kpa,运行人员发现异常后迅速到就地查看轴封溢流调门。
10:19分轴封压力降到5.3 Kpa,溢汽调门依然全关;1分钟后轴封压力降到4.8 Kpa,溢汽调门开到27%;几秒钟后轴封溢汽调门突然全开,轴封压力突降到-0.13 Kpa,此时凝汽器压力由5 Kpa上升到15 Kpa,凝汽器漏空,随后22水环真空泵联起,21、22高压调汽门开度由41%、42%瞬时开到96.7%和98.6%,负荷波动近20MW,而低压缸排气温度由33.9℃升到41.48℃,轴向位移由0.48mm变为0.511mm。
西门子阀门的常见故障西门子阀门具有较高的可靠性和稳定性,在工业控制系统中得到广泛应用。
然而,在长期的使用过程中,阀门也有可能出现各种各样的故障。
下面介绍一些常见的西门子阀门故障及其解决方法。
故障一:阀门无法打开或关闭可能原因1.阀门太紧或太松;2.阀门的轴承或机构问题;3.防火门弹簧力不足或负载变大。
解决方法1.调节阀门螺母以调整阀门的紧度和松度;2.清理、润滑和更换轴承或机构的问题;3.检查和修复阀门的弹簧力和负载。
故障二:漏气可能原因1.防火截止门密封不严;2.阀门密封面失效,如磨损、变形、划伤等。
解决方法1.检查并更换防火截止门密封;2.修复或更换阀门密封面。
故障三:阀门无响应可能原因1.控制信号不正确;2.电缆损坏或未连接好;3.阀门电机出现问题。
解决方法1.检查并重新设置控制信号;2.检查和更换电缆;3.检查和维修阀门电机。
故障四:阀门噪音大可能原因1.阀门内部有异物或损坏部件;2.阀门的捏死或挤咬。
解决方法1.清理和更换阀门内部损坏部件;2.检查和恢复阀门的正常状态。
故障五:手动开关困难可能原因1.阀门机构或轴承损坏;2.阀门膜片硬化、老化或变形;3.手动开关杆变形。
解决方法1.更换阀门机构或轴承;2.更换阀门膜片;3.更换手动开关杆。
结论在使用西门子阀门时,可能会出现一些故障,需要及时排除。
通过了解和掌握阀门的常见故障原因和解决方法,可以更好地维护和保养西门子阀门,确保其长期稳定地工作。