32m箱梁静载试验方案
- 格式:doc
- 大小:2.32 MB
- 文档页数:26
新建铁路合肥铁路枢纽南环线工程后张法预应力混凝土双线简支整孔箱梁预制编号:箱梁静载试验作业指导书单位:中铁四局集团第一工程有限公司肥东制梁场编制:复核:箱梁静载试验方案静载弯曲试验是检验简支梁梁体质量最直接、最根本的方法。
试验准备、实施均必须严格按照中华人民共和国铁道行业标准《预应力混凝土铁路桥简支梁静载弯曲试验方法及评定标准》(TB/T2092-2003)执行。
一、简支梁在下列情况下应进行静载弯曲试验1.1采用新结构、新材料、新工艺进行试生产时;1.2生产条件有较大变动时;1.3 出现影响承载能力的缺陷时;1.4 交库资料不全或对资料发生怀疑时;1.5 在正常生产条件下,每批60孔或连续三个月(三个月产量不足60孔时)抽验一片。
1.6发放生产许可证或产品质量认证检验时,应对不同类别的简支梁各抽验一孔。
抽样原则:按最不利原则一次抽取3孔(一孔为首次试验梁,两孔为加倍试验备用梁)。
二、试验所需设备、仪器及要求2.1 静载试验在固定的试验台座上进行。
2.2 试验所用的试验台座、反力架、千斤顶、油泵、标准油压表等加力设备和计量仪器,•其工作能力控制在1.5~2.5倍最大试验荷载之间。
2.3试验所用的计量设备、仪器、仪表、钢卷尺等均经法定计量检定部门检定合格,且在有效期限内使用。
测量跨度用钢卷尺已经北京顺义区计量检测所悬空检定合格。
2.4 反力架的加载间距、千斤顶、油泵、压力表使用数量根据梁的跨度由计算确定。
加载计算按部颁标准《预应力混凝土铁路桥简支梁静载弯曲试验方法及评定标准》(TB/T2092-2003)进行。
加载数据由中铁咨询桥梁工程设计研究院提供。
2.5 压力表精度0.4级,最小刻度值0.2Mpa,最小表盘直径150mm,其表盘最大读数60Mpa。
2.6试验梁体所用的支座与设计相符,支座四点高差不应大于2mm。
2.7在梁体砼承受全部预应力30天后进行,以使试验时外加荷载在跨中最下层预应力筋中所产生的最大应力不超过弹性极限。
小箱梁静载试验方案一、概述受XX项目经理部委托,XX有限公司对XX大桥工程项目经理部送检的XX桥工程北引桥两片预制后张小箱梁进行静载试验。
本次试验梁片的选取根据现场监理指定的原则进行,共计2片中梁。
XX桥在0#墩处连接本项目主桥,在18#墩处连XX桥。
桥下有码头预留通道,引桥桥梁全长554m。
桥梁孔跨布置为(8×30+(32+40+32)+7×30)m。
跨越码头预留通道处采用32+40+32m现浇连续梁跨越,其余采用30m跨装配式预应力混凝土简支小箱梁,桥梁标准宽度为:2.5m路肩+0.5m路缘带+10.5m行车道+3.0m 中间带+10.5米行车道+0.5m路缘带+2.5m路肩,桥梁全宽30m。
桥面横向布置见图1所示。
图1 XX桥桥面横向布置图(尺寸单位:cm)下部结构采用双柱式桥墩,装配式小箱梁均为先简支后桥面连续的体系,该桥设计荷载等级为公路-I级,人群2.5KPa,小箱梁梁体混凝土强度等级为C50,梁高160cm。
二、试验目的1、全面了解XX桥主梁的受力状况,验证设计理论、计算方法的合理性,检验桥跨结构是否满足现行公路桥涵有关规范及设计要求,评价桥梁的使用性能和桥梁的承载力。
2、作为评估桥梁目前健康状况的基础,为梁的使用、管理提供技术依据。
3、为类似桥梁的检测提供依据,为同类型梁的设计及施工积累技术资料。
三、试验依据荷载试验主要依据为:1、交通部《大跨径混凝土桥梁的试验方法》(YC4-4/1982);2、交通部《公路桥涵养护规范》(JTG H11-2004);3、交通部《公路桥涵设计通用规范》(JTG D60-2004);4、交通部《公路工程技术标准》(JTG B01-2003);5、交通部《公路工程质量检验评定标准》(JTG F80/1-2004);6、交通部《公路钢筋混凝土及预应力混凝土桥涵设计规范》(JTG D62-2004);7、交通部《公路桥梁承载能力检测评定规程》(JTG/T J21-2011);8、主梁相关资料;9、参考其它同类桥梁的试验方法。
中铁X局集团XX客运专线XXTJ II标2号制梁场32m箱梁静载试验方案编制:复核:审核:批准:中铁X局集团桥梁制造有限公司长沙制梁分场目录一、静载试验依据 (1)二、试验条件及准备 (1)三、静载试验加力点布置 (1)四、静载试验工装设备体系 (2)1、静载试验台座端部桩基础 (2)2、重力式静载试验台基础设计 (3)3、重力式地锚 (4)4、加力架上横梁 (4)五、静载试验要求及加载程序 (7)六、评定标准 (8)七、静载试验记录和试验报告 (9)八、安全及防护措施 (10)附件:静载试验计算书 (11)一、计算依据 (11)二、试验梁基本数据表 (12)三、设计院提供静载试验参数 (12)四、加载图式 (13)五、计算相关系数α (13) (13)六、未完成应力损失的补偿弯矩s M七、加载设备对跨中产生的弯矩Ms (14)八、计算各级加载对跨中弯矩和荷载值 (15)附图1:静载试验台座基础桩配筋图 (17)附图2:静载试验台座配件加工图 (18)附图3:静载试验台座组装图-1 (19)附图4:静载试验台座组装图-2 (20)附图5:静载试验台座工程数量表 (22)32m简支箱梁静载试验方案一、静载试验依据《预应力混凝土铁路简支梁静载弯曲试验方法及评定标准》(TB/T 2092-2003)。
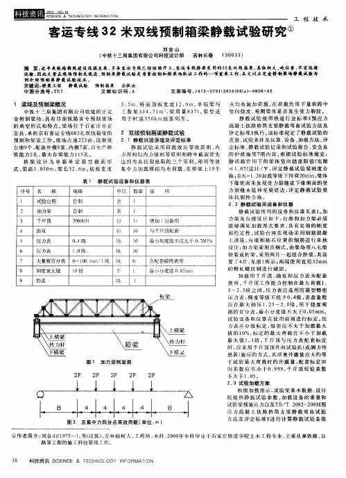
二、试验条件及准备1、简支梁在梁体终张拉30d以后方可进行静载试验;2、试验台座满足TB/T2092-2003要求;3、试验反力架设计满足要求;4、试验设备满足TB/T2092-2003要求;三、静载试验加力点布置等效集中荷载采用五点加载,跨中设一集中荷载,其余在其左右对称布置,各荷载纵向间距均为4m,各级加载荷载见附件静载试验计算书,加载图示如图1。
图1 加载图式(单位:m)四、静载试验工装设备体系1、静载试验台座端部桩基础采用北侧第二排东方向第一个台座作为试验台座,梁体自重与加载力(110t×10)总和达2000t,每个支点单独承载500t,为满足静载试验要求,对静载试验台座端部桩基进行加深加大,取φ1.5米钻孔桩,桩长25米。
目录一、试验概况 0二、资源保障 (1)三、危险因素识别与评价 (2)(一)试验设备 (2)1、反力架 (2)2、千斤顶 (2)3、油泵 (2)4、压力表 (2)5、设备未按照设计位置安装 (2)(二)试验场地 (3)(三)试验人员 (3)(四)试验准备 (3)(五)试验过程 (3)(六)其他 (3)四、安全预控措施 (4)静载试验安全专项施工方案一、试验概况静载试验对象分别为32米和24米简支箱梁,箱梁总重量分别为737.6吨和 569.9吨,试验频率为每60榀箱梁进行一次,试验场地布置在存梁区域,地基采用换填碾压后浇筑钢筋砼孔桩扩大基础。
资源配置如下表:具体人员分工配置表:二、资源保障为确保静载试验安全,设置组长1名,副组长1名,技术负责人1名、下设安全监督小组、设备操作小组、起重吊装小组、技术监控小组、资源调配小组。
小组成员名单:组长:XXX负责静载试验工作的总体安排布置,督促各小组工作情况的实施与落实,整体协调各小组工作,在确保安全的前提下有效推动静载试验的进度计划。
副组长:XXX协助场长安排布置静载试验的相关工作,检查各小组工作完成情况。
技术负责人:XXX全面负责技术工作,提供受力依据保证场地受力符合静载试验需要,各受力结构承载能力符合受理要求。
设备操作组:由张拉班组参与负责千斤顶的安装调试,及按数据要求进行油泵的操作。
安全监督小组:XXX和XXX责静载试验全过程的安全监控,制止现场违章作业,设置现场安全隔离,作业前检查现场作业环境,排除不安全因素。
技术监控小组:工程部所有技术人员监控张拉读数,保证各千斤顶受力均匀。
三、危险因素识别与评价(一)试验设备1、反力架(1)反力架杆件有质量缺陷:杆件强度不足、高强螺栓被替代成普通螺栓(抗剪强度不足)。
(2)杆件数量不足:关键位置的杆件漏装、螺栓缺失、螺栓紧固力不足。
(3)反力架固定件缺陷:连接销强度不足、连接销未进行横向固定(导致频繁起吊中发生滑移、脱落)。
铁路客运专线32m全预应力混凝土简支箱梁静载弯曲试验方法1、概述静载弯曲试验是检定建筑结构性能的重要手段,也是检验梁体抗裂性及刚度的常用方法。
客运专线预制箱梁有着长寿命、高耐久、不易更换的特殊性,要求预制箱梁结构性能必须100%合格,必须对桥梁产品—箱型简支梁进行静载弯曲试验。
根据“内力图相似,跨中内力值相等”的荷载布置原则,客运专线全预力梁(一般为32m、24m常用梁型)采用五点十载的加载方法。
2、试验条件正常生产条件下,同类别、同跨度达到60片或连续3个月产量(3个月产量不足60片)计一批,每批抽检一片。
简支梁静载试验在梁体终张完成30日后进行,不足30日要由设计方进行检算确认后方能进行。
3、试验设备及要求3.1、静载弯曲试验主要设备见表3.1表3.1 静载弯曲试验主要设备表3.2、压力表分级标定,级差不大于加载最大值的10%,加载速度不大于3KN/s,标定荷载不小于加载最大值的1.1倍,且持荷10min。
其活塞的外露量约等于试验最大荷载时的外露量。
3.3、配套标定数据必须进行线性回归,线性回归相关系数不小于0.999,并根据加载等级计算各级荷载下的表示值。
3.4、用于观察裂缝普通放大镜放大倍数为10倍,直径50mm;量测裂缝宽度使用刻度放大镜,其放大倍数不低于10倍,最小分度值不大于0.02mm。
3.5、试验所用计量设备、仪表、仪器、钢卷尺等均需要经法定计量检定部门检定合格,且在有效期内,测量跨度用钢卷尺悬空检定。
4、试验梁安装及试验前准备工作4.1、梁两端支座安装高差不大于10mm,同一支座两侧高差不大于2mm,箱梁四支点不平整度不大于2mm。
支座安装后的实测跨度符合标准要求。
并检查制作摆放位置是否正确(要求GD与HX同端、ZX与DX同端、GD与ZX同侧、HX与DX同侧)。
4.2、支座设置在试验台座中心线上,且跨距须与待试梁相符。
在支座上标划出中心线,以便与梁中心线对正。
试验梁移入台座对中后,在梁顶面上标出梁体腹板、跨中及支座中心线,由跨中沿腹板中心线标出跨中、4m、8m共10个点作为梁体的加载中心点(千斤顶和百分表具体布置如图4.2-1所示),在每一加载点铺设砂垫层(找平)及钢垫板(钢垫板由梁场自行设计制作,如图4.2-2所示,设计时注意高度满足千斤顶最大量程满足试验要求),钢垫板用水平尺找平后移入千斤顶。
牡丹江至佳木斯铁路通桥(2016)2229-Ⅳ静载试验加载说明
一、跨中弯曲静载试验按<<预应力混凝土铁路桥简支梁静载弯曲试验方法及评定标准>>(TB/T 2092-2018)执行。
二、跨中弯曲静载试验加载图式
牡丹江至佳木斯铁路32m单箱单室简支梁(通桥(2016)2229-Ⅳ)跨中弯曲静载试验,采用5排加载方式加载,每排间距4m,每排采用2点加载,加载点作用于箱梁腹板顶面中心。
加载图式见图1。
图1 跨中弯曲静载试验加载图式(单位:mm)
三、跨中弯曲静载试验相关数据说明
1. 牡丹江至佳木斯铁路32m预制后张法预应力混凝土简支箱梁静载试验箱梁底板下缘综合剪力滞系数采用值为1.025;箱梁底板下缘集中剪力滞系数采用值为1.035。
2. 等效荷载加载挠度修正系数φ采用1.0029。
中铁第四勘察设计院集团有限公司
中铁建大桥院(铁四院桥梁院)
2019年06月30日。
铁路预制后张法32m简支T梁静载试验技术1. 前言静载试验是检验T 梁性能、质量的重要检测手段,通过预应力混凝土梁静载弯曲抗裂试验,检测静载弯曲抗裂系数和将静活载作用下梁体竖向挠度值,对T 梁进行检测。
静载试验过程中,静载弯曲抗裂系数决定了T 梁张拉过程中预应力施工质量;静活载作用下梁体竖向挠度值体现出T 梁混凝土施工过程中,其强度、弹性模量等对T 梁实体的质量影响。
通过静载试验可在检测T梁质量的同时收集相关试验数据,为今后T梁预制的质量把控提供有效依据。
静载试验目的(1)通过静载试验,掌握T 梁结构的工作状况, 判断T 梁的实际工作状况是否符合设计要求或处于正常受力状态。
(2)通过静载试验分析和理论计算分析,对T 梁的使用承载能力及工作状况做出综合评估。
(3)静载试验T 梁作为同批次预制的代表,可反应出此段时间区域内预制的T 梁的施工方法及工艺的科学合理性,提供需改变、优化的方向。
(4)检验成品T 梁的抗裂性能及静活载作用下竖向挠度值。
3. 静载试验检测要求(1)首片生产的边梁或采用新结构、新材料、新工艺进行试生产时;(2) 生产条件有较大变动时;(3) 出现影响结构承载能力的缺陷时;(4) 交库技术资料不齐全,或对资料发生怀疑时;(5) 正常生产条件下,同类别、同跨度的T 梁60 件或连续三个月产量(三个月产量不足60 件)算一批,每批抽检1 件。
产品标准有明确规定的,抽样批量按产品标准执行;(6) 产品质量认证检验时,须按对不同类别的简支梁各抽检一件。
抽样原则:按最不利原则一次抽取3 件(一件为首次试验梁,两件为加倍试验备用梁)。
4. 静载试验相关计算静载试验计算采用通桥(2005)2201-32m 曲线梁为例,进行如下计算。
其余型号桥梁可参照此类方法进行计算。
4.1 计算依据(1) TB2092-2003《预应力混凝土铁路桥简支梁静载弯曲抗裂试验方法》根据不同原材料设计院提供的静载试验参数表1 通桥(2005)2201-32m 曲线梁静载试验数据14 抗裂安全系数Kf 1.264.2 加载值计算(1 )加载图示(2) 相关系数计算(见加载图示)跨中弯矩:M=R< L/2 -艺PiXi其中Pi=PR=5P/2=2.5P则M=2.5PX 16-P X8-P X4 =40P-12P=28P a =28( 3)计算未完成的应力损失值根据试验梁基本数据表中终张-加载时间的天数,查TB2092-2003《预应力混凝土铁路桥简支梁静载弯曲抗裂试验方法》得到混凝土收缩、徐变完成率n1和钢束松弛损失完成率n 2 表3.混凝土收缩、徐变完成率n 1和钢束松弛损失完成率n2△(T s=(1- n 1)彷s1+(1- n 2)彷s2 =76.07Mpa(4)计算未完成应力损失的补偿弯矩△ Ms△Ms=A(T s X Ay(Wo/Ao+eo)x 103 =1758.99 KN.m(5)计算基数级荷载跨中弯矩(防水层已铺设)加载设备质量对跨中弯矩Mka=Md+A Ms-Ms(6)千斤顶重135kg,钢垫板47.1kg,河砂54kg, 1人80kg, 钢托架110kg 合计:430 kg加载设备总重4.3KNMs=4.3KN.m则Mka=Md+A Ms-Ms =9350.5901 KN.m(7)计算基数级荷载值Pk=Mka/ a =333.95 KN(8)计算各加载级下跨中弯矩(防水层已铺设)Mk=K(Mz+Md+Mh+Mf)+ Ms-Mz-M f-Ms=K*22539.15 -4111.17(9)计算各加载级之荷载值Pk=Mk/a(10)计算静活载级系数Kb= : Mh/(1+ 卩)+Mz+Md+M J /(Mh+Mz+Md+Mf)=0.934704687 (1 1 )计算静活载级之跨中弯矩Mkb=Mh/(1 + a )+Mka =16956.279KN.m(1 2)计算静活载级荷载Pkb=Mkb/a =605.58KN(1 3)静载各级加载数据通过对各荷载等级加载的理论计算,得到荷载值如表4 所示:表4. 静载各级加载4.3 静载试验工作准备(1)按设计要求安装固定支座,对中、抄平,误差控制在2mm 内(2)按设计要求在梁顶面上标记出梁体腹板、跨中及支座中心线,由跨中沿腹板两侧标出Om 4m 8m共5个点作为T梁的加载中心点。
引言梁静载试验是结构工程中重要的试验方法之一,用于评估梁的承载能力和结构稳定性。
本文档旨在提供一种标准的梁静载试验方案,以确保试验的可靠性和一致性。
实验目的本梁静载试验的目的是: 1. 评估梁的承载能力和结构稳定性; 2. 验证梁的设计参数和理论分析的准确性; 3. 收集梁在加载过程中的变形、位移和应力数据,为后续的分析提供基础。
实验设备和材料1.强度足够的梁体样本;2.用于加载的试验机;3.传感器和数据采集系统,用于记录和监测梁的变形、位移和应力;4.合适的加载装置和夹具,以确保加载的均匀性和可控性;5.其他必要的辅助设备和材料。
实验步骤以下是进行梁静载试验的基本步骤:步骤1:准备工作1.清理试验台面,将试验机、传感器和数据采集系统等设备放置合适的位置;2.检查试验机和传感器的工作状态,确保其正常运行;3.根据实验需求,选择合适的梁体样本,并检查其质量和尺寸是否符合要求。
步骤2:安装梁体样本1.将梁体样本固定在试验机的加载装置上,并确保其稳定和牢固;2.根据需要,在梁的上表面和底表面安装应变计,以监测梁的应变变化;3.根据需要,在梁的适当位置安装位移传感器,用于监测梁的位移变化。
步骤3:加载试验1.设置试验机的加载速度和加载方式(例如静态加载或动态加载),并根据设计要求进行加载;2.通过数据采集系统实时监测和记录梁的变形、位移和应力等相关数据;3.在适当的时间点停止加载,并记录梁体的破坏负荷。
步骤4:数据处理和分析1.整理和处理记录的数据,包括梁的变形、位移和应力等参数;2.绘制梁的载荷-变形、载荷-位移和载荷-应力曲线,并进行相应的数据分析;3.计算梁的强度指标和结构稳定性参数,并与设计参数和理论分析结果进行比较。
步骤5:结果与结论根据实验数据和分析结果,得出对梁结构承载能力和稳定性的评价,并得出相关的结论。
安全注意事项进行梁静载试验时,需要遵守以下安全注意事项: 1. 操作人员必须具备相关的技能和经验,熟悉试验设备和实验原理; 2. 在加载过程中,严禁站在试验台面或试验机下方,以防止试验过程中的意外伤害; 3. 加载装置和夹具必须经过合理的设计和测试,确保其可靠性和安全性; 4. 在试验过程中,需要确保试验台面和周围环境的整洁和安全,防止杂物干扰试验和操作。
中铁五局集团第六工程有限责任公司肃州制梁场静载试验实施方案编制:梁水泉复核:审核:中铁五局集团第六工程有限责任公司肃州制梁场二○一○年九月静载试验实施方案一、静载试验的范围本方案适用于中铁五局集团第六工程有限责任公司肃州制梁场预制无碴轨道后张法预应力混凝土简支箱梁静载弯曲试验及评定。
二、试验的条件及仪器、设备1、桥梁在下列情况下应进行静载弯曲抗裂性试验:1)采用新结构、新材料、新工艺进行试生产时。
2)生产条件有较大变动时。
3)出现影响承载能力的缺陷时。
4)入库技术资料不全,或对资料发生怀疑时。
5)正常生产条件下,同类别、同跨度桥梁60件或连续三个月产量(三个月产量不足60件时)计一批,每批抽检1件。
6)产品质量认证时。
2、简支梁静载试验在梁体全部预应力完成30天后进行(不足30天时应由设计方检算确定)。
以使试验时外加荷载在跨中最下层预应力钢绞线中所产生的最大应力不超过弹性极限。
三、试验设备、仪器试验台座一座:能保证试验梁跨度、支承方式、加载状态符合试验加载计算图示要求,且有足够的刚度和稳定性,加载点间距4m,且双排对称布置。
反力架一套:反力架的加载间距、千斤顶、油泵、压力表使用数量,根据梁的跨度确定,具体布置见图。
250吨千斤顶10个:千斤顶和油表配套校验和使用,校正方法应采用千斤顶顶压压力传感器的标定方式,其活塞的外露量应约等于试验最大荷载式的外露量;各级荷载下应以压力表的表盘整读数对应压力传感器显示器的读数;配套标定数据进行线性回归(Y=Ax+b),线形回归相关系数r不小于0.999,并根据加载等级计算各级荷载下的油压表表示值。
千斤顶的校正系数不得大于 1.05,所使用的千斤顶工作能力,控制在1.5~2.5倍最大试验荷载之间。
根据制梁场张拉设备实际使用情况,使用250吨千斤顶,改变油压表量程。
钢箱梁试验计划方案钢箱梁是一种新型建筑结构材料,广泛应用于桥梁、高速公路、轨道交通等领域。
在实际工程中,钢箱梁的性能直接影响到桥梁等结构的安全性和可靠性。
因此,为了保证钢箱梁的质量和性能,需要进行试验计划方案的制定和执行。
一、试验计划方案的目的本试验计划方案的目的是对设计和已建成的钢箱梁进行质量和性能的全面检测,主要包括静载试验、疲劳试验、振动试验、热膨胀试验等多项试验,确保钢箱梁有足够的安全性和可靠性。
二、试验内容1. 静载试验静载试验是用静态荷载对钢箱梁进行载荷试验,以评估其受力性能和稳定性。
试验前需确定最大荷载水平和荷载位置,试验时需要测试每一荷载点的应力应变。
静载试验应包括常温和低温条件下的试验,以检测钢箱梁在不同温度下的性能。
2. 疲劳试验疲劳试验主要是对钢箱梁在长期重复荷载作用下的性能进行检测,以评估其疲劳寿命和对重复荷载的耐久性。
试验应按照标准要求使用不同荷载频率进行试验,并记录下试验过程中的应力应变和振动等数据,以确定钢箱梁的寿命曲线。
3. 振动试验振动试验是用一定振动频率和振幅刺激钢箱梁的不同部位,测量各个部位的振动响应和共振频率。
试验应包括不同频率、振幅和激励点的试验,以评估钢箱梁的动态特性和抗振能力。
4. 热膨胀试验钢箱梁在不同温度下具有不同的热膨胀性能,高温时易导致钢箱梁形变过大,影响其安全性。
因此,需要进行热膨胀试验,以确定钢箱梁在高温环境下的膨胀变形性能。
三、试验设备和工具试验设备1. 静载试验设备:钢管支架、拉力试验机、数码计量仪等。
2. 疲劳试验设备:振动台、荷载测试仪、位移传感器、频率分析器等。
3. 振动试验设备:振动台、加速度计、激光位移仪、振动分析仪等。
4. 热膨胀试验设备:高温箱、温度计、放大器、位移传感器等。
试验工具1. 引弓、摆锤、动态荷载测试杆、电缆、加速度计支架等。
2. 夹具、扯力表、张力传感器、文件记录器等。
四、试验方案及流程1. 检查钢箱梁的材料、制造工艺和技术参数是否符合要求,检查结构是否完好。
后张法预应力混凝土铁路桥箱型简支梁32m直线梁静载试验大纲编制:复核:审核:一、静载试验工作安排:1、校验试验用精密压力表(0.4级),日期:,负责人:2、静载试验台划线,日期:年12月9日,负责人:3、试验用百分表架、上下铁板、木板等,日期:,负责人:4、试验用千斤顶清理、编号、试机,日期:,负责人:5、试验用千斤顶校正,日期:负责人:6、试验用梁吊装就位,日期:,负责人:7、试验计算书计算,日期:,负责人:8、试验计算书审核,日期:,负责人:9、千斤顶作用位置定位划线,日期:,负责人:10、千斤顶落位安装,日期:,负责人:11、油泵、油表安装,油管连接,日期:,负责人:12、试验梁体外观检查及裂缝标注,日期:,负责人: 13、试验操作人员试验总体负责:油泵操作司机:百分表读数人员:配合电工:油泵配合人员(监泵):试验数据记录人员:试验服务人员:二、静载试验用设备安排1、千斤顶11台(1台备用)。
2、高压油泵11台(1台备用)。
3、百分表(0-30mm)4块、(0-50㎜)2块(要求:百分表的最小分度值不大于0.05mm)。
4、精密压力表(0.4级)11块(要求:压力表精度等级应不低于0.4级,最小刻度值应不大于0.2Mpa,最小表盘直径应不小于150mm)。
5、普通放大镜(不低于5倍,直径不小于50mm)用于检查梁体混凝土裂纹。
6、刻度放大镜(不低于10倍,读数精度为0.01mm)用于量测裂纹宽度。
三、静载试验加载程序安排及注意事项1、通桥(2005)2221-Ⅱ-32m梁加载图示:静载试验加载图示的设置原则:1)、荷载效应等效即内力图相似内力值相等的原则;2)、用等效集中力加载模拟设计荷载,跨中截面首先达到弯曲抗裂极限的原则。
2、试验梁所用支座与设计相符,梁两端支座的相对高差不大于10mm,四个支点不平整度不大于2mm。
3、试验梁移入台座对中后,在梁顶标出加载中心线,并在每一加载点铺垫层及钢座板,座板应用水平尺找平,移入千斤顶。
中铁X局集团XX客运专线XXTJ II标2号制梁场32m箱梁静载试验方案编制:复核:审核:批准:中铁X局集团桥梁制造有限公司长沙制梁分场目录一、静载试验依据 (1)二、试验条件及准备 (1)三、静载试验加力点布置 (1)四、静载试验工装设备体系 (2)1、静载试验台座端部桩基础 (2)2、重力式静载试验台基础设计 (3)3、重力式地锚 (4)4、加力架上横梁 (4)五、静载试验要求及加载程序 (7)六、评定标准 (8)七、静载试验记录和试验报告 (9)八、安全及防护措施 (10)附件:静载试验计算书 (11)一、计算依据 (11)二、试验梁基本数据表 (12)三、设计院提供静载试验参数 (12)四、加载图式 (13)五、计算相关系数α (13) (13)六、未完成应力损失的补偿弯矩s M七、加载设备对跨中产生的弯矩Ms (14)八、计算各级加载对跨中弯矩和荷载值 (15)附图1:静载试验台座基础桩配筋图 (17)附图2:静载试验台座配件加工图 (18)附图3:静载试验台座组装图-1 (19)附图4:静载试验台座组装图-2 (20)附图5:静载试验台座工程数量表 (22)32m简支箱梁静载试验方案一、静载试验依据《预应力混凝土铁路简支梁静载弯曲试验方法及评定标准》(TB/T 2092-2003)。
二、试验条件及准备1、简支梁在梁体终张拉30d以后方可进行静载试验;2、试验台座满足TB/T2092-2003要求;3、试验反力架设计满足要求;4、试验设备满足TB/T2092-2003要求;三、静载试验加力点布置等效集中荷载采用五点加载,跨中设一集中荷载,其余在其左右对称布置,各荷载纵向间距均为4m,各级加载荷载见附件静载试验计算书,加载图示如图1。
图1 加载图式(单位:m)四、静载试验工装设备体系1、静载试验台座端部桩基础采用北侧第二排东方向第一个台座作为试验台座,梁体自重与加载力(110t×10)总和达2000t,每个支点单独承载500t,为满足静载试验要求,对静载试验台座端部桩基进行加深加大,取φ1.5米钻孔桩,桩长25米。
计算如下:端部桩基础承载力计算:桩底最大反力N=5000KN。
单桩承载力标准值按下式确定:[P]=1/2(UΣLτP+AσR)其中,U—桩身周长;L-局部冲刷线以下有效长度τP—桩壁土的平均极限承载力;A—桩底面积;σR—桩尖处土的极限承载力。
取该处地质勘探报告地基各项数据进行计算:端部桩基承载力计算注:<<公路桥涵地基与基础设计规范>>(JTJ024-85)承载力标准值为7774.0KN>5750KN,满足要求!2、重力式静载试验台基础设计2.1、设计参数①加力架设计安全系数1.4;②锚锭安全系数1.2;③设计力140×10×1.5=2100t;④混凝土单位重量:2.4 t/m3;⑤精扎螺纹钢参数:Φ32、延伸强度≥830Mpa,截面积804.2mm2,抗拉强度≥1030Mpa(天津市天铁轧二钢有限公司企业技术标准);⑤连接器YGL连接器材质为40Cr,长度160mm,最大直径60mm;2.2、32m静载试验加力架加力架预埋件及拉杆为精扎螺纹钢,横梁为型钢组拼件,具体详见32m 静载试验加力架图。
2.2.1、传力杆加力架上横梁与地锚间采用4根φ32精扎螺纹作为传力杆,传力杆与地锚中预埋筋用精扎螺纹钢连接器连接,上部采用φ32精扎螺纹钢预应力螺母体系锚固于双榀[32分配梁上。
①拉杆强度检算每个点采用4根Φ32精扎螺纹钢,可承受拉力为4×830×804.2=267 t每个点受力为110t267/110=2.4>1.4②连接器检算连接器材料为40Cr强度大于精扎螺纹钢,不作检算。
3、重力式地锚3.1 32m静载试验台基础基础形式为扩大基础,每个加载点有效自重范围为5*4*3.8*2.4=182.4/110=1.66,具体图示详见32m静载试验台座基础图。
4、加力架上横梁加力架上横梁采用六排单层加强型贝雷桁架梁,梁长18m,每组桁架梁共由36片加强型贝雷片组成,每排贝雷桁架之间采用自制支撑架连接,以增强整组桁架梁的横向稳定性。
试验加载部位上横梁采用双榀[32作为分配梁使各排桁架均匀承载,传力杆上锚亦采用双榀[32作为分配梁。
① 销子抗剪计算:销子抗剪:N T =200kN ×4.1m/1.5m=547KN 容许剪力:30铬锰钛合金钢; 屈服应力:1300kg/cm 2(1300pa)α=2(π/4)×D 2〔r 〕=2×(π/4)×4.952×0.45×1300 =2250KN >N T =547KN ②、最大挠度计算: 非弹性挠度:f 0=d ∑=ni 1sin (21-n )a f 0—非弹性挠度(cm );d —桁架拼装单位的长度(cm ); n —每跨的桁架拼装单位数;a —相邻两跨拼装单位之间由锚具间隙产生的; 相对转角(弧度), a=2×hL∆ 式中:ΔL —单销为销孔之间的间隙(mm ); h —桁架拼装单位的高度(mm );反力架度为14.4m 2,按5个桁架单位组成,即n=5,d=3m ,h=1.5m ,单销与销孔之间的间隙取ΔL=1mm 。
α=m5.1mm12⨯=0.001333 代入公式:f 0=2.0cm 桁架由活载引起的弹性挠度用B 、C 卡秋林公式计算: f=EI 3845〔1+(tg φ1+ctg φ1)×20h 〕×(1.61-0.3352h )Kdf f= 桁架由活载引起的弹性挠度(cm ); l —桁架的计算跨度(m );h 0—桁架在支座处的计算高度(m ); h —桁架的计算高度(m );φ1—跨中斜杆与垂直线之间的夹角(°); E —桁架所用材料的弹性模量(Kgf/cm 2) I —桁架截面的惯性矩;I=577434 cm 4 Keg —活载的等挠度等代荷载(Kgf/cm )桁架跨度l=15m ,桁架在支座的计算高度h=1.5m ,跨中斜杆与垂直线的夹角=45°,钢材的弹性模量E=26cm /g 101.2K ⨯,单排单层加强桁架截面惯性矩I=577434 cm 4,活载等挠度等代荷载Keg=8*4.5*(1100/6)/152=29.3 Kgf/cm 2。
将这些数据代入上式;f= K 57734cm /g 101.2384101552684⨯⨯⨯⨯{〔1+(1+1)×155.1〕〔1.61-0.335〕}29.3Kgf/cm =5774341.23843.2953.11015524 ⨯⨯⨯⨯⨯⨯=2.43cm总挠度=f 0+f=2.0+2.43=4.43cm五、静载试验要求及加载程序1、箱梁四支点不平整度不大于2mm ,支座安装后的实测梁跨度应符合标准要求。
2、试验梁移入台座对中后,在梁顶标出腹板中心线作为梁体的加载中心线,并在每一加载点铺设砂垫层(找平)及钢座板。
钢座板用水平尺找平后,移入千斤顶。
3、各千斤顶中心与梁顶加载中心线纵横向偏差均不应大于10mm ;各千斤顶中心与反力架横梁中线纵横向偏差均不应大于10mm ,且应垫实两者之间的空隙。
4、出顶至横梁到位,检查千斤顶的垂直度。
5、加载前用10倍放大镜在梁体跨中两侧1/2跨度范围内的下缘和梁底面进行外观检查;对初始裂缝(表面收缩裂缝和表面损伤裂缝)及局部缺陷用蓝色铅笔详细描出。
6、试验梁静载试验前应在跨中及支座中心两侧安装百分表(测量挠度),百分表放置在特制的平台上,以免受加载时试验台座变形的影响。
7、试验前应仔细核查原始资料、记录表格、设备状态、加载位置等。
8、加载程序8.1、试验梁的加载分两个循环进行。
以加载系数k表示加载等级,加载系数k是加载试验中梁体跨中承受的弯距与设计弯距之比。
试验准备工作结束后梁体承受的荷载状态为初始状态;基数级下梁体跨中承受的弯距指梁体质量与二期恒载质量对跨中弯距之和。
8.2、各循环的加载等级:第一加载循环:初始状态→基数级(3min)→0.60(3min)→0.8(3min)→静活载级(3min)→1.00(20min)→静活载级(1min)→0.60(1min)→基数级(1 min)→初始状态(10 min)第二加载循环:初始状态→基数级(3min)→0.60(3min)→0.8(3min)→静活载级(3min)→1.00(5min)→1.05(5min)→1.10(5min)→1.15(5min)→1.20(20min)→1.10(1min)→静活载级(1min)→0.60(1min)→基数级(1min)→初始状态当在第二加载循环中不能判断是否已出现受力裂缝时,应进行受力裂缝验证加载。
验证加载从第二加载循环卸载至静活载级后开始。
验证加载静活载级(5min)→1.00(5min)→1.05(5min)→1.10(5min)→1.15(5min)→1.20(5min)→1.10(1min)→静活载级(1min)→0.60(1min)→基数级(1min)→初始状态六、评定标准6.1、梁体刚度合格的评定实测静活载挠度值(f实测)为静活载级下实测挠度值减去基数级下实测挠度值。
实测静活载挠度值合格评定标准:f实测≤1.05(f设计/ψ)。
6.2、梁体抗裂合格的评定在K=1.20加载等级下持荷20min,梁体下缘底面未发现受力裂缝或下缘侧面(包括倒角、圆弧过渡段)的受力裂缝未延伸至梁底边,评定梁体抗裂合格。
6.3、梁体不合格的评定当梁体的刚度不能满足5.1的要求或梁体抗裂不能满足5.2的要求,评定梁体不合格。
七、静载试验记录和试验报告7.1、静载试验记录的主要项目包括:a)试验梁、支座、试验装备、设备、仪器安装记录;b)千斤顶与油压表配套标定记录;c)各级加载数值级加载事件记录;d)支座沉降和跨中竖向位移测量及挠度记录;e)裂缝部位、裂缝宽度与荷载等级关系记录;7.2、静载弯曲试验报告主要内容包括:a)检验单位和受检企业名称;b)受检产品型号和规格;c)检验类别;d)检验日期;e)检验项目和检验依据;f)抽样办法和抽样数量;g)试验设备和仪器、仪表;h)加载图示和加载程序;i)检验结果、评定标准和检验结论;j)检验报告审批签章;八、安全及防护措施8.1、吊装应由专人指挥,按规程操作,注意安全;吊装千斤顶时梁下禁止站人;8.2、高压油路和电路应符合有关要求;8.3、仪器、仪表和电器应有防雨、防晒条件。
附件:静载试验计算书一、计算依据TB/T2092-2003《预应力混凝土铁路简支梁静载弯曲试验方法及评定标准》时速350公里客运专线铁路无碴轨道32m双线简支梁静载试验数据(无声屏障)二、试验梁基本数据表三、设计院提供静载试验参数四、加载图式P P P P P图4.1 32m 梁静载加载图式五、计算相关系数α支点反力: P P R 52/10==跨中弯矩: P P P P X P RL M i i 75.5482422/5.3152/=⨯-⨯-⨯=-=∑ 得:75.54/75.54/===P P P M α 六、未完成应力损失的补偿弯矩s M ∆按TB/T2092-2003《预应力混凝土铁路简支梁静载弯曲试验方法及评定标准》附录表A.1,可查得40d 混凝土收缩、徐变预应力损失σL6的完成率43.01=η ,钢筋松弛应力损失σL5的完成率000.12=η。