防喷器控制系统1623804700
- 格式:ppt
- 大小:3.31 MB
- 文档页数:10
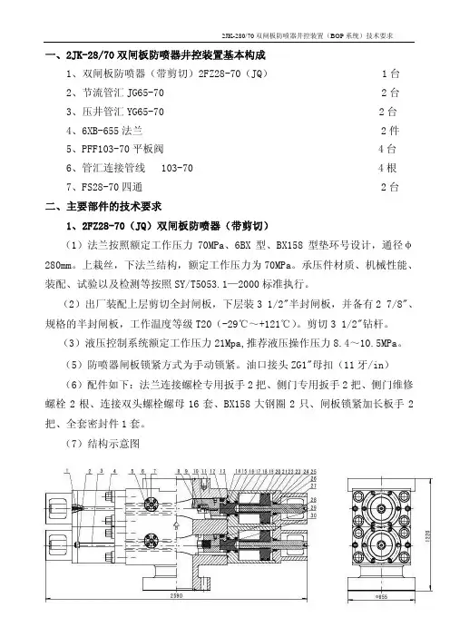
一、2JK-28/70双闸板防喷器井控装置基本构成1、双闸板防喷器(带剪切)2FZ28-70(JQ) 1台2、节流管汇JG65-70 2台3、压井管汇YG65-70 2台4、6XB-655法兰 2件5、PFF103-70平板阀 4台6、管汇连接管线 103-70 4根7、FS28-70四通 2台二、主要部件的技术要求1、2FZ28-70(JQ)双闸板防喷器(带剪切)(1)法兰按照额定工作压力70MPa、6BX型、BX158型垫环号设计,通径φ280mm。
上栽丝,下法兰结构,额定工作压力为70MPa。
承压件材质、机械性能、装配、试验以及检测等按照SY/T5053.1—2000标准执行。
(2)出厂装配上层剪切全封闸板,下层装3 1/2"半封闸板,并备有2 7/8"、规格的半封闸板,工作温度等级T20(-29℃~+121℃)。
剪切3 1/2"钻杆。
(3)液压控制系统额定工作压力21Mpa,推荐液压操作压力8.4~10.5MPa。
(5)防喷器闸板锁紧方式为手动锁紧。
油口接头ZG1"母扣(11牙/in)(6)配件如下:法兰连接螺栓专用扳手2把、侧门专用扳手2把、侧门维修螺栓2根、连接双头螺栓螺母16套、BX158大钢圈2只、闸板锁紧加长板手2把、全套密封件1套。
(7)结构示意图2、压井管汇YG65-70(1)压井管汇额定工作压力:70MPa。
(2)静水压强度试验压力:105MPa。
(3)公称通径:103mm(主通径),65mm(旁通径)。
(4)额定温度级别:P(5)材料级别:EE(6)产品规范级别:PSL3(7) 性能要求级别:PR1(8)压井管汇中的阀门组成为:PFF103-70平行闸板阀1台,PFF65-70平行闸板阀2台,DF65-70单向阀2台。
(9)压力表:高压105MPa 低压40MPa(10)质量要求按SY/T 5323-2004标准执行。
(11)结构示意压井管汇图3、节流管汇JG65-70(1)节流管汇额定工作压力:70MPa。
166研究与探索Research and Exploration ·智能检测与诊断中国设备工程 2023.06 (下)地面防喷器控制装置(以下简称控制装置)是控制井口防喷器组以及液动节流阀、压井阀的重要设备,是钻井、修井作业中防止井喷不可缺少的装置。
正确地使用和维护保养对控制装置是非常重要的。
1 防喷器控制装置的结构组成远程控制台由底座、油箱、泵组、蓄能器组、管汇、各种阀件、仪表及电控箱等组成。
远程控制台的主要功能是由泵组产生高压控制液,并储存在蓄能器组中。
当需要开、关防喷器时,来自蓄能器的高压控制液通过管汇的三位四通转阀被分配到各个控制对象(防喷器)中。
2 防喷器控制装置的工作原理及工作内容储存在蓄能器组中的压力油通过蓄能器隔离阀(高压球阀)、滤油器,再经减压溢流阀减压后,进入控制管汇,到各三位四通转阀进油口。
同时,来自蓄能器组的压力油经滤油器进入控制环形防喷器的减压溢流阀,减压后专供环形防喷器使用。
只需扳动相应的三位四通转阀手柄,便可实现“开”“关”防喷器的操作。
三位四通转阀的换向也可通过司钻控制台遥控完成。
首先,扳动司钻控制台上控制气源开关的气转阀至开位,同时操作其它三位四通气转阀进行换向,压缩空气经空气管缆而进入远程控制台,控制相应的气缸,带动换向手柄,使远程控制台上相应的三位四通转阀换向。
在司钻控制台上气转阀换向的同时,压缩空气使显示气缸的活塞移动,司钻控制台上各气转阀上的圆孔内显示出“开”或“关”的字样,表示各防喷器处于“开”或“关”的状态。
另外,防喷器控制装置在进行工作中需要各个阀门间紧密有序地衔接。
例如,在气压遥控中,首先,将气压元件进行处理,包括对防喷器等装置进行处理。
其次,再将气源总阀门按照具体要求打开,在此过程中需要进行转阀、换阀、滑阀等操作。
同时,在控制远程平台时,需要灵活转动阀柄,进而实现间接控制防喷器开关,达到防喷器控制装置正常工作效果的目的。
3 防喷器控制装置的常见故障3.1 防喷器控制装置的控制液不足在平台钻井工作日常作业过程中,工程开始前,需要进行套管试压,及时发现防喷器控制装置运行中的常防喷器控制装置的常见故障分析刘玉华,寇镭,张瑾鹏(中国石油集团渤海钻探工程有限公司管具与井控技术服务分公司,天津 300280)摘要:本文根据对放喷器控制系统的组成展开介绍,并详细分析其在工程作业中的工作原理与内容。
文章编号:1000 − 7393(2022)06 − 0706 − 05 DOI: 10.13639/j.odpt.2022.06.007防喷器远程控制装置自卸压四位四通转阀的研究与设计李正军 盖靖安中国石油集团西部钻探工程有限公司引用格式:李正军,盖靖安. 防喷器远程控制装置自卸压四位四通转阀的研究与设计[J ]. 石油钻采工艺,2022,44(6):706-710.摘要:在维修更换防喷器闸板、胶芯等作业前必须对防喷器关闭腔和开启腔卸压,而传统三位四通转阀存在操作复杂、压力浪费、各阀件磨损、管汇卸压后所有控制对象均无法远程操作的问题,为此,设计了自卸压四位四通转阀。
在原有阀体及阀芯内部分别新增一条卸压油道,并将其改造成自卸压四位四通转阀,实际操作时只需将该转阀手柄扳至卸压位,便既能保留管汇压力,又可对维修作业对象进行独立卸压,卸压后仍可远程液压控制除维修对象外的其他控制对象,使得维修和更换防喷器闸板、胶芯等作业过程更加低耗、简单高效。
该设计降低了各阀件长期开关造成磨损,大幅度提升了作业效率。
关键词:防喷器;远程控制室;自卸压;四位四通转阀;井控中图分类号:TE921.5 文献标识码: AResearch and design of four-position four-way rotary valve with automated pressure relief forblowout preventer remote control devicesLI Zhengjun, GAI Jing’anCNPC Xibu Drilling Engineering Co., Ltd., Urumchi 830013, Xinjiang , ChinaCitation: LI Zhengjun, GAI Jing’an. Research and design of four-position four-way rotary valve with automated pressure relief for blowout preventer remote control devices [J ]. Oil Drilling & Production Technology, 2022, 44(6): 706-710.Abstract: It is required to unload the closing and opening chambers of blowout preventers before repairing or replacing the rams and rubber seals of blowout preventers. The conventional three-position four-way rotary valve suffers from complex operation, waste of pressure, wear of valves and the disadvantage that all controlled components cannot be remotely operated after pressure relief of pipes. Given this, the four-position four-way rotary valve was developed. An extra oil unloading path was designed for the valve body and element, respectively to change the original valve into a four-position four-way rotary valve capable of automated pressure relief.In practice, it is required to only switch the valve handle to the unloading position to separately depressurize the repair target while maintaining the pressure in the rest pipes. All the other controlled components, except for those to be repaired, are under remote hydraulic control. The invention simplifies operations of repairing and replacing blowout preventer rams and rubber seals, reduces their energy consumption and improves their efficiency. The presented design also decreases the wear of valves attributed to repeated switching and greatly enhances operational efficiency.Key words: blowout preventer; remote control console; automated pressure relief; four-position four-way rotary valve; well control第一作者: 李正军(1988-),2011年毕业于中国石油大学(华东)石油工程专业,现从事钻井工程技术研究与管理工作。
石油钻井防喷器地面控制系统防喷器地面控制系统由蓄能器(常称远程控制台或远控台)、遥控装置(又常称司钻控制台或司控台),以及辅助遥控装置(常称辅助控制台)组成。
远控台是制备、储存与控制压力油的液压装置,由油泵、蓄能器、阀件、管线、油箱等元件组成。
通过操作换向阀可以控制压力油输入防喷器油腔,直接使井口防喷器实现开关动作。
遥控装置是使蓄能装置上的换向阀动作的遥控装置,间接操作井口防喷器的开关动作。
辅助控制台置于井队值班室,与遥控装置其功用类似。
控制装置上的三位四通转阀的遥控方式有三种:即液压传动遥控,气压传动遥控和电传动遥控。
此外,与小型钻机及修井机配套的控制装置则直接进行手动操作。
据此,控制装置分为4 种类型,即所谓液控液型、气控液型、电控液型及非遥控型。
在陆上钻井多用气控液型、电控液型及非遥控型形式的控制系统,在报告中不对液控液型控制系统做介绍。
第一章地面控制系统检修工艺流程第一节地面控制系统检修程序通则虽然地面控制系统有多种类型,但其远程控制台的形式基本类似,都是通过通过操作三位四通转阀(换向阀)可以控制压力油输入防喷器油腔,直接使井控装置实现开关。
主要不同之处在于其遥控形式,本节主要对各类控制系统通用检修程序进行表述。
典型远程控制台结构组成示意图1-气源处理元件;2-压力表;3-液气开关;4-气泵;5-1"滤油器;6-球阀;7-单向阀;8-蓄能器;9-球阀;10-气动压力变送器; 11-接线盘(方板);12-双作用气缸;13-截止阀;14-截止阀;15-三位四通转阀;16-滤油器;17-气手动减压阀; 18-高压球阀;19-溢流阀;20-蓄能器压力表;21-管汇压力表;22-环形防喷器供油压力表;23-气动调压阀; 24-气源压力表;25-分配阀 (三位四通气转阀);26-泄压阀;27-压力控制器;28-球阀;29-电控箱;30-滤油器; 31-手动减压阀;32-旁通阀;33-电机;34-溢流阀;35-电泵;36-球阀;37-滤油器;38-单向阀;39-球阀一、系统检查及调试1外观清洗清洗远控台及司控台内外油污以及附着物。
《海上钻井平台岗位技能手册》水下(井控)设备部分第一章万能防喷器第一节基本结构和组成第二节工作原理第三节主要用途第四节使用操作及注意事项第五节现场维护和检查第六节现场试压检查第二章闸板防喷器第一节基本结构和组成第二节工作原理第三节主要用途第四节使用操作及注意事项第五节现场维护保养和检查第六节现场试压检查第三章防喷器控制系统第一节基本结构和组成第二节工作原理第三节操作使用及对系统要求第四节日常维护保养检查第五节自升式平台的BOP控制系统第四章井口和隔水管连接器第一节基本结构和组成第二节工作原理第三节主要用途第四节使用及注意事项第五节现场维护保养和检查第六节现场试压检查第七节连接器试压桩的检查保养第五章事故安全阀第一节基本结构和组成第二节工作原理第三节主要用途第四节使用及注意事项第五节现场维护保养和检查第六章挠性接头第一节挠性接头第二节球接头第七章阻流压井管汇第一节阻流压井管汇的基本组成第二节阻流压井管汇的功用第三节阻流压井管汇的配置试压要求第四节阻流压井管汇控制装置第五节阻流压井管汇操作规程第六节CAMERON阻流压井管汇控制装置操作规程第七节CAMERON阻流压井管汇控制装置维护保养第八节试压程序第八章隔水管及伸缩节第一节隔水管及伸缩节的功能作用第二节对隔水管的要求第三节基本结构和组成第四节隔水管的配置第五节现场检查第九章分流设备第一节基本结构和组成第二节工作原理第三节使用操作及注意事项第十章张力设备第一节隔水管张力设备基本结构和组成第二节隔水管张力器的作用及原理第三节隔水管张力器调试程序第四节张力器操作注意事项第五节南海五号平台隔水管张力器操作规程第六节保养张力器第十一章:钻柱补偿器系统第一节基本结构和组成第二节工作原理第三节日常检查及注意事项第四节检查保养方法及步骤第十二章工具及证书的管理第一节工具的管理和使用注意事项第二节证书的管理第一章万能防喷器第一节基本结构和组成:目前在海上使用的万能防喷器生产厂家主要有三家(即HYDRIL SHAFFER 和CAMERON公司)。
时代农机TIMES AGRICULTURAL MACHINERY第45卷第1期Vol.45No.12018年1月Jan.2018(下转第116页)基金项目:中国石油大学(华东)教学研究与改革项目“卓越工程师教育培养计划下的基于工程实践能力培养的“液压传动”实验教学改革研究”、中国石油大学(华东)教学研究与改革项目“防喷器控制装置调试实验系统设计”、大学生创新创业训练项目“防喷器试验控制系统的搭建与控制”(20161169)。
作者简介:王龙庭(1983-),男,江西吉安人,在读博士,实验师,主要从事石油机械工程的实验教学工作。
防喷器控制装置的调试系统方案设计王龙庭,李璇,王斌,秦昊平,王勇胜,祖国强,陆富荣((),266580)摘要:地面防喷器控制装置是控制井口防喷器组及液动节流阀、压井阀的重要设备。
防喷器控制装置的调试系统用于对控制装置进行初始调试和定期调试,基于FK 系列地面防喷器进行了其控制装置的调试系统方案设计。
该系统可对防喷器控制装置进行泵组自动启停试验、蓄能器组充压时间试验等一系列试压试验。
关键词:地面防喷器;调试系统;方案设计在进行石油开采的过程中,为保证开采过程的安全性,防止井喷事故的发生,需要在作业的井口上安装一套防喷器组。
防喷器控制装置是控制井口防喷器组及液动节流阀、压井阀的重要设备,是钻井、修井作业中不可缺少的装置,当发生井喷或井涌时,一般是依靠地面防喷器控制装置的远控系统控制防喷器动作,达到控制井喷的目的。
若防喷器控制装置不能及时对防喷器进行控制或出现故障,后果将不堪设想,所以为了确保防喷器控制装置在使用时的控制能力,在控制装置使用前,或在使用一段时间后,有必要对其进行功能调试。
现在市面上关于防喷器控制装置的产品很多,而关于防喷器控制装置的调试产品很少,并且现有的防喷器控制装置的调试试验多是通过控制台来进行,不但不利于试验数据的处理和保存,而且对于没有控制台的手动控制的防喷器控制装置来说进行调试试验非常不便。
地面防喷器控制装置使用手册上海神开石油化工设备目录1. 概述-----------------------------------------------------------------------------------------12. 型号-----------------------------------------------------------------------------------------13. 主要技术参数------------------------------------------------------------------------------ 14. 结构及特点--------------------------------------------------------------------------------- 2 4.1 远程控制台--------------------------------------------------------------------------------- 3 4.2 司钻控制台--------------------------------------------------------------------------------- 3 4.3 空气管缆------------------------------------------------------------------------------------ 34.4 液压管线------------------------------------------------------------------------------------ 45.工作原理及使用说明--------------------------------------------------------------------- 4 5.1 电动油泵的启、停控制------------------------------------------------------------------ 4 5.2 液压系统控制原理------------------------------------------------------------------------ 55.3 气动油泵的控制--------------------------------------------------------------------------- 76.安装与试运转------------------------------------------------------------------------------ 10 6.1 安装------------------------------------------------------------------------------------------ 106.2 试运转--------------------------------------------------------------------------------------- 117. 使用、维护与润滑------------------------------------------------------------------------ 13 7.1 使用须知------------------------------------------------------------------------------------ 13 7.2 维护保养------------------------------------------------------------------------------------ 147.3 润滑须知------------------------------------------------------------------------------------ 148. 故障与排除--------------------------------------------------------------------------------- 159. 订货须知------------------------------------------------------------------------------------ 16 附录A 常用公英制计量单位换算-------------------------------------------------------- 17 附录B 防喷器液压系统推荐用液压油-------------------------------------------------- 18 附录C FKQ型地面防喷器控制装置零配件图册---------------------------------------- 181. 概述地面防喷器控制装置(以下简称液控装置)是控制井口防喷器组和液动节流、压井阀的重要设备,是钻井、修井作业中防止井喷不可缺少的装置。
目录概述 (1)第1部分地面防喷器控制装置的型号、功能及选型方法 (1)1.1型号表示方法 (1)1.2地面防喷器控制装置的组成与功能 (1)1.2.1远程控制台 (1)1.2.2司钻控制台 (2)1.2.3遥控管缆 (3)1.2.4联接管件(选购件) (4)1.3地面防喷器控制装置系列型号的配套及主要技术参数表(表1) (4)1.4地面防喷器控制装置选型要点 (4)1.6地面防喷器控制装置技术接口表 (6)第2部分安装、调试、维护、维修与保养 (6)2.1.2液压管连接(以高压软管和金属硬管组合为例)(见图1) (6)2.1.3备用液压源连接 (6)2.1.4遥控管缆连接 (7)2.1.5电源、气源连接 (7)2.2试运转 (7)2.2.1试运转前准备(可在后勤基地进行) (7)2.2.2试运转项目 (9)2.3.1使用司钻控制台操作控制 (11)2.3.2标称压力的密封试验 (12)2.4远程控制台正常工作的认定 (12)2.5远程控制台蓄能压力自然下降 (12)2.6远程控制台与司钻台压力显示值的误差 (12)2.7地面防喷器控制装置试运行、试控制常见故障及排除 (12)2.8日常检查、维护、保养 (15)2.9备用压力源的使用 (16)3.1工作原理 (17)3.1.1地面防喷器控制装置设计特点: (17)3.1.2地面防喷器控制装置气动液压原理图 (18)3.2主要元件 (21)3.2.1蓄能器 (21)3.2.2曲轴柱塞泵 (22)3.2.3气动液压泵: (24)3.2.4三位四通转阀 (28)3.2.5减压溢流阀 (30)3.2.6二位四通转阀(旁通阀) (37)3.2.7溢流阀 (38)3.2.7.1技术参数: (38)3.2.8液气开关 (39)3.2.9.4在气控司钻台上的作用 (42)3.2.10三位四通气滑阀 (42)3.2.10.1技术参数 (42)3.2.10.2结构如图所示(图13) (42)3.2.10.3工作原理 (42)3.2.10.4在气控司钻台上的作用 (43)3.2.11电机启、停控制装置——压力控制器(参见图14) (43)3.2.11.1压力控制器的作用 (43)3.2.11.4压力控制器的设定操作 (44)3.2.11.5电机启、停电控原理 (44)3.2.11.6日常维护及故障处理 (45)3.2.12直管架 (45)概述地面防喷器控制装置是控制液压防喷器、液动压井放喷阀开关动作的专用设备,是石油天然气钻井(或修井)过程防止井喷失控的不可缺少的装备。
附录三第四代钻井平台基本数据介绍一.西方阿尔华号半潜式钻井平台 (2)主要尺寸: (2)动力/推力: (2)工作参数: (2)储存容量: (3)钻井设备: (3)水下系统: (4)隔水管/制造: (4)二.杰克贝斯公司的特伦德塞特半潜式钻井平台 (5)主要尺寸: (6)助推器: (7)储存能力: (7)系泊系统。
(7)生活支持 (8)通讯设备: (9)钻井设备。
(9)循环、固控系统 (11)仪表和计算机系统: (12)防喷器、水下设备和控制装置: (13)防喷器控制系统: (14)隔水管: (15)一.西方阿尔华号半潜式钻井平台西方阿尔华(West Alpha)是由Ultra Yatzy设计并由日本新汽船公司于1986年建造的第四代自航半潜式钻井平台,平台重心低,甲板承载能力高,可达5 000吨,能够适应像水下完井那样的重型设备的工作。
该平台在1991年经过改造,并在利比里亚注册,船级为DNV,|A| 圆柱稳定装置,EO,HELDK,F—A,CRANE,POSMOOR ATA,DRILL(N)。
主要尺寸:甲板结构:70.0米(230英尺),全长89.0米(292英尺)。
宽度:66.0米(217英尺)。
高度:主甲板33.5米(110英尺),上部甲板39.5米(130英尺),钻台39.5米(130英尺)。
有效甲板面积:1800米2。
月池:9.0米×6.1米(29英尺×20英尺)。
圆柱:100米(33英尺)。
浮筒:长89.0米(292英尺)×宽13.0米(43英尺)×高12.5米(41英尺)。
动力/推力:主要动力装置:6台Hedemora W18B发动机,每台2 150千瓦(2 923马力),有两台发动机完全配备作应急发电机。
发电机:6台NEBB WAB800E,6HW发电机,每台2 000千瓦(600伏)。
动力分配:有两个完全配备有独立发电机、配电盘和辅助服务室的独立电路,14个直流马达用的可控硅整流器。