实木地板检测标准
- 格式:doc
- 大小:234.50 KB
- 文档页数:8
实木地板质量检测流程及标准下载温馨提示:该文档是我店铺精心编制而成,希望大家下载以后,能够帮助大家解决实际的问题。
文档下载后可定制随意修改,请根据实际需要进行相应的调整和使用,谢谢!并且,本店铺为大家提供各种各样类型的实用资料,如教育随笔、日记赏析、句子摘抄、古诗大全、经典美文、话题作文、工作总结、词语解析、文案摘录、其他资料等等,如想了解不同资料格式和写法,敬请关注!Download tips: This document is carefully compiled by theeditor.I hope that after you download them,they can help yousolve practical problems. The document can be customized andmodified after downloading,please adjust and use it according toactual needs, thank you!In addition, our shop provides you with various types ofpractical materials,such as educational essays, diaryappreciation,sentence excerpts,ancient poems,classic articles,topic composition,work summary,word parsing,copy excerpts,other materials and so on,want to know different data formats andwriting methods,please pay attention!实木地板质量检测流程及标准解析实木地板,以其自然的纹理、优良的质感和良好的环保性能,一直深受消费者的喜爱。
实木地板环保标准一、实木地板环保标准有哪些呢?实木地板的环保标准可是个很重要的事儿呢,毕竟这关系到我们的生活环境和健康呀。
1. 甲醛释放量标准现在市场上比较常见的标准是E级标准。
E1级标准规定实木地板的甲醛释放量每立方米不得超过1.5毫克。
这个标准就像是一个门槛,合格的实木地板得达到这个要求才行哦。
就像我们考试60分及格一样,这是最基本的要求啦。
如果甲醛释放量超标,那可就像有个小恶魔在我们家里,慢慢地影响我们的健康,可能会让我们觉得嗓子不舒服,眼睛也难受呢。
还有更严格的E0级标准,它要求甲醛释放量每立方米不超过0.5毫克。
这种地板就像学霸一样,超级优秀,是追求高品质生活的人的好选择。
2. 木材原料的环保考量实木地板的木材来源也很关键哦。
如果是来自可持续森林管理的木材,那就是很环保的。
比如说那些经过FSC(森林管理委员会)认证的木材,这就意味着这些木材的采伐是合理的,不会对森林造成过度破坏。
就像我们要吃健康的食物,木材也得是健康来源的才行。
有些木材本身可能含有天然的有害物质,像有些热带木材可能含有天然的挥发性有机化合物(VOCs),虽然量可能比较少,但在选择的时候也得注意。
3. 加工过程中的环保因素在实木地板的加工过程中,如果使用了环保的胶粘剂和油漆,那也是符合环保标准的一个重要方面。
比如说水性漆,它的有机溶剂含量低,挥发到空气中的有害物质就少。
这就好比我们化妆要用天然的化妆品一样,对皮肤好,对环境也好。
加工过程中的能源消耗也是一个考量点。
那些采用清洁能源或者节能加工技术的厂家生产的实木地板,在环保方面也更有优势呢。
反正就是说,我们在选择实木地板的时候,要多关注这些环保标准,这样才能让我们的家既漂亮又健康。
室内木地板检验批
一、检验目的
为了确保室内木地板符合相关标准和合同要求,特进行本次检验。
二、检验范围
本次检验的室内木地板品种、规格、数量如下:
品种:实木地板
规格:宽120mm,厚15mm,长度3m以下
数量:2000㎡
三、检验标准
本次检验参照《地板检验规程》(GB/T -2019)和相关标准和合同要求。
四、检验内容与方法
1. 外观质量
检验地板的颜色、纹理、平整度、饰面层厚度以及表面饰面是
否有裂纹、鼓泡等缺陷。
检验方法:裸眼观察和手摸。
2. 物理性能
检验地板的磨损性、硬度、冲击性,以及地板表面是否易滑动、燃烧性、渗水性和吸潮性。
检验方法:参照相应检测标准使用专业仪器进行检测。
3. 化学性能
检验地板中甲醛和苯等有害物质的含量是否符合有关标准和法
规的规定。
检验方法:参照相应检测标准使用专业仪器进行检测。
五、评定结果
1. 外观质量
允许少量小面积缺陷,但不得影响使用效果,否则需退换。
2. 物理性能
检测结果需符合合同约定和相关标准规定。
3. 化学性能
检测结果需符合有关法规和标准。
六、检验结论
本次室内木地板检验结果符合有关标准和合同要求,可以发货使用。
七、检验意见
建议生产厂家继续保持产品的质量,提高产品的稳定性,减少缺陷率,达到更好的市场表现。
实木复合地板质量检测标准
引言
实木复合地板是一种常见的地板材料,为了保证其质量,需要进行严格的检测。
本文旨在介绍实木复合地板的质量检测标准,以帮助相关人员进行地板质量检验。
1. 外观质量检测标准
- 地板表面应平整、无明显凹凸。
- 铺装后地板之间应无明显缝隙。
- 地板边缘应整齐、无毛刺。
- 地板色泽应均匀,无色差。
2. 物理性能检测标准
- 抗压强度:地板的抗压性能应符合国家标准要求。
- 耐磨性:地板的耐磨性能应符合国家标准要求。
- 阻燃性:地板的阻燃性能应符合国家标准要求。
- 吸水膨胀率:地板的吸水膨胀率应符合国家标准要求。
3. 环境性能检测标准
- VOC释放量:地板的VOC释放量应符合国家标准要求。
- 甲醛释放量:地板的甲醛释放量应符合国家标准要求。
- 放射性:地板的放射性应符合国家标准要求。
4. 包装质量检测标准
- 包装完好:地板包装应完好无损,防止在运输过程中受到损坏。
- 标识齐全:地板包装上应清晰标注产品信息、质量标准等内容。
5. 检测方法
- 外观质量检测可通过目测实施。
- 物理性能检测可通过实验室测试等方法实施。
- 环境性能检测可通过实验室测试等方法实施。
- 包装质量检测可通过目测和检验等方法实施。
结论
本文介绍了实木复合地板的质量检测标准,涵盖了外观质量、物理性能、环境性能以及包装质量等方面。
只有通过严格的质量检测,才能确保实木复合地板的质量合格,满足用户的需求。
实木地板环保等级及标准
随着人们环保意识的提高和生态环境的日益恶化,越来越多的人
开始选择环保和质量上乘的实木地板。
然而,如何识别实木地板的环
保等级呢?下面我来给大家介绍一下相关标准和步骤。
第一步:了解环保等级标准
中国实木地板的环保等级标准按照国际标准E0、E1、E2等级来划分。
其中,E0类别是最环保的标准,它的甲醛释放量小于0.5毫克/升;E1类别是环保标准,甲醛释放量小于1.5毫克/升;E2类别是标准,其甲醛释放量小于5毫克/升。
第二步:查看相关证书
在购买实木地板时,一定要仔细查看相关证书,特别是要看国家标准CMC和环保标志,还要检查包装和说明书上是否有有关环保等级的标准。
如图所示,中国环境标志产品认证是一种著名的国家环保认证标志。
第三步:闻气味
在实木地板靠近地面的地方,能嗅到是否有气味,如果有刺鼻气味,
这样的实木地板就不太环保了。
如果实木地板有香味,那么就是天然
材料,比较环保。
如果有刺激味,就表明甲醛含量较多,所以千万不
要买有味道的实木地板。
第四步:观察质量
好的实木地板不论从规格尺寸、色泽、结构、工艺等方面都很优秀。
要严格查看实木地板的加工质量,检查胶合和脆裂现象是否严重。
同时,比较实木地板之间的差别,是不是都是吸水量、抗磨损性、抗变
形等方面的。
在购买实木地板时,一定要警惕低价产品,因为低价的实木地板
往往是使用低质量的原材料制作而成的,甲醛含量也很高。
了解实木
地板的环保等级标准和购买技巧,才能选购到质量上乘和环保的实木
地板,更好地保护自己和家人的健康。
实木地板检测标准
实木地板是一种高档、环保的地板材料,在使用前需要进行一系列的质量检测。
以下是一般的实木地板检测标准:
1. 外观质量检测:包括地板表面的平整度、颜色、纹理等方面的要求。
地板表面应平整、光滑,无明显的色差和瑕疵。
2. 尺寸精度检测:地板的长度、宽度、厚度等尺寸应符合规定的标准范围。
同时,地板的榫槽尺寸与榫头尺寸也要符合标准要求。
3. 物理性能检测:主要包括地板的硬度、抗弯强度、耐磨性等性能的评估。
地板应具备足够的硬度和抗弯强度,能够承受正常使用条件下的荷载。
4. 含水率检测:地板材料的含水率对地板的使用寿命和性能有着重要的影响。
合格的实木地板含水率一般应在6%-12%之间。
5. 粘结强度检测:检测地板中各层之间的粘结强度,确保地板的层间粘结牢固。
除了以上的基本标准外,不同地区和国家可能会有不同的地板检测标准和要求。
购买实木地板时,建议参考相关的国家或地区标准,并选择符合标准的可靠生产商的产品。
同时,在使用过程中,也要注意地板的保养和维护,以确保其长期使用效果和品质。
《实木地板国家标准》GBT15036GB/T15036.1国家标准《实木地板》分为两个部分——国家标准第一部分:技术要求——国家标准第二部分:检验部分本部分为GB/T15036的第一部分。
本部分代替GB/T15036.1—2001《实木地板技术条件》本部分与GB/T15036.1—2001相比主要变化如下:——本部分国家标准修改了定义中内容;——本部分国家标准修改了分类中内容;——本部分国家标准修改补充了主要适用树种名称;——本部分国家标准增加了实木仿古实木地板性能要求;——本部分国家标准增加了实木地板尺寸要求;——本部分国家标准放宽了实木地板长度偏差要求;——本部分国家标准放宽了活节、死节、裂纹限制要求;——本部分国家标准加严了漆膜皱皮限制要求;——本部分国家标准修改了翘曲度限制要求;——本部分国家标准对实木地板含水率要求进行了调整。
本部分国家标准由国家林业局提出。
本部分国家标准由中国木材标准化技术委员会归口。
本部分国家标准由中国木材标准化技术委员会原木锯材技术委员会、广东盈然木业有限公司、浙江省林产品质量检测站负责起草。
本部分国家标准由中国木材标准化技术委员会负责解释。
本部分国家标准所代替标准的历次版本发布情况为:——GB/T15036.1—1994、GB/T15036—2001。
实木地板第1部分:技术要求1 范围GB/T15036国家标准的本部分国家标准规定了室内用实木地板的术语和定义、分类、适用木材、技术要求及标志、包装、运输、储存的要求。
本部分国家标准适用于气干密度不低于0.32g/cm?的针叶树木材和气干密度不低于0.50g/cm?的阔叶树木材制成的实木地板。
2 国家标准规范性引用文件下列文件中的条款通过GB/T15036本部分国家标准的引用而成为本部分的条款,凡注日期的引用文件,其随后所有的修改单(不包括勘误的内容)或修订版均不适用于本部分,然而,鼓励根据本部分国家标准达成协议的各方研究是否可使用这些文件的最新版本,凡是不注日期的引用文件,其最新版本适用于本部分国家标准。
实木地板验收标准一、外观验收:名称表面背面优等品一等品合格品活节直径≤5长度≤500 mm,≤2个长度>500 mm,≤4个5mm<直径≤15mm长度<500 mm,≤2个长度>500mm,≤4个直径≤20 mm个数不限尺寸与个数不限死节不许有直径≤2 mm长度≤500mm,≤1个长度>500mm,≤3个直径≤4 mm≤5个直径≤20mm个数不限蛀孔不许有直径≤0.5 mm≤5个直径≤2mm≤5个直径≤15mm个数不限树脂囊不许有长度≤5 mm宽度≤1 mm≤2条不限髓斑不许有不限不限腐朽不许有初腐且面积≤20%,不剥落,也不能捻成粉末缺棱不许有长度≤板长的30% 宽度≤板宽的20%裂纹不许有宽≤0.1 mm长≤15 mm,≤2条宽≤0.3 mm长≤50mm,条数不限加工波纹不许有不明显不限漆膜划痕不许有轻微—漆膜鼓泡不许有—漏漆不许有—漆膜上针孔不许有直径≤0.5 mm,≤3个—漆膜皱皮不许有<板面积5% —漆膜粒子长≤500mm,≤2个长>500mm,≤4个长≥500mm,≤4个长≥500mm,≤8个—注:1.凡在外观质量检验环境条件下,不能清晰地观察到的缺陷即为不明显。
2.倒角上漆膜粒子不计。
二、尺寸偏差:名称偏差长度长度≤500时,公称长度与每个测量值之差绝对值≤0.5mm 长度>500时,公称长度与每个测量值之差绝对值≤1.0mm宽度公称宽度与平均宽度之差绝对值≤0.3mm,宽度最大值与最小值之差≤0.3mm厚度公称厚度与平均厚度之差绝对值≤0.3mm 厚度最大值与最小值之差≤0.4mm注:1.实木地板长度和宽度是指不包括榫舌的长度和宽度。
2.镶嵌地板只检量方形单元的外形尺寸。
3.榫接地板的榫舌宽度应≥4.0mm,槽最大高度与榫最大厚度之差应为0至0.4mm。
三、形状位置偏差:名称偏差翘曲度横弯长度≤500mm时,允许≤0.02%;长度>500mm时,允许≤0.03% 翘弯宽度方向:凸翘曲度≤0.2%,凹翘曲度≤0.15%顺弯长度方向:≤0.3%拼装离缝平均值≤0.3 mm;最大值≤0.4 mm拼装高度差平均值≤0.25 mm;最大值≤0.3mm四、物理力学偏差:名称单位优等一等合格含水率% 7≤含水率≤我国各地压的平衡含水率漆板表面耐磨g/100 r≤0.08且漆膜未磨透≤0.10且漆膜未磨透≤0.15且漆膜未磨透漆膜附着力-0~1 2 3漆膜硬度-≥H注:含水率是指地板在未拆封和使用前的含水率五、包装、运输:1、、包装产品入库时应按树种、规格、批号、等级、数量用聚乙烯吹塑薄膜密封后装入硬纸板箱内或装入包装袋内,同时装入产品质量检验合格证,外用聚乙烯或聚丙烯塑料打扎带捆扎。
木地板需要检测哪些项目呢?有哪些检测标准呢?木地板就是木材制成的地板,由于其保温性好、美观自然、耐久性强等优点,被广泛的应用在家居行业中。
关于木地板你了解多少呢?你知道哪里可以检测木地板吗?木地板需要检测的项目及标准有哪些吗?今天,青岛英伦检测就带大家一起了解一下:检测项目:有害物质检测、白度、门尼粘度、硬度、密度、强度试验、抗压强度试验、拉伸试验、弯曲试验、阻燃性能、化学性能、防火、脉冲、电阻率、撕裂、闪点、熔点、熔融指数、燃烧性能等。
检测标准:GB/T 34743-2017 栎木实木地板GB/T 35913-2018 地采暖用实木地板技术要求HG/T 4223-2011 木地板铺装胶粘剂JC/T 636-1996 木地板胶粘剂LY/T 1703-2007 实木地板生产综合能耗GB/T 15036.1-2018 实木地板第1部分:技术要求GB/T 15036.2-2018 实木地板第2部分:检验方法GB/T 19995.2-2005 天然材料体育场地使用要求及检验方法第2部分:综合体育场馆木地板场地GB/T 28992-2012 热处理实木地板GB/T 31745-2015 高耐磨漆饰实木地板GB/T 31757-2015 户外用防腐实木地板GB/T 34743-2017 栎木实木地板GB/T 35913-2018 地采暖用实木地板技术要求HDB/LY003-2007 实木地板加工贸易单耗标准HG/T 4223-2011 木地板铺装胶粘剂JC/T 636-1996 木地板胶粘剂LY/T 1703-2007 实木地板生产综合能耗LY/T 1854-2009 室内高湿场所用木地板以上是第三方检测机构总结的部分关于木地板检测的项目及标准,希望对大家有所帮助!。
木地板铺设质量国家验收标准木地板铺设标准应从大面积、平整度、两块地板榫头、榫槽联接的平整度、缝隙大小进行验收。
(1)铺设后大面积平整度按照WB/T1016——2002标准,实木地板≤5mm、实木复合地板≤3mm。
测定方法:通常用目测若无明显高低不平即可。
若有特殊要求精测可以采用2m直尺,其测试方法:将2m靠尺置地紧贴成水平状,然后在2m靠尺离地距离最大处,将塞尺塞入,量出的值小于上述数据即为合格(测试点每室不小于两处)。
(2)拼接高度差拼接高度差就是两块地板拼接后,高低的差别。
铺设后按WB/1016——2002标准,实木地板≤0.6mm、木复合地板≤0.2mm测定方法:通常用目测或用足测,即足踩在地板上无明显高低即可,若有特殊要求须精测,可用短钢板尺直贴地板表面,将塞尺塞入离地最大距离处得到的值,即为测试值(在测试中,每室也必须两处以上)。
(3)拼接缝隙拼接缝隙就是指两块单块地板拼装后相互离开的距离,称为拼接缝隙。
拼接缝隙大小值衡量,采用拼接缝隙宽度值来衡量,按原国家经济贸易委员会发布的WB/1016——2002标准为,实木地板≤0.6mm、复合地板≤0.4mm。
测定方法:通常用目测无明显缝隙,如果干燥季节铺设如北京暖气开放期间铺设要求不能过于紧密,以免雨季时过紧而产生另一缺陷——拱起。
精确测定可采用塞尺塞入,缝隙中的塞片规格所标的植,就可得知缝隙值。
铺设质量验收按WB/T1016——2002时,应注意以下两方面:第一,木地板基层验收,应在木地板面层施工前达到验收合格才能铺设。
第二,木地板的面层验收,应该在竣工后三天内验收,超过者按保修期内面层验收规范。
实木地板保修期内面层检验规范实木地板铺设一周后对其面层验收,按WB/T1016——2002与WB/T1017——2002实木地板保修期内面层检验规范来检验,具体如下:面层平整度铺设面层平整度应达到:实木地板≤6mm;实木复合地板≤3mm。
拼接高度差木地板虽然经过科学加工处理,不会产生较大的变化,但应是天然属性材料,还会有微量的湿胀干缩变化,其拼装高度差较铺设面层高度差0.1mm。
实木地板CE认证EN14342标准
实木地板是天然木材经烘干、加工后形成的地面装饰材料。
又名原木地板,是用实木直接加工成的地板。
2008年3月1日起,所有在欧盟市场销售的实木地板都必须经过CE认证,其产品加贴CE标识,才能在市场范围内销售。
实木地板CE认证根据EN 14342标准进行认证。
EN14342-2013 实木复合地板-特性,合格评价和标记
实木地板CE认证测试项目标准:
EN717-1:甲醛的释放
EN13501-1:建筑材料的防火等级判定
EN9239-1:地板的燃烧测试
EN11925-1:燃烧测试的反应-受火建筑材料的燃烧性能
EN1533:木地板-弯曲性能的测定
EN13986:建筑用木板-特性,符合评估和标志
实木地板CE认证流程:
1、项目申请——向检测机构监管递交CE认证申请。
2、资料准备——根据CE认证要求,企业准备好相关的认证文件。
3、产品测试——企业将待测样品寄到实验室进行测试。
4、编制报告——认证工程师根据合格的检测数据,编写报告。
5、递交审核——工程师将完整的报告进行审核。
6、签发证书——报告审核无误后,颁发CE认证证书。
木地板验收标准木地板是一种常见且受欢迎的地板材料,其天然美观、环保无污染、易于清洁养护等特点备受消费者青睐。
然而,由于木地板的安装工艺和材料质量的差异,存在一定的检验标准进行验收是必要的。
本文将介绍一些常用的木地板验收标准,以帮助消费者正确选择优质的木地板。
一、表面平整度验收标准木地板的表面平整度是室内地面的基本要求之一,对于木地板施工,表面平整度的验收标准主要有以下几点:1. 视觉检查:裸眼观察地板表面是否有凹凸不平的部分,如高低差、砂眼、裂缝等。
2. 使用直尺:将直尺平放在地板上,观察是否与地板接触完全,没有明显的起伏或间隙。
3. 使用灯光照射:借助灯光的照射,观察地板表面是否有过于明显的光斑或影子,这可能表明地板有明显的凹凸或不平整处。
二、接缝牢固度验收标准木地板的接缝牢固度是指地板之间的连接是否紧密稳固,下面是常用的验收标准:1. 手感检查:用手轻轻抚摸接缝部分,感受地板之间的连接是否平整,是否有明显的凹凸感。
2. 进一步检查:用钥匙或硬币轻轻插入接缝处,检查地板是否有松动的现象或者接缝间隙是否过大。
三、颜色一致性验收标准木地板的颜色一致性是指地板板面颜色的均匀程度,下面是常用的验收标准:1. 视觉检查:用肉眼观察木地板板面颜色是否均匀,有无明显的色差或色斑。
2. 光线检查:在不同光线条件下,观察木地板板面的颜色是否有异常变化,如色彩过浅或色彩不均匀。
四、饰面厚度验收标准木地板的饰面厚度是指地板表面的木质饰面层的厚度,下面是常用的验收标准:1. 使用卡尺:用卡尺测量地板的饰面层厚度,与产品说明书中的标准厚度进行比对,看是否符合要求。
2. 弯曲检查:用手轻轻弯曲地板,观察饰面层是否有明显的破损或者起层现象。
五、抗磨性能验收标准木地板的抗磨性能是指地板表面抵抗磨损的能力,下面是常用的验收标准:1. 摩擦测试:使用标准化的磨擦测试设备对地板进行测试,观察地板表面的磨耗程度和抗磨层的损伤情况。
2. 行走检查:在已安装的地板上行走,观察地板表面是否有明显的磨损痕迹,如刮痕、花纹褪色等。
木地板家用一级和二级的标准
木地板家用一级和二级的标准如下:
1. 质量等级:根据国家相关标准,实木地板的质量等级可以分为优等品、一等品和合格品三个等级。
2. 环保性能等级:根据环保性能,实木地板可以分为A级和B级两个等级。
A级地板的甲醛释放量≤9mg/100g,B级地板的甲醛释放
量>9~40mg/100g。
3. 含水率指标:国家标准规定实木地板的含水率指标为7%至销售地点的平衡含水率。
4. 漆板表面耐磨指标:优等品实木地板漆板表面耐磨指标≤/100r,一等品
≤/100r,合格品≤/100r。
5. 漆膜附着力指标:优等品实木地板漆膜附着力指标为0~1级,一等品≤2级,合格品≤3级。
6. 漆膜硬度指标:优等品实木地板漆膜硬度指标为2H级,一等品和合格品≥H。
以上是木地板家用一级和二级的标准,具体标准可能会因地区、品牌、材质等因素而有所不同。
在购买时,建议仔细查看产品说明和检测报告,了解产品的质量和环保性能等方面的信息。
实木地板检测标准实木地板作为一种高档地板材料,具有自然美观、环保健康等优点,受到了广大消费者的喜爱。
然而,市场上的实木地板种类繁多,质量良莠不齐,因此制定一套科学的检测标准对于保障消费者的权益和推动实木地板行业的健康发展至关重要。
一、外观检测实木地板的外观是消费者选择的重要指标之一。
外观检测主要包括地板表面光洁度、色泽、纹理等方面的评估。
地板表面应光滑平整,无明显瑕疵,如裂缝、凹凸等。
色泽应均匀一致,没有明显的色差。
纹理应自然、清晰,符合实木地板的特点。
二、尺寸检测实木地板的尺寸检测主要包括地板的厚度、宽度和长度的测量。
地板的厚度应符合国家标准,一般为15mm或18mm。
宽度和长度应与产品说明书一致,误差应控制在合理范围内。
三、耐磨性检测耐磨性是评价实木地板使用寿命的重要指标之一。
耐磨性检测主要使用磨损试验机进行,通过模拟实际使用条件来测试地板的耐磨性能。
常见的测试方法包括砂轮磨损法和轮椅磨损法。
检测结果应符合国家标准,地板的耐磨性能应达到一定的等级。
四、抗弯强度检测抗弯强度是评价实木地板质量的重要指标之一。
抗弯强度检测主要通过三点弯曲试验来进行,测试地板在受力情况下的变形和破坏情况。
合格的实木地板应具有较高的抗弯强度,能够承受一定的荷载而不发生明显的变形和破坏。
五、含水率检测实木地板是一种吸湿性较强的材料,含水率直接影响地板的稳定性和使用寿命。
含水率检测主要通过测量地板中的水分含量来进行,一般使用电子称重法或重量法进行。
合格的实木地板应具有适当的含水率,一般控制在8%至12%之间。
六、甲醛释放检测甲醛是一种有害气体,对人体健康具有一定的危害性。
实木地板中的胶水可能含有甲醛,因此甲醛释放检测是保障消费者健康的重要环节。
常见的检测方法包括采样分析法和气相色谱法。
合格的实木地板应符合国家标准,甲醛释放量应控制在合理范围内。
实木地板的检测标准主要包括外观检测、尺寸检测、耐磨性检测、抗弯强度检测、含水率检测和甲醛释放检测等方面。
实木地板质量标准
实木地板质量标准可以根据不同国家或地区的相关规范和标准来确定。
以下是一些常见的实木地板质量标准的概述:
1. EN标准:欧洲标准(EN)通过EN 13629标准规定了实木地板的分类、性能要求和测试方法。
该标准涵盖了实木地板的维度、湿度、耐磨性、抗折性能等要求。
2. ASTM标准:美国材料与试验协会(ASTM)通过ASTM D7031和ASTM D1666等标准规定了实木地板的质量评估和测试方法。
这些标准包括了对实木地板耐磨性、抗湿气、厚度变化、弯曲性等方面的要求。
3. GB标准:中国国家标准(GB)对实木地板的质量和性能要求进行了规定。
具体标准可以参考GB/T 18103和GB 28010等。
此外,一些商业组织和行业协会也可能制定了自己的实木地板质量标准,如美国木质地板制造商协会(NWFA)的规定、欧洲木质地板制造商联盟(FEP)的规定等。
重要的是,选择和购买实木地板时,建议参考当地的法规、标准,以及相关行业协会的建议。
同时还要考虑地板的材质、制造工艺、表面处理、保修等因素,以确保所选地板符合所需质量标准,适应所在地区的环境和使用要求。
实木地板国家质量标准实木地板是一种高档地板材料,具有天然木材的纹理和质感,受到了消费者的青睐。
然而,由于市场上存在着各种各样的实木地板产品,质量良莠不齐,导致消费者在选购时往往难以辨别。
为了规范实木地板市场,保障消费者的权益,我国制定了一系列的实木地板国家质量标准,以此来规范实木地板产品的生产和销售。
首先,实木地板的国家质量标准对于原材料的要求非常严格。
实木地板的原材料应当选用具有一定硬度和耐磨性的木材,如橡木、胡桃木、樱桃木等。
而且,这些木材应当经过干燥处理,以确保地板的稳定性和耐久性。
此外,对于原材料的含水率、木材的纹理和颜色等方面也有详细的规定,以确保实木地板的质量符合国家标准。
其次,实木地板的国家质量标准对于地板的加工和制作工艺也有着严格的要求。
在生产过程中,地板应当经过多道工序,包括干燥、切割、拼接、打磨、涂装等,以确保地板的平整度、表面光滑度和色泽一致性。
此外,对于地板的尺寸、厚度、榫槽的加工精度等方面也有着详细的规定,以确保地板的安装和使用效果。
再次,实木地板的国家质量标准对于地板的环保性能也有着严格的要求。
地板在生产过程中不得使用有害物质,如甲醛、苯等,以确保地板在使用过程中不会对人体健康造成危害。
此外,地板的甲醛释放量、耐磨性、防水性、防火性等方面也有着详细的规定,以确保地板符合国家的环保标准。
最后,实木地板的国家质量标准对于地板的检测和验收也有着详细的规定。
在生产出厂前,地板应当经过国家认可的检测机构进行检测,确保地板的质量符合国家标准。
而在销售和安装过程中,消费者也应当按照国家标准进行验收,确保所购买的地板符合国家标准,以免造成不必要的损失。
总之,实木地板国家质量标准的制定对于规范实木地板市场,保障消费者的权益具有着重要的意义。
只有严格执行国家标准,才能保证实木地板产品的质量和环保性能,让消费者放心选购和使用实木地板产品。
希望生产企业和消费者都能够共同遵守国家标准,共同维护实木地板市场的良好秩序,推动实木地板行业的健康发展。
实木地板是木材直接加工而成的地板。
主要有榫接实木地板(又称企口地板),可分油漆板和素板两类。
近年来,随着装饰装修流行趋势的变化,仿古实木地板成为其中新的品种。
质量检验指标:
1.含水率。
根据国家标准规定,实木地板的含水率量指标为7.0%至各使用地区的木材平衡含水率,且同批地板间、同块地板内含水率极差不超过4.0%。
地板含水率过高或过低均不利于产品后期使用,过高则易出现收缩变形、开裂等质量缺陷;过低则易产生翘曲变形,造成地板吸湿而膨胀变形,干燥中还易引起内裂等。
最终导致漆面缺陷的产生,影响美观和使用。
2.漆面质量。
实木地板的漆面质量主要包括:漆膜表面耐磨、漆膜附着力和漆膜硬度3项指标。
反映了实木地板产品涂层抗耐磨、抗割划、抗冲击的性能。
不同等级的实木地板对上述指标的要求不同。
表面耐磨性差则易使使用过程漆膜磨损,影响产品寿命;漆膜附着力差则漆膜易脱落,影响外观和产品使用;漆膜硬度低则容易磨损并承受不了一定的冲击。
3.加工精度。
该指标是评定实木地板机械加工质量好坏的主要依据。
反映了实木地板块之间的配合精度。
消费者可用10块地板通过随机的拼装来评定其精度,主要看拼装缝隙、离缝和高低差。
中华人民共和国
国家质量监督检验检疫总局发布
目录
GB/T15036.1—2001实木地板技术条件
GB/T15036.2—2001实木地板检验和试验方法
前言
GB/T15036.1~15036.6—1994《实木地板块》自1994年10月1日实施以来,已历时六年。
它对我国实木地板的生产、经销、使用和对外贸易都起到了重要作用,有必要进行修订。
本标准对前版的重要修改和补充有:将前版六个标准合并为两个标准;删去竖木地板块的内容;扩大了适用树种、增加了漆饰实木地板的内容;对原标准中的参数指标进行简化,只保留长、宽、厚等几个主检指标;在材质缺陷上对节子的要求放宽,同时加严对裂缝、腐朽的限制;取消对木材硬度、冲击韧性和耐磨性方面的内容。
本标准附录A是标准的附录。
本标准从实施之日起,同时代替GB/T15036.1~15036.5—1994.
本标准由国家林业局提出.
本标准由中国木材标准化技术委员会和中国林产工业协会地板委员会负责起草。
本标准参加起草单位:浙江绍兴富得利木业有限公司、杭州大庄地板有限公司、上海安信地板有限公司、上海木材工业研究所、云南省质量检验协会竹木产品家具专业委员会。
本标准主要起草人:王铁力、吕斌、孟荣富、林海、卢伟光、张戟、方崇荣、张志文。
本标准由中国木材标准化技术委员会负责解释。
中华人民共和国国家标准
GB/T15036.1—2001
实木地板技术条件
代替GB/T15036.1~15036.5—1994.
Solid wood flooring—Technical condition
1范围
本标准规定了实木地板的定义、分类、技术要求以及包装、标志、运输和贮存的要求。
本标准适用于气干密度不低于0.32g/cm3针叶树木材和气干密度不低于0.50 g/cm3阔叶树木材制成的地板.
2引用标准
下列标准所包含的条文,通过在本标准中引用而构成为本标准的条文。
本标准出版时,所示版本均为有效。
所有标准都会被修订,使用本标准的各方应探讨使用下列标准最新版本的可能性。
GB/T6491—1999 锯材干燥质量
GB/T4823—1995 锯材缺陷
GB/T18103—2000 实木复合地板
3定义
本标准采用下列定义。
3.1实木地板 solid wood flooring
用木材直接加工而成的地板。
3.2榫接地板 mortise join flooring
侧、端面为榫、槽的实木地板。
同义词企口地板
3.3平接地板 flate join flooring
无榫、槽的实木地板。
同义词平口地板
3.4镶嵌地板 mosaic parquet flooring
由榫接或平接地板组成方形单元,再用铝丝、胶纸或胶网将这些单元纵横拼装而成的方形图案地板。
同义词木质马赛克
3.5未涂饰地板 unlacqered wood flooring
表层没有涂饰的实木地板。
同义词素板
3.6漆饰地板 lacquered wood flooring
表层涂漆的实木地板。
3.7拼装离缝 gap
拼装时相邻地板块之间(侧面和端面)产生的缝隙。
3.8腐朽decay
见GB/T 4823—1995中3.3
3.9树脂囊 resin pocket
见GB/T 4823—1995中3.6.6
3.10蛀孔 bore hole
见GB/T 4823—1995中3.4.
3.11髓斑 pith fleck
见GB/T 4823—1995中3.9.4
3.12缺棱 wane
见GB/T 4823—1995中3.7.1
3.13漏漆 exposed unster
见GB/T 18103—2000中3.9
3.14漆膜鼓泡 blister
见GB/T 18103—2000中3.10
3.15针孔 pin holes
见GB/T 18103—2000中3.11.
3.16皱皮 wrinkling
见GB/T 18103—2000中3.12.
3.17粒子 nib
见GB/T 18103—2000中3.13.
4分类
本标准规定以下产品类别:榫接地板;平接地板;镶嵌地板;铝丝榫接镶嵌地板;胶纸或胶网平接地板。
5适用树种
国内外主要适用树种见附录A(标准的附录)。
也可采用附录A以外且满足气干密度要求的树种(可参见国家有关木材名称标准或通过法定授权的权威部门经过树种鉴定确定的木材名称)。
6技术要求
6.1分等
根据产品的外观质量、物理力学性能分为优等品、一等品和合格品。
6.2外观质量要求
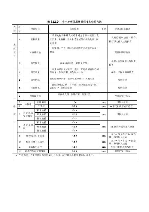
见表1。
表1 实木地板的外观质量要求
6.3加工精度
6.3.1尺寸及偏差见表2。
表2 实木地板的主要尺寸及偏差
3.2形状位置偏差见表3。
表3 实木地板形状位置偏差
6.4物理力学性能指标
见表4。
表4实木地板的物理力学性能指标
7包装、标志、运输和贮存
7.1包装
产品入库时应按树种、规格、批号、等级、数量用聚乙烯吹塑薄膜密封后装入硬纸板箱内或装入包装袋内,同时装入产品质量检验合格证,外用聚乙烯或聚丙烯塑料打扎带捆扎。
对包装有特殊要求时,可由供需双方商定。
7.2标志
产品包装箱或包装外表应印有或贴有清晰且不易脱落的标志,用中文注明生产厂名、厂址、执行标准号、产品名称、规格、木材名称、等级、数量(m2)和批次号等标志。
7.3运输和贮存
产品在运输和贮存过程中应平整堆放,防止污损、潮湿、雨淋,防晒、防水、防火、防虫蛀。