城建档案馆组卷表格模板2、3、4、5号楼档案馆封面(档案盒正面)(1)
- 格式:docx
- 大小:36.89 KB
- 文档页数:61
建筑与结构工程施工技术资料第一卷施工管理资料工程名称:建设单位:监理单位:施工单位:项目技术负责人:竣工日期:年月日建筑与结构工程施工技术资料第二卷施工准备技术资料工程名称:建设单位:监理单位:施工单位:项目技术负责人:竣工日期:年月日建筑与结构工程施工技术资料第三卷施工测量记录工程名称:建设单位:监理单位:施工单位:项目技术负责人:竣工日期:年月日建筑与结构工程施工技术资料第四卷施工物质资料工程名称:建设单位:监理单位:施工单位:项目技术负责人:竣工日期:年月日建筑与结构工程施工技术资料第五卷施工试(检)验记录工程名称:建设单位:监理单位:施工单位:项目技术负责人:竣工日期:年月日建筑与结构工程施工技术资料第六卷施工过程记录工程名称:建设单位:监理单位:施工单位:项目技术负责人:竣工日期:年月日建筑与结构工程施工质量验收资料第七卷地基与基础分部工程施工质量验收资料工程名称:建设单位:监理单位:施工单位:项目技术负责人:竣工日期:年月日第八卷主体结构工程施工质量验收资料工程名称:建设单位:监理单位:施工单位:项目技术负责人:竣工日期:年月日第九卷建筑装饰装修工程施工质量验收资料工程名称:建设单位:监理单位:施工单位:项目技术负责人:竣工日期:年月日第十卷建筑屋面分部工程施工质量验收资料工程名称:建设单位:监理单位:施工单位:项目技术负责人:竣工日期:年月日。
现代建筑工程资料归档组卷及保管期限表(doc 10页)附录 A 建筑工程资料(文件)归档组卷目录及保管期限分类名称案卷名称分类代码资料(文件)名称保存单位和保管期限专业名称案卷题名建设单位施工单位设计单位监理单位城建档案A类建设单位文件或资料工程准备阶段文件A1立项文件A1-1 立项申请报告及批复永久√A1-2 可行性研究报告及批复永久√A1-3 环境影响评价报告书及批复永久√A1-4 固定资产投资许可证或相应资金证明文件永久√A1-5 工程立项的会议纪要及领导批示永久√A1-6 工程立项的专家建议资料永久√A1-7 工程项目的评估研究资料长期√A2建设用地征地拆迁文件A2-1 选址申请及选址规划意见通过书永久√A2-2 建设用地批准文件永久√A2-3 拆迁安置意见、协议、方案等长期√A2-4 建设用地规划许可证及附件永久√A2-5 划拨建设用地文件永久√A2-6 国有土地使用证永久√A3勘察设计测绘文件A3-1 工程地质勘察报告永久永久√A3-2 水文地质勘察报告永久永久√A3-3 建设用地钉桩通知单永久√A3-4 地形测量和拨地测量成果报告永久永久√A3-5 规划设计条件和通知书永久长期√A3-6 初步设计图纸和说明长期长期A3-7 技术设计图纸和说明长期长期A3-8 审定设计方案通知书及审批意见长期长期√A3-9审定设计方案征求有关行政主管部门(人防、环保、消防、园林、河湖、市政、文物、通讯、保密、教育等)的审查意见永久√A3-10 施工图及其说明长期长期A3-11 设计计算书长期长期A3-12 施工图设计审查合格书永久长期√A4招投标文件A4-1 勘察、设计招投标文件(中标通知书) 长期A4-2 勘察、设计承包合同长期长期√A4-3 施工招投标文件(中标通知书) 长期A4-4 施工承包合同长期长期√A4-5 工程监理招投标文件(中标通知书) 长期A4-6 监理委托合同长期长期√A5开工审批文件A5-1 建设项目列入年度计划的申报文件永久√A5-2建设项目列入年度计划的批复文件或年度计划项目表永久√A5-3 规划审批表及报送的文件和图纸永久A5-4 建设工程规划许可证及其附件永久√A5-5 建设工程开工审查表永久A5-6 建设工程施工许可证永久√A5-7 投资许可证、审计证明、交纳绿化建设费用等证明长期√A5-8 工程质量监督手续长期√续附录A分类名称案卷名称分类代码资料(文件)名称保存单位和保管期限专业名称案卷题名建设单位施工单位设计单位监理单位城建档案A类建设单位文件或资料工程准备阶段文件A6工程财务文件A6-1 工程投资估算材料短期A6-2 工程设计概算材料短期A6-3 工程施工图预算材料短期A7组成机构A7-1工程项目管理机构(项目经理部)及负责人名单长期√A7-2工程项目监理机构(项目监理部)及负责人名单长期长期√A7-3工程项目施工管理机构(项目经理部)及负责人名单长期长期√监理规划B1-2 监理规划长期短期√B1-3 监理实施细则长期短期√B类监理资料监理文件月报B8-1 监理月报(有关质量问题) 长期长期√会议纪要B2-1-1 第一次监理会议纪要长期长期√B2-1-2 工地例会会议纪要(有关质量)长期长期√B2-1-3 专题会议纪要(有关质量)长期长期√进度控制B2-3-3 工程暂停令长期长期√B2-3-4 工程开工/复工报审表长期长期√质量控制B2-3-1 监理工程师通知单(有关不合格项目) 长期长期√B4-7 质量缺陷、事故报告及处理记录长期长期√造价控制B6-1 工程变更单(工程洽商记录)长期B6-2 工程款支付申请表短期B6-3 工程款支付证书短期B6-4 工程竣工决算审核意见书长期√分包资质B3-2 分包单位资质材料长期供货单位资质材料长期B3-3 试验单位资质材料长期监理通知B2-3-1 监理工程师通知单(有关进度控制) 长期长期B2-3-1 监理工程师通知单(有关质量控制) 长期长期B2-3-1 监理工程师通知单(有关造价控制) 长期长期合同与其他事项管理B7-1 费用索赔申请表长期长期B7-2 费用索赔审批表长期长期B7-3 工程临时延期申请表永久长期√B7-4 工程临时延期审批表永久长期√B7-5 工程最终延期审批表永久长期√B7-6 合同变更材料长期长期√B7-7 合同争议、违约报告及处理意见永久长期√B8-2 专题报告长期短期B8-3 单位(子单位)工程质量评估报告长期长期√续附录A分类名称案卷名称分类代码资料(文件)名称保存单位和保管期限专业名称案卷题名建设单位施工单位设计单位监理单位城建档案B8-4 监理工程竣工总结长期长期√施工管理记录C0-1-6-1 施工日志短期短期C0-2-1-1 施工组织设计长期长期C0-2-2 技术交底短期长期图纸变更C1-1-1-1 设计交底与图纸会审记录永久长期长期长期√C1-1-1-2设计变更永久长期长期长期√C1-1-1-3工程洽商记录永久长期长期长期√C类施工资料施工文件|C1-1建筑与结构现场准备C1-1-2-1 工程定位测量放线记录永久长期√C1-1-2-2 基槽开挖测量记录长期长期√C1-1-2-3 建筑物(楼层)平面放线记录长期长期√C1-1-2-4 标高抄测记录长期长期√地基处理C1-1-8-1-1地基钎探记录和平面布点图永久长期√C1-1-5-1-1地基验槽记录永久长期√C1-1-6-1 桩基施工记录永久长期√材料构件质量证明文件及复(试)报告C1-1-3-1原材料出厂合格证及检(试、复)验报告汇总表长期√C1-1-3-1-1原材料出厂合格证(质量证明文件) 长期√C1-1-3-1-2原材料检复试试验报告长期√C1-1-7-1 钢构件合格证长期√C1-1-7-3 混凝土预制构件出厂质量证明书长期√C1-1-3-2 主要材料/成品/半成品/构配件进场验收表短期施工试验C1-1-4-19 土壤击实试验报告长期√C1-1-4-20 土壤密度试验报告长期√C1-1-6-3 回填土密度试验记录长期√C1-1-4-3 砂浆配合比例设计书长期C1-1-4-10砂浆立方体抗压强度试验报告长期√C1-1-4-2混凝土配合比例设计书长期C1-1-4-5混凝土立方体抗压强度试验报告(现场搅拌混凝土试验报告)长期√C1-1-4-6混凝土抗渗试验报告长期√C1-1-7-2 预拌(商品)混凝土出厂合格证长期√C1-1-4-5混凝土立方体抗压强度试验报告(商品混凝土复试报告)长期√C1-1-4-14 钢筋机械接头试验报告长期√C1-1-4-13 钢筋焊接接头试验报告长期√C2-1-1 屋面淋水试验记录长期C2-1-2 地下室防水效果检查记录长期C2-1-3 有防水要求的地面蓄水试验记录长期隐蔽工程检查C1-1-5-1 地基与基础隐蔽工程记录(钢筋工程)长期长期√C1-1-5-2 主体结构隐蔽工程记录(钢筋工程)长期长期√C1-1-5-2 主体结构隐蔽工程记录(钢结构工程)长期长期√续附录A分类名称案卷名称分类代码资料(文件)名称保存单位和保管期限专业名称案卷题名建设单位施工单位设计单位监理单位城建档案记录C1-1-5-3 建筑装饰装修隐蔽工程记录(幕墙工程)长期长期√C1-1-5-4 屋面工程隐蔽工程记录长期长期√C1-1-5-5 防水工程隐蔽工程记录长期长期√施工记录C1-1-6-4 建筑与结构工程预检记录短期C1-1-6-7 冬施混凝土搅拌测温记录短期C1-1-6-8 冬施混凝土养护测温记录短期C2-1-5 抽气(风)道检查记录短期施工记录C2-1-7 建筑物沉降观测测量记录长期√C1-1-6-5 构件吊装(安装)记录长期C类施工资料施工文件|C1-1建筑与结构C1-1-6-11 后张预应力筋张拉记录长期√C1-1-6-12 有粘结预应力结构灌浆记录长期√C2-1-4 建筑物垂直度、标高、全高测量记录长期长期√C1-1-11-1 施工新技术应用方案长期长期√C1-1-11-2 施工新技术应用总结长期长期√事故处理C1-1-10-1 工程质量事故报告永久√C1-1-10-2 工程质量事故调查分析报告永久√C1-1-10-3 工程质量事故处理结案报告永久√工程质量检验记录C1-1-9-1-1~9-1~nC1-1-9-2-1~6-1~nC1-1-9-3-1~10-1~nC1-1-9-4-1~5-1~nC1-1-9-5-1~3-1~n_________分项工程质量验收记录长期长期长期_________检验批质量验收记录长期长期长期C1-1-9-1 地基与基础分部工程质量验收记录永久长期√C1-1-9-1-1无支护土方子分部工程质量验收记录永久长期√C1-1-9-1-2有支护土方子分部工程质量验收记录永久长期√C1-1-9-1-3地基处理子分部工程质量验收记录永久长期√C1-1-9-1-4桩基子分部工程质量验收记录永久长期√C1-1-9-1-5地下防水子分部工程质量验收记录永久长期√续附录A分类名称案卷名称分类代码资料(文件)名称保存单位和保管期限专业名称案卷题名建设单位施工单位设计单位监理单位城建档案C1-1-9-1-6混凝土基础子分部工程质量验收记录永久长期√C1-1-9-1-7砌体基础子分部工程质量验收记录永久长期√C1-1-9-1-8劲钢(管)基础子分部工程质量验收记录永久长期√C1-1-9-1-9钢结构基础子分部工程质量验收记录永久长期√C1-1-9-2 主体结构分部工程质量验收记录永久长期√C1-1-9-2-1混凝土结构子分部工程质量验收记录永久长期√C1-1-9-2-2劲钢(管)混凝土结构子分部工程质量验收记录永久长期√C1-1-9-2-3砌体结构子分部工程质量验收记录永久长期√C1-1-9-2-4钢结构子分部工程质量验收记录永久长期√C1-1-9-2-5木结构子分部工程质量验收记录永久长期√C1-1-9-2-6网架和索膜结构子分部工程质量验收记录永久长期√C1-1-9-3-7幕墙子分部工程质量验收记录永久长期√C1-1-9-3 装饰装修分部工程质量验收记录永久长期√C1-1-9-3-1地面子分部工程质量验收记录永久长期√C1-1-9-3-2抹灰子分部工程质量验收记录永久长期√C1-1-9-3-3门窗子分部工程质量验收记录永久长期√C1-1-9-3-4吊顶子分部工程质量验收记录永久长期√C1-1-9-3-5轻质隔墙子分部工程质量验收记录永久长期√C1-1-9-3-6饰面板(砖)子分部工程质量验收记录永久长期√C1-1-9-3-7幕墙子分部工程质量验收记录永久长期√工程质量检验记录C1-1-9-3-8涂饰子分部工程质量验收记录永久长期√C1-1-9-3-9裱糊与软包子分部工程质量验收记录永久长期√C类施工资料施工文件|C1-1建筑与C1-1-9-3-1细部子分部工程质量验收记录永久长期√C1-1-9-4 屋面分部工程质量验收记录永久长期√C1-1-9-4-1卷材防水屋面子分部工程质量验收记录永久长期√C1-1-9-4-2涂膜防水屋面子分部工程质量验收记录永久长期√续附录A分类名称案卷名称分类代码资料(文件)名称保存单位和保管期限专业名称案卷题名建设单位施工单位设计单位监理单位城建档案结构C1-1-9-4-3刚性防水屋面子分部工程质量验收记录永久长期√C1-1-9-4-4瓦屋面子分部工程质量验收记录永久长期√C1-1-9-4-5隔热屋面子分部工程质量验收记录永久长期√施工文件|C1-2给排水与采暖施工管理记录C0-1-6-1施工日志短期短期C0-2-1-1施工组织设计长期长期C0-2-2 技术交底短期长期图纸变更记录C1-2-1-1 设计交底与图纸会审记录永久长期长期长期√C1-2-1-2 设计变更永久长期长期长期√C1-2-1-3 工程洽商记录永久长期长期长期√设备产品质量检查C1-2-2-2 大型设备进场验收(开箱)检验单长期C1-2-2-3 出厂合格证及检验报告汇总表长期√C1-2-2-3-1出厂合格证及检验报告长期√C1-2-2-4 _____材料、配件出厂合格证书粘贴表长期√预检C1-2-6-1 给排水与采暖工程预检记录短期隐蔽C1-2-4-1 专项工程隐蔽验收记录长期长期√施工试验记录C1-2-3-1 管道强度、严密性试验记录长期√C1-2-3-2 设备强度、严密性试验记录长期√C1-2-3-3 设备试运行调试记录长期√C1-2-3-4 消火栓系统试射试验记录长期√C1-2-5-1 __________系统冲清消毒记录长期√C1-2-5-2 __________系统灌水试验记录长期√C1-2-5-3 __________系统管道通水试验记录长期√C1-2-5-4 __________排水通球试验记录长期√事故处理C1-1-10-1 工程质量事故报告永久长期√C1-1-10-2 工程质量事故调查分析报告永久长期√C1-1-10-3 工程质量事故处理结案报告永久长期√质量检验C1-2-7-0-1~10-1~n_________分项工程质量验收记录长期长期长期_________检验批质量验收记录长期长期长期续附录A分类名称案卷名称分类代码资料(文件)名称保存单位和保管期限专业名称案卷题名建设单位施工单位设计单位监理单位城建档案质量检验记录C1-2-7-0 给排水与采暖分部工程质量验收记录永久长期长期√C1-2-7-0-1室内给水系统子分部工程质量验收记录永久长期长期√C1-2-7-0-2室内排水系统子分部工程质量验收记录永久长期长期√C1-2-7-0-3室内热水供应系统子分部工程质量验收记录永久长期长期√质量检验记录C1-2-7-0-4卫生器具安装子分部工程质量验收记录永久长期长期√C1-2-7-0-5室内采暖系统子分部工程质量验收记录永久长期长期√C1-2-7-0-9建筑中水系统及游泳池系统子分部工程质量验收记录永久长期长期√C1-2-7-0-1供热锅炉及辅助设备安装子分部工程质量验收记录永久长期√施工管理C0-1-6-1 施工日志短期短期C0-2-1-1 施工组织设计长期长期施工文件|C1-3建筑电气记录C0-2-2 技术交底短期长期图纸变更记录C1-3-1-1 设计交底与图纸会审记录永久长期长期长期√C1-3-1-2 设计变更永久长期长期长期√C1-3-1-3 工程洽商记录永久长期长期长期√C类施工资料设备产品质量检查C1-3-2-2 大型设备进场验收(开箱)检验单长期C1-3-2-3 出厂合格证及检验报告汇总表(设备通用) 长期√C1-3-2-4 _____材料、配件出厂合格证书粘贴表长期√C1-3-2-5电气导管、电线、电缆进场检测记录(电气通用)长期√预检C1-3-6-1 建筑电气工程预检记录短期隐蔽记录C1-3-5-1 电气导管、电缆隐蔽工程验收记录长期长期√C1-3-5-2 电气工程专项隐蔽工程验收记录长期长期√C1-3-5-3 重复(防雷)接地隐蔽工程验收记录长期长期√C1-3-5-4 电气接地(等电位)装置隐蔽工程验收记录长期长期√施工试验记录C1-3-3-1 低压电气、动力设备试运行记录长期√C1-3-3-2 漏电开关模拟试验记录长期√C1-3-3-3大容量导线、母线连接处负荷运行温度测试记录长期√C1-3-3-4 避雷、接地装置检验测试记录长期√C1-3-3-5 设备试运行调试记录长期√续附录A分类名称案卷名称分类代码资料(文件)名称保存单位和保管期限专业名称案卷题名建设单位施工单位设计单位监理单位城建档案C1-3-3-6 应急照明电源转换时间测试记录长期√C1-3-3-7 100kw以上电动机检验记录长期√C1-3-3-8 电气照明器具通电安全检查记录长期√C1-3-4-1 电气接地电阻测试记录长期√C1-3-4-2 电气绝缘电阻测试记录长期√事故处理C1-1-10-1 工程质量事故报告永久长期√C1-1-10-2 工程质量事故调查分析报告永久长期√C1-1-10-3 工程质量事故处理结案报告永久长期√质量检验记录C1-3-7-0-1~5-1~n_________分项工程质量验收记录长期长期长期_________检验批质量验收记录长期长期长期C1-3-7-0 建筑电气分部工程质量验收记录永久长期√C1-3-7-0-2变配电室子分部工程质量验收记录(室内)永久长期√C1-3-7-0-3供电干线子分部工程质量验收记录永久长期√C1-3-7-0-4电气动力子分部工程质量验收记录永久长期√C1-3-7-0-5电气照明安装子分部工程质量验收记录(室内)永久长期√施工文件|C1-4通风与空调施工管理记录C1-3-7-0-6备用和不间断电源安装子分部工程质量验收记录永久长期√C0-1-6-1施工日志短期短期C0-2-1-1 施工组织设计长期长期C0-2-2 技术交底短期长期图纸变更记录C1-4-1-1 设计交底与图纸会审记录永久长期长期长期√C1-4-1-2 设计变更永久长期长期长期√C1-4-1-3 工程洽商记录永久长期长期长期√设备产品C1-4-2-2 大型设备进场验收(开箱)检验单长期C1-4-2-3 出厂合格证(检验报告)汇总表长期√质量检查C1-4-2-3-1出厂合格证及检验报告长期√施工文件|C1-4C1-4-2-4 _____材料、配件出厂合格证书粘贴表长期√C类施工资料预检C1-4-7-1 ___________工程预检记录短期隐蔽C1-4-4 工程隐蔽验收记录长期长期√续附录A分类名称案卷名称分类代码资料(文件)名称保存单位和保管期限专业名称案卷题名建设单位施工单位设计单位监理单位城建档案通风与空调施工试验记录C1-4-3-1 ___________管道强度、严密性试验记录长期√C1-4-3-2 ___________设备强度、严密性试验记录长期√C1-4-3-3 ___________系统清洗记录长期√C1-4-3-4 制冷系统气密性试验记录长期√C1-4-5 制冷设备(机组)试运行调试记录长期√C1-4-6-1 风管漏光法测试记录长期√C1-4-6-2 通风、空调系统调试记录长期√事故处理C1-1-10-1 工程质量事故报告永久长期√C1-1-10-2 工程质量事故调查分析报告永久长期√C1-1-10-3 工程质量事故处理结案报告永久长期√质量检验记录C1-4-8-0-1~7-1~n_________分项工程质量验收记录长期长期长期_________检验批质量验收记录长期长期长期C1-4-8-0 通风与空调分部工程质量验收记录永久长期√C1-4-8-0-1送排风系统子分部工程质量验收记录永久长期√C1-4-8-0-2防排烟系统子分部工程质量验收记录永久长期√C1-4-8-0-3除尘系统子分部工程质量验收记录永久长期√C1-4-8-0-4空调风系统子分部工程质量验收记录永久长期√C1-4-8-0-5净化空调系统子分部工程质量验收记录永久长期√C1-4-8-0-6制冷设备系统子分部工程质量验收记录永久长期√C1-4-8-0-7空调水系统子分部工程质量验收记录永久长期√施工文件|C1-5建筑电梯施工管理记录C0-1-6-1 施工日志短期C0-2-1-1施工组织设计长期长期C0-2-2 技术交底短期长期图纸变更记录C1-5-1-1 土建布置设计交底与图纸会审记录永久长期长期长期√C1-5-1-2 设计变更永久长期长期长期√C1-5-1-3 工程洽商记录永久长期长期长期√设备产品质量C1-5-2-2 大型设备进场验收(开箱)检验单长期C1-5-2-3 出厂合格证及检验报告汇总表(设备通用) 长期√续附录A分类名称案卷名称分类代码资料(文件)名称保存单位和保管期限专业名称案卷题名建设单位施工单位设计单位监理单位城建档案检查C1-5-2-4 _____材料、配件出厂合格证书粘贴表长期√预检C1-5-4-1 工程预检记录短期隐蔽C1-5-3 电梯隐蔽工程验收记录长期长期√施工试验记录C1-5-5-1 电气接地电阻测试记录长期√C1-5-5-2 电气绝缘电阻测试记录长期√C1-5-6-4 电梯导轨安装测量检查记录长期√C1-5-6-5 电梯负荷试验、安全装置检查记录长期√C1-5-6-6 电梯厅门安装测量检查记录长期√C1-5-6-7 电梯桥厢平层准确度检查记录表长期√事故处理C1-1-10-1 工程质量事故报告永久长期√C1-1-10-2 工程质量事故调查分析报告永久长期√C1-1-10-3 工程质量事故处理结案报告永久长期√质量检验记录C1-5-7-0-1~3-1~n_________分项工程质量验收记录长期长期长期C类施工资料_________检验批质量验收记录长期长期长期C1-5-7-0 电梯分部工程质量验收记录永久长期√C1-5-7-0-1电力驱动曳引式或强制式电梯安装工程子分部工程质量验收记录永久长期√C1-5-7-0-2液压电梯安装工程子分部工程质量验收记录永久长期√C1-5-7-0-3自动扶梯、自动人行道安装工程子分部工程质量验收记录永久长期√施工文件|C1-6建筑智能化施工管理记录C0-1-6-1施工日志短期C0-2-1-1 施工组织设计长期长期C0-2-2 技术交底短期长期图纸变更记录C1-6-1-1 设计交底与图纸会审记录永久长期长期长期√C1-6-1-2 设计变更永久长期长期长期√C1-6-1-3 工程洽商记录永久长期长期长期√设备产品质量检查C1-6-2-1 主要材料/成品/半成品/构配件进场验收表短期C1-6-2-2 大型设备进场验收(开箱)检验单长期C1-6-2-3 出厂合格证及检验报告汇总表(设备通用) 长期√C1-6-2-4 _____材料、配件出厂合格证书粘贴表长期√续附录A分类名称案卷名称分类代码资料(文件)名称保存单位和保管期限专业名称案卷题名建设单位施工单位设计单位监理单位城建档案隐蔽C1-6-3 隐蔽工程验收记录长期长期√施工试验记录C1-6-4-1 电气接地电阻测试记录长期√C1-6-4-2 电气绝缘电阻测试记录长期√C1-6-7-1 智能建筑设备测试记录长期√C1-6-7-2 智能建筑系统电源及接地检测报告长期√C1-6-7-3 系统功能检验及测试记录长期√C1-6-7-4 信息端口与配线架端口位置记录表长期√C1-6-7-5 系统集成检测记录长期√C1-6-7-6 系统集成试运行记录长期√事故处理C1-1-10-1 工程质量事故报告永久长期√C1-1-10-2 工程质量事故调查分析报告永久长期√C1-1-10-3 工程质量事故处理结案报告永久长期√质量检验C1-6-8-0-1~10-1~n_________分项工程质量验收记录长期长期长期_________检验批质量验收记录长期长期长期质量检验记录C1-6-8-0 建筑智能化分部工程质量验收记录永久长期√C1-6-8-0-1通信网络系统子分部工程质量验收记录永久长期√C1-6-8-0-2办公自动化系统子分部工程质量验收记录永久长期√C1-6-8-0-3建筑设备监控系统子分部工程质量验收记录永久长期√C1-6-8-0-4火灾报警及消防联动系统子分部工程质量验收记录永久长期√C1-6-8-0-5安全防范系统子分部工程质量验收记录永久长期√C1-6-8-0-6综合布线系统子分部工程质量验收记录永久长期√C1-6-8-0-7智能化集成系统子分部工程质量验收记录永久长期√C1-6-8-0-8电源与接地子分部工程质量验收记录永久长期√C1-6-8-0-9环境子分部工程质量验收记录永久长期√住宅(小区)智能化系统子分部工程质量验收记录永久长期√C1-6 质量C1-7-9-0-_________分项工程质量验收记录长期长期长期续附录A分类名称案卷名称分类代码资料(文件)名称保存单位和保管期限专业名称案卷题名建设单位施工单位设计单位监理单位城建档案建筑节能检验记录1~n_________检验批质量验收记录长期长期长期C1-7-9-0 建筑节能分部工程质量验收记录永久长期√C类施工资料施工文件室外工程参考室内相应内容记录整理室外安装(给水、雨水、污水、热力、燃气、电讯、电力、照明、电视、消防等)施工文件长期√室外建筑环境(建筑小品、水景、道路、园林绿化等)施工文件长期√C1-2-7-0-6室外给水管网子分部工程质量验收记录永久长期√C1-2-7-0-7室外排水管网子分部工程质量验收记录永久长期√C1-2-7-0-8室外供热管网子分部工程质量验收记录永久长期√C1-3-7-0-1室外电气子分部工程质量验收记录永久长期√C1-3-7-0-2变配电室子分部工程质量验收记录(室外)永久长期√C1-3-7-0-7防雷及接地安装子分部工程质量验收记录永久长期√C1-3-7-0-5电气照明安装子分部工程质量验收记录(室外)永久长期√D竣工文件工程竣工图综合竣工图总平面布置图(包括建筑、建筑小品、水景、照明、道路、绿化等)永久长期√竖向布置图永久长期√室外给水、排水、热力、燃气等管网综合图永久长期√电气(包括电力、电讯、电视系统等)综合图永久长期√设计总说明书永久长期√专业竣工图建筑竣工图永久长期√结构竣工图永久长期√装修(装饰)工程竣工图永久长期√电气工程(智能化工程)竣工图永久长期√给排水工程(消防工程)竣工图永久长期√采暖通风空调工程竣工图永久长期√燃气工程竣工图永久长期√室外专业图室外给水永久长期√室外雨水永久长期√续附录A分类名称案卷名称分类代码资料(文件)名称保存单位和保管期限专业名称案卷题名建设单位施工单位设计单位监理单位城建档案室外污水永久长期√室外热力永久长期√室外燃气永久长期√室外电讯永久长期√室外电力永久长期√室外电视永久长期√室外建筑小品永久长期√室外消防永久长期√室外照明永久长期√室外水景永久长期√室外道路永久长期√室外绿化永久长期√竣工验收资料工程竣工总结工程概况表永久√工程竣工总结永久√D竣工文件竣工验收资料竣工验收记录单位(子单位)工程质量验收记录竣工验收证明书竣工验收报告竣工验收备案表(包括各专项验收认可文件)工程质量保修书财务文件决算文件永久√交付使用财产总表和财产明细表永久√声像缩微电子档案工程照片永久√录音、录像材料永久√缩微品永久√电子档案光盘永久√磁盘永久√注:城建档案馆栏中标有“√”为应向城建档案馆移交的资料。
上海市城建档案馆
关于建设项目(工程)竣工档案案卷封面、备考表、档案盒等档案装具样
式的服务提示
市城建档案馆为进一步提升服务质量,便于建设单位选购建设项目(工程)竣工档案案卷封面、备考表、档案盒等档案装具,依据《建设项目(工程)竣工档案编制技术规范》(DG/TJ08-2046-2008)(以下简称《技术规范》)以及有关法律、法规,现将我馆有关档案装具归档样式告知如下:
一、本提示所称档案装具是指《技术规范》规定的:
(一)案卷封面见附录A(含照片档案案卷封面见附录B);
(二)案卷备考表见附录C(含照片档案卷内备考表见附录D);
(三)档案盒见附录E(含录像档案盒)等。
二、竣工档案案卷封面、备考表、档案盒等档案装具的材质、规格、质量、样式等均应符合《技术规范》和有关国家现行法律、法规、标准的规定。
档案盒样例(正面)
档案盒样例(侧面)
档案盒样例(内部)
照片册样例(封面)
照片册样例(内部1)照片册样例(内部2)
照片册样例(内部3)
照片册样例(内部4)
照片册样例(内部5)
案卷封面样例案卷备考表样例。
向城建档案馆归档文件内容和组卷表向城建档案馆归档文件内容和组卷表第一章总则第一节基本规定一、建筑工程文件编制归档规程是编制建筑工程归档文件的**标准。
二、建筑工程归档文件按《建筑工程文件编制归档规程》要求,在建筑工程建设过程中形成的各种形式的信息记录中,应向城建档案馆移交的部分文件。
包括工程准备阶段文件、监理文件、施工文件、竣工图和竣工验收文件等。
三、工程资料应实行分级管理由建设单位负责归档文件的最后形成和向城建档案馆移交。
建设、勘察、设计、施工、监理、检测等单位应将工程文件的形成和积累纳入工程建设管理的各个环节和有关人员有职责范围。
由建设、监理、施工单位主管(技术)负责人组织本单位工程相关资料的全过程管理工作。
建设过程中工程资料的收集、整理工作和审核工作应有专人负责、并按规定取得相应的岗位资格。
建筑工程项目实行总承包的,总包单位负责收集,汇总各分包单位形成的工程档案,并应及时向建设单位移交;各分包单位应将本单位形成的工程文件整理、立卷后及时移交总包单位。
建设工程项目由几个单位承包的,各承包单位负责收集、整理立卷其承包项目的工程文件,并应及时向建设单位移交。
四、归档文件的特性1、归档文件的及时性工程资料应随工程进度同步进行收集、整理、并按规定移交。
并应严格按照合同约定和城建档案管理规定的要求进行移交。
一般在工程竣工验收前,请城建档案馆对建筑工程归档文件进行预验收,取得档案初验合格证,在工程竣工验收后三个月内向档案馆正式移交取得档案合格证并办理城市建设档案移交书。
2、归档文件的完整性工程资料应涵盖建筑工程建设全过程形成的各种形式的信息记录。
其中,向城建档案馆移交的部分文件应包括:基建文件、(A类:包括工程准备阶段文件)、监理文件(B类)、施工文件(C类:包括各个分部工程的施工文件)、竣工图(D类)、基建文件(E类:竣工验收文件)。
并且按《建筑工程文件编制归档规程》(DB21/1342-2004)要求不得缺少。
城建档案案卷目录
移交人:接收人:移交单位:接收单位:移交日期:接收时间:
城建档案卷内目录
重庆市城建档案馆监制城建档案卷内目录
重庆市城建档案馆监制城建档案卷内目录
重庆市城建档案馆监制城建档案卷内目录
重庆市城建档案馆监制城建档案卷内目录
重庆市城建档案馆监制城建档案卷内目录
重庆市城建档案馆监制城建档案卷内目录
重庆市城建档案馆监制城建档案卷内目录
重庆市城建档案馆监制城建档案卷内目录
重庆市城建档案馆监制城建档案卷内目录
重庆市城建档案馆监制城建档案卷内目录
重庆市城建档案馆监制城建档案卷内目录
重庆市城建档案馆监制城建档案卷内目录
重庆市城建档案馆监制城建档案卷内目录
重庆市城建档案馆监制城建档案卷内目录
重庆市城建档案馆监制城建档案卷内目录
重庆市城建档案馆监制城建档案卷内目录
重庆市城建档案馆监制城建档案卷内目录
重庆市城建档案馆监制城建档案卷内目录
重庆市城建档案馆监制城建档案卷内目录
重庆市城建档案馆监制城建档案卷内目录
重庆市城建档案馆监制城建档案卷内目录
重庆市城建档案馆监制城建档案卷内目录
重庆市城建档案馆监制城建档案卷内目录
重庆市城建档案馆监制城建档案卷内目录。
附录C 向城建档案馆归档的施工文件内容、组卷表及附表C.1 施工技术管理文件和土建工程文件内容和组卷表说明:1、附录C之C.3中工程检测报告C2-4所列出的为常见的工程检测报告附表。
其他凡涉及结构安全和重要使用功能的工程报告均应向城建档案馆。
包括桩基检测报告、复合地基承载力检测报告、主体结构工程检测报告等。
2、C.1表中未列出的其他涉及结构安全和重要使用功能的施工材料、构配件,其出厂合格证和进场复验报告均应向城建档案馆归档。
第1页(共1页)归档编号:C1-5-1 设计变更通知单汇总目录归档编号:C1-6工程洽商记录(技术核定联系单)施工现场质量管理检查记录控制网设置记录归档编号:C1-11工程定位(竣工)测量记录制表日期:2006年03月16日建设单位:宏运开发公司工程名称:宏运奥园住宅区一期21#楼施工单位:葫芦岛宏运建设工程有限公司图纸编号:结施-3 施测日期:2005年03月15日坐标依据:建设单位给定高程依据:建设单位给定使用仪器:水准仪DS3、经纬仪DJ6 闭合差:0归档编号:C2-1 地基承载力复查记录归档编号:C2-1 验槽检查验收记录地基钎探记录工程名称:宏运奥园住宅区一期21#楼建设单位:宏运开发公司图号:结施—3隐蔽部位:基础施工单位:宏运建设公司钎探日期:2006年03月18日套锤重:10Kg 自由落距:50cm 钎径:Φ25施工试验记录汇总表归档编号:C2-3-3-3砂浆抗压强度统计评定记录工程名称:葫芦岛高新技术产业园区集中供热工程-热源厂结构部位:基础砖养护方法:标养施工单位:辽宁发电厂电力建筑安装公司建设单位:葫芦岛新东供暖公司填报日期:年月日砂浆抗压强度统计评定记录工程名称:化工十区棚户区改造工程6#楼结构部位:基础养护方法:标养施工单位:兴城万资建筑公司建设单位:锦化房地产开发公司填报日期:2007年9月15日工程名称:宏运奥园21#楼结构部位:基础垫层养护方法:标养施工单位:宏运建设公司十部建设单位:宏运开发公司填报日期:2006年 5 月30 日工程名称:宏运奥园21#楼结构部位:构造柱养护方法:标养施工单位:宏运建设公司十部建设单位:宏运开发公司填报日期:2006年9月25日工程名称:葫芦岛高新技术产业园区-热源厂结构部位:基础、主体养护方法:标养施工单位:辽宁发电厂电力安装公司建设单位:葫芦岛新东供暖公司填报日期:2007年8 月5 日工程名称:宏运奥园21#楼结构部位:主体、梁、板、柱养护方法:标养施工单位:宏运建设公司十部建设单位:宏运开发公司填报日期:2006年8月15日混凝土试件抗压强度统计评定记录工程名称:宏运奥园21#楼结构部位:主体、梁、板、柱养护方法:标养施工单位:宏运建设公司十部建设单位:宏运开发公司填报日期:2006年8月15日灌注桩基础施工记录施工单位:工程名称:钻机类型:(mm)桩类型:设计桩长、桩径:(mm)砼强度等级:施工日期:钢筋笼长度:(m)砼坍落度:(mm)配合比编号:监理工程师:企业技术负责人:第页(共页)打桩专业技术负责人:打桩队长:质检员:注:如采用钻孔扩底灌注桩,可增加“实测扩大直径”一栏。
所在页号顺序号图 纸(文 件)名 称原图纸编号或文号页数图幅起止备 注华东师范大学硕士研究生公寓9#楼A 册1施工组织设计(质量计划)审批表1A4112施工组织设计150A42151、管路敷设技术通过管线敷设技术,不仅可以解决吊顶层配置不规范问题,而且可保障各类管路习题到位。
在管路敷设过程中,要加强看护关于管路高中资料试卷连接管口处理高中资料试卷弯扁度固定盒位置保护层防腐跨接地线弯曲半径标高等,要求技术交底。
管线敷设技术中包含线槽、管架等多项方式,为解决高中语文电气课件中管壁薄、接口不严等问题,合理利用管线敷设技术。
线缆敷设原则:在分线盒处,当不同电压回路交叉时,应采用金属隔板进行隔开处理;同一线槽内,强电回路须同时切断习题电源,线缆敷设完毕,要进行检查和检测处理。
、电气课件中调试对全部高中资料试卷电气设备,在安装过程中以及安装结束后进行高中资料试卷调整试验;通电检查所有设备高中资料试卷相互作用与相互关系,根据生产工艺高中资料试卷要求,对电气设备进行空载与带负荷下高中资料试卷调控试验;对设备进行调整使其在正常工况下与过度工作下都可以正常工作;对于继电保护进行整核对定值,审核与校对图纸,编写复杂设备与装置高中资料试卷调试方案,编写重要设备高中资料试卷试验方案以及系统启动方案;对整套启动过程中高中资料试卷电气设备进行调试工作并且进行过关运行高中资料试卷技术指导。
对于调试过程中高中资料试卷技术问题,作为调试人员,需要在事前掌握图纸资料、设备制造厂家出具高中资料试卷试验报告与相关技术资料,并且了解现场设备高中资料试卷布置情况与有关高中资料试卷电气系统接线等情况,然后根据规范与规程规定,制定设备调试高中资料试卷方案。
、电气设备调试高中资料试卷技术电力保护装置调试技术,电力保护高中资料试卷配置技术是指机组在进行继电保护高中资料试卷总体配置时,需要在最大限度内来确保机组高中资料试卷安全,并且尽可能地缩小故障高中资料试卷破坏范围,或者对某些异常高中资料试卷工况进行自动处理,尤其要避免错误高中资料试卷保护装置动作,并且拒绝动作,来避免不必要高中资料试卷突然停机。
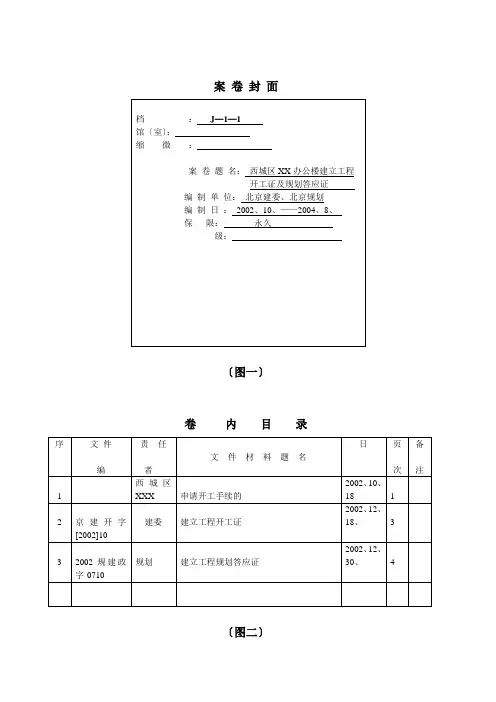
总号此处打印分配的总号档号此处打印分配的档号城建档案案卷题名此处打印每卷档案内包含的大致内容编制单位此处打印产生该卷档案的单位全称编制日期此处打印该卷档案中最早一份材料的日期至最晚一份材料的日期密级打印分配密级保管期限打印分配期限共卷第卷档号 I-1-8237-2城建档案案卷题名帝都新城二期3#楼第一部分工程准备阶段文件(A类共五册 \ 第二分册)勘察设计文件;编制单位六盘水市恒远房地产开发有限公司编制日期 20120528至20120528 密级秘密保管期限长期共六十一卷第二卷档号 I-1-8237-3城建档案案卷题名帝都新城二期4#楼第一部分工程准备阶段文件(A类共五册 \ 第三分册)勘察设计文件;编制单位六盘水市恒远房地产开发有限公司编制日期 20120615至20120615 密级秘密保管期限长期共六十一卷第三卷档号 I-1-8237-4城建档案案卷题名帝都新城二期5#楼第一部分工程准备阶段文件(A类共五册 \ 第四分册)勘察设计文件;编制单位六盘水市恒远房地产开发有限公司编制日期 20120419至20120429 密级秘密保管期限长期共六十一卷第四卷档号 I-1-8237-5城建档案案卷题名帝都新城二期2、3、4、5#楼第一部分工程准备阶段文件(A类共五册 \ 第五分册)勘察设计文件;施工图审查文件;施工、监理、设计、地勘合同;施工合同;规划、施工许可证;质检手续;项目管理人员名单表。
编制单位六盘水市恒远房地产开发有限公司编制日期 20061010至20151026密级秘密保管期限长期共六十一卷第五卷总号 16433-6档号 I-1-8237-6城建档案案卷题名帝都新城二期2、3、4、5#楼第二部分监理文件(B类共一册)管理文件;进度文件;验收文件;编制单位四川元丰建设项目管理有限公司编制日期 20150330至20161102 密级秘密保管期限长期共六十一卷第六卷档号 I-1-8237-7城建档案案卷题名帝都新城二期2#楼第三部分施工文件(C类共八册,第一册)竣工移交证书、见证取样与送样记录;编制单位首钢水城钢铁(集团)赛德建设有限公司编制日期 20130319至20180120 密级秘密保管期限长期共六十一卷第七卷档号 I-1-8237-8城建档案案卷题名帝都新城二期2#楼第三部分施工文件(C类共八册,第二册)见证取样与见证送样记录;图纸会审记录;工程开工报审表;工程开工报告。
编制单位首钢水城钢铁(集团)赛德建设有限公司编制日期 20131001至20160401密级秘密保管期限长期共六十一卷第八卷档号 I-1-8237-9城建档案案卷题名帝都新城二期2#楼第三部分施工文件(C类共八册,第三册)钢材试验报告;水泥试验报告;砂试验报告;碎石试验报告;砖(砌块)试验报告;节能工程材料试验报告。
编制单位首钢水城钢铁(集团)赛德建设有限公司编制日期 20151210至20160317密级秘密保管期限长期共六十一卷第九卷档号 I-1-8237-10城建档案案卷题名帝都新城二期2#楼第三部分施工文件( C类共八册,第四册)(机械成孔)混凝土灌注桩施工检验批质量验收记录;基础孔桩偏位图。
编制单位首钢水城钢铁(集团)赛德建设有限公司编制日期 20130830至20150508密级秘密保管期限长期共六十一卷第十卷档号 I-1-8237-11城建档案案卷题名帝都新城二期2#楼第三部分施工文件(C类共八册,第五册)隐蔽验收记录编制单位首钢水城钢铁(集团)赛德建设有限公司编制日期 20130105至20151217 密级秘密保管期限长期共六十一卷第十一卷档号 I-1-8237-12城建档案案卷题名帝都新城二期2#楼第三部分施工文件(C类共八册,第六册)隐蔽工程检查记录;工程定位测量;沉降观测记录编制单位首钢水城钢铁(集团)赛德建设有限公司编制日期 20150528至20160310密级秘密保管期限长期共六十一卷第十二卷档号 I-1-8237-13城建档案案卷题名帝都新城二期2#楼第三部分施工文件(C类共八册,第七册)持力层认定报告;基桩钻芯法检测报告编制单位首钢水城钢铁(集团)赛德建设有限公司编制日期 20150310至20150410密级秘密保管期限长期共六十一卷第十三卷档号 I-1-8237-14城建档案案卷题名帝都新城二期2#楼第三部分施工文件(C类共八册,第八册)基桩反射波法检测报告;砂浆抗压强度检测报告;混凝土抗压强度试验报告;分部(子分部)工程质量验收记录;建筑节能分部工程质量验收记录;建筑节能性能检测;单位工程竣工预验收报验表;单位(子单位)工程质量验收记录;工程质量控制资料核查记录;单位(子单位)工程安全和功能检验资料核查及主要功能抽查记录;单位(子单位)观感质量检查记录。
编制单位首钢水城钢铁(集团)赛德建设有限公司编制日期 20141228至20160510密级秘密保管期限长期共六十一卷第十四卷档号 I-1-8237-15城建档案案卷题名帝都新城二期2#楼第四部分竣工图文件(D类共七册,第一册)建筑竣工图(AW01-AW09)编制单位首钢水城钢铁(集团)赛德建设有限公司编制日期 20161030至20161030密级秘密保管期限长期共六十一卷第十五卷档号 I-1-8237-16城建档案案卷题名帝都新城二期2#楼第四部分竣工图文件(D类共七册,第二册)建筑竣工图(AW10-AW23)编制单位首钢水城钢铁(集团)赛德建设有限公司编制日期 20161030至20161030密级秘密保管期限长期共六十一卷第十六卷档号 I-1-8237-17城建档案案卷题名帝都新城二期2#楼第四部分竣工图文件(D类共七册,第三册)结构竣工图编制单位首钢水城钢铁(集团)赛德建设有限公司编制日期 20161030至20161030密级秘密保管期限长期共六十一卷第十七卷档号 I-1-8237-18城建档案案卷题名帝都新城二期2#楼第四部分竣工图文件(D类共七册,第四册)电气竣工图编制单位首钢水城钢铁(集团)赛德建设有限公司编制日期 20161030至20161030密级秘密保管期限长期共六十一卷第十八卷档号 I-1-8237-19城建档案案卷题名帝都新城二期2#楼第四部分竣工图文件(D类共七册,第五册)给排水竣工图编制单位首钢水城钢铁(集团)赛德建设有限公司编制日期 20161030至20161030密级秘密保管期限长期共六十一卷第十九卷档号 I-1-8237-20城建档案案卷题名帝都新城二期2#楼第四部分竣工图文件(D类共七册,第六册)暖通竣工图(MW01-MW10)编制单位首钢水城钢铁(集团)赛德建设有限公司编制日期 20161030至20161030密级秘密保管期限长期共六十一卷第二十卷档号 I-1-8237-21城建档案案卷题名帝都新城二期3、4、5#楼第四部分竣工图文件(D类共七册,第七册)暖通竣工图(MW11-MW27)编制单位首钢水城钢铁(集团)赛德建设有限公司编制日期 20161030至20161030密级秘密保管期限长期共六十一卷第二十一卷档号 I-1-8237-22城建档案案卷题名帝都新城二期2#楼第五部分竣工验收文件(E类共一册)评估报告;验收报告、通知及会议记要;电梯、防雷等部门出具的认可文件或准许使用文件;室内环境检测报告;保修书;商品房使用说明书;消防验收合格证;基础设施配套费。
编制单位首钢水城钢铁(集团)赛德建设有限公司编制日期 20150320至20161230密级秘密保管期限长期共六十一卷第二十二卷档号 I-1-8237-23城建档案案卷题名帝都新城二期3#楼第三部分施工文件(C类共七册第一册)竣工移交证书;见证取样与见证送检记录编制单位首钢水城钢铁(集团)赛德建设有限公司编制日期 20131012至20180120 密级秘密保管期限长期共六十一卷第二十三卷档号 I-1-8237-24城建档案案卷题名帝都新城二期3#楼第三部分施工文件(C类共七册第二册)见证取样与见证送检记录;图纸会审记录;工程开工报审表;工程开工报告编制单位首钢水城钢铁(集团)赛德建设有限公司编制日期 20131012至20150320 密级秘密保管期限长期共六十一卷第二十四卷档号 I-1-8237-25城建档案案卷题名帝都新城二期3#楼第三部分施工文件(C类共七册第三册)钢材试验报告;水泥、砂、石试验报告;砖(砌块)试验报告;节能工程材料试验报告编制单位首钢水城钢铁(集团)赛德建设有限公司编制日期 20160110至201603170 密级秘密保管期限长期共六十一卷第二十五卷档号 I-1-8237-26城建档案案卷题名帝都新城二期3#楼第三部分施工文件(C类共七册第四册)(机械成孔)混凝土灌注桩施工检验批质量验收记录;基础孔桩偏移图编制单位首钢水城钢铁(集团)赛德建设有限公司编制日期 20130701至20130901 密级秘密保管期限长期共六十一卷第二十六卷档号 I-1-8237-27城建档案案卷题名帝都新城二期3#楼第三部分施工文件(C类共七册第五册)隐蔽验收记录;工程定位测量;沉降观测记录编制单位首钢水城钢铁(集团)赛德建设有限公司编制日期 20150320至20160601 密级秘密保管期限长期共六十一卷第二十七卷档号 I-1-8237-28城建档案案卷题名帝都新城二期3#楼第三部分施工文件(C类共七册第六册)持力层认定报告;基桩钻芯法检测报告编制单位首钢水城钢铁(集团)赛德建设有限公司编制日期 20131215至20150401 密级秘密保管期限长期共六十一卷第二十八卷档号 I-1-8237-29城建档案案卷题名帝都新城二期3#楼第三部分施工文件(C类共七册第七册)基桩反射波法检测报告;砂浆抗压强度试验报告;混凝土抗压强度试验报告;分部工程质量验收记录;建筑节能性能检测;单位工程竣工预验收报验表;单位工程质量竣工验收记录;工程质量控制资料核查记录;单位工程安全和功能检验资料核查及主要功能抽查记录;单位工程观感质量检查记录编制单位首钢水城钢铁(集团)赛德建设有限公司编制日期 20140105至20151119 密级秘密保管期限长期共六十一卷第二十九卷档号 I-1-8237-30城建档案案卷题名帝都新城二期3#楼第四部分竣工图(共四册第一册)建筑竣工图AW-01至AW-09编制单位首钢水城钢铁(集团)赛德建设有限公司编制日期 20161030至20161030 密级秘密保管期限长期共六十一卷第三十卷档号 I-1-8237-31城建档案案卷题名帝都新城二期3#楼第四部分竣工图(共四册第二册)建筑竣工图AW-10至AW-22编制单位首钢水城钢铁(集团)赛德建设有限公司编制日期 20161030至20161030 密级秘密保管期限长期共六十一卷第三十一卷档号 I-1-8237-32城建档案案卷题名帝都新城二期3#楼第四部分竣工图(共四册第三册)电竣工图EW-01至EW-14编制单位首钢水城钢铁(集团)赛德建设有限公司编制日期 20161030至20161030 密级秘密保管期限长期共六十一卷第三十二卷档号 I-1-8237-33城建档案案卷题名帝都新城二期3#楼第四部分竣工图(共四册第四册)水竣工图PW-01至PW-16编制单位首钢水城钢铁(集团)赛德建设有限公司编制日期 20161030至20161030 密级秘密保管期限长期共六十一卷第三十三卷档号 I-1-8237-34城建档案案卷题名帝都新城二期3#楼第五部分竣工验收文件(共一册第一册)设计、施工、监理单位工程质量评估报告;基础、主体、节能、竣工验收通知书;验收会议纪要;电梯监督检测合格证;防雷验收合格证;竣工规划验收认可证;室内环境检测报告;住宅质量保证书、住宅使用说明书。