毕业设计送料机械手_设计说明书
- 格式:doc
- 大小:460.50 KB
- 文档页数:27
毕业设计工业机器人机械手及其控制系统设计Design of industrial robot manipulator and its control system系别:机械与汽车工程系专业名称:机械设计制造及其自动化学生姓名:郭仕杰学号:06101315指导教师姓名、职称:贺秋伟副教授完成日期2014 年4月 30 日吉林大学珠海学院毕业设计任务书摘要工业机器人技术是近年来新技术发展的重要领域之一,是以微电子技术为主导的多种新兴技术与机械技术交叉、融合而成的一种综合性的高新技术。
这一技术在工业、农业、国防、医疗卫生、办公自动化及生活服务等众多领域有着越来越多的应用。
工业机器人在提高产品质量、加快产品更新、提高生产效率、促进制造业的柔性化、增强企业和国家的竞争力等诸多方面有着举足轻重的地位。
而机械手是工业机器人系统中传统的任务执行机构,是机器人的关键部件之一;是现代控制理论与工业生产自动化实践相结合的产物,并以成为现代机械制造生产系统中的一个重要组成部分;是提高生产过程自动化、改善劳动条件、提高产品质量和生产效率的有效手段之一。
尤其在高温、高压、粉尘、噪声以及带有放射性和污染的场合,应用得更为广泛。
本课题将设计一台四自由度的工业机器人,将会被用作自动送料装置。
主要工作部件及设计重点就是机械手。
第一,本人将设计该机器人的底座、大臂、小臂以及执行机构机械手爪的结构和模型;第二,再设计出适合于该机器人的驱动、传动方式,以期构成其的结构平台。
最后,在此基础上再将其控制系统设计出来,由下面几个步骤组成:数据采集卡和伺服放大器的选择、反馈方式和反馈元件的选择、端子板电路的设计以及控制软件的设计。
其中重点要加强控制软件的可靠性和机器人运行过程的安全性,最终要实现的目标包括:关节的伺服控制和制动问题、实时监测机器人的各个关节的运动情况、机器人的示教编程和在线修改程序、设置参考点和回参考点。
关键词:工业机器人;机械手;驱动;控制AbstractIndustrial robot technology is one of the important fields in the development of new technologies in recent years, is a cross, a variety of emerging technology and mechanical technology integration with microelectronics technology as the leading into a comprehensive high and new technology. This technology has been used more and more in the fields of industry, agriculture, national defense, medical, office automation and service life. Industrial robots play a decisive role in improving the quality of products, to speed up the update products, improve production efficiency, promote manufacturing flexibility, strengthen enterprise and national competitiveness etc. The manipulator is the traditional task execution mechanism of industrial robot system, is one of the key components of the robot; is a product of modern control theory and automation of industrial production practice, and to become an important part of modern mechanical manufacturing system; it is one of the effective ways to improve the production process automation, improve working conditions, to improve the product quality and production efficiency. Especially with a radioactive pollution in high temperature, high pressure, dust, noise and occasions, more widely applied.This topic will be the design of industrial robot with a four degree of freedom, will be used for the automatic feeding device. The main working parts and design focus is manipulator. First, the base, I will design the robot big arm, small arm and gripper actuator structure and model; second, redesign drive, drive mode suitable for the robot, in order to form the structure of platform. Finally, on the basis of the designed control system, consisting of the following steps: the design of data acquisition card and servo amplifier selection, feedback system and the feedback component selection, terminal board circuit design and control software. The key to strengthen the security of operation reliability and robot control software, to achieve the ultimate goals include: Joint servo control and brake problems, real-time monitoring the movement of each joint of robot, robot teaching programming and online modify the program, set the reference point and the reference point return.Key Words:Industrial robot; Manipulator; Drive; Control目录1绪论 (1)1.1工业机器人简介 (1)1.1.1发展史 (1)1.1.2特点 (1)1.1.3构造分类 (2)1.1.4 应用 (3)1.2国内外发展状况 (4)1.2.1 国外发展 (4)1.2.2 国内发展 (5)1.3工业机器人发展趋势 (5)2 工业机器人试验平台及机械手设计 (6)2.1机械手设计 (6)2.1.1机械手简介 (6)2.1.2 机械手分类 (6)2.1.3具体结构设计 (7)2.2工业机器人基座与连杆设计 (9)2.2.1基座的设计 (9)2.2.2大臂设计 (9)2.2.3小臂设计 (10)2.3工业机器人自由度及关节的设计 (10)2.4选择合适的驱动方式 (11)2.4.1电机驱动 (11)2.4.2液压驱动 (12)2.4.3气压驱动 (12)2.4.4驱动方式的确定 (13)2.5选择合适的传动方式 (13)2.6选择合适的制动器 (14)3控制系统硬件的组成 (15)3.1选择合适的控制系统模式 (15)3.2建立合适的控制系统模型 (16)4控制系统软件的选取和设计 (19)4.1预期实现动作 (19)4.2实现手段 (19)4.2.1 各关节运动控制及监测 (19)4.2.2 直流电机伺服控制 (20)4.2.3 电机自锁 (20)4.2.4 程序的在线修改与示教控制 (22)4.2.5 参考点的设置 (22)5总结 (22)5.1设计经验 (22)5.2 误差分析 (23)5.3 总体评价 (23)致谢 (23)参考文献 (24)1绪论1.1工业机器人简介1.1.1发展史1920年由著名捷克斯洛伐克作家查培克所作剧本《罗萨姆的万能机器人》里第一次出现了“机器人”这个名词,但最初”Robot”一词是苦力的意思,指的是一台类人的且具有特殊功能的机器,为一种人造苦力。
绪论1. 机械手概述工业机器人由操作机(机械本体)、控制器、伺服驱动系统和检测传感装置构成,是一种仿人操作,自动控制、可重复编程、能在三维空间完成各种作业的机电一体化自动化生产设备。
特别适合于多品种、变批量的柔性生产。
它对稳定、提高产品质量,提高生产效率,改善劳动条件和产品的快速更新换代起着十分重要的作用。
机器人技术是综合了计算机、控制论、机构学、信息和传感技术、人工智能、仿生学等多学科而形成的高新技术,是当代研究十分活跃,应用日益广泛的领域。
机器人应用情况,是一个国家工业自动化水平的重要标志。
机器人并不是在简单意义上代替人工的劳动,而是综合了人的特长和机器特长的一种拟人的电子机械装置,既有人对环境状态的快速反应和分析判断能力,又有机器可长时间持续工作、精确度高、抗恶劣环境的能力,从某种意义上说它也是机器的进化过程产物,它是工业以及非产业界的重要生产和服务性设各,也是先进制造技术领域不可缺少的自动化设备。
机械手是模仿着人手的部分动作,按给定程序、轨迹和要求实现自动抓取、搬运或操作的自动机械装置。
在工业生产中应用的机械手被称为“工业机械手”。
生产中应用机械手可以提高生产的自动化水平和劳动生产率:可以减轻劳动强度、保证产品质量、实现安全生产;尤其在高温、高压、低温、低压、粉尘、易爆、有毒气体和放射性等恶劣的环境中,它代替人进行正常的工作,意义更为重大。
因此,在机械加工、冲压、铸、锻、焊接、热处理、电镀、喷漆、装配以及轻工业、交通运输业等方面得到越来越广泛的引用[1]。
机械手的结构形式开始比较简单,专用性较强,仅为某台机床的上下料装置,是附属于该机床的专用机械手。
随着工业技术的发展,制成了能够独立的按程序控制实现重复操作,适用范围比较广的“程序控制通用机械手”,简称通用机械手。
由于通用机械手能很快的改变工作程序,适应性较强,所以它在不断变换生产品种的中小批量生产中获得广泛的引用[2]。
机械手的组成机械手主要由执行机构、驱动系统、控制系统以及位置检测装置等所组成。
机械手设计说明书篇一:机械手设计说明书指导老师:设计合作成员:一、设计项目名称机械手臂手指机构2二、设计目的本设计拟搬运宽度尺寸90~110mm、质量为5kg以内的六菱柱形钢质工件,手指机构带水平转盘。
手指的动力驱动方式为液压传动。
液压传动的机械手是以压缩液体的压力来驱动执行机构运动的机械手。
三、设计要求(1)机械手为专用机械手,适用于夹六菱柱形钢质工件。
(2)选取机械手的座标型式和自由度。
(3)主要设计出机械手的手部机构。
(4)液压传动系统液压缸的选用四、设计方案4.1 机械手基本形式的选择机械手的典型结构一般可分为:回转型(包括滑槽杠杆式和连杆杠杆式两种)、移动型(移动型即两手指相对支座作往复运动)和平面平移型。
本设计采用二指回转型手抓。
4.2 机械手的主要部件及运动本机械手的部件有齿轮、齿条、连杆和液压缸等。
主要的运动有直动液压缸驱动齿条的平动、齿轮和齿条的啮合运动、连杆的转动和手抓的平行移动。
4.3 驱动方式的选择本机械手的驱动方案采用液压机构驱动机械手,结构简单、尺寸紧凑、重量轻、控制方便。
4.4 机械手的技术参数列表用途:卸码垛机械手臂抓重:5kg抓取的物体的几何形状:宽度为90~110mm六菱柱形钢质工件机械手自重:小于等于10kg4.5 机械工作原理机械手的夹工件的工作原理框图如图1所示。
图1. 机械手夹工件的工作原理框图该机械手采用了液压驱动方式来实现其工作的要求,工作要求就是机械手能适应六菱柱形钢质工件不同面的夹持,故带有水平转盘手臂的回转运动。
传动机构采用齿条与齿轮啮合。
本机械通过液压驱动传递动力推动齿条平动,齿条与齿轮啮合将液压缸传来的水平运动转化为齿轮连杆的回转运动。
而齿条与齿轮啮合驱动四连杆转动,四连杆机构使夹板水平移动,完成对工件的夹紧松开。
机械手的整体结构图如图2、图3所示。
手爪部分特点如下表述:1. 机械手手部由手爪(即夹板)和传力机构所构成。
机械手爪能夹宽度尺寸为90~110mm的工件,由于所夹工件是六菱柱形钢质工件,故在竖直方面上夹持会比较方便设计和简化机构,手爪部分可以做成平面夹板,而机构本身应带水平转盘机构以适应不同角度的夹持。
目录摘要 (1)第一章机械手设计任务书 (1)毕业设计目的 (1)本课题的内容和要求 (2)第二章抓取机构设计 (3)手部设计计算 (4)腕部设计计算 (6)臂伸缩机构设计 (8)第三章液压系统道理设计及草图 (10)手部抓取缸 (10)腕部摆动液压回路 (12)小臂伸缩缸液压回路 (13)总体系统图 (14)第四章机身机座的布局设计 (15)电机的选择 (16)减速器的选择 (17)螺柱的设计与校核 (17)第五章机械手的定位与平稳性 (18)常用的定位方式 (19)影响平稳性和定位精度的因素 (19)机械手运动的缓冲装置 (20)第六章机械手的控制 (21)第七章机械手的组成与分类 (22)机械手组成 (22)机械手分类 (23)毕业设计感想 (25)参考资料 (26)送料机械手设计摘要本课题是为普通车床配套而设计的上料机械手。
工业机械手是工业出产的必然产品,它是一种模仿人体上肢的局部功能,按照预定要求输送工件或握持东西进行操作的自动化技术设备,对实现工业出产自动化,推开工业出产的进一步开展起着重要作用。
因而具有强大的生命力受到人们的广泛重视和欢迎。
实践证明,工业机械手可以代替人手的繁重劳动,显著减轻工人的劳动强度,改善劳动条件,提高劳动出产率和自动化程度。
工业出产中经常呈现的笨重工件的搬运和持久频繁、单调的操作,采用机械手是有效的。
此外,它能在高温、低温、深水、宇宙、放射性和其他有毒、污染环境条件下进行操作,更显示其优越性,有着广阔的开展前途。
本课题通过应用AutoCAD 技术对机械手进行布局设计和液压传动道理设计,它能实行自动上料运动;在安装工件时,将工件送入卡盘中的夹紧运动等。
上料机械手的运动速度是按着满足出产率的要求来设定。
关键字机械手,AutoCAD。
第一章机械手设计任务书1.1毕业设计目的毕业设计是学生完成本专业教学方案的最后一个极为重要的实践性教学环节,是使学生综合运用所学过的底子理论、底子常识与底子技能去解决专业范围内的工程技术问题而进行的一次底子训练。
本科毕业设计 (论文)运料机械手的设计Material Handling Manipulator Design学院:机械工程学院专业班级:机械电子工程 DZ机电091 学生姓名:叶国巍学号: 2011140428 指导教师:汪冰(讲师)2013年6月目录1 绪论 (1)1.1 课题背景 (1)1.2 设计目的 (1)2 手部结构 (1)2.1 设计时应考虑的几个问题 (1)2.2 驱动力的计算 (2)2.3 夹紧缸的设计计算 (4)3 臂部设计 (6)3.1 伸缩手臂运动驱动力计算 (6)3.2 液压缸缸筒内径D的确定 (9)3.3 液压缸外径的设计及校核 (10)3.4 活塞杆设计参数及校核 (10)4 机身升降机构设计 (11)4.1 手臂偏重力矩的计算 (11)4.2 升降不自锁条件分析计算 (12)4.3 手臂做升降运动的液压缸驱动力的计算 (12)4.4 液压缸缸筒内径D的确定 (13)4.5 液压缸外径的设计及校核 (14)4.6 活塞杆设计参数及校核 (14)5 机身回转机构设计 (15)5.1 回转缸驱动力矩的计算 (15)5.2 回转缸尺寸的初步确定 (16)5.3 液压缸盖螺钉的计算 (16)5.4 动片和输出轴间的连接螺钉 (17)6 液压及控制系统设计 (18)6.1 液压系统设计 (18)6.2 PLC控制系统设计 (21)结论 (30)致谢 (31)参考文献 (32)1 绪论1.1 课题背景机械手是模仿着人手的部分动作,按给定程序、轨迹和要求实现自动抓取、搬运或操作的自动机械装置。
近年来,随着电子技术特别是电子计算机的广泛应用,更加促进了机械手的发展,使得机械手能更好地实现与机械化和自动化的有机结合。
机械手能代替人类完成危险、重复枯燥的工作,减轻人类劳动强度,提高劳动生产力。
尤其在高温、高压、低温、低压、粉尘、易爆、有毒气体和放射性等恶劣的环境中,它代替人进行正常的工作,意义更为重大。
机械手毕业设计说明书一、设计目的本毕业设计旨在设计一种机械手,能够根据预先设定的程序自动执行各种操作。
通过该设计,可以提高工作效率,减少人力成本,同时具备高精度和高可靠性。
二、设计背景近年来,随着工业自动化的不断发展,机械手在工业生产中的应用越来越广泛。
机械手凭借其高速、高精度、高可靠性等优势,成为工厂生产线上的重要设备之一。
因此,设计一种功能强大的机械手对于工业生产的提升具有重要意义。
三、设计内容1.机械结构设计本设计采用七自由度机械手结构,包括基座、旋转关节、摇摆关节、剪切关节以及爪子等部分。
结构设计中要考虑刚性、稳定性以及重量平衡等因素,确保机械手能够准确地执行各种操作。
2.传感器系统设计为了使机械手具备自主感知能力,本设计将配备多种传感器,如力传感器、视觉传感器等。
通过传感器系统的设计,机械手可以根据实时的反馈信息进行运动控制,提高操作的准确性和安全性。
3.运动控制系统设计运动控制系统是机械手的核心部分,本设计将采用PLC (可编程逻辑控制器)作为控制器,结合伺服驱动器实现机械手的精确定位和协调运动。
通过编写程序,机械手可以根据预先设定的路径和信号执行各种操作。
四、设计过程1.需求分析针对机械手的应用场景和功能需求,进行需求分析。
确定机械手所需执行的任务类型、速度要求、负载能力等。
2.机械结构设计根据需求分析,设计机械手的结构,包括基座、旋转关节、摇摆关节、剪切关节和爪子等。
进行力学分析和模拟,确保结构设计的合理性和可靠性。
3.传感器系统设计根据需求分析,确定机械手所需的传感器类型和数量。
选择合适的传感器并安装在机械手上,设计传感器的接口电路和数据处理算法。
4.运动控制系统设计选择合适的PLC和伺服驱动器,进行硬件选型和连接。
编写控制程序,实现机械手的位置控制、速度控制和力控制等功能。
5.整体集成与测试将机械结构、传感器系统和运动控制系统进行整体集成。
进行系统测试,检验机械手的功能和性能是否满足设计要求。
为了培养面向21世纪知识经济时代的科技人才,国家进行了课程体制改革,而机械原理课程设计能够培养机械类专业学生的创新能力,今天我们设计的热墩挤送料机械手,由于机械手能模仿人手和臂的某些动作功能,用以按固定程序抓取、搬运物件或操作工具的自动操作装置。
它可代替人的繁重劳动以实现生产的机械化和自动化,能在有害环境下操作以保护人身安全,因而广泛应用于机械制造、冶金、电子、轻工和原子能等部门。
机械手主要由手部和运动机构组成。
手部是用来抓持工件(或工具)的部件,根据被抓持物件的形状、尺寸、重量、材料和作业要求而有多种结构形式,如夹持型、托持型和吸附型等。
运动机构,使手部完成各种转动(摆动)、移动或复合运动来实现规定的动作,改变被抓持物件的位置和姿势。
运动机构的升降、伸缩、旋转等独立运动方式,称为机械手的自由度,选择何时的自由度作出合适的机械手以满足生产的要求,简便了工作。
目录一、总设计要求……………………………………..1、设计题目………………………………………..2、设计任务……………………………………….二、功能分解…………………………………………三、选用的机构…………………………….四、机构的运动循环图…………………………….五、原动件的选择…………………………….六、传动比的分配…………………………….七、主要机构介绍…………………………….1、齿轮设计…………………………….2、对心直动滚子推杆盘形凸轮机构……………3、不完全齿轮机构设计…………………….八、设计方案的评价…………………………….九、总结…………………………….十、参考文献…………………………….一、总设计要求1、设计题目设计二自由度关节式热镦挤送料机械手,由电动机驱动,夹送圆柱形墩料,往40t墩头机送料。
以方案A为例,它的动作顺序是:手指夹料,手臂上摆12度,手臂水平回转120度,于管下摆15度,手指张开放料;手臂再上摆,水平反转,下摆,同时手指张开,准备夹料。
多功能机械手的设计摘要: 本次设计的多功能机械手用于加工自动线上,主要由手爪、手腕、手臂、机身、机座等组成,具备上料、翻转和转位等多种功能,并按该自动线的统一生产节拍和生产纲领完成以上动作。
本机械手机身采用机座式,自动线围绕机座布置,其坐标形式为球坐标式,具有立柱旋转、手臂伸缩、手臂俯仰、腕部转动和腕部摆动5个自由度;驱动方式为液压驱动,且选用双联叶片泵,系统压力为,电机功率为,共有整机回转油缸、手臂俯仰油缸、手臂伸缩油缸、手腕摆动油缸、手腕回转油缸、手爪夹紧油缸6个液压缸;定位采用机械挡块定位,定位精度为~1mm,采用行程控制系统实现点位控制。
关键字:机械手,球坐标,液压,机械挡块,点位控制Abstract: The current design of multifunctional mechanical hand used for R175-type diesel organisms automatic processing line, mainly consist of claw, wrists, arms, body, base and so on. With moving the materials, turnover and transfer spaces, and many other functions, the automatic line with the unified production rhythms and production program completed more moves. With the automatic production line rhythms and the production of complete reunification of the above movements, automatic line is around the machine arrange, the coordinates of the ball coordinates of the form, with huge rotary, extendable arm, arm pitch, hitting and hitting back five moves freedom; Driven approach to hydraulic-driven, and the choice of double leaves pumps, the systempressure to , electrical power for a total of whole sets of rotation tank, arm tilt cylinders, fuel tanks extendable arm, wrist swing tank, wrist rotation tank, claw clip tank six hydraulic oil tank; positioning a piece of machinery turned positioning, positioning accuracy for ~1mm, using control systems to achieve their point spaces control.Key words: Mechanical hand, the ball coordinates, hydraulic, mechanical turned pieces, control point spaces前言本次毕业设计是在学完大学四年的基础知识和专业知识,进行了一系列的生产实习和以前各次课程设计的基础上进行的一次综合性的大总结。
1.总体方案设计根据课题设计任务书的要求,确定总体方案:1.抓重:10kg2.坐标形式:圆柱坐标3.自由度:3定为方式:机械挡块(行程开关)。
驱动方式:液压驱动。
控制方式:PLC(可编程序控制)定位精度:±2mm。
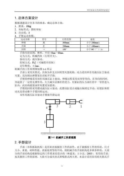
机械手的工作原理图如图1-1所示手部1采用夹钳式,具体为单支点回转型夹紧机构。
动力采用单作用液压缸2驱动夹紧,反向则由弹簧复位而松开手指。
手臂的伸缩采用双作用液压缸3驱动,伸缩过程采用双导管导向,在导向的同时,亦起到了一定的支撑作用,大大减少活塞杆的受力。
夹紧缸的压力油经其中一导管进入缸内,此结构能使油管布置更加紧凑。
手臂的回转采用摆动液压缸4驱动,此摆动缸设计成输出轴固定不动,而使缸体转动从而带动整个手臂回转运动。
双作用液压缸5驱动手臂做升降运动图1-1 机械手工作原理图2.手部设计手部(亦称抓取机构)是用来直接握持工件的部件,由于被握持工件的形状、尺寸大小、重量、材料性能、表面处理等的不同,则机械手的手部机构是多种多样的,大部分的手部结构是根据特定的工件要求而设计的(林建龙,王小北,2003)。
常用的手部,按其握持工件的原理,大致可分成夹持式和吸附式两大类。
本设计采用常用的夹钳式手部结构,它是最常见的夹持式结构。
夹钳式手部是由手指、传动机构和驱动装置三部分组成的,它对抓取各种形状的工件具有较大的适应性,可以抓取轴、盘和套类零件(殷际英,何广平,2003)。
一般情况下多采用两个手指,少数采用三指或多指。
本设计中的工件是棒料,所以选择较简单的两指结构。
夹钳式手部设计的基本要求:1、应具有适当的夹紧力和驱动力手指握力(夹紧力)大小要合适,力量过大则动力消耗多,结构庞大,不经济,甚至会损坏工件;力量过小则夹持不住或产生松动、脱落。
在确定握力时,除考虑工件总量外,还应考虑传送或操作过程中所产生的惯性力和振动,亦保证工件夹持安全可靠(杨永清等,2008)。
对于手部的驱动装置来说,应有足够的驱动力。
机械专业课程设计指导老师:设计者:学号:专业班级:设计题目:搬运机械手完成时间:2011年07 月02日目录一、设计任务 (1)1.1 设计任务介绍 (1)1.1.1 课程设计的目的. (1)1.1.2 课程设计的容. (1)1.1.3 课程设计的要求. (1)1.1.4 课程设计的具体任务. (2)1.1.5 研究机械手的意义. (2)1.2 设计任务明细 (3)1.2.1 总体方案的设计. (3)1.2.2 机械系统的设计 (3)二、总体方案设计 (3)2.1 驱动系统 (3)2.2 执行 (4)2.3 控制系统 (4)3.1 机械传动装置的组成及原理 (5)机械手的机械传动装置示意图如下. (5)3.2 滚珠丝杠简介与特点 (5)3.3 滚珠丝杠的设计及选型 (6)3.3.1 螺旋类型及种类. (6)3.3.2 初始条件 (6)3.3.3. 滚珠丝杠副的组成及主要尺寸. (7)3.3.4 计算过程 (7)3.3.5 滚珠丝杠最小轴经校核. (9)3.4 电机选型及联轴器选型 (9)3.4.1 电机选型 (9)3.4.2 联轴器的选择. (9)3.5 键的选择与校核 (10)3.5 轴承的选型与校核 (10)3.5.1 轴承的选型. (10)3.5.2 轴承的校核. (10)3.6 主要联接部位螺栓的校核 (12)3.7 轴承座、机架、导向柱、底座等基本构件的结构设计 (13)四、电气控制系统设计 (13)4.1 控制系统的基本组成 (13)4.2 电气元件的选型 (14)4.2.1 可编程序控制器的选择 (14)4.2.2 步进电机驱动器的选择 (14)4.2.3 步进电机选择与控制 (15)4.3 电气控制电路的设计 (16)4.4 控制程序的设计 (17)4.4.1 机械手搬运流程图 (17)4.4.2 输入/ 输出地址分配 (17)4.4.3 机械手位移控制程序 (18)4.4.4 搬运机械手搬运程序设计. (21)五、课程设计总结 (28)六、参考文献 (29)一、设计任务1.1设计任务介绍1.1.1课程设计的目的通过课程设计培养学生综合运用所学知识和能力、提高分析和解决实际问题能力的一个重要环节,专业课程设计时建立的专业基础课程和专业方向课的基础上的,是学生根据所学课程进行的工程基本训练,课程设计的目的在于:1、培养学生综合运用所学的基础理论和专业知识,独立进行机电控制系统产品的初步设计工作,并结合设计或试验研究课题进一步巩固和扩大知识领域。
北京化工大学课程设计(说明书)中文题目机械手外文题目 machine’s finger教学院成人教育学院专业班级 121吉电专学生姓名崔志明学生学号指导教师刘兴德2014年 5月 17 日摘要在国家标准中,工业机器人被定义为:“一种能自动定位控制、可重复编程的、多功能的、多自由度的操作机。
它能搬运材料、零件或操持工具,用以完成各种作业。
”机器人赖以完成各种作业的机械实体(称作操作机或操作器或机械手)被定义为:“具有和人手臂相似的动作功能,可以在空间抓放物体或者进行其他操作的机械装置。
”可见,工业机器人是一个机电系统,机械手是它的执行机构。
介绍了机械手的工作原理,结构设计过程,以及机械手在国内的发展状况和趋势。
重点阐述了机械手的微机自动控制系统。
关键词:机器人;控制系统;手指AbstractIn the national standards, the industry robot by the definition is: “one kind can the automatic positioning control, be possible to duplicate programs, multi-purpose, themulti-degree-of-freedom operation machine. It can transport the material, the components or manages the tool, with completes each kind of work.” The robot depends take completes each kind of work the mechanical entity (to be called as operation machine 'OR' operation or manipulator) by the definition as: “has with the person arm similar holding f unction, may grasp in the space puts the object or carries on other operations the mechanism.” Obviously, the industry robot is a mechanical and electrical system, the manipulator is its implementing agency.machine’s finger, introduced the working principle, structure design process, as well as the machine’s finger in the development of national status and trends. Chamber focuses on the automatic control system of the computerKey Words:robot;Testing equipment;finger摘要 (I)ABSTRACT (II)第1章绪论 (1)1.1 引言 (1)1.2 国内外发展与现状 (1)第2章机械手总体机构的设计 (5)2.1总体设计概况和思路: (5)2.1.总体结构设计 (5)2.2、机械结构设计 (6)2.2.1机械手的设计 (6)2.2.2夹紧与推进气缸连接板 (7)2.2.3机器人总体模型的建立 (8)第3章部件的选择与计算 (9)3.1 驱动方式的选择: (9)3.2手指夹紧驱动气缸的选择与计算: (10)3.2.1手指夹紧驱动气缸的选择: (10)3.2.2夹紧汽缸规格的选择: (11)3.3 推进气缸的选择: (11)3.3.1机械手驱动气缸的选择: (11)3.3.2机械手推进驱动气缸规格的选择: (12)3.4 旋转气缸的选择: (13)3.5 丝杠选择: (14)3.5.1丝杠形式的选择 (14)3.5.2滚珠丝杠副的确认 (15)3.6 光杠的选择与固定 (17)3.7 电机选择: (17)3.8 联轴器的选择: (18)第4章控制部分 (21)4.1 PLC控制步进电机: (21)4.1.1 PLC控制总体结构: (21)4.1.2 行程控制 (21)4.1.3 进给速度控制 (21)4.1.4 进给方向控制 (22)4.1.5 PLC的软件控制逻辑 (22)4.1.6步进电机控制系统的组成 (22)4.1.7 可编程控制器的接口 (23)4.2 PLC控制气动机械手: (24)4.2.1 功能设计: (24)4.2.2 动作流程设计: (24)4.2.3 电器元件的选择: (25)结论 (27)参考文献: (28)致谢 (1)第一章绪论1.1 引言机器人技术作为20世纪人类最伟大的发明之一,1954年,美国人(George C. Devol)提出了一个关于工业机器人的技术方案,随后注册成为专利。
学号 000000000毕业设计设计题目:送料机械手学院: 0000 000专业:000000000 班级 0000姓名: 0000000指导教师: 00000000日期:年月日- 1-诚信声明本论文是我个人在老师指导下,按任务书要求,自己撰写的论文。
该论文凡引用他人的文章或成果之处都在论文中注明,并表示了谢意。
除此之外都是自己的工作成果。
若本论文及资料与以上声明不符,本人承担一切责任。
本人签名:日期:年月日- 3 -设计任务书班级:0000000000 学生:000000000 学号:0000000000设计题目:送料机械手摘要:设计一个送料机械手,应用于工业自动化生产线,把工业产品从一条生产线搬运到另外一条生产线,实现自动化生产,减轻产业工人大量的重复性劳动,同时又可以提高劳动生产率。
设计内容及要求:1. 采用气动驱动方式2. 选取至少3个-4个运动自由度,设计出机械手的各执行机构,包括:手部、手腕、手臂等部件的设计。
3.设计出机械手的气压传动系统,包括气动元器件的选取,气动回路的设计,并绘出气动原理图4.采用可编程序控制器(PLC)对机械手进行控制,本课题将要选取PLC 型号,根据机械手的工作流程编制出PLC 程序,并画出梯形图 5.技术参数(1) 抓重:8kg(2) 自由度数:4个自由度 (3) 最大工作半径:1500mm (4) 工件直径尺寸: mm mm 15080φφ-(5) 气动原理图 1张(A2) 气缸装配图 1张(A0) 夹持机械手零件图 3张(A3、A4)指导老师(签字): 年 月 日前言近20年来,气动技术的应用领域迅速拓宽,尤其是在各种自动化生产线上得到广泛应用。
电气可编程控制技术与气动技术相结合,使整个系统自动化程度更高,控制方式更灵活,性能更加可靠;气动机械手、柔性自动生产线的迅速发展,对气动技术提出了更多更高的要求;微电子技术的引入,促进了电气比例伺服技术的发展。
送料机械手毕业设计随着科技的不断进步和应用的广泛推广,机械手在工业生产中的应用越来越广泛。
作为一种自动化设备,机械手可以完成各种复杂的操作,提高生产效率,减少人力成本。
而送料机械手作为机械手的一种,具有独特的功能和应用场景,成为了许多企业在生产线上不可或缺的一部分。
送料机械手是一种能够将物料从一个位置移动到另一个位置的机械设备。
它通常由机械臂、夹具和控制系统组成。
机械臂负责抓取和搬运物料,夹具则用于固定物料,控制系统则负责对机械手进行控制和调度。
通过这些组成部分的协作,送料机械手可以在生产线上高效地完成物料的搬运任务。
送料机械手的应用范围非常广泛。
在制造业中,它可以用于将原材料从仓库搬运到生产线上,将成品从生产线上搬运到仓库,或者将半成品从一个工序搬运到另一个工序。
在物流行业中,它可以用于将货物从一个地方搬运到另一个地方,提高物流效率。
在仓储行业中,它可以用于将货物从货架上搬运到物流车辆上,或者将货物从物流车辆上搬运到货架上。
总之,无论是在制造业、物流行业还是仓储行业,送料机械手都发挥着重要的作用。
送料机械手的设计和制造需要考虑多个因素。
首先,需要考虑机械手的负载能力。
根据具体的应用需求,机械手需要能够承载不同重量的物料。
其次,需要考虑机械手的工作范围。
不同的应用场景对机械手的工作范围有不同的要求,设计师需要根据具体情况确定机械手的工作范围。
此外,机械手的速度和精度也是设计时需要考虑的因素。
不同的应用场景对机械手的速度和精度有不同的要求,设计师需要根据具体情况确定机械手的速度和精度。
除了上述因素外,还需要考虑机械手的安全性和可靠性。
机械手在工作过程中需要与人员和其他设备进行协作,因此必须具备良好的安全性能,以避免意外事故的发生。
同时,机械手的可靠性也非常重要,设计师需要确保机械手在长时间运行的情况下不会出现故障,以保证生产线的正常运行。
在现代工业生产中,送料机械手已经成为了不可或缺的一部分。
它的出现极大地提高了生产效率,减少了人力成本,改善了工作环境。
搬运机械手结构设计及运动仿真摘要机械手可谓是自动手,能够模仿手等的部分工作一些功能,根据处理对象固定的程序还是爬行,操作工具自动运行装置。
机械手起到很多作用,简答来说可以能够取代人的复杂劳动,来实现生产活动的机械化及自动化,也可以在不良环境下运作,起到保护人身安全的作用,因为这方面的要求我们可以将机械手应用于机械制造中锻造方面、冶金方面、电子方面等部门,将机械手运用这些方面可以提高生产效率等。
本课题要求是通常圆柱坐标系设计的搬运机械手。
论文中是对对机械手的功能、分类及进行了叙述,并通过该论文设计要求,对机械手的手、腕、臂以及机身的结构方面的设计及计算和液压传动原理方面设计,使其能实现自动上料、腕部旋转、手臂伸展、机身旋转及升降等动作,并运用Pro/E对搬运机械手的工作过程进行机构运动仿真。
通过运动仿真对机械手的结构设计有个比较详细的了解,能够更好让机械手广泛运用于工业方面。
关键词机械手;液压传动;机械手结构设计;运动仿真Handling Robot Design and Motion SimulationAbstractManipulator can be described as automatic hand, can mimic some of the features hands and other parts of the work, according to the processing target fixed procedure or crawling, operating tool automatically run devices. Robot plays many roles, it may be able to replace short-answer people's complex labor to mechanization and automation of production activities, and can also operate in adverse environments, protect the personal safety role because this requirement, we can The robot used in machinery manufacturing in terms of forging, metallurgy, electronics and other departments, the robot can use these areas to improve production efficiency.The requirements of the subject is generally cylindrical coordinate system designed handling robot. Paper is a mechanical hand function, classification and has been described, and by the paper design requirements, design and calculation of structures of the robot's hand, wrist, arm, and body and hydraulic drive principle aspects of the design, so that it can automatic feeding, wrist rotation, arm extension, rotation and lifting and other body movements, and the use of Pro / E for the handling of the robot motion simulation work processes. By motion simulation to design the robot has a more detailed understanding, better able to make the robot widely used in industry.Keywords manipulator; hydraulic transmission; hand structure design; motion simulation目录摘要 (I)Abstract (II)第1章绪论 (1)1.1 课题背景 (1)1.2 研究意义 (2)1.3 国内外研究现状分析 (3)1.4 研究的主要内容及方法 (3)1.5 工业机械手的分类,基本形式及组成 (4)1.5.1 工业机械手的分类 (4)1.5.2 工业机械手的基本形式 (4)1.5.3 基本组成 (6)1.6 本章小结 (9)第2章搬运机械手总体设计方案 (10)2.1 搬运机械手设计参数 (10)2.2 搬运机械手基本形式的选择 (11)2.3 驱动机构的选择..................................................... 错误!未定义书签。
搬运机器人设计说明书5篇第一篇:搬运机器人设计说明书青岛科技大学本科毕业设计(论文)绪论1.1研究背景与意义工业机械手是近代自动控制领域中出现的一项新技术,并已成为现代机械制造生产系统中的一个重要组成部分,这种新技术发展很快,逐渐成为一门新兴的学科——机械手工程。
机械手涉及到力学、机械学、电器液压技术、自动控制技术、传感器技术和计算机技术等科学领域,是一门跨学科综合技术。
工业机械手是近几十年发展起来的一种高科技自动生产设备。
工业机械手也是工业机器人的一个重要分支。
他的特点是可以通过编程来完成各种预期的作业,在构造和性能上兼有人和机器各自的优点,尤其体现在人的智能和适应性。
机械手作业的准确性和环境中完成作业的能力,在国民经济领域有着广泛的发展空间[1-3]。
机械手的发展是由于它的积极作用正日益为人们所认识:其一、它能部分的代替人工操作;其二、它能按照生产工艺的要求,遵循一定的程序、时间和位置来完成工件的传送和装卸;其三、它能操作必要的机具进行焊接和装配,从而大大的改善了工人的劳动条件,显著的提高了劳动生产率,加快实现工业生产机械化和自动化的步伐。
因而,受到很多国家的重视,投入大量的人力物力来研究和应用。
尤其是在高温、高压、粉尘、噪音以及带有放射性和污染的场合,应用的更为广泛。
在我国近几年也有较快的发展,并且取得一定的效果,受到机械工业的重视。
图1-1 生产线上的机械手Fig.1-1 The manipulator on the production line物料搬运机械手结构设计进入21世纪,随着我国人口老龄化的提前到来,近来在东南沿海还出现大量的缺工现象,迫切要求我们提高劳动生产率,提高我国工业自动化水平势在必行。
工业机械手是工业生产的必然产物,它是一种模仿人体上肢的部分功能,按照预定要求输送工件或握持工具进行操作的自动化技术设备,对实现工业生产自动化,推动工业生产的进一步发展起着重要作用,因而具有强大的生命力受到人们的广泛重视和欢迎。
中文圆钢送料机械手上下料机械手毕业设计一、设计背景与意义:随着现代工业的快速发展,自动化技术在各个领域得到了广泛应机械手作为自动化生产线的重要组成部分,其在工业生产中具有重要意义。
本次设计的机械手主要应用于中文圆钢送料机上下料作业,通过自动化操作来提高工作效率,降低劳动强度,减少操作错误,提高生产质量。
二、设计原理与流程:1.设计原理:(1)采用机械手抓取圆钢的方式,实现上下料作业;(2)通过光电传感器进行及时感应,确保机械手的精确定位;(3)利用传动装置使机械手能够在三维空间内进行自由移动。
2.设计流程:(1)确定机械手的工作空间,包括上下料区域的尺寸和限制;(2)选择合适的机械手结构和控制系统,确保能够满足作业要求;(3)设计机械手的抓取装置,确定合适的抓取方式和抓取力度;(4)设计传动装置,使机械手能够在三维空间内对准指定位置;(5)设置光电传感器,确保机械手的准确定位;(6)编写控制程序,实现自动化操作。
三、设计目标:(1)实现机械手对中文圆钢的自动上下料作业;(2)提高工作效率,降低劳动强度,减少操作错误,提高生产质量;(3)机械手的工作精度要求达到一定水平,确保圆钢的稳定抓取与放置;(4)机械手的安全性要求高,确保操作人员的人身安全。
四、设计步骤与方法:1.确定机械手的工作空间和限制,根据产线工艺要求确定上下料区域的尺寸和位置。
2.选择适合的机械手结构和控制系统。
常见的机械手结构有串联型、并联型等,根据实际情况选择合适的结构。
3.设计机械手的抓取装置。
根据中文圆钢的形状和重量,确定合适的抓取方式和抓取力度,确保稳定抓取和放置。
4.设计传动装置。
机械手需要实现在三维空间内的自由移动,通过传动装置来实现机械手的运动,如采用电动机和传动带来实现。
5.设置光电传感器。
光电传感器能够及时感应机械手的位置,确保机械手的准确定位。
6.编写控制程序。
通过编写控制程序,实现机械手的自动化操作,并确保其工作稳定和安全。
毕业设计(论文)说明书设计题目:送料机械手系部:机械工程系专业:机电一体化班级: 08机电(1)班姓名:何沙沙学号: G082308 指导教师:黄晓萍年月目录摘要 (1)第一章机械手设计任务书 (1)1.1毕业设计目的 (1)1.2本课题的内容和要求 (2)第二章机身机座的结构设计 (4)2.1电机的选择 (4)2.2减速器的选择 (6)2.3螺柱的设计与校核 (6)第三章液压系统原理设计及草图 (7)3.1手部抓取缸 (7)3.2腕部摆动液压回路 (8)3.3小臂伸缩缸液压回路 (10)3.4总体系统图 (11)第四章抓取机构............................................................................ (12)4.1手部设计计算 (12)4.2 腕部设计计算 (15)4.3臂伸缩机构设计 (17)第五章机械手的定位与平稳性 (20)5.1常用的定位方式 (20)5.2影响平稳性和定位精度的因素 (20)5.3机械手运动的缓冲装置 (21)第六章机械手的控制 (22)第七章机械手的组成与分类 (23)7.1机械手组成 (23)7.2机械手分类 (24)参考资料 (26)送料机械手设计摘要本课题是为普通车床配套而设计的上料机械手。
工业机械手是工业生产的必然产物,它是一种模仿人体上肢的部分功能,按照预定要求输送工件或握持工具进行操作的自动化技术设备,对实现工业生产自动化,推动工业生产的进一步发展起着重要作用。
因而具有强大的生命力受到人们的广泛重视和欢迎。
实践证明,工业机械手可以代替人手的繁重劳动,显著减轻工人的劳动强度,改善劳动条件,提高劳动生产率和自动化水平。
工业生产中经常出现的笨重工件的搬运和长期频繁、单调的操作,采用机械手是有效的。
此外,它能在高温、低温、深水、宇宙、放射性和其他有毒、污染环境条件下进行操作,更显示其优越性,有着广阔的发展前途。
本课题通过应用AutoCAD 技术对机械手进行结构设计和液压传动原理设计,它能实行自动上料运动;在安装工件时,将工件送入卡盘中的夹紧运动等。
上料机械手的运动速度是按着满足生产率的要求来设定。
第一章机械手设计任务书1.1毕业设计目的毕业设计是学生完成本专业教学计划的最后一个极为重要的实践性教学环节,是使学生综合运用所学过的基本理论、基本知识与基本技能去解决专业范围内的工程技术问题而进行的一次基本训练。
这对学生即将从事的相关技术工作和未来事业的开拓都具有一定意义。
其主要目的:一、培养学生综合分析和解决本专业的一般工程技术问题的独立工作能力,拓宽和深化学生的知识。
二、培养学生树立正确的设计思想,设计构思和创新思维,掌握工程设计的一般程序规范和方法。
三、培养学生树立正确的设计思想和使用技术资料、国家标准等手册、图册工具书进行设计计算,数据处理,编写技术文件等方面的工作能力。
四、培养学生进行调查研究,面向实际,面向生产,向工人和技术人员学习的基本工作态度,工作作风和工作方法。
1.2本课题的内容和要求(一、)原始数据及资料(1、)原始数据:a、生产纲领:100000件(两班制生产)b、自由度(四个自由度)臂转动180º臂上下运动 500mm臂伸长(收缩)500mm手部转动±180º(2、)设计要求:a、上料机械手结构设计图、装配图、各主要零件图(一套)b、液压原理图(一张)c、设计计算说明书(一份)(3、)技术要求主要参数的确定:a、坐标形式:直角坐标系b、臂的运动行程:伸缩运动500mm,回转运动180º。
c、运动速度:使生产率满足生产纲领的要求即可。
d、控制方式:起止设定位置。
e、定位精度:±0.5mm。
f、手指握力:392Ng、驱动方式:液压驱动。
(二、)料槽形式及分析动作要求( 1、)料槽形式由于工件的形状属于小型回转体,此种形状的零件通常采用自重输送的输料槽,如图1.1所示,该装置结构简单,不需要其它动力源和特殊装置,所以本课题采用此种输料槽。
图1.1机械手安装简易图(2、)动作要求分析如图1.2所示动作一:送料动作二:预夹紧动作三:手臂上升动作四:手臂旋转动作五:小臂伸长动作六:手腕旋转预夹紧手臂上升手臂旋转小臂伸长手腕旋转手臂转回图1.2 要求分析第二章机身机座的结构设计机身的直接支承和传动手臂的部件。
一般实现臂部的升降、回转或俯仰等运动的驱动装置或传动件都安装在机身上,或者就直接构成机身的躯干与底座相连。
因此,臂部的运动愈多,机身的结构和受力情况就愈复杂,机身既可以是固定式的,也可以是行走式的,如图2.1所示。
图2.1机身机座结构图臂部和机身的配置形式基本上反映了机械手的总体布局。
本课题机械手的机身设计成机座式,这样机械手可以是独立的,自成系统的完整装置,便于随意安放和搬动,也可具有行走机构。
臂部配置于机座立柱中间,多见于回转型机械手。
臂部可沿机座立柱作升降运动,获得较大的升降行程。
升降过程由电动机带动螺柱旋转。
由螺柱配合导致了手臂的上下运动。
手臂的回转由电动机带动减速器轴上的齿轮旋转带动了机身的旋转,从而达到了自由度的要求。
2.1电机的选择机身部使用了两个电机,其一是带动臂部的升降运动;其二是带动机身的回转运动。
带动臂部升降运动的电机安装在肋板上,带动机身回转的电机安装在混凝土地基上。
1、带动臂部升降的电机:〖10〗初选上升速度 V=100mm/sP=6KW所以n=(100/6)×60=1000转/分选择Y90S-4型电机,属于笼型异步电动机。
采用B级绝缘,外壳防护等级为IP44,冷却方式为I(014)即全封闭自扇冷却,额定电压为380V,额定功率为50HZ。
如图2.1 Y90S-4电动机技术数据所示:图2.1 Y90S-4电动机技术数据2、带动机身回转的电机:〖10〗初选转速 W=60º/sn=1/6转/秒=10转/分由于齿轮 i=3减速器 i=30所以n=10×3×30=900转/分选择Y90L-6型笼型异步电动机电动机采用B级绝缘。
外壳防护等级为IP44,冷却方式为I(014)即全封闭自扇冷却,额定电压为380V,额定功率为50HZ。
如图2.2 Y90S-6电动机技术数据所示:图2.2 Y90L-6电动机技术2.2减速器的选择减速器的原动机和工作机之间的独立的闭式传动装置。
用来降低转速和增转矩,以满足工作需要。
〖6〗初选WD80型圆柱蜗杆减速器。
WD为蜗杆下置式一级传动的阿基米德圆柱蜗杆减速器。
蜗杆的材料为38siMnMo调质蜗轮的材料为ZQA19-4中心矩a=80Ms×q=4.0×11 (2.1)传动比I=30传动惯量0.265×10ˉ³kg·m²4.3螺柱的设计与校核螺杆是机械手的主支承件,并传动使手臂上下运动。
螺杆的材料选择:〖6〗从经济角度来讲并能满足要求的材料为铸铁。
螺距 P=6mm 梯形螺纹螺纹的工作高度 h=0.5P (2.2)=3mm螺纹牙底宽度 b=0.65P=0.65×6=3.9mm (2.3)螺杆强度 [σ]= σs/3~5 (2.4)=150/3~5=30~50Mpa螺纹牙剪切[τ]=40 弯曲[σb]=45~551、当量应力〖6〗[]σπσ≤⎪⎪⎭⎫⎝⎛+⎪⎪⎭⎫ ⎝⎛=2312212.034d T d F (2.5)式中 T ——传递转矩N ·mm[σ]——螺杆材料的许用应力 所以代入公式(2.5)得:σ= (4×200×9.8/πd 1²)²+3(200×9.8×0.6/0.2d 1³)² = (2495/ d 1²)²+3(61.2/ d 1³)²≤30~50×106 =(2495/ d 1²)²+3(61.2/ d 1³)²≤900~2500×1012=6225025/d 14+11236/d 16≤900~2500×10126225025d 12+11236≤900d 16×10126225025×0.0292+11236≤900×0.0296×1012 即16471pa <535340pa 合格2、剪切强度〖6〗Z=H/P=160/6 (旋合圈数) (2.6) τ=F/πd 1bz (2.7)=200×9.8/π×0.029×3.9×(160/6)×10-3 =206.8×103pa=0.206Mpa <[τ]=40Mpa 3、弯曲强度〖6〗σb =3Fh/πd 1b 2z=3×200×9.8×3/π×2.9×3.92×(160/6) =0.48Mpa <[σ]=45Mpa合格第三章液压系统原理设计及草图3.1手部抓取缸图 3.1手部抓取缸液压原理图〖7〗1、手部抓取缸液压原理图如图3.1所示2、泵的供油压力P取10Mpa,流量Q取系统所需最大流量即Q=1300ml/s。
因此,需装图3.1中所示的调速阀,流量定为7.2L/min,工作压力P=2Mpa。
采用:YF-B10B溢流阀2FRM5-20/102调速阀23E1-10B二位三通阀3.2腕部摆动液压回路图 3.2腕部摆动液压回路〖7〗1、腕部摆动缸液压原理图如图3.2所示2、工作压力 P=1Mpa流量 Q=35ml/s采用:2FRM5-20/102调速阀34E1-10B 换向阀YF-B10B 溢流阀3.3小臂伸缩缸液压回路图 3.3小臂伸缩缸液压回路〖7〗1、小臂伸缩缸液压原理图如图3.3所示2、工作压力 P=0.25Mpa流量 Q=1000ml/s采用:YF-B10B 溢流阀2FRM5-20/102 调速阀23E1-10B二位三通阀3.4总体系统图图 3.4总体系统图〖7〗1、总体系统图如图3.4所示2、工作过程小臂伸长→手部抓紧→腕部回转→小臂回转→小臂收缩→手部放松3、电磁铁动作顺序表元件1DT 2DT 3DT 4DT 5DT 动作小臂伸长-+ + - - 手部抓紧-+ - - - 腕部回转-+ - + -图 3.5总体系统图4、确电机规格:液压泵选取CB-D型液压泵,额定压力P=10Mpa,工作流量在32~70ml/r之间。
选取80L/min为额定流量的泵,因此:传动功率 N=P×Q/η(3.1)式中:η=0.8 (经验值)所以代入公式(3.1)得:N=10×80×103×106/60×0.8=16.7KN选取电动机JQZ-61-2型电动机,额定功率17KW,转速为2940r/min。