机械手设计的任务书
- 格式:doc
- 大小:708.00 KB
- 文档页数:6
机械手控制系统设计任务书机械手控制系统设计:(一)硬件系统:1.机械手结构设计:在控制系统的设计之前,需要先按需求对机械手结构进行设计和优化,负责机械手运动部分的设计和制造,保证机械手的精确性和可靠性。
2.电控系统设计:需要根据机械手结构和实际的工况确定电控系统的构成,包括传动系统、电控部分、解码控制部分和安全保护部分等,使电控系统能够实现匌合的驱动和控制功能。
3.控制系统软件设计:负责控制系统软件移植、设计、测试和调试,控制系统软件要求正确性,可靠性,实时性和高效率,确保机械手的正确运行。
系统软件以C语言编程实现,采用模块化的设计方法和结构化的程序编写。
(二)系统功能:1.平滑运动:控制机械手能够实现连续搬运,快速搬运和精确搬运三种运动模式,保证搬运过程中的平滑和准确。
2.避障功能:系统实现避障技术,当机械手遇到障碍物时能够及时反应,采取合适措施保护物料和机械手本身,防止意外碰撞危害。
3.重复定位:控制系统采用联锁机制进行重复定位,确保物料正确定位,预防物料受到外力的影响而产生的误差。
4.加速减速:机械手通过控制系统实现加速,减速和精确调速等,以满足机械手需要的运动精度和变速率要求。
(三)系统试验:1.总体试验:控制系统在完成设计编程后,应进行总体试验,确定其正确性和可靠性,测试的内容应包括电源调试、触摸屏调试、电机调试以及操作模式的测试等。
2.精度测试:对机械手系统的精度进行测试,检查其是否符合要求,以保证物料的正确搬运。
3.运行状态测试:在负载和行程范围内,检测机械手的运行状态,从而确保机械手能够正常运行搬运物料。
4.振动测试:检查机械手是否存在振动情况,以确保机械手搬运物料的准确性。
基于PLC的机械手控制系统设计任务书任务书设计目标:设计一个基于PLC的机械手控制系统,能够实现对机械手的精确控制和操作。
系统能够完成各种复杂的任务,如物料的搬运、装配和堆垛等。
设计要求:1.系统应具备自动化控制功能,能够通过PLC对机械手进行控制。
2.系统应支持多种控制模式,如手动控制、自动控制和远程控制等。
3.系统应能够实现对机械手各个关节的精确控制,保证操作的准确性和稳定性。
4.系统应具备自诊断和故障检测能力,能够对机械手的状态进行实时监测和报警。
5.系统应具备良好的反应速度,能够快速响应用户的指令和要求。
6.系统应采用可靠的通信协议和接口,能够与其他设备和系统进行数据交互。
7.系统应具备良好的人机交互界面,易于操作和使用。
8.系统应具备扩展性和可升级性,能够满足未来的需求和变化。
设计内容:1.系统硬件设计:a)选择适合的PLC控制器和电机驱动器,满足系统要求。
b)设计机械手的结构和传动装置,考虑机械手的工作范围和载荷要求。
c)选择合适的传感器和执行器,用于机械手的位置检测和动作执行。
d)设计电源和电气控制部分,提供稳定可靠的电力供应。
e)设计安全保护装置,确保系统和人身安全。
2.系统软件设计:a)编写PLC控制程序,实现机械手的各种动作和控制模式。
b)设计人机交互界面,使操作人员能够方便地对机械手进行控制和监测。
c)实现系统的自诊断和故障检测功能,能够及时发现和排除故障。
d)设计远程控制和数据交互功能,使系统能够与其他设备和系统进行联动。
3.系统测试和验收:a)对系统进行各种功能和性能测试,确保系统能够满足设计要求。
b)进行系统集成测试,验证系统与其他设备和系统的接口和兼容性。
c)完成系统的文档编写和培训,使用户能够方便地使用和维护系统。
d)按照用户需求和要求进行现场验收和调试,确保系统正常运行。
4.系统实施和推广:a)根据用户需求和场地情况,对系统进行布局和安装。
b)组织人员进行系统使用和维护培训,使用户能够熟练使用系统。
机械手设计任务书设计是学生完成本专业教学计划的最后一个极为重要的实践性教学环节,是使学生综合运用所学过的基本理论、基本知识与基本技能去解决专业范围内的工程技术问题而进行的一次基本训练。
这对学生即将从事的相关技术工作和未来事业的开拓都具有一定意义。
主要目的:一、培养学生综合分析和解决本专业的一般工程技术问题的独立工作能力,拓宽和深化学生的知识。
二、培养学生树立正确的设计思想,设计构思和创新思维,掌握工程设计的一般程序规范和方法。
三、培养学生树立正确的设计思想和使用技术资料、国家标准等手册、图册工具书进行设计计算,数据处理,编写技术文件等方面的工作能力。
四、培养学生进行调查研究,面向实际,面向生产,向工人和技术人员学习的基本工作态度,工作作风和工作方法。
目录1 械手设计任务书 (3)1.1设计目的 (3)1.2本课题的内容和要求 (3)1.3工业机械手简图 (4)2 臂部液压缸设计 (5)2.1臂部受力计算 (5)2.2臂部油缸驱动力计算 (6)2.3臂部活塞杆的稳定性校核 (7)2.4臂部缸体的螺栓链接计算 (7)3 臂部液压传动与控制系统计设 (8)3.1臂部伸缩油缸 (8)3.2液压元件的计算和选择 (10)3.3臂部液压原件及工作原理 (11)4 PLC控制系统设计 (13)4.1机械手可编程顺序控制 (14)4.2机械手PLC控制梯形图 (17)5 参考文献 (19)6总结 (19)1械手设计任务书1.1设计目的设计是学生完成本专业教学计划的最后一个极为重要的实践性教学环节,是使学生综合运用所学过的基本理论、基本知识与基本技能去解决专业范围内的工程技术问题而进行的一次基本训练。
这对学生即将从事的相关技术工作和未来事业的开拓都具有一定意义。
主要目的:一、培养学生综合分析和解决本专业的一般工程技术问题的独立工作能力,拓宽和深化学生的知识。
二、培养学生树立正确的设计思想,设计构思和创新思维,掌握工程设计的一般程序规范和方法。
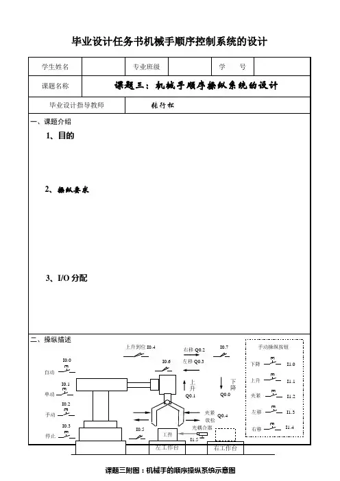
毕业设计任务书题目:基于触摸屏的机械手PLC设计专业:电气自动化指导教师:郭艳萍学生:漯河职业技术学院机电工程系2011年2月23日一、控制要求下图为机械手动作示意图。
转盘Y0为步进式传送物料,每当机械手从转盘Y0输送通道上取走一个物料时,该转盘向前步进一个步距,将使机械手在下一个循环取走物料。
机械手搬物动作示意图1中转盘Y0由电动机M控制,机械手的左右回转由Y10、Y11电磁阀控制,机械手的上下运动由电磁阀Y12、Y13控制,机械手的夹紧与放松由电磁阀Y2、Y3控制,机械手的伸出与缩回由电磁阀Y6、Y7控制。
位置信号分别为:机械手左右到位开关为磁性传感器X13、X7,机械手手臂上升、下降到位开关为磁性传感器X5、X3,机械手伸出、缩回到位开关为磁性传感器X2、X6。
控制要求:(1)机械手按下述顺序周而复始地搬物:在初始状态(机械手在上限、左限、手臂缩回)下,按下启动按钮→转盘Y0开始输送物料→当光电开关X1检测到物料时→机械手伸出→伸出到位(X2)→机械手下降→下降到位(X3)→机械手夹紧物料→10s后→机械手上升→上升到位(X5)→机械手缩回→缩回到位(X6)→机械手右转→右转到位(X7)→机械手伸出→伸出到位(X2)→机械手下降→下降到位(X3)→机械手松开物料→8s后→机械手缩回→缩回到位(X6)→机械手上升→上升到位(X5)→机械手左转→左转到位(X13)→开始下一个循环。
(2)正常工作时绿灯闪亮。
(3)按下启动按钮若在30s内光电开关检测不到物体,报警蜂鸣器响起及红灯闪亮。
(4)机械手具有急停(机械手立即停止工作)和停止功能(要回到原始位置)。
(5)要设计有单周期和循环启动功能。
所谓“循环”,即一次循环工步完成后,随即或延时0.5s后自动进入下一次循环;所谓“单周期”,即一次循环工步完成后,机械手就停在初始位,若想机械手再一次开始工作,必须再次按启动按钮方可。
(6)“单步”就是每一次必须按起动按钮,机械手才能进行下一步的动作。
基于PLC的机械手控制系统设计任务书任务书任务名称:基于PLC的机械手控制系统设计任务背景:机械手是现代工业自动化生产中的重要设备,可广泛应用于汽车制造、电子产品组装、物流分拣等领域。
机械手控制系统是机械手运动的核心,其稳定性和精确性对生产效率和产品质量有着重要影响。
PLC(可编程逻辑控制器)是一种功能强大的工业控制器,能够实现复杂的逻辑运算和实时控制,因此被广泛应用于机械手控制系统中。
任务目标:本任务的目标是设计一套基于PLC的机械手控制系统,实现对机械手的精确控制和稳定运动。
具体目标包括:1.设计机械手控制系统的硬件构架,包括PLC、传感器、执行器等的选择和连接。
2.实现机械手的运动控制算法,包括位置控制、速度控制和力控制等。
3.开发人机界面(HMI)程序,实现对机械手控制的可视化操作界面。
4.进行系统仿真和实际测试,验证控制系统的性能和稳定性。
任务内容:1.调研机械手的工作原理和市场上已有的PLC控制方案,了解相关技术和设备的特点和应用范围。
2.设计机械手控制系统的硬件构架,选择适合的PLC型号和相关的传感器、执行器等设备,并进行接线和连接的设计。
3.开发机械手运动控制算法,包括位置控制、速度控制和力控制等方面,保证机械手的稳定性和精确性。
4.开发人机界面(HMI)程序,实现对机械手运动的监控和控制,包括机械手的起停、位置调整等功能。
5.进行系统仿真和实际测试,验证机械手控制系统的性能和稳定性,并对系统进行优化和改进。
任务要求:1.完成机械手控制系统设计和开发的各个环节,保证系统的功能完整和性能稳定。
2.设计文档和代码要规范、清晰,能够有效地指导后续的优化和维护工作。
3.进行充分的系统测试,保证控制系统的稳定性和精确性,并及时修复和改进系统中的问题。
4.完成任务后,撰写详细的任务报告,包括任务设计、开发过程、测试结果等内容。
预期成果:1.机械手控制系统的设计文档和代码,包括硬件连接图、运动控制算法和HMI程序等。
机械手课程设计(doc 69页)《机电系统》课程设计说明书课程设计任务书姓名班级学号设计题目简易型机械手的设计设计任务:(1)方案论证;在其基础上进行机械手的总体设计,并绘制总体布局图。
(2)驱动系统设计:根据机械手的特点,选用舍党的驱动方式,根据总体设计要求进行电机选型。
进行电机选型相关计算。
进行驱动系统零部件的选型和设计。
绘制驱动系统布局图。
(3)控制系统设计:确定机械手的控制方式并进行控制系统的控制与编程。
绘制控制系统布局图。
(4)传感与测试系统设计:进行控制与驱动系统的传感与测试系统的设计。
(5)机械本体设计:进行机械本体零部件设计,绘制总体和零件图。
设计工作量:(1)设计说明书一份(2)CAD图纸5张(3)文档整理排版指导教师设计时间2011年1月3日~2011年1月21日目录第1章绪论 (1)1.1机械手概述 (1)1.2机械手的设计目的 (3)1.3机械手的设计内容 (4)1.4机械手的分类及其在生产中的应用 (5)1.5机械手的应用意义 (8)1.6机械手的技术发展方向 (9)第2章设计方案的论证 (10)2.1机械手的总体设计 (10)2.2机械手腰座结构的设计 (12)2.3机械手手臂结构的设计 (14)2.4工业机器人腕部的结构 (16)2.5机械手末端执行器(手爪)的结构设计 (18)2.6机械手的机械传动机构的设计 (21)2.7机械手驱动系统的设计 (26)2.8机器人手臂的平衡机构设计 (33)第3章理论分析和设计计算 (34)3.1液压传动系统设计计算 (34)3.2电机选型有关参数计算 (43)第4章控制系统的设计 (47)4.1可编程控制器PLC (47)4.2 PLC的选型 (51)4.3机械手的工艺流程 (53)4.4 机械手的PLC控制系统程序 (57)第5章机械手本体设计 (59)5.1 机械手零部件设计 (59)5.2 机械手总成和零件图................................................ . (61)致谢 (62)参考文献 (63)第1章绪论1.1机械手的概述机械手主要由手部、运动机构和控制系统三大部分组成。
机械手毕业设计说明书一、设计目的本毕业设计旨在设计一种机械手,能够根据预先设定的程序自动执行各种操作。
通过该设计,可以提高工作效率,减少人力成本,同时具备高精度和高可靠性。
二、设计背景近年来,随着工业自动化的不断发展,机械手在工业生产中的应用越来越广泛。
机械手凭借其高速、高精度、高可靠性等优势,成为工厂生产线上的重要设备之一。
因此,设计一种功能强大的机械手对于工业生产的提升具有重要意义。
三、设计内容1.机械结构设计本设计采用七自由度机械手结构,包括基座、旋转关节、摇摆关节、剪切关节以及爪子等部分。
结构设计中要考虑刚性、稳定性以及重量平衡等因素,确保机械手能够准确地执行各种操作。
2.传感器系统设计为了使机械手具备自主感知能力,本设计将配备多种传感器,如力传感器、视觉传感器等。
通过传感器系统的设计,机械手可以根据实时的反馈信息进行运动控制,提高操作的准确性和安全性。
3.运动控制系统设计运动控制系统是机械手的核心部分,本设计将采用PLC (可编程逻辑控制器)作为控制器,结合伺服驱动器实现机械手的精确定位和协调运动。
通过编写程序,机械手可以根据预先设定的路径和信号执行各种操作。
四、设计过程1.需求分析针对机械手的应用场景和功能需求,进行需求分析。
确定机械手所需执行的任务类型、速度要求、负载能力等。
2.机械结构设计根据需求分析,设计机械手的结构,包括基座、旋转关节、摇摆关节、剪切关节和爪子等。
进行力学分析和模拟,确保结构设计的合理性和可靠性。
3.传感器系统设计根据需求分析,确定机械手所需的传感器类型和数量。
选择合适的传感器并安装在机械手上,设计传感器的接口电路和数据处理算法。
4.运动控制系统设计选择合适的PLC和伺服驱动器,进行硬件选型和连接。
编写控制程序,实现机械手的位置控制、速度控制和力控制等功能。
5.整体集成与测试将机械结构、传感器系统和运动控制系统进行整体集成。
进行系统测试,检验机械手的功能和性能是否满足设计要求。
--前言机械手是模仿人的手部动作,按给定程序、轨迹和要求实现自动抓取、搬运和操作的自动装置。
它特别是在高温、高压、多粉尘、易燃、易爆、放射性等恶劣环境中,以及笨重、单调、频繁的操作中代替人作业,因此获得日益广泛的应用。
机械手一般由执行机构、驱动系统、控制系统及检测装置三大部分组成,智能机械手还具有感觉系统和智能系统。
本篇介绍的是用于物件装卸的机械手的设计,属圆柱坐标式机械手。
本篇根据设计机械手的一般程序,分八步详细地的介绍了用于物件装卸的机械手的设计的过程。
第一章设计任务书一.设计内容:1、机械手机构总体方案设计2、手架的结构设计3、液压、气压或电气系统设计机械手动作要求是:手架能作任何角度的伸缩和转动。
各动作由液压、气压驱动,电磁阀控制。
手架承重不小于10kg。
第二章设计任务分析以及总体方案机械手是一种模仿人手部分动作,按照预先设定的程序、轨迹或其它要求,实现抓取、搬运工件或者操纵工具的自动化装置。
一.机械手设计原则总体设计的任务:包括执行系统、驱动系统、控制系统的设计及参数计算,最后绘出草图。
总体设计后要进行各部件的强度、刚度、驱动力验算。
1、运动设计及确定主要要求手架能作任何角度的伸缩和转动2、驱动方式:液压、气压驱动该机械手是独立的自动化机械装置。
通用性高,机械手结构比较复杂。
手臂可作前后伸缩、上下升降和水平左右摆动三个动作,手臂可以绕Z轴转动360度4)按驱动方式分为联合驱动,电力驱动,液压驱动。
5)按臂力大小来说是中型机械手。
二、机械手分类1.按驱动方式分:液压式、气动式、机械式2.按适用范围分:专用机械手、通用机械手3.按运动轨迹控制方式分:点位控制、连续轨迹控制4.按臂部的运动形式分:直角坐标式、圆柱坐标式、球座坐标式、关节式三.机械手主要组成:机械手主要是由执行系统,驱动系统,控制系统三大部分组成。
1、执行部分执行系统是机械手的机械传动结构部分。
它包括手、手腕、手臂和机座等部件。
机械专业课程设计指导老师:设计者:学号:专业班级:设计题目:搬运机械手完成时间:2011年07 月02日目录一、设计任务 (1)1.1 设计任务介绍 (1)1.1.1 课程设计的目的. (1)1.1.2 课程设计的容. (1)1.1.3 课程设计的要求. (1)1.1.4 课程设计的具体任务. (2)1.1.5 研究机械手的意义. (2)1.2 设计任务明细 (3)1.2.1 总体方案的设计. (3)1.2.2 机械系统的设计 (3)二、总体方案设计 (3)2.1 驱动系统 (3)2.2 执行 (4)2.3 控制系统 (4)3.1 机械传动装置的组成及原理 (5)机械手的机械传动装置示意图如下. (5)3.2 滚珠丝杠简介与特点 (5)3.3 滚珠丝杠的设计及选型 (6)3.3.1 螺旋类型及种类. (6)3.3.2 初始条件 (6)3.3.3. 滚珠丝杠副的组成及主要尺寸. (7)3.3.4 计算过程 (7)3.3.5 滚珠丝杠最小轴经校核. (9)3.4 电机选型及联轴器选型 (9)3.4.1 电机选型 (9)3.4.2 联轴器的选择. (9)3.5 键的选择与校核 (10)3.5 轴承的选型与校核 (10)3.5.1 轴承的选型. (10)3.5.2 轴承的校核. (10)3.6 主要联接部位螺栓的校核 (12)3.7 轴承座、机架、导向柱、底座等基本构件的结构设计 (13)四、电气控制系统设计 (13)4.1 控制系统的基本组成 (13)4.2 电气元件的选型 (14)4.2.1 可编程序控制器的选择 (14)4.2.2 步进电机驱动器的选择 (14)4.2.3 步进电机选择与控制 (15)4.3 电气控制电路的设计 (16)4.4 控制程序的设计 (17)4.4.1 机械手搬运流程图 (17)4.4.2 输入/ 输出地址分配 (17)4.4.3 机械手位移控制程序 (18)4.4.4 搬运机械手搬运程序设计. (21)五、课程设计总结 (28)六、参考文献 (29)一、设计任务1.1设计任务介绍1.1.1课程设计的目的通过课程设计培养学生综合运用所学知识和能力、提高分析和解决实际问题能力的一个重要环节,专业课程设计时建立的专业基础课程和专业方向课的基础上的,是学生根据所学课程进行的工程基本训练,课程设计的目的在于:1、培养学生综合运用所学的基础理论和专业知识,独立进行机电控制系统产品的初步设计工作,并结合设计或试验研究课题进一步巩固和扩大知识领域。
任务书课题:机械手搬运机构的调试一、提出问题机械手搬运机构为YL235A型光机电设备的第二站,机械手是一种在程序控制下模仿人手进行抓取物料、搬运物料的装置,本次课需要机械手搬运机构能实现以下功能:(1)复位功能PLC上电,机械手手爪放松、上升,手臂缩回、左旋至左侧限位处停止。
(2)搬运功能若加料站出料口有物料,按启动按钮,气动机械手臂伸出到位后提升臂伸出,手爪下降到位后,手爪抓物夹紧夹紧到位后,提升臂缩回,手爪上升到位后机械手臂缩回到位后机械手臂向右旋转至右侧限位处,手臂伸出到位后提升臂伸出,手爪下降到位后,手爪放松,释放物料手爪放松到位后,提升臂缩回,手爪上升到位后机械手臂缩回到位后机械手臂向左旋转至左侧限位处,等待物料,开始新的工作循环。
其中,从安全性考虑,若加料站出料口有物料,按启动按钮,气动机械手臂伸出直至手爪放松、释放物料,每一步采用手动单步控制,而为了提高效率,手爪释放物料放松后直至返回到左侧限位处,则采用自动循环控制。
二、实施过程任务一:气动回路的连接1.手动单步控制功能与自动循环控制功能相比较,气动回路有无变化?2.出实现该功能要求的气路图。
试分析其工作原理。
3.根据气路图连接气动回路,并手动调节使电磁阀与其控制的气缸动作相对应,确保气路连接正确,为实现功能要求作铺垫。
任务二:电气回路的连接1.读题,确定输入量、输出量,写出I/O分配表2.画出PLC接口图3.根据PLC接口图,正确连接电气回路。
任务三:输入PLC控制程序1.画出PLC步进功能图(自己附纸)。
2.将功能图转换成梯形图(自己附纸)。
3.将程序输入PLC控制器。
任务四:调试设备1.调试设备,使设备按要求正确实现其功能。
2.根据现场调试,完成下列表格,并验证与理论分析结果是否相一致。
机械手设计的任务书机械手设计的任务书一、任务背景在现代工业生产中,机械手的应用越来越广泛。
机械手代替人力操作,可以提高生产效率、降低人力成本,同时还可以保证生产线的稳定性和安全性。
因此,本次设计任务是要设计一款适用于轻型工业生产线的机械手,以满足生产线的自动化生产需求。
二、任务目标1.设计一款构造简单、功能齐全的机械手。
2.提高机械手的灵活性和精度。
3.机械手的载荷要能够达到绝大部分生产线所需的要求。
4.保证机械手的安全性、稳定性和可靠性。
三、任务内容1.机械手的结构设计。
包括机械手的整体结构设计、关节的设计、动力传动等。
2.机械手的控制系统设计。
包括机械手的运动控制、感应和反馈控制等。
3.机械手的安全保护设计。
在机械手的设计中要考虑到安全性的因素,防止机械手因工作异常而危及工人的安全。
四、任务实施方案1.搜集相关资料。
对机械手的各种方案进行调研,分析各种机械手方案的长处和短处,为机器手的设计提供参考。
2.机械手结构设计。
首先确定机械手的规格和要求,然后根据机械手的用途设计机械手的整体结构,并设计关节的动力传动系统、控制器等。
3.机械手控制系统设计。
设计机械手的微控制器、传感器的设计和接口控制等,为机械手的运动和操作提供精准的控制。
4.机械手安全保护设计。
设计机械手的安全防护措施,保证机械手在正常工作时不会对工人造成危害。
五、任务预期成果1.一款高性能、高精度的机械手。
2.机械手能够实现多种操作模式和运动方式。
3.机械手的载荷能够达到绝大部分轻型工业生产线的要求。
4.机械手能够快速、准确的完成各种操作任务。
5.机械手具有较高的稳定性和安全性。
六、任务周期本任务周期为一年,其中前三个月进行调研和准备工作;中间六个月进行机械手的结构和控制系统的设计;后三个月进行测试和改进。
七、任务组织与管理本任务由机械设计部门和工程师负责,需要进行严格的任务分工和进度管理。
八、任务评估和验收任务完成后,需要进行严格的测试和验收,确保机械手的性能和稳定性达到预期效果。
机械手设计的任务书任务目标本项目的目标是设计并制造一款多功能机械手。
机械手应具备以下功能和特点:1.灵活性:机械手应具备多自由度的运动能力,能够完成各种复杂的动作和任务。
2.精准度:机械手在执行任务时应具备高精度的定位和控制能力,能够达到亚毫米级别的精度要求。
3.载重能力:机械手应具备一定的载重能力,能够承载和操控一定重量的物体。
4.可编程性:机械手应具备良好的可编程性,能够根据用户需求进行灵活的动作和任务调整。
5.安全性:机械手应具备安全保护机制,能够识别和避免潜在的危险情况,保障操作人员的安全。
实施方案1. 需求分析在开始设计机械手之前,首先需要进行需求分析,明确产品的具体功能和性能要求。
需求分析应包括以下方面:1.运动范围:确定机械手需要覆盖的工作区域,包括各个自由度的运动范围。
2.精度要求:确定机械手需要达到的定位和控制精度,包括静态和动态精度。
3.载重要求:确定机械手需要承载和操控的最大重量,以及稳定性要求。
4.可编程性要求:确定机械手需要具备的编程界面和功能。
5.安全性要求:确定机械手需要具备的安全保护机制,如碰撞检测和急停功能等。
2. 机械结构设计基于需求分析的结果,进行机械结构设计。
机械结构设计应包括以下内容:1.运动机构设计:确定机械手的运动机构,包括关节类型、驱动方式和传动机构等。
2.结构材料选择:选择适当的结构材料,使机械手具备足够的强度和刚度。
3.关节设计:设计机械手的各个关节,包括关节的结构和驱动方式。
4.末端执行器设计:设计机械手的末端执行器,用于操控和承载物体。
3. 控制系统设计在机械结构设计的基础上,进行控制系统设计。
控制系统设计应包括以下内容:1.传感器选择:选择适当的传感器,用于感知机械手的姿态、位置和力量等信息。
2.控制算法设计:设计机械手的控制算法,实现运动和定位控制。
3.用户界面设计:设计与机械手交互的用户界面,包括编程界面和监控界面等。
4. 安全与可靠性设计在机械手设计的过程中,安全与可靠性是非常重要的考虑因素。
四川理工学院毕业设计(论文)立式精锻机自动上料机械手设计学生:学号:专业:机械设计制造及其自动化班级:机电一体化2006级4班指导教师:四川理工学院机械工程学院二〇一〇年六月四川理工学院毕业设计(论文)任务书设计(论文)题目:立式精锻机自动上料机械手设计系:机械工程学院专业:机械设计制造及自动化班级:学号:学生:指导教师:接受任务时间教研室主任(签名)系主任(签名)1.毕业设计(论文)的主要内容及基本要求1)、规格参数:抓重:60公斤;自由度数:4个;座标型式:圆柱座标;最大工作半径:1700毫米;手臂最大中心高:2300毫米手臂运动参数:手臂伸缩范围:0~500毫米;手臂伸缩速度: 伸出176毫米/秒,缩回233毫米/秒;手臂升降范围:0~600毫米;手劈升降速度:上升102豪米/秒,下降152毫米/秒;手臂回转范围:0°~200°(实际使用为95°);手臂回转速度:63°/秒手腕运动参数:手腕回转范围:0°~180°;手腕回转速度:201°/秒手指夹持范围:Φ30~Φ120毫米驱动方式: 液压2)、设计要求:(1)、全部设计图纸用AutoCAD绘制;(2)、设计说明书1份(40页以上)。
2.指定查阅的主要参考文献及说明(1)机械零件设计手册(2)工业机械手图册(3)机械设计手册(4)其他相关参考资料3注:本表在学生接受任务时下达摘要本文介绍了立式精锻机自动上料机械手与其它设备的配置关系及工作过程,并对机械手的动作进行了分析,详细论述了机械手总体方案的设计,特别是对实现预期要求动作的各种方案进行了比较分析,进而得出最终方案。
根据手臂的动作要求,采用圆柱坐标型机械手;机械手的自由度数为四个,它们是大臂的升降和回转运动,小臂的伸缩运动,手腕的回转运动;机械手手部结构采用两支点回转型;机械手驱动方式采用液压驱动。
控制方式为点位程序控制。