食品添加剂新品种聚偏磷酸钾
- 格式:doc
- 大小:61.00 KB
- 文档页数:6
《关于龙舌兰酒按照进口尚无食品安全国家标准食品管理的公告》等8则作者:暂无来源:《中国食品》 2013年第19期中华人民共和国国家卫生和计划生育委员会《关于龙舌兰酒按照进口尚无食品安全国家标准食品管理的公告》2013年第10号根据《中华人民共和国食品安全法》和《进口无食品安全国家标准食品许可管理规定》,经审查,同意龙舌兰酒(英文名:Tequila 100% Agave)按照进口尚无食品安全国家标准食品进行管理。
指定龙舌兰酒的甲醇限量不得超过3.0克/升(按100%酒精计),其他安全指标及检验项目和检验方法按照食品安全国家标准《蒸馏酒及其配制酒》(GB2757-2012)执行。
其产品进口和生产经营应当符合有关法律法规和标准的规定。
特此公告。
二○一三年六月二十日中华人民共和国国家质量监督检验检疫总局《关于核准突泉县太和米业有限公司等企业使用地理标志保护产品专用标志的公告》2013年第118号根据《地理标志产品保护规定》,突泉县太和米业有限公司等有关企业(名单见附件)分别就太和小米、京白梨、凌塔白酒、梅河大米、姜家店大米、吉林长白山人参、通化山葡萄酒、武夷岩茶、安溪铁观音、屏南老酒、武夷红茶、赤壁猕猴桃、景阳鸡、醴陵瓷器、新晃黄牛肉、安化黑茶、汉寿玉臂藕、新晃龙脑共18个地理标志保护产品提出专用标志使用申请,由当地省级质检机构初审,经质检总局审查合格,现予以注册登记并发布公告,自即日起核准上述企业使用其申请的地理标志保护产品的专用标志,并由当地质检机构按规定对专用标志使用实施监管。
特此公告。
二○一三年八月二十八日中华人民共和国国家质量监督检验检疫总局《关于进口船运散装粮食熏蒸剂残留安全管控措施的公告》2013年第83号国际船运散装粮食普遍应用随航熏蒸杀灭与预防粮食害虫。
为使进口粮食免遭熏蒸剂残留物污染,保护现场工作人员身体健康,依照《进出口商品检验法》、《进出境动植物检疫法》、《食品安全法》及其实施条例等法律法规及标准,现就进口船运散装粮食熏蒸剂残留安全管控措施公告如下:一、国外官方检验检疫部门及除害处理企业,应选择适当熏蒸处理方法,对输华粮食随航熏蒸实施安全规范操作,并指导承运方做好随航熏蒸后期规范操作及安全防护措施。
肉及肉制品可用食品添加剂功能及最大使用量1、氨基乙酸(又名甘氨酸)功能:增味剂预制肉制品:最大使用量3.0g/kg;熟肉制品:最大使用量3.0g/kg(以下仅写数字)。
2、茶多酚(又名维多酚)功能:抗氧化剂腌腊肉制品类(如咸肉、腊肉、板鸭、中式火腿、腊肠)0.4g/kg,以油脂中儿茶素计;酱卤肉制品类0.3g/kg,以油脂中儿茶素计;熏、烧、烤肉类0.3g/kg,以油脂中儿茶素计;油炸肉类0.3g/kg,以油脂中儿茶素计;西式火腿(熏烤、烟熏、蒸煮火腿)类0.3g/kg,以油脂中儿茶素计;肉灌肠类0.3g/kg,以油脂中儿茶素计;发酵肉制品类0.3g/kg,以油脂中儿茶素计。
3、赤藓红及其铝色淀功能:着色剂肉灌肠类0.015g/kg,以赤藓红计;肉罐头类0.015g/kg,以赤藓红计。
4、刺云实胶功能:增稠剂预制肉制品10.0g/kg;熟肉制品10.0g/k。
5、单辛酸甘油酯功能:防腐剂肉灌肠类0.5g/kg。
6、丁基羟基茴香醚(BHA)功能:抗氧化剂腌腊肉制品类(如咸肉、腊肉、板鸭、中式火腿、腊肠)0.2g/kg,以油脂中的含量计。
7、二丁基羟基甲苯(BHT)功能:抗氧化剂腌腊肉制品类(如咸肉、腊肉、板鸭、中式火腿、腊肠)0.2g/kg,以油脂中的含量计。
8、富马酸一钠功能:酸度调节剂肉及肉制品(08.01生、鲜肉类除外)按生产需要适量使用。
9、甘草酸铵,甘草酸一钾及三钾功能:甜味剂肉罐头类按生产需要适量使用。
10、甘草抗氧化物功能:抗氧化剂腌腊肉制品类(如咸肉、腊肉、板鸭、中式火腿、腊肠)0.2g/kg,以甘草酸计;酱卤肉制品类0.2g/kg,以甘草酸计;熏、烧、烤肉类0.2g/kg,以甘草酸计;油炸肉类0.2g/kg,以甘草酸计;西式火腿(熏烤、烟熏、蒸煮火腿)类0.2g/kg,以甘草酸计;肉灌肠类0.2g/kg,以甘草酸计;发酵肉制品类0.2g/kg,以甘草酸计。
11、红花黄功能:着色剂腌腊肉制品类(如咸肉、腊肉、板鸭、中式火腿、腊肠)0.5g/kg。
聚磷酸钠的作用
聚磷酸钠(NaPO3)是由磷酸钠和磷酸三氢钠经热分解反应和热重组反应而生成的多聚物,具有高抗热性、高耐盐性、高耐碱性等特点。
它是一种重要的食品添加剂,可以用于食品加工和食品制造过程中。
聚磷酸钠的作用有:
1、聚磷酸钠具有良好的稳定性,可以抑制食品中的氧化反应,延长食品的保质期。
2、聚磷酸钠可以抑制食品中的细菌生长,防止食品变质。
3、聚磷酸钠可以作为食品的调味剂,增强食品的口感,增强食品的风味。
4、聚磷酸钠可以作为食品的稠度调整剂,改善食品的流动性,提高食品的口感和品质。
5、聚磷酸钠可以作为食品的稳定剂,防止食品的变质、分解和腐蚀,保持食品的外观、颜色和口感。
6、聚磷酸钠可以作为食品的增稠剂,可以吸附水分,抑制水活性,改善食品的稠度和口感。
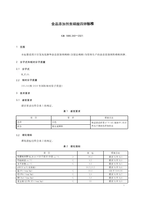
犌犅1886.340—20211 食品添加剂焦磷酸四钾标准1 范围本标准适用于以氢氧化钾和食品添加剂磷酸(含湿法磷酸)为原料生产的食品添加剂焦磷酸四钾。
2 分子式和相对分子质量2.1 分子式K4P2O72.2 相对分子质量330.34(按2018年国际相对原子质量)3 技术要求3.1 感官要求感官要求应符合表1的规定。
表1 感官要求项 目要 求检验方法色泽白色状态粉末或颗粒取适量试样置于50mL烧杯中,在自然光下观察色泽和状态3.2 理化指标理化指标应符合表2的规定。
表2 理化指标项 目指 标检验方法焦磷酸四钾(K4P2O7)(以干基计)含量,狑/%≥95.0附录A中A.3灼烧减量,狑/%≤0.5附录A中A.4水不溶物,狑/%≤0.1附录A中A.5pH(10g/L水溶液)10.5±0.5附录A中A.6氟(F)/(mg/kg)≤10.0GB/T5009.18铅(Pb)/(mg/kg)≤2.0附录A中A.7砷(As)/(mg/kg)≤3.0附录A中A.8重金属(以Pb计)/(mg/kg)≤10附录A中A.9附 录 犃检验方法 警示:本检验方法中使用的部分试剂具有毒性或腐蚀性,操作时应小心谨慎!必要时,应在通风橱中进行。
如溅到皮肤上应立即用水冲洗,严重者应立即治疗。
犃.1 一般规定本标准所用试剂和水,在没有注明其他要求时,均指分析纯试剂和GB/T6682中规定的三级水。
试验中所用标准滴定溶液、杂质测定用标准溶液、制剂及制品,在没有注明其他要求时,均按GB/T601、GB/T602、GB/T603之规定制备。
所用溶液在未注明用何种溶剂配制时,均指水溶液。
犃.2 鉴别试验犃.2.1 试剂和材料犃.2.1.1 盐酸。
犃.2.1.2 硝酸溶液:1+9。
犃.2.1.3 喹钼柠酮溶液。
犃.2.1.4 铂丝环。
犃.2.2 鉴别方法犃.2.2.1 钾离子的鉴别取少量试样约0.1g,加10mL水溶解。
用铂丝环蘸盐酸,在火焰上燃烧至无色。
附件1食品添加剂新品种聚偏磷酸钾英文名称:potassium polymetaphosphate功能:水分保持剂、膨松剂、酸度调节剂、稳定剂、凝固剂、抗结剂(一)用量及使用范围按GB 2760《食品安全国家标准食品添加剂使用标准》以及原卫生部公告规定磷酸盐的用量和使用范围。
(二)质量规格要求1.生产工艺以食品级磷酸二氢钾为原料,经高温脱水聚合而成。
2.技术要求2.1 感官要求:应符合表1的规定。
2.2技术要求:应符合表2的规定。
附录 A检验方法A.1 警示本试验方法中使用的部分试剂具有毒性或腐蚀性,操作时须小心谨慎!如溅到皮肤上应立即用水冲洗,严重者应立即治疗。
使用剧毒品,应严格按照有关规定管理,使用时应避免吸入或与皮肤接触,必要时应在通风橱中进行,暴露部位有伤口的人员不能接触。
A.2 一般规定本标准的检验方法中所用试剂和水在没有注明其他要求时,均指分析纯试剂和GB/T 6682—2008中规定的三级水。
试验中所用标准滴定溶液、杂质测定用标准溶液、制剂及制品,在没有注明其他要求时,均按GB/T 601、GB/T 602、GB/T 603之规定制备。
A.3 鉴别试验A.3.1 试剂和材料A.3.1.1 盐酸。
A.3.1.2 硝酸溶液:1+9。
A.3.1.3 氨水溶液:2+3。
A.3.1.4 硝酸银溶液:17 g/L。
A.3.2 分析步骤A.3.2.1 钾离子的鉴别取少量试样约0.1 g,加10 mL水溶解。
用铂丝环蘸盐酸,在火焰上燃烧至无色。
再蘸取试液在火焰上燃烧,在钴玻璃观察下火焰应呈紫色。
A.3.2.2 磷酸盐的鉴别方法称取约1 g试样,溶于20 mL水中,加硝酸银溶液,生成黄色沉淀,此沉淀溶于氨水溶液或硝酸溶液。
A.4 五氧化二磷含量的测定A.4.1 方法提要在酸性溶液中试样全部水解为正磷酸盐,加入喹钼柠酮溶液形成磷钼酸喹啉沉淀,沉淀经过滤、烘干、称量,计算试样中五氧化二磷含量。
A.4.2 试剂和材料A.4.2.1 硝酸溶液:1+1。
焦磷酸盐、三聚磷酸盐和三偏磷酸盐都是含有磷酸根离子的化合物,它们在化学性质和用途上有一些不同。
1. 焦磷酸盐是由磷酸氢盐加热脱水形成的,它是一种含有两个磷酸根离子的化合物。
焦磷酸盐在工业上用于制造过磷酸钙肥料、水处理剂等,也用于食品添加剂、制药等领域。
2. 三聚磷酸盐,又称三磷酸钠或焦磷酸钠,是一种白色结晶性粉末,由三个磷酸根离子结合而成。
三聚磷酸盐具有很强的络合能力,可以与金属离子形成稳定的络合物,因此广泛用于水处理、食品加工、制药等领域,作为软水剂、金属离子螯合剂等。
3. 三偏磷酸盐,又称偏磷酸钠或偏磷酸钾,是一种含有三个偏磷酸根离子的化合物。
三偏磷酸盐具有较好的络合能力和稳定性,因此也广泛用于水处理、食品加工、制药等领域。
此外,三偏磷酸盐还可用作纸张增强剂、织物整理剂等。
总的来说,焦磷酸盐、三聚磷酸盐和三偏磷酸盐都是重要的含磷化合物,在工业生产和日常生活中都有广泛的应用。
多聚偏磷酸
多聚偏磷酸,英文名为Polyphosphates,是一种广泛应用于食品加工、水处理、纸浆造纸、制油等多个领域的化学物质,也是一种能
够在人体内起到不同作用的物质。
首先,多聚偏磷酸在食品加工中被广泛使用。
它可以增强食品的
黏性和黏稠度,增加食品的口感和质量,使口感更柔滑、口味更佳。
它还可以作为食品防腐剂使用,延长食品的保质期。
其次,多聚偏磷酸在水处理中也有着广泛的应用。
它可以对水中
的钙、镁等重金属离子进行配合沉淀,从而净化水质,保障水的安全
和卫生。
除此之外,多聚偏磷酸还可作为制油、纸浆造纸等工业中的重要
添加剂。
它可以作为乳化剂、稳定剂、柔软剂等使用,提高油品质量,提高纸张的可塑性和强度。
在人体内,多聚偏磷酸也有着不同的作用。
它可以作为高血压的
治疗药物,这是因为多聚偏磷酸可以调节钠离子的吸收,从而减轻体
内水分负担,降低血压。
此外,多聚偏磷酸对于肾功能不佳的人群也
有一定的重要意义,因为它能够减轻骨骼肌的代谢负荷,达到治疗效果。
尽管多聚偏磷酸在工业和食品加工领域中有着多种应用,但我们
也要注意到,如果浓度过高或入口过量,可能会对人体健康产生不利
影响。
因此,消费者在选购产品时一定要关注其配料表,并在使用时
遵循正确的使用量和使用方法,保障自己和家人的健康和安全。
综上所述,多聚偏磷酸虽然在食品加工、水处理、制油、纸浆造
纸等领域中有着广泛应用,但其在人体内的作用也是不可小觑的。
在
使用过程中,我们需要注意适量,并注意选择正规厂家生产的产品,
以保障自身的健康和安全。
食品级磷酸盐在食品加工中的基础应用研究目录一、内容概要 (2)1. 研究背景与意义 (3)2. 国内外研究现状概述 (3)二、食品级磷酸盐的基本性质与应用特点 (5)1. 食品级磷酸盐的定义与分类 (6)2. 食品级磷酸盐的物理化学性质 (7)3. 食品级磷酸盐在食品加工中的优势与应用范围 (8)三、食品级磷酸盐在肉类产品中的应用研究 (9)1. 肉类产品中磷酸盐的添加技术 (11)2. 磷酸盐对肉类质地和口感的影响 (12)3. 磷酸盐在肉制品保鲜方面的应用 (13)四、食品级磷酸盐在面点产品中的应用研究 (14)1. 面点产品中磷酸盐的作用机理 (15)2. 磷酸盐对面团筋力的增强效果 (16)3. 磷酸盐在面点品质改良中的应用实例 (17)五、食品级磷酸盐在乳制品中的应用研究 (18)1. 乳制品中磷酸盐的添加量与种类选择 (19)2. 磷酸盐对乳制品稳定性和风味的影响 (21)3. 磷酸盐在乳制品脱脂与浓缩过程中的应用 (22)六、食品级磷酸盐在果蔬制品中的应用研究 (23)1. 果蔬制品中磷酸盐的防腐作用 (24)2. 磷酸盐对果蔬色泽和营养价值的维护 (25)3. 磷酸盐在果蔬加工过程中的保藏效果 (26)七、食品级磷酸盐的安全性评价与监管 (27)1. 食品级磷酸盐的毒理学安全性评价 (29)2. 食品级磷酸盐在食品中的最大使用量与残留限量标准 (30)3. 监管部门对食品级磷酸盐的生产与流通管理 (31)八、结论与展望 (32)1. 食品级磷酸盐在食品加工中的基础应用研究成果总结 (32)2. 存在问题与挑战分析 (33)3. 未来发展趋势与研究方向展望 (35)一、内容概要本论文深入探讨了食品级磷酸盐在食品加工中的基础应用,详尽分析了其在多种食品加工条件下的效果和特性。
研究涵盖了磷酸盐在烘焙、肉制品、乳制品等关键领域的应用案例,评估了其对产品质量、安全性及营养价值的贡献。
在烘焙食品中,食品级磷酸盐显著提升了产品的品质与口感,同时增强了食品的保鲜性能。
附件1食品添加剂新品种聚偏磷酸钾英文名称:potassium polymetaphosphate功能:水分保持剂、膨松剂、酸度调节剂、稳定剂、凝固剂、抗结剂(一)用量及使用范围按GB 2760《食品安全国家标准食品添加剂使用标准》以及原卫生部公告规定磷酸盐的用量和使用范围。
(二)质量规格要求1.生产工艺以食品级磷酸二氢钾为原料,经高温脱水聚合而成。
2.技术要求2.1 感官要求:应符合表1的规定。
2.2技术要求:应符合表2的规定。
附录 A检验方法A.1 警示本试验方法中使用的部分试剂具有毒性或腐蚀性,操作时须小心谨慎!如溅到皮肤上应立即用水冲洗,严重者应立即治疗。
使用剧毒品,应严格按照有关规定管理,使用时应避免吸入或与皮肤接触,必要时应在通风橱中进行,暴露部位有伤口的人员不能接触。
A.2 一般规定本标准的检验方法中所用试剂和水在没有注明其他要求时,均指分析纯试剂和GB/T 6682—2008中规定的三级水。
试验中所用标准滴定溶液、杂质测定用标准溶液、制剂及制品,在没有注明其他要求时,均按GB/T 601、GB/T 602、GB/T 603之规定制备。
A.3 鉴别试验A.3.1 试剂和材料A.3.1.1 盐酸。
A.3.1.2 硝酸溶液:1+9。
A.3.1.3 氨水溶液:2+3。
A.3.1.4 硝酸银溶液:17 g/L。
A.3.2 分析步骤A.3.2.1 钾离子的鉴别取少量试样约0.1 g,加10 mL水溶解。
用铂丝环蘸盐酸,在火焰上燃烧至无色。
再蘸取试液在火焰上燃烧,在钴玻璃观察下火焰应呈紫色。
A.3.2.2 磷酸盐的鉴别方法称取约1 g试样,溶于20 mL水中,加硝酸银溶液,生成黄色沉淀,此沉淀溶于氨水溶液或硝酸溶液。
A.4 五氧化二磷含量的测定A.4.1 方法提要在酸性溶液中试样全部水解为正磷酸盐,加入喹钼柠酮溶液形成磷钼酸喹啉沉淀,沉淀经过滤、烘干、称量,计算试样中五氧化二磷含量。
A.4.2 试剂和材料A.4.2.1 硝酸溶液:1+1。
A.4.2.2 喹钼柠酮溶液;溶液I:称取70 g钼酸钠,至于250 mL烧杯中,加100 mL水溶解。
溶液II:称取60 g柠檬酸,溶于85 mL硝酸和150 mL水的混合液中。
溶液III:量取5 mL喹啉,溶于35 mL硝酸和100 mL水的混合液中。
在不断搅拌下,先将溶液I缓慢加入到溶液II中。
再将溶液III缓慢加入到溶液I和溶液II的混合液中。
混匀,放置24 h,过滤,在滤液中加入280 mL丙酮,用水稀释至1000 mL,混匀,贮于聚乙烯瓶中。
A.4.3 仪器和设备A.4.3.1 玻璃砂芯坩埚A.4.3.2 电烘箱:温度能控制在180 ℃ ± 5 ℃。
A.4.4 分析步骤称取约5 g 试样置于瓷坩埚中,于105℃ ± 2 ℃下烘4 h ,在干燥器中冷却至室温,准确称取已干燥试样1 g (精确到0.000 2 g ),置200 mL 烧杯中,加水100 mL 和硝酸25 mL 溶解,盖上表面皿,在电热板上煮沸10min 。
冷却,移入500 mL 容量瓶中,用水稀释至刻度。
用移液管移取10 mL 试液,置于400 mL 高型锥形烧杯中,加水100 mL 盖上表面皿,在电热板上加热至刚开始沸腾,趁热加入50 mL 喹钼柠酮溶液,盖上表面皿,继续煮沸至沉淀分层,冷却至室温。
用已恒重的玻璃砂芯坩埚以倾析法过滤,先将上层清夜过滤,用洗瓶冲洗沉淀6次,每次用水约30 mL ,最后将沉淀移入玻璃坩埚中,再用水洗涤沉淀4次,将玻璃坩埚连同沉淀置于电烘箱中从温度稳定计时,在180 ℃下干燥45 min ,取出稍冷却后,置于干燥器中冷却至室温、称量。
以10 mL 水代替试液,用时做空白实验。
A.4.5 结果计算五氧化二磷(P 2O 5)含量的质量分数w 1按下式计算:式中:m 1——试样溶液中生成磷钼酸喹啉沉淀的质量,单位为克(g ); m 2——空白溶液中生成磷钼酸喹啉沉淀的质量,单位为克(g ); m ——干燥后试样的质量,单位为克(g ); 0.03207——磷钼酸喹啉换算成五氧化二磷的系数;10——移液管移取试液的体积,单位为毫升(mL ); 500——溶解试样后定容的容量瓶体积,单位为毫升(mL ); 100——百分比系数。
取平行测定结果的算术平均值为测定结果,平行测定结果的绝对差值不大于0.3 %。
A.5 总砷的测定 A.5.1 试剂和材料A.5.1.1 砷标准溶液:1 mL 溶液含砷(As )0.001 mg ;移取1.00 mL 按HG/T 602要求配制的砷标准溶液,置于1000 mL 容量瓶中,用水稀释至刻度,摇匀。
该溶液现用现配。
A.5.1.2 其他试剂同GB/T 5009.76-2003第9章。
A.5.2 仪器和设备同GB/T 5009.76-2003 第10 章。
A.5.3 分析步骤称取1.00 g ± 0.01 g 试样,置于测砷瓶中,加6 mL 盐酸溶解,以下操作按GB/T 5009.76-2003中第11章的规定从“加水至30 mL……”起进行测定。
溴化汞试纸所呈砷斑颜色不得深于标准。
限量标准溶液的配制:移取3.00 mL 砷标准溶液,与试样同时同样处理。
A.6 氟化物的测定 A.6.1 试剂和材料1005001003207.0)(211⨯⨯⨯-=m m m wA.6.1.1 盐酸溶液:1+11。
A.6.1.2 乙酸钠溶液:3 mol/L;称取204 g乙酸钠(CH3COONa·3H2O),溶于300 mL水中,加1 mol/L乙酸溶液调节pH至7.0,加水稀释至500 mL。
A.6.1.3 柠檬酸钠溶液:0.75 mol/L;称取110 g柠檬酸钠(Na3C6H5O7·2H2O),溶于300 mL水中,加14 mL高氯酸,再加水稀释至500 mL。
A.6.1.4 总离子强度缓冲剂:乙酸钠溶液(3 mol/L)和柠檬酸钠溶液(0.75 mol/L)等量混合,临用时现配制。
A.6.1.5 氟化物标准溶液:1 mL溶液含氟(F)0.010 mg。
移取1.00 mL按HG/T 602 要求配制的氟化物标准溶液,置于100 mL容量瓶中,用水稀释至刻度,摇匀。
A.6.2 仪器和设备同GB/T 5009.18-2003 第12章。
A.6.3 分析步骤A.6.3.1 称取约1 g试样,精确至0.000 2 g,置于50 mL烧杯中,加少量水,再加10 mL盐酸溶液,煮沸1 min,快速冷却后,将其转移至50 mL容量瓶中,加25 mL 总离子强度缓冲剂,加水至刻度,摇匀,备用。
A.6.3.2 分别移取1.00 mL、2.00 mL、5.00 mL、10.00 mL氟化物标准溶液,置于50 mL容量瓶中,加10 mL盐酸溶液和25 mL总离子强度缓冲剂,加水至刻度,摇匀,备用。
A.6.3.3 将氟电极和甘汞电极与测量仪器的负端、正端联接。
电极插入盛有水的塑料烧杯中,杯中放有磁性搅拌子,在电磁搅拌器上以恒速搅拌,读取平衡电位值,更换2~3次水后,直至达到电极说明书中规定的电位值后,即可进行试样溶液和标准溶液的电位测定。
A.6.3.4 由低至高浓度分别测定氟标准工作溶液的平衡电位。
以电极电位为纵坐标,氟的质量(mg)为横坐标,在半对数坐标上绘制工作曲线。
同法测定试验溶液的平衡电位,从工作曲线上查出试样中氟的质量(mg)。
A.6.4 结果计算氟化物(以F计)w2,数值以mg/kg 表示,按下式计算:w=m1 m×10-3式中:m1——从工作曲线上查出的试验溶液中氟的质量的数值,单位为毫克(mg);m——试样质量的数值,单位为克(g);10-3——换算系数。
取平行测定结果的算术平均值为测定结果,两次平行测定结果的绝对差值不大于5 mg/kg。
A.7 重金属的测定A.7.1 试剂和材料A.7.1.1 盐酸溶液:1+4。
A.7.1.2 饱和硫化氢水:(该溶液使用前配制)。
A.7.1.3 铅标准溶液:1 mL 溶液含铅(Pb)0.010 mg;移取1.00 mL按HG/T 602 要求配制的铅标准溶液,置于100 mL容量瓶中,用水稀释至刻度,摇匀。
该溶液现用现配。
A.7.1.4 其他试剂同GB/T 5009.74-2003 中第3章。
A.7.2 仪器和设备同GB/T 5009.74-2003 第4 章。
A.7.3 分析步骤称取2.00 g ± 0.01 g试样,置于50 mL烧杯中,加5 mL盐酸溶液及10 mL水,加热溶解,冷却后滴加氨水至白色沉淀出现,用滤纸过滤,将滤液置于100 mL容量瓶中,用水稀释至刻度,摇匀。
移取25.00 mL上述试验溶液置于50 mL比色管中,加5 mL乙酸盐缓冲溶液,混匀,加5滴饱和硫化氢水,并用水稀释至刻度,混匀,于暗处放置5 min。
所呈颜色不得深于标准比色溶液。
标准比色溶液的配制:移取0.50 mL铅标准溶液置于50 mL比色管中,加25 mL 水,从“加5 mL乙酸盐缓冲溶液……”开始进行操作,与试验溶液同时同样处理。
A.8 灼烧减量的测定A.8.1 仪器和设备A.8.1.1 电热恒温干燥箱:控制温度105 ℃ ± 2 ℃。
A.8.1.2 高温炉:能控制温度550 ℃ ± 25 ℃。
A.8.1.3 瓷坩埚。
A.8.2 分析步骤称取约5 g试样,精确至0.01 g,置于在550 ℃ ± 25 ℃下质量恒定的瓷坩埚中,于105 ℃ ± 2 ℃下烘4 h,于干燥器中冷却至室温,称量。
再移入550 ℃ ± 25 ℃的高温炉中灼烧30 min,于干燥器中冷却至室温,称量。
A.8.3 结果计算灼烧减量(以干基计)的质量分数w3,按下式计算:w3= (m1-m0)-(m2-m0)×100m1-m0式中:m2——550 ℃ ± 25 ℃灼烧后试样和瓷坩埚的质量的数值,单位为克(g);m1——105 ℃ ± 2 ℃灼烧后试样和瓷坩埚的质量的数值,单位为克(g);m0——瓷坩埚的质量的数值,单位为克(g);100——百分比系数。
取平行测定结果的算术平均值为测定结果,两次平行测定结果的绝对差值不大于0.01 %。
A.9 黏度的测定A.9.1 试剂和材料焦磷酸钠溶液:3.5 g/L。
A.9.2 仪器和设备A.9.2.1 旋转黏度计。
A.9.2.2 磁力搅拌器。
A.9.3 分析步骤取0.30 g试样于250 mL烧杯中,加入200 mL焦磷酸钠溶液中,利用磁力搅拌器搅拌完全溶解或搅拌30 min。
取被测液体,使用旋转粘度计并采用0#转子测定出粘度值。