铁路建设项目管理流程图模板
- 格式:doc
- 大小:194.50 KB
- 文档页数:17
附件:1.铁路建设项目部管物资采购供应一体化管理流程图2.部管物资招标计划报告格式3.部管物资采购计划报表格式4.部管物资招标结果报告格式附件2:部管物资招标计划报告格式甲供物资招标计划编制说明1. 为贯彻执行《铁路建设项目甲供物资设备采购供应暂行办法》(铁建设〔2006〕217号),规范甲供物资招标计划的编制工作,便于报送和审批,特提出本招标计划内容样本。
2. 招标人应根据项目施工组织设计和甲供物资需求时间,编制、上报甲供物资招标计划,同时也应考虑甲供物资采购、制造和组织供应周期等因素影响。
3. 甲供物资招标计划原则上一次上报或按站前、站后分别上报,分批组织实施。
4. 本招标计划样本空格部分由招标人根据项目情况填写。
其中联系应同时提供联系人的移动,采购建议计划一览表按照填表说明编制。
关于甲供物资招标计划的请示铁道部建设工程招投标管理办公室:根据《铁路建设项目物资设备管理办法》(铁建设〔2006〕83号)、《铁路建设项目甲供物资设备采购供应暂行办法》(铁建设〔2006〕217号)、《铁路建设项目甲供物资设备目录》(铁建设函〔2007〕199号)的规定,现将工程项目铁道部管理和建设单位管理的甲供物资招标计划上报如下:一、工程概况______________(简述工程规模、总投资、开工竣工时间、目前进度及计划等)。
二、招标依据1. 《中华人民共和国招标投标法》;2. 国家发展改革委等七部委令《工程建设项目货物招标投标办法》(第27号);3. 铁道部《铁路建设项目物资设备管理办法》(铁建设〔2006〕83号);4. 铁道部《铁路建设项目甲供物资设备采购供应暂行办法》(铁建设〔2006〕217号);5. 铁道部《铁路建设项目甲供物资设备目录》(铁建设函〔2007〕199号);6. 铁道部《关于铁路建设项目甲供甲控物资设备招标有关工作的指导意见》(铁建设函〔2007〕495号);7. (与本项目相关的批准文件,如:初步设计、开工等的批复文件)。
一、铁路基本建设项目流程图铁路基本建设项目流程图项目建议书阶段可行性研究阶段勘测设计阶段开工报告阶段设计院铁路基本建设项目流程图计划编制阶段铁路基本建设项目流程图开工建设阶段铁路基本建设项目流程图竣工验收阶段附件2:铁路基本建设项目建设管理各阶段职责分工附件3:利用外资项目建设管理流程——世行和亚行贷款项目前期阶段北京市汉卓律师事务所内部资料请勿传阅注:1、报告①、②、③、④可在项目报国务院的同时进行编制。
2、董事会批准贷款后,可以选期进入项目招标实施。
北京市汉卓律师事务所内部资料请勿传阅利用外资项目建设管理流程——土建招标阶段北京市汉卓律师事务所内部资料请勿传阅国外贷款机构注:中文评标报告由建设单位报部招标办核准后,英文评标报告由外资中心和招标公司报贷款机构审查。
利用外资项目建设管理流程——设备招标采购阶段北京市汉卓律师事务所内部资料请勿传阅案例:京沪高铁一、京沪高铁建设基本流程:北京市汉卓律师事务所内部资料请勿传阅北京市汉卓律师事务所内部资料请勿传阅北京市汉卓律师事务所 内部资料 请勿传阅二、案例:京沪铁路建设时间流程1990年12月,铁道部完成“京沪高速铁路线路方案构想报告”。
1994年,当时的国家科委、国家计委、国家经贸委、国家体改委和铁道部课题组完成了“京沪高速铁路重大技术经济问题前期研究报告”的深化研究。
1994年12月,国务院批准开展京沪高速铁路预可行性研究;同月,铁道部成立京沪高速铁路预可行性研究办公室。
1996年4月,完成“京沪高速铁路预可行性研究报告(送审稿)”。
北京市汉卓律师事务所内部资料请勿传阅1997年4月,完成“京沪高速铁路预可行性研究报告补充研究报告”,并据此上报了项目建议书。
1998年10月至2000年4月,当时的国家计委委托中咨公司对“京沪高速铁路预可行性研究报告”进行了评估。
铁道部按评估意见完成了“京沪高速铁路预可行性研究报告(评估补充稿)。
2000年1月,按国务院要求,铁道部配合中咨公司完成并上报国家计委《关于高速轮轨与高速磁悬浮比较的论证报告》。
(1)隧道洞口施工工艺流程
隧道洞口段施工程序图(2)双侧壁导坑法施工工艺流程
双侧壁导坑施工工艺流程图(3)台阶法施工工艺流程
隧道台阶法施工作业程序图
(4)全断面法施工工艺流程
隧道Ⅲ级围岩全断面施工流程图
(5)
中洞先行,扩挖成型法施工工艺图(6)小导管注浆施工工艺流程
小导管注浆施工工艺流程图
(7)大管棚超前支护施工工艺流程图
(8)湿喷混凝土施工工艺示意图
湿喷混凝土施工工艺示意图(9)中空注浆锚杆施工工艺流程框图
中空注浆锚杆施工工艺流程框图
(10)砂浆锚杆工艺流程图
(11)钢架安装工艺流程
钢架安装施工工艺图
(12)防水板敷设工艺流程
(13)仰拱铺底施工工艺流程
仰拱施工工艺流程
(14)二次衬砌施工工艺流程
衬砌施工流程图
(15)监控量测工艺流程
隧道监控量测工作流程图
(16)前进式深孔注浆工艺流程
图7.2.4-7 风化槽(囊)前进式分段注浆工艺流程图
前进式深孔注浆工艺流程
(17)竖井施工工艺流程
竖井施工作业程序图。
建设单位工程项目管理流程图Part 10: Project Management Process for Expo Park Venue n Projects1.General Project Management Processernment XXX3.Bidding Process4.n Process5.Quality Control Process6.le Control Process7.Cost Control Process8.XXX Process9.Design Change Process10.Hidden Engineering Acceptance Process11.XXX12.Contract Signing Process13.n and Data Management ProcessGeneral Project Management Process:Sign project management (agency n) contractAgency n company submits project management planXXXCollect relevant n。
carry out image planning。
project planning。
contract filing。
and n managementHandle n res。
such as project survey。
design。
and scheme reviewXXXEach department performs its respective tasks。
including engineering quality management。
safety n and civilized n management。
engineering management。
n n。
quality appraisal。
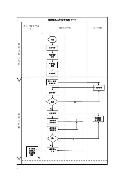
建设单位业主方工程项目管理工作流程图图1-4 工程建设月报上报流程图1-5 档案信息管理流程图 2-1 项目安全管理工作总体流程一图2-2 项目安全管理工作总体流程二图3-1项目质量管理工作总体流程一图3-2 项目质量管理工作总体流程二图3-3 施工质量控制管理流程图4-2项目造价管理工作总体流程二图4-3 工程进度款管理工作流程图4-4 工程变更管理工作流程图4-5 成本控制管理工作流程图5-1 项目进度管理工作总体流程图5-2 项目设备、材料供应计划管理流程图5-3 材料进货检验设备开箱流程图6-1 项目技术管理工作总体流程复制要替换的字库为将被替换的字库名,如:打开一幅图,提示未找到字体jd,你想用替换它,那么你可以去找AutoCAD字体文件夹font把里面的复制一份,重新命名为,然后在把放到font里面,在重新打开此图就可以了;以后如果你打开的图包含jd这样你机子里没有的字体,就再也不会不停的要你找字体替换了;1.如何替换找不到的原文复制要替换的字库为将被替换的字库名,如:打开一幅图,提示未找到字体jd,你想用替换它,那么你可以去找AutoCAD字体文件夹font把里面的复制一份,重新命名为,然后在把放到font里面,在重新打开此图就可以了;以后如果你打开的图包含jd这样你机子里没有的字体,就再也不会不停的要你找字体替换了;1.如何替换找不到的原文复制要替换的字库为将被替换的字库名,如:打开一幅图,提示未找到字体jd,你想用替换它,那么你可以去找AutoCAD字体文件夹font把里面的复制一份,重新命名为,然后在把放到font里面,在重新打开此图就可以了;以后如果你打开的图包含jd这样你机子里没有的字体,就再也不会不停的要你找字体替换了;1.如何替换找不到的原文复制要替换的字库为将被替换的字库名,如:打开一幅图,提示未找到字体jd,你想用替换它,那么你可以去找AutoCAD字体文件夹font把里面的复制一份,重新命名为,然后在把放到font里面,在重新打开此图就可以了;以后如果你打开的图包含jd这样你机子里没有的字体,就再也不会不停的要你找字体替换了;1.如何替换找不到的原文复制要替换的字库为将被替换的字库名,如:打开一幅图,提示未找到字体jd,你想用替换它,那么你可以去找AutoCAD字体文件夹font把里面的复制一份,重新命名为,然后在把放到font里面,在重新打开此图就可以了;以后如果你打开的图包含jd这样你机子里没有的字体,就再也不会不停的要你找字体替换了;1.如何替换找不到的原文复制要替换的字库为将被替换的字库名,如:打开一幅图,提示未找到字体jd,你想用替换它,那么你可以去找AutoCAD字体文件夹font把里面的复制一份,重新命名为,然后在把放到font里面,在重新打开此图就可以了;以后如果你打开的图包含jd这样你机子里没有的字体,就再也不复制要替换的字库为将被替换的字库名,如:打开一幅图,提示未找到字体jd,你想用替换它,那么你可以去找AutoCAD字体文件夹font把里面的复制一份,重新命名为,然后在把放到font里面,在重新打开此图就可以了;以后如果你打开的图包含jd这样你机子里没有的字体,就再也不会不停的要你找字体替换了;1.如何替换找不到的原文复制要替换的字库为将被替换的字库名,如:打开一幅图,提示未找到字体jd,你想用替换它,那么你可以去找AutoCAD字体文件夹font把里面的复制一份,重新命名为,然后在把放到font里面,在重新打开此图就可以了;以后如果你打开的图包含jd这样你机子里没有的字体,就再也不会不停的要你找字体替换了;1.如何替换找不到的原文复制要替换的字库为将被替换的字库名,如:打开一幅图,提示未找到字体jd,你想用替换它,那么你可以去找AutoCAD字体文件夹font把里面的复制一份,重新命名为,然后在把放到font里面,在重新打开此图就可以了;以后如果你打开的图包含jd这样你机子里没有的字体,就再也不会不停的要你找字体替换了;1.如何替换找不到的原文复制要替换的字库为将被替换的字库名,如:打开一幅图,提示未找到字体jd,你想用替换它,那么你可以去找AutoCAD字体文件夹font把里面的复制一份,重新命名为,然后在把放到font里面,在重新打开此图就可以了;以后如果你打开的图包含jd这样你机子里没有的字体,就再也不会不停的要你找字体替换了;1.如何替换找不到的原文复制要替换的字库为将被替换的字库名,如:打开一幅图,提示未找到字体jd,你想用替换它,那么你可以去找AutoCAD字体文件夹font把里面的复制一份,重新命名为,然后在把放到font里面,在重新打开此图就可以了;以后如果你打开的图包含jd这样你机子里没有的字体,就再也不会不停的要你找字体替换了;1.如何替换找不到的原文复制要替换的字库为将被替换的字库名,如:打开一幅图,提示未找到字体jd,你想用替换它,那么你可以去找AutoCAD字体文件夹font把里面的复制一份,重新命名为,然后在把放到font里面,在重新打开此图就可以了;以后如果你打开的图包含jd这样你机子里没有的字体,就再也不复制要替换的字库为将被替换的字库名,如:打开一幅图,提示未找到字体jd,你想用替换它,那么你可以去找AutoCAD字体文件夹font把里面的复制一份,重新命名为,然后在把放到font里面,在重新打开此图就可以了;以后如果你打开的图包含jd这样你机子里没有的字体,就再也不会不停的要你找字体替换了;1.如何替换找不到的原文复制要替换的字库为将被替换的字库名,如:打开一幅图,提示未找到字体jd,你想用替换它,那么你可以去找AutoCAD字体文件夹font把里面的复制一份,重新命名为,然后在把放到font里面,在重新打开此图就可以了;以后如果你打开的图包含jd这样你机子里没有的字体,就再也不会不停的要你找字体替换了;1.如何替换找不到的原文复制要替换的字库为将被替换的字库名,如:打开一幅图,提示未找到字体jd,你想用替换它,那么你可以去找AutoCAD字体文件夹font把里面的复制一份,重新命名为,然后在把放到font里面,在重新打开此图就可以了;以后如果你打开的图包含jd这样你机子里没有的字体,就再也不会不停的要你找字体替换了;1.如何替换找不到的原文复制要替换的字库为将被替换的字库名,如:打开一幅图,提示未找到字体jd,你想用替换它,那么你可以去找AutoCAD字体文件夹font把里面的复制一份,重新命名为,然后在把放到font里面,在重新打开此图就可以了;以后如果你打开的图包含jd这样你机子里没有的字体,就再也不会不停的要你找字体替换了;1.如何替换找不到的原文复制要替换的字库为将被替换的字库名,如:打开一幅图,提示未找到字体jd,你想用替换它,那么你可以去找AutoCAD字体文件夹font把里面的复制一份,重新命名为,然后在把放到font里面,在重新打开此图就可以了;以后如果你打开的图包含jd这样你机子里没有的字体,就再也不会不停的要你找字体替换了;1.如何替换找不到的原文复制要替换的字库为将被替换的字库名,如:打开一幅图,提示未找到字体jd,你想用替换它,那么你可以去找AutoCAD字体文件夹font把里面的复制一份,重新命名为,然后在把放到font里面,在重新打开此图就可以了;以后如果你打开的图包含jd这样你机子里没有的字体,就再也不复制要替换的字库为将被替换的字库名,如:打开一幅图,提示未找到字体jd,你想用替换它,那么你可以去找AutoCAD字体文件夹font把里面的复制一份,重新命名为,然后在把放到font里面,在重新打开此图就可以了;以后如果你打开的图包含jd这样你机子里没有的字体,就再也不会不停的要你找字体替换了;1.如何替换找不到的原文复制要替换的字库为将被替换的字库名,如:打开一幅图,提示未找到字体jd,你想用替换它,那么你可以去找AutoCAD字体文件夹font把里面的复制一份,重新命名为,然后在把放到font里面,在重新打开此图就可以了;以后如果你打开的图包含jd这样你机子里没有的字体,就再也不会不停的要你找字体替换了;1.如何替换找不到的原文复制要替换的字库为将被替换的字库名,如:打开一幅图,提示未找到字体jd,你想用替换它,那么你可以去找AutoCAD字体文件夹font把里面的复制一份,重新命名为,然后在把放到font里面,在重新打开此图就可以了;以后如果你打开的图包含jd这样你机子里没有的字体,就再也不会不停的要你找字体替换了;1.如何替换找不到的原文复制要替换的字库为将被替换的字库名,如:打开一幅图,提示未找到字体jd,你想用替换它,那么你可以去找AutoCAD字体文件夹font把里面的复制一份,重新命名为,然后在把放到font里面,在重新打开此图就可以了;以后如果你打开的图包含jd这样你机子里没有的字体,就再也不会不停的要你找字体替换了;1.如何替换找不到的原文复制要替换的字库为将被替换的字库名,如:打开一幅图,提示未找到字体jd,你想用替换它,那么你可以去找AutoCAD字体文件夹font把里面的复制一份,重新命名为,然后在把放到font里面,在重新打开此图就可以了;以后如果你打开的图包含jd这样你机子里没有的字体,就再也不会不停的要你找字体替换了;1.如何替换找不到的原文复制要替换的字库为将被替换的字库名,如:打开一幅图,提示未找到字体jd,你想用替换它,那么你可以去找AutoCAD字体文件夹font把里面的复制一份,重新命名为,然后在把放到font里面,在重新打开此图就可以了;以后如果你打开的图包含jd这样你机子里没有的字体,就再也不复制要替换的字库为将被替换的字库名,如:打开一幅图,提示未找到字体jd,你想用替换它,那么你可以去找AutoCAD字体文件夹font把里面的复制一份,重新命名为,然后在把放到font里面,在重新打开此图就可以了;以后如果你打开的图包含jd这样你机子里没有的字体,就再也不会不停的要你找字体替换了;1.如何替换找不到的原文复制要替换的字库为将被替换的字库名,如:打开一幅图,提示未找到字体jd,你想用替换它,那么你可以去找AutoCAD字体文件夹font把里面的复制一份,重新命名为,然后在把放到font里面,在重新打开此图就可以了;以后如果你打开的图包含jd这样你机子里没有的字体,就再也不会不停的要你找字体替换了;1.如何替换找不到的原文复制要替换的字库为将被替换的字库名,如:打开一幅图,提示未找到字体jd,你想用替换它,那么你可以去找AutoCAD字体文件夹font把里面的复制一份,重新命名为,然后在把放到font里面,在重新打开此图就可以了;以后如果你打开的图包含jd这样你机子里没有的字体,就再也不会不停的要你找字体替换了;1.如何替换找不到的原文复制要替换的字库为将被替换的字库名,如:打开一幅图,提示未找到字体jd,你想用替换它,那么你可以去找AutoCAD字体文件夹font把里面的复制一份,重新命名为,然后在把放到font里面,在重新打开此图就可以了;以后如果你打开的图包含jd这样你机子里没有的字体,就再也不会不停的要你找字体替换了;1.如何替换找不到的原文复制要替换的字库为将被替换的字库名,如:打开一幅图,提示未找到字体jd,你想用替换它,那么你可以去找AutoCAD字体文件夹font把里面的复制一份,重新命名为,然后在把放到font里面,在重新打开此图就可以了;以后如果你打开的图包含jd这样你机子里没有的字体,就再也不会不停的要你找字体替换了;1.如何替换找不到的原文复制要替换的字库为将被替换的字库名,如:打开一幅图,提示未找到字体jd,你想用替换它,那么你可以去找AutoCAD字体文件夹font把里面的复制一份,重新命名为,然后在把放到font里面,在重新打开此图就可以了;以后如果你打开的图包含jd这样你机子里没有的字体,就再也不复制要替换的字库为将被替换的字库名,如:打开一幅图,提示未找到字体jd,你想用替换它,那么你可以去找AutoCAD字体文件夹font把里面的复制一份,重新命名为,然后在把放到font里面,在重新打开此图就可以了;以后如果你打开的图包含jd这样你机子里没有的字体,就再也不会不停的要你找字体替换了;1.如何替换找不到的原文复制要替换的字库为将被替换的字库名,如:打开一幅图,提示未找到字体jd,你想用替换它,那么你可以去找AutoCAD字体文件夹font把里面的复制一份,重新命名为,然后在把放到font里面,在重新打开此图就可以了;以后如果你打开的图包含jd这样你机子里没有的字体,就再也不会不停的要你找字体替换了;1.如何替换找不到的原文复制要替换的字库为将被替换的字库名,如:打开一幅图,提示未找到字体jd,你想用替换它,那么你可以去找AutoCAD字体文件夹font把里面的复制一份,重新命名为,然后在把放到font里面,在重新打开此图就可以了;以后如果你打开的图包含jd这样你机子里没有的字体,就再也不会不停的要你找字体替换了;1.如何替换找不到的原文复制要替换的字库为将被替换的字库名,如:打开一幅图,提示未找到字体jd,你想用替换它,那么你可以去找AutoCAD字体文件夹font把里面的复制一份,重新命名为,然后在把放到font里面,在重新打开此图就可以了;以后如果你打开的图包含jd这样你机子里没有的字体,就再也不会不停的要你找字体替换了;1.如何替换找不到的原文复制要替换的字库为将被替换的字库名,如:打开一幅图,提示未找到字体jd,你想用替换它,那么你可以去找AutoCAD字体文件夹font把里面的复制一份,重新命名为,然后在把放到font里面,在重新打开此图就可以了;以后如果你打开的图包含jd这样你机子里没有的字体,就再也不会不停的要你找字体替换了;。
xxxxxxxxxxxxxxxx工程监理规划总监理工程师:x x x北京铁建工程监理有限公司xxxxxxxx工程监理部二OO x 年x月x日京铁监表CX06-1 A 编号 02监理规划审批表说明:本表由技术部/监理部统一编号,一式两份,项目监理部和技术部/监理部各存一份。
目录1 、工程项目概况……………………………………………………1.1、工程项目特征……………………………………………………1.2、工程项目建设实施相关单位名录………………………1.3、工程概况…………………………………………………2、监理工作依据…………………………………………………3、监理范围和目标…………………………………………………3.1、监理服务的形式…………………………………………………3.2、监理工作的范围…………………………………………………3.3、监理工作内容……………………………………………………3.4、监理工作目标……………………………………………………4、工程进度………………………………………………………5、工程质量……………………………………………………………6、工程造价…………………………………………………………7、工程合同……………………………………………………………8、信息管理………………………………………………………………9、工作协调………………………………………………………………10、安全管理…………………………………………………………………11、环境保护、水土保持和文明施工………………………………………12、项目监理机构的组织机构……………………………………12.1、监理机构组织形式和人员构成……………………………12.2、监理人员的职责分工…………………………………………12.3、监理人员进场安排……………………………………………13、项目监理部资源配置一览表…………………………………13.1、配备进场的各主要仪器、设备的型号、数量、功能……13.2、配备进场的交通工具、通讯及办公设备的型号、数量…14、监理工作管理制度………………………………………14.1信息和资料管理制度………………………………………14.2 监理会议制度………………………………………………14.3 监理工作报告制度…………………………………………14.4 其他监理工作制度…………………………………………1、工程项目概况1.1、工程项目特征1.1.1工程项目名称1.1.2 工程建设地点1.1.3 工程建设规模:1.1.4工程主要特点、重点、难点1.1.5主要工程数量1.2本工程项目建设实施相关单位名录1.3 工程概况2、监理工作依据2.1 国家有关监理工作的法规⑴建筑法⑵建设工程质量管理条例⑶工程安全生产管理条例2.2 国家、铁道部有关监理工作的规范⑴建设工程监理规范⑵铁路建设工程监理规范⑶国家、铁道部颁布的与本工程有关法律、法规、规章等。
工程项目管理工作流程图文明施工管理工作流程图安全管理工作流程图1、安全日巡查表;2、工程安全文明施工控制情况表;3、周安全检查表;4、月安全文明施工评分表;5、整改通知单;6、整改回复单。
图纸会审工作流程图施工组织设计(方案)编制与管理流工作流程图作业指导书的编制与管理工作流程技术交底的编制与管理工作流程文件:1.施工组织设计2.各种交底记录隐蔽工程验收管理工作流程文件:1.隐蔽工程施工记录2.隐蔽工程检查验收记录(原始记录)工程资料管理工作流程图文件:各项资料原件工程质量管理工作流程图1、质量日巡查表;2、工程质量控制情况表;3、周质量检查表;4、月工程施工质量评分表;5、整改通知单;6、整改回复单。
材料管理工作流程图文件:1、材料分析表;2、材料、设备采购计划;3、材料、设备供应商考核表;4、合格供应商台账;5、材料、设备合同台账。
文件:1、合同预算书;2、各项合同;3、项目总、年度、季度、月度工程施工计划、每日现场实际完成工程进度;4、材料、设备采购计划(总计划、月计划)5、对下招标计划。
(总计划、月计划)文件:1、各种结算资料;2、竣工结算书;文件:1、工程预算书;2、人、材、机分析表。
文件:1.招标文件2.投标文件3.中标通知书4.劳务分包单位考察报告5.劳务分包招标控制价实名制管理工作流程图3、民工花名册;4、民工告知书;5、考勤表6、工人工资表。