信号机点灯电路原理
- 格式:docx
- 大小:16.22 KB
- 文档页数:2
简述信号点灯电路的工作原理信号点灯电路是一种常见的电子电路,主要用于指示设备或者机器的状态,例如交通信号灯、电子产品的指示灯等。
本文将详细介绍信号点灯电路的工作原理。
信号点灯电路的组成部分信号点灯电路主要由以下几个组成部分构成:1. 电源:为整个电路提供电力。
2. 信号源:产生需要指示的信号。
3. 信号处理电路:对信号进行相应的转换和处理。
4. 灯泡:用于指示信号状态。
5. 电阻:用于限制电流的流动。
6. 开关:用于控制电路的开关状态。
信号点灯电路的工作原理信号点灯电路的工作原理是:当信号源发出信号时,信号处理电路会将信号转换成相应的电信号,并将其传输到灯泡中,灯泡便会亮起来,来指示相应的信号状态。
信号源可以是各种类型的传感器、开关等,例如温度传感器、声音传感器、光敏开关等。
当信号源感应到相应的信号时,就会发出相应的信号。
信号处理电路会对信号进行处理,将其转换成相应的电信号。
不同类型的信号需要不同的处理方式,例如模拟信号需要进行模数转换,数字信号需要进行解码等。
灯泡一般使用LED灯,因为LED灯具有耗电量小、寿命长、亮度高等优点。
当信号处理电路将信号转换成电信号后,电信号会通过电阻流入灯泡,LED灯便会亮起来。
为了控制电路的开关状态,通常会在电路中加入开关。
当开关打开时,电路会通电,灯泡便会亮起来;当开关关闭时,电路断电,灯泡便会熄灭。
需要注意的是,为了保证灯泡的寿命和安全性,需要在电路中加入适当的电阻,用于限制电流的流动。
电阻的阻值需要根据具体情况进行选择。
总结信号点灯电路是一种常见的电子电路,主要用于指示设备或者机器的状态。
它由电源、信号源、信号处理电路、灯泡、电阻和开关等组成部分构成。
当信号源发出信号时,信号处理电路会将信号转换成相应的电信号,并将其传输到灯泡中,灯泡便会亮起来,来指示相应的信号状态。
为了保证灯泡的寿命和安全性,需要在电路中加入适当的电阻,用于限制电流的流动。
信号机点灯电路原理
信号机点灯电路原理
信号机点灯电路是用来控制信号机的显示状态,直接向机务人员发出行车命令。
各种信号机的显示正确与否,直接关系到行车的安全问题。
为此信号机点灯电路必须是具有严密性、可靠性的安全电路。
又因为它有室内外联系用的电缆线路,所以设计信号机点灯电路时必须有断线保护器和混线保护措施。
信号机采用透镜式色灯信号机。
信号机点灯电路均采用集中供电制,由信号楼继电器室供给交流220v点灯电源。
由于信号灯泡是采用低压12v,因此对应调车信号机灯泡分别设有一台信号变压器(BX-30型,初级为220v次级为13-14v)
调车信号机点灯电路
禁止灯光蓝灯:XJZ12→熔断器RD1-2→DJ5-6→XJ31-33→蓝灯信号变压器→熔断器RD2-1→XJF12
允许灯光白灯:XJZ12→熔断器RD1-2→DJ5-6→XJ31-32→白灯信号变压器→熔断器RD2-1→XJF12
故障分析及处理
①蓝灯点灯电路故障
控制台现象:信号复示器亮红灯
处理故障时使用步进电压法查找蓝灯点灯电路的故障点
②白灯点灯电路故障
控制台现象:信号复示器在排了进路后先亮2s白灯之后又亮回蓝灯
处理故障时使用步进电压法查找白灯点灯电路的故障点
③公共部分故障
控制台现象:为排列进路前复示器闪白灯,排列进路后闪红灯
处理故障时使用步进电压法查找蓝灯或白灯点灯电路的故障点。
简述信号点灯电路的工作原理信号点灯电路是一种常见的电子电路,主要作用是在指示灯的控制下,通过开关控制电路的通断,从而实现对设备或系统状态的监测。
本文将从信号点灯电路的定义、工作原理、应用场景等方面对其进行详细介绍。
一、信号点灯电路的定义信号点灯电路是一种基于开关控制的电子电路,其主要作用是通过指示灯来监测设备或系统状态。
它通常由开关、指示灯、电源等组成,并且可以根据需要进行扩展和升级。
二、信号点灯电路的工作原理1. 基本原理信号点灯电路的基本原理是利用开关控制电流的通断,从而实现指示灯亮起或熄灭。
当开关处于闭合状态时,它会将正极和负极相连,导致整个回路形成一个闭合回路,此时电流可以顺畅地流过整个回路。
当开关处于断开状态时,整个回路就会被打断,因此无法形成完整的闭合回路。
这时候就不会有任何电流通过开关和指示灯。
2. 具体步骤具体来说,信号点灯电路的工作原理可以分为以下几个步骤:(1)首先,电源将电流输入到电路中。
(2)接着,开关控制电流的通断。
当开关处于闭合状态时,电流可以沿着回路顺畅地流动;当开关处于断开状态时,整个回路就会被打断,因此无法形成完整的闭合回路。
(3)如果指示灯连接在闭合回路中,则在开关闭合的情况下,指示灯就会亮起;反之,在开关断开的情况下,指示灯就会熄灭。
三、信号点灯电路的应用场景信号点灯电路广泛应用于各种设备和系统中,主要用于监测设备或系统状态。
以下是一些常见的应用场景:1. 工业自动化控制在工业自动化控制领域中,信号点灯电路通常用于监测机器和设备的运行状态。
例如,在生产线上安装了多个指示灯,并通过信号点灯电路来实现对生产线运行状态的监测和控制。
2. 交通信号控制在交通领域中,信号点灯电路被广泛应用于交通信号控制系统中。
例如,在交通信号灯中,红、黄、绿三个指示灯就是通过信号点灯电路来控制的。
3. 家用电器在家用电器中,信号点灯电路通常用于监测设备的开关状态。
例如,在洗衣机、空调等家用电器中,指示灯就是通过信号点灯电路来实现对设备状态的监测。
信号机控制电路原理信号机控制电路包括点灯电路和主灯丝断丝报警电路两部分,其中点灯电路是通过室内联锁设备的动作,控制信号机的显示。
例如进站信号机点灯电路,它通过室内LXJ、TXJ、ZXJ、LUXJ、YXJ等的动作,点亮信号机的不同灯位,从而给出各种显示。
为保证信号机显示正确,点灯电路采用了位置法、双断法等保护措施。
位置法,即将控制条件放在电源和负载(室外信号变压器、灯泡)之间。
双断法,如在绿灯的去线和回线中都加入LXJ↑的条件。
为监督室外灯泡是否确实被点亮,室内装设了1DJ和2DJ,通过对电路中有无电流的检查,达到来监督灯泡是否被点亮的目的,从而做到灯光灭灯时能及时报警,允许灯光灭灯时自动改点禁止灯光。
信号机点灯电源为220V交流电,采用室内集中供给方式。
室外对应每一灯位装设一台信号变压器,这样一方面可以达到隔离供电目的,防止一处混线时造成错误点灯;另一方面则做到了高电压,低电流传输,减少电缆线路的衰耗和对电缆线路的技术要求。
对于各种类型的信号机,其点灯电路的控制条件各不相同,像调车信号机仅受DXJ 控制,各种复示信号机也仅受其主体信号机的XJ控制。
在这里我们特别提出,出站信号机除受站内联锁条件控制外,还有受闭塞条件的控制。
如在半自动闭塞区段,出站信号机的XJ电路中,要加上KTJ↑和XZJ↓的条件。
在交流计数闭塞区段,出站信号机的XJ电路中,加有1LQJ↑条件;点灯电路中加有2LQJ的吸起和落下条件,用来控制点绿灯还是点黄灯。
为保证不间断显示,信号机采用双丝灯泡,并在主灯丝回路中串联灯丝转换继电器DZJ,正常情况下,灯泡被点亮时DZJ↑,利用其后接点切断付丝回路。
在主灯丝断丝情况下,DZJ落下,自动改点付丝。
主灯丝灯丝报警电路,对于较大的站场,可每个咽喉设置一套设备,对较小的站场可两个咽喉共用一套设备,每套设备设一个断丝报警继电器DSJ,在控制台上设一个断丝报警灯和一个断丝报警电铃。
进站信号机平时处于关闭状态,点亮红灯,若红灯主丝完好则HDZJ吸起,切断DS1、DS2通过进站信号机可构成的回路。
出站信号机点灯电路原理出站信号机是铁路系统中的重要设备,用于指示列车驶出车站。
其中,点灯电路是出站信号机的关键部分之一。
本文将介绍出站信号机点灯电路的原理及其工作流程。
出站信号机点灯电路的原理是基于电路的开闭来实现信号灯的亮灭。
电路中的各个元件如电源、开关、电线等协同工作,使信号机的灯光能够按照预定的规则进行点亮和熄灭,提供准确的信息给驾驶员和乘客。
点灯电路的基本组成包括电源、信号灯、继电器和控制开关。
电源为整个电路提供所需的电能,通常采用交流电源或直流电源。
信号灯是通过电流的传导来点亮的装置,通常使用LED灯或白炽灯。
继电器是控制信号灯点亮和熄灭的关键元件,它能够根据控制信号的输入状态,切换电路的开闭状态。
控制开关则是由驾驶员或信号员操控的装置,用于发送信号给继电器,控制信号灯的亮灭。
当驾驶员或信号员操作控制开关时,控制信号将被送至继电器。
继电器根据控制信号的输入状态,通过电磁原理来切换电路的开闭状态。
当继电器闭合时,电流从电源经过继电器流向信号灯,使其点亮。
反之,当继电器断开时,电流被切断,信号灯则熄灭。
这样,通过控制开关的操作,驾驶员或信号员可以实现对信号灯的远程控制。
为了确保出站信号机的安全性和可靠性,点灯电路通常采用双重回路设计。
即在两个独立的电路中分别设置继电器和信号灯。
这样,即使一个电路出现故障,另一个电路仍然可以正常工作,保证信号灯的正常点亮和熄灭。
除了基本的点灯电路,出站信号机还可配备其他功能模块,如故障检测、亮度调节等。
故障检测模块能够监测电路中的故障情况,一旦出现故障,将自动报警并切断电路,避免可能的安全隐患。
亮度调节模块则可以根据环境亮度的变化,自动调节信号灯的亮度,提高可视性。
出站信号机点灯电路是通过电路的开闭来实现信号灯的点亮和熄灭。
它的原理是基于电流的传导和继电器的工作原理,通过控制开关的操作来控制信号灯的亮灭。
点灯电路通常采用双重回路设计,以确保出站信号机的安全性和可靠性。
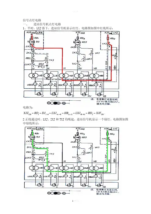
信号点灯电路一、 进站信号机点灯电路1、平时,LXJ 落下,进站信号机显示红灯,电路图如图中红线所示:电路为:2201564143111263612220XJZ RD DJ LXJ HB LXJ RD XJF -----------、2正线通过时,LXJ 、ZXJ 与TXJ 均吸起,进站信号机显示一个绿灯,电路图如图中绿线所示:电路为:220156414281822122111262612220XJZ RD DJ LXJ ZX J TXJ LB LXJ RD XJF ---------------3、正线接车时,LXJ 与ZXJ 均吸起,进站信号机显示一个黄灯,电路图为图中蓝色线所示:电路为:2201564142818221232123111262612220XJZ RD DJ LXJ ZXJ TXJ LUXJ UB LXJ RD XJF -----------------4、站线接车时,LXJ 显示两个黄色灯光,首先接通第二个黄灯电路,其电路为图中红色线所示电路为:11132203567172717311126261222022XJZ RD DJ LXJF ZXJ TXJ UB LXJ RD XJF ---------------该电路2DJ 吸起证明第二黄灯完好,之后接通第一黄灯点灯电路,其电路如图中蓝色线所示:电路为:562201414281832122212311122XJZ RD DJ LXJ ZXJ DJ LUXJ UB --------------62612220LXJ RD XJF ---5、建立通过第一个车场到下一个车场去时:由于ZXJ 与LUXJ 励磁吸起,TXJ 都失磁落下,所以接通的就是LB 绿灯与2UB 黄灯电路,该点灯电路先接通第二黄灯电路,后接通绿灯电路,其第二黄灯电路为如图中蓝色线所示:电路为:2203567172717211121113111222XJZ RD DJ LXJF ZXJ LUXJ TXJ UB -------------62612220LXJ RD XJF ----该电路2DJ 吸起证明第二黄灯完好,然后接通绿灯点灯电路,其电路为图中蓝色线所示:其电路为:562201414281822123212231322XJZ RD DJ LXJ ZXJ TXJ LUXJ DJ -------------111262612220LB LXJ RD XJF ------6、引导接车:LXJ 失磁落下,而引导信号继电器YXJ 励磁吸起,因此,这时接通的就是HB 红灯电路与YBB 月白灯电路,红灯电路为图中红线所示:电路为:2201564143111263612220XJZ RD DJ LXJ HB LXJ RD XJF -----------、月白灯电路为图中蓝色线所示:其电路为:2203567173717211126261636122202XJZ RD DJ LXJF YXJ YBB YXJ LXJ RD XJF ---------------7、经18#及其以上道岔侧向位置时,进站信号机显示黄闪与黄色灯光,先接通二黄灯电路,后接通黄灯闪光电路。
信号点灯电路一、 进站信号机点灯电路1、平时,LXJ 落下,进站信号机显示红灯,电路图如图中红线所示:电路为:2201564143111263612220XJZ RD DJ LXJ HB LXJ RD XJF -----------.2正线通过时,LXJ 、ZXJ 和TXJ 均吸起,进站信号机显示一个绿灯,电路图如图中绿线所示:电路为:220156414281822122111262612220XJZ RD DJ LXJ ZX J TXJ LB LXJ RD XJF ---------------3、正线接车时,LXJ 和ZXJ 均吸起,进站信号机显示一个黄灯,电路图为图中蓝色线所示:电路为:2201564142818221232123111262612220XJZ RD DJ LXJ ZXJ TXJ LUXJ UB LXJ RD XJF -----------------4、站线接车时,LXJ 显示两个黄色灯光,首先接通第二个黄灯电路,其电路为图中红色线所示电路为:11132203567172717311126261222022XJZ RD DJ LXJF ZXJ TXJ UB LXJ RD XJF ---------------该电路2DJ 吸起证明第二黄灯完好,之后接通第一黄灯点灯电路,其电路如图中蓝色线所示:电路为:562201414281832122212311122XJZ RD DJ LXJ ZXJ DJ LUXJ UB --------------62612220LXJ RD XJF ---5、建立通过第一个车场到下一个车场去时:由于ZXJ 和LUXJ 励磁吸起,TXJ 都失磁落下,所以接通的是LB 绿灯和2UB 黄灯电路,该点灯电路先接通第二黄灯电路,后接通绿灯电路,其第二黄灯电路为如图中蓝色线所示:电路为:2203567172717211121113111222XJZ RD DJ LXJF ZXJ LUXJ TXJ UB -------------62612220LXJ RD XJF ----该电路2DJ 吸起证明第二黄灯完好,然后接通绿灯点灯电路,其电路为图中蓝色线所示:其电路为:562201414281822123212231322XJZ RD DJ LXJ ZXJ TXJ LUXJ DJ -------------111262612220LB LXJ RD XJF ------6、引导接车:LXJ 失磁落下,而引导信号继电器YXJ 励磁吸起,因此,这时接通的是HB 红灯电路和YBB 月白灯电路,红灯电路为图中红线所示:电路为:2201564143111263612220XJZ RD DJ LXJ HB LXJ RD XJF -----------.月白灯电路为图中蓝色线所示:其电路为:2203567173717211126261636122202XJZ RD DJ LXJF YXJ YBB YXJ LXJ RD XJF ---------------7、经18#及其以上道岔侧向位置时,进站信号机显示黄闪和黄色灯光,先接通二黄灯电路,后接通黄灯闪光电路。
现阶段地铁使用各系统信号机的点灯电路原理及区别探讨摘要:近年随着我国城市轨道交通的大力发展,地铁信号系统承包商的越来越多,本文对现有的浙大网新、卡斯柯、交控系统、铁科系统信号机点灯电路原理及区别进行探讨,从而增加大家对于各系统关于信号点灯电路的理解,方便了解原理,促进地铁的发展。
关键词:地铁信号电路探讨1.信号点灯电路要求1.1点灯电路技术要求:从电源屏直接输出AC110V通过DJ(JZXC-H18)和室外电缆到达信号机点灯变压器上,经变压器降压后由点灯模板点亮LED发光盘。
种信号的显示正确与否,直接关系到行车安全,因此信号机点灯电路必须是安全电路,设有可靠的断线防护和混线防护措施。
2.现阶段地铁使用各系统信号机点灯电路原理2.1网新系统-正线三显示信号机点灯电路原理正线三显示信号机有三个LED灯位,从上至下顺序为U、L、H。
这三个灯位中H、U能同时点亮。
点灯灯位如下:(1)CBTC模式时,列车占用进路接近区段MDJ吸起,点灯电路未沟通,信号机灭灯无显示。
(2)未排列进路情况下,信号机常亮红灯,MDJ落下,LDJ、UDJ落下,红灯点灯。
电路为:XJZ110—RD2—HDSJ5-6—采集板—MDJ8B-9B—LDJ8B-9B—UDJ8B-9B—分线盘端子H—HBI 1-2—分线盘端子HH—UDJ9C-8C—LDJ9C-8C—MDJ9C-8C—RD3—XJF110(3)建立通过进路时,由于MDJ落下,LDJ励磁吸起,MDJ落下,使绿灯点灯。
电路为:XJZ110—RD1—LUDSJ5-6—采集板—MDJ8A-9A—UDJ8A-9A—LDJ8A-7A—分线盘端子L—LBI 1-2—分线盘端子LH—YXJ8B-9B—UDJ8C-9C—LDJ7C-8C—MDJ9C-8C—RD3—XJF110(4)建立经过道岔反位的进路时,由于MDJ落下,UDJ励磁吸起,YXJ落下,使黄灯点灯。
电路为:XJZ110—RD1—LUDSJ5-6—采集板—MDJ8A-9A—UDJ8A-7A分线盘端子U—UBI 1-2—分线盘端子UH—YXJ8B-9B—UDJ7C-8C—LDJ9C-8C—MDJ9C-8C—RD3—XJF110(5)建立引导接车进路时,由于MDJ落下,LDJ、UDJ落下,YXJ吸起,使红灯和黄灯同时点灯。
信号点灯电路故障分析一.电路工作原理信号点灯电路如图7-1所示。
以两方向出站信号机为例。
信号点灯电路用来控制信号机的显示,直接向司机发出行车命令。
信号显示的正确与否,直接影响行车安全。
所以,信号机点灯电路是具有严密性、可靠性的安全电路。
点灯电路中,设有断线保护,采用了位置法和双断法的混线保护措施。
依据联锁条件的要求,信号机的允许灯光灭灯时,要使信号显示降级;正线信号机的禁止灯光灭灯时,要禁止信号机再开放允许信号(正线)。
所以,每架信号机都设有灯丝继电器,用以监督信号灯泡的完整。
信号机的点灯电源,一般由室内通过电源屏分为4束供出,在电源屏、组合架的零层、组合的侧面都设置了熔断器防护。
点灯电源通过电缆送到室外。
信号机内设有点灯变压器,将点灯电压降为12V之后,点亮信号灯泡。
矮型出站信号机,共有4种显示状态,这4种显示状态,是由出站兼调车的LXJ、DXJ、ZXJ、2LQJ进行控制的。
电路的逻辑关系是:图7-1 信号点灯电路1.信号机的平时状态:LXJ↑,信号机点亮红灯DXJ2.LXJZXJ↑,信号机点亮黄灯2LQJ3.LXJZXJ↑,信号机点亮绿灯2LQJ↑4.开放调车信号时:LXJDJ↑,信号机点亮白灯DXJ注:如果有两个发车方向LXJF↑↑ ZXJ↓ DJ↑ZXJ↓↑信号机点亮两个绿灯时,从逻辑关系式可以看出,主信号继电器ZXJ用来区分向主要线路发车还是向次要线路发车。
ZXJ吸起说明向主要线路发车,点一个绿灯或黄灯;ZXJ失磁落下说明向次要线路发车,点两个绿灯。
2LQJ用来区分点绿灯或黄灯。
2LQJ吸起,点亮一个绿灯,2LQJ失磁落下,则点亮一个黄灯。
二.信号机故障时控制台的现象信号点灯电路采用了双重系统,具有主灯丝断丝后自动转换副灯丝的功能,以及较完善的故障自诊功能。
点灯电路出现故障时可以从控制台信号复示器点灯状态、电铃响铃报警发现。
进站信号复示器平时点亮红灯。
开放允许信号时,进站信号复示器点亮绿灯;开放引导信号时,进站信号复示器点亮一红一白灯光。
信号机点灯电路点红灯的原理《信号机点灯电路点红灯的原理》信号机作为道路交通管理的重要设备之一,起到了识别交通状态和指导交通流向的作用。
其中,信号机的红灯起到了禁止通行的作用,让交通参与者安全停车或等待。
本文将介绍信号机点灯电路点红灯的原理。
信号机的点灯电路是通过电路控制器控制的,电路控制器会根据道路交通需求和时间设定,调节信号机的灯光状态。
点红灯的原理是基于这个电路控制器完成的。
首先,电路控制器会接收来自各个传感器的信号,用以判断道路上的交通状态。
例如,探测器会检测车辆是否经过,红外线传感器会检测行人是否在等候区域内等待过马路。
当探测到需要停止交通流动时,电路控制器会通过控制开关来连接红灯电路。
红灯电路由电源、电阻、电感和红色LED灯组成。
电源为信号机提供电力,电阻用来控制电流的大小,电感则起到稳定电流的作用。
红色LED灯为红灯的光源。
当电路控制器连接红灯电路时,电流将从电源流入电路,经过电阻和电感,最终灯光从红色LED灯中发出。
红灯电路的原理是利用半导体材料(如LED)的特性,当通过它们时,电能转化为光能。
红色LED灯使用III-V族的化合物半导体材料,其带隙能量使得只有特定波长的光线能通过并发光。
通过合适的设计和工艺,使红色LED能够产生可见光,并有较高的发光效率,实现红灯的点亮。
在电路控制器的控制下,红灯会持续点亮一定的时间,让交通参与者知道需要停止行驶或等待。
当通过时间设定或接收到其他信号后,电路控制器将切断红灯电路,断开电流,红灯熄灭。
总结起来,信号机点红灯的原理是基于电路控制器的控制,通过电路连接红灯电路,产生电流供给红色LED灯,使其发光。
这种电路的实现借助了半导体材料的特性,通过合适的设计和工艺,实现了红灯的点亮和熄灭。
通过点亮红灯,交通参与者能够明确知道需要停车或等待,保障道路交通安全。
进站信号机点灯电路中继电器逻辑关系1.概述进站信号机点灯电路是铁路交通系统中十分重要的组成部分,它直接关系到列车的安全行驶。
其中,中继电器作为点灯电路中的重要元件,其逻辑关系对整个点灯电路的正常运行至关重要。
本文将从进站信号机点灯电路的基本原理出发,探讨中继电器在其中的逻辑关系,以期为相关领域的研究提供一定的参考。
2.进站信号机点灯电路的基本原理进站信号机是指在铁路交通信号系统中用来指示列车司机的信号设备,一般分为绿灯、黄灯、红灯三种。
其中,进站信号机点灯电路作为控制信号机灯光点亮与否的关键,其主要原理是通过控制点灯电路中的继电器,实现信号机灯光的亮灭。
3.中继电器在进站信号机点灯电路中的作用中继电器是一种电磁继电器,是控制系统中用于控制各种功能的电磁开关。
在进站信号机点灯电路中,中继电器起到了连接和隔离电路的作用。
当信号机需要点亮或熄灭时,中继电器将根据控制信号的输入来控制电路的通断,从而实现信号机灯光的控制。
4.中继电器的逻辑关系中继电器在进站信号机点灯电路中的逻辑关系主要包括两个方面:输入信号与触发动作的关系和输出动作与电路控制的关系。
4.1 输入信号与触发动作的关系进站信号机点灯电路中,中继电器的输入信号来自控制系统,一般包括开关量信号和模拟量信号。
当接收到相应的输入信号时,中继电器将根据预设的触发条件来执行动作,如闭合或断开触点。
4.2 输出动作与电路控制的关系中继电器在执行完触发动作后,将会产生对应的输出动作,如闭合或断开触点。
这些输出动作将直接影响到进站信号机点灯电路中的相关元件,从而实现信号机灯光的点亮或熄灭。
5.中继电器逻辑关系的优化为了确保进站信号机点灯电路的稳定性和可靠性,需要对中继电器的逻辑关系进行优化。
具体包括但不限于以下几个方面:5.1 输入信号的灵敏度调整通过对中继电器的输入信号灵敏度进行调整,可以有效地减小外部干扰对系统的影响,提高系统的抗干扰能力。
5.2 触发条件的优化设定合理设置中继电器的触发条件,可以使其在接收到有效输入信号后能够及时、准确地执行相应的触发动作,保证系统的稳定性和可靠性。
信号机点灯电路原理
信号机点灯电路是用来控制信号机的显示状态,直接向机务人员发出行车命令。
各种信号机的显示正确与否,直接关系到行车的安全问题。
为此信号机点灯电路必须是具有严密性、可靠性的安全电路。
又因为它有室内外联系用的电缆线路,所以设计信号机点灯电路时必须有断线保护器和混线保护措施。
信号机采用透镜式色灯信号机。
信号机点灯电路均采用集中供电制,由信号楼继电器室供给交流220v点灯电源。
由于信号灯泡是采用低压12v,因此对应调车信号机灯泡分别设有一台信号变压器(BX-30型,初级为220v次级为13-14v)
调车信号机点灯电路
禁止灯光蓝灯:XJZ12→熔断器RD1-2→DJ5-6→XJ31-33→蓝灯信号变压器→熔断器RD2-1→XJF12
允许灯光白灯:XJZ12→熔断器RD1-2→DJ5-6→XJ31-32→白灯信号变压器→熔断器RD2-1→XJF12
故障分析及处理
①蓝灯点灯电路故障
控制台现象:信号复示器亮红灯
处理故障时使用步进电压法查找蓝灯点灯电路的故障点
②白灯点灯电路故障
控制台现象:信号复示器在排了进路后先亮2s白灯之后又亮回蓝灯
处理故障时使用步进电压法查找白灯点灯电路的故障点
③公共部分故障
控制台现象:为排列进路前复示器闪白灯,排列进路后闪红灯
处理故障时使用步进电压法查找蓝灯或白灯点灯电路的故障点。