最新全国造价员考试土建培训讲义(工程计量与计价实务部分)
- 格式:doc
- 大小:1.91 MB
- 文档页数:151
2023年造价员-工程计量与计价实务(土建工程)考试备考题库附带答案第1卷一.全考点押密题库(共50题)1.(单项选择题)(每题 1.00 分)房屋建筑与装饰工程的脚手架国标清单项目中,其中()与其余各项的特征描述要求不一致。
A. 外脚手架B. 挑脚手架C. 里脚手架D. 满堂脚手架正确答案:B,2.(多项选择题)(每题 2.00 分)根据《建设工程工程量清单计价规范》(GB 50500-2013)及广东省建设工程造价管理总站《关于实施<房屋建筑与装饰工程工程量计算规范〉(GB 50854-2013)等的若干意见》(粤建造发(2013)4号),以下关于油漆工程的说法中,正确的有()。
A. 木扶手油漆按设计图示尺寸以长度计算B. 门窗套油漆按设计图示尺寸以长度计算C. 钢结构构件油漆按构件展开面积计算D. 钢结构构件外的其余构件根据构件质量和综合定额的面积系数折算为面积计算E. 木栏杆油漆按设计图示尺寸以单面外围面积计算正确答案:A,C,D,E,3.(多项选择题)(每题 2.00 分)关于幕墙、隔断工程量计算规则,下列表述正确的是()。
A. 玻璃幕墙、铝板幕墙以框外围面积计算;半玻璃隔断、全玻璃幕墙如有加强肋者,工程按其展开面积计算B. 玻璃幕墙、铝板幕墙以洞口面积计算;半玻璃隔断、全玻璃幕墙如有加强肋者,工程量按其展开面积计算C. 隔断按设计图示框外围尺寸以面积计算,扣除]窗洞及单个面积> 0.3m2的孔洞所占面积D. 隔断按设计图示洞口尺寸以面积计算,扣除门窗洞及单个面积> 0.3m2的孔洞所占面积E. 隔断按设计图示洞口尺寸以面积计算,扣除门 ]窗洞及单个面积≤0.3m2的孔洞所占面积正确答案:A,C,4.(单项选择题)(每题 1.00 分)根据梁平法施工图的注写方式,KL3(6A)表示()。
A. 6号屋面框架梁B. 跨数为3C. 一端悬挑D. 二端悬挑正确答案:C,5.(单项选择题)(每题 1.00 分)民用建筑分()两大部分。
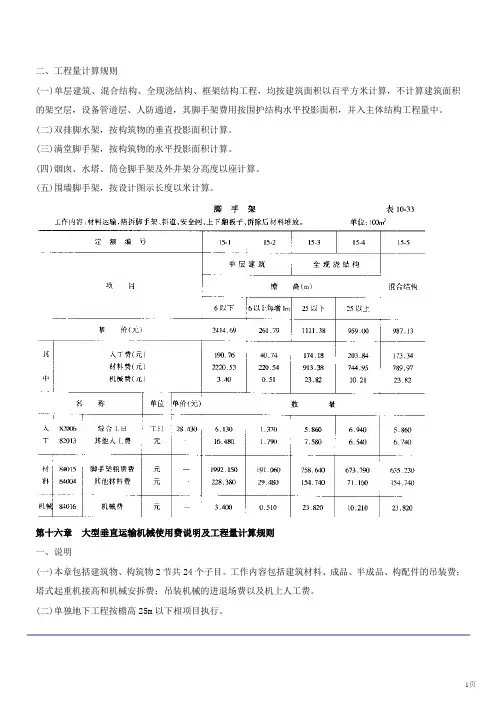
二、工程量计算规则(一)单层建筑、混合结构、全现浇结构、框架结构工程,均按建筑面积以百平方米计算,不计算建筑面积的架空层,设备管道层、人防通道,其脚手架费用按围护结构水平投影面积,并入主体结构工程量中。
(二)双排脚水架,按构筑物的垂直投影面积计算。
(三)满堂脚手架,按构筑物的水平投影面积计算。
(四)烟囱、水塔、筒仓脚手架及外井架分高度以座计算。
(五)围墙脚手架,按设计图示长度以米计算。
第十六章大型垂直运输机械使用费说明及工程量计算规则一、说明(一)本章包括建筑物、构筑物2节共24个子目。
工作内容包括建筑材料、成品、半成品、构配件的吊装费;塔式起重机接高和机械安拆费;吊装机械的进退场费以及机上人工费。
(二)单独地下工程按檐高25m以下相项目执行。
(三)本章包括建筑物、构筑物结构工程的大型垂直运输机械使用费。
二、工程量计算规则(一)建筑物按建筑面积以平方米计算。
(二)烟囱、水塔按座计算,超过规定高度时按每增高1m计算,不足1m按1m计算。
(三)钢筋混凝土贮仓及漏斗按图示尺寸以立方米计算。
(四)其它构筑物按构筑物体积以立方米计算。
凡以砌体为主要工程量的构筑物,其部分现、预制混凝土体积并入砌体内,执行砌体为主的相应定额子目;凡以混凝土为主要工程量的构筑物,其部分砌体并入混凝土体积内,执行混凝土为主的相应定额子目。
第十七章高层建筑超高费说明及工程量计算规则一、说明(一)本章包括高层建筑超高费共4个子目。
(二)本章建筑工程高层建筑超高费,是按整体工程综合编制的。
(三)高层建筑超高费综合了施工降效、通讯联络等费用。
指施工中的降效,安全通讯联络,加压用水泵等。
二、工程量计算规则高层建筑超高费按建筑面积以平方米计算。
定额的工效是按25m以下为准编制的,超过25m的高层建筑物,才计算高层建筑超高费。
第十八章工程水电费说明及工程量计算规则一、说明(一)包括:住宅建筑工程、公共建筑工程、其它工程3节共18个子目。
工作内容包括施工现场所消耗的全部水、电费(包括建筑、装饰、安装等工程),机械施工中所消耗的电费,夜间施工和施工场地照明所消耗的电费。
工程计量与计价实务考试要求,介绍:一、综述1、关于造价员执业资格制度(略)2、考试要求与课程体系考试时间;上午;9:00-11:00 (工程造价基础知识)(闭卷)下午;14:00-17:00 (工程计量与计价实务(闭卷)本课程的特点与要求:面宽量大,广而不深;专业性强,难度高;分“掌握、熟悉、了解”三级要求。
3、应试的总体策略及本讲座的目的。
(1)了解大纲要求,紧扣教材内容,参考专业教材;(2)把握要点,着重原理,方法理解而非细节;(3)把握深度;(4)了解可能的出题方式。
目的:(1)归拢要点,提高复习效率;(2)解难答疑,帮助理解;(3)深度要求;4.本课程体系1)专业基础知识(1)工业与民用建筑工程构造(2)土木建筑工程材料(3)建筑施工技术(4)施工组织设计2)工程计量(1)建筑识图基本原理和方法(2)工程计量常识(3)工程量清单的编制(4)工程量清单计价1.专业基础知识1.1工业与民用建筑工程构造一、工业与民用建筑工程的分类与组成1. 按使用功能(1)民用建筑(2)工业建筑(3)农业建筑2. 按建筑规模和数量(1)大量性建筑(2)大型性建筑3. 按建筑层数(1)低层建筑:1---3层(2)多层建筑:4---6层(3)中高层建筑:7~9层(4)高层建筑:10层或10层以上或高度超过28m(5)超高层建筑:100m以上的建筑物4. 按承重结构的材料(1)木结构建筑(2)砖、石结构建筑(3)钢筋混凝土结构建筑(4)钢结构建筑(5)混合结构建筑5.民用建筑的基本构成(1)基础(2)墙(柱)(3)楼盖(4)楼梯(5)屋顶(6)门窗注:一些简介,理解一下就行1)房屋建筑基本组成有基础、房屋主体承重结构、屋顶及围护结构。
2)基础:基础的作用是把建筑物和各类荷载传递给地基,保证房屋不下沉、不倾倒。
基础是房屋建筑的地下部分,它的作用是把房屋的全部荷载传递给地层。
基础以下承受房屋荷载的地层称为地基。
基础是房屋建筑的重要组成部分,而地基是地球的一部分,两者概念完全不同。
土建造价员实务讲义全国造价员建筑工程计量与计价实务讲义2012第一讲建筑工程计价定额§2—1 建筑工程计价定额的概念一.建设工程定额分类(一)概念:建设工程定额是国家授权有关部门和地区统一组织编制、颁发实施的工程建设标准。
(二)分类:1、按生产要素分:2、按适用范围分:3、按专业用途分:4、按建设用途分:施工定额、预算定额、概算定额、概算指标5、按费用定额分。
二.建筑工程计价定额(一)概念:由建设行政部门根据合理的施工组织设计,按照正常施工条件下制的,生产一个规定计量单位工程合格产品所需人工、材料、机械台班的社会平均消耗量。
规定计量单位工程:工程基本构成要素,指组成安装工程的最小工程单位,也称“细目”或“子目”,安装工程计价定额最小工程单位时“分项工程”。
(二)建筑工程计价定额的种类:共分十三章(三)建筑工程计价定额的作用计价定额编制建设工程概算、标底的依据,也是投标报价、拨付工程价款、竣工结算的参考依据,是设计单位进行工程设计方案比较,进行技术经济的依据,是施工单位编制施工项目财务计划,进行经济分析考核成本的依据,是投资方编制投资计划、考核投资效果的基础。
§2—2 建筑工程计价定额消耗量指标的确定一.人工消耗量指标的确定人工消耗量指标,是指以劳动定额为基础确定的完成单位子目工程所必须消耗的劳动量。
以综合工日表示,内容包括基本用工、超运距用工、辅助用工和人工幅度差。
基本用工:主要用工、技术工种用工;辅助用工:现场材料、半成品加工用工;超运距用工:材料从仓库运到施工操作点水平运输用工(60m);人工幅度差:10%~33%子目工程人工消耗量=基本用工+辅助用工+超运距用工+人工幅度差=(基本用工+辅助用工+超运距用工)×(1+人工幅度差系数)二、料料消耗量指标的确定安装工程在安装施工过程中,完成一个单位产品(或子目工程)所必须消耗的材料数量。
一般由主要材料、次要材料或辅助材料和推销材料组成。
第三章工程计量与计价目录CONTENTS第三章工程计量与计价01建筑工程计量与计价02装饰工程计量与计价0措施项目计量与计价第三章教材逻辑定额说明+定额计量规则+清单计量规则+案例1.定额说明(1)定义(换算逻辑——主观题)(2)系数(客观题难点、主观题辅考点)(3)特殊的分项在本章定额的套取(4)特殊的分项在它章定额的套取2.定额计量规则VS清单计量规则VS案例全国大多数地区的大多数定额项,其计算规则与清单相差无几。
【定额】预算定额——目前招标投标环节,造价控制利用最多的依据。
预算定额中,最重要的是“数量”,行业期望每个企业形成“专属数量”,它出自“企业定额”,但普遍匮乏。
故退而求其次。
预算定额中,除了数量,还有价格,但价格是当时当地平均水平,做造价控制时,利用“造价信息”“询价”等方式取而代之。
定额数量×单价——定额基价定额基价考虑管理费、利润——综合单价综合单价×定额量/清单量——工程量清单综合单价定额数量×单价——定额基价说明:定额数量,即消耗量,也是前述的“数量”,例如:每浇筑1m3的矩形柱,消耗混凝土0.905m3。
单价,可能来自预算定额中的价格,但其已过时,往往题目会给出市场价,要求考生作答。
∑(人工消耗量×单价)+∑(材料消耗量×单价)+∑(机械台班消耗量×单价)——定额基价知识点一:材料换算【背景】1.设计与定额,材料强度、配比等不一致2.设计与定额,材料种类不一致3.设计与定额,材料数量不一致【题设】1.题目明确新数量、新单价——用新数量、新单价替换定额数量、单价。
2.题目明确如何调整定额中的数量、单价——按系数、比例等。
知识点二:综合单价求取【计算】利用换算后定额基价计算综合单价。
定额基价(预算单价)考虑管理费、利润——综合单价说明:管理费、利润,以“计算基数”×费率形式体现。
完全看题干如何给出。
故人材机管利,即综合单价。
土建造价师实务讲义公司内部编号:(GOOD-TMMT-MMUT-UUPTY-UUYY-DTTI-建筑工程计量与计价实务讲义第一讲建筑工程计价定额§2—1 建筑工程计价定额的概念一.建设工程定额分类(一)概念:建设工程定额是国家授权有关部门和地区统一组织编制、颁发实施的工程建设标准。
(二)分类:1、按生产要素分:2、按适用范围分:3、按专业用途分:4、按建设用途分:施工定额、预算定额、概算定额、概算指标5、按费用定额分。
二.建筑工程计价定额(一)概念:由建设行政部门根据合理的施工组织设计,按照正常施工条件下制的,生产一个规定计量单位工程合格产品所需人工、材料、机械台班的社会平均消耗量。
规定计量单位工程:工程基本构成要素,指组成安装工程的最小工程单位,也称“细目”或“子目”,安装工程计价定额最小工程单位时“分项工程”。
(二)建筑工程计价定额的种类:共分十三章(三)建筑工程计价定额的作用计价定额编制建设工程概算、标底的依据,也是投标报价、拨付工程价款、竣工结算的参考依据,是设计单位进行工程设计方案比较,进行技术经济的依据,是施工单位编制施工项目财务计划,进行经济分析考核成本的依据,是投资方编制投资计划、考核投资效果的基础。
§2—2 建筑工程计价定额消耗量指标的确定一.人工消耗量指标的确定人工消耗量指标,是指以劳动定额为基础确定的完成单位子目工程所必须消耗的劳动量。
以综合工日表示,内容包括基本用工、超运距用工、辅助用工和人工幅度差。
基本用工:主要用工、技术工种用工;辅助用工:现场材料、半成品加工用工;超运距用工:材料从仓库运到施工操作点水平运输用工(60m);人工幅度差:10%~33%子目工程人工消耗量=基本用工+辅助用工+超运距用工+人工幅度差=(基本用工+辅助用工+超运距用工)×(1+人工幅度差系数)二、料料消耗量指标的确定安装工程在安装施工过程中,完成一个单位产品(或子目工程)所必须消耗的材料数量。
全国造价员考试土建培训讲义(工程计量与计价实务部分)工程计量与计价实务考试要求,介绍:一、综述1、关于造价员执业资格制度(略)2、考试要求与课程体系考试时间;2007年1月6日上午;9:00-11:00 (工程造价基础知识)(闭卷)下午;14:00-17:00 (工程计量与计价实务(闭卷)本课程的特点与要求:面宽量大,广而不深;专业性强,难度高;分“掌握、熟悉、了解”三级要求。
3、应试的总体策略及本讲座的目的。
(1)了解大纲要求,紧扣教材内容,参考专业教材;(2)把握要点,着重原理,方法理解而非细节;(3)把握深度;(4)了解可能的出题方式。
目的:(1)归拢要点,提高复习效率;(2)解难答疑,帮助理解;(3)深度要求;4.本课程体系1)专业基础知识(1)工业与民用建筑工程构造(2)土木建筑工程材料(3)建筑施工技术(4)施工组织设计2)工程计量(1)建筑识图基本原理和方法(2)工程计量常识(3)工程量清单的编制(4)工程量清单计价1.专业基础知识1.1工业与民用建筑工程构造一、工业与民用建筑工程的分类与组成1. 按使用功能(1)民用建筑(2)工业建筑(3)农业建筑2. 按建筑规模和数量(1)大量性建筑(2)大型性建筑3. 按建筑层数(1)低层建筑:1---3层(2)多层建筑:4---6层(3)中高层建筑:7~9层(4)高层建筑:10层或10层以上或高度超过28m(5)超高层建筑: 100m以上的建筑物4. 按承重结构的材料(1)木结构建筑(2)砖、石结构建筑(3)钢筋混凝土结构建筑(4)钢结构建筑(5)混合结构建筑5.民用建筑的基本构成(1)基础(2)墙(柱)(3)楼盖(4)楼梯(5)屋顶(6)门窗注:一些简介,理解一下就行1)房屋建筑基本组成有基础、房屋主体承重结构、屋顶及围护结构。
2)基础:基础的作用是把建筑物和各类荷载传递给地基,保证房屋不下沉、不倾倒。
基础是房屋建筑的地下部分,它的作用是把房屋的全部荷载传递给地层。
基础以下承受房屋荷载的地层称为地基。
基础是房屋建筑的重要组成部分,而地基是地球的一部分,两者概念完全不同。
3)房屋主体承重结构有承重的钢筋混凝土板、梁、柱、楼梯、承重砖墙和钢筋混凝土墙体。
4)房屋建筑除了基本组成之外,还有些次要组成部分,也都有各自的功能。
这些次要组成部分有门窗、阳台、雨篷、台阶、散水等。
二、地基与基础(一)地基基础概述地基的概念:建筑物的全部荷载由它下面的地层来承担,承受建筑物荷载的地层称为地基。
地基与基础概念完全不同,基础是建筑物的组成部分,位于建筑物的底部,而地基是地球的一部分,它是位于基础的下部由岩石或土组成的。
地基又可分为天然地基和人工地基两大类。
1.天然地基(P8)(1)岩石类:耐力达4000kpa以上。
(2)碎石土:碎石土指粒径大于2毫米的颗粒含量超过50%的土。
(3)砂土:砂土指粒径大于2毫米的颗粒含量小于50%,且粒径大于0.075的颗料超过全重的50%的土。
分为:砾砂、粗砂、中砂、细砂、粉砂(4)粘性土:粒径小于0.005毫米,超过全重的3%~6%,塑性指数指数大于10,具有明显粘性和塑性的土,称为粘性土。
(5)粉土:塑性指数小于或等于10的土称为粉土。
(6)人工填土:由人类活动堆填形成的各类土称为人工填土。
人工填土与上述5大类由大自然生成的土性质不同。
通常工程性质不良,强度低,压缩性大且不均匀。
2.人工地基人工加固地基的方法:压实法、换土法、打桩建筑物对地基的要求:(1)足够的强度、(2)满足变形(二)基础分类及构造1、基础设计主要目的的是在地基状况(承载力、地下水位、冻土浓度)一定的条件下,如何选择合理的基础底面积、断面尺寸、埋置深度,使之满足建筑物整体的安全与稳定。
2、基础底面积大小的确定:房屋荷载一定的情况下,基础底面积大小,取决于地基承载力。
保证基底单位面积压力小于地基承载力是确定基础底面积的根本原则。
3、基础断面形式基础底面积的确定仅与地基承载力大小有关,而基础断面形式却取决于基础所用材料本身的性能。
对于钢性材料,当基础扩大时,为了保证基础底面不受拉,必须保证基础放大部分在压力传递角a(又称刚性角)范围内。
砖基础h/d一般取1.5~2.0,混凝土基础取1.0。
对于柔性材料(如钢筋混凝土),则没有刚性角以外基础受拉遭破坏的问题。
4、基础埋深的确定基础的埋深主要与下列因素有关(一般不小于500mm):(1)地基承载力。
(2)冻土层厚度:基础底面必须埋置在冰冻线以下。
(3)地下水位高度:一般不能把基础底面埋置在地下水位线以下。
(4)相邻建筑物基础深度。
(h/L≤0.5~1.0)(5)地下室地下管沟的设置:基础的埋深加大。
5、基础的分类及构造(1)按基础材料分类5、基础的分类及构造(1)按基础材料分类房屋建筑基础按组成材料可分为:①砖基础、②毛石基础、③灰土基础:石灰:粘土=3:7,又叫三七灰土。
④混凝土基础⑤钢筋混凝土基础:柔性基础。
(2)按基础类型分类可分为:①条形(带形)基础:多为墙基。
现浇钢筋混凝土独立柱:平台式、坡面式②独立基础:预制柱:杯口型基础③片筏基础满堂红基础④箱型基础⑤桩基础:桩基础:桩基可穿过软土层把建筑荷载传递给较硬的持力层或是用桩与土层摩擦力承受建筑物荷载。
桩按施工方法可分为:预制桩、灌注桩。
桩按受力角度可分为:端承桩、摩擦桩。
(3)基础设置防潮层设置防潮层的目的是防止土中水份沿土层及砖基础毛细管进入墙体。
墙体潮湿后影响美观,而且会使墙体保温性能变差。
防潮层的水平标高位置应在首层室内混凝土地面厚度范围内,与地面共同形成整体隔水层。
做法:20~25mm厚防水砂浆用高标号防水砂浆连续砌三皮砖做60mm厚细石钢筋混凝土,与墙同宽。
三、墙与框架结构(一)、墙体的作用和分类1、墙体的作用(1)墙体能起挡风雨、防寒保温的围护作用。
(2)墙体能承受建筑的荷载,把屋顶、楼面的荷载通过墙体传到基础上。
(3)墙体有分隔房间的作用。
2、墙体的分类(1)、按墙体承重划分,墙体可分为:①承重墙②非承重墙。
(2)、按墙所处位置不同可分为:③外墙、④内墙、⑤纵墙、⑥横墙、⑦隔墙。
(3)、按墙体材料划分可分为:①砖墙、②加气混凝土、③钢筋混凝土墙、④石膏板隔断墙。
(二)、墙体的构造1、砖墙厚度和长度的确定砖墙的厚度有:①半砖墙(又称12墙,实际厚度115mm)、② 3/4砖墙(又称18墙,实际厚度178mm)、③一砖墙(又称24墙,实际厚度240mm)、④一砖半墙(又称为37墙,实际厚度365mm)、⑤二砖墙(又称49墙,实际厚度为490mm)砖墙长度则由建筑物功能所决定,不同用途的房屋其开间、进深不同,墙长尽可能为半砖长的整倍数,尤其不超过1米的短墙更是如此。
2、砖墙体的砌筑形式(1)、大面墙:为墙体咬合紧、无通缝,大面墙砌筑方式有:一顺一丁、三顺一丁、多顺一丁、十字式、两平一恻式(2)、墙角与纵横墙接头:墙角与纵横墙丁字接头处,墙体砌筑要求砖要相互咬合,如果纵、横墙不能同时砌筑时,要求在搭接处留有踏步茬。
另外,在留茬处沿墙高每隔50cm应铺设一层拉接钢筋,钢筋成直角,伸入纵、横墙不少于0.5m。
3、砖墙体中门窗过梁、圈梁、构造柱的设置(1)门窗过梁。
门窗过梁通常有:①砖拱过梁:可以作成平拱和弧拱两种。
②钢筋砖过梁:一般适用于1.5m以下的门窗口。
M5以上砂浆砌五皮砖,下放钢筋。
③钢筋混凝土过梁(2)圈梁。
为了增强砖墙体稳定性和整体性,使墙体受力均匀,在建筑物的基础、屋顶和每层楼板处,沿外墙和主要墙内设置钢筋混凝土圈梁。
(3)构造柱。
为了增加砖墙的抗地震能力、抗水平荷载能力,在房屋的四角和纵横墙交接处设置自基础至屋顶的钢筋混凝土构造柱四、楼地层构造(P14)重点:1、楼板层的基本组成:面层、楼板结构层、附加层、楼板顶棚层2、楼板类型:木楼板、砖拱楼板、钢筋砼楼板、钢衬板(压型钢板组合楼板)3、钢筋砼板分现浇整体式、预制装备式(1)现浇优点:结构整体性好,湿作业多,工序繁多,施工工期长(2)预制优点:工业化成度高(3)单向板、双向板(4)梁的高宽比:1/3~1/2(5)主梁高:1/8~1/14,次梁高:1/6~1/124、压型钢板组合楼板的三种形式及剖面构造5、无梁楼板优点及适用范围:优点:顶棚平整,室内净空大、采光、通风好,施工简单适用:(1)大空间(2)楼面活荷载≥500kg/m2(3)跨度在6m时较经济(4)板厚≥120mm6、预制钢筋砼楼板种类:(1)实心平板:L≤2.4m;厚:1/30;板宽600~900mm(2)槽形板:3≤L≤7.2mm;厚25~30mm;肋高为120~300;板宽600~1200mm(3)空心板:中型板:L ≤4.5mm,板宽500~1500;厚 90~120mm大型板:4≤L≤7.2mm;板宽1200~1500;厚180~240mm 注意:空心板中上表层板厚>下表面板厚7、预制板布置要求:(1)规格及类型应愈少愈好(2)应避免出现三面支承情况(3)宜优先采用宽度较大的板型8、预制板缝处理方式:(1)≤60mm:灰缝调节板缝(2) 60mm≤b≤120mm:沿墙边挑砖(3) 120mm≤b≤200mm:局部现浇板带(4)≥200mm:重新择板9、预制板搁置,坐梁厚20mm,两者间用锚固拉结筋锚固(1)墙上搁置宽度≥80mm(2)梁上搁置宽度≥60mm10、装配整体式钢筋砼楼板(兼具现浇及预制的双重优越性)(1)密肋填充块楼板:充分利用不同材料的性能(2)预制薄板叠合楼板:节省模板11、楼板与隔墙关系:(1)隔墙尽可能是轻质(2)放置位置应尽量对楼板的受力有利a、支承在梁上b、支承在纵肋上c、板缝内配钢筋支承d、支承在多块空间板上12、厨房、厕所楼板低于楼层60mm~20mm;排水坡度为1%~1.5%13、楼板、墙身防水处理应注意向上翻入踢脚线100~150mm,如遇开门处其防水层应铺出门外250mm,对淋水墙面应用砼制作,贴光滑面14、穿楼板立管的防水处理15、顶棚种类及构造层次16、地坪构造层次:面层、基层(结构层)、素土夯实17、地坪构造要求:坚固、保温、防水、防潮、防火、抗腐蚀18、地坪类型:整体类、镶铺类、粘贴类、涂料类19、改善整体类地面返潮现象的构造措施(1)在面层与结构层之间的保温层(2)架空地面(3)改换面层材料20、镶铺类地面:(1)砖(2)陶瓷砖(3)人造石板、天然石板(4)木地面21、阳台的分类:凹阳台、凸阳台、半凹半凸阳台22、阳台细部构造:栏杆与扶手栏杆与面梁栏杆与阳台板栏杆与花盆台栏杆、栏板自身23、雨篷构造24、楼板隔声措施(1)铺设弹性材料(2)利用弹性垫层进行处理(3)作楼板吊顶处理五、楼梯构造重点:1、楼梯平台与梯段宽度的关系2、楼梯梯段中踏步的高、宽关系及尺寸要求3、装配式钢筋砼楼梯的各种构件类型及各种搁置方式4、节点大样:(1)踏步面层及防滑措施(2)拦杆及扶手高度(3)栏杆或栏板安装及固定方式5、楼梯设计:(1)楼梯平面表示(从底层到顶层)(2)楼梯梯段宽度与平台尺寸(3)楼梯净高控制6、台阶与坡道设计7、无障碍设计:(1)坡度:≤1/12;h≤750mm;b≤9000mm(2)宽度:室内≥900mm;室外≥1500mm8、电梯剖面要求六、门与窗(P19)要求:了解各种门窗的种类及各自适用范围、门窗的安装方式、门窗扇的构造组成,了解不同方位建筑的遮阳措施。