力学性能检测项目
- 格式:doc
- 大小:24.50 KB
- 文档页数:1
钢丝检测标准钢丝检测标准是对钢丝进行质量检测和性能评估的依据,目的是保证钢丝的质量和安全性能,并满足不同工程项目的要求。
钢丝检测标准一般包括以下几个方面的内容:1. 材料检测钢丝的材料检测是针对钢丝的化学成分和物理性能进行的检测。
常见的化学成分检测项目包括:碳含量、硅含量、锰含量、磷含量、硫含量等;物理性能检测项目包括:抗拉强度、屈服强度、伸长率等。
2. 直径和偏差检测钢丝的直径和偏差检测是为了验证其尺寸是否符合要求。
一般通过对钢丝进行测量,检测其直径和偏差是否在标准范围内,并根据具体应用要求进行评估。
3. 表面质量检测钢丝的表面质量检测是为了判断其是否存在缺陷、腐蚀、氧化等问题。
常见的表面质量检测项目包括:外观、氧化层、油污、划痕、腐蚀、裂纹等。
根据不同应用要求,可以制定相应的标准和检测方法。
4. 力学性能检测钢丝的力学性能检测是为了评估其在静态和动态负荷下的性能表现。
常见的力学性能检测项目包括:抗拉强度、弹性模量、屈服强度、断裂伸长率等。
根据具体应用要求,可以设定不同的检测标准和方法。
5. 化学性能检测钢丝的化学性能检测是为了评估其在不同环境条件下的耐腐蚀性能。
常见的化学性能检测项目包括:耐盐雾腐蚀、耐酸碱腐蚀等。
根据具体工程项目的要求,可以制定相应的检测标准和方法。
6. 成品检测钢丝成品检测是对完整的钢丝产品进行全面的检测,包括外观、尺寸、力学性能、表面质量等方面。
通过判断是否符合相关标准,来评估钢丝产品的质量和性能。
以上是钢丝检测标准的一些相关参考内容,钢丝检测标准的具体内容和要求会根据不同的国家、行业和工程项目的需求而有所差异。
在实际应用中,需要根据具体情况选择合适的标准和检测方法,确保钢丝产品的质量和安全性能达到要求。
常用材料检测项目材料检测是指对不同类型的材料进行物理、化学、力学等多方面的测试和分析,以确定其性能、质量和可靠性。
常用材料检测项目包括以下几个方面。
1.物理性能检测:包括密度、热膨胀系数、热传导系数、热导率、热容量、电导率、磁导率等。
这些测试可以用于评估材料的热学和电学性能,以及对热、电的传输能力的影响。
2.化学性能检测:包括化学成分分析、氧化性、还原性、溶解性、抗腐蚀性等。
这些测试可以用于评估材料的化学稳定性和耐腐蚀性,以及其在不同环境条件下的化学性能。
3.力学性能检测:包括拉伸强度、屈服强度、断裂韧性、硬度、抗拉强度、弹性模量、疲劳寿命等。
这些测试可以用于评估材料的力学强度和耐久性能,以及其在受力和疲劳加载下的性能表现。
4.表面性能检测:包括表面粗糙度、硬度、耐磨性、摩擦系数、摩擦损失等。
这些测试可以用于评估材料的表面质量和机械性能,以及其在接触和摩擦条件下的耐磨和摩擦性能。
5.综合性能检测:包括耐候性、阻燃性、导热性、导电性、可焊性、耐高温性、耐低温性等。
这些测试可以用于评估材料在不同环境条件下的综合性能,以及其在特定应用中的可靠性和稳定性。
除了上述常用的材料检测项目,还有一些特殊的材料检测项目,根据不同材料的特性和应用领域而定。
例如,对金属材料可以进行金相分析、晶粒尺寸测定、相变温度测试等;对聚合物材料可以进行热重分析、玻璃转化温度测试、平衡吸湿量测试等;对陶瓷材料可以进行烧结致密度测试、热震稳定性测试、导热系数测试等。
总之,材料检测在工程和科学领域中起着至关重要的作用,通过对材料的多个性能参数进行测试和分析,可以确保材料的质量和可靠性,为工程和产品的研发、设计和制造提供支持和指导。
目录1 总则2 术语、符号2.1术语2.2符号3 仪器设备4 操作规程4.1 一般规定4.2 钢筋力学性能检测4.3 钢筋焊接力学性能检测4.4 钢筋机械连接力学性能检测1 总则1.1 为贯彻建设部颁发的建设工程质量检测管理办法,结合我省实际情况,进一步提高和统一全省建筑工程材料见证取样检测中钢筋(含机械连接)的检测项目和试验操作程序,特制定本规程。
1.2 本规程适用于建筑工程材料见证取样检测中钢筋原材(如钢筋混凝土用热轧带肋钢筋、混凝土用热轧光圆钢筋、低碳钢热轧圆盘条、冷轧带肋钢筋、冷轧扭钢筋、冷拔螺旋钢筋等)、钢筋焊接(包括电阻点焊、闪光对焊、电渣压力焊、埋弧压力焊、电弧焊、气压焊等)以及钢筋机械连接的常规力学性能试验规程。
1.3 本规程涉及的钢筋(含机械连接)取样需由监理单位或建设单位认可,并采取切实有效的封样措施或同委托单位共同送至检测机构。
1.4 本规程规定的抽样数量应不小于该种产品应检测数量总和的30%,并至少不小于1组。
1.5 承担见证取样检测的机构必须同时具备以下条件:A.必须是取得省级以上技术监督部门计量认证的独立机构;B.检测机构应与所检工程的设计单位、监理单位、施工单位无隶属关系或其他利害关系;C. 必须具有健全、有效的管理体系和质量保证体系;D.必须有足够并且满足标准要求的仪器设备;E.必须有足够的并且持有山东省建设工程质量检测试验员上岗证书的人员。
1.6 钢筋(含机械连接)检测操作时,除遵守本规程外尚应符合国家和地方的现行有关技术标准的规定。
2.术语、符号2.1 术语2.1.1 标距:测量伸长用的试样圆柱或棱柱部分的长度。
2.1.2 原始标距(L0):施力前的试样标距。
2.1.3 断后标距(Lu):试样断裂后的标距。
2.1.4 平行长度(Lc):试样两头部或两夹持部分(部带头试样)之间平行部分的长度。
2.1.5 伸长:试验期间任一时刻原始标距(L0)的增量。
2.1.6 伸长率:原始标距的伸长与原始标距(L0)之比的百分率。
材料力学性能试验有哪些带你了解材料力学性能试验!材料力学性能又称机械性能,任何材料受力后都要产生变形,变形到一定程度即发生断裂。
这种在外载作用下材料所表现的变形与断裂的行为叫力学行为,它是由材料内部的物质结构决定的,是材料固有的属性。
检测可靠性实验室可材料力学性能试验服务。
作为第三方检测中心,机构拥有CMA、CNAS检测资质,检测设备齐全、数据科学可靠。
材料力学性能试验:拉伸试验拉伸试验是其中一种最常用的试验方法,用于测定试样在受到轴向拉伸载荷后的行为。
这些试验类型可在室温或受控(加热或制冷)条件下进行,以确定材料的拉伸性能。
适用材料:金属、塑料、弹性体、纸张、复合材料、橡胶、纺织品、粘合剂、薄膜等。
常见的拉伸试验结果:最大载荷、最大载荷下的挠度、最大载荷做功、刚度、断裂载荷、断裂时的形变、断裂做功、弦斜率、应力、应变、杨氏模量试验仪器:万能试验机,高速试验机等测试标准GB/T 6397-1986《金属拉伸试验试样》ASTM D3039-76用于测定高模量纤维增强聚合物复合材料面内拉伸性能ASTM D638用于测定试件的拉伸强度和拉伸模量材料力学性能试验:压缩试验压缩试验是一种常用于测定材料的压缩负载或抗压性的试验方法,同时也用于测定材料在受到一个特定的压缩负载并保持一段设定时间后的恢复能力。
压缩试验用于测定材料在加载下的行为。
此外也可测定一段时间内材料在(恒定或递增)载荷下可承受的最大应力。
适用材料金属、塑料、弹性体、纸张、复合材料、橡胶、纺织品、粘合剂、薄膜等。
试验仪器:万能试验机,高速试验机、压缩试验机等注意事项:(1)压缩试验主要适用于脆性材料,如铸铁、轴承合金和建筑材料等;(2)对于塑性材料,无法测出压缩强度极限,但可以测量出弹性模量、比例极限和屈服强度等。
测试标准GB/T7314-2023《金属压缩实验试样》ASTM D3410-75(剪切荷载法测定带无支撑标准截面的聚合体母体复合材料压缩特性的试验方法)GB/T7314-2023《金属材料室温压缩试验方法》材料力学性能试验:弯曲试验材料机械性能试验的基本方法之一,测定材料承受弯曲载荷时的力学特性的试验。
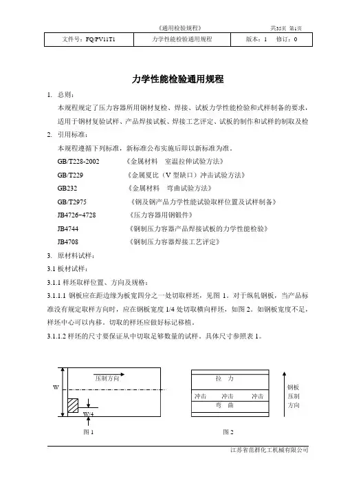
力学性能检验通用规程1.总则:本规程规定了压力容器所用钢材复检、焊接、试板力学性能检验和式样制备的要求,适用于钢材复验试样、产品焊接试板、焊接工艺评定、试板的制作和试样的制取及检2.引用标准:本规程遵循下列标准,新标准公布实施后即以新标准为准。
GB/T228-2002 《金属材料室温拉伸试验方法》GB/T229 《金属夏比(V型缺口)冲击试验方法》GB232 《金属材料弯曲试验方法》GB/T2975 《钢及钢产品力学性能试验取样位置及试样制备》JB4726~4728 《压力容器用钢锻件》JB4744 《钢制压力容器产品焊接试板的力学性能检验》JB4708 《钢制压力容器焊接工艺评定》3.原材料试样:3.1板材试样:3.1.1样坯取样位置、方向及规格:3.1.1.1钢板应在距边缘为板宽四分之一处切取样坯,见图1。
对于纵轧钢板,当产品标准没有规定取样方向时,应在钢板宽度1/4处切取横向样坯,如图2。
如钢板宽度不足,样坯中心可以内移。
切取的样坯应做好标记移植。
3.1.1.2样坯的尺寸要保证从中切取足够数量的试样。
具体尺寸参照表1。
拉力钢板冲击冲击冲击压制弯曲方向图1 图23.1.2试样和试样制备3.1.2.1切取试样时,必须防止试样金属因受热、加工硬化与扭曲变形而改变其内部组织的机械性能。
用气割法切取试样时,从样坯切割线到制成试样边缘,必须留出足够的加工余量,一般不小于20mm。
3.1.2.2钢板厚度小于或等于25mm时,拉力试样应制成板材试样,并保留原轧制表面,试样形式及尺寸见图3,表2。
钢板厚度大于25mm时,可制成尽可能大的圆形试样,试样中心线尽可能接近板面。
此时应尽量使试样头圆弧表面吻合与钢板表面,即在头部应保留不太显著的氧化皮,见图4,表3,表4。
表2 矩形横截面比例试样2、试样原始横截面积So的测定应在试样标距两端及中间三处测量宽度和厚度,取用三处测得的最小横截面积。
测量每个尺寸应准确到±0.5%。
混凝土的力学性能测试混凝土的力学性能测试分析与应用混凝土作为一种重要的建筑材料,在现代社会建设中起着不可或缺的作用。
为了确保混凝土结构的安全性和可靠性,对混凝土的力学性能进行测试是至关重要的。
本文将探讨混凝土的力学性能测试方法及其在实际工程中的应用。
一、混凝土的力学性能测试方法混凝土的力学性能测试主要包括强度测试、抗裂性能测试和变形性能测试。
下面将分别介绍这三种测试方法。
1. 强度测试强度是评价混凝土品质的重要指标之一。
强度测试常用的方法有抗压强度测试和抗折强度测试。
抗压强度测试是通过对混凝土试块施加压力来测定其抗压强度。
测试时,从施工现场随机采集混凝土试块,根据标准尺寸制作成试块,然后在特定的试验设备中施加压力,测定试块的破坏荷载,进而计算出抗压强度。
抗折强度测试是通过对混凝土梁或板进行弯曲加载来测定其抗折强度。
测试时,制作一定尺寸的混凝土梁或板,然后在弯曲试验机上施加载荷,测定其破坏荷载,进而计算出抗折强度。
2. 抗裂性能测试混凝土在使用过程中容易出现开裂现象,因此抗裂性能测试对于评估混凝土结构的耐久性至关重要。
常用的抗裂性能测试方法有拉伸试验和弯曲试验。
拉伸试验是通过对混凝土试块施加拉力来测定其抗拉强度。
测试时,根据标准尺寸制作试块,在拉力试验机上施加拉力,测定试块的破坏荷载,进而计算出抗拉强度。
弯曲试验是通过对混凝土梁或板进行弯曲加载来测定其抗裂性能。
测试时,根据标准尺寸制作混凝土梁或板,在弯曲试验机上施加加载,观察裂缝的形成和扩展情况,评估混凝土的抗裂性能。
3. 变形性能测试混凝土在受到外力作用下会发生变形,因此变形性能测试可以用于评估混凝土的变形能力。
常用的变形性能测试方法有收缩性能测试和徐变性能测试。
收缩性能测试是通过测量混凝土在硬化过程中的收缩量来评估其收缩性能。
测试时,制作标准尺寸的试块,通过测量试块的长度变化来计算收缩量。
徐变性能测试是通过施加恒定应力后,测量混凝土的应变随时间的变化,评估其徐变性能。
材质检测报告一、背景介绍。
材质检测是指对材料的物理性能、化学性能、力学性能等进行检测和分析的过程,其目的是为了确保材料的质量和性能符合相关标准和要求。
材质检测报告是对材料检测结果的详细记录和分析,能够为产品的质量控制和改进提供重要参考依据。
二、检测项目。
1. 物理性能检测。
物理性能检测主要包括材料的密度、硬度、强度、伸缩性等指标的检测。
通过对这些指标的检测,可以了解材料的基本物理特性,为材料的选择和应用提供依据。
2. 化学性能检测。
化学性能检测主要包括材料的化学成分、腐蚀性、稳定性等指标的检测。
这些指标的检测可以帮助我们了解材料的化学特性,为材料的使用和处理提供指导。
3. 力学性能检测。
力学性能检测主要包括材料的抗拉强度、抗压强度、弯曲强度等指标的检测。
这些指标对于材料的结构设计和使用安全具有重要意义。
三、检测方法。
1. 物理性能检测方法。
物理性能检测通常采用密度计、洛氏硬度计、拉伸试验机等设备进行检测,通过实验数据的测量和分析,得出材料的物理性能指标。
2. 化学性能检测方法。
化学性能检测通常采用光谱仪、电化学分析仪等设备进行检测,通过对材料化学成分和腐蚀性的测试,得出材料的化学性能指标。
3. 力学性能检测方法。
力学性能检测通常采用万能试验机、冲击试验机等设备进行检测,通过对材料的抗拉、抗压、弯曲等性能进行实验,得出材料的力学性能指标。
四、检测结果分析。
根据以上检测方法,我们对样品进行了全面的检测,并得出了如下结果:1. 样品的密度为XXg/cm³,硬度为XXHBS,拉伸强度为XXMPa,伸长率为XX%。
2. 样品的化学成分主要包括XX元素和XX元素,具有良好的稳定性和耐腐蚀性。
3. 样品的抗拉强度为XXMPa,抗压强度为XXMPa,弯曲强度为XXMPa。
五、结论与建议。
根据以上检测结果,我们对样品的材质性能进行了全面的评估,可以得出如下结论和建议:1. 样品的物理性能符合设计要求,可以满足产品的使用需求。
upvc管材检测标准UPVC管材检测标准。
UPVC管材是一种常见的建筑材料,广泛应用于给排水系统、供水系统、化工管道等领域。
为了确保UPVC管材的质量和安全可靠性,需要进行严格的检测和评估。
本文将介绍UPVC管材的检测标准,包括检测项目、方法和要求,以及相关的标准规范。
一、外观质量检测。
UPVC管材的外观质量是直接影响其使用寿命和美观度的重要因素。
外观质量检测项目包括管材表面平整度、色泽、表面无明显裂纹、气泡、痕迹等。
检测方法主要通过目视检查和触摸手感来评估,同时也可以借助专业仪器进行测量和分析。
二、尺寸偏差检测。
UPVC管材的尺寸偏差直接影响其连接和安装的质量,因此需要进行精确的尺寸检测。
主要包括管径、壁厚、长度等尺寸参数的检测,通过量规、千分尺等工具进行测量,确保管材的尺寸符合相关标准要求。
三、力学性能检测。
UPVC管材在使用过程中需要承受一定的压力和冲击,因此其力学性能是至关重要的。
力学性能检测项目包括拉伸强度、冲击韧性、弯曲性能等。
检测方法主要通过拉伸试验机、冲击试验机等设备进行实验,评估管材的力学性能是否符合标准要求。
四、热稳定性检测。
UPVC管材在使用过程中需要承受一定的温度变化,因此其热稳定性是需要重点关注的。
热稳定性检测主要包括热变形温度、热老化性能等项目。
通过热变形温度试验、热老化试验等方法来评估管材的热稳定性能。
五、化学性能检测。
UPVC管材在使用过程中需要承受各种化学介质的侵蚀,因此其化学性能也是需要进行检测的重要项目。
化学性能检测主要包括耐酸碱性、耐腐蚀性等。
通过浸泡试验、化学介质侵蚀试验等方法来评估管材的化学性能是否符合标准要求。
六、环境适应性检测。
UPVC管材在使用过程中需要承受室内外不同的环境条件,因此其环境适应性也是需要进行检测的重要项目。
环境适应性检测主要包括耐候性、耐紫外线性能等。
通过人工加速老化试验、紫外线老化试验等方法来评估管材的环境适应性能。
七、其他特殊性能检测。
塑料机械力学性能试验项目有哪些塑料的力学性能测试塑料材料在载荷作用下抵抗破坏的性能,称为机械性能(或称为力学性能)。
常用的机械性能包括:强度、塑性、硬度、冲击韧性、多次冲击抗力和疲劳极限等。
检测橡塑材料检测实验室可各类塑料性能测试服务。
作为第三方检测中心,机构拥有CMA、CNAS检测资质,检测设备齐全、数据科学可靠。
塑料机械力学性能:密度与比重试验塑料的比重是在一定的温度下,秤量试样的重量与同体积水的重量之比值,单位为g/cm3,常用液体浮力法作测定方法.在质量相同的条件下,密度越轻,根据ρ=m/V,比重越小,在等体积,价格相同的情况下,比重越小的材料可以制造的产品越多,单个产品的材料成本也就越低,而且可以减少产品的重量,节省运输等费用。
所以,比重是非常重要的属性。
特别是在塑料代替金属等材料的时候,是特别大的一个优势。
塑料机械力学性能:拉伸/弯曲试验在拉伸性能的测试中,通常的测试项目为拉伸应力、拉伸强度、拉伸屈服强度、断裂伸长率、拉伸弹性模量,弯曲模量/弯曲强度等。
拉伸测试:测定高聚物材料的基本物性,对材料施加应力后,测出变形量,求出应力,应力应变曲线是最普通的方法。
将样条的两端用器具固定好,施加轴方向的拉伸荷重,直到遭破坏时的应力与扭曲。
弹性模量:E=( F/S)/(dL/L)(材料在弹性变形阶段,其应力和应变成正比例关系)弹性模量”是描述物质弹性的一个物理量,是一个总称,包括“杨氏模量”、“剪切模量”、“体积模量”等。
弹性模量的意义:弹性模量是工程材料重要的性能参数,从宏观角度来说,弹性模量是衡量物体抵抗弹性变形能力大小的尺度,从微观角度来说,则是原子、离子或分子之间键合强度的反应。
塑料机械力学性能:冲击试验定义:摆锤打击简支梁试样的中部,使试样受到冲击而断裂,试样断裂时单位面积或单位宽度所消耗的冲击功即为冲击强度。
意义:冲击韧性是描述高分子材料在高速碰击下所呈现的坚韧程度,或抗断裂能力。
一般来说,冲击韧性包括两个方面:受冲击后的变形能力以及扛断裂能力,前者一般用断裂伸长率表示,而后者一般用冲击强度来表示。
力学检测标准mpa力学检测是指对材料的力学性能进行测试和评定的过程。
力学性能是指材料在外力作用下所表现出的力学特性,包括强度、硬度、韧性、塑性等指标。
力学检测标准mpa则是对材料强度的测试标准,MPa(兆帕)是国际上常用的强度单位,1MPa等于1N/mm²。
在材料工程领域,MPa常用来表示材料的抗拉强度、抗压强度等指标。
力学检测标准mpa的测试方法主要包括拉伸试验、压缩试验、弯曲试验等。
拉伸试验是最常用的力学性能测试方法之一,通过在材料上施加拉力,测定材料的抗拉强度、屈服强度、断裂伸长率等指标。
压缩试验则是在材料上施加压力,测定材料的抗压强度、压缩模量等指标。
弯曲试验是在材料上施加弯曲力,测定材料的弯曲强度、弯曲模量等指标。
力学检测标准mpa的测试过程需要严格遵守相关的标准和规范,以保证测试结果的准确性和可靠性。
首先,需要选择合适的试样形状和尺寸,根据不同的材料和试验要求进行选择。
其次,需要进行试样的加工和制备,确保试样表面光洁平整,尺寸精确符合要求。
然后,进行测试设备的校准和调试,以确保测试设备的准确性和稳定性。
最后,进行力学性能测试,并对测试结果进行分析和评定。
力学检测标准mpa的测试结果对于材料的选择、设计和应用具有重要的指导意义。
通过力学性能测试,可以评定材料的强度、刚度、韧性等指标,为材料的选用提供依据。
同时,还可以评估材料在实际工程应用中的性能表现,为工程设计和质量控制提供参考。
因此,力学检测标准mpa的测试工作具有重要的意义,需要加强对测试方法和标准的研究和推广,提高测试技术水平和测试结果的可靠性。
在力学检测标准mpa的测试过程中,需要注意以下几个方面。
首先,要严格控制试样的制备和加工过程,确保试样的质量和尺寸满足测试要求。
其次,要对测试设备进行定期的校准和维护,确保测试设备的准确性和稳定性。
再者,要严格按照标准的测试方法和程序进行测试,避免人为因素对测试结果的影响。
最后,要对测试结果进行科学的分析和评定,确保测试结果的准确性和可靠性。
钢材检测报告检测标准摘要:一、引言二、钢材检测报告的重要性三、钢材检测报告的常见项目1.力学性能检测2.化学成分检测3.工艺性能检测4.表面质量检测5.无损检测四、我国钢材检测报告的标准1.国家标准2.行业标准五、钢材检测报告的应用领域六、结论正文:一、引言钢材作为建筑、机械、船舶等行业的重要材料,其质量直接关系到工程的安全和使用寿命。
钢材检测报告是反映钢材质量的重要依据,对于选购钢材有着重要的参考价值。
二、钢材检测报告的重要性钢材检测报告可以帮助用户了解钢材的力学性能、化学成分、工艺性能等信息,从而判断钢材是否符合工程需求。
此外,检测报告还可以作为钢材交易的凭证,保障供需双方的权益。
三、钢材检测报告的常见项目1.力学性能检测:包括抗拉强度、屈服强度、伸长率等指标,反映钢材的强度和塑性变形能力。
2.化学成分检测:分析钢材中的碳、硅、锰、磷、硫等元素的含量,以确保钢材的性能符合标准要求。
3.工艺性能检测:包括热轧、冷轧、热处理等工艺过程,以评价钢材的加工性能。
4.表面质量检测:检查钢材表面的裂纹、夹杂、折叠等缺陷,以保证钢材的表面质量。
5.无损检测:采用超声波、射线等方法检查钢材内部的缺陷,确保钢材的内部质量。
四、我国钢材检测报告的标准我国钢材检测报告的标准分为国家标准和行业标准。
国家标准由国家的标准化管理委员会制定,具有强制性;行业标准由各行业协会制定,具有一定的指导性。
这些标准为钢材检测报告提供了详细的指标和规定,保障了钢材检测报告的准确性和可靠性。
五、钢材检测报告的应用领域钢材检测报告广泛应用于建筑、机械、船舶、石油、化工等行业,为这些行业提供了重要的技术支持。
在选购钢材时,用户可以根据检测报告判断钢材的质量,从而选购到符合工程需求的钢材。
六、结论钢材检测报告是评价钢材质量的重要依据,其中包含了钢材的力学性能、化学成分、工艺性能等信息。
我国已经建立了完善的钢材检测报告标准体系,为钢材的检测和应用提供了保障。
工程材料主要试验检测项目一、物理性质测试:1.密度测试:通过测量材料的质量和体积,计算出材料的密度,以评估材料的质量和性能。
2.吸水性测试:测试材料在一定时间内吸水量的变化,以评估材料的吸水性能和渗透性。
3.热膨胀系数测试:测量材料在温度变化下的长度或体积变化,以评估材料的热膨胀性。
4.热导率测试:测量材料的热导率,以评估材料的传热性能。
5.溶解度测试:测试材料在不同温度和溶剂中的溶解度,以评估材料的耐候性。
二、力学性能测试:1.强度测试:包括材料的抗拉、抗压、抗弯等强度测试,以评估材料的承载能力和抗拉伸性。
2.硬度测试:测量材料的硬度,包括布氏硬度、洛氏硬度等,以评估材料的抗刮擦性和耐磨性。
3.拉伸性能测试:测试材料在拉伸过程中的应力应变关系,以评估材料的延展性和断裂性能。
4.弯曲性能测试:测试材料在弯曲过程中的应力应变关系,以评估材料的抗弯性能和弹性模量。
5.疲劳性能测试:测试材料在交变应力作用下的耐久性能,以评估材料的使用寿命和耐久性。
三、耐久性能测试:1.酸碱腐蚀性测试:浸泡材料在酸碱溶液中,测试其质量损失和物理性能的变化,以评估材料的耐腐蚀性。
2.冻融循环性能测试:通过多次冻结和解冻的循环测试,评估材料在低温环境下的抗冻融性。
3.热循环性能测试:通过多次热膨胀和冷缩的循环测试,评估材料在高温环境下的抗热膨胀性。
4.碳化性能测试:测试材料在高温条件下的碳化程度和残留碳含量,以评估材料的耐高温性。
5.耐候性能测试:通常使用紫外线暴露测试、水分蒸发测试、盐雾测试等,评估材料在自然环境中的耐候性和抗老化性。
四、其他测试项目:1.检验组成和化学成分:通过化学分析和质谱分析等方法,检验材料的组成和化学成分。
2.显微结构观察:通过光学显微镜、电子显微镜等观察材料的内部结构和颗粒形貌,以评估材料的质量和性能。
3.摩擦磨损性能测试:测试材料在摩擦和磨损过程中的性能变化,以评估材料的耐磨性和抗磨损性。
4.导电性能测试:通过测量材料的电阻和电导率来评估材料的导电性能。
材料力学测试清单摘要:1.材料力学基本概念及重要性2.测试清单概述3.测试项目及内容4.测试方法与步骤5.结果分析与评价6.实践与应用正文:一、材料力学基本概念及重要性材料力学,又称固体力学,是研究材料在外力作用下的形变、内部应力分布及破坏规律的学科。
它在工程设计、结构分析、新材料研究等领域具有举足轻重的作用,对于保证工程安全、提高经济效益具有重要意义。
二、测试清单概述为了评估材料力学性能,通常需要进行一系列测试。
本文将介绍一个典型的材料力学测试清单,包括拉伸试验、压缩试验、弯曲试验、剪切试验等。
测试清单旨在为工程师和研究人员提供指导,以便更好地进行材料力学性能测试。
三、测试项目及内容1.拉伸试验:测试材料在拉伸过程中的应力-应变关系,评价材料的弹性、塑性及强度。
2.压缩试验:测试材料在压缩过程中的应力-应变关系,评价材料的弹性、塑性及强度。
3.弯曲试验:测试材料在弯曲过程中的应力分布及弯曲强度,评价材料的抗弯性能。
4.剪切试验:测试材料在剪切过程中的应力-应变关系,评价材料的剪切强度。
5.冲击试验:测试材料在冲击载荷下的力学性能,评价材料的韧性和脆性。
6.硬度试验:测试材料表面的硬度,评价材料的耐磨性能。
四、测试方法与步骤1.准备工作:选取合适的试样,根据标准加工试样尺寸;了解试验设备及操作方法。
2.试验操作:按照标准试验方法进行加载、测量应力和应变等参数。
3.数据采集:记录试验过程中的关键数据,如最大载荷、断裂应变等。
4.结果处理:根据实测数据,计算材料的力学性能指标,如弹性模量、屈服强度、断裂强度等。
5.结果分析:分析测试结果,评价材料的力学性能,为进一步研究提供依据。
五、结果分析与评价根据测试结果,可以对材料的力学性能进行评价。
一般情况下,材料的力学性能指标越高,说明材料在工程应用中的性能越好。
同时,可以通过对比不同材料的测试结果,筛选出更适合特定工程需求的材料。
六、实践与应用材料力学测试在工程实践中具有重要意义。
混凝土材料力学性能测试标准一、引言混凝土是建筑工程中常用的一种材料,其性能的好坏直接影响到建筑物的质量和安全。
因此,对混凝土的力学性能进行检测和评估是非常必要的。
本文将介绍混凝土材料力学性能测试的标准。
二、混凝土材料力学性能测试的标准1. 混凝土强度测试标准混凝土的强度是评估其力学性能的重要指标之一。
混凝土强度测试标准主要包括以下两种方法:(1)压缩强度测试:根据《GB/T 50081-2002 混凝土结构设计规范》和《GB/T 50080-2002 混凝土工程施工质量验收规范》的规定,采用压力机对混凝土进行压缩试验,得出混凝土的抗压强度。
(2)弯曲强度测试:根据《GB/T 50081-2002 混凝土结构设计规范》和《GB/T 50080-2002 混凝土工程施工质量验收规范》的规定,采用弯曲试验机对混凝土进行弯曲试验,得出混凝土的抗弯强度。
2. 混凝土抗拉强度测试标准混凝土抗拉强度是评估混凝土在受拉力作用下的抗性能,其测试标准主要包括以下两种方法:(1)直接拉伸法:根据《GB/T 50081-2002 混凝土结构设计规范》和《GB/T 50080-2002 混凝土工程施工质量验收规范》的规定,采用拉力机对混凝土进行拉伸试验,得出混凝土的抗拉强度。
(2)间接拉伸法:根据《GB/T 50082-2009 混凝土抗拉强度测试方法标准》的规定,采用间接拉伸试验机对混凝土进行拉伸试验,得出混凝土的抗拉强度。
3. 混凝土压缩弹性模量测试标准混凝土的弹性模量是评估其刚度的重要指标之一,其测试标准主要包括以下两种方法:(1)静力荷载法:根据《GB/T 50081-2002 混凝土结构设计规范》和《GB/T 50080-2002 混凝土工程施工质量验收规范》的规定,采用静力荷载机对混凝土进行压缩试验,得出混凝土的压缩弹性模量。
(2)动态荷载法:根据《GB/T 50081-2002 混凝土结构设计规范》和《GB/T 50080-2002 混凝土工程施工质量验收规范》的规定,采用动态荷载机对混凝土进行压缩试验,得出混凝土的压缩弹性模量。
金属材料力学性能最常用的几项指标硬度是评定金属材料力学性能最常用的指标之一。
对于金属材料的硬度,至今在国内外还没有一个包括所有试验方法的统一而明确的定义。
就已经标准化的、被国内外普通采用的金属硬度试验方法而言,金属材料硬度的定义是:材料抵抗另一较硬材料压入的能力。
硬度检测是评价金属力学性能最迅速、最经济、最简单的一种试验方法。
硬度检测的主要目的就是测定材料的适用性,或材料为使用目的所进行的特殊硬化或软化处理的效果。
对于被检测材料而言,硬度是代表着在一定压头和试验力作用下所反映出的弹性、塑性、强度、韧性及磨损抗力等多种物理量的综合性能。
由于通过硬度试验可以反映金属材料在不同的化学成分、组织结构和热处理工艺条件下性能的差异,因此硬度试验广泛应用于金属性能的检验、监督热处理工艺质量和新材料的研制。
金属硬度检测主要有两类试验方法。
一类是静态试验方法,这类方法试验力的施加是缓慢而无冲击的。
硬度的测定主要决定于压痕的深度、压痕投影面积或压痕凹印面积的大小。
静态试验方法包括布氏、洛氏、维氏、努氏、韦氏、巴氏等。
其中布、洛、维三种测试方法是最长用的,它们是金属硬度检测的主要测试方法。
而洛氏硬度试验又是应用最多的,它被广泛用于产品的检测,据统计,目前应用中的硬度计70%是洛氏硬度计。
另一类试验方法是动态试验法,这类方法试验力的施加是动态的和冲击性的。
这里包括肖氏和里氏硬度试验法。
动态试验法主要用于大型的及不可移动工件的硬度检测。
1.布氏硬度计原理对直径为D的硬质合金压头施加规定的试验力,使压头压入试样表面,经规定的保持时间后,除去试验力,测量试样表面的压痕直径d,布氏硬度用试验力除以压痕表面积的商来计算。
图1布氏硬度试验原理HB =F / S ……………… (1-1)=F / πDh ……………… (1-2)=……………… (1-3)式中:F ——试验力,N;S ——压痕表面积,mm;D ——球压头直径,mm;h ——压痕深度, mm;d ——压痕直径,mm布氏硬度计的特点:布氏硬度检测的优点是其硬度代表性好,由于通常采用的是10 mm直径球压头,3000kg试验力,其压痕面积较大,能反映较大范围内金属各组成相综合影响的平均值,而不受个别组成相及微小不均匀度的影响,因此特别适用于测定灰铸铁、轴承合金和具有粗大晶粒的金属材料。
力学性能检测
材料的力学性能是指材料在不同环境(温度、湿度、介质)下,承受各种外加载荷(拉伸、压缩、弯曲、扭转、冲击、交变应力等)时所表现出的力学特征。
材料力学性能测试
硬度、强度及延伸率、冲击韧性、压缩、剪切、扭转试验
硬度测试
布氏硬度、洛氏硬度、维氏硬度、显微硬度
强度测试
屈服强度、抗拉强度
拉伸测试依据标准:
金属:GB/T 228-02,ASTM E 8M-08,ISO 6892-2009,JIS Z 2241-98
非金属:ASTM D 638-08,GB/T 1040-06,ISO 527-96,ASTM D 5034-09,ASTM D 638-08,GB/T 1040-06,ISO 527-96
常用测试设备:
材料万能试验机,冲击试验机,疲劳试验机,全洛氏硬度计,维氏硬度计,布氏硬度计,里氏硬度计
金属力学性能测试
金属力学性能测试,对研制和发展新金属材料、改进材料质量、最大限度发挥材料潜力(选用适当的许用应力)、分析金属制件故障、确保金属制件设计合理以及使用维护的安全可靠,都是必不可少的手段(见金属力学性能的表征)。
常规测试项目
硬度(布氏硬度,洛氏硬度,里氏硬度,维氏硬度等)
常温拉伸、高温拉伸、低温拉伸
弯曲、冲击(常温冲击,低温冲击,高温冲击)疲劳
杯突、拉深与拉深载荷、锥杯、扩孔、压缩、剪切、扭转、压扁
紧固件机械性能测试及焊接板(管)机械性能(变形、断裂、粘连、蠕变、疲劳)。