施工现场原始地坪标高测量记录表
- 格式:doc
- 大小:248.50 KB
- 文档页数:3
一、实训目的本次实训的主要目的是通过对实际地坪的平整度进行测量,巩固和加深课堂所学理论知识,提高实际操作技能,培养严谨的科学态度和团队协作精神。
通过实训,掌握以下技能:1. 了解平整度的概念及其重要性;2. 熟悉平整度测量的常用方法和仪器;3. 学会运用数值高差法进行平整度测量;4. 能够分析测量结果,提出改进建议。
二、实训时间及地点实训时间:20xx年x月x日至20xx年x月x日实训地点:某工业园区地坪施工现场三、实训仪器及材料1. 仪器:水准仪、钢尺、靠尺、平板电脑、数据采集器;2. 材料:地坪施工图纸、测量记录表、平整度检测报告模板。
四、实训内容及步骤1. 实地考察:了解施工现场情况,熟悉地坪施工图纸,明确测量范围和测量要求。
2. 测量准备:检查仪器设备,确保其正常运行;准备测量记录表,记录测量数据。
3. 测量过程:(1)水准仪测量:采用水准仪对地坪进行水平测量,记录各测点的标高值。
(2)钢尺测量:用钢尺测量相邻测点之间的距离,记录数据。
(3)靠尺测量:将靠尺放置在地坪上,测量靠尺与地坪之间的间隙,记录数据。
(4)数据采集:将测量数据录入平板电脑,使用数据采集器进行整理和分析。
4. 数据处理:运用数值高差法对测量数据进行处理,计算平整度指标。
5. 分析结果:根据平整度指标,分析地坪的平整度情况,提出改进建议。
五、实训结果与分析1. 实测结果显示,该工业园区地坪的平整度较差,存在多处凹凸不平现象。
2. 分析原因:施工过程中可能存在以下问题:(1)基层处理不均匀,导致地坪基础不平整;(2)施工过程中对材料配比控制不严格,影响地坪强度;(3)施工工艺不规范,导致地坪出现裂缝、脱落等现象。
3. 改进建议:(1)加强基层处理,确保基础平整;(2)严格控制材料配比,提高地坪强度;(3)规范施工工艺,防止裂缝、脱落等现象发生。
六、实训总结通过本次实训,我们掌握了地坪平整度测量的基本方法和步骤,提高了实际操作技能。
编号:002 工程名称宜昌市点军区塘上龙悦(二期)安置房工程(2#—10#楼、村民活动礼堂及地下室)观测日期年月日观测层数:三层←↑→↓施工单位专职测量员、记录员:倪小军监理(建设)单位旁站监督人:观测点编号观测部位(柱、墙轴线等)全高检测(m) 层高检测(m)最大垂直偏差(mm)备注设计实测设计实测层高总高1 1/A轴 6.770 6.775 3.000 3.005 ←3、↓5←3、↓52 33/A轴 6.770 6。
774 3.000 3。
004 ↑3、→4←2、↓43 1/U轴6。
770 6.774 3.000 3.004 ←1、↓6↓3、←44 33/U轴 6.770 6。
773 3.000 3。
007 ↓2、←5→4、↓6观测点平面布置简图及说明:施工单位观测结果:施工单位项目专业技术负责人: 年月日监理(建设)单位核查结论:项目专业监理工程师监理项目部(章)(建设单位项目技术负责人):年月日编号:001 工程名称宜昌市点军区塘上龙悦(二期)安置房工程(2#—10#楼、村民活动礼堂及地下室)观测日期年月日观测层数:二层←↑→↓施工单位专职测量员、记录员: 倪小军监理(建设)单位旁站监督人:观测点编号观测部位(柱、墙轴线等)全高检测(m) 层高检测(m) 最大垂直偏差(mm)备注设计实测设计实测层高总高1 1/A轴3。
770 3.775 3。
770 3。
776 ←4、↓6←4、↓62 33/A轴 3.770 3.774 3.770 3.775 ↑3、→6←4、↓43 1/U轴 3.770 3.773 3.770 3。
777 ←4、↓4↓5、←64 33/U轴3。
770 3。
775 3。
770 3。
776 ↓3、←5→6、↓4观测点平面布置简图及说明:施工单位观测结果:施工单位项目专业技术负责人:年月日监理(建设)单位核查结论:项目专业监理工程师监理项目部(章)(建设单位项目技术负责人): 年月日编号:001 工程名称宜昌市点军区塘上龙悦(二期)安置房工程(2#—10#楼、村民活动礼堂及地下室)观测日期年月日观测层数:一层←↑→↓施工单位专职测量员、记录员:倪小军监理(建设)单位旁站监督人:观测点编号观测部位(柱、墙轴线等)全高检测(m)层高检测(m) 最大垂直偏差(mm)备注设计实测设计实测层高总高1 1/A轴5。
现场收方记录表范本1.什么现场收方记录和现场签证单是一回事吗签证单是因地质条件变化、建设单位要求、设计变更等因素产生的工程量增加费用,要根据实际发生工程量、工作量经监理、建设单位认可签字后,作为追加工程造价的结算依据。
收方单是指收到某一单位的某些材料或其他等东西后出具的收到的手续清单。
签证单与收方单的区别一、区分原因1.在外行人眼里变更、签证是判断企业管理优劣的标准。
有些人认为完全按图施工没有变更洽商说明图纸设计完善?设计管理到位?没有签证说明现场没有做错拆除、停工抢工等管理问题?工程管理到位。
因此给集团审计提供准确的数据是必要的。
2.变更和洽商、签证和收方在解决经济纠纷时的意义是不同的?当然纠纷很少发生但不能避免。
当然?我的解读不一定全面?还望各位领导指正。
二、收方单与签证单的区别1.收方的内容是多是施工图上有的、或根据零星委派等增加的?最终是会反应在竣工图上的。
2.签证是纯的经济资料记录的是最终不能或无法反应在竣工图上的内容抢工、停工的补偿签证——做好事实记录?在开会讨论前无效,总包、分包之间发生的争议、违约签证?如为总包实施事项?但又没及时完成?影响到分包?委派分包协助实施再从总包扣除等等类似签证。
其它如现场材料特殊情况下的转运?一般情况材料的二次及多次转运已经含在合同价中??特别说明?如遇工程施工图上原本没有,后来增加的?应以变更或洽商形式反应出来。
而不是签证。
变更、洽商是图纸的补充和完善?是图纸的一部分。
3.过程中无法确定的?与经营管理部联系?逐渐完善。
2.工程现场收方计量必须哪些单位参与技术员、施工员材料员,没有规定资料员必须参加收方工作细则(中间验收、竣工验收阶段)一、施工方案审查(前期准备阶段)二、图纸会审(前期准备阶段)三、桩基工程:1、前期准备工作:根据工程的实际情况,如场地、地质、周边环境等因数,确定进场的桩机台数及场地的具体安排,确定用水电量(及时申报合理容量的变压器及水表);确定定位点、水准点及提供研究工程地质报告和补充的钻探资料、桩位平面布置图及桩基结构施工图等;审查施工单位营业执照、资质、施工组织设计;经考核确定施工单位,签定施工承包合同。
LNG储配站工程场区标高测量方案编制人员:审批人员:编制日期:二〇一六年三月十一五日目录1总述 (1)1.1工程概述 (1)1.2施工现场条件 (1)1.3测量目的 (2)2编制依据 (2)3施工部署 (2)3.1施工总体方案设想 (2)3.2准备工作 (2)3.3组织机构图 (3)3.4主要施工机组施工及技术力量配备 .......................................................................................... 错误!未定义书签。
3.4测量机具选择配备 (4)4测量施工方案 (6)4.1测量施工工序 (6)4.2区域划分 (6)4.3区域范围测量 (6)4.4方格网划分 (7)4.5标高测量 (7)4.6整理数据绘制平面图 (8)5测量放线保证措施 (8)5.1验线 (8)5.2放线准那么 (8)5.3施工测量管理措施 (9)1总述1.1工程概述1.2施工现场条件经对现场障碍物进行测量统计,发现现场水塘7处,佛龛1处,牛棚1处,养殖场1处,水渠1处,房子8处,10KV高压线杆1处,高压线塔3处,通讯线杆3处,现场树木植被假设干。
施工现场正有施工队伍正在进行回填、清理。
1.3测量目的由于场地清理、平整单位与后续的上部结构施工单位为两个单位,为了保证后续施工的顺利进行以及后续工程量确实定,特制定本测量方案,作为初始数据。
2编制依据GB50026-2007 工程测量标准设计图纸 BT00-000-EPP-DW-0002BT00-01120-EST-SP-00053施工部署3.1施工总体方案设想按照业主要求,根据本工程的施工特点和性质,尤其针对本工程的施工环境和地理位置,参照我公司以往的施工经验,我们将合理编制进度网络方案,优化资源配置,组织有专业经验的测量人员进行场区标高的测量工作,抓住关键工序,层层把关,确保工程质量。
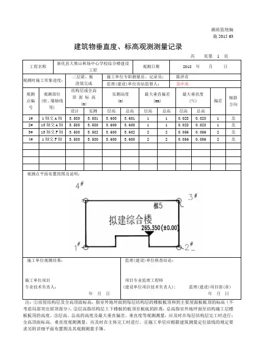
建筑物垂直度、标高观测测量记录共页第 1 页工程名称新化县大熊山林场中心学校综合楼建设工程观测日期2018 年月日观测时施工形象进度:二层梁、板浇筑完成施工单位专职测量员、记录员:陈洪有监理(建设)单位旁站监督人:吴中炎观测点编号观测部位(柱、墙轴线等)结构层或全高顶面标高(m)实测高度(m)最大垂直偏差(mm)最大垂直度(%) 偏差倾斜方向设计实测层高总高层高总高层高总高1# 1轴交A轴 3.580 3.581 3.600 3.601 1 1 0.028 0.028 1 北2# 13轴交A轴 3.580 3.580 3.600 3.600 1 1 0.028 0.028 1 北3# 13轴交F轴 3.580 3.582 3.600 3.602 2 2 0.056 0.056 2 北4# 1轴交F轴 3.580 3.580 3.600 3.600 2 2 0.056 0.056 2 北观测点平面布置简图及说明:施工单位观测结果:施工单位项目专业技术负责人:年月日监理(建设)单位核查结论:项目专业监理工程师(建设单位项目技术负责人): 监理(建设)项目部(章)年月日注:①房屋结构层及全高顶面标高,指室外地坪面到每层结构层的楼板板顶和到主要屋面板板顶的标高(不考虑局部突出屋顶部分)。
②层高指结构层上下楼板的板顶至板底的距离,总高指室外地坪面至结构施工层楼板板顶的高度。
③层高、总高的高度及最大垂直偏差、垂直度等观测测量,应及时在每层结构层完工时进行;全高顶面标高、垂直度观测测量,应及时在主体完工时进行。
④施工单位应根据建筑测量定位放线的规定要建筑物垂直度、标高观测测量记录共页第 2 页工程名称新化县大熊山林场中心学校综合楼建设工程观测日期2018 年月日观测时施工形象进度:三层梁、板浇筑完成施工单位专职测量员、记录员:陈洪有监理(建设)单位旁站监督人:吴中炎观测点编号观测部位(柱、墙轴线等)结构层或全高顶面标高(m)实测高度(m)最大垂直偏差(mm)最大垂直度(%) 偏差倾斜方向设计实测层高总高层高总高层高总高1# 1轴交A轴7.180 7.181 3.600 7.181 1 1 0.028 0.014 1 北2# 13轴交A轴 7.180 7.182 3.600 7.182 2 2 0.056 0.028 2 北3# 13轴交F轴 7.180 7.181 3.600 7.181 1 1 0.028 0.014 1 北4# 1轴交F轴7.180 7.182 3.600 7.182 2 2 0.056 0.028 2 北观测点平面布置简图及说明:施工单位观测结果:施工单位项目专业技术负责人:年月日监理(建设)单位核查结论:项目专业监理工程师(建设单位项目技术负责人): 监理(建设)项目部(章)年月日注:①房屋结构层及全高顶面标高,指室外地坪面到每层结构层的楼板板顶和到主要屋面板板顶的标高(不考虑局部突出屋顶部分)。