建筑节能工程检测项目一览表修订稿
- 格式:docx
- 大小:48.67 KB
- 文档页数:8
实体检测、节能工程必检项目根据国家标准《建筑节能工程施工质量验收规范》(GB50411—2007),对建筑节能工程的实体检验做了明确的规定,要求在建筑节能工程施工中对以下六项进行实体检验:1、外墙节能构造检验;2、外窗气密性检测;3、玻璃幕墙气密性检测;4、保温板粘结强度检测;5、锚固件拉拔力检测;6、外墙传热系数检测。
一、墙体节能构造检验1、检验方法外墙节能构造的现场实体检验采用钻芯法。
2、检验时间应在外墙施工完工后、节能分部工程验收前进行。
3、取样部位与数量(1)取样部位应由监理(建设)与施工双方共同确定,不得在外墙施工前预先确定;(2)取样位置应选取节能构造有代表性的外墙上相对隐蔽的部位,并宜兼顾不同朝向和楼层;取样位置必须确保钻芯操作安全,且应方便操作;(3)外墙取样数量为一个单位工程每种节能保温作法至少取3个芯样。
取样部位宜均匀分布,不宜在同一个房间外墙上取两个或两个以上芯样。
二、外窗气密性实体检测1、检验方法按行业标准JG/T211-2007《建筑外窗气密、水密、抗风压性能现场检测方法》进行检验。
其大致原理是:采用一套适合现场条件的支架、塑料膜等工具,在窗洞处形成一个静压箱,采用风机、压力传感器和数据采集器等组成的检验装置,自动进行外窗气密性检验。
2、检验时间应在安装完建筑外窗后、节能分部工程验收前进行。
3、取样部位与数量每个单位工程的外窗至少抽查3樘。
当一个单位工程外窗有两种以上品种、类型和开启方式时,每种品种、类型和开启方式的外窗均应抽查不少于3樘。
三、玻璃幕墙气密性检测1、检测方法(1)首先应核查幕墙的全部质量证明文件和技术性能检测报告,然后进行现场观察,及启闭可开启扇检查。
(2)在检测试验室安装制作试件进行气密性能检测。
气密性能检测试件应包括幕墙的典型单元、典型拼缝、典型可开启部分。
试件应按照幕墙工程施工图进行设计。
试样设计应经建筑设计单位项目负责人、监理工程师同意并确认。
气密性能的检测应按照国家现行有关标准的规定执行。
附件:建筑节能检测项目表序号分项工程检测内容抽检频率1 墙体节能工程(1)保温隔热材料:导热系数(热阻)、密度、压缩(抗压)强度、燃烧性能。
(2)保温砌块、构件等墙体材料、定型产品:传热(热阻)、抗压强度。
(3)隔热涂料:太阳光反射比。
(4)粘结材料:拉伸粘结强度。
(1)同厂家、同品种产品,扣除门窗洞后保温墙体面积5000m2以内抽检1次;燃烧性能每增加10000m2、其他项目每增加5000m2(不足亦按此计算),增加抽检1次;(2)同工程项目、同施工单位且同时施工的多个单位工程(群体建筑),可合并计算抽检面积。
2 幕墙(含采光屋面)节能工程(1)保温材料:导热系数(热阻)、密度、燃烧性能。
(2)玻璃:可见光透射比、传热系数、遮阳系数、中空露点。
(3)隔热型材:抗拉强度、抗剪强度。
(4)透光、半透光遮阳材料:太阳光透射比、反射比。
(1)同厂家、同品种产品,幕墙面积5000m2以内抽检1次;燃烧性能每增加10000m2、其他项目每增加5000m2(不足亦按此计算),增加抽检1次;(3)同工程项目、同施工单位且同时施工的多个单位工程(群体建筑),可合并计算抽检面积。
3 门窗节能工程(1)门窗:气密性。
(2)玻璃:遮阳系数、可见光透射比、中空露点。
(3)透光、半透光遮阳材料:太阳光透射比、反射比。
按同一厂家、同一品种、同一类型产品各抽检1次。
4 屋面节能工程(1)保温材料:导热系数(热阻)、密度、压缩(抗压)强度、燃烧性能。
(2)隔热涂料:(1)同厂家、同品种产品,扣除天窗采光顶后屋面面积1000m2以内抽检1次;每增加2000m2(不足亦按此- 1 -太阳光反射比。
计算),增加抽检1次;增加超5000m2时,每增加3000m2(不足亦按此计算),增加抽检1次;(2)同工程项目、同施工单位且同时施工的多个单位工程(群体建筑),可合并计算抽检面积。
5通风与空调节能工程(1)风机盘管机组:供冷量、供热量、风量、水阻力、功率、噪声。
A.0.1 建筑节能工程材料、设备进场检测应符合表A.0.1 旳规定。
(施工前旳见证取样复试)
表A.0.1 建筑节能工程材料、设备进场检测一览表
检2 台
地源热泵系统旳
应用建筑面积不
不小于5000㎡时,
设置一种测试孔;
地源热泵系统旳
应用建筑面积不
小于或等于5000
㎡时,测试孔旳数
量不应少于2 个。
A.0.2 建筑节能工程施工过程质量检测试验应符合表A.0.2 旳规定。
(施工中旳检测)
表A.0.2 建筑节能工程施工过程质量检测试验一览表
A.0.3 建筑节能工程实体质量检测与使用功能检测应符合表A.0.3 旳规定。
(竣工后旳检测)
表A.0.3 建筑节能工程实体质量检测与使用功能检测一览表
阐明:
1、原材料旳基本性能参数表放在每章旳第三节材料质量控制里面。
材料进场需要检查合格证和出场检测汇报。
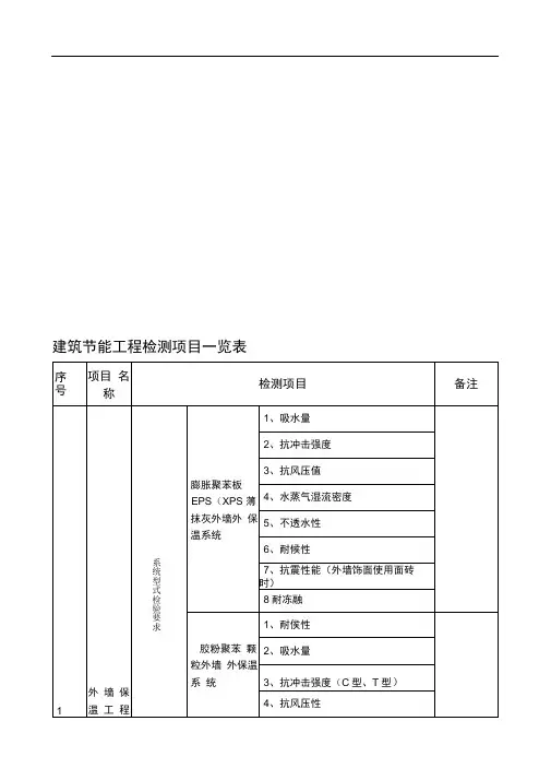
建筑节能工程检测项目一览表序号项目名称检测项目备注1 外墙保温工程系统型式检验要求膨胀聚苯板EPS(XPS)薄抹灰外墙外保温系统1、吸水量2、抗冲击强度3、抗风压值4、水蒸气湿流密度5、不透水性6、耐候性7、抗震性能(外墙饰面使用面砖时)8、耐冻融胶粉聚苯颗粒外墙外保温系统1、耐侯性2、吸水量3、抗冲击强度(C型、T型)4、抗风压性5、耐冻融6、水蒸气湿流密度7、不透水性8、耐磨损,500L砂9、系统抗拉强度(C)10、饰面砖粘结强度(T型)(现场抽测)11、抗震性能(T型)12、火反应性聚氨酯硬泡体外墙外保温系统1、耐侯性2、抗风压值3、耐冻融性能4、抗冲击强度(普通型、加强型)5、吸水量6、热阻7、抹面层不透水性8、水蒸气湿流密度原材料型式检验指标各类外墙保温系统原材料检测应符合有关产品标准要求工程见证取样复验项目膨胀聚苯板EPS(XPS)薄抹灰外墙外保温系统材料1、胶粘剂:a拉伸粘结强度(与水泥砂浆)、b拉伸粘结强度(与膨胀苯板)。
2、膨胀聚苯板:a导热系数、b表观密度、c尺寸稳定性、d氧指数、e压缩强度。
3、抹面胶浆:a拉伸粘结强度(与膨胀苯板)、b柔韧性。
4、耐碱网布:a单位面积质量、b耐碱断裂强力、c耐碱断裂强力保留率、胶粉聚苯颗粒外墙外保温系统材料1、界面砂浆:a界面砂浆压剪粘结强度(原强度、耐水)2、胶粉聚苯颗粒保温浆料:a湿表观密度、b干表观密度、c导热系数、d抗压强度。
3、抗裂砂浆:a拉伸粘结强度、b浸水拉伸粘结强度、c压折比。
4、耐碱网布:a外观、b单位面积质量(普通型、加强型)、c 断裂强力(经、纬向) (普通型、加强型)、d耐碱强力保留率(经、纬向)、e断裂伸长率(经、纬向)、f涂塑量(普通型、加强型)、g玻璃成分(二氧化锆)。
5、热镀锌电焊网:a工艺、b丝径、网孔大小、c焊点抗拉力、d镀锌层质量。
6、同条件养护试块检测:a导热系数、b密度、c抗压强度或压缩强度。
聚氨酯硬泡体外墙外保温系统材料1、外墙用(Ⅰ型)喷涂硬泡聚氨酯:a密度、b导热系数、c压缩性能(形变10%)、d尺寸稳定性(70℃,48h)、e氧指数。
民用建筑节能工程检测项目一览表民用建筑的节能工程检测是保障建筑能源效率的重要措施之一。
本文将介绍民用建筑节能工程检测的主要项目和内容。
热传导系数测定热传导系数是衡量建筑墙体、屋顶、门窗等构件隔热性能的指标。
测定热传导系数可以为建筑的节能改造提供基础数据。
热传导系数测定项目包括:•墙体热传导系数测定•屋顶热传导系数测定•门窗热传导系数测定活动面积测定活动面积是指建筑物内部有效的使用面积。
活动面积测定可以为建筑物的能耗核算提供必要的数据。
活动面积测定项目包括:•房间活动面积测定•走道、楼梯活动面积测定•公共区域活动面积测定通风量测定通风量是建筑物内部空气的流通率,对室内空气质量和机械通风节能改造效果有重要影响。
通风量测定项目包括:•自然通风量测定•机械通风量测定建筑物透过温度测定建筑物透过温度是指建筑物内外空气传递热能的速率,对建筑隔热性能的评估具有重要作用。
建筑物透过温度测定可以包括:•墙体、屋顶透过温度测定•门窗、风道透过温度测定空气净化设施性能测试空气净化设施是提供建筑物室内空气质量的关键设备之一,其性能可以通过测试来评估。
空气净化设施性能测试包括:•空气过滤器过滤效率测试•空气净化设备风量测试灯光亮度测定灯光亮度是指建筑内部照明强度,对室内舒适度和能耗改造有重要影响。
灯光亮度测定可以包括:•房间灯光亮度测定•走道、楼梯灯光亮度测定本文介绍了民用建筑节能工程检测的主要项目和内容,包括热传导系数测定、活动面积测定、通风量测定、建筑物透过温度测定、空气净化设施性能测试以及灯光亮度测定。
这些检测项目为建筑节能改造提供了基础数据,有助于提高建筑的能源效率和舒适度。
建筑工程试验检测项目及频率汇总表
建筑工程试验检测项目及频率汇总表
建筑工程试验检测项目及频率汇总表
建筑工程试验检测项目及频率汇总表
建筑工程试验检测项目及频率汇总表
建筑工程试验检测项目及频率汇总表
建筑工程试验检测项目及频率汇总表
建筑工程试验检测项目及频率汇总表
建筑工程试验检测项目及频率汇总表
建筑工程试验检测项目及频率汇总表
建筑工程试验检测项目及频率汇总表
建筑工程试验检测项目及频率汇总表
建筑工程试验检测项目及频率汇总表
建筑工程试验检测项目及频率汇总表
建筑工程试验检测项目及频率汇总表
建筑工程试验检测项目及频率汇总表
建筑工程试验检测项目及频率汇总表
建筑工程试验检测项目及频率汇总表
建筑工程试验检测项目及频率汇总表。