过热汽温控制系统
- 格式:doc
- 大小:456.50 KB
- 文档页数:11
实验三 过热汽温串级控制系统仿真实验一、实验目1.理解过热汽温串级控制系统构造构成。
2.掌握过热汽温串级控制系统性能特点。
3.掌握串级控制系统调节器参数实验整定办法。
4.分析不同负荷下被控对象参数变化对控制系统控制品质影响。
二、实验原理本实验以某300MW 机组配套锅炉过热汽温串级控制系统为例, 其原理构造图如下图所示:过热器过热器喷水减温器图3-1 过热汽温串级控制系统原理构造图由上图, 可得过热汽温串级控制系统方框图如下:扰动图3-2 过热汽温串级控制系统方框图● 主调节器在图3-2所示过热汽温串级控制系统中主调节器()1T W s 采用比例积分微分(PID )调节器, 其传递函数为:()11111111111T d p i d i W s T s K K K s T s s δ⎛⎫=++=++ ⎪⎝⎭式中: ——主调节器比例系数( );1i K ——主调节器积分系数(1111i i K δ=);1d K ——主调节器微分系数(111d d K T δ=)。
● 副调节器在图3-2所示过热汽温串级控制系统中副调节器 采用比例(P )调节器,其传递函数为:()2221T p W s K δ==● 式中: ——副调节器比例系数( )。
● 导前区对象在图3-2所示过热汽温串级控制系统中导前区对象()2W s 在50%和100%负荷下 传递函数分别为:(1)50%负荷下导前区对象传递函数: ● (2)100%负荷下导前区对象传递函数: ● 惰性区对象在图3-2所示过热汽温串级控制系统中惰性区对象()1W s 在50%和100%负荷下 传递函数分别为:(1)50%负荷下惰性区对象传递函数: (2)100%负荷下惰性区对象传递函数:三、实验环节1.在MATLAB 软件Simulink 工具箱中, 打开一种Simulink 控制系统仿真界面, 依照图3-2所示过热汽温串级控制系统方框图建立仿真组态图如下:图3-3 过热汽温串级控制系统仿真组态图惰性区对象传递函数模块建立惰性区对象传递函数为三阶惯性环节, 在组态图中采用建立子模块方式建立惰性 区对象传递函数模块。
电厂热工自动控制系统电厂热工自动控制系统单元机组的自动调节系统¾ ¾ ¾ ¾ ¾机组功率-转速调节系统汽温控制系统(过热、再热)水位控制系统(凝汽器、除氧器、汽包)燃烧控制系统(燃料、风量、炉膛压力及一、二次风配比控制)其它单回路控制系统第一部分汽温控制系统一、过热汽温控制系统1. 任务温度过高,可能造成过热器、蒸气管道和汽轮机的高压部分金属损坏;温度过低,会引起电厂热耗上升,并使汽轮机轴向推力增大造成推力轴承过载,还会引起汽轮机末级叶片蒸汽湿度增加,降低汽轮机内效率,加剧对叶片的腐蚀控制要求:最大控制偏差不超过±10℃,长期偏差不超过±5℃规定要求:2. 静态特性过热器的传热形式、结构、布置将直接影响其静态特性。
大容量锅炉一般采用对流过热器、辐射过热器和屏式过热器交替串连布置。
过热器出口温度对流式3. 动态特性蒸汽流量变化、热烟气的热量变化、减温水流量变化相同点:均为有迟延的惯性环节辐射式不同点:特性参数有较大区别蒸汽流量变化扰动下,汽温的迟延和惯性较小烟气扰动与蒸汽流量扰动相似,汽温反映较快减温水流量扰动由于管道较长,汽温反应较慢4. 控制方案串级控制导前微分控制过热器减温器出口温度TE4001TE4025末级过热器出口温度TE4024LDC指令过热器减温水阀控制逻辑静态特性:纯对流特性动态特性:更容易受负荷、燃烧工况等干扰的影响,温度变化幅度较大调节手段:烟气再循环、尾部烟道挡板、喷燃器摆角、喷水减温烟气再循环:尾部烟道烟气抽至炉膛底部,降低炉膛温度,减少炉膛的辐射传热,从而提高炉膛出口烟气的温度和流速。
使再热器的对流传热加强,达到调温的目的。
优点:反应灵敏,调温幅度大。
缺点:系统结构复杂尾部烟道挡板:尾部烟道被分割为两部分,主烟道中布置低温再热器,旁路烟道中布置低温过热器,烟气挡板布置在温度较低的省煤器下面。
优点:结构简单,操作方便缺点:调温灵敏度差,幅度小,挡板开度与汽温不成线性关系。
利用DCS的过热汽温系统控制系统设计一、集散控制系统分析集散控制系统是以微处理器为基础的集中分散控制系统。
自70年代中期第一套集散控制系统问世以来,集散控制系统己经在工业控制领域得到广泛的应用,越来越多的仪表和控制工程师已经认识到集散控制系统必将成为过程工业自动控制的主流。
集散控制系统的主要特性是它的集中管理和分散控制,而且,随着计算机技术的发展,网络技术己经使集散控制系统不仅主要用于分散控制,而且向着集成管理的方向发展。
系统的开放不仅使不同制造厂商的集散控制系统产品可以互相连接,而且使得它们可以方便地进行数据交换。
DCS集散式温度控制系统图二、DCS系统主要技术指标调研(1)操作员站及工程师站:CPU PⅢ850以上内存128M以上硬盘40G以上软驱 1.44M以太网卡INTEL 100M×2块加密锁组态王加密锁鼠标轨迹球键盘工业薄膜键盘显示器21寸显示器分辨率1280×1024过程控制站:CPU PⅢ850以上内存128M以上硬盘40G以上电子盘8M以上软驱 1.44M以太网卡INTEL 100M×1块串行通讯卡485卡×1块(可选)(2)I/O站技术指标1)EF4000网络EF-4000网络是多主站、双冗余高速网络,通信波特率为312.5K和1.25M可编程;EF4000网络配合EF4000系列测控站(前端),可以完成工业现场各类信号的采集、处理和各类现场对象的控制任务。
EF4000网络的主要技术指标如下:挂网主站数≤31挂网模块数≤100(不带网络中继器),最多240通讯速率 1.25MBPS和312.5KBPS可编程基本传输距离 1.2MBPS时≥500m,312.5KBPS时≥1600m允许中继级数≤4级双网冗余具备两个通信口互为冗余的功能网络通讯方式半双工同步传输介质聚乙稀双绞线网络隔离度≥500Vrms通信物理层全隔离、全浮空、平衡差动传输方式有效传输字节不小于34K字节/S(1.25MBPS通讯速率)2)通讯网卡主要技术参数型号EF-4000网络─ EF4001安装方式计算机PC总线扩展插槽插卡安装尺寸160×75mm宿主计算机具有AT插槽的IBM-PC及其兼容机I/O地址硬件任选100、120、140、160、180、1A0、1C0七种中断向量软件任意设定IRQ3、5、7、10、11、12、15或不使用耗电不大于1W工作方式连续可靠性指标MTBF80000Hr运行环境温度0~60C°,相对湿度≤80%3)模拟量输入前端模块型号EF4101输入通道数16路通道隔离电压400V(峰—峰值)网络隔离度≥500Vrms通道采样时间80mSA/D分辨率17位测量精度〈0.2%被测信号类型T/C、RTD、mV、mA4)模拟量输出前端模块型号EF4601输出通道数6路(全隔离)通道隔离电压500V网络隔离度≥500Vrms电压输出范围-10V ~ +10V电流输出范围0 ~ 20 mA控制精度0.2级5)数字量输入前端模块型号EF4201输入通道数28路通道隔离电压350V网络隔离度≥500Vrms计数速率≤500次/秒(低频通道)计数速率≤8000次/秒(高频通道)事件分辨率1mS(低频通道)计数长度24位(三字节)测频范围0 Hz ~ 8000 Hz(高频通道)6)数字量输出前端模块型号EF4203输出通道数16路(EF4203)通道隔离电压350V网络隔离度≥500Vrms结点开关电流≤100 mA结点开关电压≤350 V结点隔离电压≤350 V结点闭合时间≤0.6 mS结点断开时间≤0.15 ms7)执行器脉冲控制单元输出结点电压≤380 V输出结点电流≤5A系统网络采用国际上通用的Ethernet 网,通信速率为100Mbps,遵循IEEE 802.3协议。
第一部分 多容对象动态特性的求取控制对象是指各种具体热工设备,例如热工过程中的各种热交换器,加热炉、锅炉、贮 液罐及流体输送设备等。
尽管它们的结构和生产过程的物理性质很不相同,从控制的观点来 看它们在本质上有许多相似之处。
控制对象是自动控制系统中的一个重要组成部分。
它的输 出信号通常是生产过程中要求控制的被调量;它的输入信号是引起被调量变化的各种因素 (扰动作用和控制作用)。
对象的动态特性取决于它的内部过程的物理性质,设备的结构参数和运行条件等,原则 上可以用分析方法写出它的动态方程式。
但是由于一般热工对象内部过程的物理性质比较复 杂,加之运行过程中的一些实际条件很难全面予以考虑,因此用分析方法并不容易得到动态 特性的精确数学表达式。
比较常用的方法是在运行条件下通过实验来获得对象的动态特性。
根据测定到的对象阶跃响应曲线,可以把它拟合成近似的传递函数,根据阶跃响应曲线 求近似传递函数有很多方法,采用的传递函数在形式上也是各式各样 有自平衡能力的高阶对象的阶跃响应曲线如图所示:无迟延一阶对象阶跃响应曲线选定的传递函数的形式为()()1NKW S T S =+即采用一个n 阶等容惯性环节来近似表征。
上式中有三个待定的参数:放大系数K ,时间常数T 和阶数n ,传递函数的放大系数K 的求取方法按前面求取公式确定。
(1)作稳态值的渐近线y(∞),则()()0Y Y K μ∞-=∆在试验获得的阶跃响应曲线上,求得y(t 1)=0.4y(∞)及y(t 2)=0.8y(∞)时对应的时间 t 1、t 2 后,利用下式求阶数n :利用两点法公式可知(见《热工控制系统》谷俊杰,课本62 页公式):由曲线可知放大系数K ,利用两点法可确定t1,t2,利用如下公式计算对象阶次和惯性时间。
21.07510.521T N T T *⎛⎫=+ ⎪-⎝⎭122.16T T T N +≈上式求得的n 值不是整数时,应选用与其最接近的整数。
660MW超临界机组过热蒸汽温度的控制系统及运行调整摘要:大型火电站当中,一项较重要的运行调整就是过热蒸汽温度控制和调整。
过热蒸汽温度控制系统,对于火电机组热效率的提升具有重要意义,能够保障机组发电过程中所产生的热量得到应有的利用,使发电效率大大提升。
因此在本文当中就将对某火力发电企业机组过热蒸汽温度控制系统设计工作进行分析,将设计工作当中对过热蒸汽温度控制系统大延迟、大惯性以及时变性和非线性内在机理问题,进行攻克的过程进行研究,同时对过热蒸汽温度的运行调整提出相关建议。
关键词:660MW;超临界机组;过热蒸汽温度;控制:调整1.前言浙能乐清一期2*660MW超临界机组,锅炉为超临界参数变压运行螺旋管圈直流炉,单炉膛、一次中间再热、采用四角切圆燃烧方式、平衡通风、固态排渣、全钢悬吊Π型结构、露天布置燃煤锅炉。
DCS系统用的是北京ABB贝利控制系统有限公司的Industrial IT Symphony 系统。
在本文当中,将主要对机组当中的过热蒸汽温度控制系统进行研究,过热蒸汽温度控制系统主要存在大延迟,大惯性以及时变性和非线性内在机理问题,并提出相应的运行调整分析。
2.过热蒸汽温度控制系统解析2.1工艺流程分析过热器喷水减温系统工艺流程:炉膛上部布置有前屏过热器和后屏过热器,水平烟道依次布置高温再热器和高温过热器,共有二级喷水减温器,将每一级减温器都进行左右两侧均匀布置。
在第一级减温器当中,主要是将减温器布置在后屏过热器的入口处,该级减温器的喷口量达到了总设计喷水量的2/3,对第一级减温器进行控制的是两个喷嘴和调节阀门。
在第二级减温器当中,主要是将其设置在末级过热器的入口处,该级减热器喷水量达到了总设计排水量的1/3。
图一过热减温水DCS画面2.2过热汽温控制系统2.2.1减温控制系统在第一级减温控制系统(以此为例)当中,进行温度调节时的被调量是前屏过热器出口处的气温,同时该控制系统还能够保护屏式过热器的管壁不会出现温度过高的现象,并与末级过热汽温控制系统进行配合协同工作,保证整体控制系统温度得以调节。
课程设计报告(2014--2015年度第二学期)名称:控制装置与仪表A(DCS部分)课程设计题目:过热汽温控制系统组态院系:自动化系班级:测控1201班学号:201202030102学生姓名:蔡文斌指导教师:翟永杰设计周数:一周成绩:日期:2015 年7月15日报告书一、课程设计的目的与要求1.1设计目的1.了解DCS应用过程中的主要工作内容及应该注意的问题,并能根据应用目的,进行分散控制系统的设计组态、调试操作等工作。
2.以LN2000分散控制系统为平台,完成过热汽温控制系统的组态。
3.进行DCS的调试工作。
1.2主要内容本设计分为组态设计和系统调试两个部分。
1.2.1组态设计(一)系统配置组态主要是指DCS中工程师站、操作员站、控制站的主机系统配置信息及外设类型,I/O-卡件信息,电源布置,控制柜内安装接线等。
此部分内容作为了解内容,不进行具体组态。
(二)实时数据库组态数据库组态是系统组态中应尽早完成的工作,因为只有有了数据库,其他的组态工作(控制回路组态、画面组态等)才可以调试。
数据库组态一般通过专用软件进行,数据录入时一定要认真仔细,数据库中一个小的错误就会给运行带来极大的麻烦,如造成显示错误、操作不当甚至死机故障。
(三)控制算法组态控制算法组态指的是将系统设计时规定的模拟量控制、开关量控制等功能用DCS算法予以实现。
本设计以主汽温度串级控制策略为对象,并且模拟控制对象,构成闭环回路,完成这些控制算法的组态工作。
(四)操作员站显示画面组态运行人员主要通过操作员站画面来观察生产过程运行情况,并通过画面提供的软操作器来干预生产过程,因此画面设计是否合理、操作是否方便都会对运行产生重要影响。
本设计要求设计关于主汽温控制的简单流程图画面、趋势画面、参数显示画面、操作画面,并把有关的动态点同控制算法连接起来。
(五)报警显示在数据库中进行温度报警值设置,在运行界面中显示报警窗口。
本设计要求能够模拟实现超温报警。
1 蒸汽温度控制系统设计1.1 控制系统任务保证机组的安全经济运行,要求主蒸汽温度为设定值。
过热汽温调节的任务是维持过热器出口蒸汽温度再允许范围内,并且保护过热器,使管壁温度不超过允许的工作温度。
过热温度过高,可能造成过热器、蒸汽管道和汽轮机的高压部分金属损坏,因而过热温度的上限不应超过额定值5C 。
过热蒸汽温度过低,又会降低全厂的热效率并影响汽轮机的安全经济运行,因而过热汽温的下限一般不低于额定值10C 。
过热汽温的额定值通常在500C 以上。
1.2 控制系统构成控制系统的构成,主要由被控对象——过热器管道,执行机构——执行器(电动喷水阀门),检测变送组件——热电偶或温度变送器,控制系统核心部件——调节器(电动控制器)组成。
其中,被调量(测量值)——主汽温度,调节量(控制信号)——喷水流量,干扰信号——炉膛燃烧情况。
1.3 控制系统结构框图图1-1汽温控制系统结构框图1.4 控制过程简要分析当主汽温度的测量值等于设定值时,喷水阀门不动,系统处在动态平衡状态。
此时,若炉膛燃烧情况发生变化,使汽温上升,造成给定值和测量值产生偏差,则偏差信号经过控制器的方向性判断及数学运算后,产生控制信号使喷水阀门以适当形式打开,喷水量增加。
测量值最终回到设定值,系统重新回到平衡状态。
2 控制系统工作原理系统中有两个调节器,构成两个闭环回路。
内回路祸福回路,包括控制对象、副参数变送器、副调节器、执行器和喷水阀,它的任务是尽快消除减水温度的干扰,在调节过程中起初调作用;外回路或主回路,包括主对象、主参数变送器、主调节器、副回路,其作用是保持过热器出口汽温等于给定值。
主调节器接受被控量出口汽温以及给定值信号,主调的输出给定汽温与喷水减温器出口汽温共同作为副调节器输入,副调节器输出汽温信号控制执行机构位移,从而控制减温水调节阀门的张开闭合程度。
当炉膛燃烧剧烈,过热器管道过热,有喷水量的自发性增加造成干扰,如果不及时加以调节,出口温度将会降低,但因为喷水干扰引起的汽温降低快于出口汽温的降低,温度测量变送器输出的汽温信号会降低,副调节器输出也降低,通过执行器使喷水阀门开度减少,则喷水量降低,使扰动引起的汽温变化波动很快消除,从而使主汽温基本上不受影响。
NANDSB SHATSVNDMRESHO1SH1ABCDOFW107ESHAISVNCMRESHO2SHBISVNOOFW110ESHBISVNCIFW10700010X12P XMTRSH01XMTRSH02XMTRSH040010X10G 0010X12OYHPP100IFW107CIFW108BCXMTRSH05BVILCD BVILAD IFW11000010X16L 0010X16K IFW110CIFW111BCBVIRCD BVIRAD一级减温器左侧截止阀100%开启一级减温器左侧调节阀开度>5%屏过左侧入口温度变送器故障屏过左侧出口温度变送器故障一级减温器压力变送器故障主燃料跳闸蒸汽流量<10%一级减温器左侧调节阀开度>1%一级减温器左侧截止阀100%关闭一级减温器左侧流量阀关闭一级减温器左侧截止阀关闭一级减温器左侧截止阀投自动屏过右侧入口温度变送器故障一级减温器右侧截止阀100%开启一级减温器右侧调节阀开度>5%一级减温器右侧调节阀开度>1%一级减温器右侧截止阀100%关闭一级减温器右侧流量阀关闭一级减温器右侧截止阀关闭一级减温器右侧截止阀投自动一级减温器左侧截止阀没有100%开启(报警)一级减温器左侧强制切手动关闭一级减温器左/右侧调节阀MFT 或 SF < 10%打开一级减温器左侧截止阀一级减温器左侧截止阀没有100%关闭(报警)一级减温器右侧强制切手动一级减温器右侧截止阀没有100%开启(报警)一级减温器右侧截止阀没有100%关闭(报警)打开一级减温器右侧截止阀XMTRSH03屏过右侧出口温度变送器故障一级减温控制系统逻辑图设计绘图审计批准日期比例 数量图号 材料专业课程设计共5页 第2页AMRE SG 02SF 02AORMREAAORTD 5SECTD 5SECTD 5SECTD 5SECS 1 R 0ORORORANDNORNS 1R 0NNS 1 R 0S 1 R 0AND NANDNANDORORANDN3304SI 04SJ SK 0404SQ 10SE 13SE 33SA M MSR 04SD 33SC 33。
摘要过热蒸汽温度控制系统是单元机组不可缺少的重要组成部分,其性能和可靠性已成为保证单元机组安全性和经济性的重要因素。
过热蒸汽温度较高时,机组热效率则相对较高,但过高时,汽机的金属材料又无法承受,气温过低则影响机组效率。
过热蒸汽温度的稳定对机组的安全经济运行非常重要,所以对其控制有较高的要求。
但是由于过热蒸汽温度是一个典型的大迟延、大惯性、非线性和时变性的复杂系统,本次设计采用串级控制以提高系统的控制性能,在系统中采用了主控-串级控制的切换装置,使系统可以适用于不同的工作环境。
通过使用该系统,可以使得锅炉过热器出口蒸汽温度在允许的范围内变化,并保护过热器营壁温度不超过允许的工作温度。
关键词:过热蒸汽温度,减温水,串级控制系统,PIDAbstractThe superheated steam temperature control system is an important and indispensable unit aircrew part, its performance and reliability has become ensure safety and economic behavior of the unit aircrew important factors. The superheated steam temperature is higher, the thermal efficiency is relatively high, but is high, the metal materials and the turbine unable to bear, the temperature is too low will influence the unit efficiency. The superheated steam temperature stability of the unit safe and economic operation is very important, so for the control have higher requirements. But because the superheated steam temperature is a typical time-delayed, large inertia, nonlinear and changeable complex system, this design USES the cascade control in order to improve the control performance of the system, in the system by the master-cascade control of switching device, make the system can be used in different working environment. By using this system, can make the boiler overheating export steam temperature in allowed within the scope of the change, and the protection of superheater wall temperature not more than allow the camp of working temperature.Key words: the superheated steam temperature, reduce warm water, cascade control system, PID目录摘要 (I)Abstract (II)1 绪论 (1)1.1 选题的背景及意义 (1)1.2 国内外研究现状 (2)1.3 本次设计的目的 (3)1.4 本次设计所做的工作 (3)2 汽温控制系统的组成与对象动态特性 (4)2.1汽温调节的概念和方法 (4)2.1.1 从蒸汽侧调节汽温 (4)2.1.2 从烟气侧调节汽温 (6)2.2过热器的分类及其基本结构 (8)2.2.1 过热器的分类 (8)2.2.2 过热器的基本结构 (11)2.3 过热蒸汽温度控制系统的基本结构和工作原理 (12)2.3.1 过热器一级减温控制系统 (12)2.3.2 过热器二级减温控制系统 (13)2.4 过热蒸汽温度控制对象的动静态特性 (15)2.4.1 静态特性 (15)2.4.2 动态特性 (15)3 过热汽温控制系统的基本方案 (19)3.1 串级汽温控制系统 (19)3.2 串级控制系统的基本结构和原理 (19)3.3 串级汽温控制系统的设计 (21)3.4 串级汽温控制系统的整定 (22)4 器件的选型 (25)4.1 温度检测变送器的选择 (25)4.2 控制器的选型 (27)4.3 执行器的选型 (28)4.4 阀门定位器的选型 (29)5 主蒸汽温度控制系统的仿真和改进 (31)5.1 串级PID系统仿真 (31)5.2 基于Smith预估计补偿器的串级汽温控制系统 (34)5.3 基于改进型Smith预估器的串级汽温控制系统 (38)结论 (42)致谢 (43)参考文献 (44)附录 (45)附录A (45)1 绪论1.1 选题的背景及意义过热汽温的控制就是维持过热出口蒸汽温度在允许范围内,并且保护过热器,使管壁温度不超过允许的工作温度。
浅析过热汽温串级控制的控制方案早晨的阳光透过窗帘的缝隙,洒在办公室的角落,我泡了一杯清茶,打开电脑,准备开始写作。
关于过热汽温串级控制的控制方案,这个话题已经在我脑子里转了好多遍了,今天终于要把它梳理出来了。
先来说说什么是过热汽温串级控制。
简单来说,它就是通过控制过热器的出口温度,保证蒸汽温度在合理的范围内,防止过热器内部出现水滴,从而保证蒸汽质量。
那么,我们就来聊聊控制方案。
一、方案设计原则1.稳定性:确保过热器出口温度在设定值附近波动,避免出现大幅度波动。
2.可靠性:控制系统要具备较强的抗干扰能力,保证在各种工况下都能稳定运行。
3.实时性:控制系统要能够实时监测过热器出口温度,快速响应。
4.经济性:在满足控制要求的前提下,尽量降低设备成本和运行成本。
二、方案组成1.控制器:采用先进的PID控制算法,实现过热器出口温度的精确控制。
2.传感器:选用高精度的温度传感器,实时监测过热器出口温度。
3.执行器:选用快速响应的调节阀,实现对过热器入口蒸汽流量的调节。
4.人机界面:用于显示过热器出口温度、调节阀开度等参数,方便操作员实时监控。
三、控制策略1.主控制策略:采用PID控制算法,根据过热器出口温度与设定值的偏差,自动调节调节阀开度,使过热器出口温度稳定在设定值附近。
2.串级控制策略:在主控制策略的基础上,引入前馈控制。
当过热器入口蒸汽流量发生变化时,前馈控制会根据入口蒸汽流量的变化,提前调整调节阀开度,以减小过热器出口温度的波动。
3.限幅控制策略:为防止过热器出口温度过高或过低,设置上下限幅值。
当过热器出口温度超过上限幅值时,自动关闭调节阀;当过热器出口温度低于下限幅值时,自动开启调节阀。
四、实施方案1.硬件配置:根据方案组成,选择合适的控制器、传感器、执行器和人机界面等设备,进行硬件连接。
2.软件编程:根据控制策略,编写控制程序,实现过热器出口温度的自动控制。
3.系统调试:在设备安装完毕后,进行系统调试,确保控制系统稳定可靠。
第一部分 多容对象动态特性的求取
控制对象是指各种具体热工设备,例如热工过程中的各种热交换器,加热炉、锅炉、贮 液罐及流体输送设备等。
尽管它们的结构和生产过程的物理性质很不相同,从控制的观点来 看它们在本质上有许多相似之处。
控制对象是自动控制系统中的一个重要组成部分。
它的输 出信号通常是生产过程中要求控制的被调量;它的输入信号是引起被调量变化的各种因素 (扰动作用和控制作用)。
对象的动态特性取决于它的内部过程的物理性质,设备的结构参数和运行条件等,原则 上可以用分析方法写出它的动态方程式。
但是由于一般热工对象内部过程的物理性质比较复 杂,加之运行过程中的一些实际条件很难全面予以考虑,因此用分析方法并不容易得到动态 特性的精确数学表达式。
比较常用的方法是在运行条件下通过实验来获得对象的动态特性。
根据测定到的对象阶跃响应曲线,可以把它拟合成近似的传递函数,根据阶跃响应曲线 求近似传递函数有很多方法,采用的传递函数在形式上也是各式各样 有自平衡能力的高阶对象的阶跃响应曲线如图所示:
无迟延一阶对象阶跃响应曲线
选定的传递函数的形式为
()()
1N
K
W S T S =
+
即采用一个n 阶等容惯性环节来近似表征。
上式中有三个待定的参数:放大系数K ,时间常数T 和阶数n ,传递函数的放大系数K 的求取方法按前面求取公式确定。
(1)作稳态值的渐近线y(∞),则
()()
0Y Y K μ
∞-=
∆
在试验获得的阶跃响应曲线上,求得y(t 1)=0.4y(∞)及y(t 2)=0.8y(∞)时对应的时间 t 1、t 2 后,利用下式求阶数n :
利用两点法公式可知(见《热工控制系统》谷俊杰,课本62 页公式):由曲线可知放大
系数K ,利用两点法可确定t1,t2,利用如下公式计算对象阶次和惯性时间。
2
1.07510.521T N T T *⎛⎫
=+ ⎪-⎝⎭
122.16T T T N +≈
上式求得的n 值不是整数时,应选用与其最接近的整数。
某主汽温对象不同负荷下导前区和惰性区对象动态特性如下:
37%: 导前区: 2
5.1 779551
S S -++
惰性区:
8
7
6
5
4
1.051
1052513693056791485283138501091836335285032463032785717119679S S S S S
-++++
3
2
10135188895204601
S S S +++
对于上述特定负荷下主汽温导前区和惰性区对象传递函数,可以用两点法求上述主汽温 对象的传递函数,传递函数形式为()()
1N
K
W S T S =+,利用Matlab 求取阶跃响应曲线,
然后利用两点法确定对象传递函数。
Matlab 应用如下所示:
利用两点法公式可知(见《热工控制系统》谷俊杰,课本62 页公式):由曲线可知放大 系数K=5.1,利用两点法可确定t1=38.1,t2=82.5,
2
1.07510.521T N T T *⎛⎫
=+ ⎪-⎝⎭
≈2 122.16T T T N +≈
≈27.9
()()
0Y Y K μ
∞-=
∆=5.1
即可根据阶跃响应曲线利用两点法确定其传递函数:
()()
2
5.1
27.91w s s =
+
惰性区:
同理可得:
K=1.051 t1=395 t2=582 N=8 T=56.5 ()()
8
1.051
56.51w s s =+
第二部分 单回路系统参数整定
利用第一部分建立的对象传递函数,进行参数整定。
为便于分析,可以采用第一部分建 立的主汽温对象的惰性区对象(为一多容惯性环节)进行参数整定。
本指导书以第一部分整定确定的对象()()
8
1.051
56.51w s s =
+为例,进行参数整定。
一、临界比例带法确定调节器参数
采用等幅振荡法通过试凑法逐步确定等幅振荡时比例调节器的比例增益,和计算确定的 调节器参数进行比较。
对于对象()()
8
1.051
56.51w s s =
+,计算确定8
1
1.051cos 8kp π=
⎛
⎫ ⎪
⎝
⎭
将计算确定的参数kp =1.793,投入系统运行,系统结构如下图所示。
其中In1 Out1 模块如下图得到:
仿真后系统输出为:
根据等幅振荡是比例增益和系统输出曲线确定的等幅振荡周期T=760,可以查表确定当系统衰
减率φ= 0.75时调节器参数kp=0.8538 ki=0.0019kd=97.3343
根据查表确定的调节器参数,投入闭环运行,观察运行效果:
第三部分串级控制系统参数整定
一、主蒸汽温度串级控制系统参数整定
本实验以某300MW 机组配套锅炉的过热汽温串级控制系统为例,其原理结构图如下图所
示:
由上图,可得过热汽温串级控制系统的方框图如下:
图3-2 过热汽温串级控制系统方框图
在MATLAB 软件的Simulink 工具箱中,打开一个Simulink 控制系统仿真界面,根据图
3-2 所示的过热汽温串级控制系统方框图建立仿真组态图如下,其中主汽温对象选取100%负荷下的导前区和惰性区对象传递函数。
图3-3 过热汽温串级控制系统仿真组态图
上图中,惰性区对象的传递函数为:
利用选中这六个模块后,选择右键Create Subsystem 即可创建对象,惰性区对象也可
用上图中六个模块表示。
串级控制系统参数整定步骤如下:
1、首先整定内回路,即副调节器参数的整定
将图3-3 所示过热汽温串级控制系统仿真组态图中主回路反馈系数r1 设为0(即断开主回路
的反馈),同时令主调节器的比例系数1
kp=1,积分系数1
kd=0。
将阶跃信
ki=0,微分系数1
号输出模块(Step)的终值(Final value)设为过热蒸汽温度的稳态值535℃,仿真时间设为1000s,逐渐增加副调节器的比例系数2
kp,在响应曲线显示器Scope1 中观察温度t2 的变化,使温度t2 尽快达到稳定,并尽量接近稳态值419.28℃,此时的比例系数2
kp即为副调节器的比例系数为4.4457。
根据副调节器参数,投入内回路闭环运行,观察运行效果:
2、整定外回路,即主调节器参数的整定
将图3-3 所示过热汽温串级控制系统仿真组态图中主回路反馈系数r1 改为1(即将主
回路反馈投入),副调节器的比例系数2
kp保持上一步的整定参数不变,仿真时间设1000s,逐渐增加主调节器的比例系数1
kp,在响应曲线显示器Scope 中观察温度t1 的变化,直至响应曲线出现等幅振荡,记下此时的比例系数1
kp=2.02,同时通过响应曲线可以确定振荡周期Tk=220,
1kp =2.02,振荡周期Tk =220
查表即可确定调节器参数值(见谷老师热工控制系统课本177 页表6-7)。
带入以下公式即可以计算主调节器的各参数: 主调节器比例系数11 2.1kp k δ=
=0.9667;积分系数:11 1.26ki Tk k
δ=
=0.007323;
微分系数14Tk
K dl k
δ=
=31.9007
3、完成过热汽温串级控制系统的参数整定后,在1500s 时加入减温水扰动,即将阶跃信
号输出模块(Step1)的响应时间(Step time)设为1500,终值(Final value)设为2500,仿真后在响应曲线显示器Scope 中观察减温水量增加后对过热蒸汽温度t1 的影响。
观察运行效果:
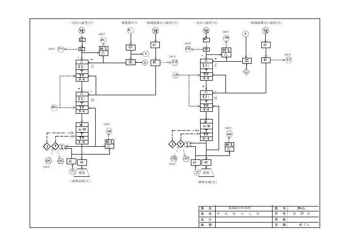
第四部分某电厂热工系统SAMA图分析
对汽包锅炉给水控制系统SAMA图分析,根据自己的理解画出其结构简图。
如图所示:
总结
通过对过热汽温控制系统的分析与研究,了解到了过热汽温控制的原理以及相关设备的特点并且对系统的组成有一定的了解。
再对锅炉给水控制系统的读图中,又对锅炉给水系统的工作原理及系统组成有所掌握。
达到了实验的预期目的。
参考文献:
[1]单元机组协调控制,谷俊杰、彭学志、鲁许鳌[编],华北电力大学
[2]热工控制系统,谷俊杰、彭学志、朱予东、周俊霞[编] ,华北电力大学。