不锈钢细长轴磨削加工的工艺改进
- 格式:pdf
- 大小:208.05 KB
- 文档页数:3
磨削工艺的优化与改进为了适应不断发展的工业需求,磨削技术在制造业中扮演着重要的角色。
磨削是一种通过磨削轮与工件的相对运动,去除工件表面的不规则部分,达到提高工件精度和表面质量的目的。
然而,随着产品复杂性的增加和质量要求的提高,传统的磨削工艺在面对一些新型材料和高精度要求时显得效率低下、技术单一。
传统磨削过程中存在着磨削轮的磨损、加工精度降低、工作效率低下等问题,需要通过改进优化工艺来提高生产效率和产品质量。
首先,在磨削工艺方面,可以通过选择合适的磨削轮来改善加工精度。
磨削轮的选择应根据工件材料和要求来确定。
例如,在对脆性材料的磨削时,选择具有良好自磨削能力和抗冷热疲劳性能的磨削轮,可以减小工件表面的热影响区和热应力区,提高工件表面质量。
此外,为了提高磨削轮的使用寿命,可以在磨削过程中采用适当的冷却液,降低磨削轮的温升和磨削轮与工件的摩擦系数,减少磨损。
其次,磨削工装的设计也是优化磨削工艺的关键之一。
磨削工装的设计应根据工件形状和磨削要求来确定。
例如,对于复杂形状的工件,可以设计出适合的磨具夹具,减少工件因磨具变形而导致的磨削误差。
此外,磨削工装的制造材料也应选择具有良好的刚度和耐磨性能,提高工装的稳定性和寿命。
此外,在磨削参数的选择上也是需要优化的。
磨削参数的选择应根据工件材料、磨削轮材料、磨削轮粒度、工作速度等因素来确定。
过大或过小的磨削压力都会影响磨削效果,而过大的磨削速度可能会产生过高的热量,从而降低磨削质量。
因此,在确定磨削参数时,需要综合考虑各种因素,通过试验和分析来找到最佳的磨削参数组合。
值得一提的是,近年来,随着人工智能和自动化技术的发展,磨削工艺也得到了进一步优化。
通过加入自动感测装置和控制系统,可以实现对磨削过程的自动监测和控制。
例如,通过对磨削力、温度和表面质量等参数的实时监测,可以及时调整磨削参数,提高加工精度和效率。
总之,磨削工艺的优化与改进对于提高产品质量和生产效率至关重要。
磨削加工技术的改进引言磨削加工是一种常见且重要的金属加工工艺,广泛应用于各个行业,尤其是机械制造领域。
磨削加工旨在通过研磨工具与工件的相对运动,从而得到具有精密尺寸和良好表面质量的零件。
然而,传统的磨削加工技术存在一些问题,例如加工效率低、工件表面质量难以满足要求等。
为了提高磨削加工的效率和质量,人们不断进行技术改进和创新。
本文将介绍几种常见的磨削加工技术的改进方法。
1. 高速磨削技术传统磨削加工使用低速磨削,由于磨粒与工件之间的相对速度较小,加工效率较低。
为了提高加工效率,人们提出了高速磨削技术。
高速磨削利用高速旋转的砂轮,使磨粒与工件之间的相对速度增大,从而加快材料的去除速度。
同时,高速磨削还可以减少切削热量的积累,降低工件的热变形风险。
因此,高速磨削技术可以显著提高磨削加工的效率和质量。
2. 纳米磨削技术传统磨削加工存在着一些难以解决的问题,例如工件表面质量不佳、精度难以保证等。
为了提高工件的表面质量和精度,人们引入了纳米磨削技术。
纳米磨削技术是利用纳米尺度的磨粒进行加工,可以有效地去除工件表面的缺陷和毛刺,并减少磨削加工对工件的变形影响。
通过纳米磨削技术,工件的表面粗糙度和平行度可以得到显著改善,最终实现高精度加工。
3. 超声波磨削技术超声波磨削技术是一种结合了超声波振动和磨削的加工方法。
通过施加超声波振动,可以使磨粒与工件之间发生微小的振动,进一步改善磨削加工的质量。
超声波磨削技术可以有效地减小磨削力和磨粒与工件之间的压力,降低切削热量的积累,从而减少工件的热变形和表面损伤。
此外,超声波磨削技术还能提高磨削液的渗透性和冷却性能,进一步改善磨削加工的效果。
4. 智能磨削技术随着智能制造的发展,智能磨削技术逐渐应用于磨削加工领域。
智能磨削技术利用传感器、控制系统和人工智能算法等先进技术,实现对磨削加工过程的实时监控和控制。
通过对加工参数、工艺状态和材料特性等信息的综合分析,智能磨削技术可以自动调整磨削参数,优化磨削加工的效果。
不锈钢的磨削问题及解决方案不锈钢是指在大气中或在某些腐蚀性介质中具有一定的耐腐蚀能力的钢种。
因为具有这些优点而被广泛应用于现在社会的不同行业。
一:不锈钢的分类:马氏体不锈钢(常用牌号有1Cr13、2Cr13、8Cr13、1Cr17Ni2等)铁素体不锈钢(常用牌号有0Cr13、1Cr14S、1Cr17、1Cr17Ti等)奥氏体不锈钢(常用牌号有1Cr18Ni9Ti、0Cr18Ni9、1Cr18Ni9等)奥氏体—铁素体不锈钢(常用牌号有1Cr18Ni11Si4AlTi、0Cr21Ni5Ti等)沉淀硬化型不锈钢(常用牌号有0Cr17NiCu4Nb、0Cu17Ni7Al、0Cr15Ni7Mo2Al等)按成分可分为:Cr系(SUS400)、Cr-Ni系(SUS300)、Cr-Mn-Ni(SUS200)、硬化系(SUS600)二.磨削不锈钢中的特点:1.不锈钢的韧性大,热强度高,而砂轮磨粒的切削刃具有较大的负前角,磨削过程中磨屑不容易被切离,切削阻力大,挤压、摩擦剧烈。
单位面积磨削力很大,磨削温度可达1000℃~1500℃。
同时,在高温高压的作用下,磨屑易粘附在砂轮上,填满磨粒问的空隙,使磨粒失去切削作用。
不锈钢的类型不同,产生砂轮堵塞的情况也不相同,如磨削耐浓硝酸不锈钢及耐热不锈钢,粘附、堵塞现象比1Cr18NiTi严重,而1Cr13、2Cr13等马氏体不锈钢就比较轻。
2.不锈钢的导热系数小,磨削时的高温不易导出,工件表面易产生烧伤、退火等现象,退火层深度有时可达0.01~0.02 mm。
磨削过程中产生严重的挤压变形,导致磨削表面产生加工硬化,特别是磨削奥氏体不锈钢时,由于奥氏体组织不够稳定,磨后易产生马氏体组织,使表面硬化严重。
3.不锈钢的线膨胀系数大,在磨削热的作用下易产生变形,其尺寸难以控制。
尤其是薄壁和细长的零件,此现象更为严重。
4.多数类型的不锈钢不能被磁化,在平面磨削时,只能靠机械夹固或专用夹具来夹持工件,利用工件侧面夹紧工件,产生变形和造成形状或尺寸误差,薄板工件更为突出。
2020年第4期提高细长轴加工精度的改进措施杨校可(平顶山技师学院,河南平顶山467000)摘要:加工细长轴时,由于长径比大于25,刚度很差,在切削过程中及易产生变形与振动,并且切削时间长、刀具磨损大,难以获得良好的加工精度和表面质量。
因此,对细长轴的加工研究具有非常重要的意义。
关键词:细长轴加工;误差;改进方法1细长轴加工难度[1]1.1极易产生弯曲变形与振动工件长度与直径之比大于25的轴称为细长轴。
细长轴零件因为长径比大、刚性差,在加工过程中因为切削力、重力、夹紧力等力的作用下,产生弯曲变形,改变刀具与工件之间正确的位置,从而产生加工变形,影响零件的加工质量。
1.2热变形切削加工细长轴时,由于切削热的作用,工件在加工过程中会产生热变形。
在实践中,我们常把内孔外圆表面作为受热近似均匀的工件。
加工外圆表面时,假如工件温升基本相等,材料也一样的话,其热伸长量由工件的长度决定。
特别是细而长的工件,热变形伸长量特别突出。
当轴的两端采用固定支撑时,细长轴将产生热变形。
特别是主轴转速较高的情况下,由于轴弯曲而产生的离心力会进一步加大其变形程度。
1.3刀具磨损对细长轴的切削加工中,由于轴向长度大,进给量取值小,刀具连续工作时间很长,随着切削时间的增加,刀具磨损大,造成加工后的工件产生锥度误差。
1.4对操作者的技能水平要求高细长轴难加工,操作者要能够做到合理选择刀具、辅助工具、机床、切削用量以及的工艺安排,所以对其要求较高。
2细长轴加工常见误差在加工细长轴过程中,由于交变冲击式切削力和离心力作用,将会产生强烈振动。
使得整个工艺系统各个接触部位的接触刚度与机械性能产生变化。
切削加工细长轴时,由于受到切削力、重力、离心力、切削热等综合因素影响使工艺系统各接触部位的刚度和机械性能发生变化,使得切削区域(包括跟刀架支撑爪部位)发生异常现象,从而使得细长轴产生各种形状误差。
常见误差如下两种:(1)竹节形缺陷。
如图1所示,产生竹节形误差的原因是使用跟刀架后,支撑爪对零件施加了不合适的压力。
细长轴磨削技巧细长轴磨削技巧包括以下几点:1. 改进工件的装夹方法:粗加工时,由于切削余量大,工件受的切削力也大,一般采用卡顶法,尾座顶尖采用弹性顶尖,可以使工件在轴向自由伸长。
精车时,采用双顶尖法(此时尾座应采用弹性顶尖)有利于提高精度。
2. 采用跟刀架:跟刀架是车削细长轴极其重要的附件。
采用跟刀架能抵消加工时径向切削分力的影响,从而减少切削振动和工件变形,但必须注意仔细调整,使跟刀架的中心与机床顶尖中心保持一致。
3. 采用反向进给:车削细长轴时,常使车刀向尾座方向作进给运动(此时应安装卡拉工具),这样刀具施加于工件上的进给力方向朝向尾座,因而有使工件产生轴向伸长的趋势,而卡拉工具大大减少了由于工件伸长造成的弯曲变形。
4. 采用车削细长轴的车刀:车削细长轴的车刀一般前角和主偏角较大,以使切削轻快,减小径向振动和弯曲变形。
粗加工用车刀在前刀面上开有断屑槽,使断屑容易。
精车用刀常有一定的负刃倾角,使切削流向待加工面。
5. 使用中心架支承细长轴:中心架直接支承在工件中间,当工件可以分段车削时,在毛坯中部车处一段支承中心架的沟槽,其表面粗糙度值小,同轴度公差小,保持与车床旋转中心同轴。
6. 使用跟刀架支承细长轴:两爪跟刀架,跟刀架跟随车刀移动,车刀给工件的切削抗力,使工件贴在跟刀架的两个支承爪上,减少变形。
7. 优化磨削参数:针对不同的材料和工件尺寸选择合适的磨削参数,如砂轮粒度、转速、磨削深度等。
8. 控制冷却液的使用:使用适量的冷却液可以减少热量产生和工件变形。
9. 遵循加工步骤:按照合理的加工步骤进行磨削,避免因重复定位或装夹导致误差。
10. 提高操作技能:操作员应具备熟练的操作技能和高度的责任心,避免因操作失误导致工件损伤或质量不合格。
以上是细长轴磨削的一些技巧和注意事项,供您参考。
如需了解更多信息,建议咨询专业技术人员或查阅专业书籍。
如何提高细长轴车削的精度罗田何新山【内容提要】细长轴在机械工业中应用较为广泛,虽然它的外形并不复杂,但由于其身刚度低(长径比越大,刚度越低),车削时受切削刀、重力、切削热等因素的影响,容易发生弯曲变形,产生振动、锥度、腰鼓形和竹节形等缺陷,难以保证加工精度和达到使用的性能,从而使细长轴的车削成为难度较大的加工工艺。
本文对细长轴的定义、车削精度的提高、车削需注意的问题及预防措施四个方面提出了个人的看法,以供读者参考。
【关键词】细长轴车削精度提高一、细长轴的定义通常将工件长度L与直径D之比,(即长径比)大于25(L/d>25)的轴类零件称为细长轴。
二、车削精度的提高针对加工的实际,要提高细长轴车削的精度,可以从一下四个方面进行:1、用中心架支撑车细长轴中心架是车床的附件,在车刚度低的细长轴,或是不能穿过车床主轴孔的粗长工件以及孔与外圆同轴度要求较高的较长工件时,往往采用中心架来增强刚度、保证同轴度。
工作时架体通过压板和螺母紧固在床身上,上盖和架体用圆柱销作活动连接,为了便于装卸工件,上盖可以打开或扣合,并用螺钉锁定,三个支撑爪的升降分别用三个调整螺钉来调整,以适应不同直径的工件,并分别用三个坚固螺钉锁定。
中心架的支撑爪是易损件,磨损后可以更换,其材料应选用耐磨性好、不易研伤工件的材料,通常采用青铜,球墨铸铁、胶木、尼龙1010等材料。
1)装夹工件的方法使用中心架支撑车细长轴的关键是使中心架与工件表面接触的三个支撑爪所决定的圆,其圆心必须在车床主轴的回转轴线上。
车削时,工件一般采用两顶尖装夹或一夹一顶方式装夹:两顶尖装夹工件先在工件中部中心架支撑部位用低速、小进给量的切削方法车出一段沟槽,沟槽直径应略大于该处工件要求的尺寸,沟槽宽度应宽于支撑爪,沟槽应有较小的表面粗糙度值(RA值为1.6μm)和较高的形状精度(圆度误差小于0.05mm),然后装上中心架,在开车时按A→B→C的顺序调整中心架的三个支撑爪,使它们与沟槽的槽底圆柱表面轻轻接触。
不锈钢轴承座零件加工工艺优化不锈钢轴承座是一种重要的机械零件,广泛用于各种机械设备中。
其制造工艺的优化对于提升产品的质量、降低成本、提高生产效率具有重要意义。
针对不锈钢轴承座的加工工艺进行优化,可以从以下几个方面入手。
一、优化机械加工工艺不锈钢的机械加工相对而言会比较困难,因此需要采用更加先进的机械加工设备和工艺技术。
具体来说,可以采用高速铣床或开发CNC加工中心等自动化加工设备,以提高加工精度和效率。
同时,还可以优化加工方案,采用多道次的铣削、车削等加工方法,以提高零件的表面质量和尺寸精度。
二、优化切削刀具选型针对不锈钢轴承座的加工,切削刀具的选用也是至关重要的。
不锈钢的切削特性需要采用硬质合金刀具,能够提供高速、高精度的加工效果。
此外,还需要注意刀具的精度、振动补偿等特性,以避免刀具的磨损和损坏,从而导致零件的质量问题。
加工工艺参数对于零件的质量和生产效率造成影响。
在针对不锈钢轴承座的加工过程中,需要优化加工工艺参数,如进给速度、切削深度、切削速度等,以确保加工的质量和生产效率。
建议使用专业的加工软件进行模拟和优化,避免修改过程中对零件的影响。
四、加强工艺控制不锈钢轴承座零件由于材料本身的性质比较特殊,因此在加工过程中需要进行严格的质量控制,确保产品符合要求。
在加工过程中,应加强工艺控制,尽可能减少加工误差和飞边,避免产生不良的影响。
同时,加强流程控制、质量检查等环节,以保证零件的质量和一致性。
综上所述,针对不锈钢轴承座零件的加工工艺,可以从优化机械加工工艺、优化切削刀具选型、优化加工工艺参数、加强工艺控制等方面进行优化,以提高产品的质量和生产效率,降低成本。
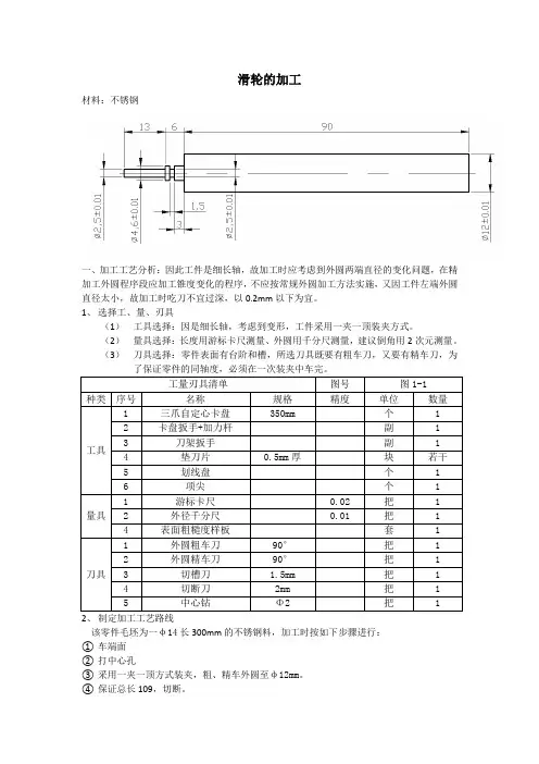
滑轮的加工材料:不锈钢一、加工工艺分析:因此工件是细长轴,故加工时应考虑到外圆两端直径的变化问题,在精加工外圆程序段应加工锥度变化的程序,不应按常规外圆加工方法实施,又因工件左端外圆直径太小,故加工时吃刀不宜过深,以0.2mm以下为宜。
1、选择工、量、刃具(1)工具选择:因是细长轴,考虑到变形,工件采用一夹一顶装夹方式。
(2)量具选择:长度用游标卡尺测量、外圆用千分尺测量,建议倒角用2次元测量。
(3)刀具选择:零件表面有台阶和槽,所选刀具既要有粗车刀,又要有精车刀,为工量刃具清单图号图1-1种类序号名称规格精度单位数量工具1 三爪自定心卡盘350mm 个 12 卡盘扳手+加力杆副 13 刀架扳手副 14 垫刀片0.5mm厚块若干5 划线盘个 16 项尖个 1量具1 游标卡尺0.02 把 12 外径千分尺0.01 把 1 4 表面粗糙度样板套 1刀具1 外圆粗车刀90°把 12 外圆精车刀90°把 13 切槽刀 1.5mm 把 14 切断刀2mm 把 15 中心钻Φ2 把 1该零件毛坯为一φ14长300mm的不锈钢料,加工时按如下步骤进行:①车端面②打中心孔③采用一夹一顶方式装夹,粗、精车外圆至φ12mm。
④保证总长109,切断。
⑤用铜皮包住已车外圆,采用三爪卡盘装夹,伸出23mm。
⑥车台阶轴⑦换切槽刀切1.5mm的槽。
⑧松开三爪,至此工件加工完毕。
3、选择合理的切削用量加工材料为不锈钢,因此工件是细长轴,加工时吃刀量不宜过深,否则容易因切削力过大而引起工件顶弯的现象。
二、编写参考程序。
细长轴类零件的加工与技术改进作者:邵加发来源:《中国新技术新产品》2012年第15期摘要:长径比大于25的轴称为细长轴,细长轴最大特点是刚性很差,在加工中产生的切削力、工件重力以及旋转时的离心力、切削热、振动等因素将使工件产生弯曲变形、热变形、形状误差及表面粗糙值大等现象。
本文结合前人的基础上介绍一种新的加工方法:一夹一拉加工法,通过这种加工方法可以加工出长径比大于100的细长轴类零件。
关键词:细长轴;长径比;加工;一夹一拉中图分类号: TH13 文献标识码:A一、发现问题2008年我在企业里上班,是一名质管技术科员,一天在处理一批产品质量问题时发现:该零件在加工完后发现都存在误差现象,都没有达到所要求的尺寸、形位公差。
通过计算,此工件长径比为60,此零件属于细长轴。
于是我就在不停思考:怎样才能使零件加工符合要求呢?二、分析问题由于此零件的长径比很大,刚性差,在车削时,受切削力、装夹力、自身重力、切削热、振动等因素的影响。
容易出现以下问题:①切削时产生的径向切削力与装夹径向分力的合力。
会使工件弯曲,工件旋转时引起振动,从而影响加工精度和表面质量。
②工件转速高时,由于离心力的作用。
加剧了工件的弯曲和振动。
③由于工件自重变形而加剧工件的振动(自振),影响加工精度和表面质量。
三、解决问题3.1合理选择车刀几何形状根据细长轴刚性差、易变形的特点,要求车削细长轴的车刀(图1【3】须具有在车削时径向力小、车刀锋利和车出工件表面粗糙度值小的特点。
(1)主偏角 :主偏角对振动强度的影响如图3示,当切削深度和进给量不变时,随主偏角的增大,振幅将逐渐减小,这是由于径向切削力减小了。
在粗车削细长轴时取κг=75°~80°,精车时取κг=85°~90°的刀具进行切削,可避免或减小振动。
(2)前角r0:前角r0:对振动的影响如图2,随前角的增大,振动随之下降,但在切削速度较高的范围内,前角对振动的影响将减弱。
不锈钢细长轴的加工工艺作者:代志海姜思进来源:《职业·下旬》2011年第10期铬镍不锈钢细长轴加工易弯曲并形成鼓形零件,工件加工精度及表面质量难保证,故加工不锈钢细长轴的关键工艺是控制尺寸精度、表面质量及变形。
一、铬镍不锈钢的特性1.不锈钢(1Cr18Ni9Ti)塑性大不锈钢(1Cr18Ni9Ti)塑性大,其伸长率超过45钢2倍以上,切削时塑性变形大,加上加工硬化大,剪切滑移区金属材料的剪切应力增大,故总的切削力增大。
2.不锈钢(1Cr18Ni9Ti)切削温度高,刀具易磨损切削不锈钢时,切削温度比切削45钢高200℃~300℃。
主要原因一是切削力大,消耗功率多;二是不锈钢的导热差,其热导率只有45鋼的1/3,由切削带走的热量很少,切削热导很慢,使切削区和刀面上的温度很高,加之不锈钢材料中的高硬度碳化物(TiC)形成的硬度点对刀面的磨损以及加工硬化等原因,使刀具极易磨损。
3.容易粘刀和形成积屑瘤因为不锈钢的塑性高,粘附性强,极易形成积屑瘤,严重影响已加工表面质量,难以得到光洁表面。
4.切屑不卷曲和折断由于不锈钢的塑性高,韧性大且高温度强度大,切时切屑不易折断。
对工人有安全隐患,故解决断屑和排屑是切削不锈钢的难题之一。
5.不锈钢的线膨胀系数大不锈钢的线膨胀系数大(约为45钢的1.5倍),加工时热膨胀和热变形对工件加工精度产生影响。
二、不锈钢细长轴的工艺特点分析不锈钢细长轴刚性差,变形严重。
在切削过程中,工件在切削力、自重、离心力和切削热的作用下,会发生变形,严重影响加工精度,工件容易报废。
并且由于行程长,刀具磨损快,表面质量难以控制。
只要降低切削力,增加工件刚性,严重控制刀具磨损,降低切削热,解决工件受热变形、刚性变形、表面粗糙度升高等问题,就可以保证不锈钢细长轴的加工精度。
三、加工不锈钢细长轴的新工艺1.刀具材料刀具材料应选择热硬性高、耐磨性高、抗热振动好的材料。
粗加工选用硬质合金牌号YS2、YG8N、YG640、YG530、YG8A等,因为它们是耐磨性、抗振性、抗冲击性、抗热振性好的材料。
OCCUPATION2011 10162不锈钢细长轴的加工工艺文/代志海 姜思进铬镍不锈钢细长轴加工易弯曲并形成鼓形零件,工件加工精度及表面质量难保证,故加工不锈钢细长轴的关键工艺是控制尺寸精度、表面质量及变形。
一、铬镍不锈钢的特性1.不锈钢(1Cr18Ni9Ti)塑性大不锈钢(1Cr18Ni9Ti)塑性大,其伸长率超过45钢2倍以上,切削时塑性变形大,加上加工硬化大,剪切滑移区金属材料的剪切应力增大,故总的切削力增大。
2.不锈钢(1Cr18Ni9Ti)切削温度高,刀具易磨损切削不锈钢时,切削温度比切削45钢高200℃~300℃。
主要原因一是切削力大,消耗功率多;二是不锈钢的导热差,其热导率只有45钢的1/3,由切削带走的热量很少,切削热导很慢,使切削区和刀面上的温度很高,加之不锈钢材料中的高硬度碳化物(TiC)形成的硬度点对刀面的磨损以及加工硬化等原因,使刀具极易磨损。
3.容易粘刀和形成积屑瘤因为不锈钢的塑性高,粘附性强,极易形成积屑瘤,严重影响已加工表面质量,难以得到光洁表面。
4.切屑不卷曲和折断由于不锈钢的塑性高,韧性大且高温度强度大,切时切屑不易折断。
对工人有安全隐患,故解决断屑和排屑是切削不锈钢的难题之一。
5.不锈钢的线膨胀系数大不锈钢的线膨胀系数大(约为45钢的1.5倍),加工时热膨胀和热变形对工件加工精度产生影响。
二、不锈钢细长轴的工艺特点分析 不锈钢细长轴刚性差,变形严重。
在切削过程中,工件在切削力、自重、离心力和切削热的作用下,会发生变形,严重影响加工精度,工件容易报废。
并且由于行程长,刀具磨损快,表面质量难以控制。
只要降低切削力,增加工件刚性,严重控制刀具磨损,降低切削热,解决工件受热变形、刚性变形、表面粗糙度升高等问题,就可以保证不锈钢细长轴的加工精度。
三、加工不锈钢细长轴的新工艺 1.刀具材料 刀具材料应选择热硬性高、耐磨性高、抗热振动好的材料。
粗加工选用硬质合金牌号YS2、YG8N、YG640、YG530、YG8A等,因为它们是耐磨性、抗振性、抗冲击性、抗热振性好的材料。
细长轴的车削工艺的改进措施摘要:本文指出了细长轴车削过程中存在的问题,通过理论与实践的结合摸索出一套车削细长轴的有效工艺措施,同时也提出了加工时的注意事项,从而车削出尺寸精度、形位公差和表面粗糙度较高的细长轴。
关键词:细长轴车削;工艺措施;刀具;车削方法1.细长轴车削加工存在的问题虽然细长轴的形状不复杂,但由于其本身刚性差,因此,在车削过程中会出现以下问题:(1) 由于工件受切削力、重力和离心惯性力的作用,会产生弯曲变形,所以加工后的圆柱度误差较大,达不到图样和使用要求。
(2) 车削过程中易产生切削振动,很难保证工件的表面粗糙度要求。
(3) 在车削过程中,由于切削热的影响,细长轴随温度升高而产生较大的热变形伸长量,很难继续进行车削,严重时细长轴会被卡死而无法加工。
2.细长轴车削的有效工艺措施虽然车削细长轴的难度较大,但如果有效地装夹定位工件、正确地采用切削方法、合理地选择刀具,就能降低切削温度、减少热变形,从而获得满意的加工效果。
(1) 工件装夹定位方法为了防止出现细长轴车削加工存在的问题,工件在装夹定位时,应采取以下方法:① 为了避免工件在车削过程中被卡爪卡死及夹紧时形成弯曲力矩,应在卡盘的每只卡爪下面横向垫入Φ3~Φ5mm的钢条,夹入长度为15~20mm,从而使卡爪夹持工件变为线接触,使工件在卡盘内能自由调节其位置。
②使用弹性回转顶尖,在工件受切削热而膨胀伸长时,顶尖能轴向压缩,避免工件弯曲变形。
③为了增加工件的刚性,在工件中间安装中心架。
④ 为了减少工件因离心惯性力的作用而产生切削振动,可用三只支承爪的跟刀架支承工件,三只支承爪为圆弧形,其圆弧半径与工件外圆配研,圆弧宽度为工件直径的1.2~1.5倍。
工件只能绕轴线旋转,有效地减少了切削振动和弯曲变形。
(2)正确的车削方法为了消除工件在切削过程中产生的热膨胀伸长量,我们应该采用正确的进给方法和合理的切削用量。
① 采取反向进给车削方法,即从卡盘端向尾座端进给车削,从而使工件受轴向力后,能向弹性顶尖处伸缩,减小车削变形。
不锈钢轴承座零件加工工艺优化
在不锈钢轴承座零件加工过程中,首先要确保选用合适的不锈钢材料。
常用的不锈钢
材料有304、316等,这些材料具有耐腐蚀、耐高温等特点,适用于各种恶劣工作环境,选择合适的材料可以提高轴承座的使用寿命。
要仔细设计不锈钢轴承座的工艺流程。
在零件的加工过程中,要根据实际情况对加工
工序进行合理的安排,避免多次夹紧和脱开,以减少加工误差。
在加工过程中要注意测量
和定位的准确性,以保证零件的尺寸精度。
在不锈钢轴承座的加工过程中,还要注意加工刀具的选择和使用。
由于不锈钢材料的
硬度较高,因此需要选用合适的刀具进行加工,如硬质合金刀具。
在切削过程中要控制好
进给速度和切削深度,避免过热和刀具磨损过快。
在加工过程中要注意刀具的冷却和润滑,以防止切削过程中产生的高温对刀具的损坏。
可以使用冷却液和润滑液对切削区进行冷却和润滑,同时也能够减少切削过程中产生的摩
擦和磨损。
在不锈钢轴承座的加工过程中,要根据具体情况进行合理的检测和修整。
加工完成后,要对零件的尺寸和质量进行检测,以确保其符合要求。
对于加工过程中出现的问题和不良
情况,要及时进行修整和调整,以提高加工质量。
对不锈钢轴承座零件加工工艺进行优化,可以提高加工质量和效率,延长轴承座的使
用寿命。
在加工过程中要选用合适的材料和刀具,合理设计工艺流程,注意刀具的冷却和
润滑,以及进行合理的检测和修整。
只有全面考虑这些因素,才能够达到良好的加工效
果。
不锈钢轴承座零件加工工艺优化不锈钢轴承座零件是机械零件中常见的一种,在工程实践中应用广泛,因其耐腐蚀、抗氧化、强度高等特点,被广泛用于石油、化工、医药、食品等领域中的大量设备和机械上。
加工不锈钢轴承座零件是一项复杂的工作,需要精细的工艺和技术才能准确地生产出符合要求的零件。
因此,本文将重点讨论不锈钢轴承座零件加工的工艺优化。
一、材料选择不锈钢轴承座零件的加工材料要符合工业生产标准,并且具备足够的耐腐蚀、抗氧化、强度等特点。
目前较常用的不锈钢材料有304、316、316L等,而在工艺设计中需要根据具体的工作条件选择不同的材料。
在进行加工前,首先需要对材料进行彻底的表面清洁,以避免杂质、污渍等带来不必要的加工难度和损失。
二、工件加工在加工不锈钢轴承座零件时,需要遵循一定的工艺流程,如下所示:1. 加工前检查:对工件进行一遍检查,确保没有明显的缺陷和瑕疵。
2. 粗加工:对工件进行下料、粗车、粗铣、粗磨等处理,确保工件形状达到标准要求。
3. 中加工:对工件进行扩孔、挖槽、镗孔、切削等操作,逐步将工件加工为最终形状。
4. 精加工:对工件进行表面抛光、光面加工、磨研等处理,增加工件的精度和质量。
5. 检验与组装:对工件进行严格的检验,如平面度、圆度、平行度、连通度等,确保无明显问题后进行组装。
三、常见加工难点在不锈钢轴承座零件的加工过程中,常见的加工难点主要集中在以下几个方面:1. 切削难度大:不锈钢材质硬度大、韧性高,使得在加工时机器设备需要承受更大的力度和高速运转,从而给切削带来极大的挑战。
2. 加工速度慢:不锈钢的强度和硬度比较高,使得切削速度比较慢,而且需要进行多步研磨、光面处理等,增加了加工时间和成本。
3. 零件精度要求高:由于不锈钢轴承座零件的耐用性和可靠性要求较高,因此对其精度要求也相对较高,从而对加工技术的精度、稳定性、工艺控制等也提出了更高的要求。
四、加工工艺优化1. 加工切削力的优化:切削力主要与材料物性、刀具质量和加工参数有关。
不锈钢轴承座零件加工工艺优化本文研究了不锈钢轴承座零件的加工工艺优化问题。
首先对不锈钢轴承座零件的加工工艺进行了研究和分析,在此基础上提出了采用数控加工方法进行零件加工的方案。
然后,对数控加工过程中的刀具路径进行了分析和优化,通过改进刀具加工轨迹和切削参数等参数,提高了零件加工效率和质量。
最后,通过实验验证了所提出方案的可行性和实用性,实现了高效、高质量和低成本的不锈钢轴承座零件加工。
传统加工工艺中,多采用人工掌握加工技术,存在零件制造精度低、加工效率低、成本高等问题。
针对这些问题,本文提出了采用数控加工方法进行轴承座零件加工的方案。
数控加工具有高效率、稳定性好、加工精度高等优点,可以大大提高零件加工的质量和效率。
在数控加工过程中,刀具路径的优化是关键。
通过改进刀具加工轨迹和切削参数等参数,可以提高零件加工效率和质量。
在本文中,我们采用Mastercam软件对轴承座零件的刀具路径进行了优化。
首先,利用CAD软件绘制出轴承座零件的三维模型,并将其导入到Mastercam软件中。
其次,根据零件的几何特征确定加工路径,并制定刀具进刀和刀具退刀路径。
最后,通过调整切削参数等参数进行了仿真分析和刀具轨迹的优化。
实验结果表明,采用数控加工方法和刀具路径优化方案加工的轴承座零件,具有高加工精度和高效率,且可以避免加工中的误差和沙粒等问题。
因此,该方案具有较高的可行性和应用价值,可以为工程实践提供指导和参考。
综上所述,本文对不锈钢轴承座零件的加工工艺进行了研究和分析,并提出了采用数控加工方法和刀具路径优化方案进行零件加工的方案。
该方案具有高效、高质量和低成本的特点,可以为工程实践提供指导和参考。
但需要注意的是,该方案可能还存在一些问题和不足,需要不断改进和完善。