项目部工程商务管理表格
- 格式:doc
- 大小:21.00 KB
- 文档页数:1
精品文档第一部分、项目部通用管理表格会议签到表项目名称:会议地点:会议时间:年月日精品文档精品文档项目部组织设置分类分析表②项目在施工过程中如出现变动,该表也随之动态变动。
项目部管理人员岗位职责说明审批表①该表格主要用于新工程开工时,项目经理根据工程需求时填写的并上报工程部审批备案;②项目在施工过程中如出现重大职位调整变动,该表也随之动态变动并审批。
③该表格由项目部根据项目特点实际填写,一般分:项目经理、项目副经理、工程师、仓库管理员、采购员、司机等。
项目部主要管理人员工作内容说明书项目名称:日期:制表人:责任人:项目经理:①该表格主要用于项目部组建后,项目部根据工程特点填写并由责任人签字并项目部存档备查;②项目部应针对项目施工的不同阶段、不同的施工过程等进行动态调整填写。
③该表格由项目部根据项目特点实际填写,一般分:项目经理、项目副经理、工程师、仓库管理员、采购员、司机、班长、工段长等。
项目部其它(辅助)岗位说明书制表:项目经理:说明:该表格由项目部根据项目管理实际填写,一般分:工段长、班长、技术工人、杂工、后勤人员等。
其中工段长、班长重要岗位还需要填写《项目部主要管理人员工作内容说明书》表格。
项目部临时工雇用资料表:该表格项目部存档一份,公司人事部存档一份。
如果该员工调往其它项目部,则该表格的复印件应及时专人或传真移交给接收项目部项目部人员请假条填表日期: 年月日说明:项目经理、项目副经理请假必须经公司工程总监同意才能批假;该假条只要请假大于2小时就必须履行该手续。
项目部员工岗位调整移交手续清单原项目部: 调整后项目部: 年月日说明:移交物品由直属主管指定。
精品文档项目部工人花名册编制日期:精品文档项目部工人加班费确认单项目经理:项目副经理:说明:①如需加班,须由主管工长报项目经理同意后,方可计入加班费;②加班必须当天登记,每人一张;③每月项目经理和副经理进行审核。
精品文档项目部员工辞职申请书说明:按公司规定,辞职须提前一个月报公司审批。
花样年(成都)生态旅游开发有限公司成本商务工作表格
二00九年一月
估算(预算)(标底)工作表
注:此表是否需总经理签署意见按文件相关规定执行。
竣工结算审核审批表
注:1、此表是否需董事长签署意见按文件相关规定执行。
限价项目核价管理表
招标对象确定表
注:1、此表是否需总经理签署意见按文件相关规定执行。
2、附件:相关单位的考察报告、资质报告
注:此表是否需董事长签署意见按文件相关规定执行。
备注: 1、本签证单一式一份;
2、原件由施工单位在完工后返回甲方结算存档,无原件不给补签与结算
合同执行状况评估表
备注:合同工程师负责汇总项目部、成本管理部对上述要素的意见,对施工单位的综合评价的技术部分由项目部填;经济部分由成本管理部填;管理部分由项目部填写。
备注:1、02/03/05/06/07由项目部评价填写;
2、01/08由采购合约部评价填写,09由采购合约部经理填写;
3、04由成本管理部评价填写;
4、优秀为4分,良好为3分,一般为2分,差为0分;
5、10由本项目的工程总监填写。
结算书
分部分项工程竣工验收证书
本表一式五份,施工单位存档一份,项目部、采购合约部、成本管理部、档案室各一份。
承包商、供应商信息记录表
前期考察评定表
供应商阶段评定表
工作表格(商务管理类)
承包商、供应商后期服务评定表
第21 页共21 页。
项目上商务部使用的各类表格
1. 项目计划表格:用于制定项目的时间表、里程碑和关键节点。
2. 预算表格:用于记录和监控项目的各项费用,包括人力资源、物资采购、服务费用等。
3. 资源分配表格:用于跟踪项目所需的人力、设备和其他资源的分配情况。
4. 进度跟踪表格:用于记录项目的实际进展情况,对比计划进度,以便及时发现偏差并采取纠正措施。
5. 风险评估表格:用于识别、评估和管理项目中的潜在风险。
6. 问题跟踪表格:用于记录和跟踪项目中出现的问题,以及解决问题的措施和状态。
7. 沟通计划表格:用于规划和记录项目团队内部以及与外部利益相关者之间的沟通活动。
8. 采购申请表格:用于提交和审批项目所需物资和服务的采购请求。
9. 变更请求表格:用于记录和管理项目范围、需求或计划的变更。
这些表格的具体内容和格式可能因项目的性质、规模和行业而有所不同。
商务部可以根据项目的特定需求,自定义或调整这些表格,以确保有效地管理和监控项目的各个方面。
项目管理通用表格模板(Excel模板)一、项目基本信息1. 项目名称:________________________2. 项目编号:________________________3. 项目负责人:________________________4. 项目启动日期:________________________5. 项目预计完成日期:________________________6. 项目预算:________________________7. 项目目标:________________________二、项目团队成员1. 团队成员姓名:________________________2. 团队成员职位:________________________3. 团队成员联系方式:________________________4. 团队成员职责:________________________三、项目进度计划1. 项目阶段:________________________2. 阶段开始日期:________________________3. 阶段结束日期:________________________4. 阶段目标:________________________5. 阶段任务:________________________四、项目风险分析1. 风险名称:________________________2. 风险等级:________________________3. 风险影响:________________________4. 风险应对措施:________________________五、项目成本控制1. 成本项:________________________2. 预算金额:________________________3. 实际金额:________________________4. 成本差异:________________________5. 成本调整措施:________________________六、项目质量保证1. 质量标准:________________________2. 质量检查方法:________________________3. 质量检查结果:________________________4. 质量改进措施:________________________七、项目沟通计划1. 沟通对象:________________________2. 沟通方式:________________________3. 沟通频率:________________________4. 沟通内容:________________________八、项目变更管理1. 变更原因:________________________2. 变更内容:________________________3. 变更影响:________________________4. 变更审批:________________________1. 项目完成情况:________________________2. 项目成果:________________________3. 项目经验教训:________________________4. 项目改进建议:________________________项目管理通用表格模板(Excel模板)一、项目基本信息1. 项目名称:________________________2. 项目编号:________________________3. 项目负责人:________________________4. 项目启动日期:________________________5. 项目预计完成日期:________________________6. 项目预算:________________________7. 项目目标:________________________二、项目团队成员1. 团队成员姓名:________________________2. 团队成员职位:________________________3. 团队成员联系方式:________________________4. 团队成员职责:________________________三、项目进度计划1. 项目阶段:________________________2. 阶段开始日期:________________________3. 阶段结束日期:________________________4. 阶段目标:________________________5. 阶段任务:________________________四、项目风险分析1. 风险名称:________________________2. 风险等级:________________________3. 风险影响:________________________4. 风险应对措施:________________________五、项目成本控制1. 成本项:________________________2. 预算金额:________________________3. 实际金额:________________________4. 成本差异:________________________5. 成本调整措施:________________________六、项目质量保证1. 质量标准:________________________2. 质量检查方法:________________________3. 质量检查结果:________________________4. 质量改进措施:________________________七、项目沟通计划1. 沟通对象:________________________2. 沟通方式:________________________3. 沟通频率:________________________4. 沟通内容:________________________八、项目变更管理1. 变更原因:________________________2. 变更内容:________________________3. 变更影响:________________________4. 变更审批:________________________1. 项目完成情况:________________________2. 项目成果:________________________3. 项目经验教训:________________________4. 项目改进建议:________________________十、项目文档管理1. 文档类型:________________________2. 文档编号:________________________3. 文档版本:________________________4. 文档作者:________________________5. 文档审核人:________________________6. 文档发布日期:________________________7. 文档归档位置:________________________8. 文档使用说明:________________________十一、项目资源管理1. 资源类型:________________________2. 资源编号:________________________3. 资源名称:________________________4. 资源负责人:________________________5. 资源使用计划:________________________6. 资源使用情况:________________________7. 资源回收计划:________________________8. 资源使用评估:________________________十二、项目问题跟踪1. 问题编号:________________________2. 问题描述:________________________3. 问题责任人:________________________4. 问题解决时间:________________________5. 问题解决措施:________________________6. 问题解决结果:________________________7. 问题跟进人:________________________8. 问题关闭日期:________________________十三、项目培训计划1. 培训主题:________________________2. 培训对象:________________________3. 培训讲师:________________________4. 培训时间:________________________5. 培训地点:________________________6. 培训内容:________________________7. 培训效果评估:________________________8. 培训改进建议:________________________十四、项目合同管理1. 合同编号:________________________2. 合同名称:________________________3. 合同甲方:________________________4. 合同乙方:________________________5. 合同金额:________________________6. 合同签订日期:________________________7. 合同履行情况:________________________8. 合同变更记录:________________________9. 合同终止条件:________________________十五、项目采购管理1. 采购物品:________________________2. 采购数量:________________________3. 采购单价:________________________4. 采购总价:________________________5. 采购供应商:________________________6. 采购订单编号:________________________7. 采购订单日期:________________________8. 采购到货日期:________________________9. 采购验收情况:________________________十六、项目安全与环保1. 安全措施:________________________2. 环保措施:________________________3. 安全检查记录:________________________4. 环保检查记录:________________________5. 安全事故处理:________________________6. 环保事故处理:________________________7. 安全与环保改进建议:________________________。
工程项目管理通用表格工程项目管理通用表格是项目管理过程中经常使用的工具,通过对项目的各个方面进行整理和记录,帮助项目管理人员更好地掌握和管理项目。
下面是关于工程项目管理通用表格的相关参考内容。
1. 项目概况表格项目概况表格是项目启动阶段使用的表格,用于对项目的基本情况进行梳理和记录。
包括项目的名称、目标、范围、主要相关方、预算、时间计划等内容。
通过填写项目概况表格,项目管理人员可以对整个项目有一个整体的了解,为接下来的项目管理工作提供基础。
2. 项目组织结构表格项目组织结构表格用于记录项目团队的组成和各个成员的职责分工。
包括项目经理、项目成员、项目顾问等角色的分工和职责描述。
通过项目组织结构表格,可以清晰地了解项目团队中各个成员的职责和工作范围,便于项目管理人员进行人员协调和组织管理。
3. 项目进度计划表格项目进度计划表格用于制定和记录项目的时间计划。
一般采用甘特图的形式,清晰地展示各个项目活动的开始时间、结束时间、工期和节点。
通过项目进度计划表格,项目管理人员可以及时了解项目的进展情况,判断是否需要调整计划,以及对项目进行时间管理。
4. 项目成本预算表格项目成本预算表格用于对项目的成本进行预估和控制。
包括项目的总预算、各个费用项的预算、实际支出情况等。
通过填写项目成本预算表格,项目管理人员可以实时掌握项目的成本情况,及时调整项目资源配置,确保项目在预算范围内运行。
5. 项目风险管理表格项目风险管理表格用于识别、评估和处理项目风险。
包括对项目的各个风险因素进行梳理和分析,评估风险的可能性和影响程度,并制定相应的风险应对措施。
通过填写项目风险管理表格,项目管理人员可以更好地了解项目的风险情况,及时采取相应的风险控制措施,保证项目的顺利进行。
6. 项目问题记录表格项目问题记录表格用于记录项目过程中的问题和解决方案。
包括问题的描述、发生时间、解决方案及负责人等信息。
通过填写项目问题记录表格,项目管理人员可以及时记录和解决项目过程中的问题,确保项目的正常进行。
项目管理必备的10套Excel表格合集,可参考学习
项目管理必备的10套Excel表格合集,
包含:
•项目组成员表
•项目策划/任务书
•项目WBS表
•项目进度计划表
•项目风险管理表
•项目沟通计划表
•项目会议纪要
•项目状态报告表
•项目变更管理表
•项目总结表
01 项目组成员表
项目的基本情况及项目组成员的基本信息,对各成员的项目角色界定清晰。
02 项目策划/任务书
描述项目背景目标,里程碑计划,项目的
评价标准,项目假定与约束条件及项目主要利
益干系人。
03 项目WBS表
WBS是项目管理中的常用术语,它是将
任务进一步分解为易于执行和管理的工作方法。
该表非常详尽,对工作进行结构分解,且明确
各成员的权限。
04 项目进度计划表
我们在之前的文章中也为大家介绍过多种
项目进度计划表(甘特图),有兴趣的朋友可
以查阅。
05 项目风险管理表
通过风险描述、发生概率、影响程度、风险等级、风险响应计划、责任人、开放/关闭
等方面对风险进行防控。
06 项目沟通计划表
07 项目会议纪要
属于常规的会议纪要格式,除项目管理外,也可以作为其他会议的纪要参考。
08 项目状态报告表
对项目进展情况进行描述,说明上一个汇报周期内问题的处理意见和处理结果及本次汇
报周期内需要解决的问题和寻求的帮助。
09 项目变更管理表
10 项目总结表
全面复盘总结项目的全过程。
查阅方便。
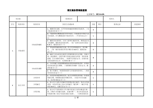
项目商务管理检查表本文档旨在提供一个项目商务管理检查表,以便团队在项目商务管理方面能够更加全面、规范地进行管理,确保项目商务管理的有效性、合规性、及时性,同时减少商务管理方面的风险。
1. 合同管理1.1 合同制定•[ ] 是否制定了合同模板?•[ ] 是否根据合同模板制定了本项目合同?•[ ] 是否定期审查合同模板的有效性?1.2 合同签订•[ ] 是否明确了合同签订流程?•[ ] 是否明确了合同签订责任及权限?•[ ] 是否备有必要的合同签订文件,如授权委托书等?1.3 合同约束•[ ] 是否确保项目成员了解合同约束?•[ ] 是否建立了合同约束的跟踪机制?•[ ] 是否建立了合同履约的监督机制?2. 项目财务管理2.1 预算编制•[ ] 是否在项目启动时编制了预算?•[ ] 是否明确预算编制的标准及流程?•[ ] 是否公开了预算编制的结果?2.2 费用控制•[ ] 是否建立了费用控制体系?•[ ] 是否开展了费用控制工作?•[ ] 是否建立了费用控制的反馈机制?2.3 会计核算•[ ] 是否明确了项目会计核算流程?•[ ] 是否建立了项目会计核算记录及档案管理体系?•[ ] 是否严格执行了会计核算制度?3. 项目风险管理3.1 风险识别•[ ] 是否建立了风险识别机制?•[ ] 是否开展了风险识别工作?•[ ] 是否收集了关键风险的信息?3.2 风险评估•[ ] 是否建立了风险评估机制?•[ ] 是否开展了风险评估工作?•[ ] 是否建立了风险评估的记录及分析机制?3.3 风险应对•[ ] 是否建立了风险应对机制?•[ ] 是否掌握了风险应对问题的核心方法?•[ ] 是否积累了风险应对方案?4. 项目人力资源管理4.1 人才招聘•[ ] 是否明确了项目团队的组成及职责?•[ ] 是否根据职责明确了人才招聘标准?•[ ] 是否明确了人才招聘的流程及沟通方式?4.2 人才培养•[ ] 是否建立了人才培养体系?•[ ] 是否给予了项目成员充分的培训支持?•[ ] 是否建立了人才发展的反馈机制?4.3 人才管理•[ ] 是否建立了人才管理的机制?•[ ] 是否落实了项目成员的职责及权限?•[ ] 是否建立了人才管理的纪录及分析机制?5. 项目进度管理5.1 进度计划•[ ] 是否建立了项目进度计划体系?•[ ] 是否明确了进度计划的制定流程?•[ ] 是否确保了进度计划的合理性和可行性?5.2 进度跟踪•[ ] 是否建立了进度跟踪机制?•[ ] 是否跟踪项目进度的执行情况?•[ ] 是否及时发现偏差并采取纠正措施?5.3 进度阶段评估•[ ] 是否建立了项目阶段评估体系?•[ ] 是否对项目阶段的执行进行了评估?•[ ] 是否建立了项目阶段评估的记录及分析机制?6.通过本检查表,我们希望团队成员能够更好地重视项目商务管理,并且通过结合自己的工作实际情况,不断完善、补充检查表内容。
项目管理表格模板项目管理表格模板全套项目管理表格模板01 项目组成员表一、项目基本情况项目名称制作人项目经理二、项目组成员成员姓名项目角色T 客户察看公司张三张三所在部门职责项目起止日期项目编号审察人制作日期投入频度及工作量T0808李四2005/7/8联系电话主管经理2项目策划 / 任务书一、项目基本情况项目名称T 客户察看公司项目编号T0808 制作人张三审察人李四项目经理张三制作日期2005/7/8二、项目描述1.项目背景与目的(所有的项目均初步于某个商业问题,该部分简要描述这些问题)项目管理表格模板背景: A 国是公司的战略市场,其第二大运营商为TELECOM公司,我司于2005年4月5 日正式中标一个100 万线固网项目(N 项目),该项目在2005年 6 月份开始推行,在推行过程,出现了以下三个方面的问题:1.延缓交货;2.发错货问题严重;3.初验测试问题层见迭出,客户开始思疑我司软件版本管理和质量控制能力。
这些问题引起了 TELECOM 高层关注,对今后与我司的合作开始持观看态度。
目的:改进客户关系,重建客户对与我司合作的信心。
2.项目目标(包括质量目标,工期目标、花销目标和交付产品特色与特色的主要描述)三、项目里程碑计划(包括里程碑的时间和成就)四、谈论标准(说明项目成就在何种情况下将被接受)五、项目假设与拘束条件(说明项目的主要假设条件和限制性条件)六、项目主要利益关系人(包括高管、客户、职能部门主管、供应商、项目资助人、项目经理、项目组成员等)姓名种类部门职务项目资助人 A 国代表处代表项目经理总部 VIP 客户款待策划处策划经理项目组成员 A 代表处 T 客户群客户经理项目组成员总部技术服务部N 项目接口人项目组成员总部供应链N 项目接口人刘峰项目组成员总部研发N 项目接口人张芳项目组成员总部客户工程部款待经理03WBS 表一、项目基本情况项目名称T 客户察看公司项目编号制作人张三审察人项目经理张三制作日期二、工作分解结构(R- 负责 responsible ; As- 辅助 assist ; I- 通知 informed ; Ap- 审批 to approve )分解代任务名称包括活动工时估计人力资源其他资源花销估计工期张三李四王五赵六码提交邀请函给客户 2 1 I AP R I 邀请客户安排行程 2 3 2 R AP AS I 与客户确认行程安排 1 1 I AP R I安排我司高层款待资源 1 2 1 R AP AS I 落实资源安排各部门会商人员 2 6 2 AP I I AS确定总部可参观场所 4 1 AP I I AS预定国际机票 1 机票 6 张120000 1 AP I AS I 预定后勤预定酒店 1 酒店房间 6 间35000 1 AP I AS I 资预定陆上交通车 1 2 辆车 *7 天15000 1 AP I AS I 源预定用餐 1 20000 1 AP I AS I 预定参观门票 1 门票 6 套10000 1 AP I AS I 出发 1 3 1 I AS R I 展厅、生产线、物流参观 6 1 AS AS AS I 推行察看实验室察看 3 1 I I AS I 接样板点察看 1 4 1 I I AS R 待系列会商 2 20 2 R AS AS AS 参观 1 2 1 I I AS I返程 1 2 1 I AS R I会商沟通问题点落实 3 6 3 R AS AS AS 后续事宜代表处主管回访 2 1 I R AS I 跟代表处反响察看收效 1 1 I AP R I 踪提交总结报告 1 3 1 R AP AS I01—项目组成员表项目组成员表project team members一、项目基本情况Project Basic Info.项目名称Project项目编号项目管理表格模板name:project code:制作人 Prepared 审核人by reviewed by:项目负责人制作日期 data:project leader:二、项目组成员project team directory成员姓名项目角色所在部门职责联系电话主管领导Name Project Role Dept. Name Reponsibility Tel No. Supervisor签字 Signature:日期Date:项目负责人project leader:02-项目策划 / 任务书( Project Plan/Charter)一、项目基本情况项目名称Project name:制作人Prepared项目策划 /任务书Project Plan/Charter Project Basic Info.项目编号project code:审核人by reviewed by:项目负责人制作日期data:project leader:二、项目描述 project description1、项目背景与目的背景:目的:2、项目目标(包括质量目标、工期目标、花销目标和交付成就特色与特色的主要描述)三、项目里程碑计划(包括里程碑的时间和成就)project milestones四、谈论标准(说明项目成就在何种情况下将被接受)五、项目假设与拘束条件(说明项目的主要假设条件和限制性条件)六、项目主要利益关系人(包括高管、客户、职能部门主管、项目负责人、项目组成员等)03-WBS 表WBS 表Project WBS一、项目基本情况项目名称Project name:Project Basic Info.项目编号code:projectby by:项目负责人制作日期data:project leader:二、工作结构分解 WBS(R- 负责 responsible;Ap- 审批; As-辅助 )分解代任务包括活动工时人力资源费用估算成员成员成员码 WBS 名称Activities 估计Estimated Estimated12 3 code Tsak included time HR cost注:以上工时及花销估计均用最可能值04-项目进度计划表一、项目基本情况项目名称Project name:WBS 表Project WBSProject Basic Info.项目编号code:projectby by:项目负责人制作日期data:project leader:二、项目进度表任务进度Project schedule责任人要点里程碑05 项目风险管理表项目风险管理表Project risk Management一、项目基本情况项目名称Project name:Project Basic Info.项目编号code:projectby by:项目负责人制作日期data:project leader:二、项目风险管理Project risk Management风险发生概率的判断准则:高风险: >60%发生风险的可能性中风险: 30%~60%发生风险的可能性低风险: <30%发生风险的可能性序号风险描述发生概率影响程度风险等级风险响责任人应计划06-项目沟通计划Project communication plan一、项目基本情况项目名称Project name:Project Basic Info.项目编号code:projectby by:项目负责人制作日期data:project leader:二、项目沟通计划利益干所需信息系人频率方法责任人07 项目会议纪要项目会议纪要Project Meeting Minutes一、项目基本情况项目名称Project name:Project Basic Info.项目编号code:projectby by:项目负责人制作日期data:project leader:二、会议目标(简要说明会议的目标,包括希望达到的结果)三、参加人员(列出参加会议的人员,在项目中的头衔或角色)四、发放资料(列出会议谈论的所有项目资料)五、发言记录(记录发言人的见解、建讲和建议)六、会议定策(说明会议结论)七、会议纪要发放范围08-项目状态报告表项目状态报告表一、项目基本情况项目名称Project name:Project Basic Info.项目编号code:projectby by:项目负责人制作日期data:project leader:二、当前任务状态(简要描述任务进展情况)要点任务状态指示状态描述三、本周期内的主要活动(对本周期内的主要交付物进行总结)四、下一报告周期内的活动计划(描述活动需要与项目计划和WBS 相对应)五、财务情况六、上期遗留问题的办理(说明上一个报告周期内问题的办理建讲和办理结果)七、本期问题与求助09-项目改正管理表项目改正管理表Project Change Management一、项目基本情况项目名称Project name:Project Basic Info.项目编号code:projectby by:项目负责人制作日期data:project leader:二、历史改正记录(准时间序次记录项目过去的每一次改正情况)序号改正时间涉及项目改正要点改正原由申请人审批人任务三、央求改正信息受影响的基准计划1、进度计划2、花销计划3、资源计划可否需要成本 /进度影响分析:对成本的影响对进度的影响对资源的影响申请人签字申请日期五、审批结果审批建议:签字:日期:10-项目总结表项目总结表Project Overviews一、项目基本情况项目名称Project name:Project Basic Info.项目编号code:project制作人 Preparedby项目负责人project leader:二、项目完成情况总结(1、时间总结2、成本总结3、交付结果总结三、项目经验、教训总结签字审察人reviewedby:制作日期 data:Project fulfillment sum-up )日期。
财务部
项目劳务 申报表(劳务付款申报表)
项目双包、材料 申报表(双包及材料付款申报表)
项目名称: 作业班组累计进度产值(核定后的进度表产值)
班组名称: 借付款人(签字):
借付款日期:___________ 金额:_________ 大写( __)借付款事由:____________
项目审核意见: 项目部(签字): 工管中心(签字):
累计借付款金额: 财务部审计意见: 商务部(签字):
财务总监(签字): 运营总监(签字): 总经理(签字):
项目名称:
商家累计进度产值(核定后的进度表产值) 商家名称:
借付款人(签
字/盖章):
借付款日期:___________ 金额:_________ 大写( __)借付款事由:____________ 项目审核意见: 项目部(签字): 工管中心(签字): 累计借付款金额: 财务部审计意见: 商务部(签字): 财务总监(签字): 运营总监(签字): 总经理(签字):。