钻孔地质编录表
- 格式:doc
- 大小:90.50 KB
- 文档页数:1
钻孔编录模板一、杂填土:杂色,松散,大孔隙,上部为砼地坪,含较多的碎石。
二、淤泥质粉质粘土:灰色~灰黑色,流塑,部分夹有机质;无摇振反应,稍有光滑,干强度低,韧性低,有腐味三、粘土:灰黄色,可塑,无摇振反应、光滑,干强度高,韧性高,局部分布。
四、粘土:灰黄~褐黄色,硬塑,含少量的铁,锰质结核,可塑,无摇振反应,光滑,干强度高,韧性高。
五、粉质粘土:青灰色,软~可塑状,为后期沉积,摇振反应无,稍有光滑,干强度中等,韧性中等。
六、粉质粘土:灰黄~褐黄色,硬塑,含青灰色粘土团块无摇振反应,稍有光滑,干强度中等,韧性中等。
七、粉质粘土:灰黄~褐黄色,可塑,无摇振反应,稍有光滑,干强度中等,韧性中等。
八、粉质粘土:灰黄色,可塑,稍有光滑,干强度中等,韧性中等。
局部含团块状密实粉土。
九、粉质粘土:灰黄~褐黄色,钙质结核,硬塑,无摇振反应,稍有光滑,干强度中等,韧性中等。
十、粉质粘土:灰黄~灰色,软~可塑,粉粒含量高,无摇振反应,稍有光滑,干强中等,韧性中等。
十一、粉质粘土:上部浅灰色,中下部褐黄色,硬塑,含少量铁锰质结核,无摇振反应,切面光滑,干强度高,韧性高。
十二、粉质粘土夹粉土:灰黄~青灰色,可塑,含少量云母片,无摇振反应,稍有光滑,干强度中等,韧性中等。
十三、粉砂:黄色,含云母片,中密。
主要由石英等矿物组成,饱和状态。
十四、粉砂:上部灰黄色,底部浅灰色,含云母片,饱和状态,密实。
十五、粉质粘土夹粉土:灰黄色,软~可塑,无摇振反应,稍有光滑,干强度中等,韧性中等。
局部夹薄层粉土。
十六、粉土:灰黄,含云母片,很湿,稍密。
摇振反应中等,无光泽反应,干强度低,韧性低。
十七、粉砂:灰黄,含云母片,饱和,密实,主要成分由长石、石英、云母等组成,磨园度好、分、选性好。
十八、粉土:浅灰色,含云母片,摇振反应中等,无泽反应,干强度低,韧性低。
十九、粘土夹粉砂:灰黄色,褐黄色,可塑,含少量钙质结核核径为3cm。
夹薄层壮中密粉砂,具水平层理,无摇振反应,切面稍光滑,干强度高,韧性高。
附表1:
原始地质编录及其他表格
标本签
北京中矿建设工程有限公司勘查部
岩芯牌
北京中矿建设工程有限公司勘查部
岩矿心分层签
北京中矿建设工程有限公司勘查部
岩矿心样品签
北京中矿建设工程有限公司勘查部
样品签
北京中矿建设工程有限公司勘查部
地质观察点路线记录格式
矿区名称
点号
位置
路线
观察地质描述
标本、样品标号
声、象资料标号
编录年月日
注:地质描述内容参照本规范,记录在野外记录本中或本表中。
北京中矿建设工程有限公司勘查部
矿区
地质观察点卡片
组别
编号第册
地质观察点号号
记录人
日期自年月日
至年月日
检查人
日期年月日
地质观察点卡片
记录人年月日注:地质描述内容参照本规范,记录在野外记录本中或本卡片上。
钻孔回次记录表
矿区名称:工程编号:第页
检查年月日记录年月日
照相记录表第页矿区名称胶卷号胶卷型号感光度共页
登记人年月日拍照人年月日
地质资料质量检查卡片
原生晕样送样单
送样单位地区第批样品数量
送样人年月日收样人年月日。
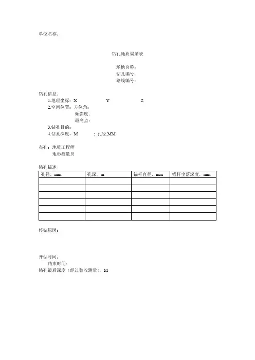
单位名称:钻孔地质编录表场地名称:钻孔编号:路线编号:钻孔信息:1.地理坐标:X Y Z2.空间位置:方位角:倾斜度:最高点:3.钻孔目的:4.钻孔深度,M---------- ; 孔径,MM--------------布孔:地质工程师---------地形测量员---------钻孔描述停钻原因:开钻时间:结束时间:钻孔最后深度(经过验收测量),M单位名称---------地质队钻探队现场名称勘探线路钻孔登记表№目的开钻停钻孔口高度,m钻孔点方位角孔深:计划:M钻孔编录:M检测:M验收:M取样:(分块,岩心长)样品:自№至№岩芯:(销毁,分块,保存,保存地点)停钻后的地下水位,M(从孔口):登记表填写人:(姓名、职位、签字)登记表查阅人:(姓名、职位、签字)说明:1.矿产资源开发、发现、采样、试验及地质勘探勘察为目的,100米以上深度的钻孔必须采用以上登记表。
对于浅钻孔采用该登记表与否,相关企业单位管理层自行决定。
2.钻孔登记表及其相关附件附于钻孔信息。
附件:1.钻孔开钻表2.停钻(样品保存)表3.岩芯的分块(销毁)表4.钻孔深部检测表5.钻孔物探表6.钻孔水文地质检测表7.钻孔倾斜测量表8.钻孔样编录表9.具有物理电测的钻孔的地质柱状图(剖面)单位名称:-----------------------------制订:矿区名称:勘探路线:开钻表钻孔№以下签字的班组人员:1.------------------------- 地质工程师2.--------------------------地形测量员3.--------------------------高级机长孔径: mm钻孔方位角:钻孔初始斜度:----------- 计划孔深,M布置钻孔(按照计划,以下原因引起的计划变更)钻孔目的:(勘探、勘察)岩芯的最小值:矿体里--------------%赋存矿石里-------------%签字:1 2 3说明:1. 矿产资源开发、发现、采样、试验及地质勘探勘察为目的,100米以上深度的钻孔必须采用以上登记表。
钻孔水文地质工程地质编录表
钻孔水文地质工程地质编录表
钻孔水文地质工程地质编录表
钻孔水文地质工程地质编录表
钻孔水文地质工程地质编录表
钻孔水文地质工程地质编录表
钻孔水文地质工程地质编录表
钻孔水文地质工程地质编录表
钻孔水文地质工程地质编录表
钻孔水文地质工程地质编录表
钻孔水文地质工程地质编录表
钻孔水文地质工程地质编录表
钻孔水文地质工程地质编录表
钻孔水文地质工程地质编录表
钻孔水文地质工程地质编录表
钻孔水文地质工程地质编录表
钻孔水文地质工程地质编录表
钻孔水文地质工程地质编录表
钻孔水文地质工程地质编录表。
工程地质钻孔原始地质编录地质部二○一二年三月钻孔原始编录重点提示1.注意开孔及终孔验收。
2.编录前检查钻探班报表,整理岩矿心并照相。
3.残留岩心处理。
(1)认定:回次岩心长>回次进尺。
(2)处理:该回次采取率按100%计,超出部分岩心依次上推,并重新计算影响到的回次采取率。
(3)砂、粉状及不同岩性的反循环岩心不准上推。
4.观察分层:每一分层界线处都应放入分层隔板。
5.换层井深计算:(1)回次内换层:孔深=上回次孔深+本回次进尺(岩心长÷采取率)。
(2)两回次间换层:孔深=上回次止孔深。
(3)空回次换层:孔深=上回次止孔深+空回次进尺的一半。
6.分层采取率分层井深是重要计算、记录数据。
7.布样原则:遵守“五不”原则,即同一件样不跨孔径、不跨不同的矿种、矿层,不跨矿石类型及品级、样品厚度不超过可采厚度,不跨采取率相差大的回次。
8.每件样都应在岩心箱内放入采样隔板,计算样品井深(同于分层井深计算)。
9.注意钻孔六大质量指标的同时,还应特别注意钻进及采心工艺有无造成风氧化矿石的贫化问题。
10.采样质量检查:布、采井深吻合性,重量误差。
11.钻孔柱状图:据编录资料、用计算机成图(非素描图)。
目录1 钻孔布置及编制钻孔设计书 (1)1.1钻孔布置 (1)1.2钻孔设计书编写 (3)2开孔及终孔验收 (3)2.1开钻前检查验收 (3)2.2终孔验收 (3)3.钻孔编录准备工作 (8)3.1业务准备 (8)3.2工具、材料、表格准备 (8)4.检查钻探班报表,整理检查岩矿心 (8)4.1现场指导 (8)4.2检查钻孔班报表 (8)5.检查处理“残留岩心” (9)5.1残留岩心认定 (9)5.2残留岩心处理原则 (10)5.3回次记录 (10)6.观察分层 (11)6.1岩心照像 (11)6.2记录回次数据 (12)6.3地质观察 (12)6.4分层 (13)7.布样 (16)7.1布样原则 (16)7.2夹石及岩脉剔除原则 (17)7.3矿层的顶底板控制样 (18)7.4布置化学样品 (18)8.地质记录描述 (19)8.1描述观察的主要目标层 (19)8.2观察及描述的主要内容 (19)8.3测量轴夹角 (20)8.4钻孔编录用语及代号 (21)9.质量检查及资料整理 (21)9.1质量检查 (21)9.2钻孔资料整理 (22)10.钻孔柱状图的编制 (22)10.1柱状图编制必须的资料 (22)10.2柱状图的格式及内容 (22)11.资料成果 (26)钻孔原始地质编录1 钻孔布置及编制钻孔设计书1.1 钻孔布置1.1.1 不同阶段钻孔布置①预查钻:可以在矿致异常或矿(化)体的有利部位布置个别钻孔,验证、了解矿体的存在、延深、产状、厚度、质量等;②普查钻:按确定的工程间距布置稀疏钻孔,圈定333资源量;1.1.2 矿体产出的形态特征与布钻的关系①矿体形态较简单—适合布钻,反之适合坑探(图1);图1 矿体形态与钻坑工程②矿体有益组分(品位)较稳定—适合布钻,反之适合坑道;③矿体产状的影响:直孔:矿体倾角较缓,适合布置直孔。
钻孔施工报告项目名称:孔号:位置:坐标:孔口标高:施工单位:机长:现场技术人员:钻探时间:自: 年月日至: 年月日目录1、设计书2、地质技术予设3、开孔通知书4、岩心编录5、简易水文地质观测6、抽水试验结构记录7、抽水前静止水位观测8、钻孔抽水试验观测记录9、钻孔抽水试验恢复水位观测记录10、钻孔(井)下管记录11、钻孔(井)下泵记录12、计算数据及成果13、钻孔(井)验收书14、施工小结设计书设计: 审核: 技术负责:地质技术予设开孔通知书号机台:根据施工安排,您已移机至号钻孔位置上,该孔设计孔深为米,经现场技术人员核查,钻机施工位置符合要求,现准许开钻,钻进中请按相关要求施工,并接受技术人员的质量管理,在到达设计孔深后及时报请验收人员进行终孔。
特此通知。
(本通知书一式两份,机台一份,存档一份。
)现场技术人员签字: 签字日期: 年月日机台负责人签字: 签字日期: 年月日号孔拆装线开孔通知书号机台:根据施工安排,您已移机至号钻孔位置上,该孔设计孔深为米,经现场技术人员核查,钻机施工位置符合要求,现准许开钻,钻进中请按相关要求施工,并接受技术人员的质量管理,在到达设计孔深后及时报请验收人员进行终孔。
特此通知。
(本通知书一式两份,机台一份,存档一份。
)现场技术人员签字: 签字日期: 年月日机台负责人签字: 签字日期: 年月日岩心编录简易水文地质观测记录抽水前静止水位观测记录钻孔抽水试验观测记录钻孔抽水试验后恢复水位观测记录抽水试验结构记录钻孔(井)下管记录表钻孔(井)下泵记录计算数据及成果抽水试验曲线钻孔(井)验收书由地矿双城工程勘察院北方工程勘察总公司在《七台河市城市应急供水工程》中完成供水钻孔(井)施工,供水钻孔(井)参数如下:1、成孔(井)孔号:2、终孔(井)日期: 年月日3、含水层岩性: ,位置: (m)至(m)4、抽水试验涌水量(m3/d),降深(m),最大推算涌量(m3/d) ,推算降深(m)。
地质勘探原始记录表格岩土样品统计单项目名称:NO:GCZFB-C3取样人:统计人:统计日期:钻孔地质描述记录表NO:GCZFB-A02项目名称___________钻孔编号_______X;____Y;____高程:_____钻孔位置_____________开孔日期______终孔日期______共__页,第__页编录员________________年___月___日钻孔工作量统计表项目名称:NO:GCZFB-C01统计人:统计钻孔稳定水位综合记录表项目名称:NO:GCZFB-C02观测人:钻孔岩土分层统计表项目名称:NOGCZFB-C4统计人:统计日期:钻孔注水试验原始记录表水位观测日期_________试验日期________观测者____试验者____记录者____检测者____钻孔地下水位观测记录表NO:GCZFB-B08项目名称__________________观测类型________共__页钻孔编号__________________孔口高程________第__页观测者______记录者______审核______观测时间________钻孔压水试验记录表NO:GCZFB-B08钻孔动力触探原始记录表NO:GCZFB—B11项目名称________________钻孔编号_______共__页,第__页试验者_____记录者_____审核者_____试验日期_________钻孔抽水试验观测记录表NO:GCZFB-B15项目名称______钻孔编号___试验编号___孔口高程___共_页试验方法______试段深度___套管深度___稳定水位___第_页机台编号______机长_____班长____观测员____记录员____钻孔抽水试验原始记录表NO:GCZFB-B10共页,第页观测者____试验者____记录者____试验日期_______钻孔抽水试验水位恢复情况观测记录表NO:GCZFB-B16 项目名称______钻孔编号___试验编号___孔口高程___共_页试验方法______试段深度___套管深度___稳定水位___第_页机台编号______机长_____班长____观测员____记录员____岩芯钻探原始班报记录表NO:GCZFB—B06项目名称________________________机台编号____钻机类型____水泵类型____时间___年_月_日(自__时至__时)共__页钻孔编号________________________钻孔性质____钻塔类型____立轴/机高____班次_______天气__________第__页LD-20型冲击式钎探钻机勘探现场原始记录表NO:GCZFB-B05操作者:________记录者:________日期:______年____月____日工作时间:自_____时至______钻孔标准贯入试验现场记录表NO:GCZFB-B13项目名称___________________钻孔编号________水位埋深_________共_页,第_页机台编号________机长______班长______记录员______审核_______。
ZK2002钻孔原始地质编录表工区:常福龙第 1 页本页岩心长: 15.90米累计岩心长: 15.90 米ZK2002钻孔原始地质编录表工区:常福龙第 2 页本页岩心长:18.6米累计岩心长:34.5 米ZK2002钻孔原始地质编录表工区:常福龙第 3 页本页岩心长:20.0米累计岩心长:54.5 米ZK2002钻孔原始地质编录表工区:常福龙第 4 页本页岩心长:18.3米累计岩心长:72.8 米ZK2002钻孔原始地质编录表工区:常福龙第 5 页本页岩心长:29.3米累计岩心长:102.1 米ZK2002钻孔原始地质编录表工区:常福龙第 6 页本页岩心长:31.9米累计岩心长:134.0米ZK2002钻孔原始地质编录表工区:常福龙第 7 页本页岩心长:27.3米累计岩心长:161.3米ZK2002钻孔原始地质编录表工区:常福龙第 8 页本页岩心长:25.8米累计岩心长:187.1米ZK2002钻孔原始地质编录表工区:常福龙第 9 页本页岩心长:31.0米累计岩心长:218.1米ZK2002钻孔原始地质编录表工区:常福龙第 10 页本页岩心长:24.3米累计岩心长:242.4米ZK2002钻孔原始地质编录表工区:常福龙第 11 页本页岩心长:31.9 米累计岩心长:274.3 米ZK2002钻孔原始地质编录表工区:常福龙第 12 页本页岩心长:31.2 米累计岩心长: 305.5 米ZK2002钻孔原始地质编录表工区:常福龙第 13 页本页岩心长:33.3 米累计岩心长:338.8 米ZK2002钻孔原始地质编录表工区:常福龙第 14 页本页岩心长:19.5 米累计岩心长:358.3 米。
水文地质钻探原始资料记录薄CJV657 号孔钻孔位置:_______________________________座标:E:N:X:Y:地面标高:米终孔深度:米施工日期:自2009年07月31日至2009年8月10日编录:___________________机长:___________________技术负责:________________项目负责:________________单位名称资料目录CJV657. CJV662号孔单孔设计水文地质钻探施工通知书施工单位:____________你单位承担施工的项目号钻孔,设计孔深m。
钻孔位置:____________注意事项:该孔需进行冻结层下水抽水试验及采集地下水水样,要求采用清水钻进,光管止水位置要与含水层(Q h ai-pi含泥砂砾卵石的孔隙潜水含水层)位置厚度等齐,止水效果要保质保量,同时在开孔后进行简易水文地质观测(包括冻结层上限埋深,初见水位,泥浆消耗及颜色),对钻进过程中的塌孔、埋钻、卡钻等现象要记录,并严格按照钻孔设计要求校正孔深及测孔斜。
要求在钻孔钻探至设计孔深时,待水工环做完抽水试验后,经水工环项目组发放终孔通知书后方可移走钻机。
未尽事宜严格按照钻孔设计执行。
机长:项目负责:单位名称2009年7月30日施工单位:_____________________________你单位承担施工的项目号孔,设计井深190.0 m;实际井深197.65 m;经验收符合要求,同意终孔,特此通知。
机长:地质组:物探组:水文组:单位名称2009 年8月10 日钻孔质量验收书验收人:验收日期:2009年8月10日工程地质钻孔编录表钻孔编号:CJV657 ___________ 孔口标高:4557.35 工作地点:大场钻孔口径:开孔口径:127mm 孔位坐标:X : 3910943 初见水位:_______ m 31日终孔工程地质钻孔编录表钻孔编号:CJV657 ___________ 孔口标高:4557.35 工作地点:大场钻孔口径:开孔口径:127mm 孔位坐标:X : 3910943 初见水位:_______ m 31日终孔工程地质钻孔编录表钻孔编号:CJV657 ___________ 孔口标高:4557.35 工作地点:大场钻孔口径:开孔口径:127mm 孔位坐标:X : 3910943 初见水位:_______ m 31日终孔工程地质钻孔编录表钻孔编号:CJV657 __________ 孔口标高:4557.35 工作地点:大场钻孔口径:开孔口径:127mm 孔位坐标:X : 3910943 初见水位: _______ m 31日终孔口工程地质钻孔编录表钻孔编号:CJV657 _____________ 钻孔口径:开孔口径:127mm31日孔口标高:4557.35孔位坐标:X : 3910943工作地点:大场初见水位:m工程地质钻孔编录表钻孔编号:CJV657 __________ 孔口标高:4557.35 工作地点:大场钻孔口径:开孔口径:127mm 孔位坐标:X : 3910943 初见水位: _______ m 31日终孔口径:91mm Y: 17250020 ______ 静止水位:工程地质钻孔编录表工程地质钻孔编录表钻孔编号:CJV657 __________ 孔口标高:4557.35 工作地点:大场钻孔口径:开孔口径:127mm 孔位坐标:X : 3910943 初见水位: _______ m 31日终孔口径:91mm Y: 17250020 ______ 静止水位:孔深校正及层底深度改正记录表测斜记录表记录:校核:记录:校核:记录:校核:试段抽水试验安装示意图试验管材钻孑L 结构深 度 (m) 编录岩层厚度m层底深度m碎石砂碎裂化 泥质板 右泥质板 :岩<1----------g______种类 规格深度(m)长度<m)自至光管。
表B13 矿区矿段ZK 原始地质编录表(封面)设计孔深m 终孔孔深m设计方位角度终孔方位角度设计倾角度终孔倾角度施工单位及钻机号钻机类型开孔日期年月日终孔日期年月日孔口座标X= Y= H=始于年月日编录人检查人年月日止于年月日湖南省市县金矿普查钻孔原始地质编录目录地质资料检查卡片表B25 矿区ZK 地质技术设计书设计孔深钻孔类别设计方位角施工机号设计倾角钻机类别项目技术负责:施工单位:水文地质组长:钻探技术员:地质编录员:机长:年月日年月日表B26 矿区ZK 定位和机械安装通知书批准按照地质设计于勘探线(或其坐标X Y H )布置了ZK 孔设计深度米,方位角,倾角其它要求:项目技术负责:钻机机长地质编录员安装队长水文地质组长测量组长年月日于年月日开始工作于年月日安装完毕。
安装队长(机长)表B27 矿区开孔检查验收单号钻机表B28 矿区ZK见矿预告通知单预计见矿孔深和顶底板情况:采取矿心注意事项:地质编录员项目技术负责机长年月日表B31 矿区ZK 终止通知书经研究决定ZK 于深度米处停止钻进。
终止原因:终止后的要求(存在问题及处理意见):地质编录员探矿组长项目技术负责水文地质组长(员)年月日已于年月日停钻,孔深米。
机长表B17 孔深校正测量记录表项目(矿区)名称:孔号:ZK 第页记录人:日期:检查人:日期:表B18 钻孔测斜结果表项目(矿区)名称: 孔号ZK测量日期年月日测井负责人:地质编录:项目负责人:地质编录员:项目技术负责:日期:钻探机长:日期:表B19 钻孔简易水文观测记录表项目(矿区)名称:钻孔号钻机号第页水源箱面积:井口套管或止水套管孔径与下入深度:钻孔稳定水位观测记录表机长:班长:审核:观测:表B34 矿区ZK 封闭报告书注:1、要说明水泥变质没有,沙子淘洗干净没有;2、木塞下入,水泥沙浆下送情况要详细说明。
表B35 矿区ZK 拆迁通知书ZK 孔已结束施工,经初步验收,同意拆迁。
地质编录员:日期:项目技术负责:日期:钻机机长:表B14 钻孔原始地质编录表项目(矿区)名称孔号:ZK注:1、分层:是指按岩石自然特点划分的岩层,如页岩、砂岩,也可以是不易细分的几种岩石的互层和夹层。