复杂电磁环境内涵及效应分析
- 格式:pdf
- 大小:534.31 KB
- 文档页数:8
复杂电磁环境的概念嘿,朋友!你知道啥是复杂电磁环境不?想象一下,电磁的世界就像一个无比热闹的大集市。
各种各样的电磁信号,就像是集市里的吆喝声、讨价还价声、欢笑声,乱哄哄地交织在一起。
复杂电磁环境,简单来说,就是电磁信号多得让人眼花缭乱,乱得像一团麻。
这可不是普通的乱,而是那种让你理不清、剪还乱的乱。
比如说,在战场上,各种通信设备、雷达系统、电子对抗装备等等,它们发出的电磁信号就构成了复杂电磁环境。
这就好比一群人同时在你耳边大声说话,你能听清谁在说啥吗?很难吧!再想想我们的日常生活,手机信号、无线网络、广播电视信号,这些都是电磁信号。
要是一下子这些信号全都变得乱糟糟的,一会儿强一会儿弱,一会儿又互相干扰,那得多烦人啊!这差不多就是复杂电磁环境的感觉。
复杂电磁环境的特点那可多了去了。
首先,信号种类繁多,就像一个超级大杂烩,什么都有。
有高频的、低频的,有连续的、脉冲的,有强的、弱的。
这不就像一个装满了各种水果、蔬菜、肉类的大篮子,啥都混在一起?其次,电磁信号的强度变化大。
一会儿强得能把你“震晕”,一会儿又弱得让你几乎察觉不到。
这难道不像天气,一会儿阳光暴晒,一会儿又阴沉沉的?还有啊,电磁信号之间的相互干扰特别严重。
一个信号可能会把另一个信号给“淹没”了,或者让它变得“扭曲”。
这就好比两个人在吵架,声音都混在一起,谁也听不清谁。
复杂电磁环境的影响可不容小觑。
在军事领域,它可能会让通信中断,让武器系统失灵,甚至会导致作战失败。
这就好像在战场上,你的眼睛突然看不见了,耳朵也听不见了,那还怎么打仗?在民用领域,复杂电磁环境可能会影响到飞机的导航,让火车的控制系统出问题,还会干扰医院里的医疗设备。
这难道不可怕吗?要是飞机迷了路,火车脱了轨,病人因为设备故障得不到及时治疗,那后果简直不堪设想!所以说,了解和应对复杂电磁环境是非常重要的。
我们需要不断地提高技术,研发更先进的设备,来应对这个越来越复杂的电磁世界。
总之,复杂电磁环境就像是一个难以捉摸的“电磁怪兽”,我们得想办法驯服它,让它为我们服务,而不是给我们带来麻烦!。
复杂电磁环境究竟复杂在哪现代战场上,由于大量使用电子信息装备,不仅数量庞大、体制复杂、种类多样,而且功率大,使得战场空间中的电磁信号非常密集,形成了极为复杂的电磁环境。
复杂电磁环境,是指在一定的战场空间内,由空域、时域、频域、能量上分布的数量繁多、样式复杂、密集重叠、动态交迭的电磁信号构成的电磁环境。
从它的定义可以看出,复杂电磁环境是战场电磁环境复杂化在空域、时域、频域和能量上的表现形式。
这种复杂性主要表现在以下几个方面:复杂性之一构成上表现为类型众多,影响各异复杂电磁环境主要由电子对抗环境、雷达环境、通信环境、光电环境、敌我识别电磁环境、导航电磁环境、民用电磁环境、自然电磁环境等构成。
每一类型的电磁环境又由不同类型的电磁辐射源生成,并对不同的窗体顶端窗体底端信息化武器装备产生影响,进而影响整体作战。
如在电子对抗环境构成上,利用电子干扰装备进行有针对性地电子干扰,影响和破坏敌方电子设备和系统的正常工作,以达到有利于我方而不利于敌方完成作战任务的目的。
复杂性之二空间上表现为无形无影,无处不在战场空间中的电磁波,看不见,摸不着,但它存在于战场空间的每一个位置,作用于有形的电子设备上。
战场上的电磁辐射源来自太空、空中、海上、地面、海中,来自我方和敌方,来自军用和民用,来自不同平台和电子设备。
由于大功率电子设备的大量使用,电磁辐射更为强烈,传播距离更远,在战场空间的一点上,电磁信号密集程度更高,更复杂。
据统计,冷战时期,东西德边境地区上空,一架飞机同时受到几十部雷达和数百部通信电台的照射。
复杂性之三时间上表现为变幻莫测,密集交迭战场上大量的电磁信号是在人为控制下产生的,或者说是交战双方有目的地控制电子设备实施有意辐射所产生的。
因此,在不同的作战时间,交战双方因作战目的不同,所产生的电磁信号数量、种类、密集程度将随时间而变化,其变化的方式难以预测。
从时间上看,有时表现为相对静默,有时表现为非常密集。
时间密集的电磁信号环境是现代战场电磁环境的显著特征。
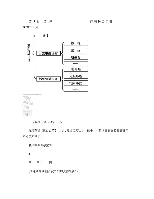
第 29卷第 1期四川兵工学报2008年 2月【综述】3收稿日期 :2007-12-27作者简介 :高岩 (1975— , 男 , 黑龙江克山人 , 硕士 , 主要从事武器装备管理与维修技术研究 1复杂电磁环境特性3高岩 , 于博(黑龙江陆军预备役高射炮兵师装备部 ,摘要 :, , 并定性指出 . ; :文献标识码 :A 文章编号 :1006-0707(2008 01-0019-03复杂电磁环境是信息化战场的重要特征 , 是信息化条件下作战双方博弈的新空间 , 深入研究复杂电磁环境的特点规律、描述原则和描述方法 , 对掌握信息化战争的主动权 , 打赢信息化战争具有重要意义 .1复杂电磁环境的含义和构成因素1. 1复杂电磁环境的含义电磁环境是指存在于给定场所的所有电磁现象的总和 , 是元器件、设备、分系统、系统在执行规定任务时 , 可能遇到的辐射发射或传导发射电平在不同频率范围内功率与时间的分布 . 战场电磁环境是指在一定的战场空间内对作战有影响的电磁活动和现象的总和 , 而复杂电磁环境是指在有限的时空里 , 一定的频段上多种电磁信号密集、交叠 , 妨碍信息系统和电子设备正常工作 , 对武器装备运用和作战行动产生显著影响的战场电磁环境 , 是战场电磁环境复杂化在空域、时域、频域和能量上的表现形式 .1. 2复杂电磁环境的构成要素复杂电磁环境由多种要素构成 , 如图 1所示 . 其中 , 人为电磁辐射是由人为使用武器装备而向空间辐射电磁能量的电磁辐射 ; 自然电磁辐射是非人为因素产生的电磁辐射 ; 辐射传播因素是电磁环境的重要构成因素 , 对人为电磁辐射和自然电磁辐射都会发生作用.图 1复杂电磁环境要素组成2复杂电磁环境的主要特点2. 1广泛性在战场环境中 , 交战双方为削弱对方电子战能力、降低或破坏对方电子设备的使用效能 , 保障己方设备效能的正常发挥 , 将会采取各种措施 , 在陆地、海上、空中乃至太空等多维空间展开争夺电磁频谱主导权的斗争 , 对象涉及无线电通信、雷达、制导、导航、声呐和电信、广播、电视等各种电子设备 , 范围遍及整个电磁频谱空间 . 2. 2密集性在一定的空域、时域、频域上 , 军地大量电子设备同时集中使用 , 电磁波十分密集 , 工作频率非常集中 , 导致作战区域内的电磁环境十分复杂 . 据国外有关资料统计 , 在 1000k m 2的范围内 , 500范围内 485个 , 8~ 500~2,少装备有 .2. 3动态性在信息化战场上 , 交战双方为保持通信联络畅通和作战指挥的不间断 , 必将不断使用新体制雷达、电台和新的通信频率 , 致使战场电磁频谱环境随双方在电磁频谱领域斗争态势的不断变化而变化 , 时而持续连贯 , 时而集中突发 .2. 4对抗性在未来战争中 , 为准确掌握敌方的作战行动 , 交战双方将加强对电子设备的侦察监视 , 并对指挥、通信、雷达等系统实施软硬打击 , 侦察与反侦察、干扰与反干扰、压制与反压制、摧毁与反摧毁的斗争将十分激烈 , 电子信息系统将工作在激烈对抗的电磁环境中 .2. 5可控性虽然战场电磁环境的构成很复杂 , 但只要统筹好电磁频谱的使用 , 实施科学、规范、严格管理 , 就可以避免相互之间的自扰 , 能够对复杂电磁环境实施有效控制 .2. 6相对性复杂电磁环境是一个相对概念 , 对于电磁频谱管控能力及电子设备抗干扰能力强的一方而言 , 这种复杂性也许并不存在 , 但对于管控不力、技术水平较弱的一方 , 可能稍有情况就变得十分复杂 .3描述复杂电磁环境的原则在复杂战场环境中 , 电磁波传播在空域上交错、电磁辐射在时域上变化、电磁信号载频在频域上交叠、电磁辐射强度在功率域上起伏 , 准确描述复杂电磁环境能使指挥员迅速直观地了解战场电磁态势 , 为雷达、通信装备的使用和电子对抗的指挥决策提供可靠依据 . 复杂电磁环境描述必须遵循以下原则 .3. 1. 因此 , 必须对 , 为指挥员提供藉以判断战场电磁态势并做出作战决策的战场电磁环境信息 . 例如 , 敌方雷达载频、脉冲宽度和幅度、脉冲重复频率以及它们的变化规律、信号极化形式、天线水平及垂直波束宽度、天线旋转周期、波束扫描规律等 . 利用这些技术性能参数推断识别雷达战术性能参数 (雷达体制、用途、特点及其型号 . 通过雷达侦察装备的方位侦察获得敌雷达威胁方位及变化规律 , 进而与技术参数一起综合判断敌雷达平台类别及武器战斗序列 .3. 2贴近战场实际 , 真实性强真实地反映战场实际是对战场电磁环境进行描述的基本要求 . 指挥员不仅要求电磁信息的可参考性 , 更注重其真实性和可靠性 . 脱离了实际的战场电磁信息是毫无价值的 , 在进行战场电磁环境描述的时候 , 要杜绝理想化和片面化 , 不仅要对战场电磁环境各要素进行正确、合理的分析 , 而且要把影响电磁环境的其他因素 (如地理要素和气象要素考虑进去 , 进行科学地分析 , 使得电磁环境描述最大限度地符合客观实际 . 3. 3全面反映客观电磁环境电磁环境是纷繁复杂、动态多变的 , 其中的单一因素都不可能永远独立存在并单独发挥作用 , 研究战场电磁环境不可以只考虑其中某些方面而忽视了其他要素 . 例如 , 既要研究通信电磁环境 , 又要研究雷达和光电等电磁环境 ; 既要研究电磁信号的时域特征 , 又要对频域、空域和能量域特性进行分析 , 缺少了任何一方面 , 都不能完整地反映客观存在的战场电磁环境 .3. 4在全面基础上突出重点02四川兵工学报指挥员和指挥机关所要了解的战场电磁环境及电磁态势无疑是电磁环境中的重点部分 , 对其所关心的问题必须要给予着重标示和呈现 . 例如 , 当敌方重要监控信号出现时 , 必须要以适当手段给指挥员以提示告警 , 使其不会错过战机 . 3. 5表述方式简洁直观情报更新的速度快 , 对电磁环境的描述要力求简单合理、直观可用 , 指挥员需要的信息必须体现出来 , 而且能让指挥员看得懂、用得上 .4目前 ,多是从仿真模型的角度来进行的 , 不是从指挥员的战场信息需求来进行考虑的 , 对如何直观地描述战场电磁环境、显示各作战阶段战场电磁态势没有详细阐述 , 而在信息化作战条件下 , 一名指挥员所关心的往往是尽量全面、详细地把握战场电磁态势 , 即作战双方电磁力量对垒的形式 , 包括双方电磁信号在时域、频域、空域及能量域等几个方面的分布特性以及电磁干扰态势的描述和显示 . 从作战实际需要出发 , 描述战场电磁环境最主要的参数有以下几个 .4. 1信号密度主要指单位时间内一定频段内战场无线电信号的数量 , 也可用单位地域内电磁辐射源的数量表示 , 电磁辐射源数量与电子对抗战术及电子装备类型有关 , 例如 , 集团军地域内的雷达辐射源数达 10部 /km 2.4. 2信号强度指在接收点无线电信号的场强 . 信号强度直接影响到电子对抗侦察、电子干扰的效果 . 实际上 , 某一点的电磁信号是无数电磁信号的叠加 , 测定具体一点的电磁场强非常繁琐且现实意义不大 . 因此 , 要求能给定在某一点 , 针对某一发射信号的信号强度 . 4. 3信号类型指挥员必须了解战场上电磁信号的类型 , 为有针对性地策划行动方案、调整部署和配备兵力、兵器提供依据 . 信号类型有多种区分方法 :按发射信号的电子设备用途分为通信信号、雷达信号、无线电引信信号、制导信号、导航信号等 ; 按短波信号、 ; 地波信 ; 还可分为模拟 ; 连续信号与脉冲信号等 .4. 4信号分布通常可从时域、频域、空域、能量域 4个方面来描述 , 时域分布描述的是不同时段内信号的分布情况 , 频域分布描述的是信号在不同频段的分布情况 , 空域分布描述的是信号辐射源在不同空 (地域的分布情况 , 能域分布描述的是电磁信号功率强弱的变化情况 .复杂电磁环境是未来信息化战争所要面临的首要问题 , 深入研究复杂电磁环境的特点规律 , 合理运用电磁效应进行部队建设 , 是打赢信息化条件战争的必然要求 , 也是我军全面建设的着力点 , 必须集中各方面技术力量集体攻关、破解难题 , 探索研究出科技含量高、实用性强的复杂电磁环境下作战装备器材和战法保障法 .参考文献 :[1]戴福山 . 大气波导及其军事应用 [M].北京 :解放军出版社 , 2002.[2]王英志 , 章新华 , 张新杰 . 战场电磁环境可视化研究 [J ].现代防御 , 2004, 32(6 :38-42.[3]赵建兵 , 汤大荣 . 战场电磁环境可视化问题初探 [J ].情报指挥控制系统与仿真技术 , 2002(8 :28-31. [4]杨显清 . 电磁场与波 [M].成都 :电子科技大学出版社 , 1998.12高岩 , 等 :复杂电磁环境特性。
第1章绪论1.1 课题背景及意义任何作战行动都在一定的空间和环境中进行。
作战空间和作战环境是一个时代的科学技术、武器装备、作战方式和自然因素有机结合的产物。
当今时代,信息技术的迅猛发展及其在军事领域的广泛应用,孕育了新的战争形态——信息化战争,信息化战争中,交战双方大量使用电子信息装备,不仅数量庞大、体制复杂、种类多样,而且功率大,在激烈对抗条件下所产生的多类型、全频谱、高密度的电磁辐射信号,以及己方大量使用电子设备引起的相互影响和干扰,造成在电磁信号时域上突发多变、空域上纵横交错、频域上拥挤重叠。
即信息化战争开辟了与陆海空天相并列的“第五维战争空间”——电磁空间,形成了与传统的社会、地理、气象、水文等并重的新的战场环境——战场电磁环境。
随着军队信息化进程的加快,战场电磁环境日益复杂,电磁空间的斗争空前加剧,并对军事活动产生着深刻的影响。
使得战场感知难、指挥控制难、支援保障难以及信息化装备作战效能难。
因此夺取制电磁权,成为夺取制信息权,进而夺取战争主动权的关键。
深入研究复杂战场电磁环境,对掌握信息化战争的主动权,打赢信息化战争具有重要意义。
1.2战场复杂电磁环境的相关研究现状战场电磁环境对于世界而言还是个全新的学科,各国对于战场电磁环境的认识与研究还有无限的提升的空间。
美国国防部认为,电磁环境(EME)是存在于防护区内的一个或若干个射频场战场,在2009年指出战场电磁环境是军队、系统或平台在指定的作战环境中执行作战任务时,可能遇到的在不同频段辐射或传导的电磁发射体的功率与时间分布的作用结果。
前苏联军事百科全书中指出,电磁环境是影响无线电装置或其部件工作的电磁辐射环境。
美、俄(苏)军方对于电磁环境概念的表述不仅限于一定区域内的电磁现象总和,更有时域、频域、空域、能量域“四域”特征方面的认识。
我国对战场电磁环境相关问题的研究起步较晚,且战场电磁环境概念在学术界还未统一。
其中具有代表性的观点是:战场电磁环境,就是指在一定的战场空间内,由空域、时域、频域、能量上分布的数量繁多、样式复杂、密集重叠、动态交迭的电磁信号构成的战场电磁环境。
浅谈复杂电磁环境随着科学技术的发展,各种装备的日益现代化,微电子器件和电发火装置大量增加,现代化的机电系统的电磁敏感度越来越高。
另外,在高技术条件下,空间的电磁环境日益复杂,除雷电、静电等自然危害源之外,还有通信、雷达、电子战装备和定向能电磁脉冲武器、电磁脉冲炸弹等人为电磁危害源。
这些复杂多变的电磁环境,尤其是静电放电和高功率微波等快上升沿脉冲电流形成的电磁脉冲场,对装备的安全性乃至生存能力构成了严重的威胁。
因此,研究电磁环境效应及其防护对策,己成为当今各发达国家研究的重要课题之一。
1、电磁环境与电磁环境效应电磁环境是指存在于给定空间所有电磁现象的总和。
构成电磁环境的各种电磁危害源十分复杂,既有雷电、静电之类自然电磁危害源,又有雷达、通讯、广播、电子对抗等射频源和定向脉冲弹之类的人为电磁危害源。
这些危害源总体或某一种对装备或生物体的作用效果称作“电磁环境效应”( electromagnetic environment effects),一般简称为E3问题。
美国政府工作报告在1991年就强调指出:“应把电磁环境效应和每个武器系统的维修计划与集成化后勤保障计划放在同等重要的地位”。
此后,美国国防部还专门召开电磁环境会议,研究E3与信息战的问题。
目前,美军有世界上规模最大、设备最先进的陆、海、空三军电磁脉冲效应研究机构。
该研究机构着重于军事项目和暴露环境的研究,并对美军各种电磁辐射装备提出暴露标准。
科索沃战争和“911”之后的伊拉克战争都表明,美国十分重视用电磁炸弹和电磁脉冲武器打击重要军事目标和电台等民用设施。
可见,电磁环境效应尤其是电磁脉冲或高功率微波武器,在未来对各种电磁敏感系统的威胁是不可忽视的。
2、电磁环境的作用机理及其效应在电磁脉冲效应研究中,人们十分关注电磁脉冲的作用机理与效果,尤其是快上升沿的电磁脉冲对武器装备的影响具有奇特的作用。
实验研究表明,各种电磁危害源主要是通过能量的传导耦合或辐射耦合模式发生作用。
复杂电磁环境电磁波无时无刻不在影响着人们的生活及生产,电磁能的广泛应用,使工业技术的发展日新月异。
电磁能在为人类创造巨大财富的同时,也带来一定的危害。
无线通讯技术、电力电子技术、计算机技术等的高速发展及运用,导致电磁环境日趋复杂,复杂电磁环境泛指由密集、重叠、无序的电磁波构成的电磁环境。
一、概述1、狭义的复杂电磁环境复杂电磁环境一词,在军事领域用于特指作战时空内,人为电磁发射和多种电磁现象的总合,是信息化战争的舞台,是信息化战场的基本特征。
海湾战争的“沙漠风暴”行动实施后,多国部队的多种电子战飞机首先升空,与其他电子对抗设备一起对伊军的电台、雷达和通信设备进行压制性干扰,使伊军的通信联络中断、电子设备失去作用,雷达显示器上一片杂波,从而为之后的获胜奠定了基础。
未来的信息化战场上,传统的夺取制空权,取决于夺取制信息权;夺取制信息权,基础是夺取制电磁权。
复杂电磁环境,是信息化战争的舞台,是信息化战场的基本特征。
推进机械化条件下的作战向信息化条件下的作战转变,必须深入研究复杂电磁环境下的作战问题。
信息化战争多是从电磁场拉开序幕,随着新军事变革的不断推进,战争形态由机械化向信息化演变的速度越来越快,复杂的战场电磁环境,正是战争形态演变的产物,并将随着信息化战争的发展而发展。
2、广义的复杂电磁环境电磁波作为一种特殊形态的物质,广泛存在于整个宇宙中。
电磁环境是指存在于给定场所的所有电磁现象的总和,是由各种电磁波构成的环境,具有空间、时间和频谱三个要素。
它由人为电磁环境和自然电磁环境组成。
电磁波无时无刻不在影响着人们的生活及生产,电磁能的广泛应用,使工业技术的发展日新月异。
电磁能在为人类创造巨大财富的同时,也带来一定的危害。
无线通讯技术、电力电子技术、计算机技术等的高速发展及运用,导致电磁环境日趋复杂,复杂电磁环境泛指由密集、重叠、无序的电磁波构成的电磁环境。
二、电磁兼容与复杂电磁环境密切相关的,频繁使用的一个词就是“电磁兼容”。
复杂电磁环境下干扰识别与抑制研究一、复杂电磁环境概述复杂电磁环境是指在一定的时间和空间范围内,由各种电磁辐射源产生的电磁波在传播、散射、反射等过程中形成的电磁场分布复杂多变的环境。
这种环境通常由自然电磁现象和人为电磁活动共同构成,包括无线电通信、雷达探测、电子对抗等多种电磁活动。
在现代战争中,复杂电磁环境对电子设备的干扰和影响日益显著,对事通信、导航、定位等系统的正常运行构成了严重威胁。
1.1 复杂电磁环境的特点复杂电磁环境具有以下特点:首先,电磁信号种类繁多,包括各种频率、波形和调制方式的信号;其次,电磁环境动态变化,由于电磁源的移动、开关机、频率变化等因素,电磁环境的电磁场分布会不断变化;再次,电磁干扰强度高,特别是在事冲突区域,电子对抗活动频繁,电磁干扰强度可能达到非常高的水平;最后,电磁环境的不确定性,由于电磁环境的复杂性和动态性,很难准确预测和控制。
1.2 复杂电磁环境的影响复杂电磁环境对电子设备的影响主要表现在以下几个方面:一是信号干扰,电磁干扰可能导致信号失真、丢失或延迟,影响通信质量;二是系统性能下降,电磁干扰可能使电子设备的工作性能下降,如灵敏度降低、精度下降等;三是设备损坏,强烈的电磁脉冲可能对电子设备造成永久性损坏;四是信息泄露,电磁泄漏可能被敌方利用,导致信息安全问题。
二、干扰识别技术干扰识别是指在复杂电磁环境中,通过分析接收到的电磁信号,识别出干扰信号并确定其来源和特性的过程。
干扰识别是干扰抑制的前提,只有准确识别干扰,才能采取有效的抑制措施。
2.1 干扰识别方法干扰识别方法主要包括以下几种:首先是信号特征分析法,通过分析信号的频率、波形、调制方式等特征,识别出干扰信号;其次是信号源定位法,通过测量干扰信号的到达时间和角度,确定干扰源的位置;再次是机器学习方法,利用机器学习算法对大量干扰数据进行训练,建立干扰识别模型,实现自动干扰识别。
2.2 干扰识别的关键技术干扰识别的关键技术包括:信号处理技术,如滤波、检测、估计等,用于提高干扰识别的准确性;模式识别技术,如神经网络、支持向量机等,用于提高干扰识别的智能化水平;数据融合技术,通过融合多源数据,提高干扰识别的可靠性。
复杂电磁环境的若干探讨从陆战场到海战场,再从海战场到空战场,战争方式发生了由平面到立体的巨变。
而今,又出现了联合作战、体系对抗、精确打击等多种作战模式,他们所依赖的信息获取、传递、控制、干扰等,绝大部分要通过电磁波这个媒介完成,这些作战行动对电磁活动的依赖性越强,制电磁权的较量便越激烈,电磁活动空间在战场构成中的地位也越突出。
由电磁活动构成的隐形电磁空间的形成,成为与空间、地面和海洋并存的第四维战场。
由此而带来的无线电频率使用相互冲突、电子系统间相互干扰,已成为影响现代战争结局的一个不容忽视的课题。
1如何构建复杂电磁环境1.1复杂电磁环境的定义及其表现形式电磁环境,是指在传输媒质中存在的电磁场或电信号。
信息化战争中,交战双方大量使用电子信息装备,不仅数量庞大、体制复杂、种类多样,而且功率大,在激烈对抗条件下所产生的多类型、全频谱、高密度的电磁辐射信号。
以及己方大量使用电子设备引起的相互影响和干扰,造成在电磁信号时域上突发多变、空域上纵横交错、频域上拥挤重叠。
复杂电磁环境,就是指在一定的战场空间内.由空域、时域、频域、能量上分布的数量繁多、样式复杂、密集重叠、动态交迭的电磁信号构成的电磁环境。
从它的定义可以看出,复杂电磁环境是战场电磁环境复杂化在空域、时域、频域和能量上的表现形式。
1.2构建复杂电磁环境的方法构建复杂电磁环境,就是要力求构建接近实战的战场电磁环境,纵观外军训练中复杂电磁环境的构建方法,除了利用真实的武器装备外,还要大量依靠各类信号模拟器、计算机模拟技术、分布式交互仿真技术、以及能够模拟假想敌的部队等。
1.2.1利用真实的电子装备产生复杂的电磁威胁环境真实的武器装备始终是构建逼真战场环境的首选,电子装备也是如此。
但由于电子装备直接关系到战场上的制信息权,一般很难获取敌方的电子装备实体,通常是通过在战争中缴获或者从第三国购买。
1989年,德国统一使得北约波利冈电子战靶场获得了大量苏制SPN30和SPN40地形匹配雷达干扰机等系统,使之一举成为北约靶场中承担针对苏式防空训练任务的主要基地。
试点论坛shi dian lun tan191论复杂电磁环境效应分析及环境保护控制实现◎修敬檑摘要:现代社会,电磁环境越加复杂,电磁环境效应对信息系统的影响也更为广泛,因而电磁环境的控制问题也就至关重要,本文基于复杂电磁环境效应对电子信息系统的影响,研究了实现环境控制的相关技术。
关键词:复杂电磁环境;电磁环境效应;电磁环境控制《战场电磁环境术语》一文对“电磁环境”这一概念给出了较为明确的说明,它指出,电磁环境是一种由多种电磁信号组成的一种存在,这一存在会给电子信息系统带来影响,也会给武器装备的运用产生一定的影响,因此对于电磁环境问题的研究,具有重要的现实意义。
本文就复杂电磁环境这一问题做简单的分析,其次重点探讨了在复杂电磁环境效应下环境控制的实现技术。
一、复杂电磁环境分析复杂电磁环境情况种类包含有两种,一种是人为的电磁环境、一种是自然环境造成的电磁环境。
其中,人为的电磁环境通常会在电子导航、雷达等中得到运用,而自然环境的电磁环境则主要表现为静电、雷电等[1]。
较之自然环境的电磁环境,人为的电磁环境下的辐射源要更为复杂,这种复杂性主要表现在其会受人为的操作而发生变化,也会因为受到不同系统的操作而变化,基于这两种原因,人为电磁环境的复杂性要比自然环境的电磁环境表现的更为明显。
下面就复杂电磁环境的特性做详细的分析:(1)电磁信号变化:在特定的信息空间领域中,电子信息系统会得到一个集中使用,在集中使用电子系统的情况下,该区域内的电磁信号就会发生变化。
(2)电磁辐射源构成复杂:在网络与信息技术的推动下,全球的信息系统网络也更为密集,这使得电子化的信息系统规模越来越大,电磁环境也更为复杂,辐射源的构成类型显现出多样化的特征。
(3)电磁能量均匀密度:通常情况下,电磁环境会影响电磁能量的均匀密度,例如辐射源的变化会改变电磁能量的分布、能量的变化也会影响电磁信号分布的均匀度与电磁信号的变化规律。
二、复杂电磁环境效益电磁环境会给电子信息系统带来一定的影响,而电子信息系统又与现代人的生活密切相关,这就使得人们对复杂电磁环境效益问题密切关注。
复杂电磁环境下的电磁兼容性分析与研究跟随着现代科技的不断发展,电子技术的应用日益普及。
在一个不断连接的世界里,无论是家庭环境还是工业环境,各种不同类型的电子设备都被应用到了各种不同的情况中,从而形成了复杂电磁环境。
在这个环境中,电磁兼容性显得尤为重要。
那么,在这篇文章中,我将着眼于复杂电磁环境下的电磁兼容性分析与研究。
一、什么是电磁兼容性分析电磁兼容性(EMC)是确保电子设备在复杂电磁环境中工作正常的能力。
它通常定义为电子设备不产生干扰,不受到带电对象干扰和不会被环境电磁场干扰。
电磁环境包括电源电磁噪声、辐射干扰、接地规划和电磁波的耦合等方面。
电磁兼容性分析是针对电子设备进行的分析和测试,以了解设备是否可以在复杂的电磁环境中正常工作。
电磁兼容性测试将评估电子设备的电磁兼容性能,包括其抗电磁干扰和抗电磁场强的能力。
二、电磁兼容性测试的方法主要可以分为以下几种:1、辐射测试辐射测试主要是测试设备在自然或人造电磁环境下产生的辐射电磁干扰水平。
辐射测试的目的是为了确认设备在极端条件下的电磁兼容性能。
2、传导测试传导测试也被称作互模电感测试,通过测量系统中的电源、接地和信号总线的参数,来评估设备的电磁兼容性。
3、抗扰度测试抗扰度测试是为了评估设备的抗扰度性能,测试设备在振动、温度变化和电源电磁干扰等极端条件下的性能。
三、电磁兼容性测试中的常见问题在电磁兼容性测试中,常见问题,如:1、信号完整性问题测试中出现信号完整性的问题,可以通过增加屏蔽材料、增加屏蔽盖等方式来解决。
2、辐射问题在辐射测试中,出现干扰较高的情况时,可以采用增加地面平面积、减少信号线传导等方式来降低辐射干扰。
3、传导问题如果出现传导问题,可以使用衰减器或增加传导电线长度来降低传导干扰。
四、电磁兼容性测试的重要性随着各种电子设备的广泛应用,电磁兼容性的重要性将越来越明显。
在进行电磁兼容性测试前,可以避免电子设备的设计缺陷引起的问题,从而提高产品质量和稳定性。
复杂电磁环境作战分析任何作战行动都在一定的空间和环境中进行。
作战空间和作战环境是一个时代的科学技术、武器装备、作战方式和自然因素有机结合的产物。
当今时代,信息技术的迅猛发展及其在军事领域的广泛应用,孕育了新的战争形态—信息化战争,开辟了与陆海空天相并列的“第五维战争空间”—电磁空间,形成了与传统的社会、地理、气象、水文等并重的新的战场环境—战场电磁环境。
随着军队信息化进程的加快,战场电磁环境日益复杂,电磁空间的斗争空前加剧,并对军事活动产生着深刻的影响。
夺取制电磁权,成为夺取制信息权,进而夺取战争主动权的关键。
电磁空间是各种电磁场和电磁波组成的物理空间。
战场电磁环境定义为:一定的战场空间中对作战有影响的电磁活动、现象、及其相关条件的总和。
战场电磁环境直接表现为在特定的作战时间和空间内,为完成特定的作战任务, 在自然电磁辐射影响的基础上,由各种电子设备产生的电磁辐射和信号密度的总体状态。
战场电磁环境具有主观性、动态性、随机性和复杂性等特点,而复杂性是其最本质的特性描述。
通常把战场电磁环境的构成分解为人为电磁辐射、自然电磁辐射和辐射传播因素等三个组成部分。
考虑到构建战场电磁环境时,在人为电磁辐射中, 我们特别关心军用有意电磁辐射,又考虑到建模方法的不同归类,在一定条件下,可进一步将用于军事训练的战场电磁环境的构成作如图1所示。
图1 战场电磁环境模拟构建示意图作战双方的军用有意电磁辐射, 是战场电磁环境中最主动,对抗最激烈的部分,它随着作战样式和作战进程而不断能动的变化,因此应该详细描述。
而背景电磁辐射一般与作战和争夺制电磁权的斗争相关较小且变化不大,应该比较粗略地描述。
电磁环境模拟构建是以实战电磁环境为参照,是战场电磁环境在训练场上的临场复现。
为使模拟能够逼真、复现能够真实,构建运行过程应与实际作战运用过程相对应,且必须遵守作战样式、作战规模、作战过程的制约和规范,电磁环境设置必须符合信息条件下战场电磁环境的实际,体现作战意图。
战场电磁环境战场电磁环境摘要:电磁波已经成为战场信息的最佳载体和重要媒介,电磁环境成为从根本上决定和影响其他战场环境要素发挥作用的锁钥。
在着重分析了当前复杂电磁环境下战争的特点的前提下,分析其发展趋势。
进而根据自己的观点提出了应对的方法。
指出了为应对复杂战场电磁环境,军队的发展方向。
关键词:战场;电磁;通信;对抗;信息化一、复杂电磁环境的概念复杂电磁环境,是在有限的时空里,一定的频段上,多种电磁信号密集、交叠,妨碍信息系统和电子设备正常工作,对武器装备运用和作战行动产生显著影响的战场电磁环境。
二、复杂电磁环境的形成(一)电磁应用活动是电磁环境形成的基础电磁应用活动是以电磁波辐射、传播、接收为基础的各类使用电磁波的军用、民用活动,以及科学实验与研究行为。
在电磁应用领域,将电磁波按频率或波长的顺序排列起来就构成了电磁频谱。
无线电波和光波,包括X射线等都是电磁波,只是频率或波长有很大不同。
无线电波主要用于通信,是人类电磁应用活动最早涉足的领域。
1904年日俄战争双方都使用了无线电。
雷达广泛应用于军事、国民经济和科学研究等领域的电子技术设备。
1935年英国设计了世界上第一部实用雷达。
70年代以来,光波通信和激光制导、测距等广泛应用于战场,拓展了战场电磁环境的范畴,尤其是大功率激光的运用,使战场电磁环境向更深层次发展。
(二)电子对抗活动促使战场电磁环境向复杂演变通信对抗、雷达对抗、光电对抗是电子对抗最基本也是应用最为广泛的三个专业。
通信对抗是采用干扰信号或干扰噪音减弱敌方的通信能力,或施放假信号欺骗迷惑敌人的通信联络。
它的原理如同日常生活中当一个人在不太嘈杂的场合和你说话时,你就能听得见;但是当若个人同时和你说话或者环境噪声很大时,你就很难听清。
雷达对抗主要有以下方式:有源干扰、无源干扰、目标隐身、反辐射摧毁。
光电对抗主要方法有激光干扰、激光毁坏,施放烟幕、水幕,进行光电隐身和施放红外诱饵等等。
战争时期,由于电子对抗手段的大量应用,电磁环境呈复杂多变的状态,各种电子对抗行动,都要通过电磁环境为媒介来实施和达成,必然促使电磁环境更加复杂。
2装备指挥技术学院学报2008年1.1电磁环境与复杂电磁环境应定义为:电磁环境对军队、设备、系统和平台作电磁环境(electromagneticenvironment,战能力所产生的影响。
它包罗所有的电磁学科,EME)一般是指存在于某场所的所有电磁现象的如:电磁兼容性与电磁骚扰,电磁易损性,电磁脉总和E1。
21。
冲,电子防护、电磁辐射对人员、军械和挥发性材文献[3]中将电磁环境定义为:在特定的行动料的危害,以及闪电和沉积静电(P—static)等自然环境里军队、系统或者平台执行其规定的任务时现象效应,简称E3[6]。
图1是美军关于电磁环境可能遇到的,在各种频率范围内由辐射或传导的效应的示意图。
电磁发射(水平)功率和时间分布的结果。
它是电磁骚扰,电磁脉冲,电磁辐射对人员、军械和挥发.性材料危害,以及雷电和沉积静电等自然现象的综合。
前苏联《军事百科全书》对电磁环境的定义是:影响无线电装置或者其部件工作的电磁辐射环境。
规定区域内或者目标上的电磁环境,主要取决于无线电装置(及其部件)的数量、工作状态、挚!翟辐掣零妻竺:。
苎县要玲塑:,警孳量苎罂图l电磁环境效应示意图电子战双方在特定的感兴趣的区域内,由使用各自电磁能的电子战系统构成的信号和信号密度的1.3电磁骚扰与电磁干扰总和‘引。
国军标GJB72A一2002中将电磁干扰(elee-从未来战场可能遇到的电磁环境的构成和特tromagneticinterference,,EMI)规定为:任何能点来分析,基本上可以将战场条件下的电磁环境中断、阻碍,甚至降低、限制无线电通信或其他电定义为:在特定的战场空间内,对作战行动有影响气电子设备性能的传导或辐射的电磁能量。
的自然电磁现象和人为电磁现象的总和。
美军将电磁干扰定义为:任何中断、阻碍或降战场电磁环境的构成因素有很多,既有自然低、限制电子或电气设备工作效能的电磁扰动。
因素又有人为因素。
在人为因素中,既有有意电电磁干扰可以是有意的,如某些形式的电子战;也磁干扰,又有无意电磁骚扰,即在人为因素中,既可以是无意的,如寄生辐射与响应、交叉调制所产有军用电磁辐射,又有民用电磁辐射;既有我方电生的结果等口]。
磁辐射,又有敌方电磁辐射。
战场电磁环境在时需要指出的是电磁骚扰与电磁干扰是2个既域、频域、能域和空域的分布呈现出随机动态的特有联系又有区别的概念。
电磁骚扰包含了自然和征。
文献[5]中指出:军事行动是在越来越复杂的人为2方面的电磁扰动,是一个没有敌我属性之电磁环境中实施的。
由于战场电磁环境受参战地分的中性词,一般用于己方或友方系统内部的电域装备的分布状况、工作频率、辐射功率(场强)、磁扰动现象;而电磁干扰则往往是指人为的有目辐射方式、所处地理环境、气象条件等多种因素的的的电磁行为,一般是指敌对双方间的电磁行为。
影响,所以战场电磁环境是复杂的、随机的,通常另外,电磁骚扰是从危害来源的角度讲,电磁干扰称为复杂电磁环境。
则是从电磁危害源造成的某种作用结果来讲,从综上所述,复杂电磁环境应定义为:在一定的这种意义上来说有些电磁骚扰不一定能构成数量繁多、样式复杂、动态随机的多种电磁信号交~平时,无论在学术活动和实际工作中的大多战场空间,由时域、频域、能域和空域上分布密集、干扰。
叠而成的,对装备、燃油和人员等构成一定影响的数场合往往将电磁骚扰和电磁干扰2个概念混淆战场电磁环境。
在了一起,没有区分什么是骚扰,什么是干扰,而1.2电磁环境效应习惯将其统称为干扰。
电磁环境效应(electromagneticenvironment1.4电磁兼容性、电磁防护与频谱管理effects)[13是指构成电磁环境的某种因素或总体电磁兼容性(electromagneticcompatibility,对装备和易挥发材料及生物体等的作用效果。
EMC)是指设备、分系统、系统在共同的电磁环境美军2007年出版的《电子战》将电磁环境效中能一起执行各自功能的共存状态。
包括:复杂电磁环境内涵及效应分析作者:刘尚合, 孙国至, LIU Shanghe, SUN Guozhi作者单位:军械工程学院,重点实验室,河北,石家庄,050003刊名:装备指挥技术学院学报英文刊名:JOURNAL OF THE ACADEMY OF EQUIPMENT COMMAND & TECHNOLOGY年,卷(期):2008,19(1)被引用次数:33次1.刘尚合武器装备的电磁环境效应及其发展趋势[期刊论文]-装备指挥技术学院学报 2005(01)2.中国人民解放军总装备部技术基础管理中心GJB 72A-2002.电磁干扰和电磁兼容性术语 20023.Anon.Department of defense dictionary of military and associated terms 20074.王汝群战场电磁环境 20065.Joint doctrine for electronic warfare 20076.Electronic warfare 20077.陈东军事电磁频谱管理概论 20078.刘尚合;武占成静电放电及危害防护 20049.电子战技术与应用-通信对抗篇编写组电子战技术与应用:通信对抗篇 200510.IANOZ M;WIPF H Modeling and simulation methods to assess EM terrorism effects[外文会议] 20001.张斌.胡晓峰.胡润涛.张昱.ZHANG Bin.HU Xiao-feng.HU Run-tao.ZHANG Yu复杂电磁环境仿真不确定性空间构建[期刊论文]-计算机仿真2009,26(2)2.刘尚合.LIU Shang-he武器装备的电磁环境效应及其发展趋势[期刊论文]-装备指挥技术学院学报2005,16(1)3.刘己斌.关祥辰.路建伟.张艺.LIU Ji-bin.GUAN Xiang-chen.LU Jian-wei.ZHANG Yi复杂电磁环境下雷达探测能力分析及仿真[期刊论文]-系统工程理论与实践2008,28(5)4.李莉.孙振华.李立伟.单月晖.LI Li.SUN Zhenhua.LI Liwei.SHAN Yuehui装备定型试验中复杂电磁环境研究[期刊论文]-装备指挥技术学院学报2009,20(2)5.孙玉涛.路建伟.冷振华.SUN Yutao.LU Jianwei.LENG Zhenhua复杂电磁环境下地空导弹系统生存能力评估[期刊论文]-电光与控制2010,17(8)6.赵保军.刘涛.赵全习.赵国红.ZHAO Bao-jun.LIU Tao.ZHAO Quan-xi.ZHAO Guo-hong复杂电磁环境威胁模型研究[期刊论文]-现代防御技术2009,37(4)7.刘军.LiuJun信息化战场复杂电磁环境对作战的影响[期刊论文]-西安政治学院学报2007,20(4)8.罗小明.LUO Xiaoming复杂电磁环境下装备保障指挥效能评估指标体系及方法研究[期刊论文]-装备指挥技术学院学报2008,19(3)9.洪家财.侯孝民.HONG Jiacai.HOU Xiaomin美军电磁环境效应研究启示[期刊论文]-装备指挥技术学院学报2009,20(3)10.贾立印.雷斌.钟圣.JIA Li-yin.LEI Bin.ZHONG Sheng检测电磁环境的构建与评估方法研究[期刊论文]-通信技术2010,43(11)1.原亮.巨政权.满梦华.常小龙.褚杰.丁国良.周永学仿生层级标定与电磁仿生模型建立[期刊论文]-高技术通讯2.巨政权.郑见灵.满梦华.常小龙三模冗余演化自修复系统可靠性及状态规律分析[期刊论文]-电讯技术 2012(2)3.丁潇.陈亚洲战场复杂电磁环境的仿真与构建方法研究[期刊论文]-装备环境工程 2011(1)4.刘述民.张勇强.吴杰飞行装备ARMA滤波的电磁防护方法分析[期刊论文]-装备环境工程 2011(6)5.康广.汤敬武.宋文渊部队训练复杂电磁环境构建方法研究[期刊论文]-国防科技 2011(4)6.辛登松复杂电磁环境下短波通信使用问题研究[期刊论文]-计算机光盘软件与应用 2010(2)7.杨彭远.卢兴华复杂电磁环境装备维修训练效果评估模型设计研究[期刊论文]-科技广场 2010(5)8.杨彭远.卢兴华复杂电磁环境装备维修训练效果评估模型研究[期刊论文]-价值工程 2010(20)9.晋耀.潘文庚.郭巍巍复杂电磁环境下机载制导弹药的电磁兼容研究[期刊论文]-装备环境工程 2010(4)10.谢鹏浩.许滨.刘伟莲在平面波环境下对某型电子设备的仿真实验研究[期刊论文]-军械工程学院学报 2009(1)11.张斌.胡晓峰.胡润涛.张昱复杂电磁环境仿真不确定性空间构建[期刊论文]-计算机仿真 2009(2)12.吴秀鹏.王骏.刘亚东.张乾复杂电磁环境下装备保障训练内容模块化研究[期刊论文]-装备环境工程 2009(3)13.孙国至.魏保华.王会来.付立防空导弹雷达抗干扰性能评估研究[期刊论文]-弹箭与制导学报 2009(5)14.徐永成.罗日荣.陈循.陶利民.宋昆复杂电磁环境下装备损伤模式与保障问题研究[期刊论文]-国防科技2008(4)15.巨政权.原亮.满梦华.王创伟电子系统的层次分解及建模[期刊论文]-现代电子技术 2011(5)16.汪宗福.杨于杰.齐万泉.单涛基于双因素方差分析的混响室搅拌器优化研究[期刊论文]-宇航计测技术 2010(1)17.刘治国.孙连宝.王祎海战场电磁环境仿真系统及数学模型研究[期刊论文]-舰船科学技术 2010(4)18.程芳.沈怀荣三维地理环境下电磁环境仿真研究[期刊论文]-装备指挥技术学院学报 2010(6)19.陈训韬复杂电磁环境无线电系统SUE评估[期刊论文]-通信技术 2010(8)20.杨彭远.卢兴华.黄童圣.叶卫民复杂电磁环境下装备保障训练效果评估研究[期刊论文]-装备环境工程 2010(4)21.余辉.李冬.张超.周磊复杂电磁环境对电子战作战指挥系统的影响分析[期刊论文]-电子信息对抗技术 2009(5)22.刘尚合.原亮.褚杰电磁仿生学-电磁防护研究的新领域[期刊论文]-自然杂志 2009(1)23.满梦华.原亮.巨政权.解双建.褚杰嵌入式系统门级在线自修复技术研究[期刊论文]-计算机工程 2011(19)24.张斌.胡晓峰.姜忠钦.胡润涛战场复杂信息环境体系仿真研究[期刊论文]-装备指挥技术学院学报 2009(4)25.种银保.赵安.向逾复杂电磁环境下现代数字医疗设备防护技术研究[期刊论文]-医疗卫生装备 2011(3)26.周明军.孙宏装备保障训练复杂电磁环境构建探析[期刊论文]-装备指挥技术学院学报 2009(1)27.孙国至.刘尚合.安霆.张勇强.贺其元某电子系统的ESD抗扰度性能研究[期刊论文]-中国电子科学研究院学报2008(4)28.原亮.魏明.褚杰.丁国良.周永学复杂电磁环境下电子系统仿生防护模式研究[期刊论文]-军械工程学院学报2011(5)29.王晶.李智.来嘉哲.孟宪杰战场电磁环境系统研究[期刊论文]-现代防御技术 2010(5)30.满梦华.巨政权.原青云.周永学.原亮.刘尚合基于电磁仿生概念的静电放电注入损伤防护模型设计[期刊论文]-高电压技术 2011(2)31.康广.宋辉通用装备保障训练需求分析框架研究[期刊论文]-军械工程学院学报 2010(6)32.王晶.李智.来嘉哲.叶伊战场电磁环境内涵与特性分析[期刊论文]-装备环境工程 2009(5)33.康广.宋辉通用装备保障训练需求分析框架研究[期刊论文]-军械工程学院学报 2010(6)34.刘涛.赵保军.杨旭防空导弹作战复杂电磁环境威胁势研究[期刊论文]-现代防御技术 2011(5)本文链接:/Periodical_zhjsxy200801001.aspx。