第五章 钢桁架桥
- 格式:ppt
- 大小:660.00 KB
- 文档页数:71
钢桁架桥的结构设计与分析1、概述钢桁架桥以其跨越能力强、施工速度快、承载能力强、耐久性好普遍应用于铁路桥梁。
长期以来,由于钢材价格高,材料养护费用高,钢桁架桥梁在公路领域应用较少。
近年来,随着我国炼钢水平的提高,国产的钢材品质已经完全能满足结构安全的需要,同时随着钢结构防腐技术的提高,钢结构桥梁越来越多的在公路工程领域得到应用。
相比较我国当前100m左右中等跨径常用的桥型如连续梁、系杆拱、矮塔斜拉桥等结构,钢桁架桥梁虽然建筑成本高,但刨去成本控制的因素,钢桁架桥具有以下的几点优越性:1.建筑高度低,由于钢桁架结构主桁主要由拉杆和压杆构成,对杆件界面的抗弯刚度要求不大,因此钢桁架的建筑高度由横梁控制,在桥梁宽度不是非常大时可极大的降低桥梁建筑高度,尤其适用于对桥梁建筑高度有严格限制的桥梁;2.施工周期短,速度快。
钢桁架施工可在工厂制作杆件,运到现场拼装成桥,可采用顶推和支架拼装等方法,这使它在很多工期较紧的工程(如重要道路的桥梁改建)和跨越重要道路的跨线桥上成为桥型首选之一;3.随着钢结构防腐技术的提高,钢桁架桥的耐久性大为提高,同时钢材作为延性材料,结构安全性较混凝土桥梁高。
正因为钢桁架桥梁的这几方面的优点,桁架桥梁成为特定条件下的经济而合理的桥型选择。
2、结构设计公路桥位于江苏省境内,正交跨越京杭大运河,河口宽95m,通航净空要求90x7m,桥梁主跨采用97m,由于桥梁中心至桥头平交处距离仅140余米,若采用其他结构纵坡将达到5%以上,经综合考虑,主桥采用97m下承式钢桁架结构。
2.1主桁主桁采用带竖杆的华伦式三角形腹杆体系,节间长度5.35m,主桁高度8m,高跨比为1/12.04。
两片主桁中心距为8.6m,宽跨比为1/11.2,桥面宽度为8m。
图1主桁一般构造图主桁上下弦杆均采用箱形截面,截面宽度500mm,高度均为540mm,板厚20~24mm,工厂焊接,在工地通过高强度螺栓在节点内拼接。
钢桁架桥计算书-毕业设计目录1.设计资料 (1)1.1基本资料 (1)1.2构件截面尺寸 (1)1.3单元编号 (3)1.4荷载 (5)2.力计算 (7)2.1荷载组合 (7)2.2力83.主桁杆件设计 (10)3.1验算容 (10)3.2截面几何特征计算 (11)3.3刚度验算 (14)3.4强度验算 (15)3.5疲劳强度验算 (16)3.6总体稳定验算 (17)3.7局部稳定验算 (17)4.挠度及预拱度验算 (18)4.1挠度验算 (18)4.2预拱度 (19)5.节点应力验算 (20)5.1节点板撕破强度检算 (20)5.2节点板中心竖直截面的法向应力验算 (21)5.3腹杆与弦杆间节点板水平截面的剪应力检算 (22)6.课程设计心得 (22)1.设计资料1.1基本资料(1)设计规《公路桥涵设计通用规》(JTG D60-2004);《公路桥涵钢结构及木结构设计规》(JTJ 025-86);(2)工程概况该桥为48m下承式公路简支钢桁架梁桥,共8个节间,节间长度为6m,主桁高10m,主桁中心距为7.00m,纵梁中心距为3m,桥面布置2行车道,行车道宽度为7m。
(3)选用材料主桁杆件材料采用A3钢材。
(4)活载等级采用公路I级荷载。
1.2构件截面尺寸各构件截面对照图各构件截面尺寸统计情况见表1-1:表1-1 构件截面尺寸统计表1.3单元编号(1)主桁单元编号(2)桥面系单元编号(3)主桁纵向联结系单元编号(4)主桁横向联结系单元编号1.4荷载(1)钢桥自重按A3钢材程序自动添加。
(2)桥面板自重桥面板采用C55混凝土,厚度为250mm,宽度为7m,取容重3 。
假设桥面板=25kN m不参与受力,将其视为恒载施加在纵梁上,两纵梁各自承担50%。
10.250725/43.75/q kN m kN m =??=那么,每片纵梁承担21.875kN/m 的荷载。
(3) 桥面铺装不计外侧护墙和侧护栏基座的作用,沥青混凝土容重3=23kN m γ,防水混凝土容重3=24kN m γ。
单线铁路下承式栓焊简支钢桁梁桥课程设计目录第一章设计资料 (1)第一节基本资料 (1)第二节设计内容设计内容 (1)第三节设计要求 (2)第二章主桁杆件内力计算 (3)第一节主力作用下主桁杆件内力计算 (3)第二节横向风力作用下的主桁杆件附加内力计算 (6)第三节制动力作用下的主桁杆件附加内力计算 (8)第四节疲劳内力计算 (9)第五节主桁杆件内力组合 (11)第三章主桁杆件截面设计 (13)第一节下弦杆截面设计 (13)第二节上弦杆截面设计 (15)第三节端斜杆截面设计 (16)第四节中间斜杆截面设计 (17)第五节吊杆截面设计 (19)第六节腹杆高强螺栓数量计算 (21)第四章弦杆拼接计算和下弦端节点设计 (22)第一节E2节点弦杆拼接计算 (22)第二节E0节点弦杆拼接计算 (23)第三节下弦端节点设计 (24)第五章挠度计算及预拱度设计 (25)第一节挠度计算 (25)第二节预拱度设计 (26)第六章桁架梁桥空间模型计算 (27)第一节建立空间详细模型 (27)第二节恒载竖向变形计算 (28)第三节恒载和活载内力和应力计算 (28)第四节自振特性计算 (29)第七章设计总结 (30)下弦端节点设计图 (32)设计资料第一节基本资料1设计规范:铁路桥涵设计基本规范(TB10002.1-2005),铁路桥梁钢结构设计规范(TB10002.2-2005)。
2结构轮廓尺寸:计算跨度L=86.8m,钢梁分10个节间,节间长度d=8.68m,主桁高度H=11.935m,主桁中心距B=5.75m,纵梁中心距b=2.0m,纵联计算宽度B=5.30m,采用明桥面、双侧人行道。
3材料:主桁杆件材料Q345q,板厚≤45mm,高强度螺栓采用40B,精制螺栓采用BL3,支座铸件采用ZG35II、辊轴采用35号锻钢。
4活载等级:中-荷载。
5恒载(1)主桁计算桥面p1=10kN/m,桥面系p2=6.29kN/m,主桁架p3=14.51kN/m,联结系p4=2.74kN/m,检查设备p5=1.02kN/m,螺栓、螺母和垫圈p6=0.02(p2+p3+p4),焊缝p7=0.015(p2+p3+p4);(2)纵梁、横梁计算纵梁(每线)p8=4.73kN/m(未包括桥面),横梁(每片)p9=2.10kN/m。
钢桁架桥承台施工方案一、施工准备在施工开始前,我们需要做好以下准备工作:对施工场地进行清理,确保无杂物、无积水,满足施工条件。
根据设计图纸和施工方案,进行现场勘查,确认施工范围和施工方法。
编制施工计划和施工进度表,确保施工顺利进行。
准备所需的机械设备、材料和施工人员,并对设备进行检查和试运行,确保其正常运行。
二、承台基础施工按照设计要求,在承台位置进行基础开挖,确保开挖深度和尺寸符合设计要求。
对基础进行夯实和排水处理,确保基础坚实、无积水。
按照设计要求,进行基础钢筋的铺设和固定,确保钢筋位置和数量符合设计要求。
三、钢筋绑扎工作按照设计图纸和施工方案,进行钢筋的切割、弯曲和加工,确保钢筋的尺寸和形状符合要求。
在承台基础上进行钢筋的绑扎工作,确保钢筋的位置、间距和数量符合设计要求。
对绑扎好的钢筋进行检查和验收,确保其质量符合要求。
四、混凝土浇筑在钢筋绑扎完成后,进行模板的搭设和固定,确保模板的位置和尺寸符合设计要求。
按照设计要求,进行混凝土的搅拌和运输,确保混凝土的质量和数量满足施工要求。
进行混凝土的浇筑和振捣,确保混凝土的密实性和平整度符合要求。
五、表面处理在混凝土浇筑完成后,对表面进行抹平和压光处理,确保表面平整、光滑。
对表面进行养护和保护,防止其受到损坏和污染。
六、桥面铺装工作在承台施工完成后,进行桥面的铺装工作,包括桥面板的铺设、焊接和固定。
对桥面进行防水处理和防滑处理,确保其具有良好的使用性能。
七、质量控制措施在施工过程中,严格执行质量标准和施工规范,确保施工质量符合要求。
对每个施工环节进行质量检查和验收,发现问题及时进行处理和整改。
对施工人员进行技术培训和安全教育,提高其技能水平和安全意识。
建立完善的质量管理体系和质量档案,对施工过程进行全面记录和管理。
以上是本钢桁架桥承台施工方案的主要内容,希望能够为您提供有益的参考和帮助。
第五章桥梁工程1.本章定额包括围堰筑岛、基础工程、下部构造、上部构造等。
2.本章主体工程中的基础工程、下部构造、上部构造、人行道的定额区分为:(1)基础工程:自然地基上的基础为基础顶面以下;打桩和灌注桩基础为横系梁底面以下或承台顶面以下;沉井基础为井盖顶面以下的全部工程。
(2)下部构造:桥台:指基础顶面或承台顶面以上的全部工程,但不包括桥台上的路面、人行道、栏杆,如U形桥台有两层帽缘石者,其次层以下属桥台,以上属人行道。
桥墩:指基础顶面或承台顶面(柱式墩台为系梁底面)以上、墩帽或盖梁(拱桥为拱座)顶面以下的全部工程。
索塔:塔墩固结的为基础顶面或承台顶面以上至塔顶的全部工程;塔墩分别的为桥面顶部以上至塔顶的全部工程,桥面顶部以下部分按桥墩定额计算。
(3)上部构造:梁、板桥指墩台帽或盖梁顶面以上、拱桥指拱座顶以上两桥背墙前缘之间、人行道梁底面以下(无人行道梁时为其次层缘石顶面以下)的全部工程,但不包括桥面铺装。
(4)人行道及平安带:人行道梁或平安带底面以上(无人行道梁时为第一层缘石底面以上)的全部工程。
3.本章的混凝土工程中,除钢桁架桥、钢吊桥中的桥面系混凝土工程外,均不包括钢筋及预应力系统。
4.本章定额中除轨道铺设、电讯电力线路、场内临时便道、便桥未计入定额外,其余场内须要设置的各种安装设备以及构件运输、平整场地等均摊入定额中,悬拼箱梁还计入了栈桥码头,运用定额时均不得另行计算。
5.定额中除注明者外,均未包括混凝土的拌和和运输,应依据施工组织设计按第三节的相关定额另行计算。
6.定额中混凝土均按露天养生考虑,如采纳蒸汽养生时,应从各有关定额中每10m3实体减去人工1.5工日及其他材料费4元,另按蒸汽养生定额计算混凝土的养生费用。
7.定额中混凝土工程均已包括操作范围内的混凝土运输。
现浇混凝土工程的混凝土平均远距超过50m时,可依据施工组织设计的混凝土平均运距,按混凝土运输定额增列混凝土运输。
8.大体积混凝土项目必需采纳埋设冷却管来降低混凝土水化热时,可按冷却管定额另行计算。
钢桁架桥施工方案一、项目背景钢桁架桥是一种结构稳定、施工方便、耐久性强的桥梁类型。
它由桁架结构组成,采用钢材作为主要材料,具有抗压、抗弯等优势。
本文将介绍钢桁架桥的施工方案,包括桥梁设计、施工过程和施工注意事项等。
二、桥梁设计1. 桥梁类型选择根据实际情况,选择适合的钢桁架桥类型,包括单孔桥、连续梁桥、悬索桥等。
2. 桥梁设计参数确定确定设计参数,包括桥梁的跨度、标准荷载、设计荷载组合等。
根据设计荷载组合,进行结构计算,确定桁架结构的尺寸和数量。
3. 桥墩设计根据桥梁的荷载传递情况和地基条件,设计合适的桥墩。
考虑桥墩的承载能力、稳定性和抗震性。
三、施工过程1. 基础施工进行桥墩基础的施工,包括基坑开挖、土方回填、基础浇筑等。
同时,根据设计要求设置好桥墩的支撑结构,确保施工安全。
2. 桁架制造根据设计图纸,制造桁架构件。
使用合适的钢材进行焊接和热处理,确保桁架的强度和耐久性。
3. 桁架安装将制造好的桁架安装在桥墩上,使用合适的起重设备进行吊装和定位。
安装过程中,保证桁架的平整度和垂直度。
4. 华测施工进行钢桁架桥的桥面铺设、护栏安装、防水处理等工作。
同时,进行桥梁的验收和力学性能测试,确保桥梁的质量和使用安全。
四、施工注意事项1. 安全问题钢桁架桥的施工过程中,必须严格遵守安全操作规范,使用合适的施工设备和个人防护装备,加强施工现场的安全管理。
2. 质量控制严格按照设计图纸和规范要求进行施工,确保桥梁的质量。
加强对桁架结构的焊接、防腐和检查,确保桁架的强度和耐久性。
3. 施工进度控制合理安排施工进度,确保施工质量和工期的要求。
加强施工组织协调,合理调配人力和机械设备。
4. 环保措施施工过程中,采取必要的环保措施,防止污染土壤和水源。
合理利用施工废弃物,做好垃圾分类和处理工作。
本文介绍了钢桁架桥的施工方案,包括桥梁设计、施工过程和施工注意事项等。
钢桁架桥的施工需要严格遵守安全规范,控制施工质量和进度,同时注重环境保护。
(十六)螺栓、铁件(编号:010516) 螺栓、铁件包括螺栓、预埋铁件和机械连接。
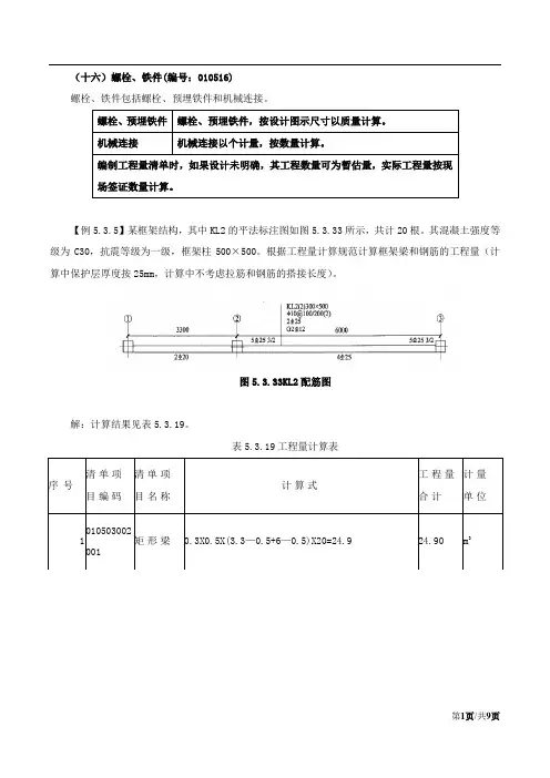
【例5.3.5】某框架结构,其中KL2的平法标注图如图5.3.33所示,共计20根。
其混凝土强度等级为C30,抗震等级为一级,框架柱500×500。
根据工程量计算规范计算框架梁和钢筋的工程量(计算中保护层厚度按25mm ,计算中不考虑拉筋和钢筋的搭接长度)。
图5.3.33KL2配筋图
解:计算结果见表5.3.19。
表5.3.19工程量计算表
六、金属结构工程(编码:0106)
金属结构工程包括钢网架,钢屋架、钢托架、钢桁架、钢架桥,钢柱,钢梁,钢板楼板,墙板,钢构件,金属制品。
所有按设计图示尺寸以质量计算时,金属构件的切边,不规则及多边形钢板发生的损耗在综合单。
钢桁架桥技术方案1. 引言钢桁架桥是一种常见的桥梁结构,具有轻巧、刚性强、施工方便等优点,因此在公路、铁路、人行天桥等场合得到广泛应用。
本文将介绍钢桁架桥的技术方案,包括桥梁材料、结构设计和施工要点等。
2. 桥梁材料选择2.1 钢材钢材是钢桁架桥的主要材料,其优点是强度高、刚性好,并且易于加工。
常见的桥梁钢材有Q235B、Q345B等,其力学性能符合相关标准要求。
在选择钢材时,还应考虑到桥梁的荷载情况和使用寿命,以确定合适的材料和规格。
2.2 锚固材料钢桁架桥端部需要使用锚固材料,以保证桥梁的稳定性和安全性。
常用的锚固材料有耐候钢板、带锚固装置的混凝土墩等,其选用应根据实际情况和设计要求确定。
3. 结构设计钢桁架桥的结构设计是确保桥梁承载能力和稳定性的关键。
以下是一些建议和要点:3.1 主梁设计主梁是钢桁架桥的主要承载构件,其设计应满足桥梁强度和刚度的要求。
主梁通常采用桥梁工程中常见的桁架结构,通过计算和分析确定梁段的尺寸、截面形状和材料型号等参数。
3.2 连接设计连接件是将主梁和支撑点连接在一起的关键部件。
连接件的设计应考虑其承载力和可靠性,常见的连接形式有螺栓连接和焊接连接。
在设计过程中,还需考虑到温度变化和振动等因素对连接性能的影响。
3.3 支撑设计钢桁架桥通常需要设置支撑点来分散和传递荷载,以减小主梁的受力。
支撑设计需要考虑到桥梁的承载能力和结构稳定性,同时还需注意合理布置支撑点的位置和数量。
3.4 桥面设计桥面是钢桁架桥供车辆、行人通行的部分,其设计应满足使用要求和安全性要求。
桥面材料可选用钢板、钢格栅等,其类型和厚度应根据实际使用情况确定。
4. 施工要点4.1 基础施工钢桁架桥的基础施工包括地基处理和基础建设两部分。
地基处理是为了确保桥梁基础的稳固和承载能力,通常包括拓宽、加固和排水等工作。
基础建设是指在地基上进行桥墩和锚固设施的施工,其中桥墩的建设应符合设计要求,并考虑到施工工艺和材料的选择。
桥梁施工技术(山东交通学院)智慧树知到课后章节答案2023年下山东交通学院山东交通学院绪论单元测试1.杭州钱塘江大桥由桥梁专家茅以升主持设计,是我国自行设计、建造的第一座()。
A:混凝土梁桥 B:钢桁架桥 C:钢梁桥 D:斜拉桥答案:钢桁架桥2.卢浦大桥的结构形式为()。
A:钢拱桥 B:混凝土拱桥 C:钢桁架桥 D:钢斜拉桥答案:钢拱桥3.苏通长江大桥上部结构形式为()。
A:拱桥 B:斜拉桥 C:梁桥 D:悬索桥答案:斜拉桥4.桥梁施工技术的发展主要表现在以下几方面,何者不正确()。
A:对于中小跨径的桥梁构件,更多的首先考虑工厂(场)预制,采用装配式结构。
B:桥梁施工机具向着大功能、高效率和自动控制的方向发展,尤其是深水基础的施工机具,大型起吊设备,长大构件的运输装置,高吨位的预应力设备,大型移动模架等。
C:把“最少用料”问题放在重要位置考虑。
D:悬臂施工技术在建造大跨径桥梁中应用最多,施工效率较高,特别是预应力混凝土桥梁,充分利用了预应力结构的受力特点。
答案:把“最少用料”问题放在重要位置考虑。
5.公路桥涵工程施工应符合设计文件的规定,满足安全、耐久、节能的要求,并应()。
A:保证施工速度最快 B:文明施工 C:保证施工费用最低 D:根据施工是否方面建设生产生活设施答案:文明施工6.桥梁施工方法选择需考虑()。
A:选择、设计和制作施工机具设备 B:搜集水文、气象、地质资料等 C:安排水、电、动力及生活设施 D:施工组织与管理答案:选择、设计和制作施工机具设备;搜集水文、气象、地质资料等;安排水、电、动力及生活设施;施工组织与管理7.根据()编制材料供应计划,安排材料、设备和物资的购买运输计划。
A:费用要求 B:施工能力 C:施工进度计划 D:质量要求答案:施工进度计划8.桥梁建设特别是城市桥梁、跨海大桥等,建造时受制于周边环境、施工用地及环境保护等,越来越多的桥梁开始推行装配式施工,以满足安全、环保、快速和优质的新要求。
目录1.设计资料11.1基本资料11.2构件截面尺寸11.3单元编号41.4荷载52.内力计算82.1荷载组合82.2内力93.主桁杆件设计113.1验算内容113.2截面几何特征计算12 3.3刚度验算163.4强度验算173.5疲劳强度验算17 3.6总体稳定验算183.7局部稳定验算194.挠度及预拱度验算204.1挠度验算204.2预拱度215.节点应力验算225.1节点板撕破强度检算225.2节点板中心竖直截面的法向应力验算23 5.3腹杆与弦杆间节点板水平截面的剪应力检算246.课程设计心得241.设计资料1.1基本资料(1)设计规范《公路桥涵设计通用规范》(JTG D60-2004);《公路桥涵钢结构及木结构设计规范》(JTJ 025-86);(2)工程概况该桥为48m下承式公路简支钢桁架梁桥,共8个节间,节间长度为6m,主桁高10m,主桁中心距为7.00m,纵梁中心距为3m,桥面布置2行车道,行车道宽度为7m。
(3)选用材料主桁杆件材料采用A3钢材。
(4)活载等级采用公路I级荷载。
1.2构件截面尺寸各构件截面对照图各构件截面尺寸统计情况见表1-1:表1-1 构件截面尺寸统计表编号名称类型截面形状HB1(B)twtf1(tf)B2tf2C1下弦杆E0E2用户H型0.460.460.010.0120.460.0122下弦杆E2E4用户H型0.460.460.0120.020.460.023上弦杆A1A3用户H型0.460.460.0120.020.460.024上弦杆A3A3用户H型0.460.460.020.0240.460.0245斜杆E0A1用户H型0.460.60.0120.020.60.026斜杆A1E2用户H型0.460.440.010.0120.440.0127斜杆E2A3用户H型0.460.460.010.0160.460.0168斜杆A3E4用户H型0.460.440.010.0120.440.0129竖杆用户H型0.460.260.010.0120.260.01210横梁用户H型 1.290.240.0120.0240.20.024411纵梁用户H型 1.290.240.010.0160.240.01612下平联用户T型0.160.180.010.0113桥门架上下横撑和短斜撑用户双角0.080.1250.010.010.0114桥门架长斜撑用户双角0.10.160.010.010.0 115横联上横撑用户双角0.10.10.010.010.0 116横联下横撑和斜杆用户双角0.080.1250.010.010.0 117上平联用户T型0.2520.240.0120.012 18纵梁间水平斜杆用户角钢0.10.10.010.01 19纵梁间横向连接用户角钢0.090.090.0090.009 20制动撑架用户T型0.160.180.010.011.3单元编号(1)主桁单元编号(2)桥面系单元编号(3)主桁纵向联结系单元编号(4)主桁横向联结系单元编号1.4荷载(1)钢桥自重按A3钢材程序自动添加。
第五章静定桁架和组合结构在结点荷载作用下,桁架中杆件只受轴力(无弯矩无剪力),截面应力均匀分布,故材料性能可得到充分发挥。
组合结构是由两种受力特性不同的杆件(梁式杆和链杆)组成,能发挥这两类杆件的各自优势。
本章主要讨论了桁架的特点、分类和求解方法(结点法、截面法及其联合应用),以及静定组合结构的分析计算。
第一节桁架结构的特点及类型一、桁架的特点梁式杆在荷载作用下,产生的内力主要为弯矩,这会导致截面上的应力分布是很不均匀的(图5-1(a))。
弹性设计时,一般是以某截面的最大应力来决定整个构件的断面尺寸,因而材料强度不能得到充分利用。
桁架结构是由直链杆组成的铰接体系(图5-1(b)),当荷载只作用在结点上时,各杆只有轴力(拉力或压力),截面上应力是均匀分布的,故材料性能可得到充分的发挥。
因此,桁架结构较梁式结构具有更大的优势:(1)材料应用较为经济,自重较轻,是大跨度结构常用的一种形式;(2)可用各种材料制造,如钢筋混凝土、钢或木材均可;(3)结构体型可以多样化,如平行弦桁架、三角形桁架及梯形桁架等形式;(4)施工方便,桁架可以整体制造后吊装,也可以在施工现场高空进行杆件拼装。
图5-1 梁和桁架受力性能比较(a)梁式杆及截面应力分布(b)桁架及应力分布桁架结构在工程实际中有广泛的应用。
如图5-2(a)所示轻型钢屋架和图5-2(b)所示某钢桁架桥等,都是典型的桁架结构实例。
二、桁架的计算简图理想桁架各杆只有轴力(拉力或压力),没有弯矩和剪力,且两端轴力大小相等、方向相反、作用在同一直线上,习惯称为二力杆。
这一受力特点反映了实际桁架结构的主要工作形态。
而实际桁架结构中,如钢筋混凝土桁架的结点是浇铸的,钢桁架使用结点板把各杆焊接在一起的。
这些节点都有一定的刚性,并不是理想铰结点。
同时,杆件也不可能绝对平直,荷载也不可能完全作用在结点上。
这导致实际桁架中杆件内力除轴力外,还有附加的弯矩和剪力对轴力的影响,但这种影响是次要的。