充电桩充电模块
- 格式:docx
- 大小:13.43 KB
- 文档页数:5
充电桩充电模块和充电枪的维修方案下载提示:该文档是本店铺精心编制而成的,希望大家下载后,能够帮助大家解决实际问题。
文档下载后可定制修改,请根据实际需要进行调整和使用,谢谢!本店铺为大家提供各种类型的实用资料,如教育随笔、日记赏析、句子摘抄、古诗大全、经典美文、话题作文、工作总结、词语解析、文案摘录、其他资料等等,想了解不同资料格式和写法,敬请关注!Download tips: This document is carefully compiled by this editor. I hope that after you download it, it can help you solve practical problems. The document can be customized and modified after downloading, please adjust and use it according to actual needs, thank you! In addition, this shop provides you with various types of practical materials, such as educational essays, diary appreciation, sentence excerpts, ancient poems, classic articles, topic composition, work summary, word parsing, copy excerpts, other materials and so on, want to know different data formats and writing methods, please pay attention!现如今,随着电动汽车的普及和发展,充电桩充电模块和充电枪的维修工作变得越发重要。
充电桩模块工作原理、功能及工作方式充电桩模块是一种用于电动车辆充电的设备,它可以为电动车辆提供稳定、安全的充电服务。
充电桩模块通常包括充电接口、控制器、电力电子组件以及通信模块等部分,通过这些部分的协同工作,充电桩模块可以实现对电动车辆的识别、充电管理、数据通信等功能,为电动车辆的充电提供便利和安全保障。
工作原理充电桩模块的工作原理主要是通过控制器和电力电子组件来实现的。
当电动车辆接入充电桩模块时,充电桩模块会先进行车辆的识别和身份验证,确保只有授权的车辆才能进行充电。
随后,充电桩模块会通过控制器对电力电子组件进行控制,根据电动车辆的电池状态和充电需求,调节充电电流和电压,实现对电动车辆的精准充电。
功能充电桩模块具有多种功能,主要包括以下几个方面:1. 车辆识别和身份验证:充电桩模块可以通过识别车辆的信息,进行车辆的身份验证,确保只有授权的车辆才能使用充电服务,保障充电安全。
2. 充电管理:充电桩模块可以根据电动车辆的充电需求,调节充电电流和电压,实现对电动车辆的精准充电,确保充电效率和安全性。
3. 数据通信:充电桩模块可以通过通信模块与充电网络连接,实现对充电桩状态、充电信息等数据的实时传输和监控,以便于管理和运营。
4. 故障诊断和报警:充电桩模块可以实现对充电桩状态的实时监测和故障诊断,一旦发现异常情况,可以及时报警并采取相应的应急措施。
工作方式充电桩模块的工作方式主要包括以下几个环节:1. 车辆插入:当电动车辆接入充电桩模块时,充电桩模块会通过充电接口对车辆进行识别和身份验证。
2. 充电参数配置:经过识别和身份验证后,充电桩模块会根据电动车辆的电池状态和充电需求,配置合适的充电参数,包括充电电流、电压等。
3. 充电过程监控:在充电过程中,充电桩模块会通过控制器实时监测电动车辆的充电状态,以及充电桩的工作状态,确保充电过程的安全和稳定。
4. 数据传输和报警处理:充电桩模块可以通过通信模块与充电网络连接,将充电过程中的数据信息实时传输到后台系统,同时在发生异常情况时,及时报警并采取相应的措施。
1、充电桩模块R75020G1介绍华为整流模块R75020G1采用风冷设计,支持在线热插拔,主要用在电动汽车充电桩上作为电池充电用。
R75020G1是华为公司设计的最新一代电动汽车整流模块,模块人性化设计,安装简单,操作和维护方便华为充电桩整流模块R75020G1是一款高效率、高功率密度的AC-DC整流模块,支持260Vac~456Vac三相电压输入,750Vdc的额定输出,最大输出功率15kW。
整流模块采用隔离设计的CAN通信接口,与监控模块之间的通信采用CAN通信协议,通过监控模块可对整流模块实现调压、限流、单模块开关机等功能2、R75020G1规格参数基本参数尺寸(宽×深×高)206mm×470mm×83mm重量≤12kg散热方式强制风冷输入特性输入电压260-456Vac电压制式三相四线制输入频率40-70Hz,额定频率:50/60Hz输入电流<33A功率因素≥0.99(满载),≥0.98(负载≥50%)谐波≤5%(负载≥50%)输出特性输出电压300-750Vdc,额定电压:300Vdc输出功率15000W(304-456Vac)7500W(260Vac,260-304Vac线性降额)均流精度≤±5%,负载50%~100%范围内峰峰值纹波电压峰值系数<1%,有效值系数<0.5%环境指标工作温度-30℃to+65℃(50℃下不降额)存储温度-40℃to+75℃相对湿度5%-95%(无凝露)海拔高度≤4000米(如果在1000~4000米海拔下使用,最高工作温度有降额,每升高100米降低1℃)MTBF>400,000小时噪音水平≤55dB(25℃,全载)。
充电桩充电模块原理
在充电模块的电源部分,输出的直流电经过整流、滤波、直流转换、恒压(或恒流)控制后,与充电控制芯片的处理结果相结合,完成对电池进行充电。
为了给客户提供最好的充电体验,我司的充电模块选用了美国NXP公司生产的NXPPowerPower系列产品作为输入电源。
充电模块由充电接口部分和控制部分组成,其中控制部分包括:显示模块、电源管理模块和驱动电路等。
显示模块用于显示电池电压、电流、电池温度、电池工作状态等参数。
电源管理模块是充电模块的核心,它将交流电转换为直流电,并且控制充电电流和电压,使其达到电池最佳工作状态。
驱动电路用于驱动充电模块工作,对LED灯进行控制。
NXPPowerPower系列产品具有高可靠性和出色的效率。
在采用标准电压供电时,该系列产品能将输入电压降至±10%的范围内(±2%),且具有出色的效率。
—— 1 —1 —。
智能充电桩模块知识内容智能充电桩是一种集成充电、放电、计量、安全保护等功能的充电设备,是电动汽车发展的重要基础设施之一。
本文将介绍智能充电桩的硬件设计、软件编程、通讯协议、能源管理、安全防护、设备维护和数据分析等方面的知识内容。
1.硬件设计智能充电桩的硬件设计包括充电模块、仪表模块、通讯模块、电源模块等。
充电模块:充电模块是智能充电桩的核心部分,主要包括AC-DC 和DC-DC两种转换器。
AC-DC转换器用于将交流电转换为直流电,为电动汽车充电;DC-DC转换器用于将直流电转换为交流电,为电池充电。
仪表模块:仪表模块主要负责显示充电桩的工作状态、充电电量、时间等信息,同时还可以与用户进行交互,接收用户的指令。
通讯模块:通讯模块用于实现充电桩与外部设备的通讯,包括与电动汽车的通讯、与电力系统的通讯等。
电源模块:电源模块主要负责将市电转换为直流电,为整个充电桩提供稳定的电源。
2.软件编程智能充电桩的软件编程包括算法程序、系统程序、充电控制程序、仪表显示程序等。
算法程序:算法程序是充电桩的核心控制程序,主要用于实现充电过程的优化控制,提高充电效率。
系统程序:系统程序是整个充电桩的操作系统,负责协调和管理各个模块的工作。
充电控制程序:充电控制程序主要负责控制充电过程,根据电动汽车的电池参数和充电需求,选择合适的充电模式和充电电压/电流。
仪表显示程序:仪表显示程序主要负责实时显示充电桩的工作状态和充电信息,同时接收用户的指令并反馈。
3.通讯协议智能充电桩的通讯协议包括有线以太网、无线蓝牙、Zigbee等技术。
有线以太网:有线以太网是智能充电桩最常用的通讯方式之一,具有传输速度快、稳定性高、可扩展性强等优点。
无线蓝牙:无线蓝牙技术具有低功耗、短距离传输等特点,适用于一些移动设备和便携式设备的通讯。
Zigbee:Zigbee是一种低速率的无线通讯协议,适用于一些低功耗、低数据速率的无线通讯场景,如智能家居、工业自动化等。
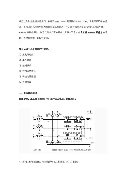
最近这几年充电模块是热门,从最开始的、10kW 到后面的15kW、20kW,功率等级不断的提高。
市场上的充电模块绝大部分都是三相输入,PFC 部分也基本都是采用的三相无中线VIENNA 结构的拓扑。
借这次技术分享的机会,分享一下个人对「三相 VIENNA 拓扑」的理解,希望和大家一起探讨交流。
我会从以下几个方面进行说明:①主电路组成②工作原理③控制模式④控制地的选择⑤母线均压原理⑥原理仿真一、主电路的组成如图所示,是三相 VIENNA PFC 拓扑的主电路,大致如下:1. 三相二极管整流桥,使用超快恢复二极管或 SiC 二极管;2. 每相一个双向开关,每个双向开关由两个 MOS 管组成,利用了其固有的反并联体二极管,共用驱动信号,降低了控制和驱动的难度。
相比其他组合方案,具有效率高、器件数量少的优点;3. 电流流过的半导体数量最少,以 a 相为例:▪双向开关 Sa 导通时,电流流过2个半导体器件,euo=0,桥臂中点被嵌位到 PFC 母线电容中点;▪双向开关关断时,电流流过1个二极管,iu>0 时euo=400V, iu<0 时 euo=-400V,桥臂中点被嵌位到 PFC 正母线或负母线。
二、工作原理电路的工作方式靠控制 Sa、Sb、Sc 的通断,来控制 PFC 电感的充放电,由于 PFC 的 PF 值很接近1,在分析其工作原理时可以认为电感电流和输入电压同相,三相点平衡,并且各相差120度;1. 主电路的等效电路①三相三电平 Boost 整流器可以被认为是三个单相倍压 Boost 整流器的 Y 型并联;②三个高频 Boost 电感,采用 CCM 模式,减少开关电流应力和 EMI 噪声;③两个电解电容构成电容中点,提供了三电平运行的条件;这个 eun 的表达式非常重要。
2. 主电路的开关状态三相交流电压波形如下,U、V、W 各相差120度三相交流电压波形通过主电路可以看出,当每相的开关 Sa、Sb、Sc 导通时,U、V、W 连接到电容的中点 O,电感 La、Lb、Lc 通过 Sa、Sb、Sc 充电,每相的开关关断时,U、V、W 连接到电容的正电平(电流为正时)后者负电平(电流为负时),电感通过 D1-D6 放电,以0~30度为例,ia、ic 大于零,ib 小于零。
充电桩电源模块原理
充电桩电源模块是充电桩的核心部件之一,其原理涉及到电力
传输、转换和控制等多个方面。
首先,充电桩电源模块通常会接入
市电电源,通过变压器将高压交流电转换为适合充电的低压交流电。
接下来,交流电会经过整流器进行整流,将交流电转换为直流电。
随后,直流电会经过滤波器进行滤波处理,以确保输出的电流干净
稳定。
在这一过程中,电源模块还可能包括电流传感器,用于监测
输出电流的大小。
此外,电源模块还会包括充电控制单元,用于监测充电桩与电
动车之间的通信信号,以及控制充电功率、充电模式等参数。
充电
桩电源模块还可能包括保护装置,如过压保护、过流保护、短路保
护等,以确保充电过程中的安全性。
另外,一些先进的充电桩电源模块还可能采用功率因数校正技术,以提高能源利用率并减少对电网的干扰。
在直流快充充电桩中,电源模块还会涉及到直流-直流变换器,用于将市电或者交流电转换
为适合电动车电池充电的直流电。
总的来说,充电桩电源模块的原理涉及到电力转换、控制和保
护等多个方面,其设计和工作原理对充电桩的性能和安全性起着至关重要的作用。
希望以上回答能够满足你的需求。
充电桩模块工作原理
充电桩模块工作原理:
1、电源模块:
采用开关电源技术,通过AC220V或DC12V直流电输入到交流配电柜内,经整流后得到5~30A的电流输出给控制电路。
当输入电压为交流220V时,则通过变压器升压至AC380V;当输入电压为交流380V时(一般用于大功率电动自行车),则通过变压器降压至AC220V。
2、控制模块:
根据不同的负载类型选择相应的功率器件进行驱动和控制处理。
例如对于小功率的电瓶车来说可以选择MOSFET或者可控硅作为主控器件;对于大功率的电瓶车来说可选择IGBT或场效应管作为主要器件。
3、显示模块:
采用LED数码管作为显示装置,具有高亮度、低能耗等优点;同时可以连接液晶显示屏实现人机交互操作界面等功能。
另外还可以配置远程监控软件对整个系统的工作状态进行实时监控和管理等。
充电桩充电模块常见结构、原理以及市场调研随着电动汽车的快速发展,充电桩作为电动汽车产业的基础设施建设越来越受到中央和地方政府的重视,对充电桩电源模块的要求也越来越高,充电模块属于电源产品中的一大类,好比充电桩的“心脏”,不仅提供能源电力,还可对电路进行控制、转换,保证了供电电路的稳定性,模块的性能不仅直接影响充电桩整体性能,同样也关联着充电安全问题。
同时,充电模块占整个充电桩整机成本的一半以上,也是充电桩的关键技术核心之一。
因此,作为充电桩的设备生产厂家,面对激烈的市场竞争,避免在行业洗牌阶段被无情的淘汰出局的悲剧命运,必须掌握并自主研发生产性价比高的充电模块。
一、充电模块生产厂家各主流充电机模块的型号、技术方案,技术参数和尺寸等相关参数如下表所示:(艾默生),盛弘,麦格米特,核达中远通,新亚东方,金威源,优优绿源,中兴、凌康技术,健网科技,菊水皇家,泰坦、奥特迅,英耐杰,科士达,台湾的飞宏,华盛新能,石家庄的通合电子,杭州的中恒电气,北京的中思新科等厂家在对外销售或自家充电桩使用。
二、充电模块的主流拓扑1、前级PFC的拓扑方式:(1)三相三线制三电平VIENNA:’目前市场上充电模块主流的PFC拓扑方式如上图所示:三相三线制三电平VIENNA,英可瑞,英飞源,艾默生,麦格米特,盛弘,通合等均采用此拓扑结构。
此拓扑方式每相可以等效为一个BOOST电路。
由于VIENNA整流器具有以下诸多优点,使得其十分适合作为充电机的整流装置的拓扑。
1、大规模的充电站的建设需要大量的充电机,成本的控制十分必要,VIENNA整流器减少了功率开关器件个数同时其三电平特性降低了功率开关管最大压降,可以选用数量较少且相对廉价的低电压等级的功率器件,大大降低了成本;2、功率密度即单位体积的功率大小也是充电机的重要指标,VIENNA整流器控制频率高的特点使电感和变压器的体积减小,很大程度上缩小了充电机的体积,提高了功率密度;3、VIENNA整流器的高功率因数和低谐波电流,使充电机不会给电网带来大量的谐波污染,有利于充电站的大规模建设。
充电桩充电模块常见结构、原理以及市场调研随着电动汽车的快速发展,充电桩作为电动汽车产业的基础设施建设越来越受到中央和地方政府的重视,对充电桩电源模块的要求也越来越高,充电模块属于电源产品中的一大类,好比充电桩的“心脏”,不仅提供能源电力,还可对电路进行控制、转换,保证了供电电路的稳定性,模块的性能不仅直接影响充电桩整体性能,同样也关联着充电安全问题。
同时,充电模块占整个充电桩整机成本的一半以上,也是充电桩的关键技术核心之一。
因此,作为充电桩的设备生产厂家,面对激烈的市场竞争,避免在行业洗牌阶段被无情的淘汰出局的悲剧命运,必须掌握并自主研发生产性价比高的充电模块。
一、充电模块生产厂家各主流充电机模块的型号、技术方案,技术参数和尺寸等相关参数如下表所示:(艾默生),盛弘,麦格米特,核达中远通,新亚东方,金威源,优优绿源,中兴、凌康技术,健网科技,菊水皇家,泰坦、奥特迅,英耐杰,科士达,台湾的飞宏,华盛新能,石家庄的通合电子,杭州的中恒电气,北京的中思新科等厂家在对外销售或自家充电桩使用。
二、充电模块的主流拓扑1、前级PFC的拓扑方式:(1)三相三线制三电平VIENNA:’目前市场上充电模块主流的PFC拓扑方式如上图所示:三相三线制三电平VIENNA,英可瑞,英飞源,艾默生,麦格米特,盛弘,通合等均采用此拓扑结构。
此拓扑方式每相可以等效为一个BOOST电路。
由于VIENNA整流器具有以下诸多优点,使得其十分适合作为充电机的整流装置的拓扑。
1、大规模的充电站的建设需要大量的充电机,成本的控制十分必要,VIENNA整流器减少了功率开关器件个数同时其三电平特性降低了功率开关管最大压降,可以选用数量较少且相对廉价的低电压等级的功率器件,大大降低了成本;2、功率密度即单位体积的功率大小也是充电机的重要指标,VIENNA整流器控制频率高的特点使电感和变压器的体积减小,很大程度上缩小了充电机的体积,提高了功率密度;3、VIENNA整流器的高功率因数和低谐波电流,使充电机不会给电网带来大量的谐波污染,有利于充电站的大规模建设。
一、导言电动汽车的普及,使得充电桩和充电模块成为当今社会中备受人们关注的话题。
充电桩充电模块的结构和原理对于充电桩的充电效率、安全性以及稳定性都有着至关重要的影响。
本文将全面详解充电桩充电模块的常见结构和原理,以期能够为读者带来更加深入的了解。
二、充电桩充电模块的结构1. 充电桩充电模块的外部结构充电桩充电模块作为一个整体,外部结构主要包括外壳、显示屏、按钮、插座等部分。
外壳通常采用工程塑料或金属材质,具有防水、防尘、防腐蚀等特性。
显示屏一般用于显示充电桩的状态、充电信息等。
按钮用于启动、停止充电等操作。
插座则是电动汽车与充电桩充电模块进行连接的部分。
2. 充电桩充电模块的内部结构充电桩充电模块的内部结构通常包括主控板、充电控制器、电源模块、通信模块、散热模块等部分。
主控板是整个充电桩系统的控制中枢,负责整个系统的协调和控制。
充电控制器用于控制充电过程中的充电电压、电流等参数。
电源模块提供给整个系统所需的各种电力来源。
通信模块用于充电桩与外部服务器的通信。
散热模块则用于散热,保证充电桩的正常工作。
三、充电桩充电模块的原理1. 充电桩充电模块的工作原理充电桩充电模块首先需要接受来自电动汽车的充电请求,然后进行连接、识别等操作,确定充电参数后,开始向电动汽车进行充电。
在充电过程中,充电控制器会根据电动汽车的需求和实际情况来动态调整充电电压、电流等参数,以实现最佳的充电效果。
充电桩充电模块还需要保证充电安全,如过流、过压、过温等保护功能。
2. 充电桩充电模块的充电原理充电桩充电模块的充电原理主要取决于充电模块中的充电控制器。
充电控制器会根据电动汽车的电池类型、充电状态、充电需求等因素来确定充电参数,并将其转化为对应的控制信号,通过电源模块向电动汽车输送所需的电能。
充电控制器监控着充电过程中的各种状态,保证充电过程的安全性和稳定性。
四、充电桩充电模块的性能要求1. 高效性能充电桩充电模块需要具有高效的充电性能,能够在短时间内为电动汽车充满电,提高用户的充电体验。
充电桩模块首次使用方法
《充电桩模块首次使用方法》
嘿,朋友们!今天我要来给大家讲讲充电桩模块首次使用的那些事儿。
就说我上次吧,买了辆电动汽车,那可别提多高兴了。
车到手了,就得给它充电呀,于是我就找到了那个充电桩模块。
哎呀,看着那玩意儿,我心里还有点小紧张呢。
我走到充电桩跟前,左看看右看看,就跟看个宝贝似的。
上面有各种按钮和指示灯,我这心里直犯嘀咕:“这该咋整呢?”不过咱也不能退缩呀,硬着头皮上呗。
我先找到那个充电枪,嘿,还挺沉的呢。
然后我就开始琢磨着往车上插,这可不能随便乱插呀,万一插错了咋办。
我小心地对准接口,慢慢往里推,就感觉像是在完成一个很重要的任务似的。
插进去的那一刻,“咔哒”一声,还挺有成就感的。
接着就是设置充电参数啦,什么电流啦、电压啦,我是看了又看,生怕设置错了。
弄好之后,就看着那个指示灯一闪一闪的,感觉它好像在跟我说:“放心吧,我会好好给你的车充电的。
”
在等待充电的过程中,我就在旁边盯着,心里还想着:“这充得快不快呀?”时不时还去看看充了多少电了。
哎呀呀,那感觉就像是看着自己的宝贝在成长一样。
等充好电了,拔下充电枪的时候,我还有点舍不得呢,哈哈。
总之呀,充电桩模块首次使用其实也没那么难,只要咱多观察观察,多研究研究,就能轻松搞定啦。
以后再给车充电就轻车熟路咯!这就是我的充电桩模块首次使用体验,是不是挺有意思的呀。
充电桩模块是电动汽车充电设备的核心部件,它的工作原理主要涉及以下方面:
1. 输入滤波:
- 交流电从电网接入充电桩时,首先会通过一个滤波电路,该电路包含电容器和电感器等元件,用于消除电源中的干扰信号和电压波动,保证供电的稳定性和可靠性。
2. 整流:
- 整流过程将输入的交流电转换为直流电。
通常使用二极管桥式整流器实现这一功能。
3. 变压:
- 变压环节可能包括一个或多个变压器,以调节输出电压的大小,使其适合电动汽车电池的需求。
某些设计中可能会省略这个步骤,直接在整流后进行控制。
4. 控制:
- 控制部分由微处理器、控制电路和传感器组成,它们负责监控整个充电过程,包括检测电池的状态、调整充电功率、限制电流和电压等参数,确保安全有效的充电。
5. 输出滤波:
- 在输出端也设置有滤波电路,以减少输出电压中的纹波和噪声,提供平滑的直流电供车辆电池充电。
6. 保护功能:
- 充电桩模块还应具有各种保护功能,如过热保护、短路保护、过载保护、欠压保护等,确保充电过程中不会对车辆电池造成损害,同时保障操作人员的安全。
7. 通信接口:
- 充电桩模块与车辆之间需要通过通信协议进行交互,例如CCS(Combined Charging System)标准定义了如何在充电过程中交换信息,如电池状态、充电需求和安全数据等。
8. 人机界面:
- 对于用户来说,充电桩通常有一个直观的人机界面,可以显示充电状态、剩余时间、费用等信息,并允许用户启动或停止充电过程。
综上所述,充电桩模块的工作原理主要是通过一系列的电力变换和控制过程,将来自电网的交流电转化为符合电动汽车电池要求的直流电,同时确保充电过程的安全和高效。
充电桩中充电模块国标要求标准充电桩是指用于给电动车、电动摩托车等新能源汽车充电的设备。
其中充电模块是充电桩的核心部件之一,承担了电能转移和电能传输的功能。
为了确保充电模块的安全、可靠和互操作性,许多国家和地区制定了相应的充电模块国标要求。
本文将介绍充电模块国标的相关标准。
国标是指通过各国有关部门制定的,为了确保产品安全和质量、促进国内外贸易,保护消费者权益,实施的统一的强制性的标准。
充电模块国标要求标准主要包括以下几个方面:1.安全性标准:充电模块是涉及电力传输和电能转移的设备,因此其安全性是至关重要的。
安全标准主要涉及防雷、防爆、绝缘强度、触电保护等方面的要求。
例如,要求充电模块在额定电压下,绝缘强度不低于一定的标准值,以保证充电过程中不触电。
2.功能标准:充电模块在充电桩中扮演着电源管理和电能转移等关键角色,因此需要具备一定的功能标准。
功能标准主要包括充电电源的控制、电能计量、状态显示、通信接口等。
例如,要求充电模块具备能测量电能的功能,以确保充电桩能够准确计费。
3.互操作性标准:充电设备需要具备互操作性,即不同厂家的充电桩和电动车可以相互充电。
为了确保充电设备之间的互操作性,制定了一系列的互操作性标准。
例如,要求充电模块符合特定的电能传输接口标准,以确保不同厂家的充电设备能够兼容。
4.维护和管理标准:充电模块国标还包括一些维护和管理的要求,以确保充电设备的正常运行和安全。
例如,要求充电模块具备故障自诊断功能,能够记录充电过程中的异常情况,以便进行维护和管理。
总之,充电模块国标要求标准主要包括安全性、功能性、互操作性和维护管理等方面的要求。
这些标准的制定是为了确保充电设备的安全、可靠和互操作性,推动新能源汽车产业的发展。
随着技术的不断进步和充电设备市场的发展,充电模块国标也在不断更新和完善,以满足不断变化的市场需求。
最近这几年充电模块是热门,从最开始的7.5kW、10kW 到后面的15kW、20kW,功率等级不断的提高。
市场上的充电模块绝大部分都是三相输入,PFC 部分也基本都是采用的三相无中线VIENNA 结构的拓扑。
借这次技术分享的机会,分享一下个人对「三相VIENNA 拓扑」的理解,希望和大家一起探讨交流。
我会从以下几个方面进行说明:①主电路组成②工作原理③控制模式④控制地的选择⑤母线均压原理⑥原理仿真一、主电路的组成如图所示,是三相VIENNA PFC 拓扑的主电路,大致如下:1. 三相二极管整流桥,使用超快恢复二极管或SiC 二极管;2. 每相一个双向开关,每个双向开关由两个MOS 管组成,利用了其固有的反并联体二极管,共用驱动信号,降低了控制和驱动的难度。
相比其他组合方案,具有效率高、器件数量少的优点;3. 电流流过的半导体数量最少,以a 相为例:▪双向开关Sa 导通时,电流流过2个半导体器件,euo=0,桥臂中点被嵌位到PFC 母线电容中点;▪双向开关关断时,电流流过1个二极管,iu>0 时euo=400V,iu<0 时euo=-400V,桥臂中点被嵌位到PFC 正母线或负母线。
二、工作原理电路的工作方式靠控制Sa、Sb、Sc 的通断,来控制PFC 电感的充放电,由于PFC 的PF 值很接近1,在分析其工作原理时可以认为电感电流和输入电压同相,三相点平衡,并且各相差120度;1. 主电路的等效电路①三相三电平Boost 整流器可以被认为是三个单相倍压Boost 整流器的Y 型并联;②三个高频Boost 电感,采用CCM 模式,减少开关电流应力和EMI 噪声;③两个电解电容构成电容中点,提供了三电平运行的条件;这个eun 的表达式非常重要。
2. 主电路的开关状态三相交流电压波形如下,U、V、W 各相差120度三相交流电压波形通过主电路可以看出,当每相的开关Sa、Sb、Sc 导通时,U、V、W 连接到电容的中点O,电感La、Lb、Lc 通过Sa、Sb、Sc 充电,每相的开关关断时,U、V、W 连接到电容的正电平(电流为正时)后者负电平(电流为负时),电感通过D1-D6 放电,以0~30度为例,ia、ic 大于零,ib 小于零。
直流充电桩电源模块原理一、引言随着电动汽车的快速发展,直流充电桩作为电动汽车充电的重要设备之一,得到了广泛应用。
直流充电桩的电源模块是直流充电桩的核心组成部分之一,它负责将交流电转换为直流电,为电动汽车提供充电能源。
本文将介绍直流充电桩电源模块的原理及其工作方式。
二、直流充电桩电源模块的原理直流充电桩电源模块的原理是利用电力电子技术实现交流电到直流电的转换。
在直流充电桩电源模块中,通常采用整流器、滤波器和变换器三个主要部分来实现这一转换过程。
1. 整流器整流器是直流充电桩电源模块的第一个组成部分,它负责将输入的交流电转换为脉冲形式的直流电。
整流器通常采用大功率的整流桥,通过将交流电的正半周或负半周进行整流,得到了一个带有脉冲的直流电信号。
2. 滤波器滤波器是直流充电桩电源模块的第二个组成部分,它的作用是平滑整流后的脉冲直流电信号,使其变为稳定的直流电。
滤波器通常由电容器和电感器组成,通过对脉冲直流电信号进行滤波处理,去除其中的纹波成分,使得输出的直流电信号更加稳定。
3. 变换器变换器是直流充电桩电源模块的第三个组成部分,它主要负责将滤波后的直流电信号进行变换,以满足电动汽车充电的要求。
变换器通常采用高频开关电路,将输入的直流电信号变换为符合电动汽车充电要求的输出直流电信号。
变换器的输出电压和电流可以根据电动汽车的需求进行调节。
三、直流充电桩电源模块的工作方式直流充电桩电源模块的工作方式主要包括两个步骤:输入交流电转换为直流电和直流电输出给电动汽车进行充电。
1. 输入交流电转换为直流电当交流电输入直流充电桩电源模块时,首先经过整流器的处理,将交流电转换为脉冲形式的直流电。
然后,脉冲直流电信号经过滤波器的处理,去除其中的纹波成分,得到稳定的直流电信号。
最后,稳定的直流电信号经过变换器的变换,得到符合电动汽车充电要求的输出直流电信号。
2. 直流电输出给电动汽车进行充电直流电输出给电动汽车进行充电时,直流充电桩电源模块会将输出的直流电信号传送到充电插头中,通过充电插头将直流电信号传递给电动汽车的电池进行充电。
充电桩模块常见结构拓扑充电桩模块是指用于电动车充电的设备,它具有一定的结构和拓扑。
本文将介绍充电桩模块的常见结构拓扑,包括物理结构、电气结构和通信结构等方面。
一、物理结构充电桩模块的物理结构通常由机壳、连接器、散热器和显示屏等组成。
1. 机壳:机壳是充电桩模块的外壳,用于保护内部电路和器件。
常见的机壳材料有金属和塑料等,具有防水、防尘和防腐蚀等功能。
2. 连接器:连接器是充电桩模块与电动车进行电气连接的接口。
常见的连接器有国标、欧标和美标等,以满足不同地区和不同型号电动车的接口要求。
3. 散热器:散热器用于散发充电桩模块产生的热量,保证模块的正常工作温度。
散热器通常采用铜片或铝片制成,通过自然对流或强制对流的方式散热。
4. 显示屏:显示屏用于显示充电桩模块的状态信息,如电流、电压、功率、充电时间等。
显示屏一般采用液晶显示技术,具有清晰、易读的特点。
二、电气结构充电桩模块的电气结构包括输入电源、充电控制器、电流传感器和保护装置等。
1. 输入电源:输入电源是充电桩模块的电能来源,通常为交流电源。
输入电源的电压和频率需要根据当地电网的标准进行设定。
2. 充电控制器:充电控制器是充电桩模块的核心部件,用于控制充电过程。
充电控制器可以根据电动车的需求和电池的状态进行智能调节,以实现高效、安全的充电。
3. 电流传感器:电流传感器用于测量电动车的充电电流,以便充电控制器进行控制和调节。
电流传感器通常采用霍尔效应或电阻分压等原理进行测量。
4. 保护装置:保护装置用于保护充电桩模块和电动车免受过电流、过电压、过温和短路等异常情况的损害。
常见的保护装置有过流保护器、过压保护器、过温保护器和短路保护器等。
三、通信结构充电桩模块的通信结构包括与电动车的通信和与后台管理系统的通信两个方面。
1. 与电动车的通信:充电桩模块通过与电动车进行通信,可以获取电动车的状态信息,如电池容量、充电需求和车辆身份等。
通信方式可以采用有线或无线方式,如CAN总线、RS485、蓝牙和WiFi等。
充电模块
EVD-15-500/750系列交直流变换模块是一款高效率、高功率密度的AC-DC充电模块,具备完善的输入过欠压保护、输出反接保护、输出过压、输出过流、短路保护、过温保护等特性。
产品核心卖点
1.市场保有量超过5万台,最长的运行超过7年。
2.最高工作效率超过%。
3.高效PFC回路输入功率因素≥;谐波<3%
4.单模块功率15kW、20kW(L:460mm*H:244mm*D:88mm)。
℃~65℃可以开机;-30℃~50℃可满负荷全性能运行。
6.保护功能齐全:输入过流保护、输入过压保护、输入过压恢复、输入欠压保护点、输入欠压恢复点、过温保护、输出过压保护、输出短路保护、电池反灌保护。
技术参数。