广州地铁三号线车辆走行部紧固件问题分析论文
- 格式:doc
- 大小:26.00 KB
- 文档页数:7
地铁车辆装配带力矩螺栓紧固的工艺分析与研究随着地铁交通在城市中的逐渐普及,地铁车辆的制造也成为了当今交通行业中的重要领域之一。
而在地铁车辆的制造过程中,车辆装配的过程是非常重要的一环。
而在车辆装配过程中,力矩螺栓的紧固作用非常重要,因为所有的机械连接都需要螺栓的紧固来实现。
那么,本文将对地铁车辆的装配过程中力矩螺栓的紧固作用进行分析与研究。
首先,我们需要了解的是力矩螺栓是如何工作的。
力矩螺栓是一种以扭矩为工作原理的机械连接紧固件,其工作原理是通过预紧力来产生摩擦力,从而实现紧固作用。
具体而言,力矩螺栓在装配过程中需要先达到一定的预紧力,这样螺栓就和连接件之间产生了摩擦力,从而实现了紧固作用。
然后,当连接件受到外力作用而发生相对位移时,螺栓就会受到一定的剪切力,这时由于螺栓的摩擦力比剪切力大,所以螺栓不会松动,从而保证该连接的紧固性。
其次,对于地铁车辆装配而言,力矩螺栓的紧固过程显得十分关键。
因为地铁车辆在行驶过程中需要承受更大的动力和载荷,如果连接不牢固就会出现松动的情况。
而松动不仅会造成车辆的表现下降,而且还会造成安全隐患。
因此,在地铁车辆装配过程中,需要对力矩螺栓的紧固力矩进行控制,以确保连接件紧固得恰到好处。
在车辆装配过程中,力矩螺栓紧固的工艺是如何进行的呢?一般而言,力矩螺栓的紧固分为两个阶段:预面接与紧固阶段。
预面接是指在拧紧螺栓前,预先使螺纹配合面紧密接触,这样可以在拧紧过程中降低摩擦力,从而提高紧固效果。
然后,在预面接完成后,可以进行螺栓的紧固工作。
紧固时应该先按压力矩值上限下发固定力矩,然后反复旋转直到不再增大力矩为止。
这样就可以在不过紧的情况下达到最理想的紧固效果。
最后,需要注意的是,在进行地铁车辆装配时,需要对每个力矩螺栓的紧固作用进行检测。
这一点非常重要,因为如果某个连接没有达到预期的紧固效果,就可能会带来问题。
而对于检测的方法也有多种,例如可以采用数字式扭力器、扭角测量仪等设备来进行检测。
地铁车辆装配带力矩螺栓紧固的工艺分析与研究【摘要】本文主要对地铁车辆装配中力矩螺栓紧固的工艺进行了分析与研究。
在首先介绍了研究背景,即地铁车辆装配中力矩螺栓紧固的重要性和现有问题;其次阐明了研究目的,即探讨如何提升力矩螺栓紧固工艺的效率和质量;最后指出了研究的意义,对提升地铁车辆装配质量具有积极的推动作用。
在详细介绍了地铁车辆装配工艺概述、力矩螺栓紧固原理分析、力矩螺栓紧固工艺流程控制、力矩螺栓紧固过程中的关键技术以及质量控制与检测方法。
最后在结论部分总结了工艺优化提升效率的重要性,展望了技术改进及应用前景,并对整个研究过程进行了回顾与总结。
通过本研究,可为地铁车辆装配的力矩螺栓紧固工艺提供参考和指导,有助于提高装配质量和效率。
【关键词】地铁车辆装配、力矩螺栓、紧固、工艺分析、研究、流程控制、关键技术、质量控制、检测方法、工艺优化、效率提升、技术改进、应用前景、总结回顾。
1. 引言1.1 研究背景地铁车辆装配是现代城市交通系统中不可或缺的重要组成部分,而力矩螺栓作为地铁车辆装配中的关键连接件,在车辆运行中承载着重要的责任。
在实际生产过程中,力矩螺栓紧固存在着一些技术难题和质量控制问题,这就需要对地铁车辆装配带力矩螺栓紧固的工艺进行深入分析与研究。
力矩螺栓紧固工艺直接影响到地铁车辆的安全性、可靠性和运行效率,因此对其进行详细研究具有重要意义。
通过对力矩螺栓紧固的原理进行深入分析,可以揭示其在装配过程中的作用机理,并为后续的工艺控制提供理论依据。
针对力矩螺栓紧固过程中存在的关键技术问题,通过研究和分析提出相应的解决方案,进一步提升装配质量和效率。
本研究旨在对地铁车辆装配带力矩螺栓紧固的工艺进行深入探讨,通过对其工艺流程、原理和关键技术的分析,探索优化装配工艺,提高制造效率和产品质量,为地铁车辆装配领域的发展与进步做出贡献。
1.2 研究目的研究目的是为了深入探讨地铁车辆装配带力矩螺栓紧固的工艺过程,分析其原理和关键技术,从而提出相应的优化方案,以提升装配效率和质量。
地铁车辆装配带力矩螺栓紧固的工艺分析与研究地铁车辆是现代城市交通系统中不可或缺的重要部分,而地铁车辆的安全运行则需要各个部件的稳固固定,其中力矩螺栓的紧固工艺尤为重要。
本文将对地铁车辆装配带力矩螺栓紧固的工艺进行分析与研究,以期为地铁车辆的安全运行提供可靠的技术支持。
一、力矩螺栓的作用力矩螺栓是一种通过螺纹配合进行螺栓固定的连接件,它通过受力时产生的弹性变形来承担载荷。
在地铁车辆中,力矩螺栓主要用于连接各个部件,如车轮、车体、底盘等,起到固定和支撑的作用。
力矩螺栓的紧固工艺直接影响到地铁车辆的运行安全,因此对其进行合理的装配是非常重要的。
二、力矩螺栓紧固的工艺分析1. 选材:力矩螺栓的材料选择对于其使用性能和紧固效果至关重要。
一般来说,地铁车辆所使用的力矩螺栓要选择高强度、耐腐蚀的材料,以保证其在复杂环境下的稳定性和安全性。
2. 螺纹设计:力矩螺栓的螺纹设计需要考虑到其与螺栓孔的配合,以保证其能够有效地承受所需的拉力和剪力。
螺纹的设计也需要便于安装和拆卸,以提高装配效率。
3. 紧固工艺:在进行力矩螺栓的紧固时,需要确定合适的紧固扭矩。
扭矩过大会导致螺纹损坏,过小则无法达到所需的紧固力,因此需要根据实际情况进行合理的调节和控制。
4. 装配环境:力矩螺栓的紧固工艺受到装配环境的影响,需要考虑到温度、湿度、振动等因素对于螺栓紧固的影响,以保证其在各种环境下都能够正常工作。
1. 紧固扭矩的确定:通过试验和实际测量,确定不同规格和材料的力矩螺栓所需要的紧固扭矩范围,以制定相应的紧固标准。
2. 螺纹配合的优化:通过对螺栓孔和螺纹之间的配合进行优化设计,提高力矩螺栓的紧固效果和使用寿命。
3. 紧固工艺的自动化:引入自动化装配设备,对力矩螺栓的紧固工艺进行自动化调节和控制,提高生产效率和保证装配质量。
广州地铁3号线线路维修月总结:发现问题、解决难点、优化改进:经过一个月的努力,我们成功完成了广州地铁3号线的线路维修工作。
在这个月的时间里,我们不仅发现了一些问题,也解决了一些难点,并且进行了一些优化改进,为广州地铁3号线的日常运营提供了有力的支持。
下面,我将为大家总结一下这个月的工作情况。
一、发现问题在本次维修工作中,我们发现了一些问题。
我们发现了一些钢轨的磨损情况比较严重,需要及时更换以保障列车的安全运行。
我们发现了有设备的运行时间已经超过了其预期的寿命,也需要及时更换以避免出现故障。
此外,我们还发现了一些线路的普遍损坏,需要及时修复。
二、决难点在解决问题的过程中,我们遇到了一些难点。
例如,钢轨的更换需要使用大型设备,而受到线路狭窄的限制,我们只能使用较小的设备进行更换,这增加了我们的工作难度。
此外,设备更换的周期较短,我们需要在较短的时间内完成设备的更换工作,这也给我们带来了一定的压力。
为了解决这些难题,我们采取了一些措施。
针对钢轨更换的问题,我们增加了工作人员数量,使用更加高效的设备进行操作,从而加快了工作速度;对于设备更换的问题,我们在原设备关闭之前,提前采购置备好备用设备,以确保设备更换结束后的稳定运行。
三、优化改进为了更加高效地进行线路维修工作,我们还进行了一些优化改进。
具体措施如下:1、优化工作流程。
我们制定了更加合理的工作计划,让每个工作环节井然有序,避免出现重复操作和浪费时间的现象。
2、增强工作质量管理。
我们建立了完整的质量管理机制,监督每个环节的质量,及时跟踪质量数据,以确保每个环节的质量得到保证。
3、加强团队协作。
我们建立了一个高效的团队协作机制,优化了团队人员的分工,通过定期开会议事、互相交流、协作克服困难的方式,提高了工作效率。
我们要感谢广州地铁3号线的领导和各位同事的支持和配合,让我们成功完成了本次维修工作。
在日后的工作中,我们将进一步发扬团队协作精神,继续努力,为广州地铁3号线的安全、稳定、高效运营尽一份微薄之力。
广州地铁三号线固定式架车机车体起抬架故障分析摘要架车机主要用于地铁车辆的架修作业,本文针对广州地铁三号线固定式架车机车体起抬架故障进行了分析。
关键词固定式架车机;车体起抬架;PLC控制1情况说明在对车体起抬架操作之前,已将转向架起抬架1-6升至一定的高度,并且操作过程没有出现任何异常现象,所有车体起抬架都在零位。
2故障现象预选车体起抬架1-12,在第二操作员按下确认按钮后,第一操作员按下上升按钮。
车体起抬架上升一段时间后停止,停止一段时间又重新上升,如此升一段时间停一段时间不断重复,直至松开上升按钮。
红色故障指示灯在车体起抬架停止的瞬间闪亮一下,显示屏没有故障信息。
3故障处理由于升和停的时间间隔是固定的,也可以初步排除控制上升的接触器K1出现问题。
控制车体起抬架1-12驱动电机的接触器线圈的PLC输出点为○30.4-○30.7和○31.0-○31.7。
观察发现,输出点○30.4-○31.7的指示灯有规律地闪亮。
也就是说,PLC控制驱动电机的接触器线圈在固定的时间间隔得电和失电。
最后确定只要有车体11和12预选,就会出现该现象。
检查发现,车体12一直未上升。
检查车体12驱动电机的接触器12K4,发现接触器12K4的辅助触头有轻微移位,致使线圈虽然得电,但主触头不能吸合。
将辅助触头恢复到位后,重新试机,故障消除。
4程序分析虽然这次出现的异常现象是因为驱动电机的接触器引起的,但PLC在设备异常的情况下还允许其动作,需要分析PLC的相关程序。
图1为控制车体12驱动电机接触器线圈的程序段,位于FC22。
M161.3对应车体12的预选,梯形图中相应的常开触头是闭合的。
I0.7对应主接触器的辅助触头,安全继电器没有动作并且170V、24V电源供电正常,主接触器就会吸合,所以梯形图中相应的常开触头是闭合的。
M177.3对应车体12的负载指示开关,车体12承载时,M177.3为1,因为车体没有承载,所以梯形图中相应的常闭触头闭合的。
车辆悬挂设备紧固件失效原因分析及解决措施作者:丁宝英刘和平来源:《西部论丛》2020年第01期摘要:城轨车辆运行时,由于轮轨间产生的冲击、振动及温度变化,会造成车下悬挂设备螺纹连接紧固件的裂纹、断裂、松动或脱落,严重威胁到车辆的行车安全。
因此车下悬挂设备安装的可靠性对城轨车辆的安全运行至关重要。
本文就现场案例分析了车下悬挂设备紧固件失效的原因,并提出纠正预防措施。
关键词:车辆;悬挂设备;紧固件;纠正预防措施一、引言螺母的自锁是通过螺母和螺栓之间的摩擦力实现的,在动载荷中这种自锁的可靠性就会降低,需采取一些防松措施,保证螺母锁紧的可靠性。
其中双螺母结构是一种简单实用的防松措施。
双螺母防松的原理:使螺栓在旋合段内受拉而螺母受压,构成螺纹联接副纵向压紧,起到防松作用。
由于结构简单、便于装卸,普遍用于低速重载的城轨车辆项目。
目前国内常规的双螺母防松工艺是:先用规定紧固扭矩的80%扭矩值,拧紧第一螺母(即靠近紧固接触面的螺母),再用100%的扭矩值拧紧第二螺母。
如果第一螺母与第二螺母安装扭矩值相差过大,会造成第二螺母安装过程中第一螺母发生移位导致螺栓滑丝而失效。
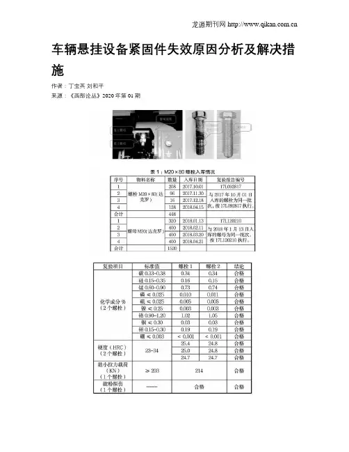
二、问题描述某项目第3列TMC2车车下设备安装过程中发现4个M20设备吊挂螺栓在第2螺母紧固施加扭力过程中(第一螺母扭力336N·m、第二螺母扭力480N·m)发生滑丝现象,如图1所示。
图1 蓄电池箱安装失效螺栓4个失效螺栓(M20×80)集中发生在蓄电池箱(3个螺栓)和滤波电抗器(1个螺栓)。
M20×80螺栓批次号为T16.1,材质均为SCM435;M20螺母批次号为KB0004,材质为35K 钢。
三、原因分析(一)紧固件化学成分及性能M20×80螺栓、M20螺母为标准件,材料分别执行JISG4053、JISG3507,性能均执行GB/T3098,按此标准进行入库复验,见表1。
表1: M20×80螺栓入库情况序号物料名称数量入库日期复验报告编号1 螺栓M20×80(达克罗) 208 2017.10.01 17L0928172 96 2017.11.30 与2017年10月01日入库的螺栓为同一批次,按17L092817执行。
广州地铁三号线车辆走行部紧固件问题分析作者:李汉超来源:《城市建设理论研究》2013年第09期摘要:走行部是承载车体并负担车辆沿着轨道走行的支承走行装置,其紧固件种类和数量繁多,架大修作业中须综合考虑紧固件的失效形式,处理和预防好紧固件问题,才能保障车辆运营的安全与舒适。
关键词:三号线车辆走行部紧固件失效形式处理办法中图分类号:F407.472 文献标识码:A 文章编号:走行部是承载车体并负担车辆沿着轨道走行的支承走行装置,最重要的组成部件之一,它的结构是否合理直接影响车辆的运行品质、动力性能和行车安全。
广州地铁三号线走行部采用的是120km/h速度等级的B型地铁转向架,整体结构设计紧凑,主要由构架、轮对、轴箱、减振装置、动力牵引装置等部件组成,各类不同的紧固件种类多达百种以上,而三号线B1型车的走行部架修作业中需拆装和更换的紧固件种类就约有70种。
一、紧固件常识介绍紧固件是作紧固连接用的一类机械零件,应用极为广泛。
其特点是品种规格繁多,性能用途各异,而且标准化、系列化、通用化的程度极高。
因此,也有人把已有国家(行业)标准的一类紧固件称为标准紧固件,简称为标准件。
一般常用的标准主要有德国标准DIN、国际标准ISO、中国标准GB。
1. 机械性能:紧固件的强度等级通常有4.8、5.6、8.8、9.8、10.9、12.9,未注明均指4.8级。
强度等级标记代号由“· ”隔开的两部分数字组成。
标记代号中“· ”前数字部分的含义表示公称抗拉强度,如4.8级的“4”表示公称抗拉强度400N/mm2 的1/100。
标记代号中“· ”和点后数字部分的含义表示屈强比,即公称屈服点或公称屈服强度与公称抗拉强度之比。
如4.8级的屈服点为320 N/mm2。
2.表面处理:即是通过一定的机械或化学的方法在工件表面形成覆盖层的过程,其目的是增强紧固件的耐蚀性、耐磨性、以及装饰或其他特种功能要求。
Value Engineering• 89•广州地铁三号线B1型列车冲标问题分析及改善对策B1 Type Train out of the Position Problem Analysis and Improvement Measures for Guangzhou Metro Line 3程昌焰CHENG Chang-yan;曾成ZENG Cheng(广州地铁集团有限公司运营事业总部,广州511430)(Guangzhou M etro Corporation Operation Division,Guangzhou511430, China)摘要:广州地铁三号线B1型车由于信号、列车牵引、列车制动等多方面的系统性能原因,列车冲标问题严重。
本文通过对列车冲标问题的原因进行深入分析,制定了增加气制动预压力的措施,有效改善列车冲标。
Abstract:Due to the performance of the system of B1train of Guangzho m etro line 3such as signal,train traction,train braking and so on,the problem of train out of the position is serious.In this paper,through the analysis of the causes,the measures to increase the air brake pre-pressure are formulated,which can effectively improve the problem.关键词:B1型车;列车冲标;制动预压力Key words:B1type train;out of the position problem;brake pre 中图分类号:U279 文献标识码:A〇引言广州地铁三号线是广州城市公共交通的主干线,曰均客流量已超过130万,单向最大断面客流达1.35万人次/ 15min,高峰期行车间隔1分58秒。
地铁车辆装配带力矩螺栓紧固的工艺分析与研究地铁车辆是城市交通运输系统中不可或缺的一部分,其安全性、可靠性和舒适性直接关系到广大乘客的出行体验。
而地铁车辆的装配过程中,力矩螺栓紧固是一项至关重要的工艺,影响着地铁车辆的安全性和可靠性。
本文将对地铁车辆装配带力矩螺栓紧固的工艺进行分析与研究,从而为提高地铁车辆的安全性和可靠性提供理论依据和操作指南。
一、力矩螺栓紧固的重要性力矩螺栓紧固是一种常见的紧固方法,通过施加一定的扭矩使螺栓与零件之间产生足够的摩擦力以达到紧固效果。
在地铁车辆的装配中,力矩螺栓紧固主要用于固定车辆的各个部件,如底盘、车体、悬挂系统等,其紧固状态直接关系到车辆的安全性和可靠性。
如果力矩螺栓未能正确紧固,就有可能导致车辆在运行过程中出现螺栓松动、零件脱落等安全隐患,严重影响车辆的运行安全。
1. 螺栓选择在地铁车辆的装配中,一般采用高强度合金钢制成的螺栓,以确保其具有足够的拉伸强度和扭矩传递能力。
螺栓的表面应光滑平整,无明显的划痕、裂纹或氧化层,以确保紧固时的摩擦系数和紧固力矩的准确性。
2. 扭矩要求在力矩螺栓紧固的过程中,扭矩是控制紧固力的重要参数。
通常情况下,需要根据螺栓的规格、材料和安装位置确定合适的扭矩数值,并采用扭矩扳手或扭矩扳手等专用工具进行精确施力,以确保螺栓能够正确被紧固。
3. 螺纹润滑在螺栓紧固之前,需要在螺栓上涂抹一定量的螺纹润滑剂,以减小螺纹间的摩擦系数,降低紧固力矩,并确保紧固力的均匀分布。
螺纹润滑剂还能够提高螺纹的防锈性能,延长螺栓的使用寿命。
4. 紧固顺序和方法在进行力矩螺栓紧固时,需要根据车辆设计要求和实际情况确定紧固顺序和方法。
一般情况下,采用交叉顺序进行螺栓紧固,以确保紧固力的均匀分布,避免零件变形或损坏。
1. 工艺控制在进行力矩螺栓紧固之前,需要对紧固工艺进行详细的分析和研究,确定合适的工艺参数和控制方法。
需要制定详细的操作规程和检验标准,严格执行,确保螺栓的正确紧固。
城市轨道交通车辆车钩安装紧固件二次使用的研究摘要:车钩是电客车的核心部件之一,对行车安全至关重要。
车钩通过高强度螺栓安装车体底架,每列车共计48颗M36×300螺栓。
本文根据螺纹连接的理论与计算、强度理论和VDI2230对车钩安装螺栓的预紧力、抗拉强度、疲劳强度进行了校核,从理论上论证了车钩安装螺栓二次使用的可行性,对降低城市轨道交通车辆维护成本具有重要意义。
关键词:车钩、高强度螺栓、重复使用1引言截至2021年12月31日,我国内地共有46座城市开通城轨运营里程8773.22公里,城市轨道交通发展迅速[1]。
电客车是城市轨道交通系统的重要组成设备,车钩是电客车的核心设备之一,对行车安全至关重要。
地铁同行一般结合架修对车钩安装螺栓进行更换,每列车车钩安装螺栓的更换成本约为4.3万元。
在保证车钩安装螺栓连接安全、可靠的情况下,研究车钩安装螺栓二次使用,对降低城市轨道交通车辆维护成本具有重要意义。
2车钩安装紧固件特性分析车钩安装紧固件的照片如下图所示,车钩安装螺栓的拧紧力矩为1700N·m,车钩安装螺栓采用扭矩法通过扭矩扳手控制车钩安装螺栓的预紧力。
车钩安装内六角螺栓参数:ISO 4762 M36×300 8.8 GEOMET 321-B Plus,尼龙防松螺母的参数:ISO 7040 M36 8 A3 不含 Cr(VI)。
车钩安装螺母为有效力矩型螺母,通过螺母上部的嵌件尼龙材料锁紧螺栓,从而防止螺母产生松动。
3车钩安装螺栓强度、疲劳校核根据现场检修的实际情况,车钩安装螺栓的拧紧力矩为1700N·m,车钩安装螺栓采用扭矩法通过扭矩扳手控制车钩安装螺栓的预紧力,车钩安装螺栓受力分析如下:(一)预紧力计算根据《螺纹连接的理论与计算》6.2拧紧力矩的(6.8)式[2]:式中,T f——拧紧力矩;F f——螺栓中产生的预紧力;d——外螺纹的标称直径,M36的螺栓取值为36;P——螺距,根据《ISO4762-2004内六角圆柱头螺钉》,M36的螺栓的螺距为4[3];μs——螺纹副的摩擦系数,取值0.15;μw——支撑面摩擦系数,取值0.15;d w——螺母支撑面摩擦力的等效直径,根据《GB∕T 889.1-2015 1型非金属嵌件六角锁紧螺母》,M36螺母的等效直径为51.11[4]。
74研究与探索Research and Exploration ·改造与更新中国设备工程 2019.01(上)广州地铁3号线于2005年投入使用,随着路网规模扩大及出行需求快速增长,目前其客流量已大大超过远期设计客流量。
为缓解运能和客流量之间的矛盾,需对广州地铁3号线客流调控方法进行调整优化,并结合适当的工程措施(如修建新线路)来缓解客流压力。
1 现状分析广州地铁3号线全长64.41km(含支线),如图1,行经花都区、白云区、天河区、海珠区、番禺区,接入广州白云国际机场。
线路设有厦滘车辆段和嘉禾车辆段,配有71列车,高峰小时共有60列车上线运行;列车采用6B 型车编组,设计时速120km/h;信号系统运用CBTC 技术,支持移动闭塞。
目前本线采用以下两种行车交路。
(1)番禺广场-体育西路-天河客运站(三主线)。
(2)体育西路-机场北(三北线)。
图1 广州地铁3号线线路图造成3号线运能紧张的主要因素有以下几点。
①工作日客流集中且潮汐现象明显。
3号线沿途各站周边用地规划密度相对较高,CBD(Central Business District,中央商务区)、住宅区等分布密集。
工作日早晚高峰,客流大且分别集中于CBD 和住宅区,导致目的地站内人数过多,断面客流量大,满载率高,显著降低了乘客出行效率和舒适度。
②换乘客流大,列车停车时间长。
当前车辆采用B 型车,无法在短时间内处理大量客流,再加上严重的客流对冲,列车停车时间延长,有时可达2分钟,显著影响了行车效率,经常导致后续列车在区间临时停车。
③折返站能力不足。
受体育西路站折返能力影响,三北线行车间隔最低仅能压缩到4分30秒(一般同等规格线路为2分至2分30秒),运能水平低。
2 当前举措(1)行车组织措施。
目前早高峰开行了同和——大石单向贯通交路区间车(无需在体育西路站折返),此区间最小行车间隔可达1分58秒,高峰小时运能提升约58%。
同时在客流较大的车站加开空车来缓解客流压力。
地铁车辆装配带力矩螺栓紧固的工艺分析与研究1. 引言1.1 研究背景地铁作为城市公共交通的重要组成部分,其安全性和可靠性是至关重要的。
而地铁车辆的装配带力矩螺栓紧固工艺作为车辆装配过程中的关键环节,直接影响着车辆的安全性和运行稳定性。
对于地铁车辆装配带力矩螺栓紧固的工艺进行研究和分析具有重要意义。
在当前地铁运营中,对于地铁车辆装配带力矩螺栓紧固工艺存在一些问题和挑战,如何有效解决这些问题并提高装配工艺的稳定性和可靠性,成为当前研究的重点之一。
本文旨在对地铁车辆装配带力矩螺栓紧固的工艺进行深入分析和研究,为地铁车辆的安全运行提供技术支持和保障。
1.2 研究目的本文旨在对地铁车辆装配带力矩螺栓紧固的工艺进行深入分析与研究,旨在探讨该工艺的原理、流程、常见问题及解决方案、关键技术参数控制以及质量控制措施。
通过对该工艺的研究,旨在提出工艺优化建议,为今后地铁车辆装配带力矩螺栓紧固工艺的提升提供理论支持和实践指导。
通过本研究,希望能够为相关领域的工艺工作者提供参考,并为未来更深入的研究提供发展方向。
2. 正文2.1 装配带力矩螺栓紧固的原理分析针对地铁车辆装配带力矩螺栓紧固的原理分析,需要首先了解螺栓紧固的基本原理。
螺栓是一种通过螺纹配合实现零部件连接的紧固元件,其紧固原理在于利用螺纹间的摩擦力将两个零部件牢固地连接在一起,以达到固定和传递力矩的效果。
在地铁车辆装配过程中,选择合适尺寸和强度的螺栓非常重要。
通常情况下,螺栓的直径和螺纹规格需要根据连接的零部件和受力情况来确定,以确保螺栓可以承受预期的载荷。
螺栓紧固时的力矩值也需要合理选择,过小会导致连接不牢固,过大则可能造成螺栓断裂或零部件损坏。
除了螺栓本身的选择外,紧固过程中还需要注意力矩扭矩的控制。
通常情况下,需要根据螺栓直径、材质和连接部件的要求来确定合适的力矩数值,以确保螺栓连接的可靠性和稳定性。
地铁车辆装配带力矩螺栓紧固的原理分析需要综合考虑螺栓的选择、力矩控制以及连接部件的要求,以确保装配过程的质量和安全性。
刚性接触网线夹卡滞原因分析及其解决措施的研究摘要]:结合目前广州地铁三号线刚性接触网接触悬挂运营情况,阐述了刚性接触网接触悬挂装置线夹卡滞导致的后果,分析了线夹卡滞的原因,理论分析线夹卡滞产生的应力对定位的影响,重点阐述了如何解决该线夹卡滞现象。
[关键词]:刚性接触网;线夹卡滞;原因分析;新型防卡滞线夹引言随着近年广州地铁线网发展迅速,接触网作为提供列车正常取流的重要设备,其设备状态的好坏直接关系到地铁的运营质量与安全。
刚性接触网是目前广州地铁使用最多的接触网类型,由于刚性接触网线夹卡滞造成线夹受损、汇流排损伤的情况时有发生,严重时造成槽钢底座开裂、绝缘子开裂的现象,严重影响接触网设备的安全运行。
1刚性接触网使用现状1.1刚性接触网的结构架空刚性悬挂是刚性悬挂的一种,一般采用具有相应刚度的导电轨或具有相应刚度的汇流排与接触线组成;整个系统由若干个锚段的机械分段结构构成,一般一个锚段长度为300 m,在锚段中间位置采用中锚进行固定,防止汇流排窜动;每隔 6~8 m 采用线夹、绝缘子、横撑等装置将汇流排和接触线与周边固定,该固定点习惯称为定位点。
1.2刚性接触网线夹卡滞造成的影响刚性接触网具有刚性汇流排和接触线无轴向力、没有断排或断线之忧、事故范围小等的优点。
刚性接触网的汇流排和接触线通过定位线夹与隧道顶部槽钢等装置固定连接,在设计安装时考虑到汇流排在长时间运行过程中会出现轻微的位移,所以定位线夹与汇流排之间留有一定间隙,以满足汇流排因温度变化而引起的顺线路方向位移变化,允许汇流排在线夹槽内滑动。
随着季节更替隧道内温度发生变化,在汇流排热胀冷缩的固有物理效应作用下汇流排相对定位线夹会有一定的位移,而由于定位线夹与汇流排间隙小且摩擦力大,容易使定位线夹处汇流排出现卡滞而阻碍汇流排运动的情况,在急弯与变坡处这种现象尤甚。
汇流排与线夹之间的卡滞使定位悬挂部件绝缘子、线夹、定位底座槽钢及汇流排产生不可不可消除的应力,在这种长期应力的作用下造成定位线夹变形、汇流排损伤、底座槽钢开裂及绝缘子开裂等问题,严重影响接触网设备的安全运行。
对地铁运营公司紧固件库存管理的几点分析摘要本文主要介绍了地铁运营公司紧固件库存的管理目标,对目前地铁运营公司紧固件库存管理面临的常见问题做出分析并提出针对性的解决对策。
关键词地铁运营公司;紧固件;库存管理1 地铁运营公司紧固件库存管理的目标地铁运营公司紧固件库存管理是该公司相关部门、相关人员在具体的紧固件数据管理、紧固件选取、紧固件存放、紧固件使用流程等过程当中的协调、调配管理工作。
紧固件库存管理看似简单,但是要想做好这份工作最大程度的实现人力、物力、财力的合理配置实用,以提高地铁运营的整体效率,必须根据多方面的实际状况制定具体的管理方案,确立明确的紧固件库存管理目标以更好的节约成本保证效率。
故而具体的紧固件库存管理目标如下:第一,最大程度地保证紧固件摆放有序,提高地铁工作人员挑选使用效率,降低仓库管理工作中的复杂程度。
第二,根据实际状况制定科学合理的紧固件库存量,最大程度的减少浪费,节约成本。
第三,确保紧固件的随时、及时供应,保证列车能够健康有序运行。
2 目前地铁运营公司紧固件库存管理面临的常见问题2.1 紧固件申购计划难以确定由于地铁紧固件或缺的情况比较特殊,没有明显可用的参考性数据。
它的需求都是随机的,偶尔需要很多,偶尔需要很少,偶尔缺这种规格的,偶尔缺另一种规格,所以在具体的申购数量上没法准确预测,自然也就做不出详细准确的申购计划方案。
一般情况下,申购员只是单纯的根据自己的经验来确定其具体的申购数量和规格。
难免会出现某一种紧固件持续缺货或者某一种紧固件库存过量[1]。
即使大部分的紧固件成本不高,但是如果长期累积下去,也将是一大笔资金。
严重的造成资源浪费和资金闲置。
更严重的是某种紧固件的持续缺货有可能导致列车的非正常运行,严重危机旅客的生命和财产安全。
2.2 紧固件的可获得性低此处所谓的可获得性,是指地铁维修人员在具体的维修过程中对于紧固件存放位置能否快速找到并正常进行地铁维修。
各种地铁紧固件非常多,且存放随意,没有一定的道理和规章可寻,所以一旦地铁出现需要更换紧固件问题时,维修工人往往很懵,不知道该去哪个位置去寻找某个紧固件。
轨道车辆车下紧固件的锈蚀处理与防护目前国内轨道车辆各城市需求量越来越大,项目分配在全国各个地区,西南及华南等南部地区空气中存在大量氯离子容易导致金属紧固件,但随着项目增多,售后信息反馈发现一些北方地区仍然存在紧固件锈蚀的问题。
文章通过分析轨道车辆车下紧固件的锈蚀情况,探索出有效防锈的工艺方法。
标签:紧固件;腐蚀与防护;金属Abstract:At present,the demand for rail vehicles in various cities in China is increasing,and the projects are distributed in various regions of the country,southwest and south China,where a large number of chlorine ions in the air are likely to lead to metal fasteners,but with the increase in the number of projects,feedback of after-sale information has found that there are still problems of fastener corrosion in some northern areas. Based on the analysis of the corrosion of the fasteners under rail vehicles,the effective anti-rust technological method is explored in this paper.Keywords:fasteners;corrosion and protection;metal前言近些年来,越来越多的城市轨道车辆、地铁车辆的车体都选择了不锈钢材料,这对于车辆的轻量化、高寿命起到了重要作用。
地铁车辆中心销螺栓松动问题分析【摘要】本文主要分析了地铁车辆中心销螺栓安装结构、螺栓产生松动的潜在原因以及螺栓防松的优化措施,通过分析改进确保地铁车辆中心销螺栓装配质量和安全性满足要求,为地铁车辆的安全运行提供可靠保障,为地铁车辆关键部位螺栓防松措施提供参考。
【关键词】地铁车辆;中心销螺栓;防松;措施随着社会经济的高质量快速发展,越来越多的城市开通了地铁线路,地铁车辆技术日趋智能化和精密化,这就对地铁车辆功能性和安全性的要求不断提高。
地铁车辆中心销安装在车体底架上,通过螺栓进行安装,起到连接车体与转向架的作用,对地铁车辆行车安全至关重要。
在地铁车辆运用过程中,时有发生中心销螺栓松动现象,个别地铁项目还发生过中心销螺栓松动脱落故障,引起客户强烈不满,造成了恶劣的影响。
因此,中心销螺栓安装结构及防松措施必须安全可靠。
1.中心销螺栓安装结构地铁车辆中心销螺栓M36×110为性能等级10.9级高强度螺栓,安装在中心销盲孔上,将车体与转向架牵引中心节点连接到一起。
中心销螺栓与转向架连接安装形式主要有如下四种结构。
1.1不带防松铁丝结构图1 不带防松铁丝结构该结构通过1紧固板、2中心销螺栓、3防松垫片将中心销与转向架进行连接,中心销螺栓扭矩值680Nm。
1.2 带防松铁丝结构图2 带防松铁丝结构该结构通过1紧固板、2中心销螺栓、3防松垫片、4防松铁丝将中心销与转向架进行连接,中心销螺栓扭矩值680Nm。
防松铁丝将螺栓与紧固板连接到一起,起到一定防松作用。
1.3 带紧固板止档结构图3 带紧固板止档结构该结构主要通过1紧固板、2紧固板止档、3调整垫片、4中心销螺栓、5防松垫片、6紧固止档螺栓、7防松垫片将中心销与转向架进行连接,中心销螺栓扭矩值680Nm。
1.4 带紧固板止档及止转垫片结构图4 带紧固板止档及止转垫片结构该结构与“1.3 带紧固板止档结构”类似,在紧固板上开了十字槽,将原来防松垫片更换为止转防松片,中心销螺栓扭矩值820Nm。
广州地铁三号线车辆走行部紧固件问题分析
摘要:走行部是承载车体并负担车辆沿着轨道走行的支承走行装置,其紧固件种类和数量繁多,架大修作业中须综合考虑紧固件的失效形式,处理和预防好紧固件问题,才能保障车辆运营的安全与舒适。
关键词:三号线车辆走行部紧固件失效形式处理办法
中图分类号:f407.472 文献标识码:a 文章编号:
走行部是承载车体并负担车辆沿着轨道走行的支承走行装置,最重要的组成部件之一,它的结构是否合理直接影响车辆的运行品质、动力性能和行车安全。
广州地铁三号线走行部采用的是120km/h速度等级的b型地铁转向架,整体结构设计紧凑,主要由构架、轮对、轴箱、减振装置、动力牵引装置等部件组成,各类不同的紧固件种类多达百种以上,而三号线b1型车的走行部架修作业中需拆装和更换的紧固件种类就约有70种。
一、紧固件常识介绍
紧固件是作紧固连接用的一类机械零件,应用极为广泛。
其特点是品种规格繁多,性能用途各异,而且标准化、系列化、通用化的程度极高。
因此,也有人把已有国家(行业)标准的一类紧固件称为标准紧固件,简称为标准件。
一般常用的标准主要有德国标准din、国际标准iso、中国标准gb。
1. 机械性能:紧固件的强度等级通常有4.8、5.6、8.8、9.8、
10.9、12.9,未注明均指4.8级。
强度等级标记代号由“·”隔开的两部分数字组成。
标记代号中“·”前数字部分的含义表示公称抗拉强度,如4.8级的“4”表示公称抗拉强度400n/mm2 的
1/100。
标记代号中“·”和点后数字部分的含义表示屈强比,即公称屈服点或公称屈服强度与公称抗拉强度之比。
如4.8级的屈服点为320 n/mm2。
2.表面处理:即是通过一定的机械或化学的方法在工件表面形成覆盖层的过程,其目的是增强紧固件的耐蚀性、耐磨性、以及装饰或其他特种功能要求。
按镀层分类主要有镀锌(有冷镀锌,热镀锌,按镀锌颜色分有彩锌、白锌、蓝锌)、磷化、发黑、达克罗。
3.紧固件防松:常用的防松方式主要有机械防松、螺纹紧固剂防松、铆冲防松。
造成紧固件的松动原因主要是因为螺纹预紧力过大、紧固受力不均和运行振动,因此正确的预紧力和采取必要的防松形式是关键。
三号线b1型车的走行部主要采用的防松方法有自锁螺母(变形自锁、钢片自锁)、锥形垫片、尼龙开槽螺栓、防松铁丝、开口销等。
另外,应注意安装较大结合面或均布的零件时,应按一定的顺序分几次均匀对称拧紧各个螺栓、螺母到规定的扭矩。
4.紧固件标注表示方法:例如螺栓din933 m12×60-a-8.8-a3c 表示:德国标准din933,六角全牙螺栓,尺寸精度为a级,牙距p=1.75 ,粗牙,8.8级,直径d=m12,长度l=60,a3c=镀彩锌,镀层厚度级别为3级;螺母din934 m6-10-a2p l,表示德国标准
din933,六角螺母10级,a2p=镀锌,镀层厚度级别为2级,l=左
旋。
二、紧固件常见问题分析及处理办法
1.盲孔滑牙
广州地铁三号线转向架采用转臂式轴箱定位,每个构架有4个转臂处16个转臂式轴箱安装盲孔。
由于是关键部位,设计要求此处能够吸收来自轮对的一定振动和轮对相对构架的位移量,并保证连接紧密不松动,所以采用了iso8765 m20×1.5×80-8.8的螺钉来连接轴箱与构架。
在等级8.8满足强度要求的前提下,设计成牙距为1.5的细牙,使其自锁性能和受力条件更好,降低了高频率振动和受力突变造成紧固件松动的可能性,但与此同时,也增加了拆装时易滑牙的风险和滑牙后盲孔难修复的问题。
由于制造误差、人为因素和新车装配中加入的装配胶等原因,造成架修作业中此处多次出现不同程度的滑牙。
因此要视滑牙的情况,观察拆卸下的螺栓和盲孔内螺纹情况,尤其是顶部螺纹,采取具体的办法。
1)滑牙程度较轻
如果螺纹牙只是在顶部有少许滑丝,并且大部分螺纹未损坏情况下,建议先将盲孔内用金属零件清洗剂喷洗干净,不残留碎铁屑和杂质,再用m20×1.5的两攻手动丝锥进行走牙,即直接用二攻丝锥配合喷涂润滑剂(切忌使用头攻丝锥)缓慢的攻入盲孔内,起到修复少量变形螺纹的作用,最后用止通规检验内螺纹质量。
同时也可采取补偿螺纹长度的办法,即增加盲孔内螺纹的长度,
用头攻丝锥配合喷涂润滑剂向内攻牙约10mm,再用二攻丝锥修补螺纹,用止通规检验内螺纹质量,装配时可采用m20×1.5×90-8.8
的螺栓,并按照规定的380 n.m扭力紧固。
2)滑牙程度较重
如果观察发现盲孔内螺纹滑丝较多且较深,此时不宜采用以上简单的攻牙办法,需采用扩孔攻牙的方法。
将构架翻转,水平放置,用适当的台钻对孔进行扩大。
如扩成m22的螺纹孔,其螺纹底径应扩成20.5mm,再使用m22×1.5的两攻手动丝锥配合喷涂润滑剂进行攻牙,用止通规检验内螺纹质量,装配时采用m22×1.5×80-8.8的螺栓,并将紧固扭力适当的增加至约450n.m。
2.螺纹锁固胶过多
螺纹锁固胶是一种利用氧对自由基阻聚原理制成的单组份密封
粘和剂,既可用于粘接又可用于密封,其主要作用是锁紧防松、密封防漏、固持定位。
广州地铁三号线采用柔性齿轮联轴节,其联轴节轮毂与套筒弹簧座连接由8颗din912 m5×20-10.9的螺钉紧固,在联轴节装配时,此处都须涂有适量的螺纹锁固剂,而有时可能涂得过多,造成拆出螺钉时较难。
建议在发现松动螺钉较其它费力时,应立即停止拆卸,用中频加热枪对其局部加热,使其内的螺纹锁固胶熔融,然后松动螺钉,检查螺纹孔情况。
因此为避免下次拆卸的问题,应掌握一定的螺纹锁固胶使用方法。
对重复使用的螺栓、螺母,应用专用清洗剂清洗螺栓、螺母的螺纹内外表面,并晾干。
将螺纹锁固剂涂到螺栓与螺母配合处的螺纹,且配合处的螺纹360°方向上均应涂胶。
正确的涂胶位置如图1。
图1正确的使用螺纹紧固胶
3.紧固件锈蚀
广州地铁三号线车辆较多的穿行于空气条件较潮湿的区间隧道内,往往对走行部的紧固件防锈功能要求较高。
空气弹簧与车体的连接是由4颗iso4017 m16×70-8.8-dac500
的螺栓连接,其dac500是盐雾试验标准下,能达到500小时以上的防腐蚀能力,较发黑和镀锌的表面处理防锈能力强,一般条件下的空气不易被锈蚀。
但是此螺栓发现过多根螺杆锈蚀的情况,初步分析是水份长时间附着在螺杆表面,慢慢氧化所致。
图2锈蚀的螺栓
建议更换同等级或更高等级的防锈螺栓,因为锈蚀处的表面镀层已失去防锈效果,重复使用紧固件易被腐蚀。
在紧固好此紧固件后,为保护其不锈蚀,还可在螺栓头和螺母表面喷涂防锈保护蜡,使水份不易与螺杆接触。
4.预紧力不正确
预紧力是在受到工作载荷之前,为了增强连接的可靠性和紧密性,以防止受到载荷后连接件间出现缝隙或者相对滑移而预先加的力。
其要求的预紧扭矩是根据紧固件规格、使用条件以及防松方式等因素确定的,其扭矩不允许过大或过小,如若过大容易造成滑牙,如若过小达不到预紧的效果。
三号线b1型车的走行部紧固件种类繁多,规定的扭矩都不尽相同,作业人员在作业时容易疏忽或上错扭矩。
建议对已按规定上扭矩的螺栓进行复检,并要求在24小时内以原扭矩值的90%复检。
5.划线不规范
紧固件的划线是后期检查紧固件是否松动的重要凭证,广州地铁目前采用红色漆油笔在螺栓头部划线,要求螺栓、螺母划线时,优先采用垂直方向划线方式,其次采用水平方向划线方式;螺栓、螺母的划线须便于检查,清晰可见,不要在隐蔽处划线;重复划线、螺纹处划线、螺栓头侧面未划线、螺栓头全划线等都是错误的划线。
图3应垂直方向划线图4螺纹上不应有划线
建议统一划线标准,培训作业人员熟悉划线标准,避免漏划线和错划线等情况的发生。
三、结语
地铁车辆的紧固件由于其所处环境的苛刻和安全运营的需要,使其标准和使用要求都较高,因此三号线b1型车的走行部的架大修
作业中须综合考虑紧固件的失效形式,处理和预防好紧固件问题,才能保障车辆运营的安全与舒适。
参考文献
中国南车集团株洲电力机车有限公司.广州地铁三号线维修手册[z].湖南:中国南车集团株洲电力机车有限公司.2005.
濮良贵,纪名刚.机械设计 [m].8版.北京:高等教育出版社,2006.
刘惠民.铁道车辆构造检修及装备 [m].北京:中国铁道出版社,2000.。