数控加工时间定额标准制定的6种方法
- 格式:ppt
- 大小:1.84 MB
- 文档页数:15
对于机械加工企业来说,为了满足公司的产品扩展工作需要,根据公司的现有生产情况和公司多年的经验,以及车型不同的生产过程、特点,需要对数控加工中心工时定额进行细化与修订。
下面我们就来具体介绍一下数控加工中心加工工时如何制定。
1、数控加工中心工时制定意义考虑到企业目前的技术水平、管理水平,改善作业条件,提高作业效率,使之达到的先进合理的工时定额水平,为企业生产组织和经营管理提供科学的依据。
2、数控加工中心加工工时测算为了让工时定额的制订趋向于先进、合理、规范、科学,为经营管理工作提供基础数据平台,组织技术中心、人事劳资部、计划财务部等各相关部门进行了工时修订,并成立了工时测算项目小组:(1)相关部门针对企业现状以及以往经验进行讨论确定标准;(2)将讨论结果进行汇总制定工时定额统计表;(3)对于部分特殊加工零件的加工工艺进行整理归纳,作为加工工时制定的参考。
(4)对于人员配置进行调整,对于部分简单操作减少专业人员配置。
(5)按各专业将原工时和修订后的工时进行了对比,并总结情况。
3、数控加工工时制定过程中问题(1)不同车型制订的工时定额标准不统一,让加工工时无法衡量,未能体现工时定额的合理性。
(2)各车间同一专业制订工时的依据不统一,未能体现同工同酬的原则。
(3)一些车型经多年修订,趋于先进合理,而新投产的车型在制定加工工时时制定标准较为宽松。
4、数控加工工时制定方法和步骤(1)在制定数控加工中心加工工时的时候,需要结合实际工艺水平和行业水平来进行工时定额标准的制定。
(2)将公司定额标准进行精细化分析,进一步细分加工工序,确保工时的可执行性。
(3)当完成前两个步骤后,再完成数控加工中心工时定额统计表。
(4)根据工时定额统计表,分步开展修订工作。
(5)确定工时定额标准,组织相关人员定稿。
(6)本次修订的车型正式发布后,其他车型工时定额以此标准为依据进行规范。
工时定额标准及计算方法标准工时的计算方法:标准工时=正常工时X(1+宽放率);宽放率=(标准工时-实测工时)/实测工时*100%=管理宽放率+生理宽放率+疲劳宽放率;正常工时是人工操作单元工时(经过速度评比)+机器自动作业工时(不可作速度评比)的总和;宽放率主要是如下几个方面的总和:1.生理宽放一般取2%~5%。
2.疲劳宽放一般取5%~20%;3.管理宽放一般取3%~10%4.特殊宽放电子制造业使用的宽放率一般取10%21.75天是人力资源和社会保障部规定的月计薪天数,无论某个月您的实际上班天数大于21.75天(如7月份、8月份)还是小于21.75天(如10月份、春节所在的那个月),月计薪天数都是按照21.75天计算的。
这个21.75天只是为计算加班工资有一个统一的公式,并不是平时计算月工资用的。
《劳动法》第四十四条有下列情形之一的,用人单位应当按照下列标准支付高于劳动者正常工作时间工资的工资报酬:(一)安排劳动者延长工作时间的,支付不低于工资的百分之一百五十的工资报酬;(二)休息日安排劳动者工作又不能安排补休的,支付不低于工资的百分之二百的工资报酬;(三)法定休假日安排劳动者工作的,支付不低于工资的百分之三百的工资报酬。
法律依据:《劳动法》第三十六条国家实行劳动者每日工作时间不超过八小时、平均每周工作时间不超过四十四小时的工时制度。
第三十七条对实行计件工作的劳动者,用人单位应当根据本法第三十六条规定的工时制度合理确定其劳动定额和计件报酬标准。
标准时间=观测时间*评比系数*(1+宽放率)=正常时间*(1+宽放率)观测时间:是实际观测得到的时间值的平均,而观测时间由于受到作业者熟练度、工作意愿、情绪等的影响,并能代表真实的情况,故此应加以修正,乘上一定的评价系数,求得实际时间作为标准时间的主体,而实际时间应考虑一定的宽放,作为疲劳、等待、喝水、上厕所等必须要项的预备,这样才得到标准时间。
评比系数: 评比是一种判断或评价的技术,目的是将实际的操作时间调整到平均工人的正常速度。
工时计算方法(各机床工时、各工序工时)生产效率:是衡量生产单位或部门管理绩效的一个指标,体现生产单位或部门的管理能力,即总标准工时与生产总工时的百分比。
为了准确快捷填写生产计划表,现将需计算之工时与相关注意事项做说明。
为了提高生产效率,结合其定义,使工时定额更加合理、准确、科学,现结合本单位实际情况,参考国家相关政策标准,制定此工时计算方法。
一.锯床工时定额计算标准1.工时计算公式:T=(k m T 机+nT 吊+T 装卸)k2式中:k m—材料系数n—一次装夹工件数;n=1-2;k2—次装夹工件数修正系数,k2=1(n=1);k2=0.55(n=2)2.机动时间:T 机H2.1. 方T =料:2机k B式中:H- 板厚mm k B - 材料宽度系数,查下表D2.2.棒料:T2 机= 4式中 D —棒料外径 mmDd 022.3. 管料 :T 机=2 — 1000 4 0 式中 d 0—管料内径; mmHH 0*B 0T 机 = —28000—方管外形高3.吊料时 L 间:T1吊=4.装卸料时 000 间及其它时间:装卸2.4..方管:式中: Hmm ;H 0—方管内腔高 mm ; B 0—方管内腔宽 mm ;800综上所述:方料:T=(0.12+n0.0519H+0.001L )k 2-0.00013 H 0*B 0 (min ) 圆料:T=(0.12+n0.0429D+0.001L )k 2-0.0001 d 02 (min ) n —一次装夹工件数; n=1-2;k 2—次装夹工件数修正系数, k 2=1(n=1);k 2=0.55(n=2)二.剪板冲压折弯工时定额计算标准1..剪板工时定额计算方法剪板单件工时定a —每块工时系数、见表b —剪角次数剪板工时系数表=0.12+ 403额:注:准备工时按100 件基数计算,每件0.2,共计200分剪板毛刺工时:T=0.3 + 处理长度/400剪板校正T 校=k*T材料系数K=1~1.52.冲压每冲一次工时3..折弯工时定额计算方法折弯工时定额:t2=Σa i折弯工时定额系数表注:规格栏中,为折弯长度,a 为每折一刀的工时(理论计算:每刀0.15 分×折1.5=0.225+0.2=0.425→0.5)↓准备工时三.风割焊接工时定额计算标准1.风割工时T 风割割长度× 公式:3+1.5修磨工时含补焊工时: T 修磨2= T 风割/2.焊接单件工时:T 焊接=T 工件装卸+T 点焊+ T 全焊2.1 装卸工件工时:T 工件装卸= (T01+0.2n)B式中:T01—装卸基本工时;(取T01=0.2);n-- 工件数B-- 重量系数(见表)2.2.点焊单件工时:T 点焊= T02+0.1J+0.1N式中:T02—点焊基本工时;J—点焊数;N—点焊时工件翻转次数;2.3. 全焊单件工时:T 全焊= T03+0.1M+0.1N+L Σ/200+0.2NC式中:T03—全焊基本工时;M—焊缝段数;N—全焊时工件翻转次数;LΣ--焊缝长NC--- 焊接参数调节次数注:小件装卸与点焊工时合并,统称点焊工时;重量系数(B)1、飞溅按焊接工时的二分之一计算+0.12、校正按焊接工时的二分之一计算+0.13、有辅助工帮助表卸模,从焊接工时中分取三分之一4、焊接有准备工时按每项20 分钟5、点焊螺母按0.5 分钟一个四.钻床工时定额1、T=kT 机+ T 装卸其中k —难度系数有工差要求k=1.5 有深度要求k=1.1 扩孔及攻丝k=0.82、机动时间:T 机注:L/D ≥8 时,须另增排屑时间60% 3、装卸零件时间及辅助时间: T 装卸五.磨床铣床工时定额计算标准1.平面磨工时定额:工作台单行程横向进给量16~24mm/次工件运行行速度8m/min磨一次行程工时2. 无心磨工时定额(含辅助工时) LkT= 1d式中: L—单件被加工零件总长; k d—直径系数,d≤16, k d=1.0; d>16, k d=1.2203.铣端面工时加工段数系数B计算公式加×T= 工长度六。
机加车间加工工时定额方案(讨论稿)一、目的:运用精细化管理,合理确定零件定额标准,提高效率。
二、适用范围:1、本车间所有产品零件生产的作业员工。
2、本标准适用于单件、小批量、批量生产。
三、原则:1、体现多劳多得、公平公正原则,并充分调动员工的工作积极性。
2、每天以8小时为计时基准。
3、工时定额时间组成:编程工时+(基本时间+辅助时间)×系数+生理时间。
4﹑数控机床加工采用电脑专用软件程序编写并与机床连接。
5﹑工时单价参照当年部门年终奖金分配总额。
四、本《标准》中工时定额的组成及时间单位:五、规则:通过测定各工种技能水平员工完成某项操作所花的正常连续操作时间,按相应的质量要求、技术难度、使用设备的复杂性及劳动条件的优劣程度,确定各工种的计点标准,然后根据计点标准、工作量制定成本单元点。
六、工时定额的时间计点标准6.打杂工时:以8小时为计时基准并精确到具体打杂时间。
七、要求及相关说明1、计点标准一经确定,有效期为2年。
除设计或工艺变更较大之外,不论实际计点高低,均不修改。
2、临时任务临时技改等突发任务,的前5次按《标准》的1.5倍计点,以后按《计点标准》计点。
3、计时工资人员无论做何事,禁止计算工时。
4、除图纸、工艺等原因造成返工、返修外,操作者原因造成返工、返修不计工时;工序未完成不计工时。
5、工时一经确定,禁止事后补计或减计。
八、注意事项:1、标准由机加车间制定,报部门领导批准后开始实施。
2、此工时定额标准作为年终奖发放的主要依据之一。
3、任何人对此标准有异议的,可向机加车间主任申诉。
工时计算方法(各机床工时、各工序工时)生产效率:是衡量生产单位或部门管理绩效的一个指标,体现生产单位或部门的管理能力,即总标准工时与生产总工时的百分比。
为了准确快捷填写生产计划表,现将需计算之工时与相关注意事项做说明。
为了提高生产效率,结合其定义,使工时定额更加合理、准确、科学,现结合本单位实际情况,参考国家相关政策标准,制定此工时计算方法。
一.锯床工时定额计算标准1.工时计算公式:T=(k m T 机+nT 吊+T 装卸)k 2 式中:k m —材料系数n —一次装夹工件数;n=1-2;k 2—次装夹工件数修正系数,k 2=1(n=1);k 2=0.55(n=2) 2.机动时间:T 机 2.1. 方料:式中: H- 板厚mm k B - 材料宽度系数,查下表T 机=k BH22.2.棒料:式中D —棒料外径 mm2.3. 管料:式中d 0—管料内径;mm2.4..方管:式中:H—方管外形高mm ;H 0—方管内腔高mm ; B 0—方管内腔宽mm ;3.吊料时间:4.装卸料时间及其它时间:T机=D24T 机=D —d 02 2410000T 机=H—H 0*B 0208000T吊=L 1000 T装卸LD综上所述:方料:T=(0.12+n0.0519H+0.001L )k 2-0.00013 H 0*B 0 (min ) 圆料:T=(0.12+n0.0429D+0.001L )k 2-0.0001 d 02 (min ) n —一次装夹工件数;n=1-2;k 2—次装夹工件数修正系数,k 2=1(n=1);k 2=0.55(n=2)二.剪板冲压折弯工时定额计算标准1..剪板工时定额计算方法剪板单件工时定额:a —每块工时系数、见表b —剪角次数剪板工时系数表=0.12+1800840T =k *a+b a3注:准备工时按100件基数计算,每件0.2,共计200分剪板毛刺工时:T=0.3 + 处理长度/400剪板校正T校=k*T材料系数K=1~1.52.冲压每冲一次工时3..折弯工时定额计算方法折弯工时定额:t2=Σa i折弯工时定额系数表注:规格栏中,为折弯长度,a为每折一刀的工时(理论计算:每刀0.15分×折1.5=0.225+0.2=0.425→0.5)↓准备工时三.风割焊接工时定额计算标准1.风割工时公式:修磨工时含补焊工时: T 修磨 = T 风割 /22.焊接单件工时: T 焊接=T 工件装卸+T 点焊+ T 全焊 2.1 装卸工件工时:T 工件装卸=(T 01+0.2n )B式中:T 01—装卸基本工时;(取T 01=0.2); n-- 工件数 B-- 重量系数(见表)2.2. 点焊单件工时:T 点焊= T 02+0.1J+0.1N式中:T 02—点焊基本工时;J —点焊数;N —点焊时工件翻转次数;2.3. 全焊单件工时:T 全焊= T 03+0.1M+0.1N+L Σ/200+0.2NC 式中:T 03—全焊基本工时;M —焊缝段数;N —全焊时工件翻转次数;L Σ--焊缝长 NC---焊接参数调节次数注:小件装卸与点焊工时合并,统称点焊工时; 重量系数(B )T风割=风割长度×3+1.5V1、飞溅按焊接工时的二分之一计算+0.12、校正按焊接工时的二分之一计算+0.13、有辅助工帮助表卸模,从焊接工时中分取三分之一4、焊接有准备工时按每项20分钟5、点焊螺母按0.5分钟一个四.钻床工时定额1、T=kT机+ T装卸其中k—难度系数有工差要求k=1.5 有深度要求k=1.1 扩孔及攻丝k=0.82、机动时间:T机注:L/D≥8时,须另增排屑时间60%。
如何确定工时定额
1.计算法:工序工时定额=主加工工时+辅助工时
主加工工时的确定:根据产品图纸、加工面余量、加工工艺、机床的工艺参数(主轴转速、走刀量、吃刀量)计算。
冲床、油压机、压铸机、电炉等可按机床上设定(或技术要求)的工艺时间或节拍来确定。
辅助工时的确定:装夹时间、对刀时间、磨刀准备时间、人工休息、换模时间等之总合。
这类时间以实测或经验估算为准,有些企业是按标准和制度来执行。
2.实测法:取中等水平的操作工在机床上操作时实测工时。
3.类比法:按已有的相似零件的工时定额进行比较、估算,这点全靠成熟工时定额的积累。
确定工时定额的实践性、经验性很强,实际运用时先以计算法或类比法估算,然后以实测法验证、修正。
这是我们总结的“一算、二比、三验”法,适合于各种工艺和工序上确定工时定额。
最后,总合所有工序上的加工工时就能得到产品加工的工时定额。
制定工时定额是企业管理的基础工作,非常重要。
工时定额是编制销售、生产计划以及成本核算、报价的基本数据,同时也是劳动考核的基础。
希望大家重视它,掌握它,并灵活运用。
机加工工时定额计算方法1、合理的零件加工时间定额,是正确的反映机械加工成本、工人劳动量与劳动报酬的基本数据。
2、机械加工的时间定额,是计划设备和工人数量的基本依据。
3、机械加工时间定额的合理与否,它客观反映生产技术水平的高低。
4、机械加工时间定额,使生产技术管理的基本要素。
机械加工时间定额与其组成1、什么是机械加工时间定额?它是指完成一个零件或零件某一工序加工所规定的时间。
2、时间定额的组成:(1)、机动时间(也称基本时间)(Tj)——是指直接改变工件尺寸、形状和表面质量所需要的时间。
它包括刀具趋近、切入、切削和切出的时间。
(2)、辅助时间(Tf)——用于某工序加工每个工件时,进行各种辅助动作所消耗的时间。
包括装卸工件和有关工步的时问。
如启动与停止机床、改变切削用量、对刀、试切、测量等有关工步辅助动作所消耗的时间。
(3)、布置工作地、休息和生理需要的时间(Tbx)——指工人在工作时间内清理工作地点以及保证正常工作时所消耗的时间。
其中包括阅读交接等,检查工件,机床,对机床进行润滑和空运转,更换与修磨刀具,检具和刃具,清理切屑,工作前取出和工作后归还工具,交班前擦拭机床,清理工作场地,填交接班纪录及工作时间内允许必要的休息和生理需要的时问。
为了计算方便,根据加工复杂程度的难易,按操作时间的百分比来表示。
(4)、准备终结时间(Tzz)——是指工人在加工一批工件的开始和结束时间所做准备工作和结束时所消耗的时间。
包括熟悉图纸,工艺文件,进行尺寸换算,借还工具、夹具、量具、刃具,领取毛坯,安装刀杆、刀具、夹具,转动刀架,修整砂轮,点收零件,调整机床,首件检查,加工结束时清理机床,发送成品等。
一般情况,准备与终结时间分固定部分和另加部分。
固定部分是指一批零件加工前必须发生的时间。
另加部分是根据实际工作需要做某些准备与结束工作所需时间。
加工一批零件只给一次准备与终结时间。
3、机械加工时间定额的计算(1)、中批以上td=(tj+tf)×(1+K%)+tzz/N(2)、单件小批td=tj×(1+K%)+tbx+tzz式中,td——单件加工时间定额(min)tj——机动时间(min)tbx——布置场地与休息和生理需要时间(min)tzz——准备与终结时间(min)K——tbx和tzz占tj的百分比N——生产纲领——相同一批零件数辅助时间的确定1、确定原则(1)、辅助时问的长短和工件与机床规格大小、复杂程度成正比。
实用文档1目的确定公司产品生产的标准工时制定流程及方法,制订合理的标准工时定额,是安排生产计划和进行经济核算的基础,在现有设备及生产技术组织条件下,尽可能的精益生产,使大多数员工经过努力都可以达到,先进员工可以超过。
制定和管理制造部生产管理指标,评价各部门的生产能力。
2适用范围本规定适用于公司制造部对产品标准工时定额的制定、修改及管理的全过程。
3职责3.1 计划管理部职责3.1.1 计划管理部负责对制造部制定的标准工时定额表进行审核、发布。
3.1.2 计划管理部负责对各制造部制定、下发标准工时测定计划。
3.1.3 计划管理部负责对各制造部进行工时效率考核、UST奖金考核。
3.1.4 计划管理部负责更新并保存日常工时数据。
3.1.5 计划管理部对各部门工时负责人员的资格评定及评价。
3.2 各制造部职责3.2.1 各制造部按照标准工时的计算方法制定所有产品的标准工时定额表,定期按计划或因需要对标准工时定额表进行修订。
3.2.2 各制造部门工时负责人员任职条件及工作内容4程序要求4.1标准工时定额表制定、发布流程文案大全标准工时定额制定流程及方法修订状态:Rev3共 14 页 第 2 页图14.1.1 各制造部工时测定员生产现场实地观摩测出各工序的实际作业时间值记入工序作业时间记录表并进行现场评价,将现场记录的手写版工序作业时间记录表交至计划管理部存档、备查。
4.1.2 各制造部由根据LS/WI014.034标准工时宽放率的制定及变更的管理规定确定各工序宽放率,并将宽放率填入宽放率评价表,交至计划管理部存档、备查。
4.1.3 各制造部工时测定员根据各工序的实际作业时间及宽放率计算出各工序的标准时间,编制标准工时定额表。
产品的标准工时的计算方法参考下述(标准工时的计算方法)。
4.1.4 各制造部工时测定工程师对工时测定员测定的标准工时进行复核,确认后加入作业指导书中等待审批。
4.1.6 各型号产品的各工序标准工时定额表制定后,经生产技术科科长审批后,再由计划管理部进行审核,计划管理部汇总编制标准工时汇总表。
标准工时是企业进行科学化和标准化管理的主要手段,是现代企业精益管理的重要组成部分。
在当前市场环境下,多品种、小批量的生产模式已经逐步成为生产线作业主流模式,若是根据产品批量生产工时的设定逻辑,远无法满足企业为快速响应市场和精益生产竞争的需求。
所以就当下的市场环境下机加工工时标准怎么算呢?又如何制定机加工标准工时呢?机加工工时标准指标可以核算出企业的生产作业能力,是编制生产计划、平衡不同工序生产能力以及合理安排生产计划的主要依据。
为什么企业会经常性的出现计划偏离实际现象,一方面原因除了市场端的个性化需求临时掺入之外还有一个原因就是机加工工时制定的时候没有如实的做好生产现场实际调研工作,仅仅是通过差不多、大概、应该的处理方式完成,在短生产计划内由于客观因素无法有效的体现计划偏离情况,但在长周期生产背景下,其短板情况就显现出来了。
那机加工工时怎么算才可以符合生产实际呢?至少要确保以下几个方面的要求:①科学的依据,在制定标准工时的时候,需要结合企业现有的生产能力水平,尽量做好定额时间准确可靠。
②保障平均水平,就是说需要确保该工时标准是可以能达到平均员工能力水平的情况;③确保相同岗位定额的统一性和不同工种的平衡,提高岗位员工的劳动积极性。
VIOOVI开发的ECRS工时分析软件就是充分结合精益生产思想,有效融合目前国内制造行业工时标准情况而开发的一款工时分析软件。
产品的质量情况经过市场用户端的检验,软件应用的便捷性和实用性得到了用户们的广泛认可。
ECRS工时分析软件的功能就如视频作业分析,通过点选视频播放,点击鼠标分解动素以及通过视频放大缩小和视频快慢放功能,可以有效的测量现场岗位作业实际的情况,更为细致的做好岗位作业过程浪费可能的情况并加以改善。
所以来说,机加工工时标准怎么算的问题,可以通过ECRS工时分析软件的操作流程进行计算,其流程即为制定机加工标准工时的过程。
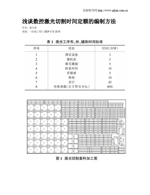
浅谈数控激光切割时间定额的编制方法作者:秦万春来源:《价值工程》2019年第18期摘要:近年来,国内制造业迅猛发展,先进的数控设备被投入使用。
多数企业引进了通快、百超和田中等高精度的激光切割设备,来提高产品质量,满足零件的高标准要求。
拥有先进的机械设备,就要制定科学的、先进的劳动定额标准。
因此,本文以德国通快TRUMPF公司激光切割设备Trulaser 3040为例,分析数控激光切割设备加工零件的过程,简要说明如何编制数控激光切割时间定额的方法。
Abstract: In recent years, the domestic manufacturing industry has developed rapidly and advanced numerical control equipment has been put into use. Most companies have introduced high-precision laser cutting equipment from TRUMPF, Baichao and Tianzhong to improve product quality and meet the high standards of parts. With advanced machinery and equipment, it is necessary to establish scientific and advanced labor quota standards. Therefore, this paper takes the Trusser 3040 laser cutting equipment from TRUMPF, Germany as an example to analyze the process of machining parts of numerical control laser cutting equipment, and briefly explains the method to prepare numerical control laser cutting time quota.关键词:定额标准;激光切割;数控Key words: quota standard;laser cutting;numerical control中图分类号:F243.3; ; ; ; ; ; ; ; ; ; ; ; ; ; ; ; ; ; ; ;文献标识码:A; ; ; ; ; ; ; ; ; ; ; ; ; ; ; ; ; 文章编号:1006-4311(2019)18-0272-031; 数控激光切割设备简介数控切割代表了高科技的生产方式,是先进的优化套料计算技术与计算机数控技术和切割机械相结合的产物。
加工计价方法经常有刚创业的机械加工的朋友为工时计算发愁,也有些朋友为如何计算外发件的成本而苦恼。
老金根据网上的一些资料和实践经验,总结了一些常用的对外机械加工工时价格计算方法供大家参考。
其实各种工种的工时价格并没有固定的,具体情况要具体分析。
可以根据工件的难易,设备的大小,性能的不同而有不同的计算方法,当然关键是看加工的量是有多少,批量越大价格相对越低。
不过一般来说机械加工工时都有一个基本价,根据不同情况在基本价之间浮动。
目前有两种计价方法:工时计价法、根据零件,数量,精度要求收费办法。
一、以工时计价办法记时单位从接手加工开始至加工完成验收合格结束1.车基本价:20-40具体的有根据实际情况而定,像小件,很简单的工时就小于20元;有时甚至只有10元例如一些大的皮带轮,加工余量大,老板只赚铁沫子的钱就够了;有时如果工件大的话,一般市面上没法加工的就可以高点,两三倍,别人也没办法.2.磨基本价:25-453.铣基本价:25-454.钻基本价:15-355.刨基本价:15-356.快走丝线切割基本价:3-4/1200平方毫米7.电火花基本价:10-40,单件一般按50/件(小于1个小时)8.数控机床基本价:比普通的贵2-4倍9.雕刻:一般都是单件的,50-500/件10、钳工基本价:15-35二以根据零件,数量,精度要求收费办法。
1钻孔加工一般材料,深径比不大于2.5倍的直径25MM以下按钻头直径*0.05直径25-60的按钻头直径*0.12(最小孔不低于0.5元)深径比大于2.5的一般材料收费基价*深径比*0.4收取对孔径精度要求小于0.1MM或对中心距要求小于0.1MM的按基价*5收费对攻丝收费标准按丝锥直径*0.2收费(以铸铁为标准,钢件另*1.2)在批量加工时以标准基价*0.2-0.8收取(根据批量大小与加工难易程度)2车床加工类一般精度光轴加工长径比不大与10的按加工件毛坯尺寸*0.2收费(最底5元)长径比大于10的按一般光轴基价*长径比数*0.15精度要求在0.05MM以内的或要求带锥度的以一般光轴基价*2收取一般阶梯轴(风机轴,泵轴,减速器轴,砂轮轴,电机轴,主轴等)以一般精度光轴加工基价*2收取阶梯轴如有带锥度,内外罗纹,的按一般精度光轴加工基价*3收取一般用途丝杠按一般精度光轴加工基价*4收取一般兰盘类零件收费标准按材料直径*0.07收取,直径大于430MM的按材料直径*0.12收取。
机加工工时定额管理规定第一条:制订本制度的目的:1. 提高员工的工作效率,调动员工的工作积极性,实现按劳分配,多劳多得。
2.让所有的员工清楚自己当天的工资所得,将计件工资透明化。
3.2 计件方式必须公平,公正,公开,合理。
第二条:适用范围本车间所有生产人员。
考核方案3.1 取消员工现有的岗位工资系数差别,员工实际岗位工资按照每月工时多少发放.3.2 工时定额发放工时定额由工时员参照标准工时,结合工序制造过程中的实际情况来制定工时票,并随工艺文件一起下发到分厂。
班组长接到工时票及工艺文件后,发放给每位加工人员。
3.3工时票的管理工时票是衡量员工工作量的主要凭证。
持票员工应妥善保存好工时票,不得丢失、损坏。
各班组在接到每个产品的工时票后,应根据产品的特点、人员分配及设备等各方面因素将工时票随产品工序一起分配下去,产品工序完成后,工时票应经各班组长、库管员、检验员签字后,方能生效。
若一道工序由多人共同完成时,在交回工时票时应注明工时实际分配数。
没标注时,则该道工序所有工时归交票人;若只注明人员,则按人数进行均分。
3.4 工时票的回收持票员工应在每月26-25日将签字齐全的工时票交给厂长,由厂长统一整理后交工时员。
工时票由工时员统一核算,并以报表的形式在18日进行公布当月分厂工时情况。
3.5 补充工时补充工时是指实际核算工时与定额工时相差太大或特殊情况下工时核定标准未列入的工作量,而进行调整、追加的工时。
补充工时必须经工时员核对,班组长审核,并经厂长批准后方能生效。
3.6 辅助工时若一道工序需要辅助人员在给工时时应注明辅助工时的多少。
3.6 基础工时每位员工每月必须完成的工时, 此工时纳入每月的工时考核.四. 考核办法4.1 基础工时根据目前生产实际情况,初步设定基础工时为200h。
4.2 超额工时超额工时纳入员工当月岗贴考核。
如超额工时超出实际当月岗贴总数超出部分用年底奖金补齐。
4.3 工时基数根据现有情况工时基数暂定为2元/h。
盘点四⼤标准⼯时制定法标准⼯时是IE⼯程师的尺⼦,它可以⽤来评价、改善系统。
任何⼀个合格的IE⼯程师都不会否定它的重要性。
标准⼯时的制定⽅法有两⼤类:1、直接测时法(包括:秒表法,影像法)2、间接测时法(包括:预定⼯时法,标准资料法)我们对这4种⽅法将分析其优劣之处,使⽤场合:直接测时法:此⽅法⼀定要在有实际⽣产的情况下,才能测定⼯时。
适合于量产产品的现场改善。
1、秒表法优点:应该可以说这是四种⽅法中最简单快速、实施成本最低的⽅法。
缺点:假若操作单元时间都⾮常短,那么测量的⼈员也是反应不过来的,这样数据就产⽣了问题。
另外,此⽅法缺少⼆次分析、追溯的能⼒,因为记录下来的仅仅只有⼀个数字⽽已。
建议使⽤场合:量产阶段。
⼀般可以⽤来测量每个⼯位周期时间,绘制线平衡图表,可进⾏⼈机作业分析。
由于测量精度问题,不建议测量周期时间较短的⼯位,不建议将数据进⾏双⼿作业分析,不建议据此⽣成标准资料。
2、影像法(视频法)优点:这种⽅法是我见过使⽤率最⾼的⽅法。
它的精度相较于秒表法会更⾼,由于视频的存档,它具备⼆次分析、追溯的能⼒。
缺点:但是它的问题就是分析的低效:很多公司使⽤视频剪辑软件对视频进⾏分割,从⽽获取操作单元时间。
因为不是专门的分析软件,所以整个分析过程痛苦⽆⽐,费时费⼒。
原⽂链接的软件可以解决这个问题。
建议使⽤场合:量产阶段。
⼏乎可以运⽤所有的场合。
注意精度需求和分析精度之间的权衡。
间接测时法:此⽅法在没有任何实际⽣产的情况下,就能获得标准⼯时。
特别适合新产品的规划。
3、预定⼯时法优点:具体的⽅法有:MTM,MOST,MOD。
它们最⼤的优点就是不需要实际⽣产。
另外,预定⼯时法的分析结果可以作为⼀个改善的基准。
⽐如,⼯程师在规划阶段分配了⼀个⼿腕动作的时间,但在具体实施的时候发现⼯⼈使⽤了⼀个⼿肘动作去完成。
那么是不是现场的布局有问题,需要把物料放在⼿腕能够取的范围内呢?缺点:必须对每个编码的起始点,结束点,包含动作了如指掌。