架空线路阻抗电抗数据
- 格式:xls
- 大小:54.50 KB
- 文档页数:8
线路类型型号规格线路型号电压等级(kV)线路截面(mm2)电抗(Ω/km)电抗标幺值架空线路LJ-16LJ6160.4 1.028架空线路LJ-25LJ6250.390.983架空线路LGJ-35LGJ6350.380.957架空线路LJ-35LJ6350.380.957架空线路LGJ-50LGJ6500.3680.927架空线路LJ-50LJ6500.3680.927架空线路LGJ-70LGJ6700.3580.902架空线路LJ-70LJ6700.3580.902架空线路LGJ-95LGJ6950.3420.862架空线路LJ-95LJ6950.3420.862架空线路LGJ-120LGJ61200.3350.844架空线路LJ-120LJ61200.3350.844架空线路LJ-16LJ10160.4040.367架空线路LJ-25LJ10250.390.354架空线路LGJ-35LGJ10350.380.345架空线路LGJ-35LGJ10350.380.345架空线路LJ-50LJ10500.3680.334架空线路LJ-50LJ10500.3680.334架空线路LGJ-70LGJ10700.3580.325架空线路LJ-70LJ10700.3580.325架空线路LGJ-95LGJ10950.3420.31架空线路LJ-95LJ10950.3420.31架空线路LGJ-120LGJ101200.3350.304架空线路LJ-120LJ101200.3350.304架空线路LGJ-35LGJ35350.4240.031架空线路LGJ-35LGJ35350.4240.031架空线路LJ-50LJ35500.4120.0301架空线路LJ-50LJ35500.4120.0301架空线路LGJ-70LGJ35700.4020.0294架空线路LJ-70LJ35700.4020.0294架空线路LGJ-95LGJ35950.3860.0282架空线路LJ-95LJ35950.3860.0282架空线路LGJ-120LGJ351200.3790.0277架空线路LJ-120LJ351200.3790.0277架空线路LGJ-150LGJ351500.3730.0272架空线路LGJ-185LGJ351850.3650.0267架空线路LGJ-240LGJ352400.3580.0262架空线路LJ-50LJ66500.4420.00334架空线路LJ-50LJ66500.4420.00334架空线路LGJ-70LGJ66700.4320.00327架空线路LJ-70LJ66700.4320.00327架空线路LGJ-95LGJ66950.4160.00315架空线路LJ-95LJ66950.4160.00315架空线路LGJ-120LGJ661200.4090.00309架空线路LJ-120LJ661200.4090.00309架空线路LGJ-150LGJ661500.4030.00305架空线路LGJ-185LGJ661850.3950.00299架空线路LGJ-240LGJ662400.3880.00293架空线路LGJ-300LGJ663000.3820.00289架空线路LGJ-400LGJ664000.3730.00282架空线路LJ-50LJ110500.4420.00334架空线路LJ-50LJ110500.4420.00334架空线路LGJ-70LGJ110700.4320.00327架空线路LJ-70LJ110700.4320.00327架空线路LGJ-95LGJ110950.4160.00315架空线路LJ-95LJ110950.4160.00315架空线路LGJ-120LGJ1101200.4090.00309架空线路LJ-120LJ1101200.4090.00309架空线路LGJ-150LGJ1101500.4030.00305架空线路LGJ-185LGJ1101850.3950.00299架空线路LGJ-240LGJ1102400.3880.00293架空线路LGJ-300LGJ1103000.3820.00289架空线路LGJ-400LGJ1104000.3730.00282架空线路LGJ-185LGJ2201850.440.000832架空线路LGJ-2*185LGJ2202*1850.3150.000595架空线路LGJ-240LGJ2202400.3420.000817架空线路LGJ-2*240LGJ2202*2400.310.000586架空线路LGJQ-300LGJQ2203000.4270.000807架空线路LGJQ-2*300LGJQ2202*3000.3080.000582架空线路LGJQ-400LGJQ2204000.4170.000778架空线路LGJQ-2*400LGJQ2202*4000.3030.000573架空线路LGJQ-500LGJQ2205000.4110.000777架空线路LGJQ-2*500LGJQ2202*5000.30.000567架空线路LGJQ-600LGJQ2206000.4050.000766架空线路LGJQ-2*600LGJQ2202*6000.2970.000561架空线路LGJQ-700LGJQ2207000.3980.000752架空线路LGJQ-2*700LGJQ2202*7000.2940.000556架空线路LGJQ-300LGJQ3303000.3210.00027架空线路LGJQ-400LGJQ3304000.3160.000266架空线路LGJQ-500LGJQ3305000.3130.000263架空线路LGJQ-600LGJQ3306000.310.00026架空线路LGJQ-700LGJQ3307000.3070.000258架空线路LGJQ-300LGJQ5003000.3020.00011架空线路LGJQ-400LGJQ5004000.2990.000108架空线路LGJQ-500LGJQ5005000.2970.000108架空线路LGJQ-600LGJQ5006000.2950.000107架空线路LGJQ-700LGJQ5007000.2920.000106铜电缆通用通用6250.0850.214铜电缆通用通用6350.0790.199铜电缆通用通用6500.0760.191铜电缆通用通用6700.0720.181铜电缆通用通用6950.0690.174铜电缆通用通用61200.0690.174铜电缆通用通用61500.0660.166铜电缆通用通用61850.0660.166铝电缆通用通用6250.0850.214铝电缆通用通用6350.0790.199铝电缆通用通用6500.0760.191铝电缆通用通用6700.0720.181铝电缆通用通用6950.0690.174铝电缆通用通用61200.0690.174铝电缆通用通用61500.0660.166铝电缆通用通用61850.0660.166铜电缆通用通用10250.0940.0583铜电缆通用通用10350.0880.0798铜电缆通用通用10500.0820.0744铜电缆通用通用10700.0790.0714铜电缆通用通用10950.0760.0689铜电缆通用通用101200.0760.0689铜电缆通用通用101500.0720.0653铜电缆通用通用101850.0690.0626铝电缆通用通用10250.0940.0583铝电缆通用通用10350.0880.0798铝电缆通用通用10500.0820.0744铝电缆通用通用10700.0790.0714铝电缆通用通用10950.0760.0689铝电缆通用通用101200.0760.0689铝电缆通用通用101500.0720.0653铝电缆通用通用101850.0690.0626铜电缆通用通用13.8250.1350.071铜电缆通用通用13.8350.1290.068铜电缆通用通用13.8500.1190.062铜电缆通用通用13.8700.1160.061铜电缆通用通用13.8950.110.058铜电缆通用通用13.81200.1070.056铜电缆通用通用13.81500.1040.055铜电缆通用通用13.81850.10.053铝电缆通用通用13.8250.1350.071铝电缆通用通用13.8350.1290.068铝电缆通用通用13.8500.1190.062铝电缆通用通用13.8700.1160.061铝电缆通用通用13.8950.110.058铝电缆通用通用13.81200.1070.056铝电缆通用通用13.81500.1040.055铝电缆通用通用13.81850.10.053铜电缆通用通用15.75250.1350.0544铜电缆通用通用15.75350.1290.052铜电缆通用通用15.75500.1190.048铜电缆通用通用15.75700.1160.0468铜电缆通用通用15.75950.110.0443铜电缆通用通用15.751200.1070.0431铜电缆通用通用15.751500.1040.0419铜电缆通用通用15.751850.10.0403铝电缆通用通用15.75250.1350.0544铝电缆通用通用15.75350.1290.052铝电缆通用通用15.75500.1190.048铝电缆通用通用15.75700.1160.0468铝电缆通用通用15.75950.110.0443铝电缆通用通用15.751200.1070.0431铝电缆通用通用15.751500.1040.0419铝电缆通用通用15.751850.10.0403铜电缆通用通用18250.1350.0417铜电缆通用通用18350.1290.0398铜电缆通用通用18500.1190.0367铜电缆通用通用18700.1160.0358铜电缆通用通用18950.110.034铜电缆通用通用181200.1070.033铜电缆通用通用181500.1040.0321铜电缆通用通用181850.10.0309铝电缆通用通用18250.1350.0417铝电缆通用通用18350.1290.0398铝电缆通用通用18500.1190.0367铝电缆通用通用18700.1160.0358铝电缆通用通用18950.110.034铝电缆通用通用181200.1070.033铝电缆通用通用181500.1040.0321铝电缆通用通用181850.10.0309铜电缆通用通用35700.1320.00964铜电缆通用通用35950.1260.0092铜电缆通用通用351200.1190.00869铜电缆通用通用351500.1160.00847铜电缆通用通用351850.1130.00825铝电缆通用通用35700.1320.00964铝电缆通用通用35950.1260.0092铝电缆通用通用351200.1190.00869铝电缆通用通用351500.1160.00847铝电缆通用通用351850.1130.00825高压电缆通用通用110及以上通用电阻(Ω/km)电阻标幺值阻抗标幺值1.96 4.38 4.49902 1.27 3.2 3.34758 0.912.293 2.484693 0.91 2.293 2.484693 0.63 1.587 1.837906 0.63 1.587 1.837906 0.45 1.345 1.619453 0.45 1.345 1.619453 0.330.831 1.197332 0.330.831 1.197332 0.270.68 1.0838520.270.68 1.0838521.96 1.778 1.815481 1.27 1.152 1.205164 0.910.8250.894232 0.910.8250.894232 0.630.5710.661511 0.630.5710.661511 0.450.4080.521622 0.450.4080.521622 0.330.2990.430698 0.330.2990.430698 0.270.2450.390437 0.270.2450.390437 0.910.06650.073371 0.910.06650.073371 0.630.0460.054973 0.630.0460.054973 0.450.03290.044122 0.450.03290.044122 0.330.02410.037095 0.330.02410.037095 0.270.01970.033991 0.270.01970.033991 0.210.01530.031208 0.170.01240.029439 0.130.00960.027903 0.630.004760.005815 0.630.004760.005815 0.450.00340.004717 0.450.00340.004717 0.330.00250.004022 0.330.00250.004022 0.270.002040.003703 0.270.002040.0037030.210.001590.00344 0.170.001290.003256 0.130.0010.003096 0.110.000810.003001 0.080.000610.002885 0.630.004760.005815 0.630.004760.005815 0.450.00340.004717 0.450.00340.004717 0.330.00250.004022 0.330.00250.004022 0.270.002040.003703 0.270.002040.003703 0.210.001590.00344 0.170.001290.003256 0.130.0010.003096 0.110.000810.003001 0.080.000610.002885 0.170.003210.003316 0.0850.0001610.000616 0.1320.000250.000854 0.0660.0001250.000599 0.1070.0002020.0008320.0540.0001020.000591 0.080.0001510.0007930.040.0000760.000578 0.0650.0001230.000787 0.0330.0000610.00057 0.0550.0001040.0007730.0280.0000520.000563 0.0440.0000830.000757 0.0220.0000420.000558 0.0540.0000450.000274 0.040.0000340.000268 0.0650.0000270.000264 0.0330.0000230.000261 0.0220.0000180.000259 0.0360.0001310.000171 0.02660.0000970.000145 0.02160.0000780.000133 0.01830.0000660.000126 0.01460.0000530.0001190.74 1.864 1.876244 0.54 1.361 1.375472 0.390.983 1.001384 0.280.7050.727864 0.20.540.567341 0.1580.3980.434373 0.1230.310.3516480.1030.260.3084741.28 3.225 3.232092 0.922.318 2.326526 0.64 1.612 1.623276 0.46 1.159 1.173048 0.340.8570.874486 0.270.680.701909 0.210.5290.554434 0.170.4280.459064 0.740.6710.673528 0.540.490.496455 0.390.3540.361734 0.280.2540.263845 0.20.1810.19367 0.1580.1430.158733 0.1230.1120.1296460.1030.0930.1121061.28 1.161 1.162463 0.920.8340.837809 0.640.580.584752 0.460.4170.423069 0.340.3080.315612 0.270.2450.254504 0.210.190.200908 0.170.1540.166237 0.740.3890.395426 0.540.2840.292027 0.390.2050.21417 0.280.1470.159154 0.20.1050.119954 0.1580.0830.100125 0.1230.0650.0851470.1030.0540.0756641.280.6720.67574 0.920.4380.443247 0.640.3360.341672 0.460.2420.24957 0.340.1790.188162 0.270.1420.152643 0.210.110.1229840.170.0890.103586 0.740.2980.302925 0.540.2180.224116 0.390.1570.164174 0.280.1130.122308 0.20.0810.092323 0.1580.0640.07716 0.1230.050.0652350.1030.0420.0582071.280.5160.51886 0.920.3710.374626 0.640.2580.262427 0.460.1850.190828 0.340.1370.143984 0.270.1090.117212 0.210.0850.094766 0.170.0690.079907 0.740.2280.231782 0.540.1670.171677 0.390.120.125487 0.280.0860.093154 0.20.0620.070711 0.1580.0490.059076 0.1230.0380.0497430.1030.0320.0444841.280.3950.397195 0.920.2840.286775 0.640.1980.201373 0.460.1420.146443 0.340.1050.110368 0.270.0830.08932 0.210.0650.072494 0.170.0520.060488 0.280.02050.022653 0.20.01460.017257 0.1580.001150.008766 0.1230.0090.012359 0.1030.00750.01115 0.460.03360.034956 0.340.02480.026451 0.270.01970.021532 0.210.01530.017488 0.170.01240.014894。
常用线路电抗电阻及相关参数
常用线路电抗电阻及相关参数
编辑整理:
尊敬的读者朋友们:
这里是精品文档编辑中心,本文档内容是由我和我的同事精心编辑整理后发布的,发布之前我们对文中内容进行仔细校对,但是难免会有疏漏的地方,但是任然希望(常用线路电抗电阻及相关参数)的内容能够给您的工作和学习带来便利。
同时也真诚的希望收到您的建议和反馈,这将是我们进步的源泉,前进的动力。
本文可编辑可修改,如果觉得对您有帮助请收藏以便随时查阅,最后祝您生活愉快业绩进步,以下为常用线路电抗电阻及相关参数的全部内容。
常用线路电抗电阻及相关参数
架空线路每公里电阻电抗标幺值(sj=100)
金属电阻率极其温度系数
铁209。
710.00651。
架空线路每公里的电抗、电阻标幺值(sj=100MVA)导线型号6kV 10kV 35kV 110kV x(Ω)x*r(Ω)r*x(Ω)x*r(Ω)r*x(Ω)x*r(Ω)r*x(Ω)x*r(Ω)r*LJ-16 0.404 1.028 1.96 4.938 0.404 0.367 1.96 1.778LJ-25 0.390 0.983 1.27 3.200 0.390 0.354 1.27 1.152LGJ、LJ-35 0.380 0.957 0.91 2.293 0.380 0.345 0.91 0.825 0.424 0.0310 0.91 0.0665LGJ、LJ-50 0.368 0.181 0.63 1.587 0.368 0.334 0.63 0.571 0.412 0.0301 0.63 0.0460 0.442 0.00334 0.63 0.00476 LGJ、LJ-70 0.358 0.174 0.45 1.134 0.358 0.325 0.45 0.408 0.402 0.0294 0.45 0.0329 0.432 0.00327 0.45 0.00340 LGJ、LJ-95 0.342 0.174 0.33 0.831 0.342 0.310 0.33 0.299 0.386 0.0282 0.33 0.0241 0.416 0.00315 0.33 0.00250 LGJ、LJ-120 0.335 0.166 0.27 0.680 0.335 0.304 0.27 0.245 0.379 0.0277 0.27 0.0197 0.409 0.00309 0.27 0.00204 LGJ-150 0.373 0.0272 0.21 0.0153 0.403 0.00305 0.21 0.00159 LGJ-185 0.365 0.0267 0.17 0.0124 0.395 0.00299 0.17 0.00129 LGJ-240 0.358 0.0262 0.13 0.0096 0.388 0.00293 0.13 0.00100 LGJQ-300 0.382 0.00289 0.11 0.00081 LGJQ-400 0.373 0.00282 0.08 0.00061导线型号220kV(单导线)220kV(双分裂)330kV(双分裂)500kV(三分裂)x(Ω)x*r(Ω)r*x(Ω)x*r(Ω)r*x(Ω)x*r(Ω)r*x(Ω)x*r(Ω)r*LGJ-185 0.440 0.000832 0.170 0.000321 0.315 0.000595 0.085 0.000161LGJ-240 0.342 0.000832 0.132 0.000250 0.310 0.000586 0.066 0.000125LGJQ-300 0.427 0.000832 0.107 0.000202 0.308 0.000582 0.054 0.000102 0.321 0.000270 0.054 0.000045 0.302 0.000110 0.0360 0.000131 LGJQ-400 0.417 0.000832 0.080 0.000151 0.303 0.000573 0.040 0.000076 0.316 0.000266 0.040 0.000034 0.299 0.000108 0.0266 0.000097 LGJQ-500 0.411 0.000832 0.065 0.000123 0.300 0.000567 0.033 0.000061 0.313 0.000263 0.033 0.000027 0.297 0.000108 0.0216 0.000078 LGJQ-600 0.405 0.000832 0.055 0.000104 0.297 0.000561 0.028 0.000052 0.310 0.000260 0.028 0.000023 0.295 0.000107 0.0183 0.000066 LGJQ-700 0.398 0.000832 0.044 0.000083 0.294 0.000556 0.022 0.000042 0.307 0.000258 0.022 0.000018 0.292 0.000106 0.0146 0.000053注1.摘自《电力工程电气设计手册-电气一次部分》第一册P189;注2.电压(kV)/线间距(m):6/1.25;10/1.25;35/2.5/;110/4.0;220/6.5;330/8.0;500/11.0三芯电力电缆每公里的电抗、电阻标幺值(sj=100MVA)线芯6kV 10kV 13.8kV截面x x* r(铝) r*(铝) r(铜) r*(铜) x x* r(铝) r*(铝) r(铜) r*(铜) x x* r(铝芯) r*(铝) r(铜) r*(铜) 25 0.085 0.214 1.280 3.225 0.740 1.864 0.094 0.0853 1.280 1.161 0.740 0.671 0.135 0.071 1.280 0.672 0.740 0.389 35 0.079 0.199 0.920 2.318 0.540 1.361 0.088 0.0798 0.920 0.834 0.540 0.490 0.129 0.068 0.920 0.483 0.540 0.284 50 0.076 0.191 0.640 1.612 0.390 0.983 0.082 0.0744 0.640 0.580 0.390 0.354 0.119 0.062 0.640 0.336 0.390 0.205 70 0.072 0.181 0.460 1.159 0.280 0.705 0.079 0.0717 0.460 0.417 0.280 0.254 0.116 0.061 0.460 0.242 0.280 0.147 95 0.069 0.174 0.340 0.857 0.200 0.504 0.076 0.0689 0.340 0.308 0.200 0.181 0.110 0.058 0.340 0.179 0.200 0.105 120 0.069 0.174 0.270 0.680 0.158 0.398 0.076 0.0689 0.270 0.245 0.158 0.143 0.107 0.056 0.270 0.142 0.158 0.083 150 0.066 0.166 0.210 0.529 0.123 0.310 0.072 0.0653 0.210 0.190 0.123 0.112 0.104 0.055 0.210 0.110 0.123 0.065 185 0.066 0.166 0.170 0.428 0.103 0.260 0.069 0.0626 0.170 0.154 0.103 0.093 0.100 0.053 0.170 0.089 0.103 0.054线芯15.75kV 18kV 35kV截面x x* r(铝) r*(铝) r(铜) r*(铜) x x* r(铝) r*(铝) r(铜) r*(铜) x x* r(铝芯) r*(铝) r(铜) r*(铜) 25 0.135 0.0544 1.280 0.516 0.740 0.298 0.135 0.0417 1.280 0.395 0.740 0.22835 0.129 0.0520 0.920 0.371 0.540 0.218 0.129 0.0398 0.920 0.284 0.540 0.16750 0.119 0.0430 0.640 0.258 0.390 0.157 0.119 0.0367 0.640 0.198 0.390 0.12070 0.116 0.0468 0.460 0.185 0.280 0.113 0.116 0.0358 0.460 0.142 0.280 0.086 0.132 0.00964 0.460 0.0336 0.280 0.0205 95 0.110 0.0443 0.340 0.137 0.200 0.081 0.110 0.0340 0.340 0.105 0.200 0.062 0.126 0.00920 0.340 0.0248 0.200 0.0146 120 0.107 0.0431 0.270 0.109 0.158 0.064 0.107 0.0330 0.270 0.083 0.158 0.049 0.119 0.00869 0.270 0.0197 0.158 0.0115 150 0.104 0.0419 0.210 0.085 0.123 0.050 0.104 0.0321 0.210 0.065 0.123 0.038 0.116 0.00847 0.210 0.0153 0.123 0.0090 185 0.100 0.0403 0.170 0.069 0.103 0.042 0.100 0.0309 0.170 0.052 0.103 0.032 0.113 0.00825 0.170 0.0124 0.103 0.0075 注:1、110kV高压电缆的平均电抗,x=0.18Ω/km,x*=0.00136 2、表中所列为正序电抗x1,负序电抗x2=x1,零序电抗x0=3.5x 13、摘自《电力工程电气设计手册-电气一次部分》第一册P190。
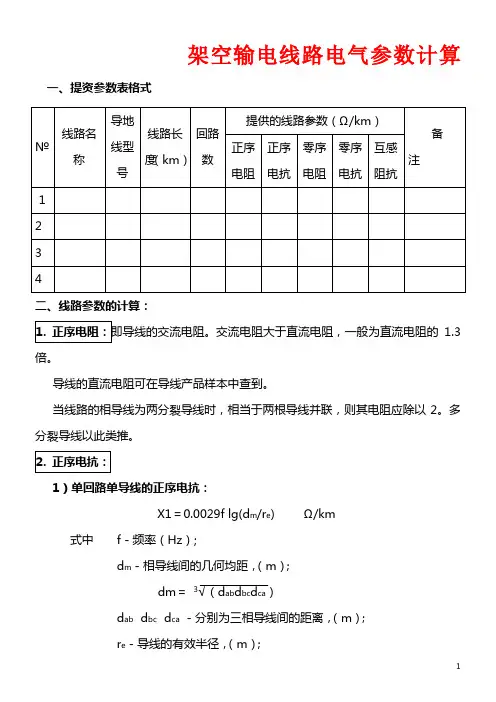
架空输电线路电气参数计算一、提资参数表格式二、线路参数的计算:1.3倍。
导线的直流电阻可在导线产品样本中查到。
当线路的相导线为两分裂导线时,相当于两根导线并联,则其电阻应除以2。
多分裂导线以此类推。
X1=0.0029f lg(d m/r e) Ω/km式中f-频率(Hz);d m-相导线间的几何均距,(m);dm=3√(d ab d bc d ca)d ab d bc d ca -分别为三相导线间的距离,(m);r e-导线的有效半径,(m);r e≈0.779rr-导线的半径,(m)。
2)单回路相分裂导线的正序电抗:X1=0.0029f lg(d m/R e) Ω/km式中f-频率(Hz);d m-相导线间的几何均距,(m);dm=3√(d ab d bc d ca)d ab d bc d ca -分别为三相导线间的距离,(m);R e-相分裂导线的有效半径,(m);n=2 R e=(r e S)1/2n=4 R e=1.091(r e S3)1/4n=6 R e=1.349(r e S5)1/6S-分裂间距,(m)。
3)双回路线路的正序电抗:X1=0.0029f lg (d m/R e) Ω/km式中f-频率(Hz);d m-相导线间的几何均距,(m);a 。
c′。
dm=12√(d ab d ac d a b′d ac′‵d ba d bc d ba′d bc′d ca d cb d ca′d cb′)b 。
b′。
d ab d bc ……分别为三相双回路导线间的轮换距离,(m);c 。
a′。
R e-相分裂导线的有效半径,(m);R e=6√(r e3 d aa′d bb′d cc′)国内常用导线的线路正序电抗查《电力工程高压送电线路设计手册》第二版P18~P19查表时注意:1)弄清计算线路有代表性的塔型(用得多的塔型),或有两种塔型时,用加权平均计算出线路的几何均距。
2)区别计算单回路与双回路的几何均距。
附录A 架空线路每千米的电抗、电阻值注 1.110kV高压电缆的平均电抗:X=0.18Ω/km。
2.表中所列为正序电抗X1,负序电抗X2= X1,零序电抗X0=3.5X1。
附录C 各电压等级基准值表表C.1 基准容量S=1000MVA时的基准值表b=100MVA时的基准值表表C.2 基准容量Sb附录D 常用电缆载流量序导线型号中试所实验值载流量建议值(A) 载流量原标准值(A) 号1 YJLV22-35 100 1232 YJLV22-50 115 1413 YJLV22-70 140 1734 YJLV22-95 170 2145 YJLV22-120 195 2466 YJLV22-150 220 2787 YJLV22-185 255 3208 YJLV22-240 300 3739 YJLV22-300 340 42810 YJLV22-400 400 501序号导线型号中试所实验值载流量建议值(A) 载流量原标准值(A)1 YJV22-35 125 1592 YJV22-50 145 1823 YJV22-70 180 2234 YJV22-95 220 2765 YJV22-120 255 3176 YJV22-150 285 3597 YJV22-185 330 4138 YJV22-240 385 4819 YJV22-300 440 55210 YJV22-400 515 646序导线型号中试所实验值载流量建议值(A) 载流量原标准值(A)号1 JKLYJ-35 150 1642 JKLYJ-50 155 180 1983 JKLYJ-70 195 225 2494 JKLYJ-95 239 275 3045 JKLYJ-120 276 320 3526 JKLYJ-150 318 365 4037 JKLYJ-185 366 425 4658 JKLYJ-240 436 505 5539 JKLYJ-300 510序号导线型号中试所实验值载流量建议值(A) 载流量原标准值(A)1 ZLQ-50 65 812 ZLQ-70 85 1063 ZLQ-95 100 1264 ZLQ-120 115 1465 ZLQ-150 135 1716 ZLQ-185 155 1957 ZLQ-240 185 2328 ZLQ-300 210 260序导线型号中试所实验值载流量建议值(A) 载流量原标准值(A) 号1 LGJ-35 145 1752 LGJ-50 166 170 2103 LGJ-70 196 215 2654 LGJ-95 252 270 3305 LGJ-120 287 310 3806 LGJ-150 331 365 4457 LGJ-185 379 415 5108 LGJ-240 445 500 6109 LGJ-300 512 565 69010 LGJ-400 608。
交联聚乙烯电缆单位长度电容、电抗、电阻值无功补偿设备选型时,应计及电缆充电功率(电容效应)的情况,依据交联聚乙烯电缆单位长度电容量值计算电缆充电功率电缆充电功率计算公式Q LC=U线2WC (注意电容单位,W=2πf=2*3.14*50=314)详见《电力系统规划设计手册》P158。
架空线的充电功率见P158表7-1,架空线消耗的无功功率应按其电抗值计算Q L=3i2N X L中性点非直接接地系统,应计算单相接地故障时中性点流过的电容电流,以此选择中性点设备(消弧线圈或中性点电阻(高阻、中阻、低阻)选型时。
选择中性点设备时,应考虑35kV或10kV两段母线的运行方式,宜分别计算各段母线所带线路长度(若每段母线都超过了10A,宜上两组消弧线圈)。
35kV消弧线圈容量,根据需要可考虑一台主变带全站35kV线路的运行方式,并留有裕度(1.35)。
还应计及变电站的附加效应,详见《电力系统规划设计手册》P110、P111.I DC电缆=1.732WCU线,I DC架空=(2.7-3.3)U N L*10-3(单相接地时电容电流)附表表1 交联聚乙烯电缆单位长度电容值(6-35kV,三芯、单芯)表2 交联聚乙烯电缆单位长度电容值(110-220kV,单芯)表3 架空线路每公里的电抗、电阻值及标幺值(sj=100MVA)表4 三芯电力电缆每公里的电抗、电阻值及标幺值(sj=100MVA)表1 交联聚乙烯电缆单位长度电容量值(6-35kV)表2 交联聚乙烯电缆单位长度电容量值(110-220kV)表3 架空线路每公里的电抗、电阻值及标幺值(sj=100MVA)注1.摘自《电力工程电气设计手册-电气一次部分》第一册P189;注2.电压(kV)/线间距(m):6/1.25;10/1.25;35/2.5/;110/4.0;220/6.5;330/8.0;500/11.0三芯电力电缆每公里的电抗、电阻值及标幺值(sj=100MVA)注:1、110kV高压电缆的平均电抗,x=0.18Ω/km,x*=0.00136 2、表中所列为正序电抗x1,负序电抗x2=x1,零序电抗x0=3.5x1 3、摘自《电力工程电气设计手册-电气一次部分》第一册P190。
附录A架空线路每千米的电抗、电阻值注1.110kV高压电缆的平均电抗:X=0.18Ω/km。
2.表中所列为正序电抗X1,负序电抗X2=X1,零序电抗X0=3.5X1。
附录C各电压等级基准值表=1000MVA时的基准值表表C.1基准容量Sb表C.2基准容量S=100MVA时的基准值表b附录D常用电缆载流量序导线型号中试所实验值载流量建议值(A) 载流量原标准值(A) 号1 YJLV22-35 100 1232 YJLV22-50 115 1413 YJLV22-70 140 1734 YJLV22-95 170 2145 YJLV22-120 195 2466 YJLV22-150 220 2787 YJLV22-185 255 3208 YJLV22-240 300 3739 YJLV22-300 340 42810 YJLV22-400 400 501序号导线型号中试所实验值载流量建议值(A) 载流量原标准值(A)1 YJV22-35 125 1592 YJV22-50 145 1823 YJV22-70 180 2234 YJV22-95 220 2765 YJV22-120 255 3176 YJV22-150 285 3597 YJV22-185 330 4138 YJV22-240 385 4819 YJV22-300 440 55210 YJV22-400 515 646序导线型号中试所实验值载流量建议值(A) 载流量原标准值(A) 号1 JKLYJ-35 150 1642 JKLYJ-50 155 180 1983 JKLYJ-70 195 225 2494 JKLYJ-95 239 275 3045 JKLYJ-120 276 320 3526 JKLYJ-150 318 365 4037 JKLYJ-185 366 425 4658 JKLYJ-240 436 505 5539 JKLYJ-300 510序号导线型号中试所实验值载流量建议值(A) 载流量原标准值(A)1 ZLQ-50 65 812 ZLQ-70 85 1063 ZLQ-95 100 1264 ZLQ-120 115 1465 ZLQ-150 135 1716 ZLQ-185 155 1957 ZLQ-240 185 2328 ZLQ-300 210 260序导线型号中试所实验值载流量建议值(A) 载流量原标准值(A)号1 LGJ-35 145 1752 LGJ-50 166 170 2103 LGJ-70 196 215 2654 LGJ-95 252 270 3305 LGJ-120 287 310 3806 LGJ-150 331 365 4457 LGJ-185 379 415 5108 LGJ-240 445 500 6109 LGJ-300 512 565 69010 LGJ-400 608。
线路类型型号规格线路型号电压等级(kV)线路截面(mm2)电抗(Ω/km)电抗标幺值架空线路LJ-16LJ6160.4 1.028架空线路LJ-25LJ6250.390.983架空线路LGJ-35LGJ6350.380.957架空线路LJ-35LJ6350.380.957架空线路LGJ-50LGJ6500.3680.927架空线路LJ-50LJ6500.3680.927架空线路LGJ-70LGJ6700.3580.902架空线路LJ-70LJ6700.3580.902架空线路LGJ-95LGJ6950.3420.862架空线路LJ-95LJ6950.3420.862架空线路LGJ-120LGJ61200.3350.844架空线路LJ-120LJ61200.3350.844架空线路LJ-16LJ10160.4040.367架空线路LJ-25LJ10250.390.354架空线路LGJ-35LGJ10350.380.345架空线路LGJ-35LGJ10350.380.345架空线路LJ-50LJ10500.3680.334架空线路LJ-50LJ10500.3680.334架空线路LGJ-70LGJ10700.3580.325架空线路LJ-70LJ10700.3580.325架空线路LGJ-95LGJ10950.3420.31架空线路LJ-95LJ10950.3420.31架空线路LGJ-120LGJ101200.3350.304架空线路LJ-120LJ101200.3350.304架空线路LGJ-35LGJ35350.4240.031架空线路LGJ-35LGJ35350.4240.031架空线路LJ-50LJ35500.4120.0301架空线路LJ-50LJ35500.4120.0301架空线路LGJ-70LGJ35700.4020.0294架空线路LJ-70LJ35700.4020.0294架空线路LGJ-95LGJ35950.3860.0282架空线路LJ-95LJ35950.3860.0282架空线路LGJ-120LGJ351200.3790.0277架空线路LJ-120LJ351200.3790.0277架空线路LGJ-150LGJ351500.3730.0272架空线路LGJ-185LGJ351850.3650.0267架空线路LGJ-240LGJ352400.3580.0262架空线路LJ-50LJ66500.4420.00334架空线路LJ-50LJ66500.4420.00334架空线路LGJ-70LGJ66700.4320.00327架空线路LJ-70LJ66700.4320.00327架空线路LGJ-95LGJ66950.4160.00315架空线路LJ-95LJ66950.4160.00315架空线路LGJ-120LGJ661200.4090.00309架空线路LJ-120LJ661200.4090.00309架空线路LGJ-150LGJ661500.4030.00305架空线路LGJ-185LGJ661850.3950.00299架空线路LGJ-240LGJ662400.3880.00293架空线路LGJ-300LGJ663000.3820.00289架空线路LGJ-400LGJ664000.3730.00282架空线路LJ-50LJ110500.4420.00334架空线路LJ-50LJ110500.4420.00334架空线路LGJ-70LGJ110700.4320.00327架空线路LJ-70LJ110700.4320.00327架空线路LGJ-95LGJ110950.4160.00315架空线路LJ-95LJ110950.4160.00315架空线路LGJ-120LGJ1101200.4090.00309架空线路LJ-120LJ1101200.4090.00309架空线路LGJ-150LGJ1101500.4030.00305架空线路LGJ-185LGJ1101850.3950.00299架空线路LGJ-240LGJ1102400.3880.00293架空线路LGJ-300LGJ1103000.3820.00289架空线路LGJ-400LGJ1104000.3730.00282架空线路LGJ-185LGJ2201850.440.000832架空线路LGJ-2*185LGJ2202*1850.3150.000595架空线路LGJ-240LGJ2202400.3420.000817架空线路LGJ-2*240LGJ2202*2400.310.000586架空线路LGJQ-300LGJQ2203000.4270.000807架空线路LGJQ-2*300LGJQ2202*3000.3080.000582架空线路LGJQ-400LGJQ2204000.4170.000778架空线路LGJQ-2*400LGJQ2202*4000.3030.000573架空线路LGJQ-500LGJQ2205000.4110.000777架空线路LGJQ-2*500LGJQ2202*5000.30.000567架空线路LGJQ-600LGJQ2206000.4050.000766架空线路LGJQ-2*600LGJQ2202*6000.2970.000561架空线路LGJQ-700LGJQ2207000.3980.000752架空线路LGJQ-2*700LGJQ2202*7000.2940.000556架空线路LGJQ-300LGJQ3303000.3210.00027架空线路LGJQ-400LGJQ3304000.3160.000266架空线路LGJQ-500LGJQ3305000.3130.000263架空线路LGJQ-600LGJQ3306000.310.00026架空线路LGJQ-700LGJQ3307000.3070.000258架空线路LGJQ-300LGJQ5003000.3020.00011架空线路LGJQ-400LGJQ5004000.2990.000108架空线路LGJQ-500LGJQ5005000.2970.000108架空线路LGJQ-600LGJQ5006000.2950.000107架空线路LGJQ-700LGJQ5007000.2920.000106铜电缆通用通用6250.0850.214铜电缆通用通用6350.0790.199铜电缆通用通用6500.0760.191铜电缆通用通用6700.0720.181铜电缆通用通用6950.0690.174铜电缆通用通用61200.0690.174铜电缆通用通用61500.0660.166铜电缆通用通用61850.0660.166铝电缆通用通用6250.0850.214铝电缆通用通用6350.0790.199铝电缆通用通用6500.0760.191铝电缆通用通用6700.0720.181铝电缆通用通用6950.0690.174铝电缆通用通用61200.0690.174铝电缆通用通用61500.0660.166铝电缆通用通用61850.0660.166铜电缆通用通用10250.0940.0583铜电缆通用通用10350.0880.0798铜电缆通用通用10500.0820.0744铜电缆通用通用10700.0790.0714铜电缆通用通用10950.0760.0689铜电缆通用通用101200.0760.0689铜电缆通用通用101500.0720.0653铜电缆通用通用101850.0690.0626铝电缆通用通用10250.0940.0583铝电缆通用通用10350.0880.0798铝电缆通用通用10500.0820.0744铝电缆通用通用10700.0790.0714铝电缆通用通用10950.0760.0689铝电缆通用通用101200.0760.0689铝电缆通用通用101500.0720.0653铝电缆通用通用101850.0690.0626铜电缆通用通用13.8250.1350.071铜电缆通用通用13.8350.1290.068铜电缆通用通用13.8500.1190.062铜电缆通用通用13.8700.1160.061铜电缆通用通用13.8950.110.058铜电缆通用通用13.81200.1070.056铜电缆通用通用13.81500.1040.055铜电缆通用通用13.81850.10.053铝电缆通用通用13.8250.1350.071铝电缆通用通用13.8350.1290.068铝电缆通用通用13.8500.1190.062铝电缆通用通用13.8700.1160.061铝电缆通用通用13.8950.110.058铝电缆通用通用13.81200.1070.056铝电缆通用通用13.81500.1040.055铝电缆通用通用13.81850.10.053铜电缆通用通用15.75250.1350.0544铜电缆通用通用15.75350.1290.052铜电缆通用通用15.75500.1190.048铜电缆通用通用15.75700.1160.0468铜电缆通用通用15.75950.110.0443铜电缆通用通用15.751200.1070.0431铜电缆通用通用15.751500.1040.0419铜电缆通用通用15.751850.10.0403铝电缆通用通用15.75250.1350.0544铝电缆通用通用15.75350.1290.052铝电缆通用通用15.75500.1190.048铝电缆通用通用15.75700.1160.0468铝电缆通用通用15.75950.110.0443铝电缆通用通用15.751200.1070.0431铝电缆通用通用15.751500.1040.0419铝电缆通用通用15.751850.10.0403铜电缆通用通用18250.1350.0417铜电缆通用通用18350.1290.0398铜电缆通用通用18500.1190.0367铜电缆通用通用18700.1160.0358铜电缆通用通用18950.110.034铜电缆通用通用181200.1070.033铜电缆通用通用181500.1040.0321铜电缆通用通用181850.10.0309铝电缆通用通用18250.1350.0417铝电缆通用通用18350.1290.0398铝电缆通用通用18500.1190.0367铝电缆通用通用18700.1160.0358铝电缆通用通用18950.110.034铝电缆通用通用181200.1070.033铝电缆通用通用181500.1040.0321铝电缆通用通用181850.10.0309铜电缆通用通用35700.1320.00964铜电缆通用通用35950.1260.0092铜电缆通用通用351200.1190.00869铜电缆通用通用351500.1160.00847铜电缆通用通用351850.1130.00825铝电缆通用通用35700.1320.00964铝电缆通用通用35950.1260.0092铝电缆通用通用351200.1190.00869铝电缆通用通用351500.1160.00847铝电缆通用通用351850.1130.00825高压电缆通用通用110及以上通用电阻(Ω/km)电阻标幺值阻抗标幺值1.96 4.38 4.49902 1.27 3.2 3.34758 0.912.293 2.484693 0.91 2.293 2.484693 0.63 1.587 1.837906 0.63 1.587 1.837906 0.45 1.345 1.619453 0.45 1.345 1.619453 0.330.831 1.197332 0.330.831 1.197332 0.270.68 1.0838520.270.68 1.0838521.96 1.778 1.815481 1.27 1.152 1.205164 0.910.8250.894232 0.910.8250.894232 0.630.5710.661511 0.630.5710.661511 0.450.4080.521622 0.450.4080.521622 0.330.2990.430698 0.330.2990.430698 0.270.2450.390437 0.270.2450.390437 0.910.06650.073371 0.910.06650.073371 0.630.0460.054973 0.630.0460.054973 0.450.03290.044122 0.450.03290.044122 0.330.02410.037095 0.330.02410.037095 0.270.01970.033991 0.270.01970.033991 0.210.01530.031208 0.170.01240.029439 0.130.00960.027903 0.630.004760.005815 0.630.004760.005815 0.450.00340.004717 0.450.00340.004717 0.330.00250.004022 0.330.00250.004022 0.270.002040.003703 0.270.002040.0037030.210.001590.00344 0.170.001290.003256 0.130.0010.003096 0.110.000810.003001 0.080.000610.002885 0.630.004760.005815 0.630.004760.005815 0.450.00340.004717 0.450.00340.004717 0.330.00250.004022 0.330.00250.004022 0.270.002040.003703 0.270.002040.003703 0.210.001590.00344 0.170.001290.003256 0.130.0010.003096 0.110.000810.003001 0.080.000610.002885 0.170.003210.003316 0.0850.0001610.000616 0.1320.000250.000854 0.0660.0001250.000599 0.1070.0002020.0008320.0540.0001020.000591 0.080.0001510.0007930.040.0000760.000578 0.0650.0001230.000787 0.0330.0000610.00057 0.0550.0001040.0007730.0280.0000520.000563 0.0440.0000830.000757 0.0220.0000420.000558 0.0540.0000450.000274 0.040.0000340.000268 0.0650.0000270.000264 0.0330.0000230.000261 0.0220.0000180.000259 0.0360.0001310.000171 0.02660.0000970.000145 0.02160.0000780.000133 0.01830.0000660.000126 0.01460.0000530.0001190.74 1.864 1.876244 0.54 1.361 1.375472 0.390.983 1.001384 0.280.7050.727864 0.20.540.567341 0.1580.3980.434373 0.1230.310.3516480.1030.260.3084741.28 3.225 3.232092 0.922.318 2.326526 0.64 1.612 1.623276 0.46 1.159 1.173048 0.340.8570.874486 0.270.680.701909 0.210.5290.554434 0.170.4280.459064 0.740.6710.673528 0.540.490.496455 0.390.3540.361734 0.280.2540.263845 0.20.1810.19367 0.1580.1430.158733 0.1230.1120.1296460.1030.0930.1121061.28 1.161 1.162463 0.920.8340.837809 0.640.580.584752 0.460.4170.423069 0.340.3080.315612 0.270.2450.254504 0.210.190.200908 0.170.1540.166237 0.740.3890.395426 0.540.2840.292027 0.390.2050.21417 0.280.1470.159154 0.20.1050.119954 0.1580.0830.100125 0.1230.0650.0851470.1030.0540.0756641.280.6720.67574 0.920.4380.443247 0.640.3360.341672 0.460.2420.24957 0.340.1790.188162 0.270.1420.152643 0.210.110.1229840.170.0890.103586 0.740.2980.302925 0.540.2180.224116 0.390.1570.164174 0.280.1130.122308 0.20.0810.092323 0.1580.0640.07716 0.1230.050.0652350.1030.0420.0582071.280.5160.51886 0.920.3710.374626 0.640.2580.262427 0.460.1850.190828 0.340.1370.143984 0.270.1090.117212 0.210.0850.094766 0.170.0690.079907 0.740.2280.231782 0.540.1670.171677 0.390.120.125487 0.280.0860.093154 0.20.0620.070711 0.1580.0490.059076 0.1230.0380.0497430.1030.0320.0444841.280.3950.397195 0.920.2840.286775 0.640.1980.201373 0.460.1420.146443 0.340.1050.110368 0.270.0830.08932 0.210.0650.072494 0.170.0520.060488 0.280.02050.022653 0.20.01460.017257 0.1580.001150.008766 0.1230.0090.012359 0.1030.00750.01115 0.460.03360.034956 0.340.02480.026451 0.270.01970.021532 0.210.01530.017488 0.170.01240.014894。