常用电力线路阻抗表(借鉴材料)
- 格式:doc
- 大小:126.50 KB
- 文档页数:12
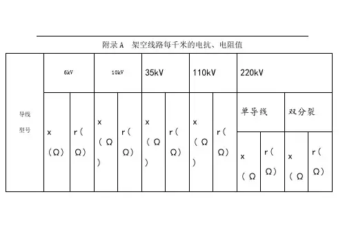
附录A 架空线路每千米的电抗、电阻值注 1。
110kV高压电缆的平均电抗:X=0.18Ω/km。
2。
表中所列为正序电抗X1,负序电抗X2= X1,零序电抗X0= 3。
5X1.附录C 各电压等级基准值表=1000MVA时的基准值表表C.1 基准容量Sb表C.2 基准容量S=100MVA时的基准值表b附录D 常用电缆载流量序导线型号中试所实验值载流量建议值(A) 载流量原标准值(A) 号1 YJLV22—35 100 1232 YJLV22—50 115 1413 YJLV22-70 140 1734 YJLV22—95 170 2145 YJLV22-120 195 2466 YJLV22-150 220 2787 YJLV22-185 255 3208 YJLV22—240 300 3739 YJLV22-300 340 42810 YJLV22—400 400 501序号导线型号中试所实验值载流量建议值(A) 载流量原标准值(A)1 YJV22-35 125 1592 YJV22-50 145 1823 YJV22-70 180 2234 YJV22-95 220 2765 YJV22—120 255 3176 YJV22-150 285 3597 YJV22—185 330 4138 YJV22-240 385 4819 YJV22—300 440 55210 YJV22—400 515 646序导线型号中试所实验值载流量建议值(A)载流量原标准值(A)号1 JKLYJ—35 150 1642 JKLYJ—50 155 180 1983 JKLYJ—70 195 225 2494 JKLYJ-95 239 275 3045 JKLYJ—120 276 320 3526 JKLYJ-150 318 365 4037 JKLYJ-185 366 425 4658 JKLYJ—240 436 505 5539 JKLYJ-300 510序号导线型号中试所实验值载流量建议值(A) 载流量原标准值(A)1 ZLQ—50 65 812 ZLQ-70 85 1063 ZLQ-95 100 1264 ZLQ—120 115 1465 ZLQ-150 135 1716 ZLQ—185 155 1957 ZLQ-240 185 2328 ZLQ-300 210 260序导线型号中试所实验值载流量建议值(A)载流量原标准值(A) 号1 LGJ-35 145 1752 LGJ-50 166 170 2103 LGJ—70 196 215 2654 LGJ-95 252 270 3305 LGJ-120 287 310 3806 LGJ-150 331 365 4457 LGJ—185 379 415 5108 LGJ—240 445 500 6109 LGJ—300 512 565 69010 LGJ—400 608。
附录A 架空线路每千米的电抗、电阻值附录B 三芯电力电缆每千米的电抗、电阻值注高压电缆的平均电抗:X=Ω/km。
2.表中所列为正序电抗X1,负序电抗X2= X1,零序电抗X= 。
附录C 各电压等级基准值表表基准容量S=1000MVA时的基准值表b表基准容量S=100MVA时的基准值表b附录D 常用电缆载流量序号导线型号中试所实验值载流量建议值(A)载流量原标准值(A)1YJLV22-35100123 2YJLV22-501151413YJLV22-70140173 4YJLV22-95170214 5YJLV22-1201952466YJLV22-150220278 7YJLV22-185255320 8YJLV22-2403003739YJLV22-300340428 10YJLV22-400400501序号导线型号中试所实验值载流量建议值(A)载流量原标准值(A)1YJV22-35125159 2YJV22-50145182 3YJV22-701802234YJV22-95220276 5YJV22-120255317 6YJV22-1502853597YJV22-185330413 8YJV22-240385481 9YJV22-30044055210YJV22-400515646序号导线型号中试所实验值载流量建议值(A)载流量原标准值(A)1JKLYJ-351501642JKLYJ-50155180198 3JKLYJ-70195225249 4JKLYJ-952392753045JKLYJ-120276320352 6JKLYJ-150318365403 7JKLYJ-1853664254658JKLYJ-240436505553 9JKLYJ-300510序号导线型号中试所实验值载流量建议值(A)载流量原标准值(A)1ZLQ-506581 2ZLQ-7085106 3ZLQ-951001264ZLQ-120115146 5ZLQ-150135171 6ZLQ-1851551957ZLQ-240185232 8ZLQ-300210260序号导线型号中试所实验值载流量建议值(A)载流量原标准值(A)1LGJ-35145175 2LGJ-50166170210 3LGJ-701962152654LGJ-95252270330 5LGJ-120287310380 6LGJ-1503313654457LGJ-185379415510 8LGJ-240445500610 9LGJ-30051256569010LGJ-400608。
附录A 架空线路每千米的电抗、电阻值附录B 三芯电力电缆每千米的电抗、电阻值注高压电缆的平均电抗:X=Ω/km。
2.表中所列为正序电抗X1,负序电抗X2= X1,零序电抗X= 。
附录C 各电压等级基准值表表基准容量S=1000MVA时的基准值表b表基准容量S=100MVA时的基准值表b附录D 常用电缆载流量序号导线型号中试所实验值载流量建议值(A)载流量原标准值(A)1YJLV22-35100123 2YJLV22-501151413YJLV22-70140173 4YJLV22-95170214 5YJLV22-1201952466YJLV22-150220278 7YJLV22-185255320 8YJLV22-2403003739YJLV22-300340428 10YJLV22-400400501序号导线型号中试所实验值载流量建议值(A)载流量原标准值(A)1YJV22-35125159 2YJV22-50145182 3YJV22-701802234YJV22-95220276 5YJV22-120255317 6YJV22-1502853597YJV22-185330413 8YJV22-240385481 9YJV22-30044055210YJV22-400515646序号导线型号中试所实验值载流量建议值(A)载流量原标准值(A)1JKLYJ-351501642JKLYJ-50155180198 3JKLYJ-70195225249 4JKLYJ-952392753045JKLYJ-120276320352 6JKLYJ-150318365403 7JKLYJ-1853664254658JKLYJ-240436505553 9JKLYJ-300510序号导线型号中试所实验值载流量建议值(A)载流量原标准值(A)1ZLQ-506581 2ZLQ-7085106 3ZLQ-951001264ZLQ-120115146 5ZLQ-150135171 6ZLQ-1851551957ZLQ-240185232 8ZLQ-300210260序号导线型号中试所实验值载流量建议值(A)载流量原标准值(A)1LGJ-35145175 2LGJ-50166170210 3LGJ-701962152654LGJ-95252270330 5LGJ-120287310380 6LGJ-1503313654457LGJ-185379415510 8LGJ-240445500610 9LGJ-30051256569010LGJ-400608。
附录A 架空线路每千米的电抗、电阻值注 1.110kV高压电缆的平均电抗:X=0.18Ω/km。
2。
表中所列为正序电抗X1,负序电抗X2= X1,零序电抗X0= 3。
5X1。
附录C 各电压等级基准值表=1000MVA时的基准值表表C.1 基准容量Sb表C。
2 基准容量S=100MVA时的基准值表b附录D 常用电缆载流量序导线型号中试所实验值载流量建议值(A)载流量原标准值(A) 号1 YJLV22—35 100 1232 YJLV22—50 115 1413 YJLV22—70 140 1734 YJLV22—95 170 2145 YJLV22—120 195 2466 YJLV22-150 220 2787 YJLV22—185 255 3208 YJLV22-240 300 3739 YJLV22-300 340 42810 YJLV22—400 400 501序号导线型号中试所实验值载流量建议值(A)载流量原标准值(A)1 YJV22—35 125 1592 YJV22-50 145 1823 YJV22—70 180 2234 YJV22—95 220 2765 YJV22—120 255 3176 YJV22—150 285 3597 YJV22-185 330 4138 YJV22—240 385 4819 YJV22-300 440 55210 YJV22—400 515 646序导线型号中试所实验值载流量建议值(A)载流量原标准值(A)号1 JKLYJ—35 150 1642 JKLYJ—50 155 180 1983 JKLYJ—70 195 225 2494 JKLYJ-95 239 275 3045 JKLYJ—120 276 320 3526 JKLYJ-150 318 365 4037 JKLYJ—185 366 425 4658 JKLYJ-240 436 505 5539 JKLYJ—300 510序号导线型号中试所实验值载流量建议值(A) 载流量原标准值(A)1 ZLQ—50 65 812 ZLQ—70 85 1063 ZLQ—95 100 1264 ZLQ-120 115 1465 ZLQ—150 135 1716 ZLQ—185 155 1957 ZLQ—240 185 2328 ZLQ-300 210 260序导线型号中试所实验值载流量建议值(A) 载流量原标准值(A)号1 LGJ—35 145 1752 LGJ-50 166 170 2103 LGJ—70 196 215 2654 LGJ—95 252 270 3305 LGJ—120 287 310 3806 LGJ-150 331 365 4457 LGJ—185 379 415 5108 LGJ—240 445 500 6109 LGJ-300 512 565 69010 LGJ—400 608。
.附录A 架空线路每千米的电抗、电阻值精选文档.精选文档.附录B 三芯电力电缆每千米的电抗、电阻值精选文档.精选文档注 1.110kV 高压电缆的平均电抗:X=0.18Ω/km 。
2.表中所列为正序电抗X 1,负序电抗X 2= X 1,零序电抗X 0=3.5X 1。
附录C各电压等级基准值表表C.1 基准容量S b =1000MVA 时的基准值表.表C.2 基准容量S b=100MVA时的基准值表精选文档.精选文档附录D 常用电缆载流量序号 导线型号 中试所实验值 载流量建议值(A)载流量原标准值(A)1 YJLV22-35 100 1232 YJLV22-50 115 1413 YJLV22-70 140 1734 YJLV22-95 170 214 5 YJLV22-120 195 246 6 YJLV22-150 220 2787 YJLV22-185 255 3208 YJLV22-240 300 3739 YJLV22-300 340 428 10YJLV22-400400501.序号导线型号中试所实验值载流量建议值(A)载流量原标准值(A) 1YJV22-351251592YJV22-501451823YJV22-701802234YJV22-952202765YJV22-1202553176YJV22-1502853597YJV22-1853304138YJV22-2403854819YJV22-30044055210YJV22-400515646精选文档.精选文档序号 导线型号 中试所实验值载流量建议值(A)载流量原标准值(A)1 JKLYJ-35 150 1642 JKLYJ-50 155 180 1983 JKLYJ-70 195 225 2494 JKLYJ-95 239 275 304 5 JKLYJ-120 276 320 352 6 JKLYJ-150 318 365 4037 JKLYJ-185 366 425 465 8JKLYJ-240436505553.9JKLYJ-300510序号导线型号中试所实验值载流量建议值(A)载流量原标准值(A) 1ZLQ-5065812ZLQ-70851063ZLQ-951001264ZLQ-1201151465ZLQ-1501351716ZLQ-1851551957ZLQ-2401852328ZLQ-300210260精选文档.精选文档序号 导线型号 中试所实验值载流量建议值(A)载流量原标准值(A)1 LGJ-35 145 1752 LGJ-50 166 170 2103 LGJ-70 196 215 2654 LGJ-95 252 270 330 5 LGJ-120 287 310 380 6LGJ-150331365445.7LGJ-185379415510 8LGJ-240445500610 9LGJ-300512565690 10LGJ-400608精选文档。
附录A 架空线路每千米的电抗、电阻值精选精选精选注 1.110kV高压电缆的平均电抗:X=0.18Ω/km。
2.表中所列为正序电抗X1,负序电抗X2= X1,零序电抗X0=3.5X1。
附录C 各电压等级基准值表=1000MVA时的基准值表表C.1 基准容量Sb=100MVA时的基准值表表C.2 基准容量Sb精选附录D 常用电缆载流量序导线型号中试所实验值载流量建议值(A) 载流量原标准值(A) 号1 YJLV22-35 100 1232 YJLV22-50 115 1413 YJLV22-70 140 1734 YJLV22-95 170 2145 YJLV22-120 195 2466 YJLV22-150 220 2787 YJLV22-185 255 3208 YJLV22-240 300 373精选9 YJLV22-300 340 42810 YJLV22-400 400 501序号导线型号中试所实验值载流量建议值(A) 载流量原标准值(A)1 YJV22-35 125 1592 YJV22-50 145 1823 YJV22-70 180 2234 YJV22-95 220 2765 YJV22-120 255 3176 YJV22-150 285 3597 YJV22-185 330 413精选8 YJV22-240 385 4819 YJV22-300 440 55210 YJV22-400 515 646序导线型号中试所实验值载流量建议值(A) 载流量原标准值(A) 号1 JKLYJ-35 150 1642 JKLYJ-50 155 180 1983 JKLYJ-70 195 225 2494 JKLYJ-95 239 275 3045 JKLYJ-120 276 320 352精选6 JKLYJ-150 318 365 4037 JKLYJ-185 366 425 4658 JKLYJ-240 436 505 5539 JKLYJ-300 510序号导线型号中试所实验值载流量建议值(A) 载流量原标准值(A)1 ZLQ-50 65 812 ZLQ-70 85 1063 ZLQ-95 100 1264 ZLQ-120 115 1465 ZLQ-150 135 171精选6 ZLQ-185 155 1957 ZLQ-240 185 2328 ZLQ-300 210 260序导线型号中试所实验值载流量建议值(A) 载流量原标准值(A) 号1 LGJ-35 145 1752 LGJ-50 166 170 2103 LGJ-70 196 215 265精选4 LGJ-95 252 270 3305 LGJ-120 287 310 3806 LGJ-150 331 365 4457 LGJ-185 379 415 5108 LGJ-240 445 500 6109 LGJ-300 512 565 69010 LGJ-400 608精选。
附录A 架空线路每千米的电抗、电阻值1010101010注 1.110kV高压电缆的平均电抗:X=0.18Ω/km。
2.表中所列为正序电抗X1,负序电抗X2= X1,零序电抗X0=3.5X1。
附录C 各电压等级基准值表表C.1 基准容量S b=1000MVA时的基准值表10表C.2 基准容量S b=100MVA时的基准值表1010附录D 常用电缆载流量序号导线型号 中试所实验值 载流量建议值(A) 载流量原标准值(A) 1 YJLV22-35 100 123 2 YJLV22-50 115 141 3 YJLV22-70 140 173 4 YJLV22-95 170 214 5 YJLV22-120 195 246 6YJLV22-152202787YJLV22-1852553208YJLV22-243003739YJLV22-303404281 0YJLV22-4040050110序号导线型号中试所实验值载流量建议值(A)载流量原标准值(A)1YJV22-35125159 2YJV22-50145182 3YJV22-70180223 4YJV22-95220276 5YJV22-120255317 6YJV22-150285359 7YJV22-185330413 8YJV22-240385481 9YJV22-300440552 1YJV22-40051564610序号导线型号中试所实验值载流量建议值(A)载流量原标准值(A)1JKLYJ-35150164 2JKLYJ-50155180198 3JKLYJ-70195225249 4JKLYJ-95239275304 5JKLYJ-120276320352 6JKLYJ-150318365403 7JKLYJ-185366425465 8JKLYJ-240436505553 9JKLYJ-30051010序号导线型号中试所实验值载流量建议值(A)载流量原标准值(A)1ZLQ-506581 2ZLQ-7085106 3ZLQ-95100126 4ZLQ-120115146 5ZLQ-150135171 6ZLQ-185155195 7ZLQ-240185232 8ZLQ-30021026010序号导线型号中试所实验值载流量建议值(A)载流量原标准值(A)1LGJ-35145175 2LGJ-50166170210 3LGJ-70196215265 4LGJ-95252270330 5LGJ-120287310380 6LGJ-150331365445 7LGJ-185379415510108LGJ-240445500610 9LGJ-300512565690 1LGJ-40060810。
附录A 架空线路每千米的电抗、电阻值附录B 三芯电力电缆每千米的电抗、电阻值注高压电缆的平均电抗:X=Ω/km。
2.表中所列为正序电抗X1,负序电抗X2= X1,零序电抗X0= 。
附录C 各电压等级基准值表表基准容量S b=1000MVA时的基准值表表基准容量S b=100MVA时的基准值表附录D 常用电缆载流量序号导线型号中试所实验值载流量建议值(A)载流量原标准值(A)1YJLV22-35100123 2YJLV22-501151413YJLV22-70140173 4YJLV22-95170214 5YJLV22-120195246 6YJLV22-1502202787YJLV22-185255320 8YJLV22-240300373 9YJLV22-300340428 10YJLV22-400400501序号导线型号中试所实验值载流量建议值(A)载流量原标准值(A)1YJV22-351251592YJV22-50145182 3YJV22-70180223 4YJV22-95220276 5YJV22-1202553176YJV22-150285359 7YJV22-185330413 8YJV22-240385481 9YJV22-30044055210YJV22-400515646序号导线型号中试所实验值载流量建议值(A)载流量原标准值(A)1JKLYJ-35150164 2JKLYJ-50155180198 3JKLYJ-70195225249 4JKLYJ-952392753045JKLYJ-120276320352 6JKLYJ-150318365403 7JKLYJ-185366425465 8JKLYJ-2404365055539JKLYJ-300510序号导线型号中试所实验值载流量建议值(A)载流量原标准值(A)1ZLQ-506581 2ZLQ-7085106 3ZLQ-95100126 4ZLQ-1201151465ZLQ-150135171 6ZLQ-185155195 7ZLQ-240185232 8ZLQ-300210260序号导线型号中试所实验值载流量建议值(A)载流量原标准值(A)1LGJ-35145175 2LGJ-50166170210 3LGJ-70196215265 4LGJ-952522703305LGJ-120287310380 6LGJ-150331365445 7LGJ-185379415510 8LGJ-2404455006109LGJ-300512565690 10LGJ-400608。
.. .. ..附录A 架空线路每千米的电抗、电阻值.s.. .. . ...s.. .. . .... .. ...s.. .. . .... .. ...s.. .. . ..注 1.110kV 高压电缆的平均电抗:X=0.18Ω/km 。
2.表中所列为正序电抗X 1,负序电抗X 2= X 1,零序电抗X 0=3.5X 1。
附录C 各电压等级基准值表表C.1 基准容量S b =1000MVA 时的基准值表.. .. ...s.. .. . ..表C.2 基准容量S b =100MVA 时的基准值表附录D 常用电缆载流量序号 导线型号 中试所实验值 载流量建议值(A)载流量原标准值(A)1 YJLV22-35 100 1232 YJLV22-50 115 1413 YJLV22-70 140 1734 YJLV22-95 170 214 5 YJLV22-120 195 246 6YJLV22-150220278.. .. ..7 YJLV22-185 255 3208 YJLV22-240 300 3739 YJLV22-300 340 42810 YJLV22-400 400 501序号导线型号中试所实验值载流量建议值(A) 载流量原标准值(A)1 YJV22-35 125 1592 YJV22-50 145 1823 YJV22-70 180 2234 YJV22-95 220 2765 YJV22-120 255 317.s.. .. . .... .. .. .s.. .. . ..6 YJV22-150 285 3597 YJV22-185 330 4138 YJV22-240 385 4819 YJV22-300 440 552 10YJV22-400515646序号 导线型号 中试所实验值载流量建议值(A)载流量原标准值(A)1 JKLYJ-35 150 1642 JKLYJ-50 155 180 198 3JKLYJ-70195225249.. .. ..4 JKLYJ-95 239 275 3045 JKLYJ-120 276 320 3526 JKLYJ-150 318 365 4037 JKLYJ-185 366 425 4658 JKLYJ-240 436 505 5539 JKLYJ-300 510序号导线型号中试所实验值载流量建议值(A) 载流量原标准值(A)1 ZLQ-50 65 812 ZLQ-70 85 1063 ZLQ-95 100 126.s.. .. . .... .. .. .s.. .. . ..4 ZLQ-120 115 146 5 ZLQ-150 135 171 6 ZLQ-185 155 1957 ZLQ-240 185 232 8ZLQ-300210260序号 导线型号 中试所实验值载流量建议值(A)载流量原标准值(A)1LGJ-35145175.. .. ..2 LGJ-50 166 170 2103 LGJ-70 196 215 2654 LGJ-95 252 270 3305 LGJ-120 287 310 3806 LGJ-150 331 365 4457 LGJ-185 379 415 5108 LGJ-240 445 500 6109 LGJ-300 512 565 69010 LGJ-400 608.s.. .. . ..。
附录架空线路每千米的电抗、电阻值
参考学习资料
参考学习资料
参考学习资料
附录三芯电力电缆每千米的电抗、电阻值
参考学习资料
表中所列为正序电抗负序电抗,零序电抗
附录各电压等级基准值表
基准容量时的基准值表
参考学习资料
表基准容量时的基准值表
参考学习资料
附录常用电缆载流量
导线型号中试所实验值载流量建议值载流量原标准值参考学习资料
载流量建议值载流量原标准值参考学习资料
载流量建议值载流量原标准值参考学习资料
序号导线型号中试所实验值载流量建议值载流量原标准值参考学习资料
导线型号中试所实验值载流量建议值载流量原标准值参考学习资料
参考学习资料。
附录A 架空线路每千米的电抗、电阻值注 1.110kV高压电缆的平均电抗:X=0.18Ω/km。
2.表中所列为正序电抗X1,负序电抗X2= X1,零序电抗X0=3.5X1。
附录C 各电压等级基准值表=1000MVA时的基准值表表C.1 基准容量Sb表C.2 基准容量S=100MVA时的基准值表b附录D 常用电缆载流量序导线型号中试所实验值载流量建议值(A) 载流量原标准值(A) 号1 YJLV22-35 100 1232 YJLV22-50 115 1413 YJLV22-70 140 1734 YJLV22-95 170 2145 YJLV22-120 195 2466 YJLV22-150 220 2787 YJLV22-185 255 3208 YJLV22-240 300 3739 YJLV22-300 340 42810 YJLV22-400 400 501序号导线型号中试所实验值载流量建议值(A) 载流量原标准值(A)1 YJV22-35 125 1592 YJV22-50 145 1823 YJV22-70 180 2234 YJV22-95 220 2765 YJV22-120 255 3176 YJV22-150 285 3597 YJV22-185 330 4138 YJV22-240 385 4819 YJV22-300 440 55210 YJV22-400 515 646序导线型号中试所实验值载流量建议值(A) 载流量原标准值(A) 号1 JKLYJ-35 150 1642 JKLYJ-50 155 180 1983 JKLYJ-70 195 225 2494 JKLYJ-95 239 275 3045 JKLYJ-120 276 320 3526 JKLYJ-150 318 365 4037 JKLYJ-185 366 425 4658 JKLYJ-240 436 505 5539 JKLYJ-300 510序号导线型号中试所实验值载流量建议值(A) 载流量原标准值(A)1 ZLQ-50 65 812 ZLQ-70 85 1063 ZLQ-95 100 1264 ZLQ-120 115 1465 ZLQ-150 135 1716 ZLQ-185 155 1957 ZLQ-240 185 2328 ZLQ-300 210 260序导线型号中试所实验值载流量建议值(A) 载流量原标准值(A) 号1 LGJ-35 145 1752 LGJ-50 166 170 2103 LGJ-70 196 215 2654 LGJ-95 252 270 3305 LGJ-120 287 310 3806 LGJ-150 331 365 4457 LGJ-185 379 415 5108 LGJ-240 445 500 6109 LGJ-300 512 565 69010 LGJ-400 608。
附录A 架空线路每千米的电抗、电阻值注 1。
110kV高压电缆的平均电抗:X=0。
18Ω/km。
2。
表中所列为正序电抗X1,负序电抗X2= X1,零序电抗X0= 3。
5X1。
附录C 各电压等级基准值表表C。
1 基准容量Sb =1000MVA时的基准值表=100MVA时的基准值表表C。
2 基准容量Sb附录D 常用电缆载流量序导线型号中试所实验值载流量建议值(A) 载流量原标准值(A) 号1 YJLV22-35 100 1232 YJLV22-50 115 1413 YJLV22—70 140 1734 YJLV22—95 170 2145 YJLV22-120 195 2466 YJLV22-150 220 2787 YJLV22-185 255 3208 YJLV22-240 300 3739 YJLV22-300 340 42810 YJLV22—400 400 501序号导线型号中试所实验值载流量建议值(A) 载流量原标准值(A)1 YJV22—35 125 1592 YJV22—50 145 1823 YJV22-70 180 2234 YJV22-95 220 2765 YJV22-120 255 3176 YJV22—150 285 3597 YJV22-185 330 4138 YJV22-240 385 4819 YJV22-300 440 55210 YJV22—400 515 646序导线型号中试所实验值载流量建议值(A)载流量原标准值(A)号1 JKLYJ-35 150 1642 JKLYJ-50 155 180 1983 JKLYJ-70 195 225 2494 JKLYJ-95 239 275 3045 JKLYJ-120 276 320 3526 JKLYJ—150 318 365 4037 JKLYJ—185 366 425 4658 JKLYJ—240 436 505 5539 JKLYJ—300 510序号导线型号中试所实验值载流量建议值(A) 载流量原标准值(A)1 ZLQ-50 65 812 ZLQ-70 85 1063 ZLQ—95 100 1264 ZLQ—120 115 1465 ZLQ-150 135 1716 ZLQ-185 155 1957 ZLQ—240 185 2328 ZLQ—300 210 260序导线型号中试所实验值载流量建议值(A)载流量原标准值(A)号1 LGJ-35 145 1752 LGJ—50 166 170 2103 LGJ—70 196 215 2654 LGJ-95 252 270 3305 LGJ—120 287 310 3806 LGJ-150 331 365 4457 LGJ-185 379 415 5108 LGJ-240 445 500 6109 LGJ—300 512 565 69010 LGJ-400 608。
常用电力线路阻抗表WORD整理版附录A 架空线路每千米的电抗、电阻值参考学习资料参考学习资料附录B 三芯电力电缆每千米的电抗、电阻值参考学习资料注 1.110kV高压电缆的平均电抗:X=0.18Ω/km。
2.表中所列为正序电抗X1,负序电抗X2= X1,零序电抗X0=3.5X1。
附录C 各电压等级基准值表表C.1 基准容量S b=1000MVA时的基准值表参考学习资料表C.2 基准容量S b=100MVA时的基准值表参考学习资料参考学习资料附录D 常用电缆载流量序号导线型号中试所实验值载流量建议值(A)载流量原标准值(A)1 YJLV22-35 100 1232 YJLV22-50 115 1413 YJLV22-70 140 1734 YJLV22-95 170 214 5YJLV22-120195246WORD整理版6 YJLV22-150 220 2787 YJLV22-185 255 3208 YJLV22-240 300 3739 YJLV22-300 340 42810 YJLV22-400 400 501序号导线型号中试所实验值载流量建议值(A) 载流量原标准值(A)1 YJV22-35 125 1592 YJV22-50 145 1823 YJV22-70 180 2234 YJV22-95 220 276参考学习资料WORD 整理版参考学习资料5 YJV22-120 255 3176 YJV22-150 285 3597 YJV22-185 330 4138 YJV22-240 385 4819 YJV22-300 440 552 10YJV22-400515646序号导线型号中试所实验值载流量建议值(A)载流量原标准值(A)1 JKLYJ-35 150 164 2JKLYJ-50155180198WORD整理版3 JKLYJ-70 195 225 2494 JKLYJ-95 239 275 3045 JKLYJ-120 276 320 3526 JKLYJ-150 318 365 4037 JKLYJ-185 366 425 4658 JKLYJ-240 436 505 5539 JKLYJ-300 510序号导线型号中试所实验值载流量建议值(A) 载流量原标准值(A)1 ZLQ-50 65 812 ZLQ-70 85 106参考学习资料WORD 整理版参考学习资料3 ZLQ-95 100 1264 ZLQ-120 115 146 5 ZLQ-150 135 171 6 ZLQ-185 155 1957 ZLQ-240 185 232 8ZLQ-300210260序号导线型号中试所实验值载流量建议值(A)载流量原标准值(A) WORD整理版1 LGJ-35 145 1752 LGJ-50 166 170 2103 LGJ-70 196 215 2654 LGJ-95 252 270 3305 LGJ-120 287 310 3806 LGJ-150 331 365 4457 LGJ-185 379 415 5108 LGJ-240 445 500 6109 LGJ-300 512 565 69010 LGJ-400 608参考学习资料。
附录A 架空线路每千米的电抗、电阻值附录B 三芯电力电缆每千米的电抗、电阻值注 1.110kV高压电缆的平均电抗:X=0.18Ω/km。
2。
表中所列为正序电抗X1,负序电抗X2= X1,零序电抗X0= 3.5X1。
附录C 各电压等级基准值表表C。
1 基准容量S b=1000MVA时的基准值表表C.2 基准容量S b=100MVA时的基准值表附录D 常用电缆载流量序导线型号中试所实验值载流量建议值(A) 载流量原标准值(A) 号1 YJLV22-35 100 1232 YJLV22—50 115 1413 YJLV22—70 140 1734 YJLV22—95 170 2145 YJLV22—120 195 2466 YJLV22—150 220 2787 YJLV22-185 255 3208 YJLV22-240 300 3739 YJLV22-300 340 42810 YJLV22—400 400 501序号导线型号中试所实验值载流量建议值(A)载流量原标准值(A) 1 YJV22—35 125 1592 YJV22-50 145 1823 YJV22—70 180 2234 YJV22-95 220 2765 YJV22—120 255 3176 YJV22—150 285 3597 YJV22—185 330 4138 YJV22-240 385 4819 YJV22—300 440 55210 YJV22-400 515 646序导线型号中试所实验值载流量建议值(A)载流量原标准值(A)号1 JKLYJ—35 150 1642 JKLYJ—50 155 180 1983 JKLYJ-70 195 225 2494 JKLYJ-95 239 275 3045 JKLYJ—120 276 320 3526 JKLYJ—150 318 365 4037 JKLYJ-185 366 425 4658 JKLYJ-240 436 505 5539 JKLYJ—300 510序号导线型号中试所实验值载流量建议值(A) 载流量原标准值(A)1 ZLQ-50 65 812 ZLQ-70 85 1063 ZLQ—95 100 1264 ZLQ-120 115 1465 ZLQ-150 135 1716 ZLQ-185 155 1957 ZLQ—240 185 2328 ZLQ—300 210 260序导线型号中试所实验值载流量建议值(A)载流量原标准值(A)号1 LGJ-35 145 1752 LGJ—50 166 170 2103 LGJ—70 196 215 2654 LGJ-95 252 270 3305 LGJ-120 287 310 3806 LGJ—150 331 365 4457 LGJ—185 379 415 5108 LGJ-240 445 500 6109 LGJ—300 512 565 69010 LGJ-400 608。
附录A 架空线路每千米的电抗、电阻值附录B 三芯电力电缆每千米的电抗、电阻值注 1.110kV高压电缆的平均电抗:X=0.18Ω/km。
2.表中所列为正序电抗X1,负序电抗X2= X1,零序电抗X0=3.5X1。
附录C 各电压等级基准值表表C.1 基准容量S b=1000MVA时的基准值表表C.2 基准容量S b=100MVA时的基准值表附录D 常用电缆载流量序导线型号中试所实验值载流量建议值(A) 载流量原标准值(A)号1 YJLV22-35 100 1232 YJLV22-50 115 1413 YJLV22-70 140 1734 YJLV22-95 170 2145 YJLV22-120 195 2466 YJLV22-150 220 2787 YJLV22-185 255 3208 YJLV22-240 300 3739 YJLV22-300 340 42810 YJLV22-400 400 501序号导线型号中试所实验值载流量建议值(A) 载流量原标准值(A)1 YJV22-35 125 1592 YJV22-50 145 1823 YJV22-70 180 2234 YJV22-95 220 2765 YJV22-120 255 3176 YJV22-150 285 3597 YJV22-185 330 4138 YJV22-240 385 4819 YJV22-300 440 55210 YJV22-400 515 646序导线型号中试所实验值载流量建议值(A) 载流量原标准值(A) 号1 JKLYJ-35 150 1642 JKLYJ-50 155 180 1983 JKLYJ-70 195 225 2494 JKLYJ-95 239 275 3045 JKLYJ-120 276 320 3526 JKLYJ-150 318 365 4037 JKLYJ-185 366 425 4658 JKLYJ-240 436 505 5539 JKLYJ-300 510序号导线型号中试所实验值载流量建议值(A) 载流量原标准值(A)1 ZLQ-50 65 812 ZLQ-70 85 1063 ZLQ-95 100 1264 ZLQ-120 115 1465 ZLQ-150 135 1716 ZLQ-185 155 1957 ZLQ-240 185 2328 ZLQ-300 210 260序导线型号中试所实验值载流量建议值(A) 载流量原标准值(A)号1 LGJ-35 145 1752 LGJ-50 166 170 2103 LGJ-70 196 215 2654 LGJ-95 252 270 3305 LGJ-120 287 310 3806 LGJ-150 331 365 4457 LGJ-185 379 415 5108 LGJ-240 445 500 6109 LGJ-300 512 565 69010 LGJ-400 608。
附录A 架空线路每千米的电抗、电阻值注 1.110kV高压电缆的平均电抗:X=0.18Ω/km。
2.表中所列为正序电抗X1,负序电抗X2= X1,零序电抗X0=3.5X1。
附录C 各电压等级基准值表表C.1 基准容量S=1000MVA时的基准值表b=100MVA时的基准值表表C.2 基准容量Sb附录D 常用电缆载流量序导线型号中试所实验值载流量建议值(A) 载流量原标准值(A) 号1 YJLV22-35 100 1232 YJLV22-50 115 1413 YJLV22-70 140 1734 YJLV22-95 170 2145 YJLV22-120 195 2466 YJLV22-150 220 2787 YJLV22-185 255 3208 YJLV22-240 300 3739 YJLV22-300 340 42810 YJLV22-400 400 501序号导线型号中试所实验值载流量建议值(A) 载流量原标准值(A)1 YJV22-35 125 1592 YJV22-50 145 1823 YJV22-70 180 2234 YJV22-95 220 2765 YJV22-120 255 3176 YJV22-150 285 3597 YJV22-185 330 4138 YJV22-240 385 4819 YJV22-300 440 55210 YJV22-400 515 646序导线型号中试所实验值载流量建议值(A) 载流量原标准值(A)号1 JKLYJ-35 150 1642 JKLYJ-50 155 180 1983 JKLYJ-70 195 225 2494 JKLYJ-95 239 275 3045 JKLYJ-120 276 320 3526 JKLYJ-150 318 365 4037 JKLYJ-185 366 425 4658 JKLYJ-240 436 505 5539 JKLYJ-300 510序号导线型号中试所实验值载流量建议值(A) 载流量原标准值(A)1 ZLQ-50 65 812 ZLQ-70 85 1063 ZLQ-95 100 1264 ZLQ-120 115 1465 ZLQ-150 135 1716 ZLQ-185 155 1957 ZLQ-240 185 2328 ZLQ-300 210 260序导线型号中试所实验值载流量建议值(A) 载流量原标准值(A) 号1 LGJ-35 145 1752 LGJ-50 166 170 2103 LGJ-70 196 215 2654 LGJ-95 252 270 3305 LGJ-120 287 310 3806 LGJ-150 331 365 4457 LGJ-185 379 415 5108 LGJ-240 445 500 6109 LGJ-300 512 565 69010 LGJ-400 608。
附录A 架空线路每千米的电抗、电阻值注 1.110kV高压电缆的平均电抗:X=0.18Ω/km。
2.表中所列为正序电抗X1,负序电抗X2= X1,零序电抗X0=3.5X1。
附录C 各电压等级基准值表表C.1 基准容量S=1000MVA时的基准值表b=100MVA时的基准值表表C.2 基准容量Sb附录D 常用电缆载流量序导线型号中试所实验值载流量建议值(A) 载流量原标准值(A) 号1 YJLV22-35 100 1232 YJLV22-50 115 1413 YJLV22-70 140 1734 YJLV22-95 170 2145 YJLV22-120 195 2466 YJLV22-150 220 2787 YJLV22-185 255 3208 YJLV22-240 300 3739 YJLV22-300 340 42810 YJLV22-400 400 501序号导线型号中试所实验值载流量建议值(A) 载流量原标准值(A)1 YJV22-35 125 1592 YJV22-50 145 1823 YJV22-70 180 2234 YJV22-95 220 2765 YJV22-120 255 3176 YJV22-150 285 3597 YJV22-185 330 4138 YJV22-240 385 4819 YJV22-300 440 55210 YJV22-400 515 646序导线型号中试所实验值载流量建议值(A) 载流量原标准值(A)号1 JKLYJ-35 150 1642 JKLYJ-50 155 180 1983 JKLYJ-70 195 225 2494 JKLYJ-95 239 275 3045 JKLYJ-120 276 320 3526 JKLYJ-150 318 365 4037 JKLYJ-185 366 425 4658 JKLYJ-240 436 505 5539 JKLYJ-300 510序号导线型号中试所实验值载流量建议值(A) 载流量原标准值(A)1 ZLQ-50 65 812 ZLQ-70 85 1063 ZLQ-95 100 1264 ZLQ-120 115 1465 ZLQ-150 135 1716 ZLQ-185 155 1957 ZLQ-240 185 2328 ZLQ-300 210 260序导线型号中试所实验值载流量建议值(A) 载流量原标准值(A) 号1 LGJ-35 145 1752 LGJ-50 166 170 2103 LGJ-70 196 215 2654 LGJ-95 252 270 3305 LGJ-120 287 310 3806 LGJ-150 331 365 4457 LGJ-185 379 415 5108 LGJ-240 445 500 6109 LGJ-300 512 565 69010 LGJ-400 608。