常见岩石力学参数
- 格式:docx
- 大小:39.00 KB
- 文档页数:4
常用岩石力学参数岩石力学是研究岩石在外力作用下变形和破裂行为的学科,它主要关注岩石的力学性质,包括强度、应力和应变等参数。
以下是一些常用的岩石力学参数。
1. 弹性模量(Young's modulus):弹性模量是衡量岩石对外力响应的能力的指标。
它表示单位应力下岩石的应变程度,通常以帕斯卡(Pa)为单位。
弹性模量越大,岩石的刚度越高,其抵抗变形的能力更强。
2. 柏杨比(Poisson's ratio):柏杨比用于描述岩石在受力作用下体积的变化情况。
它是岩石纵向应变和横向应变的比值,无单位。
柏杨比一般位于0.15到0.40之间,数值越大代表岩石越容易体积收缩。
4. 应力-应变曲线(Stress-strain curve):应力-应变曲线描述了岩石在受力过程中的应力和应变之间的关系。
根据曲线的形状,可以了解岩石的变形特性,如弹性变形阶段、塑性变形阶段和破裂阶段等。
应力-应变曲线是评估岩石稳定性和强度的重要工具。
5. 破裂韧度(Fracture toughness):破裂韧度是衡量岩石抵抗破坏的能力的参数,描述了岩石在外力作用下延伸至破断的能力。
破裂韧度越大,岩石的抗破坏能力越强。
6. 体积压缩模量(Bulk modulus):体积压缩模量是衡量岩石抵抗体积压缩的能力,代表岩石抵抗体积缩小的刚度。
体积压缩模量越大,岩石的抗压能力越强。
7. 粘聚力(Cohesion):粘聚力是指岩石内部颗粒间的粘结力,也被称为内聚力。
粘聚力越大,岩石的抗拉强度就越高。
8. 摩擦角(Friction angle):摩擦角用于描述岩石内颗粒间的摩擦性质。
摩擦角越大,岩石的抗剪强度越高。
9. 泊松比(Poisson ratio):泊松比是衡量岩石在拉伸或压缩过程中横向变形和纵向变形之间关系的参数。
泊松比越大,岩石的收缩性越高。
这些常用的岩石力学参数可以帮助工程师和地质学家了解岩石的力学性质,评估其稳定性和抗破坏能力,在工程设计和地质勘探中起到重要的作用。
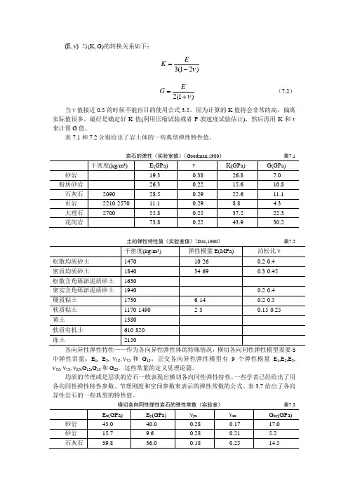
基坑各向平均厚度(m)重度内摩擦角凝聚力土体与锚固体极限摩阻力标准值东向南向西向北向γφ CBC DE CD EF FA AB填土8 5 9 4 5 10 19 10 13 18 粘土 5.5 7.5 2.5 8.5 6.5 2.5 18.5 12 15 30 圆砾0.5 0.5 0.5 1 1 0.5 20 35 / 120 粉质粘土0.5 0.5 0.5 0.5 0.5 0.5 19.5 19 25 60 强风化板岩 2.5 8.5 7.5 7 6.5 3.5 21.5 30 30 150 中风化板岩15 15 15 15 15 15 23.5 35 35 220常用岩土材料力学参数(E, ν) 与(K, G)的转换关系如下:)21(3ν-=EK)1(2ν+=EG (7.2)当ν值接近0.5的时候不能盲目的使用公式3.5,因为计算的K 值将会非常的高,偏离实际值很多。
最好是确定好K 值(利用压缩试验或者P 波速度试验估计),然后再用K 和ν来计算G 值。
表7.1和7.2分别给出了岩土体的一些典型弹性特性值。
岩石的弹性(实验室值)(Goodman,1980) 表7.1土的弹性特性值(实验室值)(Das,1980) 表7.2各向异性弹性特性——作为各向异性弹性体的特殊情况,横切各向同性弹性模型需要5中弹性常量:E 1, E 3, ν12,ν13和G 13;正交各向异性弹性模型有9个弹性模量E 1,E 2,E 3, ν12,ν13,ν23,G 12,G 13和G 23。
这些常量的定义见理论篇。
均质的节理或是层状的岩石一般表现出横切各向同性弹性特性。
一些学者已经给出了用各向同性弹性特性参数、节理刚度和空间参数来表示的弹性常数的公式。
表3.7给出了各向异性岩石的一些典型的特性值。
横切各向同性弹性岩石的弹性常数(实验室) 表7.37.3 固有的强度特性在FLAC 3D 中,描述材料破坏的基本准则是摩尔-库仑准则,这一准则把剪切破坏面看作直线破坏面:s 13N f φσσ=-+ (7.7)其中 )sin 1/()sin 1(N φφφ-+=1σ——最大主应力 (压缩应力为负); 3σ——最小主应力φ——摩擦角c ——粘聚力当0f s <时进入剪切屈服。
基坑各向平均厚度(m)重度内摩擦角凝聚力土体与锚固体极限摩阻力标准值东向南向西向北向γφ CBC DE CD EF FA AB填土8 5 9 4 5 10 19 10 13 18 粘土 5.5 7.5 2.5 8.5 6.5 2.5 18.5 12 15 30 圆砾0.5 0.5 0.5 1 1 0.5 20 35 / 120 粉质粘土0.5 0.5 0.5 0.5 0.5 0.5 19.5 19 25 60 强风化板岩 2.5 8.5 7.5 7 6.5 3.5 21.5 30 30 150 中风化板岩15 15 15 15 15 15 23.5 35 35 220常用岩土材料力学参数(E, ν) 与(K, G)的转换关系如下:)21(3ν-=EK)1(2ν+=EG (7.2)当ν值接近0.5的时候不能盲目的使用公式3.5,因为计算的K 值将会非常的高,偏离实际值很多。
最好是确定好K 值(利用压缩试验或者P 波速度试验估计),然后再用K 和ν来计算G 值。
表7.1和7.2分别给出了岩土体的一些典型弹性特性值。
岩石的弹性(实验室值)(Goodman,1980) 表7.1土的弹性特性值(实验室值)(Das,1980) 表7.2各向异性弹性特性——作为各向异性弹性体的特殊情况,横切各向同性弹性模型需要5中弹性常量:E 1, E 3, ν12,ν13和G 13;正交各向异性弹性模型有9个弹性模量E 1,E 2,E 3, ν12,ν13,ν23,G 12,G 13和G 23。
这些常量的定义见理论篇。
均质的节理或是层状的岩石一般表现出横切各向同性弹性特性。
一些学者已经给出了用各向同性弹性特性参数、节理刚度和空间参数来表示的弹性常数的公式。
表3.7给出了各向异性岩石的一些典型的特性值。
横切各向同性弹性岩石的弹性常数(实验室) 表7.37.3 固有的强度特性在FLAC 3D 中,描述材料破坏的基本准则是摩尔-库仑准则,这一准则把剪切破坏面看作直线破坏面:s 13N f φσσ=-+ (7.7)其中 )sin 1/()sin 1(N φφφ-+=1σ——最大主应力 (压缩应力为负); 3σ——最小主应力φ——摩擦角c ——粘聚力当0f s <时进入剪切屈服。
岩性岩石密度(g/cm3) 液限% 塑限% 塑性指数 变形模量(MPa) 孔隙比%碎石(堆积)类土2.65~2.720~400.4~0.6土粒密度黄土类土 干1.3~1.5 23~33 15~20 8~13 新黄土具有湿陷性 0.8~1.1粘性土 1.8~2.05 23~55 16~30 7~25 4~12(压缩模量) 0.7~1.0抗压强度岩性岩石密度(g/cm3)孔隙率 吸水率 软化系数 变形模量(103MPa)泥岩 0.03~0.37(粘土岩) 20.7~59(干粘页岩 2.3~2.62 0.4~10.0 0.5~3.2 0.24~0.7416~20 10~100泥板岩 2.3~2.8 0.1~0.5 0.1~0.3 0.39~0.52 123~199(干板岩)粉砂岩10~32石英砂岩 2.6~2.71 54~58 68~102.517~41 20~200砂岩 2.2~2.71 1.6~28.0 0.2~9.0 0.65~0.97砾岩 2.40~2.66 0.8~10.0 0.3~2.4 0.50~0.96 6.7~16.2(新鲜岩体) 10~150 2~15 8~50 泥灰岩 2.3~2.7 1.0~10.0 0.5~3.0 0.44~0.54 1.3~2.6(新鲜岩体) 3.5~20 /Us+>v g!40~60 0.3~1.4 + /%4E %`9SS2.8~4.2 0.32(新鲜岩体) 37(新鲜岩体) /8]ZUK 灰岩 2.3~2.77 16.0~52 0.1~4.45 0.7~0.94 35~39 50~200 5~20 10~50 35~50 Z白云岩 2.1~2.7 0.3~25.0 0.1~3.0 6.7~32 80~250 15~25 20~50 35~50 zK 1\InP 片岩 2.69~2.92 0.02~1.85 0.1~0.2 0.53~0.69(绿泥石片岩) 44~72 10~100 1~10 1~20 千枚岩 0.4~3.6 0.5~1.8 0.67~0.96 10(石英千枚岩) 10~100 1~10 1~20 26~65 qkc 板岩 2.3~2.75 0.45左右 0.1~0.3 5.0(新鲜岩体) 60~200 7~15 2~20 45~60 JUDZ_c 大理岩 2.6~2.7 0.1~6.0 0.1~1.0 49~67 70~140 2.0~4.0 4.9(裂隙较发育岩体) 52(裂石英岩 2.4~2.8 0.1~8.7 0.1~1.5 0.94~0.96 65~70 150~350 15~30 10~50 50~60 I|Hc 花岗岩 2.3~2.8 0.5~4.0 0.1~4.0 0.72~0.97 30~37 100~250 7~25 14~50 45~60 >2}*L 闪长岩 2.52~2.96 0.2~5.0 0.3~5.0 0.6~0.8 1.5~8.5(具裂隙岩体) 100~250 10~25 10~50 辉长岩 2.55~2.98 0.3~4.0 0.5~4.0 180~300 15~36 10~50 50~55 F U} - .Ki=8p[ (<F=流纹岩 2.5~3.3 180~300 15~30 10~50 45~60安山岩 2.3~2.7 1.1~4.5 0.3~4.5 0.81~0.91 8.3~12.0(具裂隙岩体) 100~250 10~20 10~40\玄武岩 2.5~3.1 0.5~7.2 0.3~2.8 0.3~0.95 83 180~300 15~36 10~50 50~55 n Zx^ej 注:未注明为岩体的数据,均为岩石试验数据。
常用的岩土和岩石物理力学参数岩土和岩石物理力学参数是指描述岩土和岩石力学性质的一些重要参数,对于工程和地质领域的研究和实践具有重要意义。
以下是一些常用的岩土和岩石物理力学参数。
1.密度:岩土和岩石的密度是指单位体积的质量。
岩土和岩石的密度是其成分和结构的重要表征,常用单位是千克/立方米。
2.孔隙度:岩土和岩石内部的空隙或孔隙的体积与总体积的比值。
孔隙度是描述岩土和岩石中孔隙性质的重要参数,通常用百分比表示。
3.孔隙水压力:岩土和岩石中存在的地下水与孔隙水压力是一种重要的物理力学参数。
孔隙水压力对岩土和岩石的稳定性、渗透性和强度等产生重要影响。
4.饱和度:饱和度是指岩土和岩石中孔隙所含的水的含量与孔隙容量的比值。
饱和度是衡量岩土和岩石中含水情况的一项指标。
5.孔隙比:孔隙比是指岩土和岩石中孔隙体积与固体体积的比值。
孔隙比是岩土和岩石的一个重要参数,它关系到其渗透性、存储性以及力学性质等。
6.孔隙率:岩土和岩石中孔隙的比例,描述含孔岩体的空间特征的参数。
7.饱和度指数:饱和度指数是指岩土和岩石中各向同性材料,当孔隙度小于50%时,饱和度指数与孔隙度有关,其表征了岩土和岩石中孔隙数量和大小对其力学性质的影响。
8.波速:岩土和岩石中机械波传播的速度是一项重要的物理力学参数。
根据波速可以推算岩土和岩石的弹性模量和泊松比等力学参数。
9.阻尼比:用来描述岩土和岩石中振动能量的衰减情况,是衡量动力响应特性的一个重要参数。
10.岩石强度参数:包括抗拉强度、抗压强度、抗剪强度等,是衡量岩石材料抵抗各种力学载荷的重要参数。
11.几何参数:岩土和岩石中的几何参数包括颗粒形状、颗粒大小分布、颗粒间隙度等,对岩土和岩石的物理力学性质具有重要影响。
总之,岩土和岩石的物理力学参数是描述其物理性质和力学性质的重要参数,对于工程和地质领域的研究和实践具有重要意义。
不同的参数描述了岩土和岩石在不同方面的力学性质,研究者和工程师需要根据具体情况选择合适的参数进行分析和计算。
(E, ν) 与(K, G)的转换关系如下:)21(3ν-=EK)1(2ν+=EG (7.2)当ν值接近0.5的时候不能盲目的使用公式3.5,因为计算的K 值将会非常的高,偏离实际值很多。
最好是确定好K 值(利用压缩试验或者P 波速度试验估计),然后再用K 和ν来计算G 值。
表7.1和7.2分别给出了岩土体的一些典型弹性特性值。
岩石的弹性(实验室值)(Goodman,1980) 表7.1土的弹性特性值(实验室值)(Das,1980) 表7.2各向异性弹性特性——作为各向异性弹性体的特殊情况,横切各向同性弹性模型需要5中弹性常量:E 1, E 3, ν12,ν13和G 13;正交各向异性弹性模型有9个弹性模量E 1,E 2,E 3, ν12,ν13,ν23,G 12,G 13和G 23。
这些常量的定义见理论篇。
均质的节理或是层状的岩石一般表现出横切各向同性弹性特性。
一些学者已经给出了用各向同性弹性特性参数、节理刚度和空间参数来表示的弹性常数的公式。
表3.7给出了各向异性岩石的一些典型的特性值。
横切各向同性弹性岩石的弹性常数(实验室) 表7.3流体弹性特性——用于地下水分析的模型涉及到不可压缩的土粒时用到水的体积模量K f ,如果土粒是可压缩的,则要用到比奥模量M 。
纯净水在室温情况下的K f 值是2 Gpa 。
其取值依赖于分析的目的。
分析稳态流动或是求初始孔隙压力的分布状态(见理论篇第三章流体-固体相互作用分析),则尽量要用比较低的K f ,不用折减。
这是由于对于大的K f 流动时间步长很小,并且,力学收敛性也较差。
在FLAC 3D 中用到的流动时间步长,∆ tf 与孔隙度n ,渗透系数k 以及K f 有如下关系:'f f kK nt ∝∆ (7.3) 对于可变形流体(多数课本中都是将流体设定为不可压缩的)我们可以通过获得的固结系数νC 来决定改变K f 的结果。
f'K m k C +=νν (7.4)其中3/4G K 1m +=νf 'k k γ=其中,'k ——FLAC 3D 使用的渗透系数k ——渗透系数,单位和速度单位一样(如米/秒) f γ——水的单位重量考虑到固结时间常量与νC 成比例,我么可以将K f 的值从其实际值(Pa 9102⨯)减少,利用上面得表达式看看其产生的误差。
(E , ν) 与(K , G )的转换关系如下:)1(2ν+=EG ()当ν值接近的时候不能盲目的使用公式,因为计算的K 值将会非常的高,偏离实际值很多。
最好是确定好K 值(利用压缩试验或者P 波速度试验估计),然后再用K 和ν来计算G 值。
表和分别给出了岩土体的一些典型弹性特性值。
岩石的弹性(实验室值)(Goodman,1980) 表土的弹性特性值(实验室值)(Das,1980) 表各向异性弹性特性——作为各向异性弹性体的特殊情况,横切各向同性弹性模型需要5中弹性常量:E 1, E 3, ν12,ν13和G 13;正交各向异性弹性模型有9个弹性模量E 1,E 2,E 3, ν12,ν13,ν23,G 12,G 13和G 23。
这些常量的定义见理论篇。
均质的节理或是层状的岩石一般表现出横切各向同性弹性特性。
一些学者已经给出了用各向同性弹性特性参数、节理刚度和空间参数来表示的弹性常数的公式。
表给出了各向异性岩石的一些典型的特性值。
横切各向同性弹性岩石的弹性常数(实验室) 表流体弹性特性——用于地下水分析的模型涉及到不可压缩的土粒时用到水的体积模量K f ,如果土粒是可压缩的,则要用到比奥模量M 。
纯净水在室温情况下的K f 值是2 Gpa 。
其取值依赖于分析的目的。
分析稳态流动或是求初始孔隙压力的分布状态(见理论篇第三章流体-固体相互作用分析),则尽量要用比较低的K f ,不用折减。
这是由于对于大的K f 流动时间步长很小,并且,力学收敛性也较差。
在FLAC 3D 中用到的流动时间步长,? tf 与孔隙度n ,渗透系数k 以及K f 有如下关系:'f f k K nt ∝∆ () 对于可变形流体(多数课本中都是将流体设定为不可压缩的)我们可以通过获得的固结系数νC 来决定改变K f 的结果。
f'K n m k C +=νν ()其中其中,'k ——FLAC 3D 使用的渗透系数k ——渗透系数,单位和速度单位一样(如米/秒) f γ——水的单位重量考虑到固结时间常量与νC 成比例,我么可以将K f 的值从其实际值(Pa 9102⨯)减少,利用上面得表达式看看其产生的误差。
灰 岩鲕状 2.770.0948.630.4石英砾岩 2.660.2830.2绢英千枚岩微风化 2.600.206530灰 岩含燧石结核 2.640.5639.830泥 岩 2.65 1.5433.430石英砂岩 2.28 4.6544.229.9 1.22灰 岩 2.6072.929.232.5粉砂岩泥 质 2.52 3.103329云母片麻岩弱风化49.428.2云母片麻岩 2.50 3.4245.328.1粘土岩砂 质 2.574227.9灰 岩泥 质 2.53 3.936527.8页 岩 2.61 2.753527.5砂 岩39.127.3 2.54角砾岩 2.43 3.7256.627.3闪长玢岩岩脉,弱风化 2.950.2454.926.80.78灰 岩薄层,条带5526.528.4芒硝岩 2.0126.410.2砂 岩弱风化 2.15 6.654126 4.6粉砂岩弱风化 2.59 1.9132.825.7角砾岩 2.46 3.354.625.6砂 岩弱风化 2.19 5.147.125.5细砂岩全风化 2.188.0148.125.1石英片岩含白云母,弱风化 2.1725.0 1.3灰 岩 2.6479.224.847.5砂 岩 2.28 2.6436.524.8花岗岩强风化 2.33 5.65402318.4角砾岩 2.580.834224灰页岩 2.61 2.342924油页岩 2.0915.526.1砂 岩强风化 2.22 5.658.223.9砂 岩钙质,弱风化 2.33 5.344423.5灰 岩 2.33 4.436.223.5灰 岩白云质,微风化 2.770.4143.723.3细砂岩泥 质 2.22 5.6542.723.1灰 岩泥 质 2.610.1473.823花岗岩强风化 2.33 5.65402318.4绿泥石片岩 2.740.693423粘土岩 2.58 2.913123页 岩砂 质 2.63 1.3537.222.7云母片岩弱风化 2.69 1.245.322.0白云岩灰 质 2.690.2564.621.9粉细砂岩新 鲜 2.1739.221.7 6.7安山岩凝灰质63.821.4粉砂岩灰黑色 2.81 1.3254.521.2水云母页岩 2.44 3.7629.921.317.8粉砂岩泥 质 2.52 3.1645.321灰 岩33.721砂 岩泥钙质 2.4175.220.9粘土岩砂 质 2.41 3.0620.5 1.82粘土岩砂 质 2.51 2.53819.6粘土岩砂 质 2.54 2.8431.619.6砂 岩泥 质 2.58 2.8181.319.3粘土岩砂 质 2.62 1.9834.519粘土岩砂 质 2.59 2.6443.118.6页 岩砂质微风化 2.51 3.9671.718.2粘土岩砂 质 2.56 2.1252.718白云岩泥 质 2.530.553518页 岩 2.5625.718页 岩3317.8板 岩风 化 2.55 2.7233.917.537.3页 岩砂 质 2.52 2.0863.517.3细砂岩钙 质 2.51 1.583617.3砂 岩弱风化 2.35 6.5045.517.28.2糜棱岩片 状 2.740.903117泥灰岩 2.48 2.3628.316.5 1.9粘土岩砂 质 2.5531.716.3片麻岩 2.48 2.8216.10.017粉砂岩泥 质 2.41 3.6546.115.9辉长辉绿岩强风化 2.705415.7砂 岩泥 质 2.57 1.4937.515.6页 岩 2.63 2.0321.415.5 1.1粉砂岩 2.41 3.3252.414.7粘土岩砂 质 2.54 2.725.214.6玄武岩软 弱 2.65 3.719.214.4细砂岩、泥岩互 层 2.670.7322.814.2砾 岩强风化 2.49 2.933614砂 岩变质,强风化 2.52 2.774713.919.8粘土岩 2.56 3.2545.913.9云母片岩全风化 2.65 1.8430.813.8细砂岩 2.72 1.9256.013.5细砂岩弱风化 2.26 4.1718.213.3泥 岩砂 质 2.42 4.3514.813.6粗砂岩砾 质 2.207.7838.412.9玢 岩 2.610.3815.912.5灰 岩 2.620.8123.212.3玄武岩节理发育,全风化 2.47 3.1741.112.1砾 岩砂 质 2.593412.1细砂岩 1.988.1915.311.6灰 岩薄层,风化 2.55 1.613011.2粘土岩 2.36 6.540.611.4砂页岩 2.6614.311.1绢英千枚岩薄片,微,风化 2.600.202510石英砾岩 2.58 1.0110.7泥灰岩 2.25 6.1617.310.621.5泥 岩 2.487.282810.6 6.5粉砂岩 2.6316.610.59.7绢英千枚岩薄片状,弱风化 2.900.27301010.0粘土岩 2.5331.69.9粉砂岩泥 质 2.31 4.5530.69.9页 岩 2.6026.39.8 2.66芒硝岩 2.309.2粘土岩 2.50 6.3634.98.7粘土岩 2.33 6.1616.28.6粘土岩砂 质 6.535.28.4砂 岩钙 质 2.6137.58.322.3粉砂岩 2.55 4.8142.88.3 1.21角砾岩 2.21 5.339.58.2云母片岩松软,全风化 2.53 2.58198.2砂 岩强风化 2.34 5.27178 6.45砂 岩条带状 2.3925.37.8大理岩16.97.6大理岩集块状 2.62 3.36437.6花岗闪长岩强风化 2.55 2.48397 5.39页 岩紫红色 2.257.620.6 6.7 1.85粉砂岩粘土质 2.35 3.1814.3 6.2 3.23玄武玢岩强风化 2.62 1.9213.1 5.9粘土岩 2.2714 5.7粘土岩砂 质 2.62 5.5 4.6绿泥石片岩弱风化 2.5714.6 5.3页 岩强风化 2.40 4.15 5.2砂 岩微风化 2.21 6.1414.5 5.1砂 岩变质,强风化 2.26 5.6818515.9粘土岩 2.51 1.945砂 岩集块状 2.44 5.0913.5 4.2粉砂岩 2.37 3.3214.14千枚岩强风化 2.25 4.9874石英砂岩 2.59 1.01 3.7粉砂岩泥 质 2.1410.2420.6 1.5 1.17芒硝岩 2.3524.929.6泥 岩紫红色 2.257.620.6页 岩 2.6520粘土岩 2.6920.710.3粘土岩 2.60 1.713.3芒硝岩 2.0812.6粘土岩 2.25 4.4页 岩全风化 2.41 4.3丰 满碧 口江 垭天升桥一级电站山西北引黄徐州铜山柳泉矿0.2970葫芦口岗南水库广元香水渡狮子滩龙 门紫坪铺升钟漫湾潘家口(杨叉子坝址隔河岩华东盐矿葫芦口水库万 安漫 湾0.4150小井沟水库云南、丰收河大寨电站1.093000黄 龙徐州铜山小井沟水库江西七星水库万 安陆 浑0.253900龙口矿区沱江水库升 钟偏窗子恒 山陕西王圪堵水库江 垭江西七星水库丹江口罗江口电站0.4044龙门(甘泽坡坝址)绿水河鲁布革陕西王圪堵水库0.886辽闹得海水库大藤峡鄂利川长顺电站1.0*120小什字*现场抗剪断马鞍山桃中铁矿三岔水库升钟四九滩电站东西关寨水库月江口上洞水库偏窗子六郎洞月江口普 定徐州铜山葫芦口安微冬至小什字水库陕西王圪堵水库黑龙潭丹江口龙口电站下洞水库河南长竹河水库太平湾丹江口万县威池水库0.682680*彭水*室内三轴值太平湾葫芦口水库以礼河二级天升桥一级柘 林江西大坳小什字水库绿水河石景山龙口灰坝小井沟长滩水库太平湾下马岭江 垭以礼河一级小什字陕西王圪堵水库恒 山三 岔徐州铜山0.5310碧 口丰 满河口村0.67520淮 阳鄂巩河水库0.510碧 口狮子滩太平湾乌江渡抗切380华东盐矿蒲江小河子水库黑龙潭红旗水库鄂、巩河水库石景山灰坝0.48*0六郎洞*岩石粗面摩擦绿水河上饶大坳五强溪岗南水库石景山龙口灰坝江西奉新淮 阳葛洲坝陆 浑升钟巩河水库冯家山水库0.5582陆 浑0.6718新疆咯拉咯尔电站江西高湖小井沟石景山灰坝葛洲坝江 口河南白沙水库1.03190安微淮阳抗切380华东盐矿1.23760淮 阳0.45430天生桥二级来风塘口1.0770偏窗子抗切250华东盐矿0.247升钟六郎洞。
常见岩石力学参数岩石力学参数是指描述岩石在外力作用下的力学行为的物理性质,包括弹性模量、剪切模量、泊松比、抗压强度、抗拉强度、抗剪强度等。
这些参数对于岩石的力学性质和工程应用具有重要意义。
本文将详细介绍这些常见的岩石力学参数。
1. 弹性模量(Young's modulus):弹性模量是衡量岩石弹性性质的一个重要参数,表示岩石在外力作用下产生弹性变形的能力。
弹性模量越大,岩石的刚度越大,抗弯和抗变形能力越强。
2. 剪切模量(Shear modulus):剪切模量是衡量岩石抗剪切性质的参数,表示岩石在剪切应力作用下产生剪切变形的能力。
剪切模量越大,岩石的抗剪强度越高,稳定性越好。
3. 泊松比(Poisson's ratio):泊松比是衡量岩石体积变形性质的参数,表示岩石在受到压缩应力时,横向收缩的程度。
泊松比一般介于0.1到0.4之间,数值越大,岩石的蠕变性越强。
5. 抗拉强度(Tensile strength):抗拉强度是衡量岩石抗拉性质的参数,表示岩石在受到拉伸应力时的最大承载能力。
抗拉强度一般比抗压强度要小,岩石在受到拉伸时易发生断裂。
6. 抗剪强度(Shear strength):抗剪强度是衡量岩石抗剪切性质的参数,表示岩石在受到剪切应力时的最大承载能力。
抗剪强度主要与岩石内部的粘聚力和内摩擦角有关。
除了上述常见的岩石力学参数外,还有一些与岩石稳定性有关的参数:7. 断裂韧性(Fracture toughness):断裂韧性是衡量岩石抗断裂性质的参数,表示岩石在受到裂纹扩展时的抵抗能力,能够反映岩石的破坏扩展能力。
8. 孔隙度(Porosity):孔隙度是衡量岩石孔隙结构的参数,表示岩石内部的孔隙空间占总体积的比例。
孔隙度能够影响岩石的密实程度和渗透性,对工程建筑的渗流和稳定性有重要影响。
9. 饱和度(Saturation):饱和度是衡量岩石孔隙中被水、气体或其他流体填充的程度。
1/20 1/20 1/20 1/20 1/20 1/20 1/20 4/89 1/20 1/20 1/20 1/20 1/20 1/20 1/20 1/20 1/20 1/21 1/20 2/41 1/20 1/20
1/20
几点说明:
1)岩石的种类繁多,工程性质极为复杂,差别很多,表中所列岩石只是河南段所遇岩石的一部分。
2)岩石的分类可分为地质分类和工程分类。
地质分类用地质名称加风化程度表达,包括定塔位时描述地质成因矿物成分,结构、构造,风化程序等。
工程分类主要是对岩体性状进行研究评价,包括岩块的“坚硬程度”岩体的“完整程度”和“岩体质量等级”。
地质分类是基础,工程分类的目的是较好的概括评价某工程性质。
考虑到山区丘陵区岩石裸露区或第四系较薄地段多采用嵌固式基础,基础埋深一般在3~6m,施工方法多采用掏挖法,塔基受力荷载不大,岩石地基的强度和变形均能满足设计要求,在制表中只列出了岩石的坚硬程度和岩体完整程度,未考虑岩体基本质量等级。
3)岩石坚硬程度,岩体完整程度,风化程度,岩石抗剪强度,承载特征值宜综合考虑防止自相矛盾,参数表中的数值仅供参考。
4)山区丘陵一般地下水埋藏较深,可不考虑地下水对施工和岩体的影响。
5)在深度8~15m范围很难见到未风化新鲜的岩石,微风化的岩石也不多见,故表中未列岩石示风化微风化岩石物理力学参数,如有请参考参数表适当提高。
6)对全风化,强风化,当与残积土难以区分时按土考虑。
7)岩石坚硬程度的定性分类可参阅“国标”附录A.0.1 P135
岩体完整程度的定性分类可参阅“国标”附录A.0.2 P135
,风镐加爆破锤
,风镐加放炮
,爆破锤加放炮。
岩石力学参数手册第一章绪论本手册旨在为岩石力学领域的研究人员和工程师提供岩石力学参数的参考。
本手册主要包括岩石力学常用参数的定义和计算公式,以及它们在不同力学实验和工程应用中的应用范围和限制。
第二章岩石力学常用参数1. 弹性模量弹性模量是描述岩石本身抵抗变形能力的参数,也是岩石变形受力学响应的基础。
其定义为应力和应变之比,通常用“E”来表示,单位为千帕。
2. 泊松比泊松比是描述岩石沿某一方向的压缩(或伸长)应变与其在与该方向垂直的方向上相应的膨胀(或收缩)应变之比。
其定义为侧向应变和轴向应变之比,通常用“ν”来表示,无单位。
3. 抗拉强度抗拉强度是指岩石在拉伸状态下最大额外应力强度。
其计算公式为:σt = F/Aσt为抗拉强度,F为最小应变强度,A为岩石断面积。
5. 黏聚力黏聚力是指岩石在未承受分开应力的情况下的最小阻抗力。
其计算公式为:C = 2F/πDC为黏聚力,F为最小阻抗力,D为岩石的直径。
弹性模量试验是通过施加单轴应力或三轴应力来测定岩石的弹性模量。
单轴应力试验主要是通过塑性直线版或岩石试件测定岩石的应力-应变关系,然后确定弹性模量;而三轴应力试验则是通过在三个轴向上施加正、负应力,测定岩石的应力-应变关系,并计算弹性模量。
拉压强度试验是通过塑性直线版或岩石试件施加拉伸或压缩应力来测定岩石的抗拉强度和抗压强度。
拉伸试验通常使用高精度万能试验机,测定点状试件的应变和应力,然后计算抗拉强度;而压缩试验则是将岩石试件置于弹塑料中,测量其最小阻抗力,并计算抗压强度。
4. 断裂韧性试验断裂韧性试验是通过岩石试件施加脆性、韧性和折断初始应力来测定其断裂韧性。
该试验通常通过在岩石试件上使用弯曲粘着板,以爆破等方式施加应力,获得岩石试件的断裂韧性。
岩石力学参数的应用主要分为两个方向:一是在岩石力学基础研究方面,如岩石变形特性、岩石破裂机制研究等;二是在岩石工程实践中的应用,如隧道开挖稳定性评估、堆石坝安全分析等。
几种常见岩石力学参数汇总2010年9月2日参考资料:《构造地质学》,谢仁海、渠天祥、钱光谟编,2007年第2版,P25-P37.1 •泊松比的变化范围:2•弹性模量的变化范圉:3•常温常压下强度极限:4•内摩擦角和内聚力的变化范围:全新版大学英语综合教程4课后习题答案Unit 1I. Vocabulary1.1) alliance 3) stroke 5) minus 7) declarations 9) raw11) have taken their toll2.1) is faced with3) is pressing on / pressed on 5) get by7) have cut back3.1) The rapid advance in gene therapy may lead to the conquest of cancer in the near future.2) Production in many factories has been brought to a halt by the delayed arrival of raw materials due to the dock workers J strike. 3) Sara has made up her mind that her leisure interests will/should never get in the way of her career.4) Obviously the reporters question caught the foreign minister off guard -5) The introduction of the electronic calculator has rendered the slide nile out of date-4.1) Being faced with an enemy forces much superior to ours, we had to give up the occupation of big cities and retreat to the niral andmountainous regions to build up our bases-2) Unity is crucial to the efficient operation of an organization. Failure to reckon with this problem will weaken its strength. In many cases, work may be brought to a halt by constant internal struggle in an organization-3) The Red Army fought a heroic battle at Stalingrad and won the decisive victory against the Germans.In fact, this battle turned the tide in the Second World War. During this famous battle - the Soviet troops withstood the German siege and weakened the German army by launching a series of counterattacks •IL More Synonyms in Context1)During the First World War, battles occurred here and there over vast areas - Some of the most dramatic fighting took place in the gloomy trenches of France and Belgium. 2) Elizabeth made careful preparations for the interview and her efforts / homework paid off.3) I spent hours trying to talk him into accepting the settlement, but he turned a deaf ear to all my words. 4)Pneumonia had severely weakened her body, and I wondered how her fragile body could2) at the cost of 4) limp 6) regions^bugged down。