接地装置预防性试验作业指导书
- 格式:doc
- 大小:446.50 KB
- 文档页数:12
开关设备常规预防性试验第一节测量绝缘电阻一、试验目的检查开关设备主回路整体对地、断口之间绝缘状况,判定开关设备各部分对地绝缘电阻是否满足运行需要。
二、试验周期真空断路器:1、A(设备整体性检查、修理、更换)、B(设备局部性检修,主要组件、部件解体检查、修理、更换)级检修后。
2、必要时。
负荷开关:1、A(设备整体性检查、修理、更换)、B(设备局部性检修,主要组件、部件解体检查、修理、更换)级检修后。
2、220kV及以下电压等级设备,自投运起2年内做首次预防性试验。
自首次预防性试验起,其后最长以6年为一个周期进行试验。
3、必要时。
三、试验步骤1、准备仪表:进行兆欧表的开路及短路试验,确定仪表良好。
2、确定开关设备具备试验条件:落实安全措施,停电并验明无电。
3、测量各相整体对地绝缘电阻:将各相用短接线短接,用兆欧表2500V档位进行测量,仪表“L”端测试线接断路器其中一相,“E”端测试线接开关设备金属外壳。
4、测量断口间绝缘电阻:将开关上部三相用短接线短接,下部三相用短接线短接后接地。
用兆欧表2500V档位进行测量,仪表“L”端测试线接断路器上部其中一相,“E”端测试线接开关设备金属外壳。
5、放电:所测三相开关分别对地进行充分放电。
6、拆除短接线、接地线:拆除所有短接线和接地线。
7、整理仪器:收拾整理仪表。
四、合格标准1、用兆欧表2500V档位测量,绝缘电阻6kV、10kV真空断路器断口绝缘电阻A级检修后大于等于1000MΩ,运行中或B级检修后大于等于300MΩ。
2、负荷开关二次回路用兆欧表1000V档位测量,二次回路绝缘电阻不低于2MΩ。
五、注意事项1、开关设备停电,并将开关设备与有电部分隔离2、拆除出线高压电缆,防止反送电。
3、气体绝缘开关设备应检查气体密度计指示正常。
4、开关设备试验用全部短接线应登记,试验完成后要全部拆除。
第二节测量导电回路电阻一、试验目的检查开关设备动、静触头之间的接触电阻,判定开关设备三相导电回路电阻是否平衡,是否能够满足运行需求。
Xx项目防雷接地作业指导书编制:审核:批准:xx公司编制日期:2022年09月27日一、编制目的为了规范xx项目接地施工作业,指导作业人员按要求进行施工,确保安全、优质、高效的完成防雷接地施工工作。
二、合用范围本作业指导书合用于xx项目防雷接地的施工工作。
三、编制依据1.xx公司设计的接地图纸。
2.《电气装置安装工程质量检验及评定规程(第6部份:接地装置施工质量检验)》DL/T 5161.6-2002。
3.《电气装置安装工程施工及验收规范》接地装置施工及验收规范GB50169-2022。
4.《电力建设安全工作规程》第1部份:火力发电厂DL5009.1-2002。
5.《电力建设安全健康与环境管理工作规定》(2002版)。
6.《职业安全健康体系文件》B版。
7.《火电施工质量检验及评定标准》电气装置篇。
8.《交流电气装置的过电压保护和绝缘配合》DL/T620-1997。
9.《交流电气装置的接地》 DL/T621-1997。
10. 2022年版《工程建设标准强制性条文》(电力工程部份)。
四、作业项目概述xx项目全站接地工程主要是全站接地网及避雷针独立接地装置施工。
主接地网采用-50×5mm热镀锌扁钢(扁钢尺寸根据最终设计可能发生变动)。
电气设备和建造物金属构件以及屋顶设备的金属外壳都与主接地网相连。
本作业指导书主要针对xx项目防雷接地的施工。
施工范围主要包括:屋顶光伏系统区域、地面光伏方阵区域、箱式逆变器防雷接地和主接地网的连接。
光伏方阵区域接地按图纸敷设-50×5热镀锌扁钢及接地极,并将接地体与接地极按设计及规范要求进行连接埋深1.2米。
接地装置的施工应与土建施工,电缆沟道及电缆设施施工等密切配合。
敷设完接地线的土应及时回填夯实,回填土不应夹有石块,建造材料或者垃圾等。
主接地网敷设完成后应进行接地电阻测量,必要时采用现场增设人工接地极来满足接地电阻的要求。
人工接地极的具体做法为:采用5#角钢,长度2.5m,端部与避雷接地网可靠焊接后埋入地下1.2m深处。
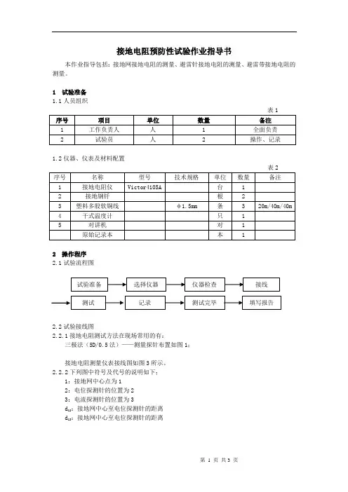
接地电阻预防性试验作业指导书本作业指导包括:接地网接地电阻的测量、避雷针接地电阻的测量、避雷带接地电阻的测量。
1 试验准备1.1人员组织表11.2仪器、仪表及材料配置表22 操作程序2.1试验流程图2.2试验接线图2.2.1接地电阻测试方法在现场常用的有:三极法(5D/0.5法)——测量探针布置如图1;接地电阻测量仪表接线图如图3所示。
2.2.2下列图中符号及代号的说明如下;1:接地网中心点为12:电位探测针的位置为23:电流探测针的位置为3d12:接地网中心至电位探测针的距离d13:接地网中心至电位探测针的距离其中:、F - 为接地极 - 为电压极 - 为电流极图1接地电阻测量仪表接线图图2 导通电阻测试图3 试验步骤 3.1试验设备该项试验应在地网施工完毕后即进行,选择适当的试验方法,试验准备按表1、表2进行。
3.2选择仪器根据试验要求,选择Victor4105A 型接地电阻仪进行试验。
3.4仪器检查试验前必须对仪器作必要的检查工作。
首先检查外观,应完好无损,然后作通电检查,检查无误后方可使用。
3.5接线按现场实际状况选择一种试验方法,按图接线。
3.6测试(1)按照所采用的试验方法准确将联线接于探测针上。
(2)将导线根据所有仪器的要求接于仪表相应的端钮上。
3.7记录测试时应记录:仪器型号、编号、试验地点、接地电阻值及测试方法。
记录使用墨水笔,字迹要清晰。
记录本采用专门的原始记录本。
记录测试数据时应复述,操作人确认后方可记录。
3.8测试完毕测试完毕后,回收引线和仪器,由工作负责人检查确认。
工作负责人应对原始记录进行审核,内容包括:记录内容是否漏项、测试数据有效数字、单位是否正确、记录人、试验人签字是否完整,检查无误后,审核人应签字。
3.9填写报告测试完毕后,应及时填写试验报告。
试验报告应用计算机打印,应妥善保管磁盘。
试验报告应由技术负责人签发。
并保存试验报告发放记录。
4 试验标准测试完毕后,应立即与试验标准进行比对,有疑问应立即查找原因或重测,仍不合格应根据其它项目试验结果综合判断,确认设备性能有问题应填写《通知单》。
接地(防静电接地)装置1.接地电阻:第一类防雷建筑物:(1)在电缆与架空线连接处,其冲击接地电阻不宜大于300。
(2)防雷电感应的接地装置应与电气和电子系统的接地装置共用,其工频接地电阻不宜大于100。
(3)架空金属管道,在进出建筑物处,其冲击接地电阻不应大于30 0。
(4)外部防雷的接地装置应围绕建筑物敷设成环形接地体,每根引下线的冲击接地电阻不应大于100。
(5)当每根引下线的冲击接地电阻大于100时,当土壤电阻率小于或等于5000 m时,对环形接地体所包围面积的等效圆半径小于5 m 的情况,每一引下线处应补加水平接地体或垂直接地体。
第二类防雷建筑物:在土壤电阻率小于或等于30000 m的时,外部防雷装置的接地体应符合下列规定之一以及环形接地体所包围面积的等效圆半径等于或大于所规定的值时,可不计及冲击接地电阻;但当每根专设引下线的冲击接地电阻不大于100时,可不补加水平接地体或垂直接地体。
(2)有爆炸危险的露天钢质封闭气罐的冲击接地电阻不应大于30 0。
第三类防雷建筑物:土壤电阻率小于或等于30000 m时,外部防雷装置的接地体当符合下列规定之一以及环形接地体所包围面积的等效圆半径等于或大于所规定的值时可不计及冲击接地电阻;当每根专设引下线的冲击接地电阻不大于300。
但当每根专设引下线的冲击接地电阻不大于10 Q时,可不补加水平接地体或垂直接地体。
其他各类防雷建筑物:2.安全距离,同接闪器。
3.埋设间距及深度:(1)人工钢质垂直接地体的长度宜为2.5 m。
其间距以及人工水平接地体的间距均宜为5 m,当受地方限制时可适当减小。
(2)人工接地体在土壤中的埋设深度不应小于0.5 m,并宜敷设在当地冻土层以下,其距墙或基础不宜小于1 11)。
接地体宜远离由于烧窑、烟道等高温影响使土壤电阻率升高的地方。
(3)在敷设于土壤中的接地体连接到混凝土基础内起基础接地体作用的钢筋或钢材的情况下,土壤中的接地体宜采用铜质或镀铜或不锈钢导体。
目录一、编制依据 (2)二、工程概况 (2)2、1工程简介 (2)2、2建设地点及自然环境 (2)2、3接地装置材料与工程量 (2)三、接地装置施工 (3)3、1技术资料准备 (3)3、2接地沟开挖 (3)3、3接地体敷设 (4)3、4接地体回填 (5)3、5接地引下线安装工艺要求 (6)3、6接地电阻测量 (6)四、质量管理 (7)五、安全措施 (7)六、环境保护及文明施工 (8)6、1环境保护 (8)6、2文明施工 (8)七、主要危险因素识别及预防措施 (8)一、编制依据1、《110~500kV架空电力线路施工及验收规范》GB 50233-2005;2、《110~500kV架空电力线路工程质量及评定规程》;3、《电力建设安全工作规程》DL-5009.2-2004;4、《杆塔工频电阻测量》(DL/T887-2004)5、《钢筋焊接接头试验方法标准》(JGJ/T 27—2001)6、张家坝-秀水变220kV送出工程(酉阳二段)施工总说明书及施工图纸。
二、工程概况2、1工程简介起于182#塔,止于260#塔,包含183R-193R、224R-229R两个重冰区,线路长度34km。
其中在10mm冰区采用同塔双回架设,线路长为2×30km,20mm冰区采用两个单回路架设,线路长2km+2km。
新建铁塔96基,其中10mm冰区双回路铁塔63基(直线角钢塔37基、耐张角钢塔26基),20mm冰区单回路角钢塔33基(直线19基、耐张14基)。
铁塔与基础的连接方式为地脚螺栓连接;基础采用人工挖孔桩基础。
本工程导线选用2×LGJ-400型钢芯铝绞线,其中20mm冰区选用2×LGJ-400/50,10mm冰区选用2×LGJ-400/35。
地线为一根24芯OPGW光缆,另一根为JLB20-120。
2、2建设地点及自然环境建设地点设在酉阳土家族苗族自治县,沿线主要交通运输方式包括公路和铁路,渝湘高速公路,渝怀铁路,构成了与主城相连的大通道,319国道、彭龚公路,是工程运输的主干道,其间乡村机耕道在靠近城镇附近较为发达,但机耕道基本都未硬化,弯急路陡,路况好坏与施工季节紧密相关,走廊中数个地段地形陡峻,距公路直线距离比较远,地形高差大。
防雷防静电检测作业指导书
1 作业指南
1.1 作业准备
1.1.1 计划检测
防雷防静电装置检测工作,每年必须在雷雨季节前进行检测。
全年检测不少于两次,并做好记录。
1.1.2 准备工具
检测工具必须经国家强检合格,并在有效期内,符合防爆要求。
1.1.3 安排人员
一名检测人员,检测人员应具备一定的专业知识。
另外安排一名设备管理员负责记录数据、一名警消员和二名其他人员(可视情况自定)协助。
1.2 阻值检测
1.2.1 断开接地线
作业人员找出接地体,断开接地线,并对检测点进行除锈处理。
1.2.2 测试
首先按要求找准两个接地点,两条导线要平行摆放,相距不少于15米。
测试人员按仪器检测程序操作,并准确读出数据,每个点不少于两次检测,误差较大时需重新测量。
参与检测人员必须熟练掌握检测技能,认真作业,确保检测质量。
1.2.3 记录、连接
及时记录数值,严禁弄虚作假。
1.3 整理归档
1.3.1 设备器材复位
加油站全部接地装置检测结束后,检查整理检测工具,并做好复
位保管工作。
1.3.2 数据整理、归档
写一份检测报告,做好记录,所测畋据必须认真填写存档,备查。
如发现阻值不符合有关规定时,要及时上报。
2 相关文件
3 相关记录
3.1 接地电阻测试记录
3.2 站长日志
3.3 设备管理台帐。
Q/GXD 广西电网公司企业标准接地装置试验作业指导书广西电网公司发布前言为规范广西电网公司地网接地阻抗试验、地网土壤电阻率试验的操作,保证试验结果的准确性,结合广西电力系统多年来的试验经验,制定本作业指导书。
本作业指导书由广西电网公司标准化委员会提出并归口。
本作业指导书起草单位:广西电力试验研究院有限公司本作业指导书主要起草人:田树军本作业指导书主要审核人:本作业指导书审定人:本作业指导书批准人:林火华本作业指导书由广西电网公司生产技术部负责解释。
目次第一部分:接地装置试验作业指导书 ..................................... 错误!未定义书签。
第二部分:土壤电阻率试验作业指导书 (16)第一部分:变电站接地装置试验作业指导书1.适用范围本作业指导书适用于接地装置的常规试验,规定了交接验收试验、预防性试验、大修后试验项目的引用标准、仪器设备要求、试验人员资质要求和职责、作业程序、试验结果判断方法和试验注意事项等。
该试验的目的是判定接地装置的状况,能否投入使用或继续使用。
2.规范性引用文件GB/T17949.1-2000 接地系统的土壤电阻率、接地阻抗和地面电位测量导则第一部分:常规测量DL/T 475-2006 接地装置特性参数测量导则DL/T596-1996 电力设备预防性试验规程Q/CSG 1 0007-2004 电力设备预防性规程Q/GXD 126.01-2006 电力设备交接和预防性试验规程GB 50150-2006 电气装置安装工程电气设备交接试验标准3.支持文件3.1变电站地网设计或改造图3.2设计计算的各电压等级区域的单相接地短路电流最大值(接触电压和跨步电压的测试时用)以及持续的时间。
4.危险点分析及安全措施5.试验准备5.1人员需求·高压试验人员4~8人,如果涉及到一次设备停电,利用输电线路(35kV及以下)来进行测试工作,则需开第一种工作票,若需使用架空输电线路进行试验,则需线路工作人员。
广西水利电业集团有限公司预防性试验作业指导书(变电站10kV分册)二○一○年十二月前言预防性试验是为了发现运行中设备的隐患,预防发生事故或设备损坏,对设备进行的检查、试验或监测。
预防性试验是电力设备运行和维护工作中一个重要环节,是保证电力设备安全运行的有效手段之一。
为了强化一次设备定期预防性试验工作,规范预防性试验现场作业,广西水利电业集团有限公司组织编制预防性试验标准化作业指导书,指导基层班组开展预防性试验工作。
本作业指导书系参照国家标准、行业标准、国家电网标准及相关的技术规范、规定编写,涵盖所有一次设备的相关试验项目,规范相应的试验方法和程序、规范试验仪器和设备。
本作业指导书对变电站10kV设备(包括变低/母联开关间隔、站用变压器间隔、电压互感器间隔、电容器组间隔、出线开关间隔)周期性的预防性试验(电气部分)工作的操作步骤、技术要点、安全注意事项、危险点分析等方面内容进行了详细的规范,用于指导变电站10kV设备的预防性试验工作。
目录10kV变低/母联开关间隔预防性试验(电气部分)作业指导书 (1)10kV站用变压器间隔预防性试验(电气部分)作业指导书 (20)10kV电压互感器间隔预防性试验(电气部分)作业指导书 (47)10kV电容器组间隔预防性试验(电气部分)作业指导书 (66)10kV出线开关间隔预防性试验(电气部分)作业指导书 (97)10kV变低/母联开关间隔预防性试验(电气部分)作业指导书10kV变低/母联开关间隔预防性试验(电气部分)作业指导书1范围本作业指导书适用于10kV变低/母联开关(包括真空断路器、干式电流互感器、橡塑电缆、干式电压互感器)周期性的预防性试验(电气部分)工作。
2规范性引用文件GB3906—2006 3.6kV~40.5kV交流金属封闭开关设备和控制设备GB50150—2006电气装置安装工程电气设备交接试验标准DL/T 474.4-2006现场绝缘试验实施导则第4部分:交流耐压试验国家电网安监[2009]664号《电力安全工作规程》(发电厂及变电站电气部分)DL/T 596—1996电力设备预防性试验规程广西水利电业集团有限公司“两票”管理规定(试行)3支持文件开关柜(包括真空断路器、干式电流互感器、橡塑电缆、干式电压互感器)使用说明书开关柜(包括真空断路器、干式电流互感器、橡塑电缆、干式电压互感器)出厂试验报告开关柜(包括真空断路器、干式电流互感器、橡塑电缆、干式电压互感器)交接试验报告历次预防性试验报告4 安全及预控措施4.1 安全措施4.1.1试验应填写变电第一种工作票。
接地装置试验指导方案一、试验目的接地装置是电气设备的重要安全保护措施,用于将设备的金属部分与地面之间建立导电连接,以确保设备正常工作时不会产生危险的接触电压。
接地装置试验的目的是检验接地装置的可靠性和有效性,确保其能够正确起到保护作用,并且符合相应的标准和要求。
二、试验内容及标准1.接地电阻试验根据相关标准要求,选择适当的试验电流进行接地电阻测试,测试接地装置在正常工作状态下的接地电阻是否符合规定的要求。
标准要求接地电阻不得大于规定值。
2.接地电压试验通过施加较高的电压,检验接地装置的绝缘性能。
标准要求电压升高时,接地装置不应发生击穿或泄露电流过大的现象。
3.装置泄露电流试验检验接地装置与电源系统之间的绝缘程度,以及装置本身的绝缘性能。
标准要求装置泄露电流不得超过规定的限值。
4.极性试验检验接地装置的正、负极性是否正确,以确保其能正确接地。
标准要求正、负极性正确。
三、试验仪器及设备1.试验电压源用于施加试验电压,通常选择交流或直流电源,电压范围应能覆盖试验要求。
2.万用表用于测量电流、电压等参数。
3.漏电流表用于测量装置的泄露电流。
4.接地电阻测试仪用于测量接地电阻。
5.记录仪用于记录试验数据,方便后续分析和比对。
四、试验步骤1.准备工作:确认试验装置和电源正常,检查试验仪器的精度和准确性。
2.接地电阻试验:a.施加试验电流。
根据标准要求,通过试验电源施加合适的电流到接地装置上。
b.测量接地电阻。
使用接地电阻测试仪测量装置的接地电阻值。
c.判读结果。
判读测量结果是否符合规定要求。
3.接地电压试验:a.施加试验电压。
根据标准要求,通过试验电源施加指定电压到接地装置上。
b.观察现象。
观察装置是否发生击穿或泄露电流异常现象。
c.判读结果。
判读试验结果是否符合规定要求。
4.装置泄露电流试验:a.施加试验电压。
根据标准要求,通过试验电源施加指定电压到接地装置上。
b.测量泄露电流。
使用漏电流表测量装置的泄露电流。
接地装置预防性试验作业指导书1 适用范围本作业指导书适用于广西电网公司管辖范围内接地装置预防性试验工作。
2 规范性引用文件GB/T17949-2000 接地系统的土壤电阻率、接地阻抗和地面电位测量导则DL/T 475-2006 接地装置特性参数测量导则DL408-1991 电业安全工作规程发电厂和变电所电气部分DL560-1995 电业安全工作规程高压试验室部分DL/T621-1997 交流电气装置的接地Q/GXD 126.01-2009 电力设备交接和预防性试验规程3 支持性文件厂家资料、说明书、交接试验报告及历次试验报告等。
4 作业准备4.1 人员配备4.2 技术资料4.3 工器具、耗材及安全防护用品出工前一次性完成。
4.3.1 工器具及耗材4.3.2 安全防护用品4.3.3 仪器设备5 手持全球卫星定位仪(GPS)一台;台 1手持全球卫星定位仪(GPS)一台;5 作业周期按Q/GXD 126.01-2009《电力设备交接和预防性试验规程》进行。
6 作业流程作业流程见图1。
图1 作业流程图7 安全风险及预控措施备注:上表中空白处应根据现场危害辨识后相应补充其他风险及预控措施。
8 作业项目、方法及标准2、确定测试布线方向,拆除线路架空地线与主地网的连接(有连接螺栓),当测试结果有疑问时可以改变测试方向,然后对测试结果进行分析。
·测试线应远离地下金属管路、电缆沟、运行中的输电线路,当与其交叉时可垂直跨越,不得与之长段并行。
·感应电伤人3、布置电压极、电流极,电流极根据情况采用(4~30个)接地桩并联入地,使得试验电流(异频)不小于3A。
电压极选在离接地装置边缘0.5倍d CG 左右处。
·电流极与被试接地装置边缘的距离dCG应为被试接地装置最大对角线长度D的4~5倍。
·电压极应紧密而不松动地插入土壤中20cm以上。
·机械伤人4、布置电压电流线如下图所示。
35kV电压互感器预防性试验标准化作业指导书一、引言35kV电压互感器是电力系统中重要的电气设备,用于测量和保护高压输电路线中的电压。
为确保电压互感器的正常运行和安全性,预防性试验是必不可少的。
本作业指导书旨在制定35kV电压互感器预防性试验的标准化作业流程,以确保试验的准确性和可靠性。
二、试验目的本试验旨在检验35kV电压互感器的绝缘性能和工作状态,确保其在正常运行条件下的可靠性和安全性。
具体目的包括:1. 检测电压互感器的绝缘电阻,判断绝缘性能是否符合要求;2. 检查电压互感器的绝缘油,确保其无异常;3. 检验电压互感器的接地装置,保证接地连接良好;4. 检查电压互感器的外观,确认无损坏或者异常情况。
三、试验准备1. 试验设备和工具准备:a. 高压发生器:用于产生试验所需的高电压;b. 绝缘电阻测量仪:用于测量电压互感器的绝缘电阻;c. 绝缘油测试仪:用于测试电压互感器的绝缘油的绝缘性能;d. 接地电阻测试仪:用于测量电压互感器的接地装置的接地电阻;e. 外观检查工具:用于检查电压互感器的外观是否正常。
2. 试验环境准备:a. 确保试验现场安全,并采取必要的防护措施;b. 确保试验设备和工具正常运行,并进行校准;c. 确保试验现场通风良好,以便排除任何可能影响试验结果的外部因素。
四、试验步骤1. 绝缘电阻试验:a. 将电压互感器与高压发生器连接,确保连接坚固;b. 设置高压发生器的输出电压,并稳定输出;c. 使用绝缘电阻测量仪测量电压互感器的绝缘电阻;d. 记录测量结果,并与规定的绝缘电阻范围进行比较。
2. 绝缘油测试:a. 取样电压互感器的绝缘油,并放入绝缘油测试仪中;b. 运行绝缘油测试仪,测量绝缘油的绝缘强度和介质损耗;c. 根据测试结果,判断绝缘油的绝缘性能是否符合要求。
3. 接地装置测试:a. 使用接地电阻测试仪测量电压互感器的接地装置的接地电阻;b. 根据测试结果,判断接地装置的接地电阻是否符合要求。
接地网测试作业指导书(总11页) -本页仅作为预览文档封面,使用时请删除本页-接地网接地电阻试验作业指导书1范围本作业指导书适用于接地网接地电阻测量,规定了接地网交接验收、预防性试验和检修过程中的接地电阻测量试验的引用标准、仪器设备要求、试验人员要求和职责、作业程序、试验结果判断方法和试验注意事项等。
制定本指导书的目的是规范接地网接地电阻试验,保证试验结果的准确性,为设备运行、监督、检修提供依据。
2规范性引用文件下列文件中的条款通过本作业指导书的引用而成为本作业指导书的条款。
凡是注日期的引用文件,其随后所有的修改单或修订版均不适用于本作业指导书,然而,鼓励根据本作业指导书达成协议的各方研究是否可使用这些文件的最新版本。
凡是不注日期的引用文件,其最新版本适用于本作业指导书。
DL475接地装置工频特性参数的测量导则DL/T621交流电气装置的接地3工作程序人员要求a) 人数:一般根据被测接地网面积大小来定,整个接地网最大对角线长度超过500m,至少需10人。
b) 资质:负责人必须熟悉地网测试技术;试验人员中至少有2人为电气技术工人。
设备清单和要求接地网接地电阻测量目前常用的方法有两种:一是变频法;一是工频电压电流法。
每种测量方法的设备分可共用部分和不可共用部分,可共用部分单列清单及要求,不可共用部分在每种测量方法的清单及要求中分别说明。
可共用的设备清单及要求a)对讲机:2对:b) 大锤:1把;c) 常用工具:1套;d) 绝缘黑胶布:若干卷(视接地引线的卷数而定)。
采用变频法的设备清单及要求a) 变频接地电阻测试仪一套,电源须充电的设备应在测试前一天充好电。
b)接地电极:一端为尖头,长度不小于1m,直径不小于20mm的钢管或圆钢4根。
C)接地引线:1)电流极引线。
铜芯绝缘外皮,截面不小于,,长度为4~5倍整个被测地网的最大对角线长度减去整个地网中心与地网边缘之间的距离,如放线有困难或土壤较均匀时,长度至少取2倍整个被测地网的最大对角线长度减去整个地网中心与地网边缘之间的距离。
真空断路器试验作业指导书1范围本作业指导书适用于真空断路器试验作业,包括交接验收试验、预防性试验、大修后试验项目的引用标准、仪器设备要求、作业程序、试验结果判断方法和试验注意事项等。
该试验的目的是判定真空断路器的状况,能否投人使用或继续使用。
制定本指导书的目的是规范试验操作、保证试验结果的准确性,为设备运行、监督、检修提供依据。
2规范性引用文件下列文件中的条款通过本作业指导书的引用而成为本作业指导书的条款。
凡是注日期的引用文件,其随后所有的修改单或修订版均不适用于本作业指导书,然而,鼓励根据本作业指导书达成协议的各方研究是否可使用这些文件的最新版本。
凡是不注日期的引用文件,其最新版本适用于本作业指导书。
GB1984交流高压断路器JB3855 3.6-40.5kV户内交流高压真空断路器GB50150电气装置安装工程电气设备交接试验标准3安全措施为保证人身和设备安全,在进行绝缘电阻测量后应对试品充分放电;进行交流耐压试验等高压试验时,要求必须在试验设备周围设围栏并有专人监护,负责升压的人要随时注意周围的情况,一旦发现异常应立刻断开电源停止试验,查明原因并排除后方可继续试验。
4工作程序4.1试验项目真空断路器试验包括以下试验项目:a) 真空断路器整体和断口间绝缘电阻;b) 导电回路电阻;c)合、分闸时间及同期性及合闸弹跳时间;d)合分闸速度及分闸反弹幅值;e)灭弧室的触头开距及超行程;f)合闸接触器及合、分闸电磁铁的最低动作电压;g) 路器主回路对地、断口间及相间交流耐压。
4.2试验方法及主要设备要求4.2.1真空断路器整体和断口间绝缘电阻4.2.1.1使用仪器测量真空断路器整体和断口间绝缘电阻使用2500V兆欧表。
4.2.1.2试验结果判断依据a) 对整体绝缘电阻参照制造厂规定或自行规定。
b) 断口和有机物制成的提升杆的绝缘电阻(MΩ)不应低于表1数值(20℃时)。
4.2.1.3注意事项试验时应记录环境温度。
编号:Q/×××500kV氧化锌避雷器交接及预防性试验作业指导书作业负责人:编写:年月日审核:年月日批准:年月日作业日期年月日时至年月日时安徽省电力公司1适用范围本作业指导书适用于安徽省电力公司500 kV氧化锌避雷器现场交接及预防性试验。
2引用文件下列标准及技术资料所包含的条文,通过在本作业指导书中引用,构成为本作业指导书的条文。
本作业指导书出版时,所有版本均为有效。
所有标准及技术资料都会被修订,使用本作业指导书范本的各方应探讨使用下列标准及技术资料最新版本的可能性。
GB 11032 交流无间隙金属氧化物避雷器GB 50150 电气装置安装工程电气设备交接试验标准DL/T 475.5 现场绝缘试验实施导则避雷器试验电生[2005]255号安徽电网电力设备预防性试验规程(试行)国家电网安监[2005]83号国家电网公司电力安全工作规程(试行)3试验前准备工作安排3.1准备工作安排3.2人员要求3.3仪器仪表和工具3.4危险点分析3.5安全措施2.3.6人员分工4 试验程序4.1开工4.2 检修电源的使用4.3试验项目和操作标准4.3竣工5 试验总结6 作业指导书执行情况评估7 附录a.不拆引线测量直流1mA 电压U 1mA 及0.75 U 1mA 下的泄漏电流原理与接线方式500kV MOA 每节直流参考电压为210KV 左右。
当不拆高压引线时,MOA 与CVT 和变压器(或CVT)相连,若在MOA 端部施加电压,则此电压将会传递到变压器中性点上,而变压器中性点可能耐受不住这样高的电压,因此,不能采用常规接线测量上节MOA 。
由于MOA 的阀片是非线性电阻,正、反向加压通过的电流一致,因此,可通过反向加压进行测量,即将MOA 首端通过毫安表接地,在上节MOA 末端施加直流电压。
这样,MOA 端部为低电位,CVT 及变压器均不受影响。
毫安表测量的仅为上节MOA 的电流值,因面测试结果准确、可靠。
防雷及接地工程施工作业指导书1 目的为规范防雷及接地工程的安装操作,有效防止和杜绝建筑物防直接雷击和安全事故的发生,确保桥架的正常使用,特制定本作业指导书。
2 适用范围本施工工艺标准适用于建筑物防雷接地、保护接地、工作接地、重复接地及屏蔽接地装置安装工程。
3术语定义无4职责4.1 机电部施工人员熟悉图纸、方案,并进行安全、技术交底。
4.2 安质部负责对所属工程防雷及接地工程的过程进行检查监督。
5 作业流程图6 作业标准6.1 准备工作6.1.1个人防护用品:工作服、防滑鞋、防护手套、粉末灭火器等。
6.1.2工具准备:手锤、钢钢锯、锯条、压力案子、铁锹、铁镐、大锤、夯桶,线坠、卷尺、大绳、粉线袋、绞磨(或倒链)、紧线器、电锤、冲击钻、电焊机、电焊工具等。
6.1.3材料准备:6.1.3.1镀锌钢材有扁钢、扁钢、圆钢、钢管等,使用时应意采用冷镀锌还是采用热镀锌材料,应符合设计规定。
产品应有材质检验证明及产品出厂合格证。
6.1.3.2镀锌辅料有铜丝(即镀锌铁丝)、螺栓、垫圈、弹簧垫圈、U型螺栓、元宝螺栓、支架等。
6.1.3.3电焊条、氧气、乙炔、沥青漆,混凝土支架,预埋铁件,小线,水泥,砂子,塑料管,红油漆、白油漆、防腐漆、银粉,黑色油漆等。
6.1.4作业条件:6.1.4.1接地体作业条件:6.1.4.1.1按设计位置清理好场地。
6.1.4.1.2底板筋与柱筋连接处已绑扎完。
6.1.4.1.3桩基内钢筋与柱筋连接处已绑扎完。
6.1.4.2接地干线作业条件:6.1.4.2.1支架安装完毕。
6.1.4.2.2保护管已预埋。
6.1.4.2.3土建抹灰完毕。
6.1.4.3支架安装作业条件:6.1.4.3.1各种支架已运到现场。
6.1.4.3.2结构工程已经完成。
6.1.4.3.3室外必须有脚手架或爬梯。
6.1.4.4防雷引下线暗敷设作业条件:6.1.4.4.1建筑物(或构筑物)有脚手架或爬梯,达到能上人操作的条件。
编号:QZ/ XX工程接地装置安装作业指导书
编写:年月日
审核:年月日
批准:年月日
作业负责人:
作业日期:年月日至年月日
XX公司
一、分项工程概况及工程量
二、分项工程的质量、环境、职业健康安全、文明施工指标
三、编制依据及引用文件
四、施工前准备工作安排4.1准备工作
4.2作业人员资格及职责
4.3设备、工具及检测器具
4.4材料
4.5危险源点分析
转下页
接上页
4.6环境因素分析
4.7 质量要求及工艺标准
五、工作程序5.1工艺流程图
5.2工作项目和操作标准
5、3 文明施工措施
5、4 成品保护措施
5、5成本降低措施
5、6验收
六、作业指导书执行情况评估。
接地装置预防性试验作业指导书一、试验目的接地装置是保障电气设备和人身安全的重要装置,为了确保接地装置的正常工作和可靠性,需要进行预防性试验。
本作业指导书旨在提供接地装置预防性试验的操作流程和注意事项,以确保试验的准确性和安全性。
二、试验范围本试验适合于各类接地装置,包括但不限于接地网、接地极、接地线等。
三、试验设备和工具1. 电阻测试仪:用于测量接地装置的电阻值。
2. 绝缘电阻测试仪:用于测量接地装置与其他设备或者结构之间的绝缘电阻。
3. 电流钳表:用于测量接地装置的接地电流。
4. 温度计:用于测量接地装置的温度。
5. 试验记录表格:用于记录试验过程和结果。
四、试验步骤1. 准备工作a. 确认试验范围和试验设备的准备情况。
b. 检查试验设备和工具的完好性和准确性。
c. 确保试验现场的安全,包括检查是否有危(wei)险物品和环境条件是否适宜进行试验。
2. 试验前准备a. 关闭并断开接地装置与电源的连接。
b. 清除接地装置表面的污物和杂物。
c. 检查接地装置的外观和连接部位是否有损坏或者松动。
3. 电阻测试a. 使用电阻测试仪测量接地装置的电阻值。
b. 每一个接地装置的电阻值应满足相关标准或者规范的要求。
4. 绝缘电阻测试a. 使用绝缘电阻测试仪测量接地装置与其他设备或者结构之间的绝缘电阻。
b. 绝缘电阻值应满足相关标准或者规范的要求。
5. 接地电流测试a. 使用电流钳表测量接地装置的接地电流。
b. 接地电流值应满足相关标准或者规范的要求。
6. 温度测试a. 使用温度计测量接地装置的温度。
b. 温度值应满足相关标准或者规范的要求。
7. 试验记录和报告a. 将试验结果记录在试验记录表格中,包括试验日期、试验人员、试验设备和工具、试验步骤和结果等。
b. 根据试验结果编写试验报告,包括试验目的、试验范围、试验步骤、试验结果和结论等。
五、注意事项1. 在进行试验前,必须确保试验现场的安全,包括检查是否有危(wei)险物品和环境条件是否适宜进行试验。
接地装置预防性试验作业指导书
1 适用范围
本作业指导书适用于广西电网公司管辖范围内接地装置预防性试验工作。
2 规范性引用文件
GB/T17949-2000 接地系统的土壤电阻率、接地阻抗和地面电位测量导则 DL/T 475-2006 接地装置特性参数测量导则
DL408-1991 电业安全工作规程发电厂和变电所电气部分
DL560-1995 电业安全工作规程高压试验室部分
DL/T621-1997 交流电气装置的接地
Q/GXD 126.01-2009 电力设备交接和预防性试验规程
3 支持性文件
厂家资料、说明书、交接试验报告及历次试验报告等。
4 作业准备
4.1 人员配备
4.2 技术资料
4.3 工器具、耗材及安全防护用品出工前一次性完成。
4.3.1 工器具及耗材
4.3.2 安全防护用品
4.3.3 仪器设备
5 作业周期
按 Q/GXD 126.01-2009《电力设备交接和预防性试验规程》进行。
6 作业流程作业流程见图 1。
图 1 作业流程图
7 安全风险及预控措施
备注:上表中空白处应根据现场危害辨识后相应补充其他风险及预控措施。
8 作业项目、方法及标准
9 作业中可能出现的问题及对策
10 试验记录
试验记录见附录 A 、 B 。
11回顾及改进
本作业指导书由使用单位针对执行情况按照每年一次进行总结回顾, 并提出改进或修订意见报广西电网公司生产技术部修编。
附录 A
接地装置电气完整性测试记录
记录人:审核人:
附录 B 接地阻抗测试记录接地装置名称接地网概况试验地点试验负责人试验仪器名称温度测试单位试验参加人试验仪器编号湿度试验日期引流点接地阻抗测试结果 Za:某一处电压极测得阻抗的平均值;测试方法测试方位 Z:在某一电压极处不同频率时测得的阻抗值(如果仪器不能显示某一频率的阻抗值,而。
是多个频率测试值的平均值,则该项可不填,直接填 Za 就可以了) GC (米) GP(米) f(Hz Z(Ω) Za(Ω)备注 6 试验结论相关记录:
对本作业指导书的建议:备注:记录人:审核人:。