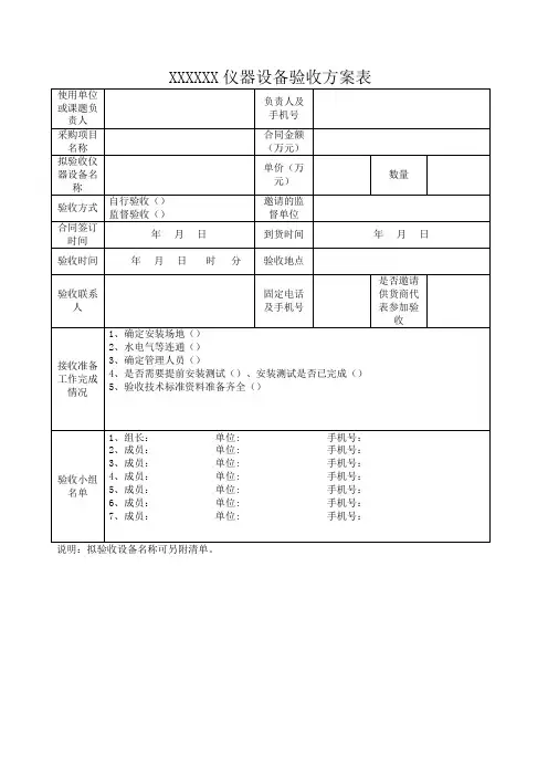
仪器设备验收记录表
- 格式:doc
- 大小:30.50 KB
- 文档页数:3
仪器设备档案(表格模板)
档案编号:XXYQ-01
仪器设备档案
设备名称:某某设备
设备编号:设备出厂编号/或管理自编号
仪器设备档案目录
表1 仪器设备验收记录表
表2 仪器设备档案
型号规格 生产厂家 出厂编号 启用日期 设备管理人
附件情况:
说明书
装箱单
合格证 配件 检定证书 保修卡
其它:
检定/自校情况: 合格 准用 停用
仪器设备目前状态: 在用 停用 报废
√ √
√
√
表3 仪器设备维护保养计划
计划制定人:计划批准人:
表4 仪器设备维护、维修记录表
仪器设备名称
管理编号
规格型号
维
护
记
录
维护人:日期:
损坏故障(失灵)改型改装
表5 仪器设备使用记录
(2)异常情况记录需记录停止使用时间和起用时间,并记录异常原因及状况。
附件一厂家说明书附件二安装地基图附件三电器原理图。
仪器设备校验记录一、校验目的仪器设备校验是指通过一系列的测试、检验和验证活动,确保仪器设备在正常工作状态下能够提供准确、可靠的测试结果和操作性能。
本次校验旨在确认仪器设备的性能指标是否符合规定要求,并进行必要的维护和保养工作,以保证其长期稳定运行。
二、校验内容1.仪器设备基本信息记录与核对通过查阅仪器设备台帐,核对仪器设备的型号、规格、出厂日期等基本信息,并与实际设备进行比对,确保记录准确无误。
2.仪器设备外观检查对仪器设备的外观进行全面检查,包括仪器设备是否存在损坏、污染、变形等情况,是否符合安全使用要求。
如发现问题,应及时进行维修或更换。
3.仪器设备功能验证按照仪器设备使用说明书和相关标准要求,进行仪器设备的功能验证,包括仪器设备的各项功能是否正常、灵敏度是否满足要求等。
如发现功能异常,应及时处理,并记录处理结果。
4.仪器设备性能测试使用标准样品进行仪器设备的性能测试,包括分辨率、准确度、重复性等指标的检验。
如发现性能指标不符合规定要求,应进行调整或维修,并记录处理结果。
5.仪器设备校准记录对仪器设备进行校准,并记录校准结果。
校准应按照相关方法和要求进行,如使用标准样品、校准器等进行校准。
校准记录应详细描述校准过程和结果,以备查阅。
6.仪器设备维护保养根据仪器设备的使用说明书和相关要求,进行仪器设备的维护保养工作,包括清洁、润滑、调整等。
维护保养记录应详细描述维护保养工作的内容和时间,以备查阅。
7.仪器设备安全评估对仪器设备的安全性能进行评估,包括仪器设备的电气安全、机械安全、防护性能等方面。
如发现安全隐患,应立即采取相应措施,确保仪器设备的安全使用。
三、校验结果及处理措施在进行仪器设备校验的过程中,应记录仪器设备的各项校验结果,并根据结果进行相应处理措施。
正常情况下,应标明仪器设备校验结果合格,可正常使用。
如发现仪器设备存在问题,应在记录中详细描述问题性质和处理措施,并进行维修、更换等操作。
实验室仪器设备使用记录表完整
实验室仪器设备使用记录表
以下是实验室仪器设备使用记录表,可供直接使用,也可以编辑成实用的优秀文档。
欢迎下载使用。
表格包括仪器名称、年份、起始时间和终止时间、测试项目数量、室温和相对湿度、仪器型号、环境条件、仪器状态、委托单号、仪器编号、所测样品和使用者签名。
在“仪器状态”下划“√”表示仪器运行正常,下划“×”表示异常。
异常情况需要在备注中注明。
仪器设备维护保养记录
以下是仪器设备维护保养记录表,编号为KSJT-QR5.4-03.表格包括设备名称、序号、维护日期、维护内容、编号、维护人和备注。
仪器设备维修单
以下是仪器设备维修单,编号为KSJT-QR5.4-04.表格包
括设备名称、报修部门、设备编号、报修日期、故障发生经过、维修原因、报修人、维修单位、包括修理费和结论、维修情况、设备管理员、部门意见、部门负责人、审批意见、维修日期、技术负责人和验收意见。
验收意见包括检定/校准和功能检查
情况。
仪器设备维护保养记录表
以下是妇幼保健计划生育服务站的仪器设备维护保养记录表,设备名称为迈瑞LGxxxxxxxxB超机。
仪器设备验收报告模板仪器设备的验收是保证医院医疗仪器设备质量的第一步。
验收的程序是否有序、完整关系着验收结果是否合格。
本文是学习啦小编为大家整理的仪器设备验收报告模板,仅供参考。
设备名称 ______________________规格、型号______________________使用单位_______________________验收负责人 _______________________年月日验收报告_____________于____年____月____日购买______________的____________仪器(或设备),价值_________,合同号是__________。
该设备于____年____月____日到货。
经供货方______来校安装调试。
各项指标,均达到合同要求,运行至今,设备一切正常,性能良好,验收合格。
特此说明。
订购单位(盖章) 验收人:年月日设备经费来源:合同金额:供货商:一.实物清单及技术指标二.验收记录安装调试完毕后,对设备进行测试和实验的详细验收记录如下:设备A验收记录1、操作步骤与方法、操作结果设备B验收记录1、操作步骤与方法、操作结果……(每类设备需单独给出验收记录)三.验收结论:通过上述测试和实验证明,XXX等设备数量与合同一致,且性能良好,运行正常,各项技术指标达到标准,符合相关实验要求,验收合格。
四.验收人签字 XX学院:XX学院:XX学院:供应商:实验室及设备管理处:监察处、审计处:计划财务处:学科发展与建设处(211项目、985项目需此栏)五.验收时间年月日项目名称:合同编号:验收报告承制单位:使用单位:日期:设备验收报告用户单位:xxxxxxxxxxxxx供货单位:xxxxxxxxxxx验收日期:验收地点:一、设备内容:二、验收情况:用户单位(签字)盖章:供货单位(签字)盖章:验收组成员:验收组成员:验收日期:年月日验收日期:年月日 (附整套设备组件清单) 附一:设备组件清单表。
仪器设备验收单第一篇:仪器设备验收单设备移交/验收证书End-user最终用户:Equipment1:设备名称1:Equipment2:设备名称2:Equipment3:设备名称3:Equipment3:设备名称3:Equipment3:设备名称3:Acceptance Date:验收日期:Unit Serial No.& K No.出厂序号及机器编号:Unit Serial No.& K No出厂序号及机器编号:Unit Serial No.& K No 出厂序号及机器编号: Unit Serial No.& K No 出厂序号及机器编号: Unit Serial No..& K No 出厂序号及机器编号:The warranty commences on signed date for a period of 12 months from acceptable date.最终用户享有验收签字之日起12个月保修。
Outstandingyes□no□ 未尽事宜:有无If yes please notes:如有请说明:Signature of End-user:最终用户签章:Signature of Installation Engineer:安装工程师签字/日期第二篇:工程项目验收单**县项目验收单项目名称:地址:资金类别:合同编号:一、项目工程量计算:单位数量单价合价备注二、应付工程结算金额三、自筹资金四、工程效益五、开工及完工日期六、工程验收结论工程施工负责人(签字)项目主管部门(签字)工程技术人员(签字)(签章)工程行政负责人(签字)****年**月**日专项资金报帐审批表填报日期:****年**月**日金额单位:元申请单位(盖章)负责人电话项目名称项目文号项目地点投资总额施工单位工期****年**月**日至****年**月**日收款帐号(开户行)累计拨款本次报帐累计报帐具体项目概况及进度施工签字(盖章):经办人签字(盖章):财务主管签字(盖章):验收方签字(盖章):单位领导意见:纪检组长意见:说明:1、此表投资总额仅指各级财政专项资金,不包含自筹部分。