钢结构防腐涂料涂装工程检验批验收记录
- 格式:doc
- 大小:54.00 KB
- 文档页数:4
钢结构工程检验批质量验收记录表
施工测量放线报验单工程名称:贡山县丹当公园修复(二期)工程
土方开挖工程检验批质量验收记录表TJ4.1.1
钢结构零件及部件加工工程检验批质量验收记录
GB50202-2001
钢结构零件及部件加工工程检验批质量验收记录
GB 50205-2001
钢结构防火涂料涂装工程检验批质量验收记录
钢结构制作(安装)焊接检验批质量验收记录
钢构件(钢梯、平台及栏杆)安装检验批质量验收记录表
T
防腐涂料涂装检验批质量验收记录表
技术交底记录GJ1.4
注:本记录一式两份,一份交接受交底人,一份存档。
结构工程质量控制资料核查表GJ1.7
钢结构工程观感质量检查记录GJ1.9
焊缝检查记录GJ2.3.1(通用表)(强制性条文检查通用表)。
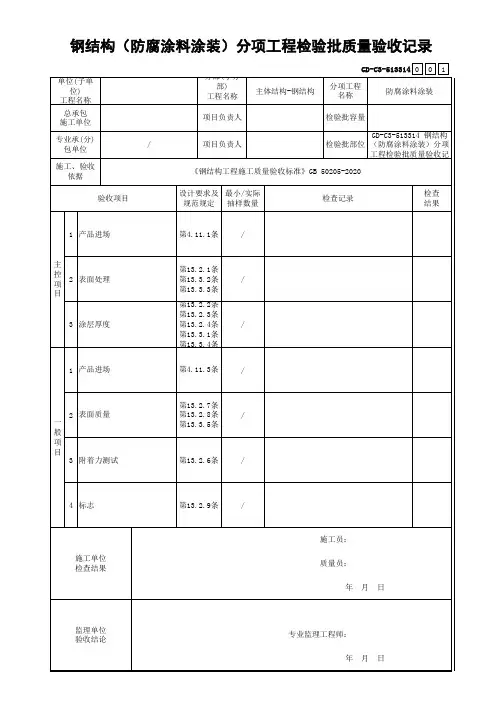
钢结构防腐涂料涂装工程检验批质量验收记录
单位(子单位)工程名称
分项工程名称
验收部位 施工单位 项目经理 分包单位
分包项目经理
施工执行标准名称及编号
《钢结构施工质量验收规范》(GB50205-2002)
施工质量验收规范的规定 施工单位检查评定记录
监理(建设)
单位验收记录 主控
项
目 1
涂料性能
第4.9.1条 √
2 涂装基层验收 第14.2.1条 √
3 涂层厚度 第14.2.2条 √ 一
般项目 1 涂料质量 第4.9.3条 √
2 表面质量 第14.2.3条 √
3 附着力测试 第14.2.4条 √ 4
标志
第14.2.5条
√
施工单位检查评定结果:
主控项目合格,一般项目符合设计要求。
专业质量检查员(签字): 年 月 日
施工单位
监理(建设)单位
施工员(签字) 专业监理工程师/建设单位代表(签字):
年 月 日
技术员(签字) 施工班组(签字)。
钢构件检验批质量验收记录日期:xxxx年xx月xx日施工单位:xxxx公司监理单位:xxxx公司检验单位:xxxx检验有限公司一、检验目的和依据为确保施工过程中钢构件的质量符合设计和施工规范要求,特进行质量验收检验。
本次检验依据以下文件进行:1.《钢结构工程施工及质量验收规范》2.《钢结构工程质量验收标准》3.《钢结构工程施工图》4.《钢结构施工方案》二、检验内容和方法1.检验内容包括但不限于:a)钢构件的制造工艺、焊缝质量、尺寸精度等;b)钢构件的材料、表面处理、防腐涂装等;c)钢构件的连接方式、连接质量等。
2.检验方法:a)视觉检查:通过目测和放大镜等方法,检查钢构件的表面质量、瑕疵等;b)测量检查:通过量具和测量仪器,测量钢构件的尺寸精度、焊缝几何尺寸等;c)物理性能测试:对钢构件的材料进行拉伸试验、冲击试验等;d)化学成分分析:对钢构件的材料进行化学成分分析,检验其合格性;e)厚度测量:使用探伤仪等设备,检测钢构件的防腐涂层和涂装厚度。
三、检验结果和评定1.钢构件的制造工艺、焊缝质量和尺寸精度等全部符合设计和施工规范要求。
2.钢构件的材料合格,并进行了表面处理和防腐涂装工作,防腐涂层厚度均符合要求。
3.钢构件的连接方式和连接质量均符合设计和施工规范要求。
四、存在的问题和改进措施1.部分钢构件表面存在轻微划痕和氧化现象,需要进行维护工作,保证表面不受腐蚀影响。
2.部分焊缝在非关键位置存在焊道宽度过大的情况,需要进行修整,以提高焊缝的美观度和强度。
3.部分钢构件尺寸精度略有偏差,需要在安装过程中进行调整和修正,以保证整体施工精度。
五、验收结论和意见根据钢构件的质量验收检验结果和存在问题,对施工单位提出以下意见:1.加强钢构件的表面维护工作,保证其在使用过程中不受腐蚀影响。
2.在焊接工作过程中,严格控制焊缝的宽度,提高焊缝的质量和美观度。
3.在制造和安装过程中,加强尺寸精度的控制,保证钢构件在施工中的稳定性和精度要求。
钢结构工程检验批质量验收记录(工程技术)一、项目背景本次钢结构工程位于某城市的商业综合体项目中,总占地面积约5000平方米,包括地下两层和地上五层的建筑。
钢结构是整个建筑的主要承重结构,其质量验收对于保证建筑安全和工程质量具有重要意义。
二、检验批信息检验批名称:钢结构工程检验日期:2022年5月15日检验批编号:GJ建设单位:XXX有限公司监理单位:XXX监理有限公司施工单位:XXX建筑工程有限公司三、检验内容根据工程进度及施工图纸要求,本次钢结构工程检验批的验收内容包括以下几项:1. 钢结构材料检验:对钢材的规格、型号、强度等进行检查,确保其符合设计要求;2. 焊接工艺检验:对焊缝的焊接工艺进行检验,包括焊接电流、焊接参数等;3. 钢结构安装质量检验:对钢结构的安装过程进行检查,包括对节点连接、构配件的检验;4. 防腐防锈处理检验:对钢结构表面的防腐防锈处理进行检验,确保其达到设计要求;5. 钢结构尺寸检验:对钢结构的尺寸进行检验,包括长度、宽度、高度等尺寸准确性的检查。
四、验收方法钢结构工程的验收根据国家相关标准和规范进行,具体验收方法如下:1. 材料检验:抽查材料的样品,进行外观质量、尺寸和力学性能测定;2. 焊接工艺检验:抽查焊接接头,进行焊缝的可视检查和无损检测;3. 安装质量检验:通过抽样检查、现场抽查等方式进行安装质量检验;4. 防腐防锈处理检验:对钢结构表面进行目测和检测,确保防腐防锈层完好;5. 尺寸检验:对钢结构的尺寸进行测量、检查,确保与设计要求一致。
五、验收结果经过以上检验内容的检查,本次验收结果如下:1. 钢结构材料检验合格,各项指标符合设计要求;2. 焊接工艺检验合格,焊缝质量良好,无明显缺陷;3. 钢结构安装质量检验合格,节点连接牢固,构配件符合要求;4. 防腐防锈处理检验合格,钢结构表面防腐防锈层完好;5. 钢结构尺寸检验合格,各项尺寸准确性符合设计要求。
六、问题记录与改进措施在本次验收过程中,未发现任何问题和不合格项。
涂料防腐蚀检验批质量验收记录涂料防腐蚀是一项重要的工程质量验收工作,在项目竣工后,通过对涂料防腐蚀的检验批进行质量验收记录,可以确保工程的防腐蚀质量达到设计要求,并为工程的后续维护提供参考依据。
下面我将详细介绍涂料防腐蚀检验批质量验收记录的内容和要点。
1.工程简介:记录该涂料防腐蚀工程的基本信息,包括项目名称、施工地点、施工单位、监理单位等。
2.检验批信息:对涂料防腐蚀工程进行分批检验,每一批次的涂料防腐蚀工作都需要进行单独记录。
记录包括检验批序号、涂装部位、涂料种类、施工日期、检验日期等。
3.技术要求:涂料防腐蚀工程的质量验收必须按照设计以及规范的技术要求进行。
记录工程所采用的涂料品牌、涂料种类、厚度要求、涂装工艺等技术要求。
4.检验项目:涂料防腐蚀质量验收需要对涂料的质量进行全面检验。
记录检验项目,包括涂层厚度、附着力、硬度、耐热性、耐污染性、耐碱性、耐酸洗性等。
5.检验方法:涂料防腐蚀质量验收需要使用合适的检验方法。
记录所采用的检验方法,包括涂层厚度测量仪器、附着力测试仪器、硬度计、耐热性测试方法等。
6.检验结果:记录每项检验项目的检验结果,包括涂层的厚度、附着力等指标,以及是否符合技术要求。
7.质量整改:如果在质量验收中发现涂料防腐蚀工程存在质量问题,需要对问题进行整改。
记录整改措施和整改结果。
8.备注:记录涂料防腐蚀质量验收过程中的一些特殊情况和需要说明的事项。
1.对涂料防腐蚀工程进行分批次检验,每一批次的检验都需要单独记录。
2.确定检验项目和方法后,按照要求进行检验。
记录检验结果,包括涂层的厚度、附着力等指标。
3.如果在质量验收中发现涂料防腐蚀工程存在质量问题,需要记录整改措施和整改结果。
4.注意记录检验中的一些特殊情况和需要说明的事项,包括涂装工艺中的难点和注意事项等。
5.质量验收记录要保证真实、准确、完整,记录中的各项数据必须符合实际情况,并经得起核查。
涂料防腐蚀检验批质量验收记录的编写要严谨、详细、全面,可为工程的后续维护提供重要参考信息。
钢结构工程有关安全及功能的检验和见证检测项目钢结构分部(子分部)工程有关安全及功能的检验和见证检测项目按下表规定进行。
钢结构分部(子分部)工程有关安全及功能的检验和见证检测项目注:以上所指规范皆为GB50205--2001 《钢结构工程施工质量验收规范》钢结构工程有关观感质量检查项目钢结构部分(子分部)工程观感质量检查项目按以下表规定进行注:以上所指规范皆为GB50205-—2001 《钢结构工程施工质量验收规范》钢结构分项工程检验批验收质量验收记录表钢结构(钢构件焊接)分项工程检验批质量验收应按下表进行记录。
注:以上所指规范皆为GB50205——2001《钢结构工程施工质量验收规范》钢结构(焊钉焊接)分项工程检验批质量验收应按下表进行记录钢结构(焊钉焊接)分项工程检验批质量验收记录注:以上所指规范皆为GB50205--2001 《钢结构工程施工质量验收规范》钢结构(普通紧固件连接)分项工程检验批质量验收应按下表进行记录。
钢结构(普通紧固件连接)分项工程检验批质量验收记录注:以上所指规范皆为GB50205—-2001 《钢结构工程施工质量验收规范》钢结构(构件组装)分项工程检验批质量验收应按表进行记录。
注:以上所指规范皆为GB50205——2001 《钢结构工程施工质量验收规范》钢结构(预拼装)分项工程检验批质量验收应按下表进行记录。
注:以上所指规范皆为GB50205——2001 《钢结构工程施工质量验收规范》钢结构(单层结构安装)分项工程检验批质量验收应按下表进行记录。
注:以上所指规范皆为GB50205--2001 《钢结构工程施工质量验收规范》钢结构(多层及高层结构安装)分项工程检验批质量验收应按下表进行记录。
钢结构(网架结构安装)分项工程检验批质量验收应按下表进行记录.钢结构(压型金属板)分项工程检验批质量验收应按下表进行记录。
注:以上所指规范皆为GB50205——2001《钢结构工程施工质量验收规范》钢结构(防腐涂料涂装)分项工程检验批质量验收应按下表进行记录。
钢结构制作检验批质量验收记录一、项目背景及目的钢结构制作是现代建筑中常见的一种结构形式,其质量的验收对于工程的安全性和稳定性至关重要。
本文档旨在记录钢结构制作过程中的质量验收情况,以确保整个项目符合相关的规范和标准。
二、验收标准和要求1.国家钢结构制作和验收标准:根据国家相关标准进行验收,包括结构强度、连接质量、焊缝质量等。
2.设计图纸和规范:根据设计图纸和相关规范进行验收,包括尺寸、焊接方法、材料规格等方面的要求。
3.施工合同要求:根据施工合同的约定进行验收,包括工期、质量要求等方面的要求。
三、验收流程1.钢材验收:对钢材进行验收,包括材质、规格、外观等方面的检查,确保材质符合设计要求。
2.原材料加工验收:对原材料进行验收,包括切割、钻孔等加工工艺的检查,确保加工质量符合相关要求。
3.焊接工序验收:对焊接工序进行验收,包括焊接接头的质量、焊丝的使用情况等方面的检查,确保焊接质量符合标准。
4.防腐处理验收:对防腐处理工艺进行验收,包括表面处理、涂层质量等方面的检查,确保防腐质量符合要求。
5.构件安装验收:对构件安装工序进行验收,包括构件位置、固定方式等方面的检查,确保安装质量符合相关标准。
6.整体验收:对整体钢结构进行综合验收,包括结构强度、稳定性、外观等方面的检查,确保钢结构符合设计要求和行业标准。
四、验收记录1.验收时间:记录每个验收工序的具体日期和时间。
2.验收人员:记录参与验收的人员,包括质检人员、施工人员等。
3.验收内容:对每个验收工序进行详细描述,包括所检查的项目、检查结果等。
4.验收结论:对每个验收工序的结果进行总结,包括合格、不合格等。
五、不合格处理1.不合格处理措施:对于不合格的项目,记录相应的处理措施,包括修复、更换等。
2.复验:对经过处理的不合格项目进行复验,确认是否符合要求。
3.验收合格后再施工:只有在全部验收合格后,可以进行下一步的施工工序。
六、验收结果根据以上的验收流程和记录,验证整个钢结构制作过程中的质量验收情况。
钢网架构件表面除锈隐蔽工程检查验收记录编号:01-18单位(子单位)工程名称新建合肥至福州铁路(安徽段)铜陵北站分部(子分部)工程名称钢结构分部工程项目经理刘永峰施工单位中铁建工集团有限公司验收部位4-11轴网架杆件、支座、支托表面除锈施工图号钢结构ST-200施工执行标准名称及编号《钢结构工程施工质量验收规范》GB50205-2001分项工程名称/检验批编号防腐涂料涂装分项联系编号或日期年月号检查项目检查情况说明或简图:根据图纸钢结构设计总说明:1.构件制作完毕,应将表面长刺、油污及附着物清除干净,采用喷砂或抛丸进行表面除锈处理,除锈等级为Sa2 1/2级。
其质量等级应符合《涂装前钢材表面锈蚀等级和除锈等级》(GB8923-88)的规定。
1、钢构件表面长刺清除干净符合要求2、钢构件表面油污清除干净符合要求3、钢构件表面附着物清除干净符合要求检查验收意见施工单位项目专业质量检查员(签名):项目专业技术负责人(签名):年月日专业监理工程师:(建设单位项目专业技术负责人)年月日钢网架马道构件表面除锈隐蔽工程检查验收记录编号:01-18单位(子单位)工程名称新建合肥至福州铁路(安徽段)铜陵北站分部(子分部)工程名称钢结构分部工程项目经理刘永峰施工单位中铁建工集团有限公司验收部位4-11轴网架马道构件表面除锈施工图号钢结构ST-200施工执行标准名称及编号《钢结构工程施工质量验收规范》GB50205-2001分项工程名称/检验批编号防腐涂料涂装分项联系编号或日期年月号检查项目检查情况说明或简图:根据图纸钢结构设计总说明:1.构件制作完毕,应将表面长刺、油污及附着物清除干净,采用喷砂或抛丸进行表面除锈处理,除锈等级为Sa2 1/2级。
其质量等级应符合《涂装前钢材表面锈蚀等级和除锈等级》(GB8923-88)的规定。
1、钢构件表面长刺清除干净符合要求2、钢构件表面油污清除干净符合要求3、钢构件表面附着物清除干净符合要求检查验收意见施工单位项目专业质量检查员(签名):项目专业技术负责人(签名):年月日专业监理工程师:(建设单位项目专业技术负责人)年月日钢网架构件底漆涂装隐蔽工程检查验收记录编号:01-18单位(子单位)工程名称新建合肥至福州铁路(安徽段)铜陵北站分部(子分部)工程名称钢结构分部工程项目经理刘永峰施工单位中铁建工集团有限公司验收部位4-11轴网架杆件、支座、支托底漆涂装施工图号钢结构ST-200施工执行标准名称及编号《钢结构工程施工质量验收规范》GB50205-2001分项工程名称/检验批编号防腐涂料涂装分项联系编号或日期年月号检查项目检查情况说明或简图:根据图纸钢结构设计总说明:本工程防腐涂层设计使用年限为25年,采用下列配套方案以满足要求:网架构件涂装环氧富锌底漆干漆膜厚度(μm)70(2×35)。