手机充电电路
- 格式:docx
- 大小:275.36 KB
- 文档页数:16
手机充电器的电路原理手机充电器是我们日常生活中必不可少的电子设备之一,它充分利用电路原理,将电能转化为手机所需的直流电能,为我们的手机充电。
本文将探讨手机充电器的电路原理及其工作过程。
一、直流电与交流电之间的转换手机充电器的电路原理首先涉及到直流电与交流电之间的转换。
电网供应的是交流电,而手机所需的是直流电。
因此,手机充电器的任务就是将交流电转换为直流电,以供手机使用。
在手机充电器中,存在一个重要的元件——变压器。
变压器具有将电压从交流电源端降压或升压的作用。
在手机充电器中,变压器主要起到降压的作用,将电网的交流电降压到手机所需的合适电压。
二、整流电路的作用正常情况下,手机的电池需要直流电进行充电。
然而,交流电经过变压器后仍然是交流电。
因此,手机充电器中还需一个重要的元件——整流器,用于将交流电转换为直流电。
整流是将交流电信号转换为单向电信号的过程。
在手机充电器中,使用的是整流电路,它可以将交流信号的负半周部分去除,只保留正半周部分,从而得到单向的直流电信号。
三、滤波电路的作用在经过整流电路后,产生的直流电仍然存在一些脉动。
手机充电器的电路原理中还包括一个滤波电路,用于去除这些脉动,使得输出的直流电更加稳定。
滤波电路通常采用电容器进行构建。
电容器具有储存电荷的特性,它能够吸收脉动电流并释放稳定的直流电流,从而实现对直流电信号的平滑调节。
四、稳压电路的作用在手机充电器的电路原理中,还有一个重要的元件——稳压器,用于稳定输出的直流电压。
稳压器可以抵消电源电压波动、负载变化等因素对输出电压的影响,从而确保手机充电时电压始终保持稳定。
稳压器通常采用集成电路的形式。
通过对输入电压进行采样并进行反馈控制,稳压器可以自动调节输出电压的大小,保持恒定。
这样,手机充电器就能够准确地提供所需的电压,以保证手机安全充电。
五、保护电路的作用在手机充电器的电路原理中,还有一个必不可少的部分——保护电路。
保护电路可以监测充电过程中的电流和电压,并根据需要进行调节,以保护手机免受过电流、过电压等不良因素的影响。
专门找了几个例子,让大家看看。
自己也一边学习。
分析一个电源,往往从输入开始着手。
220V交流输入,一端经过一个4007半波整流,另一端经过一个10欧的电阻后,由10uF电容滤波。
这个10欧的电阻用来做保护的,如果后面出现故障等导致过流,那么这个电阻将被烧断,从而避免引起更大的故障。
右边的4007、4700pF电容、82KΩ电阻,构成一个高压吸收电路,当开关管13003关断时,负责吸收线圈上的感应电压,从而防止高压加到开关管13003上而导致击穿。
13003为开关管(完整的名应该是MJE13003),耐压400V,集电极最大电流1.5A,最大集电极功耗为14W,用来控制原边绕组与电源之间的通、断。
当原边绕组不停的通断时,就会在开关变压器中形成变化的磁场,从而在次级绕组中产生感应电压。
由于图中没有标明绕组的同名端,所以不能看出是正激式还是反激式。
不过,从这个电路的结构来看,可以推测出来,这个电源应该是反激式的。
左端的510KΩ为启动电阻,给开关管提供启动用的基极电流。
13003下方的10Ω电阻为电流取样电阻,电流经取样后变成电压(其值为10*I),这电压经二极管4148后,加至三极管C945的基极上。
当取样电压大约大于1.4V,即开关管电流大于0.14A时,三极管C945导通,从而将开关管13003的基极电压拉低,从而集电极电流减小,这样就限制了开关的电流,防止电流过大而烧毁(其实这是一个恒流结构,将开关管的最大电流限制在140mA左右)。
变压器左下方的绕组(取样绕组)的感应电压经整流二极管4148整流,22uF电容滤波后形成取样电压。
为了分析方便,我们取三极管C945发射极一端为地。
那么这取样电压就是负的(-4V左右),并且输出电压越高时,采样电压越负。
取样电压经过6.2V稳压二极管后,加至开关管13003的基极。
前面说了,当输出电压越高时,那么取样电压就越负,当负到一定程度后,6.2V稳压二极管被击穿,从而将开关13003的基极电位拉低,这将导致开关管断开或者推迟开关的导通,从而控制了能量输入到变压器中,也就控制了输出电压的升高,实现了稳压输出的功能。
手机充电器的电路原理手机充电器是一种将交流电转换为手机所需直流电的电子设备。
其工作原理涉及到交流转直流、变压、电压稳定等关键电路。
手机充电器的主要工作原理是通过变压器将交流电转换为较低电压的交流电,然后通过整流电路将交流电转换为直流电,最后通过电压稳定电路将输出电压稳定在合适的范围内。
变压器是充电器中最关键的部件之一。
它由一个铁芯和两个线圈组成,一个被称为主线圈,另一个被称为辅助线圈。
当主线圈中通有交流电时,铁芯会产生磁场,这个磁场通过铁芯传递给辅助线圈,从而使辅助线圈中产生电流。
由于主线圈和辅助线圈的匝数不同,因此变压器可以实现输入电压和输出电压的变换。
在手机充电器中,输入电压通常为220V,而输出电压通常为5V。
整流电路是将交流电转换为直流电的关键部分。
它通过一系列的二极管或整流桥来实现。
当输入交流电通过二极管或整流桥时,它们会将负半周的电流方向反转,使得输出电流变成单向的直流电。
这种变换的过程可以通过使用整流桥来实现全波整流,或者使用两个二极管来实现半波整流。
电压稳定电路是将输出电压稳定在合适范围内的关键部分。
由于电网电压的波动或负载变化,输出电压可能会有一定的波动。
为了解决这个问题,充电器通常会采用电容器滤波。
电容器可以平滑输出电压的波动,使其保持在稳定的范围内。
此外,稳压电路还可以通过负反馈控制输出电压的稳定性。
当输出电压变化时,负反馈电路将检测到这一变化,并通过调整控制元件(如稳压管)的导通状态来控制输出电压的稳定性。
此外,充电器还包含一些保护电路,用于保护充电器和手机的安全。
例如,过流保护电路可以检测到输出电流超过一定限制时,立即切断电源以防止损坏。
过热保护电路可以检测到温度超过一定限制时,同样切断电源。
这些保护电路保证了充电器和手机在使用过程中的安全性。
综上所述,手机充电器的工作原理主要涉及到变压、整流和稳压等关键电路。
通过变压器将交流电转换为较低电压的交流电,然后通过整流电路将交流电转换为直流电,最后通过电压稳定电路将输出电压稳定在合适的范围内。
快充电路原理最近在研究快充电路原理,发现了一些有趣的原理,今天就来和大家好好聊聊。
你们有没有这样的经历,手机没电了,用普通充电器充电感觉要等很久很久才能充满,但是一换上快充充电器,那速度就像是开上了高速,一会儿电量就蹭蹭往上涨。
这可就大有学问在里头了。
快充电路原理嘛,很关键的一点就是提高充电功率。
咱们在初中物理都学过功率这个概念,功率就等于电压乘以电流(P = UI)。
想象一下,充电就像是往一个水池里注水,如果水龙头出水量(电流)大,水压(电压)也大,那这个水池肯定就很快能被注满对不对?快充电路就是玩转这个公式。
这就要说到快充技术的不同实现方式啦。
有些快充技术是提高电压的。
比如说,普通充电器的输出电压是5V,快充充电器可能会提高到9V或者12V甚至更高呢。
打个比方,就好比平常送外卖只能骑小电驴慢慢送(普通电压下的充电速度),但是现在有了汽车可以高速配送(提高电压后的充电),肯定配送(充电)速度就更快啦。
但是这里面也有个问题,就是如果接收电量的设备(比如手机电池)不能承受高电压,那就像是小水管去接大水枪喷出来的水,容易出问题。
所以手机里需要有专门的电路系统来对高电压进行处理,转化成电池能够接受的低电压。
另外还有一种方式,就是在保持电压基本不变的情况下,增大电流。
这就好比原来是一个小吸管在吸水(小电流充电),现在变成了粗吸管(大电流充电),速度能不快吗?不过这种方式对充电线路的要求就比较高,毕竟大电流通过线路时就像很多人同时走一个狭窄的通道,容易出现拥堵(发热等问题),所以需要比较粗壮抗造的电线。
在实际应用中,你看现在很多手机都支持快充了。
这大大节省了大家的充电时间,特别是对于那些忙忙碌碌,手机不离手的现代人来说,真的是太实用了。
老实说,我一开始也不明白为什么快充不会对电池造成很大伤害。
按照咱们的理解,这么大电流、高电压冲进去,电池怎么受得了呢?后来深入学习才知道,好的快充电路里头还有很多精妙的设计,像是智能控制芯片,它能监测电池的充电状态,根据电池的温度、电量等情况来动态调整充电的电压和电流。
手机充电电路维修教程手机充电电路维修教程手机充电电路是我们平常使用手机过程中非常重要的一个组成部分,它主要负责将电源电压转换成适合手机充电的电压。
在日常使用中,由于各种原因,手机充电电路可能会出现故障,导致手机无法正常充电。
下面将介绍手机充电电路维修的基本步骤。
第一步:排除外部故障当发现手机无法正常充电时,首先要排除外部故障的可能性。
首先检查手机的充电线是否损坏,可以尝试更换一根新的充电线进行测试。
如果更换充电线后仍然无法正常充电,那么可以考虑是充电插头的问题,检查充电插头是否有松动或者损坏的情况。
如果以上都没有发现问题,那么问题很可能出现在手机充电电路内部。
第二步:确认电池是否损坏电池也是手机充电电路中的一个重要组成部分,如果电池损坏,可能会导致手机无法正常充电。
首先需要检查电池是否有明显的变形、漏液或者短路的现象。
如果电池没有问题,那么可以尝试更换一块新的电池进行测试。
如果更换电池后手机依然无法正常充电,那么问题很可能出现在充电电路中。
第三步:检查充电接口手机充电接口是充电电路的关键部分,需要确保其正常工作。
首先需要检查充电接口内部是否有杂物堆积或者氧化现象,这些可能导致接触不良,影响充电效果。
如果发现接口内脏,可以用专用刷子清理,并使用酒精擦拭。
此外,还需要检查充电接口是否有松动或者断开的情况,可以用万用表进行测量来确认。
第四步:测量电压和电流如果以上步骤都没有找到问题,那么可以通过测量电压和电流来进一步排查故障。
首先需要准备一个数字万用表,将其拨至电压或者电流档位。
然后将手机充电线插入手机的充电口和电源插头之间,并将万用表的正负极依次与充电口和电源插头的金属触点相连,记录下测量结果。
根据测量结果,可以判断是充电线、充电插头还是充电接口出现了问题。
第五步:修理或更换损坏的元件根据前面的排查,如果确定手机充电电路出现了故障,那么可以尝试修理或者更换损坏的元件。
对于修理,可以使用微焊工具进行焊接操作,将损坏的焊点重新焊接起来。
手机充电器电路原理图分析对于市场上到处可见的手机充电器,万能充不断的增多,但质量又不是很高,经常会出现问题,扔了可惜,故教大家几招分析手机充电器原理的分析,希望能给大家修理带来些帮助。
分析一个电源,往往从输入开始着手。
220V交流输入,一端经过一个4007半波整流,另一端经过一个10欧的电阻后,由10uF电容滤波。
这个10欧的电阻用来做保护的,如果后面出现故障等导致过流,那么这个电阻将被烧断,从而避免引起更大的故障。
右边的4007、4700pF电容、82KΩ电阻,构成一个高压吸收电路,当开关管13003关断时,负责吸收线圈上的感应电压,从而防止高压加到开关管13003上而导致击穿。
13003为开关管(完整的名应该是MJE13003),耐压400V,集电极最大电流1.5A,最大集电极功耗为14W,用来控制原边绕组与电源之间的通、断。
当原边绕组不停的通断时,就会在开关变压器中形成变化的磁场,从而在次级绕组中产生感应电压。
由于图中没有标明绕组的同名端,所以不能看出是正激式还是反激式。
不过,从这个电路的结构来看,可以推测出来,这个电源应该是反激式的。
左端的510KΩ为启动电阻,给开关管提供启动用的基极电流。
13003下方的10Ω电阻为电流取样电阻,电流经取样后变成电压(其值为10*I),这电压经二极管4148后,加至三极管C945的基极上。
当取样电压大约大于1.4V,即开关管电流大于0.14A时,三极管C945导通,从而将开关管13003的基极电压拉低,从而集电极电流减小,这样就限制了开关的电流,防止电流过大而烧毁(其实这是一个恒流结构,将开关管的最大电流限制在140mA左右)。
变压器左下方的绕组(取样绕组)的感应电压经整流二极管4148整流,22uF电容滤波后形成取样电压。
为了分析方便,我们取三极管C945发射极一端为地。
那么这取样电压就是负的(-4V左右),并且输出电压越高时,采样电压越负。
取样电压经过6.2V稳压二极管后,加至开关管13003的基极。
手机充电器电路原理图及充电器的安全标准分析一个电源,往往从输入开始着手。
220V交流输入,一端经过一个4007半波整流,另一端经过一个10欧的电阻后,由10uF电容滤波。
这个10欧的电阻用来做保护的,如果后面出现故障等导致过流,那么这个电阻将被烧断,从而避免引起更大的故障。
右边的4007、4700pF电容、82KΩ电阻,构成一个高压吸收电路,当开关管13003关断时,负责吸收线圈上的感应电压,从而防止高压加到开关管13003上而导致击穿。
13003为开关管(完整的名应该是MJE13003),耐压400V,集电极最大电流1.5A,最大集电极功耗为14W,用来控制原边绕组与电源之间的通、断。
当原边绕组不停的通断时,就会在开关变压器中形成变化的磁场,从而在次级绕组中产生感应电压。
由于图中没有标明绕组的同名端,所以不能看出是正激式还是反激式。
不过,从这个电路的结构来看,可以推测出来,这个电源应该是反激式的。
左端的510KΩ为启动电阻,给开关管提供启动用的基极电流。
13003下方的10Ω电阻为电流取样电阻,电流经取样后变成电压(其值为10*I),这电压经二极管4148后,加至三极管C945的基极上。
当取样电压大约大于1.4V,即开关管电流大于0.14A时,三极管C945导通,从而将开关管13003的基极电压拉低,从而集电极电流减小,这样就限制了开关的电流,防止电流过大而烧毁(其实这是一个恒流结构,将开关管的最大电流限制在140mA左右)。
变压器左下方的绕组(取样绕组)的感应电压经整流二极管4148整流,22uF电容滤波后形成取样电压。
为了分析方便,我们取三极管C945发射极一端为地。
那么这取样电压就是负的(-4V左右),并且输出电压越高时,采样电压越负。
取样电压经过6.2V稳压二极管后,加至开关管13003的基极。
前面说了,当输出电压越高时,那么取样电压就越负,当负到一定程度后,6.2V 稳压二极管被击穿,从而将开关13003的基极电位拉低,这将导致开关管断开或者推迟开关的导通,从而控制了能量输入到变压器中,也就控制了输出电压的升高,实现了稳压输出的功能。
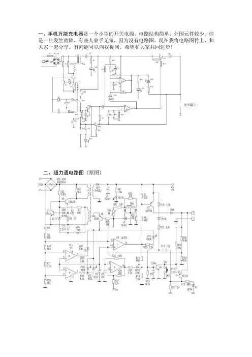
一、手机万能充电器是一个小型的开关电源,电路结构简单,外围元件较少。
但是一旦发生故障,有些人束手无策,因为没有电路图。
现在我将电路图传上,和大家一起分享。
有问题可以向我提问。
希望和大家共同进步!二、超力通电路图(原图)三、我修改过的图纸(我认为原图可能有错误)四、超力通电路原理该充电器具有镍镉、镍氢、锂离子电池充电转换开关,并具有放电功能。
在150~250V、40mA的交流市电输入时,可输出300±50mA的直流电流。
该充电器采用了RCC型开关电源,即振荡抑制型变换器,它与PWM型开关电源有一定的区别。
PWM型开关电源由独立的取样误差放大器和直流放大器组成脉宽调制系统;而RCC型开关电源只是由稳压器组成电平开关,控制过程为振荡状态和抑制状态。
由于PWM型开关电源中的开关管总是周期性的通断,系统控制只是改变每个周期的脉冲宽度,而RCC型开关电源的控制过程并非线性连续变化,它只有两个状态:当开关电源输出电压超过额定值时,脉冲控制器输出低电平,开关管截止;当开关电源输出电压低于额定值时,脉冲控制器输出高电平,开关管导通。
当负载电流减小时,滤波电容放电时间延长,输出电压不会很快降低,开关管处于截止状态,直到输出电压降低到额定值以下,开关管才会再次导通。
开关管的截止时间取决于负载电流的大小。
开关管的导通/截止由电平开关从输出电压取样进行控制。
因此这种电源也称非周期性开关电源。
220V市电经VD1~VD4桥式整流后在V2的集电极上形成一个300V左右的直流电压。
由V2和开关变压器组成间歇振荡器。
开机后,300V直流电压经过变压器初级加到V2的集电极,同时该电压还经启动电阻R2为V2的基极提供一个偏置电压。
由于正反馈作用,V2 Ic 迅速上升而饱和,在V2进入截止期间,开关变压器次级绕组产生的感应电压使VD7导通,向负载输出一个9V左右的直流电压。
开关变压器的反馈绕组产生的感应脉冲经VD5整流、C1滤波后产生一个与振荡脉冲个数呈正比的直流电压。
手机供电电路和工作原理手机是现代人生活中不可或缺的一部分,而手机的正常使用离不开供电电路的支持和工作原理的保证。
下面将详细介绍手机供电电路和工作原理。
手机的供电电路可以分为两个主要部分:充电电路和电池管理电路。
首先是充电电路。
当我们连接手机充电器时,充电电路开始工作。
充电器将交流电转化为直流电,并提供一个合适的电流和电压给手机电池进行充电。
充电电路一般由电感线圈、整流器以及滤波电容等元件组成。
电感线圈是一个重要的元件,它用于改变电压和电流的大小。
当交流电从充电器进入电感线圈时,产生的磁场会导致电感线圈中的电流变化。
通过改变线圈的匝数和电流变化的频率,可以实现电压和电流的转换。
整流器用于将交流电转化为直流电。
它通常由二极管组成。
当电流方向相同时,二极管处于导通状态,电流可以正常通过。
而当电流方向相反时,二极管处于截止状态,电流无法通过。
通过这种方式,整流器将交流电转为了直流电。
滤波电容用于滤除直流电中的纹波,使得输出电流更加稳定。
当滤波电容充电时,它会存储电荷,并在供电不稳定时释放电荷。
这种循环可以帮助去除电压波动,保证输出的直流电流平稳稳定。
充电电路的另一部分是电池管理电路。
这是为了保证手机电池充电和使用的安全性和稳定性。
电池管理电路包括电池保护芯片、电池充电控制芯片和电池电量检测芯片等。
电池保护芯片主要用于控制和保护电池的工作。
它监测电池的电压和电流,防止过充和过放,以及过流和短路等异常情况的发生。
当电池电压或电流超出安全范围时,保护芯片会断开电路,以保护电池和其他电子元件的安全。
电池充电控制芯片根据充电状态和电池需求来控制充电电流和充电电压。
它能识别充电器的类型,并根据需求调整充电电流。
充电控制芯片还会监测电池温度,当温度超过安全范围时会停止充电。
电池电量检测芯片用于监测电池的剩余电量。
它通过测量电池电压和电流,计算出电池的剩余电量,并向用户显示在手机屏幕上。
这样,用户可以随时了解自己的手机电池电量,并及时采取相应的措施。
智能手机自动充电与断电电路设计随着智能手机的普及,手机的电池寿命成为了一个被广泛关注的问题。
智能手机每天需要充电多次,如果充电不当,会损害电池寿命甚至导致爆炸。
为此,针对智能手机的充电与串电,我们需要设计一种智能手机自动充电与断电电路,来保护电池寿命和用户的安全。
智能手机充电电路智能手机充电电路要求充电速度快、电流稳定、降温快。
一般而言,充电电路由电源、充电管理芯片、锂电池组成。
充电管理芯片必须具备多个功能模块,包括充电管理、放电保护、电流、电压测量等,可控制充电电流于1A,以保障充电速度和电池的综合使用寿命。
常见智能手机充电电路手机充电电路手机充电电路电池充电过程智能手机电池的充电分为两个阶段:恒定电流充电和恒定电压充电。
恒定电流充电一般时用于低电量的充电过程,主要是为了快速地把电池电量充到一定程度,此时电池电压较低,电池会吸收最大充电电流。
恒定电压充电时则需要限制充电电流,直到电池电压升至充满电压,充电电流趋近于0。
在这个过程中,由于电池电压不断升高,充电电流会不断减小。
当充电电流趋近于0时,电池即充满。
智能手机自动断电电路电池放电时,放电过程无法被完全控制,放电过程也会对电池寿命造成损害。
为此,设计智能手机自动断电电路可极大有效延长电池的寿命。
智能手机自动断电电路由电池管理和控制芯片、控制电路、传感器等组成。
电池管理和控制芯片负责检测电池状态,控制电流输出;传感器则检测环境条件(温度、湿度等),控制电池的工作状态。
当电池水平过低时,电池管理和控制芯片可控制电池进入休眠状态,实现电池资源的保护。
当电池电量过高时,自动断电电路设计中的短路保护元件则会自动开启,切断电池电源,进行保护,防止电池过载。
智能手机充电断电电路的优点智能手机充电断电电路设计的最大优点是,能够在保证电池寿命和用户安全的前提下,快速而稳定地充电,自动监测和保护电池。
通过检测电池状态,可以自动断电保护电池,在电池水平过低时,自动进入休眠状态,从而延长电池使用寿命。
手机万能充电器电路主要由振荡电路、充电电路、稳压保护电路等组成,其输入电压AC220V、50/60Hz、40mA,输出电压DC4.2V、输出电流在150mA~180mA。
在充电之前,先接上待充电池,看充电器面板上的测试指示灯是否亮?若亮,表示极性正确,可以接通电源充电;否则,说明电池的极性和充电器输出电压的极性是相反的,这时需要按一下极性转换开关AN1(测试键)才行。
具体电路原理如下。
1.振荡电路该电路主要由三极管VT2及开关变压器T1等组成。
接通电源后,交流220V经二极管VD2半波整流,形成100V左右的直流电压。
该电压经开关变压器T的卜1初级绕组加到了三极管VT2的c极,同时该电压经启动电阻R4为VT2的b极提供一个正向偏置电压,使VT2导通。
此时,三极管VT2和开关变压器T1组成的间歇振荡电路开始工作,开关变压器T的1-1初级绕组中有电流通过。
由于正反馈作用,在变压器T的1-2绕组感应的电压通过反馈电阻R1和电容C1加到VT2的b极,使三极管VT2的b极导通电流加大,迅速进人饱和区。
随着电容C1两端电压不断升高,VT1的b极电压逐渐降低,使三极管VT2逐渐退出饱和区,其集电极电流开始减少,变压器T的1-1初级绕组中产生的磁通量也开始减少。
在变压器T的1-2绕组感应的负反馈电压,使VT2迅速截止,完成一个振荡周期。
在VT2进入截止期间,变压器T的1 -3绕组就感应出一个5.5V左右的交流电压,作为后级的充电电压。
2.充电电路该电路主要由一块软塑封集成块IC1(YLT539)和三极管VT3等组成。
从变压器T的1-3绕组感应出的交流电压5.5V经二极管VD3整流、电容C3滤波后,输出一个直流8.5V左右电压(空载时),该电压一部分加到三极管VT3的e极;另一部分送到软塑封集成块IC1(YLT539)的1脚,为其提供工作电源。
集成块IC1有了工作电源后开始启动工作,在其8脚输出低电平充电脉冲,使三极管VT3导通,直流8.5V电压开始向电池E充电。
手机充电器电路原理和检修方法一、手机充电器电路原理1.交流输入电路:手机充电器一般采用交流输入电压,交流输入电路主要由输入电源插座、保险丝、开关、滤波电容和稳压电容等组成。
输入电源插座将外部交流电源与充电器连接,通过保险丝保护充电器电路的安全,开关控制电路的通断,滤波电容用于消除输入电压的高频噪声,稳压电容能够对输入电压进行稳定。
2.整流滤波电路:整流滤波电路用于将交流电转换为直流电。
它一般由整流桥、滤波电容和滤波电阻组成。
整流桥将交流电转换为脉冲直流电,滤波电容通过充电和放电的过程平滑输出电流,滤波电阻能够进一步消除输出电流中的高频噪声。
3.电压稳定电路:电压稳定电路用于将输出电压稳定在手机所需的电压范围内。
它一般由稳压二极管、稳压三极管和反馈电路组成。
稳压二极管能够将输出电压稳定在一定范围内,稳压三极管通过反馈电路对输出电压进行调整,保持其稳定工作。
4.输出电路:输出电路用于将稳定电压输出给手机进行充电。
它一般由输出插座、输出滤波电容和保护电路组成。
输出插座将手机连接到充电器,输出滤波电容能够消除输出电压中的杂波,保护电路用于保护充电器和手机免受电流过大或电压过高的损害。
二、手机充电器的检修方法1.检查充电线:有时手机充电器不能正常工作是由于充电线断裂或损坏导致的。
可以通过检查充电线上是否有外露的金属线,或使用万用表检测充电线是否通电来判断充电线是否正常。
2.检查充电插座:有时手机充电器不能正常工作是由于充电插座接触不良或脱落导致的。
可以通过检查插座是否有变形、氧化或松动来判断插座是否需要更换。
3.检查保险丝:有时手机充电器不能正常工作是由于保险丝熔断导致的。
可以通过检查保险丝是否熔断或使用万用表测试保险丝是否导通来判断保险丝是否需要更换。
4.检查电容和电阻:有时手机充电器不能正常工作是由于电容和电阻损坏导致的。
可以通过使用万用表测试电容和电阻的阻值是否正常来判断它们是否需要更换。
5.检查稳压电路:有时手机充电器不能正常工作是由于稳压电路故障导致的。
手机充电电路因不同的机型,芯片组,不同的设计理念其实际电路有所
不同,比如:
1.MT,展讯等杂牌机的充电电路不算复杂,基本上在电路板上都能找到相应的元器件。
如图(一)所示
ffl (— 5 MT系列充电莹元
2.诺基亚手机的充电电路看起来最容易,外围电路设计得相当简单,复
杂的充电电路基本上都已经集成到电源中。
外面只能看到保护和限流部
分了。
如图(二)所示
图(二J N7610充电单元
3.摩托罗拉的充电电路历来则是最复杂的,外围充电电路的元器件有几十个,故障点相当多,维修起来相比很罗嗦,不过也有一定的思路可循。
如图(三)所示
图(三〉V丑充电单元
虽然充电电路在具体维修时分量不是很重,但涉及漏电,不开机时还是要修
的。
同时也是因为一直以来单独介绍这方面的文章很少,维
修师傅和学员又很需要掌握这方面的知识。
基于此,我们有必要根据维修经验,以及
掌握的原理知识来分析充电电路的原理,维修思路。
因为它们的工作原理基本一致,为了大家都能容易理解,我们就以杂牌机MT 系列为主来研究,相信大家对其它机型也会举一反三的。
一、手机充电部分组成,它包括充电电路及其保护电路两大部分:
(一)充电基本部分:
1.充电检测部分:检测充电器是否插入手机,告知CPU充电器已经插入,可以充电了,该电路出问题会出现充电时无反应等。
2.充电控制部分:控制外电向手机充电或不充电,告知电源和充电模块电池已经低电,准备受控,快充还是慢充,该电路出问题会造成不充电,充不满电,过充电,始终充电的现象。
3.电量检测部分:检测充电电量的多少,当充满电后,向CPU发出信号,告知已充满
电量,否则该电路出问题会出现始终充电,或显示充电但充不进去电的现象。
二)充电保护部分:
1. 过压保护部分:过压保护一般是当充电时候交流端电压的不稳定,防止损毁电源
及充电模块,该部分出问题一般表现为加电打表现象,拆除或更换即可。
2. 过流保护部分:过流保护其实是充电电路设计的基本要求,没有过流保护将使带机充电时手机处于一种危险状况中,否则极易出现烧毁机器的后果。
比如采用劣质充电器,采用非原厂充电器等,还有充电时间过久等多方面因素造成。
二、MT充电电路原理图如图(四)所示:
图(四)
充电过程基本上是这样的,参考图如图(四)、图(五)和图(八):
1.当手机显示“低电量自动关机!”,这时电池电压小于3.2V,要求机
主给手机电池充电;进入快充模式,参照快速充电流程(图五);当大于等于3.2V时进入慢充模式,参照慢充流程(图五);当等于 4.2V时通过控制电路实现停止充电,参照充电控制流程(图六)。
2.我们就以慢充模式分析一下充电过程,首先插入充电器,手机尾叉的
17#、18#有CHRIN充电电压输入(4.2V〜9.0V ),这个电压信号
(1)一方面送到电源1#,
(2) —方面送到充电模块SI4833/SI5853DC (3#),为充电做准备。
送到电源1#的信号与电池VBAT信号在电源部的与门电路相比较,之后从电源6#送出作为充电检测信号送给6226CPU(w1),
3.CPU判断手机电池低电,并且充电器已经插入,6226CPU(t2)输出控
制信号,送到电源的5#,再通过电源逻辑电路产生充电驱动信号
(CHRDRV,从2#输出给充电模块的4#;
4.充电电路核心模块4#得到充电控制信号后开启其部的场管令其导通,这样充电电压CHRIN信号自3#和5#、6#导通,进而1#、2#也导通,再导通充电模块部的二极管后从其7#、8#输出,充电信号输出后分三路输出,
( 1)一路到电源4#作为电流取样信号,监测充电电流的大小,保持恒流充电
(2)另一路去电池电量检测电阻(104K四联),输出ADC信号至U 6226CPU
的C6#
(3)经过检测电阻(2.2欧姆)分两路,一路给电池充电,一路给电池
电量检测电阻(104K四联)。
输出ADC信号至U 6226CPU勺D6#
(4)到此,充电电路已完成其基本的充电主干路任务,电池电量高低的监测信号是上面提到的ADC和ADC信号,该信号送到6226CPI后, 和CPU部的电池基准值对照,其误差量变成控制信号后去控制电源6305 的2#的控制电压的幅度,达到快充还是慢充的目的
三、下面将各个阶段的正常工作流程图分述如下,供参考:
主要有主干路流程图、充电控制流程图、电量检测流程图及故障检修流
程图
1.B (五】
1. I «&淀钮00
2.图(A) 充电控f 制流程图
仆Z
# 0
拧酬电押
I 4-1 I. I J W I
* ' f I 'd] Jtl d l fl! I I
旭■也牌Lt Mi 入
<ri ■
•fl :
\ 2 > /c-'h H ;
1
5-N H (CH AR
( Tl
111 ; || ;. m
'll 池MM 2 SJ ( 11 w n it x T
I
何/c 'l 1
.楞块对珂
3圏f
七)
■ I I. 7 : g 液H 新E 孝M
譬
I
J L I R 1 i>-» " 1 * n 1 iW ^rni H l i li
1 c A 1 X ■■ A IX ・ I
1 'l». ,^f 勺 J /
羊
PJ U MA Ji ,flV >> 1 K
、
• | 上 ji 亶
1
仁 C -f*/ 1 JKl >
d L i I *t
四、为了对充电电路更清楚的的了解,
我们绘制了电源6305部的
充电等效电路图:
图(A)
五、下面我们再列举一些充电异常的故障现象,一般维修思路以
及故障维修流程供参考:
1.不充电,充电无反应-------------- 一般是充电器、尾叉、电源、充电
模块、CPU及软件等
2.自动充电,充不进去电般是尾叉、电源、充电模块、CPU 软件等
3.警告,充电器无效般是CPU软件等
4.低电自动关机! 通路、104电阻、CPU软件、音
乐IC等
5.---------------------------------------------------- 充电器已连接,充电器已移除通路、CPU 104电阻和尾叉等
1.图(九)始终充电但充不满电故障检修流程
2.图(十)充电器插入但无充电显示故障检修流程
图(十)
3.图(十^一)低电关机故障检修流程
工图(十一)庇电关机故障检修流
程
图(H
怔电关机
M机
!'■ “电
冲世KRI04
K L frRl04电S
:\RI04
p' Ki.更触卩U
山 b R 1041(*
H;精肌ft
MH
t便用捽耳UL
1r、F
GW n
t
XTLI
养FCFUMI 彳:尊
六、补充:MT充电信号名称、参数及功能列表
小技巧:R104电阻应急短接法,不过会显示满电但又轻微漏电现象,
如图(十二)所示:
七、小结:
手机充电原理细细分析起来还是不难的,只是涉及的面较广,不
容易一下子掌握,但只要我们整理好思路,有正常工作流程图,故障检
修流程图及多积累一些实际维修经验就轻松多了。
故障检修时最好先目
测后按正常工作流程测量一些关键脚位的信号,例如MT6305的2#、6 #等。
因
为这样会快速划定故障围,所以学习一些原理性的知识是很有必要的。