隧道接触网预埋槽道技术交底
- 格式:doc
- 大小:1.46 MB
- 文档页数:14
单位:中铁十三局合福铁路安徽段二标二分部编号:
工程名称革古山隧道主送单位向中荣架子队
交底提要接触网预埋槽道安装交底日期2012年3月10日
交底内容:
1、工艺流程
槽道定位前准备→→槽道基础分块(复核设计里程及槽道的位置、台车类型)→→槽道类型选定→→隧道中心线位置确定→→槽道在工作台上的位置确定→→槽道与钢筋网的连接→→槽道位置的复核→→槽道后部的锚钉与钢筋网位置的确定→→T型螺栓与钢模板之间的固定→→槽道位置的复核→→锁紧T型螺栓使之紧贴模板→→槽道位置的精确定位→→衬砌浇注、脱模→→槽道位置误差的检测。
2、技术要求
接触网槽道类型
(1)槽道预埋应满足加固强度要求:隧道中一般地段预留槽道加固采用钢筋焊接网片加固,IV、V级围岩隧道及明洞中利用其二次衬砌中的结构钢筋对预留槽道加固。
(2)槽道安装应满足位置误差要求,控制在允许偏差范围内±3mm。
(3)接触网顶部槽道的锚杆和接地钢筋焊接在一起。
接触网在隧道侧壁下锚槽道的锚杆应与上部接地钢筋焊在一起。
3、施工要点
3.1槽道定位前的准备
(1)检查槽道内发泡填充物的完整状态,如有残缺应进行填补。
(2)对于两根一组的槽道,应根据设计要求的槽道平行间距,用钢筋或型钢焊接牢固。
编制: 张太极审核: 签收: 年月日
单位:中铁十三局合福铁路安徽段二标二分部编号:
编制: 张太极审核: 签收: 年月日
单位:中铁十三局合福铁路安徽段二标二分部编号:
编制: 张太极审核: 签收: 年月日。
一、交底目的为确保接触网施工、维护及检修过程中的安全,预防安全事故的发生,特制定本安全技术交底。
二、交底对象接触网施工、维护及检修人员。
三、交底内容1. 施工现场安全注意事项:(1)施工人员进入施工现场必须佩戴安全帽、工作服,穿防滑鞋,高空作业人员必须系好安全带。
(2)施工过程中,禁止酒后作业、疲劳作业,确保人员精神状态良好。
(3)施工现场严禁吸烟、动火,如需动火作业,需办理动火作业许可证,并做好防火措施。
(4)施工现场应设置安全警示标志,提醒施工人员注意安全。
2. 接触网施工安全要求:(1)施工前,对施工人员进行安全教育和技能培训,确保其具备相应的安全知识和操作技能。
(2)接触网施工前,应检查施工设备、工具是否完好,施工场地是否符合要求。
(3)接触网施工过程中,严禁擅自移动接触网支柱、设备,确保施工安全。
(4)接触网施工时,应遵循以下顺序:先安装接触网,再安装支柱,最后安装接地装置。
(5)施工过程中,接触网支柱与设备的间距应符合设计要求,确保安全。
3. 接触网维护及检修安全要求:(1)维护及检修前,对维护及检修人员进行安全教育和技能培训,确保其具备相应的安全知识和操作技能。
(2)维护及检修过程中,严格遵守操作规程,确保施工安全。
(3)维护及检修时,应先切断接触网电源,确认无电压后,方可进行作业。
(4)维护及检修过程中,注意观察接触网设备状态,发现问题及时上报。
(5)维护及检修结束后,应检查现场设备状态,确保恢复正常。
四、交底程序1. 项目部安全工程师对施工、维护及检修人员进行安全教育和技能培训。
2. 施工、维护及检修人员参加安全教育和技能培训,了解并掌握安全知识和操作技能。
3. 项目部安全工程师对施工、维护及检修人员进行安全技术交底,确保其掌握安全注意事项。
4. 施工、维护及检修人员签字确认,表示已了解并掌握安全技术交底内容。
五、交底时间根据施工、维护及检修计划,提前安排安全技术交底。
六、交底责任人1. 项目部安全工程师负责安全技术交底的组织和实施。
施工技术交底通知单单位工程名称:中交一航局京沈京冀客专Ⅵ标段指挥部二工区编号:JSJJSG-6-CK- 单位工程东伍岭隧道交底时间工程项目出口DK174+413至DK172+655工程部位接触网预埋槽道接受交底人员隧道四队二衬班组1.隧道接触网预留槽道隧道接触网悬挂安装采用锚杆槽道形式预留,悬挂安装基础一般采用锚杆槽道形式进行预留。
接触网基础预埋后,不需采用任何钻孔螺栓或焊接方式,就能将建筑物连接。
施工时根据设计的槽道里程、规格、型号、位置等要求,在二衬施工时将接触网基础同步预埋方式,同时将基础(或钢筋网片)与二次衬砌内的环向或纵向接地钢筋焊接。
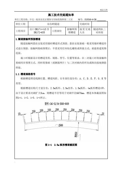
1.1 槽道规格型号根据槽道埋设线路位置、槽道间距、台车部位划分有:A、C、D、E、F、G、K等类型。
根据槽道结构尺寸划分有:2.5m弧形、2.5m直形、1.5m弧形、4m弧形槽道4种,由于设计要求衬砌扩大5cm,则槽道半径等同于衬砌半径6670mm,槽道本体截面图如图1-1、1-2、1-3、1-4所示。
图1-1 2.5m弧形槽道截面图图1-2 2.5m直形槽道截面图图1-3 1.5m弧形槽道截面图图1-4 4.0m弧形槽道截面图1.2 施工工艺流程槽道定位前准备→槽道基础分块(复核设计里程及槽道位置、台车类型)→槽道型号选定及组装→隧道中心线位置确定→槽道在模板台车上的位置确定→槽道接地连接→槽道位置、型号、间距复核→T型螺栓固定→槽道位置的精确定→衬砌浇注、养护、卸除T型螺栓、脱模→槽道位置误差的检测。
工艺流程如下图所示。
图1-5 槽道组装及与模板连接构造图当槽道长度小于2m时用3条扁钢,大于2m时用4条扁钢,扁钢间距均匀布设。
图1-6 槽道组组装模拟图3)槽道规格HTA52/34-Q,T型螺栓规格HS50/30-M20x100(成套,含螺栓、螺母、垫圈等)。
4)在隧道衬砌上预埋接触网槽道组时,槽道固定在模板上,其隧道定位务必按接触网平面图里程准确定位,模板台车上开螺栓孔应与槽道组位置匹配。
隧道四电接口工程接触网槽道施工二级技术交底一、适用范围本技术交底适用于中交一公局沪昆客专长昆湖南段第三项目分部的隧道工程中的接触网槽道施工。
本分部共有禁山寨隧道:1650m、产家冲隧道:565m 、黑山隧道:441m、红岭隧道:2625m隧道4座,施工中严格按照设计和规范规定,正确地预埋接触网槽型道及综合接地施工。
二、目的明确隧道预埋滑槽产品规格、施工方法、施工工艺、操作要点和相应的标准要求。
指导、规范隧道滑槽设计、施工、验收,满足设计及规范要求。
三、编制依据⑴长昆客专施(长玉)网-隧预-46⑵长昆客专施(长玉)网-隧预-45⑶长昆客专施(长玉)网-隧预-48⑷长昆客专施(长玉)网-隧预-47⑸长昆客专施(长玉)网-隧通-100⑹过轨、综合接地及电气化接地(长昆客专施(长玉段)隧通-06A-01~14)⑺《沪昆客专长昆(湖南)段指导性施工组织设计》⑻铁路隧道综合接地系统【通号(2009)9301】四、槽道施工工序及技术要求槽道安装误差精度较高,施工具有高隐蔽性,误差超限后难以替代和补救,施工中必须严格控制各工序,确保槽道安装质量。
4.1 施工工序①槽道选型根据《隧道内预埋接触网槽道具体里程图》(长昆客专施(长玉)网-隧预)对槽道类型进行选定,在拱顶预埋弧形的槽道,其半径同隧道,当线路曲线半径R>8000m时,弧长为2.5m;当R≤8000m时,弧长为3m。
②槽道组装加工槽道在专用的模具上进行组装;首先采用模具定位的方式进行定位,一副模具可以固定6种形式:长3米弧形槽道中心距为400和600;长2.5米弧形槽道中心距为400和600:;长1.5米弧形槽道中心距为400和600。
模具由底板(3根纵向槽钢组成)支撑板(3块横向支撑板和1块档板组成),把2根槽道安放到模具上,其中槽道的一端与模具的基准面对齐,用3根截面为4-6MM厚,宽度40MM的扁钢与2根槽道进行焊接如下图:③槽道组环向接地钢筋焊接2根槽道与扁钢焊接好后再用φ16或以上的钢筋与扁钢焊接,焊接要求参照综合接地系统要求执行,焊接成槽道组,槽道组上的环向接地钢筋长度需垂到其下方台车天窗位置。
编号:1工程名称Xx隧道出口工程部位交底内容:Xx隧道出口槽道预埋施工技术交底(三级)1。
隧道接触网预留槽道隧道接触网悬挂安装采用锚杆槽道形式预留,悬挂安装基础一般采用锚杆槽道形式进行预留。
接触网基础预埋后,不需采用任何钻孔螺栓或焊接方式,就能将建筑物连接。
施工时根据设计的槽道里程、规格、型号、位置等要求,在二衬施工时将接触网基础同步预埋方式,同时将基础(或钢筋网片)与二次衬砌内的环向或纵向接地钢筋焊接。
1。
1 槽道规格型号根据槽道埋设线路位置、槽道间距、台车部位划分有:A、C、D、G、F等类型。
根据槽道结构尺寸划分有:2.5m弧形、1。
5m弧形、2.5m直形槽道3种,弧形槽道半径均等同于隧道净空半径6650mm,槽道本体截面图如图1-1、1-2、1—3所示。
编号:2工程名称Xx隧道出口工程部位图1-1 2.5m弧形槽道截面图图1-2 1。
5m弧形槽道截面图图1—3 2。
5m直形槽道截面图1.2 施工工艺流程槽道定位前准备→槽道基础分块(复核设计里程及槽道位置、台车类型)→槽道型号选定及组装→隧道中心线位置确定→槽道在模板台车上的位置确定→槽编号 : 工程名称Xx 隧道出口 工程部位3道接地连接→槽道位置、型号、间距复核→T 型螺栓固定→槽道位置的精确定→衬砌浇注、养护、卸除T 型螺栓、脱模→槽道位置误差的检测.工艺流程见1-4所示。
图1-4 接触网预埋槽道施工工艺流程图槽道定位前施工准备槽道基础分块槽道型号选定及组装隧道中心线位置确定槽道在模板台车上的位置确定槽道接地连接T 型螺栓固定槽道位置、型号、间距复核槽道位置的精确定 衬砌浇注、养护、卸除T 型螺栓、脱模槽道位置误差的检测记录、中线标示编号:工程名称Xx隧道出口工程部位41.3施工方法1.3.1槽道定位前的准备⑴检查槽道内发泡填充物的完整状态,如有残缺,应进行填充.⑵将槽道摆放在标好的钢板上进行初步固定,检查槽道之间的距离,焊接槽道间的连接钢筋并加焊槽道定位斜筋,焊接成槽道组,要求槽道间距平行,避免八字型和上下错位,避免在浇注砼时槽道发生移位;对于两根一组的槽道,应根据设计要求的槽道平行间距,用扁钢接牢固,如图1-5、1—6所示.1)槽道组是确保槽道尺寸精度的关键,当槽道长度小于等于2m时用3条扁钢,大于2m时用4条扁钢,扁钢间距均布.2)扁钢焊接要求应点焊在槽道的两侧壁上,焊接牢固谨防变形。
一、交底目的为确保接触网施工过程中的安全,提高施工人员的安全意识,防止安全事故的发生,特制定本安全技术交底。
二、交底内容1. 施工人员要求(1)所有参与接触网施工的作业人员必须经过专业培训,取得相应操作资格证书。
(2)施工人员应熟悉接触网施工的相关技术标准和操作规程。
(3)施工人员应掌握安全防护知识和应急处置能力。
2. 施工现场安全管理(1)施工现场应设立安全警示标志,明确警示内容。
(2)施工区域应设置隔离设施,防止无关人员进入。
(3)施工人员应穿戴符合要求的个人防护用品,如安全帽、绝缘手套、绝缘鞋等。
3. 接触网施工安全要点(1)施工前,应对接触网设备进行全面检查,确保设备完好。
(2)施工过程中,严禁施工人员攀登接触网设备,防止触电事故发生。
(3)施工过程中,应保持施工区域整洁,防止杂物掉落接触网设备。
(4)施工过程中,如需调整接触网设备,应先断开电源,确保安全。
(5)施工过程中,施工人员应严格按照操作规程进行施工,防止误操作。
4. 安全防护措施(1)施工人员应佩戴绝缘手套、绝缘鞋等防护用品。
(2)施工过程中,应设置专人进行监护,确保施工安全。
(3)施工过程中,如发现异常情况,应立即停止施工,采取相应措施进行处理。
(4)施工结束后,应对施工现场进行清理,消除安全隐患。
5. 应急处置(1)如发生触电事故,应立即切断电源,并立即进行心肺复苏等急救措施。
(2)如发生火灾事故,应立即报警,并采取灭火措施。
(3)如发生其他安全事故,应立即采取相应措施进行处理,并报告相关部门。
三、交底要求1. 施工单位应将本安全技术交底作为施工过程中的重要依据,严格执行。
2. 施工人员应认真学习本安全技术交底,掌握安全操作规程。
3. 施工单位应定期对施工人员进行安全教育培训,提高安全意识。
4. 施工现场应设置专人负责安全监督,确保施工安全。
四、交底时间本安全技术交底自发布之日起实施。
五、交底单位施工单位:XXX六、接受人项目经理:XXX技术负责人:XXX施工负责人:XXX安全员:XXX七、备注本安全技术交底如有未尽事宜,可根据实际情况进行修改和补充。
新建赣州至深圳客运专线(江西段)施工技术交底(三级)GSJXZQ-3 标段工程项目:隧道衬砌工程(预埋槽道)编号:GSJXZQ-3-1-WWJK-13记录者:(签字)交底者:(签字)技术负责:(签字)技术部门:(盖章)日期:单位:中铁十六局集团赣深客专3标一分部新建赣深铁路客运专线技术交底三、施工工艺流程施工准备(复核设计里程及槽道位置、台车类型)→槽道型号选定、固定→确定隧道中心线位置→将槽道固定到台车上→连接接地钢筋→复核槽道位置→浇筑衬砌砼→拆除模板→检查槽道位置误差→标识槽道中心线→结束。
四、施工方法4.1施工准备(1)检查槽道内发泡填充物的完整状态,如有残缺应进行填充。
(2)槽道焊接成组:槽道在专用槽道胎模上进行槽道成组。
两根一组的槽道应根据设计要求的槽道平行间距,用HPB300Φ16圆钢“Z”形焊接牢固。
(3)台车上螺栓二次定位安装长孔,每根槽道上固定点为槽道两端部各一处,隧道拱顶的弧形槽道固定点为槽道两端及中间各一处。
槽道胎具上预先组装槽道槽道成组加固4.2台车开孔(1)隧道开孔方向参照《赣深隧参08-09》施工。
应避开台车模板的加固支撑,顶升固定点及各种连接结构,严格按图控制槽道距台车边缘的距离。
(2)为了确保槽道安装定位精准,根据槽道类型、规格型号、组间距、里程部位、与隧道线路方向相对位置关系等,在模板台车的相应位置准确测量划出定位线,并开设定位孔,定位孔在槽道两端、中间各一处。
孔的大小根据槽道的内槽宽度和T型螺栓结构确定,模板台车上开螺栓孔应与槽道组位置匹配。
台车面板定位孔定位孔封堵板(3)在台车模板上开安装孔,针对一组平行双槽道,一根槽道上开A型孔标准尺寸为:150mm ×50mm,另一根槽道上开B型孔标准尺寸为:22mm×42mm。
(4)绑扎第二层钢筋网片后按设计位置,测量出槽道布置位置,在钢筋网外层将预先焊接好的成组槽道就位。
在槽道后部锚杆处垂直槽道放线,间隔绑扎几根长度约3cm的短钢筋,将锚杆和钢筋绑扎固定在钢筋网上。
新建铁路北京至上海高速铁路电气化配合设计隧道接触网预埋槽道(站前施工图)技 术 交 底文件记录版本 发布日期 变更说明1.0 2008.09.08 第一版项目负责人:曹东白、丁为民、李汉卿各专业负责人:供电:苏鹏程变电:沈菊自动化:王纯伟接触网:黎锋土建:巢时勇目 录1设计说明 (1)2台车模板开孔尺寸及孔位布置 (2)3施工注意事项 (3)4预埋槽道的安装方法 (4)5勘误 (6)5.1槽道预埋安装形式汇总 (6)5.2槽道预埋平面布置图 (6)京沪高速铁路电气化配合设计隧道接触网预埋槽道技术交底1 设计说明施工图文件目录及有效版本1) 电气化配合设计总说明(《电气化配合设计》第一册)(2008.6)2) 《接触网基础预埋接口设计图》(2008.8)3) 隧道专业相关图纸预埋槽道主要涉及接触悬挂及补偿下锚、附加悬挂及下锚三种类型,见下表: 类型说明 备注 A1槽道位于 台车模板上海侧方向 A2槽道位于 台车模板北京侧方向 接触悬挂补偿下锚槽道 B1槽道位于 台车模板上海侧方向 B2槽道位于 台车模板北京侧方向 腕臂吊柱悬挂槽道 附加导线悬挂、下锚槽道 D1槽道位于 台车模板上海侧方向 D2 槽道位于 台车模板北京侧方向 接触悬挂中锚槽道类型槽道规格、型号 数量(根)备注 HTA 52/34-Q-fv-2500 mm (Rsi =6650)8 弧形槽道 A1/A2HTA 52/34-Q-fv-4000mm 6 直形槽道A3/A4HTA 52/34-Q-fv-2500 mm (Rsi =6650)8 弧形槽道 B1/B2HTA 52/34-Q-fv-3000 mm (Rsi =6650) 4 弧形槽道 D1/D2HTA 52/34-Q-fv-1500 mm (Rsi =6650) 4 弧形槽道预埋槽道设置在隧道二次衬砌内,外露槽道面与二次衬砌表面平齐。
预埋槽道规格及型号参见《接触网基础预埋接口设计图》。
铁路隧道接触网槽道施工工艺总结铁路隧道内接触网预埋槽道施工工艺总结铁路隧道接触网基础一般设计为预埋槽道,尤其是高铁隧道目前几乎全部设计为预埋槽道,但实际施工过程中稍微不注意就会形成各式各样的槽道缺陷甚至造成报废,而槽道整治费用又高验收困难,通过银西项目隧道槽道施工及验收对其施工工艺作如下总结:一、施工工序流程槽道施工前准备→槽道基础分块(复核设计里程及槽道的位置、台车类型、开孔位置)→槽道类型确定→槽道检查→槽道组焊接→槽道组焊接质量验收→槽道在台车上固定→槽道后部的锚钉与钢筋网位置的确定→接地电阻检测→台车定位→槽道位置的复核→锁紧T 型螺栓使之紧贴模板→槽道位置的精确定位→衬砌浇注、脱模→脱模后槽道异物清理→槽道技术要求检测→站后单位检查验收。
二、施工流程及控制要点1、二衬台车开孔依据槽道的设计里程,在台车相应位置上准确划出定位线。
(1)依据槽道的类型在台车上开定位孔,孔为50mm ×25mm 的矩形孔,两端孔位距槽道端头距离按 25c m 控制;长度 1.5 米以上槽道设置三个孔,在两端及中间开孔。
长度1.5 米及以下的槽道开两个孔,在槽道两端开孔。
(2)在槽道固定孔位置安装挡板,在无槽道里程段用于封堵槽道定位孔,防止浇筑混凝土时漏浆。
(3)开孔应考虑台车搭接长度,严格按照图纸要求控制槽道距台车边缘的距离,外边槽道距施工缝的距离不得小于100c m 。
(4)由于台车预留有冲顶孔、注浆孔,这些预留孔应避免与槽道位置冲突,因此在台车设计时要综合考虑预留孔与槽道位置,进行合理布局。
定位孔距槽道端头距离精确定位开孔位置槽道定位孔示意图槽道距施工缝距离大于 100c m槽道定位孔挡板实物图2、槽道定位模具Array接触网槽道定位模具尺寸示意图接触网槽道定位模具实物图3、槽道检查(1)槽道整根无扭曲损伤变形。
(2)槽道内发泡填充物完整无缺。
(3)槽道长度符合组焊型号要求。
槽道型号槽道型号检查槽道内发泡充填物检查槽道型号长度检查4、槽道组装焊接(1)按设计要求的槽道间距,将 2 根槽道初步固定在槽道定位模具上。
高铁预埋槽道施工技术交底预埋槽道施工一、执行的技术规范及质量验收文件《地下工程防水技术规范》(GB50108-2008)《铁路隧道设计规范》(TB1OoO3-2016)《混凝土和钢筋混凝土排水管》(GT/T11836-2009)《水泥基渗透结晶型防水材料》(GB18445-2012)《铁路隧道防排水补充规定》(铁总建设[2016]274号)《铁路技术管理规程》(TG/01-2014)(TG/01A-2017)《铁路混凝土结构耐久设计规范》(TB10005-2010)《混凝土结构设计规范》(GB50010-2010)(2015年版)《铁路工程混凝土结构高强钢筋设计规定》(铁总建设[2015]343号)《铁路隧道衬砌施工技术规程》(Q/CR9250-2023)施工工艺流程及施工顺序安排施工工艺细则及操作要点1材料:根据预埋槽道图纸,在相应的里程选择对应的槽道型号。
机械:交流电焊机、钢筋弯曲机、钢筋切断机等2、技术要求(1)纵向位置允许偏差为±50Omm;横向位置偏差30mm o(2)≡型滑道嵌入混凝土的位置符合设计要求允许偏差为O~-5mm。
(3)对于拱顶处的槽道,环向接地钢筋从槽道中间穿过,并与连接这组槽道的纵向连接钢筋十字交叉,十字交叉部位进行〃1〃形焊接,每个交叉点焊接的〃1〃形钢筋为2处,对角焊接,每组槽道十字交叉点不少于3处。
(4)对于引出的接地钢筋,采用ZC-8型接地电阻表进行检测,小于1欧姆的为合格,大于1欧姆的应采取措施及时处理,合格后方能就位台车。
(5)封堵端头前,必须再一次检查槽道的位置及固定是否牢固,台车模板封堵完后,进行二次衬砌浇注。
(6)衬砌脱模:T型螺栓螺母松开后,打开开孔封堵,旋转T型螺栓90。
取出螺栓,收回模板脱模。
T型固定螺栓,螺母可重复使用。
(7)将槽道固定点处重新填补上发泡填充物,做好后序养护工作的防护。
3、施工程序槽道预埋施工方法采用衬砌台车模板开二次定位孔螺栓定位法。
新建铁路北京至沈阳客运专线
施工技术交底纪要
3 标段JSTJ-
工程项目:
编号:
记录者:
者:交底
技术负责:
技术部门:工程管理部
日期:
单位:中铁十九局集团有限公司京沈客专
辽宁段标项目经理部TJ-3
1 / 10
交底记录
2 / 10
台车上的方孔需要有活动盖3 / 10
5 / 10
三、槽道预埋施工偏差控制要求偏差控制要求项目序号≤3mm 嵌入施工偏差1 ≤3mm 倾斜施工偏差 2
± 3 5mm 槽道间距允许偏差与水平方向和垂直≤±5mm/m 4 方向施工偏差±30mm 5 横向允许偏差±两组槽道顺线路方向位置偏差500mm 6
不允许槽道扭转、变形情况7
完好8 槽道内填充物情况垂直槽道应垂直,水平槽道应水平9 隧道侧壁槽道
6 / 10
8 / 10
接底单位及签字
9 / 10
10 / 10。