管道厚度分级表
- 格式:xls
- 大小:43.50 KB
- 文档页数:2
(2010年)最新公称压力(MPa)管道壁厚对照表(一)无缝碳钢管壁厚m m(二)无缝不锈钢管壁厚mm(三)焊接钢管壁厚mm内压金属直管的壁厚根据SH 3059-2001《石油化工管道设计器材选用通则》确定:当S0< Do /6时,直管的计算壁厚为:S0 = P D0/(2[σ]tΦ+2PY)直管的选用壁厚为: S = S0 + C式中S0―― 直管的计算壁厚, mm;P――设计压力, MPa;D0――直管外径, mm;[σ]t―― 设计温度下直管材料的许用应力, MPa;Φ――焊缝系数,对无缝钢管,Φ=1;S――包括附加裕量在内的直管壁厚, mm;C―― 直管壁厚的附加裕量, mm;Y――温度修正系数,按下表选取。
温度修整系数表钢管壁厚表示方法有管子表号、钢管壁厚尺寸和管子重量三种方法1)是以管子表号"Sch"表示壁厚。
管子表号是管子设计压力与设计温度下材料许用应力的比值乘1000,并经圆整后的数值。
即: Sch=P/[σ]t×1000 ANSI B36.10壁厚等级:Sch10、Sch20、Sch30、Sch40、Sch60、Sch80、Sch100、Sch120、Sch140、Sch160十个等级;ANSI B36.19壁厚等级:Sch5s、Sch10s、Sch40s、S2)以钢管壁厚尺寸表示中国、ISO、日本部分钢管标准采用ch80s四个等级; 表示英制管壁厚系列:Sch.20----全称:Schedule 20Sch.10s--带s的系列为不锈钢专用,碳钢不用。
举个例子:2" sch.10s 表示2”接管的壁厚为2.9mm,材质为不锈钢;2" sch.40 表示2”接管的壁厚为4.0mm。
3)是以管子重量表示管壁厚度,它将管子壁厚分为三种:a.标准重量管,以STD表示b加厚管,以XS表示c.特厚管,以XXS表示。
对于DN≤250mm的管子,Sch40相当于STD,DN<200mm的管子,Sch80相当于XS。
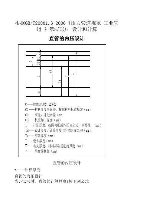
根据GB/T20801.3-2006《压力管道规范-工业管道 》第3部分:设计和计算
直管的内压设计
直管的内压设计
t——计算厚度
直管的内压设计
当t<D/6时。
直管的计算厚度t按下列公式
计算厚度表格:使用填写P、D、S、φ、Y
P设计压力(MPa)D管道外径(mm)S{[δ]t(MPa)}φY计算厚度t(mm) 421913710.4 3.16017316
#DIV/0!
#DIV/0!
#DIV/0!
#DIV/0!
#DIV/0!
#DIV/0!
#DIV/0! GB/T8163的20#钢的-19--100℃度下的许用应力为137MPa
焊接系数:1或0.85
材料壁厚的最终厚度=t+C1+C2 得出的数值查材料厚度 圆整。
C1:材料厚度负偏差:
C:设计的腐蚀余量 一年腐蚀余量约0.1 不小于1mm (1.5-3mm )
不锈钢无腐蚀余量
最终厚度=t+C1+C2 得出的数值查材料厚度 圆整。
最终选取厚度不能低于GB50028-2006规定的管道最小厚度。
(2010年)最新公称压力〔MPa)管道壁厚对照表〔一〕无缝碳钢管壁厚m m(二)无缝不锈钢管壁厚mm〔三〕焊接钢管壁厚mm压金属直管的壁厚根据SH 3059-2001?石油化工管道设计器材选用通那么?确定:当S0< Do /6时,直管的计算壁厚为:S0 = P D0/(2[σ]tΦ+2PY)直管的选用壁厚为:S = S0 + C式中S0――直管的计算壁厚,mm;P――设计压力,MPa;D0――直管外径,mm;[σ]t――设计温度下直管材料的许用应力,MPa;Φ――焊缝系数,对无缝钢管,Φ=1;S――包括附加裕量在的直管壁厚,mm;C――直管壁厚的附加裕量,mm;Y――温度修正系数,按下表选取。
温度修整系数表钢管壁厚表示方法有管子表号、钢管壁厚尺寸和管子重量三种方法1〕是以管子表号"Sch"表示壁厚。
管子表号是管子设计压力与设计温度下材料许用应力的比值乘1000,并经圆整后的数值。
即: Sch=P/[σ]t×1000ANSI B36.10壁厚等级:Sch10、Sch20、Sch30、Sch40、Sch60、Sch80、Sch100、Sch120、Sch140、Sch160十个等级;ANSI B36.19壁厚等级:Sch5s、Sch10s、Sch40s、S2〕以钢管壁厚尺寸表示中国、ISO、日本局部钢管标准采用ch80s四个等级; 表示英制管壁厚系列:Sch.20----全称:Schedule 20Sch.10s--带s的系列为不锈钢专用,碳钢不用。
举个例子:2" sch.10s 表示2”接收的壁厚为2.9mm,材质为不锈钢;2" sch.40 表示2”接收的壁厚为4.0mm。
3〕是以管子重量表示管壁厚度,它将管子壁厚分为三种:a.标准重量管,以STD表示b加厚管,以XS表示c.特厚管,以XXS表示。
对于DN≤250mm的管子,Sch40相当于STD,DN<200mm的管子,Sch80相当于XS。
(2010年)最新公称压力(MPa)管道壁厚对照表(一)无缝碳钢管壁厚 m m(二)无缝不锈钢管壁厚 mm(三)焊接钢管壁厚 mm压金属直管的壁厚根据SH 3059-2001《石油化工管道设计器材选用通则》确定:当S0< Do /6时,直管的计算壁厚为:S0 = P D0/(2[σ]tΦ+2PY)直管的选用壁厚为:S = S0 + C式中S0―― 直管的计算壁厚,mm;P――设计压力,MPa;D0――直管外径,mm;[σ]t―― 设计温度下直管材料的许用应力,MPa;Φ――焊缝系数,对无缝钢管,Φ=1;S――包括附加裕量在的直管壁厚,mm;C―― 直管壁厚的附加裕量,mm;Y――温度修正系数,按下表选取。
温度修整系数表钢管壁厚表示方法有管子表号、钢管壁厚尺寸和管子重量三种方法1)是以管子表号"Sch"表示壁厚。
管子表号是管子设计压力与设计温度下材料许用应力的比值乘1000,并经圆整后的数值。
即: Sch=P/[σ]t×1000ANSI B36.10壁厚等级:Sch10、Sch20、Sch30、Sch40、Sch60、Sch80、Sch100、Sch120、Sch140、Sch160十个等级;ANSI B36.19壁厚等级:Sch5s、Sch10s、Sch40s、S2)以钢管壁厚尺寸表示中国、ISO、日本部分钢管标准采用ch80s四个等级; 表示英制管壁厚系列:Sch.20----全称:Schedule 20Sch.10s--带s的系列为不锈钢专用,碳钢不用。
举个例子:2" sch.10s 表示2”接管的壁厚为2.9mm,材质为不锈钢;2" sch.40 表示2”接管的壁厚为4.0mm。
3)是以管子重量表示管壁厚度,它将管子壁厚分为三种:a.标准重量管,以STD表示b加厚管,以XS表示c.特厚管,以XXS表示。
对于DN≤250mm的管子,Sch40相当于STD,DN<200mm的管子,Sch80相当于XS。
(2010年)最新公称压力(MPa)管道壁厚对照表(一)无缝碳钢管壁厚m m(二)无缝不锈钢管壁厚mm(三)焊接钢管壁厚mm内压金属直管的壁厚根据SH 3059-2001《石油化工管道设计器材选用通则》确定:当S0< Do /6时,直管的计算壁厚为:S0 = P D0/(2[σ]tΦ+2PY)直管的选用壁厚为: S = S0 + C式中S0―― 直管的计算壁厚, mm;P――设计压力, MPa;D0――直管外径, mm;[σ]t―― 设计温度下直管材料的许用应力, MPa;Φ――焊缝系数,对无缝钢管,Φ=1;S――包括附加裕量在内的直管壁厚, mm;C―― 直管壁厚的附加裕量, mm;Y――温度修正系数,按下表选取。
温度修整系数表钢管壁厚表示方法有管子表号、钢管壁厚尺寸和管子重量三种方法1)是以管子表号"Sch"表示壁厚。
管子表号是管子设计压力与设计温度下材料许用应力的比值乘1000,并经圆整后的数值。
即:Sch=P/[σ]t×1000ANSI B36.10壁厚等级:Sch10、Sch20、Sch30、Sch40、Sch60、Sch80、Sch100、Sch120、Sch140、Sch160十个等级;ANSI B36.19壁厚等级:Sch5s、Sch10s、Sch40s、S2)以钢管壁厚尺寸表示中国、ISO、日本部分钢管标准采用ch80s四个等级; 表示英制管壁厚系列:Sch.20----全称:Schedule 20Sch.10s--带s的系列为不锈钢专用,碳钢不用。
举个例子:2" sch.10s 表示2”接管的壁厚为2.9mm,材质为不锈钢;2" sch.40 表示2”接管的壁厚为4.0mm。
3)是以管子重量表示管壁厚度,它将管子壁厚分为三种:a.标准重量管,以STD表示b加厚管,以XS表示c.特厚管,以XXS表示。
对于DN≤250m m的管子,Sch40相当于STD,DN<200mm的管子,Sch80相当于XS。
SCH10、SCH40、SCH80系列对应的钢管sch, ASTM主要看附件 ASTM管道标准对照表(公制)钢管的壁厚系列钢管壁厚的分级,在不同标准中所表示的方法也各不相同。
但主要有三种表示方法。
1.以管子表号(Sch.)表示壁厚系列这是1938年美国国家怔准协会ANSIB36.10(焊接和无缝钢管)标准所规定的。
管子表号(Sch.)是设计压力与设计温度下材料的许用应力的比值乘以1000,并经圆整后的数值。
即Sch .=P/[ó]t×1000(1-2-1)式中 P—设计压力,MPa;[ó]t—设计温度下材料的许用应力,MPa。
无缝钢管与焊接钢管的管子表号可查资料确定。
ANSI B36.10和JIS标准中的管子表号为;Schl0、20、30、40、60、80、100、120、140、160。
ANSI B36.19中的不锈钢管管子表号为:5S、10S、40S、80S。
管表号(Sch.)并不是壁厚,是壁厚系列。
实际的壁厚,同一管径,在不同的管子表号中其厚度各异。
不同管子表号的管壁厚度,在美国和日本是应用计算承受内压薄壁管厚度的Barlow公式计算并考虑了腐蚀裕量和螺纹深度及壁厚负偏差-12.5%之后确定的,如公式(1-2-2)和(1-2-3)所示。
tB=D0P/2[ó]t(1-2-2)t=[D0/2(1-0.125)×P/[ó]t]+2.54(1-2-3)式中 tB t——分别表示理论和计算壁厚,mmD0————管外径,mmP——设计压力,MPa[ó]t——在设计温度下材料的许用压力,MPa计算壁厚经圆整后才是实际的壁厚。
如果已知钢管的管子表号,可根据式(1-2-1)计算出该钢管所能适应的设计压力,即P=Sch..× [ó]t/1000(1-2-4)例如,库存Sch40,碳素钢20无缝钢管,当设计温度为350oC时给钢管所能适应设计压力为:P=40×92/1000①=3.68 MPa中国石化总公司标准SHJ405规定了无缝钢管的壁厚系列并Sch.5S②, Sch.10,Sch.10s,Sch.20,Sch.20s,Sch.30,Sch.40,Sch。
(一)无缝碳钢管壁厚m m(二)无缝不锈钢管壁厚mm(三)焊接钢管壁厚mm内压金属直管的壁厚根据SH 3059—2001《石油化工管道设计器材选用通则》确定:当S0〈 Do /6时,直管的计算壁厚为:S0 = P D0/(2[σ]tΦ+2PY)直管的选用壁厚为: S = S0 + C式中S0―― 直管的计算壁厚, mm;P――设计压力, MPa;D0――直管外径,mm; [σ]t―― 设计温度下直管材料的许用应力, MPa;Φ――焊缝系数,对无缝钢管, Φ=1;S――包括附加裕量在内的直管壁厚,mm; C―― 直管壁厚的附加裕量,mm;Y――温度修正系数,按下表选取。
温度修整系数表钢管壁厚表示方法有管子表号、钢管壁厚尺寸和管子重量三种方法1)是以管子表号”Sch"表示壁厚.管子表号是管子设计压力与设计温度下材料许用应力的比值乘1000,并经圆整后的数值.即:Sch=P/[σ]t×1000ANSI B36.10壁厚等级:Sch10、Sch20、Sch30、Sch40、Sch60、Sch80、Sch100、Sch120、Sch140、Sch160十个等级;ANSI B36。
19壁厚等级:Sch5s、Sch10s、Sch40s、S2)以钢管壁厚尺寸表示中国、ISO、日本部分钢管标准采用ch80s四个等级; 表示英制管壁厚系列:Sch。
20——--全称:Schedule 20Sch.10s——带s的系列为不锈钢专用,碳钢不用。
举个例子:2" sch。
10s 表示2"接管的壁厚为2。
9mm,材质为不锈钢;2” s ch。
40 表示2"接管的壁厚为4。
0mm。
3)是以管子重量表示管壁厚度,它将管子壁厚分为三种:a。
标准重量管,以STD表示b加厚管,以XS表示c。
特厚管,以XXS表示.对于DN≤250mm的管子,Sch40相当于STD,DN〈200mm的管子,Sch80相当于XS.钢管壁厚的分级,在不同标准中所表示的方法也各不相同.ANSI B36。
公称压力M P a管道壁厚对照表Document serial number【KK89K-LLS98YT-SS8CB-SSUT-SST108】(2010年)最新公称压力(MPa)管道壁厚对照表(一)无缝碳钢管壁厚 m m(三)焊接钢管壁厚 mm内压金属直管的壁厚根据SH 3059-2001《石油化工管道设计器材选用通则》确定:当S0< Do /6时,直管的计算壁厚为:S0 = P D0/(2[σ]tΦ+2PY)直管的选用壁厚为: S = S0 + C式中S0―― 直管的计算壁厚, mm;P――设计压力, MPa;D0――直管外径, mm;[σ]t―― 设计温度下直管材料的许用应力, MPa;Φ――焊缝系数,对无缝钢管,Φ=1;S――包括附加裕量在内的直管壁厚, mm;C―― 直管壁厚的附加裕量, mm;Y――温度修正系数,按下表选取。
温度修整系数表钢管壁厚表示方法有管子表号、钢管壁厚尺寸和管子重量三种方法1)是以管子表号"Sch"表示壁厚。
管子表号是管子设计压力与设计温度下材料许用应力的比值乘1000,并经圆整后的数值。
即: Sch=P/[σ]t×1000ANSI 壁厚等级:Sch10、Sch20、Sch30、Sch40、Sch60、Sch80、Sch100、Sch120、Sch140、Sch160十个等级;ANSI 壁厚等级:Sch5s、Sch10s、Sch40s、S2)以钢管壁厚尺寸表示中国、ISO、日本部分钢管标准采用ch80s四个等级; 表示英制管壁厚系列:全称:Schedule 20带s的系列为不锈钢专用,碳钢不用。
举个例子:2" 表示2”接管的壁厚为2.9mm,材质为不锈钢;2" 表示2”接管的壁厚为4.0mm。
3)是以管子重量表示管壁厚度,它将管子壁厚分为三种:a.标准重量管,以STD表示b加厚管,以XS表示c.特厚管,以XXS表示。