公称管子尺寸和公称直径对照表
- 格式:docx
- 大小:24.41 KB
- 文档页数:2
钢管公称直径与钢管实际外径的对照表1英寸=25.4毫米=8英分1/2是四分(4英分)DN153/4是六分(6英分)DN202分管DN84分管DN156分管DN201′寸=DN251.2′′寸=DN321.5′′寸=DN402′′寸=DN502.5′′寸=DN653′′寸=DN804′′寸=DN1005′′寸=DN1256′′寸=DN1508′′寸=DN20010′′寸=DN25012′′寸=DN300GB/T50106-2001关于DN与De的区别:1、DN是指管道的公称直径,注意:这既不是外径也不是内径;应该与管道工程发展初期与英制单位有关;通常用来描述镀锌钢管,它与英制单位的对应关系如下:4分管:4/8英寸:DN15;6分管:6/8英寸:DN20;1寸管:1英寸:DN25;寸二管:1又1/4英寸:DN32;寸半管:1又1/2英寸:DN40;两寸管:2英寸:DN50;三寸管:3英寸:DN80(很多地方也标为DN75);四寸管:4英寸:DN100;De主要是指管道外径,一般采用De标注的,均需要标注成外径X 壁厚的形式;主要用于描述:无缝钢管、PVC等塑料管道、和其他需要明确壁厚的管材。
拿镀锌焊接钢管为例,用DN、De两种标注方法如下:DN20De25X2.5mmDN25De32X3mmDN32De40X4mmDN40De50X4mm等等。
我们习惯于使用DN来标注焊接钢管,在不涉及到壁厚的情况下很少使用De来标注管道;但是标注塑料管就又是另外一回事了;还是跟行业习惯有关,实际施工过程中我们简略称呼的20、25、32等管道均是指De,而不是指DN,这里相差一个规格呢。
不搞清楚很容易在采购、施工过程中造成损失。
两种管道材料的连接方式不外乎:丝扣连接及法兰连接。
其他连接方式就用得很少了。
镀锌钢管、PPR 管均能采用以上两种连接,只是小于50的管道用丝扣较方便,大于50的用法兰比较可靠。
注意:如果是两种不同材质的金属管道相连,要考虑是否会产生原电池反应,否则会加速活跃金属材料管道的腐蚀速度,最好要用法兰连接,并用橡胶垫片类的绝缘材质将两种金属分隔开,包括螺栓都要用垫片分隔,避免接触工程管径对照表(常用)压力管道标准压力管道标准压力管道标准规格DN-公称直径Ф-外径大外径系列DN15-ф22mm,DN20-ф27mmDN25-ф34mm,DN32-ф42mmDN40-ф48mm,DN50-ф60mmDN65-ф76(73)mm,DN100-ф114mm,DN125-ф140mm DN150-ф168mm,DN200-ф219mm DN250-ф273mm,DN300-ф324mm DN350-ф360mm,DN400-ф406mm DN450-ф457mm,DN500-ф508mm DN600-ф610mm,小外径系列DN15-ф18mm,DN20-ф25mmDN25-ф32mm,DN32-ф38mmDN40-ф45mm,DN50-ф57mmDN65-ф73mm,DN80-ф89mmDN100-ф108mm,DN150-ф159mm,DN200-ф219mmDN250-ф273mm,DN300-ф325mmDN350-ф377mm,管道外径与公称直径的关系一般来说,管子的直径可分为外径、内径、公称直径。
常用公称直径和几分管对照表一、吋是公称直径的英制叫法换算成毫米也只能是公称直径的米制叫法,不能对应外径,因为同一公称直径的管子还有大小口径之分二、在管道的规格上没有绝对的换算公式,对于小于100只能以1吋=25 来模糊计算,取其相近的数,对于大于100的管子用1吋=25可以完全匹配计算。
常用的如下:公称直径DN6 对应的俗称 1分公称直径DN8 对应的俗称 2分公称直径DN10 对应的俗称 3分公称直径DN15 对应的俗称 4分公称直径DN20 对应的俗称 6分公称直径DN25 对应的俗称 1吋公称直径DN32 对应的俗称 1吋2分公称直径DN40 对应的俗称 1吋半公称直径DN50 对应的俗称 2吋公称直径DN65 对应的俗称 2吋半公称直径DN80 对应的俗称 3吋公称直径DN100 对应的俗称 4吋公称直径DN125 对应的俗称 5吋公称直径DN150 对应的俗称 6吋公称直径DN200 对应的俗称 8吋公称直径DN250 对应的俗称 10吋公称直径DN300 对应的俗称 12吋公称直径DN350 对应的俗称 14吋公称直径DN400 对应的俗称 16吋公称直径DN450 对应的俗称 18吋公称直径DN500 对应的俗称 20吋公称直径DN600 对应的俗称 24吋1 英寸=25.4毫米 =8英分1/2 是四分(4英分) DN15 =1.27cm 3/4 是六分(6英分) DN20 =1.905cmDe、DN、D、d、Φ的含义1、DN(Nominal Diameter)意思是管道的公称直径,是外径与内径的平均值。
DN的值=De的值-0.5*管壁厚度。
注意:这既不是外径也不是内径。
水、煤气输送钢管(镀锌钢管或非镀锌钢管)、铸铁管、钢塑复合管和聚氯乙烯(PVC)管等管材,应标注公称直径“DN”(如DN15、DN50)。
2、De(External Diameter)意思是管道外径,PPR、PE管、聚丙烯管外径,一般采用De标注的,均需要标注成外径*壁厚的形式,例De25×3。
公称直径对照表尺寸:DN15(4分管)DN20(6分管)DN25(1寸管)DN32(1寸2管)DN40(1寸半管)DN50(2寸管)DN65(2寸半管)DN80(3寸管)DN100(4寸管)DN125(5寸管)DN150(6寸管)DN200(8寸管)DN250(10寸管)等。
把1英寸分成8等分: 1/8 1/4 3/8 1/2 5/8 3/4 7/8 英寸:相当于通常说的1分管到7分管,更小的尺寸用1/16、1/32、1/64来表示,单位还是英寸。
如果分母和分子能够约分(如分子是2、4、8、16、32)就应该约分。
英寸的表示是在右上角打上两撇,如1/2"如DN25(25mm,下同)的水管就是英制1"的水管,也是以前的8分水管。
DN15的水管就是英制1/2"的水管,也是以前的4分水管。
如DN20的水管就是英制3/4"的水管,也是以前的6分水管外径与DN,NB的关系如下:公称管子尺寸(NPS)/in0.25 0.5 0.75 1.0 1.25 1.5 2.0 2.5 3.0 4.0 6.0 公称直径(DN)/mm6 15 20 25 32 40 50 65 80 100 150 公称管子尺寸(NPS)/in8.0 10.0 12.0 14.0 16.0 18.0 20.0 24.0 36.0 42.0 48.0 公称直径(DN)/mm200 250 300 350 400 450 500 600 900 1000 1200公称直径英寸外径近似内径壁厚相当于无缝管普厚/加厚mm "mm mm mm mm 15 4分21.25 15 2.75/3.25 22 20 6分26.75 20 2.75/3.5 25 25 1寸33.5 25 3.25/4 32 32 1.2寸42.25 32 3.25/4 38 40 1.5寸48 40 3.5/4.25 45 50 2寸60 50 3.5/4.5 57 70 2.5寸75.5 70 3.75/4.5 76 80 3 88.5 80 4/4.75 89 100 4 114 106 4/5.0 108 125 5 140 131 5/5.5 133 150 6 165 156 5/5.5 159200 8 219 207 6 219250 10 273 259 7 273300 12 325 309 8 435350 14 377 9 485400 16 426 9 535450 18 478 9 590500 20 529 9 640600 24 630 10 755700 28 720 10 860800 32 820 975国际管道尺寸对照表N.D INCH STANDARD METRIC INCH COPPER PVC PE DUCTILE 15A 1/2" 21.7 20 21.5-22.0 22 20A 3/4" 27.2/28.5 26 27.0-27.6 26 25A 1" 34.0 30 28.24 30 32 34.0-34.7 34 32A 1-1/4" 42.7 38 34.59 35 38 42.0-42.8 48 40A 1-1/2" 48.6 44.5 40.95 45 48 48.0-48.9 60 50A 2" 60.6 57.0 54.05 55 60 60.0-61.1 76 65A 2-1/2" 76.3 76.1 66.75 70 76 76.0-77.3 89 80A 3" 89.1 88.9 79.85 85 89 89.0-90.5 98 90A 3-1/2" 101.6100A 4" 114.3 108.0 106.27 110 114 114.0-115.9 118 125A 5" 139.8 133.0 131.67 140 140 140.0-142.3 144 150A 6" 165.2 159.0 157.68 160 165 165.0-167.6 170 200A 8" 216.3 219.0 208.48 216 216.0-218.8 222 250A 10" 267.4 267.0 260.50 267 267.0-270.1 274300A 12" 318.5 323.9 312.11 318 318.0-321.3 326 350A 14" 355.6 368.0 363.72 378 400A 16" 406.4 419.0 414.52 429 450A 18" 457.2 457.2 465.32 480 500A 20" 508.0 508.0 516.94 532 550A 22" 558.8 558.0 567.74600A 24" 609.6 619.0 619.35 635 650A 26" 660.4700A 28" 711.2。
补充::::600以上的都是焊接管道,公称直径和外径没有对应关系!压力管道标准规格DN-公称直径Ф-外径大外径系列DN15-ф22mm,DN20-ф27mmDN25-ф34mm,DN32-ф42mmDN40-ф48mm,DN50-ф60mmDN65-ф76(73)mm,DN80-ф89mmDN100-ф114mm,DN125-ф140mmDN150-ф168mm,DN200-ф219mmDN250-ф273mm,DN300-ф324mmDN350-ф360m m,DN400-ф406mmDN450-ф457mm,DN500-ф508mmDN600-ф610mm,小外径系列DN15-ф18mm,DN20-ф25mmDN25-ф32mm,DN32-ф38mmDN40-ф45mm,DN50-ф57mmDN65-ф73mm,DN80-ф89mmDN100-ф108mm,DN125-ф133mmDN150-ф159mm,DN200-ф219mmDN250-ф273mm,DN300-ф325mmDN350-ф377mm,DN400-ф426mmDN450-ф480mm,DN500-ф530mmDN600-ф630mm,管子尺寸系列标准(HG20553) A系列:属于"大外径系列”,B系列:属于"小外径系列"机械行业应用标准体系管子尺寸基本都属于"小外径系列"石化行业应用标准体系管子尺寸系列标准(SH3405) 基本属于“大外径系列”一般来说,管子的直径可分为外径、内径、公称直径。
管材为无缝钢管的管子的外径用字母D来表示,其后附加外直径的尺寸和壁厚,例如外径为108的无缝钢管,壁厚为5MM,用D108*5表示,塑料管也用外径表示,如De63,其他如钢筋混凝土管、铸铁管、镀锌钢管等采用DN表示,在设计图纸中一般采用公称直径来表示,公称直径是为了设计制造和维修的方便人为地规定的一种标准,也较公称通径,是管子(或者管件)的规格名称。
补充::::600以上的都是焊接管道,公称直径和外径没有对应关系!压力管道标准规格DN-公称直径Ф-外径大外径系列DN15-ф22mm,DN20-ф27mmDN25-ф34mm,DN32-ф42mmDN40-ф48mm,DN50-ф60mmDN65-ф76(73)mm,DN80-ф89mmDN100-ф114mm,DN125-ф140mmDN150-ф168mm,DN200-ф219mmDN250-ф273mm,DN300-ф324mmDN350-ф360mm,DN400-ф406mmDN450-ф457mm,DN500-ф508mmDN600-ф610mm,小外径系列DN15-ф18mm,DN20-ф25mmDN25-ф32mm,DN32-ф38mmDN40-ф45mm,DN50-ф57mmDN65-ф73mm,DN80-ф89mmDN100-ф108mm,DN125-ф133mmDN150-ф159mm,DN200-ф219mmDN250-ф273mm,DN300-ф325mmDN350-ф377mm,DN400-ф426mmDN450-ф480mm,DN500-ф530mmDN600-ф630mm,管子尺寸系列标准(HG20553) A系列:属于"大外径系列”,B系列:属于"小外径系列"机械行业应用标准体系管子尺寸基本都属于"小外径系列"石化行业应用标准体系管子尺寸系列标准(SH3405) 基本属于“大外径系列”一般来说,管子的直径可分为外径、内径、公称直径。
管材为无缝钢管的管子的外径用字母D来表示,其后附加外直径的尺寸和壁厚,例如外径为108的无缝钢管,壁厚为5MM,用D108*5表示,塑料管也用外径表示,如De63,其他如钢筋混凝土管、铸铁管、镀锌钢管等采用DN表示,在设计图纸中一般采用公称直径来表示,公称直径是为了设计制造和维修的方便人为地规定的一种标准,也较公称通径,是管子(或者管件)的规格名称。
英寸是长度单位。
1 英寸= 2.539999918 厘米(公分)。
英寸或[吋]是使用于联合王国(UK,即英国(英联邦)的长度单位。
美国等国家也使用它。
在台湾与香港,“英寸”通常写作“吋”。
英寸的常用简写为[in]或["]“吋”是近代新造的字,念作“英寸”,属汉字中一字念两音的字,其他如“浬”念作“海里”等,借用中国传统的长度单位“寸”,并加口旁以示区别。
一、尺寸:二、D N15(4分管)、DN20(6分管)、DN25(1寸管)、DN32(1寸2管)、DN40(1寸半管)、DN50(2寸管)、DN65(2寸半管)、DN80(3寸管)、DN100(4寸管)、DN125(5寸管)、DN150(6寸管)、DN200(8寸管)、DN250(10寸管)等。
三、把1英寸分成8等分: 1/8 1/4 3/8 1/2 5/8 3/4 7/8 英寸。
相当于通常说的1分管到7分管,更小的尺寸用1/16、1/32、1/64来表示,单位还是英寸。
如果分母和分子能够约分(如分子是2、4、8、16、32)就应该约分。
英寸的表示是在右上角打上两撇,如1/2"如DN25(25mm,下同)的水管就是英制1"的水管,也是以前的8分水管。
DN15的水管就是英制1/2"的水管,也是以前的4分水管。
如DN20的水管就是英制3/4"的水管,也是以前的6分水管PCR实验室人员配置及管理守则时间:2009-1-7 15:06:07,点击:9751.目的:保证实验室有足够数量的合格的具备开展该类实验能力的实验人员。
2.适用范围:适用于实验室人员配置、管理、培训及考核。
3.负责人:4.细则:4.1 人员要求4.1.1 本实验室工作人员应为医学检验专业或相关专业毕业,具有中级以上技术职称或专科以上学历。
4.1.2 实验室工作人员应参加卫生部或省临检中心举办的PCR技术培训,并取得合格证。
4.1.3 对于新进入本室的人员,如尚未取得PCR技术培训合格证,应在实验室有培训合格证的上级技术人员的指导下进行实验工作,实验报告由有资格人员出具,并应在最短的时间内取得上岗培训合格证。
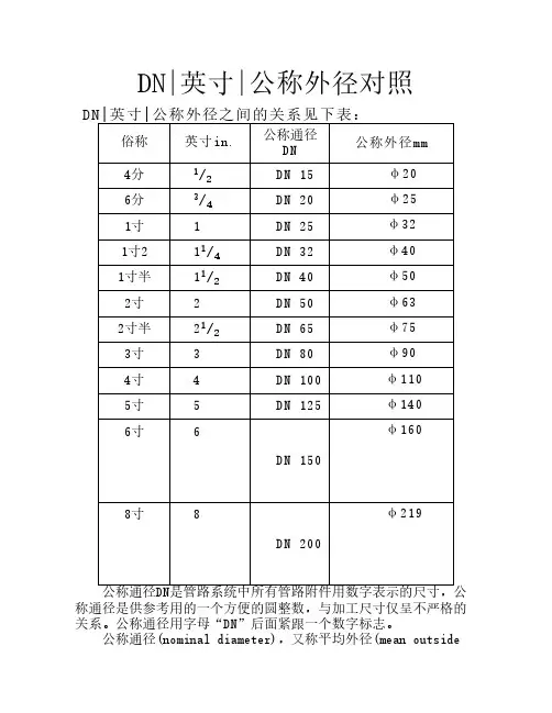
DN|英寸|公称外径对照 DN|英寸|公称外径之间的关系见下表:俗称英寸in.公称通径DN公称外径mm4分1/2DN 15φ206分3/4DN 20φ251寸1DN 25φ321寸211/4DN 32φ401寸半11/2DN 40φ502寸2DN 50φ632寸半21/2DN 65φ753寸3DN 80φ904寸4DN 100φ1105寸5DN 125φ1406寸6DN 150φ1608寸8DN 200φ219公称通径DN是管路系统中所有管路附件用数字表示的尺寸,公称通径是供参考用的一个方便的圆整数,与加工尺寸仅呈不严格的关系。
公称通径用字母“DN”后面紧跟一个数字标志。
公称通径(nominal diameter),又称平均外径(mean outsidediameter)。
这是缘自金属管的管璧很薄,管外径与管内径相差无几,所以取管的外径与管的内径之平均值当作管径称呼。
DN是公称通径,公称通径(或叫公称直径),就是各种管子与管路附件的通用口径。
同一公称直径的管子与管路附件均能相互连接,具有互换性.它不是实际意义上的管道外径或内径,虽然其数值跟管道内径较为接近或相等;为了使管子、管件连接尺寸统一,采用公称直径(也称公称口径、公称通径)。
例如焊接钢管按厚度可分为薄壁钢管、普通钢管和加厚钢管。
其公称直径不是外径,也不是内径,而是近似普通钢管内径的一个名义尺寸。
每一公称直径,对应一个外径,其内径数值随厚度不同而不同。
公称直径可用公制mm表示,也可用英制in表示。
管路附件也用公称直径表示,意义同有缝管。
∙常用管道公称直径和外径对照∙公称直径(nomina l diamet er),又称平均外径(mean outsid e diamet er)。
指标准化以后的标准直径,以DN表示,单位mm,例如内径1200mm的容器的公称直径标记为DN1200。
它主要分为三方面:1. 压力容器的公称直径用钢板卷焊制成的筒体,其公称直径指的是内径。
现行标准中规定的公称直径系列如表4-4所示。
若容器直径较小,筒体可直接采用无缝钢管制作。
此时,公称直径指钢管外径。
封头的公称直径与筒体一致。
2.管子的公称直径一般来说,管子的直径可分为外径、内径、公称直径。
管材为无缝钢管的管子的外径用字母D来表示,其后附加外直径的尺寸和壁厚,例如外径为108的无缝钢管,壁厚为5MM,用D108*5表示,塑料管也用外径表示,如De63,其他如钢筋混凝土管、铸铁管、镀锌钢管等采用DN表示,在设计图纸中一般采用公称直径来表示,公称直径是为了设计制造和维修的方便人为地规定的一种标准,也叫公称通径,是管子(或者管件)的规格名称。
管子的公称直径和其内径、外径都不相等,例如:公称直径为100MM的无缝钢管有102*5、108*5等好几种,108为管子的外径,5表示管子的壁厚,因此,该钢管的内径为(108-5-5)=98MM,但是它不完全等于钢管外径减两倍壁厚之差,也可以说,公称直径是接近于内径,但是又不等于内径的一种管子直径的规格名称,在设计图纸中所以要用公称直径,目的是为了根据公称直径可以确定管子、管件、阀门、法兰、垫片等结构尺寸与连接尺寸,公称直径采用符号DN表示,如果在设计图纸中采用外径表示,也应该作出管道规格对照表,表明某种管道的公称直径,壁厚。
为了使管子、管件连接尺寸统一,采用DN表示其公称直径(也称公称口径、公称通径)。
DN|英寸|公称外径对照(一)DN|英寸|公称外径之间的关系见下表:压力管道规格DN-公称直径Ф-外径大外径系列DN15-ф22mm,DN20-ф27mmDN25-ф34mm,DN32-ф42mmDN40-ф48mm,DN50-ф60mmDN65-ф76(73)mm ,DN80-ф89mm DN100-ф114mm,DN125-ф140mm DN150-ф168mm,DN200-ф219mm DN250-ф273mm,DN300-ф324mm DN350-ф360mm,DN400-ф406mm DN450-ф457mm,DN500-ф508mm DN600-ф610mm,小外径系列DN15-ф18mm,DN20-ф25mmDN25-ф32mm,DN32-ф38mmDN40-ф45mm,DN50-ф57mmDN65-ф73mm,DN80-ф89mmDN100-ф108mm,DN125-ф133mmDN150-ф159mm,DN200-ф219mmDN250-ф273mm,DN300-ф325mmDN350-ф377mm工程管径对照表1 英寸=25.4毫米 =8英分1/2 是四分(4英分) DN153/4 是六分(6英分) DN202分管 DN84分管 DN156分管 DN201′ DN251.2′ DN321.5′ DN402′ DN502.5′ DN653′ DN804′ DN1005′ DN1256′ DN1508′ DN20010′ DN25012′ DN300GB/T50106-20012.4管径2.4.1管径应以mm为单位。
2.4.2管径的表达方式应符合下列规定:1 水煤气输送钢管(镀锌或非镀锌)、铸铁管等管材,管径宜以公称直径DN表示;2 无缝钢管、焊接钢管(直缝或螺旋缝)、铜管、不锈钢管等管材,管径宜以外径×壁厚表示;3 钢筋混凝土(或混凝土)管、陶土管、耐酸陶瓷管、缸瓦管等管材,管径宜以内径d表示;4 塑料管材,管径宜按产品的方法表示;5 当设计均用公称直径DN表示管径时,应有公称直径DN与相应产品规格对照表。
DN|英寸|公称外径对照 DN|英寸|公称外径之间的关系见下表:俗称英寸in.公称通径DN公称外径mm4分1/2DN 15φ206分3/4DN 20φ251寸1DN 25φ321寸211/4DN 32φ401寸半11/2DN 40φ502寸2DN 50φ632寸半21/2DN 65φ753寸3DN 80φ904寸4DN 100φ1105寸5DN 125φ1406寸6DN 150φ1608寸8DN 200φ219公称通径DN是管路系统中所有管路附件用数字表示的尺寸,公称通径是供参考用的一个方便的圆整数,与加工尺寸仅呈不严格的关系。
公称通径用字母“DN”后面紧跟一个数字标志。
公称通径(nominal diameter),又称平均外径(mean outsidediameter)。
这是缘自金属管的管璧很薄,管外径与管内径相差无几,所以取管的外径与管的内径之平均值当作管径称呼。
DN是公称通径,公称通径(或叫公称直径),就是各种管子与管路附件的通用口径。
同一公称直径的管子与管路附件均能相互连接,具有互换性.它不是实际意义上的管道外径或内径,虽然其数值跟管道内径较为接近或相等;为了使管子、管件连接尺寸统一,采用公称直径(也称公称口径、公称通径)。
例如焊接钢管按厚度可分为薄壁钢管、普通钢管和加厚钢管。
其公称直径不是外径,也不是内径,而是近似普通钢管内径的一个名义尺寸。
每一公称直径,对应一个外径,其内径数值随厚度不同而不同。
公称直径可用公制mm表示,也可用英制in表示。
管路附件也用公称直径表示,意义同有缝管。
公称管子尺寸和公称直径对照表
英寸是长度单位。
1 英寸= 2.539999918 厘米(公分)。
英寸或[吋]是使用于联合王国(UK,即英国(英联邦)的长度单位。
美国等国家也使用它。
在台湾与香港,“英寸”通常写作“吋”。
英寸的常用简写为[in]或["]“吋”是近代新造的字,念作“英寸”,属汉字中一字念两音的字,其他如“浬”念作“海里”等,借用中国传统的长度单位“寸”,并加口旁以示区别。
一、尺寸:
二、D N15(4分管)、DN20(6分管)、DN25(1寸管)、DN32(1寸2管)、
DN40(1寸半管)、DN50(2寸管)、DN65(2寸半管)、DN80(3寸管)、DN100(4寸管)、DN125(5寸管)、DN150(6寸管)、DN200(8寸管)、DN250(10寸管)等。
三、把1英寸分成8等分: 1/8 1/4 3/8 1/2 5/8 3/4 7/8 英寸。
相当于通常说的1分管到7分管,更小的尺寸用1/16、1/32、1/64来表示,单位还是英寸。
如果分母和分子能够约分(如分子是2、4、8、16、32)就应该约分。
英寸的表示是在右上角打上两撇,如1/2"
如DN25(25mm,下同)的水管就是英制1"的水管,也是以前的8分水管。
DN15的水管就是英制1/2"的水管,也是以前的4分水管。
如DN20的水管就是英制3/4"的水管,也是以前的6分水管。
钢管公称直径、外径对照表
阀门1.6 2.5 4.0 6.4 10.0150lb300lb400lb600lb900lb1500lb2500lb
法兰 1.0 2.0 5.0 10.0 15.0
PE燃气管管材规格尺寸
表1:磅级、“K”级和公称压力对照表
注: 由于公称压力和磅级的温度基准不同,因此两者没有严格的对应关系,表1只是大致参考的对应关系。
表2:试验压力
表3:试验压力
注:1. 壳体压力试验为100ºF(38ºC)时,不低于额定值的1.5倍。
2. 密封压力试验为100ºF(38ºC)时,不低于额定值的1.1倍。
各种管材英制及国标公称直径与外径对照表
DN|英寸|公称外径之间的关系见下表:
公称通径是管路系统中所有管路附件用数字表示的尺寸,公称通径是供参考用的一个方便的圆整数,与加工尺寸仅呈不严格的关系。
公称通径用字母“DN”后面紧跟一个数字标志。
公称通径(nominal diameter),又称平均外径(mean outside diameter)。
这是缘自金属管的管璧很薄,管外径与管内径相差无几,所以取管的外径与管的内径之平均值当作管径称呼。
DN是公称通径,公称通径(或叫公称直径),就是各种管子与管路附件的通用口径。
其公称直径不是外径,也不是内径,而是近似普通钢管内径的一个名义尺寸。
每一公称直径,对应一个外径,其内径数值随厚度不同而不同。
公称直径可用公制mm表示,也可用英制in表示。
管路附件也用公称直径表示,意义同有缝管。
英寸是长度单位。
1 英寸= 厘米(公分)。
英寸或[寸]是使用于联合王国(UK,即英国(英联邦)的长度单位。
美国等国家也使用它。
在台湾与香港,“英寸”通常写作“寸”。
英寸的常用简写为[in]或["]“寸”是近代新造的字,念作“英寸”,属汉字中一字念两音的字,其他如“里”念作“海里”等,借用中国传统的长度单位“寸”,并加口旁以示区别。
一、尺寸:
二、D N15(4分管)、DN20(6分管)、DN25(1寸管)、DN32(1寸2管)、DN40(1寸半管)、DN50(2寸管)、
DN65(2寸半管)、DN80(3寸管)、DN100(4寸管)、DN125(5寸管)、DN150(6寸管)、DN200(8寸管)、DN250(10寸管)等。
三、把1英寸分成8等分: 1/8 1/4 3/8 1/2 5/8 3/4 7/8 英寸。
相当于通常说的1分管到7分管,更小的尺寸用1/16、1/32、1/64来表示,单位还是英寸。
如果分母和分子能够约分(如分子是2、4、8、16、32)就应该约分。
英寸的表示是在右上角打上两撇,如1/2"
如DN25(25mm,下同)的水管就是英制1"的水管,也是以前的8分水管。
DN15的水管就是英制1/2"的水管,也是以前的4分水管。
?
如DN20的水管就是英制3/4"的水管,也是以前的6分水管
外径与DN,NB的关系如下:。
钢管公称直径与钢管实际外径的对照表1 英寸=25.4毫米 =8英分1/2 是四分4英分 DN153/4 是六分6英分 DN202分管 DN84分管 DN156分管 DN201′ DN251.2′ DN321.5′ DN402′ DN502.5′ DN653′ DN804′ DN1005′ DN1256′ DN1508′ DN20010′ DN25012′ DN300GB/T50106-2001关于DN与De的区别:1、DN是指管道的公称直径,注意:这既不是外径也不是内径;应该与管道工程发展初期与英制单位有关;通常用来描述镀锌钢管,它与英制单位的对应关系如下:4分管:4/8英寸:DN15;6分管:6/8英寸:DN20;1寸管:1英寸:DN25;寸二管:1又1/4英寸:DN32;寸半管:1又1/2英寸:DN40;两寸管:2英寸:DN50;三寸管:3英寸:DN80很多地方也标为DN75;四寸管:4英寸:DN100;De主要是指管道外径,一般采用De标注的,均需要标注成外径X壁厚的形式;主要用于描述:无缝钢管、PVC等塑料管道、和其他需要明确壁厚的管材;拿镀锌焊接钢管为例,用DN、De两种标注方法如下:DN20 De25X2.5mmDN25 De32X3mmDN32 De40X4mmDN40 De50X4mm等等;;;;;;我们习惯于使用DN来标注焊接钢管,在不涉及到壁厚的情况下很少使用De来标注管道;但是标注塑料管就又是另外一回事了;还是跟行业习惯有关,实际施工过程中我们简略称呼的20、25、32等管道均是指De,而不是指DN,这里相差一个规格呢;不搞清楚很容易在采购、施工过程中造成损失;两种管道材料的连接方式不外乎:丝扣连接及法兰连接;其他连接方式就用得很少了;镀锌钢管、PPR管均能采用以上两种连接,只是小于50的管道用丝扣较方便,大于50的用法兰比较可靠;注意:如果是两种不同材质的金属管道相连,要考虑是否会产生原电池反应,否则会加速活跃金属材料管道的腐蚀速度,最好要用法兰连接,并用橡胶垫片类的绝缘材质将两种金属分隔开,包括螺栓都要用垫片分隔,避免接触工程管径对照表常用压力管道标准压力管道标准压力管道标准规格DN-公称直径Ф-外径大外径系列DN15-ф22mm,DN20-ф27mmDN25-ф34mm,DN32-ф42mmDN40-ф48mm,DN50-ф60mmDN65-ф7673mm,DN80-ф89mmDN100-ф114mm,DN125-ф140mmDN150-ф168mm,DN200-ф219mmDN250-ф273mm,DN300-ф324mmDN350-ф360mm,DN400-ф406mmDN450-ф457mm,DN500-ф508mmDN600-ф610mm,小外径系列DN15-ф18mm,DN20-ф25mmDN25-ф32mm,DN32-ф38mmDN40-ф45mm,DN50-ф57mmDN65-ф73mm,DN80-ф89mmDN100-ф108mm,DN125-ф133mmDN150-ф159mm,DN200-ф219mmDN250-ф273mm,DN300-ф325mmDN350-ф377mm,管道外径与公称直径的关系一般来说,管子的直径可分为外径、内径、公称直径;管材为无缝钢管的管子的外径用字母D来表示,其后附加外直径的尺寸和壁厚,例如外径为108的无缝钢管,壁厚为5MM,用D1085表示,塑料管也用外径表示,如De63,其他如钢筋混凝土管、铸铁管、镀锌钢管等采用DN表示,在设计图纸中一般采用公称直径来表示,公称直径是为了设计制造和维修的方便人为地规定的一种标准,也较公称通径,是管子或者管件的规格名称;管子的公称直径和其内径、外径都不相等,例如:公称直径为100MM的无缝钢管邮1025、1085等好几种,108为管子的外径,5表示管子的壁厚,因此,该钢管的内径为1085-5=98MM,但是它不完全等于钢管外径减两倍壁厚之差,也可以说,公称直径是接近于内径,但是又不等于内径的一种管子直径的规格名称,在设计图纸中所以要用公称直径,目的是为了根据公称直径可以确定管子、管件、阀门、法兰、垫片等结构尺寸与连接尺寸,公称直径采用符号DN表示,如果在设计图纸中采用外径表示,也应该作出管道规格对照表,表明某种管道的。
钢管公称直径与钢管实际外径的对照表1 英寸=25.4毫米 =8英分1/2 是四分(4英分) DN153/4 是六分(6英分) DN202分管DN84分管DN156分管DN201′DN251.2′DN321.5′DN402′DN502.5′DN653′DN804′DN1005′DN1256′DN1508′DN20010′DN25012′DN300GB/T50106-2001关于DN与De的区别:1、DN是指管道的公称直径,注意:这既不是外径也不是内径;应该与管道工程发展初期与英制单位有关;通常用来描述镀锌钢管,它与英制单位的对应关系如下:4分管:4/8英寸:DN15;6分管:6/8英寸:DN20;1寸管:1英寸:DN25;寸二管:1又1/4英寸:DN32;寸半管:1又1/2英寸:DN40;两寸管:2英寸:DN50;三寸管:3英寸:DN80(很多地方也标为DN75);四寸管:4英寸:DN100;De主要是指管道外径,一般采用De标注的,均需要标注成外径X壁厚的形式;主要用于描述:无缝钢管、PVC等塑料管道、和其他需要明确壁厚的管材。
拿镀锌焊接钢管为例,用DN、De两种标注方法如下:DN20 De25X2.5mmDN25 De32X3mmDN32 De40X4mmDN40 De50X4mm等等。
我们习惯于使用DN来标注焊接钢管,在不涉及到壁厚的情况下很少使用De来标注管道;但是标注塑料管就又是另外一回事了;还是跟行业习惯有关,实际施工过程中我们简略称呼的20、25、32等管道均是指De,而不是指DN,这里相差一个规格呢。
不搞清楚很容易在采购、施工过程中造成损失。
两种管道材料的连接方式不外乎:丝扣连接及法兰连接。
其他连接方式就用得很少了。
镀锌钢管、PPR管均能采用以上两种连接,只是小于50的管道用丝扣较方便,大于50的用法兰比较可靠。
注意:如果是两种不同材质的金属管道相连,要考虑是否会产生原电池反应,否则会加速活跃金属材料管道的腐蚀速度,最好要用法兰连接,并用橡胶垫片类的绝缘材质将两种金属分隔开,包括螺栓都要用垫片分隔,避免接触工程管径对照表(常用)压力管道标准压力管道标准压力管道标准规格DN-公称直径Ф-外径大外径系列DN15-ф22mm,DN20-ф27mmDN25-ф34mm,DN32-ф42mmDN40-ф48mm,DN50-ф60mmDN65-ф76(73)mm,DN80-ф89mmDN100-ф114mm,DN125-ф140mmDN150-ф168mm,DN200-ф219mmDN250-ф273mm,DN300-ф324mmDN350-ф360mm,DN400-ф406mmDN450-ф457mm,DN500-ф508mmDN600-ф610mm,小外径系列DN15-ф18mm,DN20-ф25mmDN25-ф32mm,DN32-ф38mmDN40-ф45mm,DN50-ф57mmDN65-ф73mm,DN80-ф89mmDN100-ф108mm,DN125-ф133mmDN150-ф159mm,DN200-ф219mmDN250-ф273mm,DN300-ф325mmDN350-ф377mm,管道外径与公称直径的关系一般来说,管子的直径可分为外径、内径、公称直径。
常用公称直径和几分管对照表,你记在心里了吗?一、吋是公称直径的英制叫法换算成毫米也只能是公称直径的米制叫法,不能对应外径,因为同一公称直径的管子还有大小口径之分二、在管道的规格上没有绝对的换算公式,对于小于100只能以1吋=25 来模糊计算,取其相近的数,对于大于100的管子用1吋=25可以完全匹配计算。
常用的如下:公称直径DN6 对应的俗称1分公称直径DN8 对应的俗称2分公称直径DN10 对应的俗称3分公称直径DN15 对应的俗称4分公称直径DN20 对应的俗称6分公称直径DN25 对应的俗称1吋公称直径DN32 对应的俗称1吋2分公称直径DN40 对应的俗称1吋半公称直径DN50 对应的俗称2吋公称直径DN65 对应的俗称2吋半公称直径DN80 对应的俗称3吋公称直径DN100 对应的俗称4吋公称直径DN125 对应的俗称5吋公称直径DN150 对应的俗称6吋公称直径DN200 对应的俗称8吋公称直径DN250 对应的俗称10吋公称直径DN300 对应的俗称12吋公称直径DN350 对应的俗称14吋公称直径DN400 对应的俗称16吋公称直径DN450 对应的俗称18吋公称直径DN500 对应的俗称20吋公称直径DN600 对应的俗称24吋1 英寸=25.4毫米=8英分1/2 是四分(4英分) DN15 =1.27cm3/4 是六分(6英分) DN20 =1.905cmDe、DN、D、d、Φ的含义1、DN(Nominal Diameter)意思是管道的公称直径,是外径与内径的平均值。
DN的值=De的值-0.5*管壁厚度。
注意:这既不是外径也不是内径。
水、煤气输送钢管(镀锌钢管或非镀锌钢管)、铸铁管、钢塑复合管和聚氯乙烯(PVC)管等管材,应标注公称直径“DN”(如DN15、DN50)。
2、De(External Diameter)意思是管道外径,PPR、PE管、聚丙烯管外径,一般采用De标注的,均需要标注成外径*壁厚的形式,例De25×3。
英寸是长度单位。
1 英寸= 2.539999918 厘米(公分)。
英寸或[吋]是使用于联合王国(UK,即英国(英联邦)的长度单位。
美国等国家也使用它。
在台湾与香港,“英寸”通常写作“吋”。
英寸的常用简写为[in]或["]“吋”是近代新造的字,念作“英寸”,属汉字中一字念两音的字,其他如“浬”念作“海里”等,借用中国传统的长度单位“寸”,并加口旁以示区别。
一、尺寸:
DN15(4分管)、DN20(6分管)、DN25(1寸管)、DN32(1寸2管)、DN40(1寸半管)、DN50(2寸管)、DN65(2寸半管)、DN80(3寸管)、DN100(4寸管)、DN125(5寸管)、DN150(6寸管)、DN200(8寸管)、DN250(10寸管)等。
二、把1英寸分成8等分: 1/8 1/4 3/8 1/2 5/8 3/4 7/8 英寸。
相当于通常说的1分管到7分管,更小的尺寸用1/16、1/32、1/64来表示,单位还是英寸。
如果分母和分子能够约分(如分子是2、4、8、16、32)就应该约分。
英寸的表示是在右上角打上两撇,如1/2"
如DN25(25mm,下同)的水管就是英制1"的水管,也是以前的8分水管。
DN15的水管就是英制1/2"的水管,也是以前的4分水管。
如DN20的水管就是英制3/4"的水管,也是以前的6分水管。