门禁接线图CU-K05
- 格式:pdf
- 大小:656.44 KB
- 文档页数:1
非接触式感应卡门禁使用说明书安装使用前请仔细阅读本说明书一、产品简介:本非接触式感应卡门禁控制器是现代先进的门禁系统之一。
它选用最新中央处理器(CPU)及大容量存储芯片,所有资料不会因断电而丢失;功能强大,具备感应卡开门、感应卡加密码开门、密码开门三种开门方式;门状态监视、输出报警、安全模式、防拆、感应卡加密码等完善的保安措施让用户更加安全;开门按钮、关门提醒、门铃、可接常开或常闭锁等强大功能让用户更加方便。
本产品提供了一种安全自动的出入口管制方式,是商务机构、办公室、工厂、住宅、小区等场所的理想装置。
三、声光指示:内置蜂鸣器:1、初始密码:编程密码为9999。
2按进入编程状态。
3(1按(2按否则该卡无效。
如需连续增加卡,则在输完三位数的代码后不必按直接读第二张卡。
(3A、按B、按(4按读有效卡开门按读卡加密码开门按读卡或密码开门(5按注:XX为00-99,单位为秒,出厂设置为6秒。
(6按注:以上设置在最后按之前按下一个键时的间隔不能超过十秒5、使用方法:(1)正常工作状态读一张有效卡即可开门;(2)如果需读卡加密码的,则在读完卡后10秒钟内输入正确的密码即可开门;(3)如果忘记编程密码了,可使用主板上的跳线开关“RESET”来恢复出厂设置。
先关闭电源将跳线开关拨到“ON”位置,再接通电源,蜂鸣器响三声后将跳线开关拨回“OFF”位置即可恢复出厂设置。
注:1、在安装接线时请先关闭电源,切勿带电操作!!2、正常情况下电锁是从电源控制器接出。
高优门禁CU-k05说明书高优门禁CU-k05说明书-----COUNS门禁非接触式感应卡门禁使用说明书安装使用前请仔细阅读本说明书一、产品简介:本非接触式感应卡门禁控制器是现代先进的门禁系统之一。
它选用最新中央处理器(CPU)及大容量存储芯片,所有资料不会因断电而丢失;功能强大,具备感应卡开门、感应卡加密码开门、密码开门三种开门方式;门状态监视、输出报警、安全模式、防拆、感应卡加密码等完善的保安措施让用户更加安全;开门按钮、关门提醒、门铃、可接常开或常闭锁等强大功能让用户更加方便。
本产品提供了一种安全自动的出入口管制方式,是商务机构、办公室、工厂、住宅、小区等场所的理想装置。
二、技术参数:序号项目指标1 工作电源直流:电压12V?10% 电流 < 0.1A3 外型尺寸116mm×116mm×20mm4 重量 130g5 环境温度 0?—60?6 相对湿度 20%—80%7 存储容量 255张用户卡、1组开门密码8 读卡距离 5,15CM 9 读卡类型 EM或EM兼容卡三、声光指示:LED指示灯:事件红灯绿灯正常状态每秒闪烁一次读有效卡亮读非法卡亮开锁亮键入按键亮进入编程亮编程确认亮内置蜂鸣器:事件说明鸣音读有效卡两次短鸣嘀嘀读非法卡一次长鸣嘀——键入按键有效一次短鸣嘀输入密码有效两次短鸣嘀嘀输入密码错误一次长鸣嘀——编程确认两次短鸣嘀嘀防拆报警连续长鸣嘀—嘀—嘀—四、设置及使用方法:1、初始密码:编程密码为9999。
修改为:66662、进入编程状态:按 * 编程密码 # 进入编程状态。
3、功能设置:(1)修改编程密码:按 * 编程密码 # 0 新密码 # 重复新密码 # *注:密码为4-6位任意数字。
(2)增加用户卡:按 * 编程密码 # 1 读卡输入该卡代码 # *注:卡的代码为001-999不可重复的三位数字,必需输入代码,否则该卡无效。
如需连续增加卡,则在输完三位数的代码后不必按 # 直接读第二张卡。
门禁磁力锁安装接线示意图为了确保人身安全,门禁接线过程需要在关闭所有电源的情况下进行。
1、先给门禁电源接220V的电。
2、接好220V电压后再来看看门禁电源的接线端口。
3、以下有10个接线端子,NO跟COM接电控锁的,NC跟COM接磁力锁,12V跟GND给门禁一体机供电,GND跟PUSH接开门信号,接下来先接磁力锁,磁力锁就红黑两根线,如下图。
4、红色线接NC,黑色线COM,首先把12V电源线接。
5、红色是12V正极,黑色12V负极。
6、接下来接开门按钮。
7、接下来再看门禁电源的按钮线,GND跟PUSH,下图。
8、这就接好了开门按钮这头接的是GND跟PUSH,门禁接线完成。
调试及应用办法【2 】1、初始暗码:编程暗码为9999.2、进入编程状况:按 * 编程暗码#进入编程状况.3、功效设置:(1)修正编程暗码:按 * 编程暗码 # 0 新暗码 # 反复新暗码 # * 注:暗码为4-6位随意率性数字.(2)增长用户卡:按 * 编程暗码 # 1 读卡输入该卡代码 # * 注:卡的代码为001-999不可反复的三位数字,必需输入代码,不然该卡无效.如需持续增长卡,则在输完三位数的代码后不必按 # 直接读第二张卡. (3)删除用户卡(有三种办法):A.按 * 编程暗码 # 2 0 0 0 0 # *删除全体用户卡;B.按 * 编程暗码 # 2 读卡 # * 删除被读的卡;C.按 * 编程暗码 # 2 该卡代码 # *删除遗掉的卡;(4)设置开门模式:按 * 编程暗码 # 3 0 0 # * 读有用卡开门按 * 编程暗码 # 3 0 1 # * 读卡加暗码开门按 * 编程暗码# 3 02# *读卡或暗码开门注:出厂设置为读卡或者暗码开门;(5)设置开门时光:按 * 编程暗码 # 4 X X # *注:XX为00-99,单位为秒,出厂设置为6秒.(6)设置公共开门暗码:按*编程暗码 # 5 新暗码 # 反复新暗码# *注:暗码为4-6位随意率性数字.注:以上设置在最后按 *之前按下一个键时的距离不能超过十秒5.应用办法(1)正常工作状况读一张有用卡即可开门;(2)假如需读卡加暗码的,则在读完卡后10秒钟内输入准确的暗码即可开门;(3)假如忘却编程暗码了,可应用主板上的跳线开关“RESET”来恢复出厂设置.先封闭电源将跳线开关拨到“ON”地位,再接通电源,蜂鸣器响三声后将跳线开关拨回“OFF”地位即可恢复出厂设置。
中控门禁机接线示意图
锁由门禁专用电源供电
1、锁的接线(如YB100电插锁、YH280KG磁力锁等常闭锁)
锁的正极接在门禁专用电源的NC端上;
锁的负极接在门禁专用电源的GND端上。
2、中控门禁机接线(如:F2、F201、F8、SC102、SC10
3、F7 等中控门禁机)中控门禁机的+12V(红色)接门禁专用电源+12V
中控门禁机的GND(黑色)接门禁专用电源GND
中控门禁机的NO(蓝色)接门禁专用电源PUSH
中控门禁机的COM(红色)接门禁专用电源GND
注:中控门禁机的GND和COM可以并接在一起,然后同时接到门禁专用电源上的GND上。
锁由中控门禁机直接供电
1、锁
锁的正极接在中控门禁机的NC(黄色)端上;
锁的负极接在中控门禁机的GND(黑色)端上。
2、中控门禁机
中控门禁机的COM(红色)需并上中控门禁机的+12V(红色)上。
中控门禁机外接DC12V报警器
1.中控门禁机的AL+(橙色)和中控门禁机的+12V(红色)并在一起2.AL-(绿色)接DC12V报警器正极
3.GND(黑色)接DC12V报警器负极
中控门禁机外接有线门磁
1、接线:
中控门禁机的SEN(白色)和中控门禁机的GND(黑色)分别接在门磁的两端,没有正负之分。
2、设置:
进入中控门禁机的设置界面,“设置”—→“门禁功能设置”—→“门磁开关”—→设置为“常闭”,则在门磁处于断开状态时,报警器报警,也就是相当于门打开了报警。
在主菜单下按“解除报警”可解除报警。
中控门禁机外接交流AC~220V报警器。
非接触式感应卡门禁使用说明书安装使用前请仔细阅读本说明书一、产品简介:本非接触式感应卡门禁控制器是现代先进的门禁系统之一。
它选用最新中央处理器(cpu)及大容量存储芯片,所有资料不会因断电而丢失;功能强大,具备感应卡开门、感应卡加密码开门、密码开门三种开门方式;门状态监视、输出报警、安全模式、防拆、感应卡加密码等完善的保安措施让用户更加安全;开门按钮、关门提醒、门铃、可接常开或常闭锁等强大功能让用户更加方便。
本产品提供了一种安全自动的出入口管制方式,是商务机构、办公室、工厂、住宅、小区等场所的理想装置。
三、声光指示:1、初始密码:编程密码为9999。
2按进入编程状态。
3 (1按(2按如需连续增加卡,则在输完三位数的代码后不必按直接读第二张卡。
(3a、按b、按c、按(4按读有效卡开门按读卡加密码开门按读卡或密码开门(5 按(6 按注:以上设置在最后按之前按下一个键时的间隔不能超过十秒 5、使用方法:(1)正常工作状态读一张有效卡即可开门;(2)如果需读卡加密码的,则在读完卡后10秒钟内输入正确的密码即可开门;(3)如果忘记编程密码了,可使用主板上的跳线开关“reset”来恢复出厂设置。
先关闭电源将跳线开关拨到“on”位置,再接通电源,蜂鸣器响三声后将跳线开关拨回“off”位置即可恢复出厂设置。
附:安装接线图注:1、在安装接线时请先关闭电源,切勿带电操作!!2、正常情况下电锁是从电源控制器接出。
篇二:门禁cu-k05说明书门禁密码:2303 (四门一样)一、产品简介:本非接触式感应卡门禁控制器是现代先进的门禁系统之一。
它选用最新中央处理器(cpu)及大容量存储芯片,所有资料不会因断电而丢失;功能强大,具备感应卡开门、感应卡加密码开门、密码开门三种开门方式;门状态监视、输出报警、安全模式、防拆、感应卡加密码等完善的保安措施让用户更加安全;开门按钮、关门提醒、门铃、可接常开或常闭锁等强大功能让用户更加方便。
门禁系统怎么安装接线?门禁系统线路接线图图解门禁系统一般包括:门禁主机、门禁电源、电控锁(电插锁)、出门按钮、或读卡器。
联网的话还需要接主控电脑,主控电脑需要安装相应软件。
接线步骤如下:先给门禁电源接220V的电,手里那两条红色的就是接220电压的线,也就是门禁电源电压输入端,接220的电大家都会,这个可以不分火线零线,由于它两根都是红色的,接上去胶布缠好,就可以了,记住不要带电接。
接好220V电压后我们先来看看门禁电源的接线端口,门禁电源接线端子会看到有10个接线端子,NO跟COM接电控锁的,NC跟COM接磁力锁,12V跟GND给门禁一体机供电,GND跟PUSH接开门信号,接开门按钮都可以。
后面是接门铃对讲,先接磁力锁,磁力锁就红黑两根线,磁力锁接COM跟NC。
红色线接NC,黑色线COM,螺丝一拧接上去就可以了。
下一个我们接门禁一体机,把门禁电源跟门禁一体机用四芯线(用3芯就够了)连接,首先把12V电源线接了,红色是12V正极,黑色12V负极,黄色线是继电器常开输出端,这个接门禁电源的PUSH口就可以了。
黄色线是开门信号线,不接,门禁就不能刷卡,也不能密码开门,其它线就是接读头信号,接门铃,接数据拷贝等。
接下来我们来接开门按钮,我用网线绿和白绿来当信号线。
开门按钮线不分正负,任凭接。
接下来,我们再接门禁电源这里的按钮线,GND跟PUSH。
接线方式如图所示:①门禁主机上的+12V、GND端(门禁主机供电)接门禁电源的+12V、GND端。
②电控锁正端接门禁电源的NO或NC端(视常开锁、常闭锁而定);通常接法接到NC端(通电开锁,断电关锁)。
电控锁负端接门禁电源的GND端。
③门禁主机上的PUSH端(开门信号)接门禁电源的PUSH端。
(门禁主机上开门信号标示是NO、NC的,通常接NO端至接门禁电源的PUSH端)。
④另一端接出门按钮的话,出门按钮的2根连线接到门禁主机的出门按钮端和GND端;或者接入到门禁电源的PUSH端和GND 端。
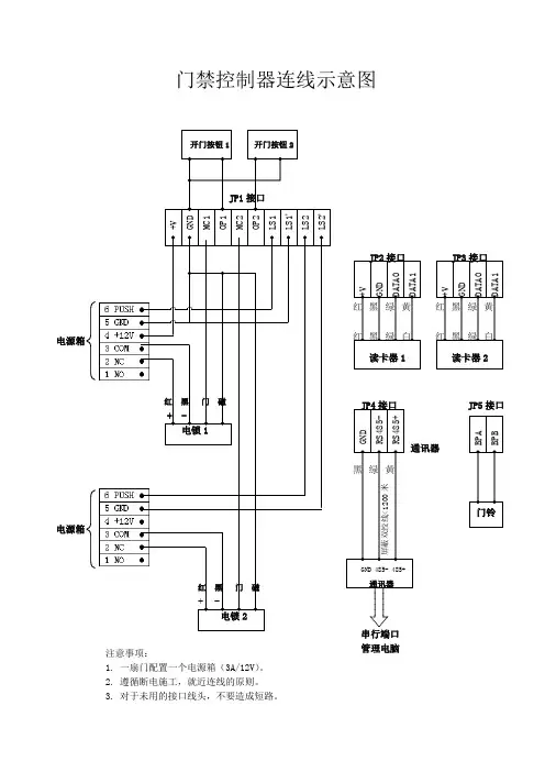
门禁控制器连线示意图开门按钮1 开门按钮2红 黑 门 磁+ -电锁1红 黑 门 磁+ -电锁2+VG N DM C 1O P 1M C 2O P 2L S 1L S 1' L S 2L S 2' +VG N DD A T A 0 D A T A 1+VG N DD A T A 0D A T A 1电源箱电源箱JP3接口JP2接口 JP1接口JP5接口B P AB P B 红 黑 绿 白红 黑 绿 黄红 黑 绿 白 红 黑 绿 黄 G N DR S 485-R S 485+JP4接口 通讯器GND 485- 485+黑 绿 黄管理电脑屏蔽双绞线<1200米注意事项:1. 一扇门配置一个电源箱(3A/12V )。
2. 遵循断电施工,就近连线的原则。
3. 对于未用的接口线头,不要造成短路。
读卡器2读卡器1通讯器门铃串行端口G N DR S 485-R S 485+JP5接口门禁(两锁分控)连线示意图开门按钮1 开门按钮2红 黑 门 磁 红 黑 门 磁+ - + -电锁1 电锁2+VG N DM C 1O P 1M C 2O P 2L S 1L S 1' L S 2L S 2' 电源箱JP1接口 通讯器GND 485- 485+黑 绿 黄屏蔽双绞线<1200米管理电脑 串行端口注意事项:1. 遵循断电施工,就近连线的原则。
2. 对于未用的接口线头,不要造成短路。
JP3接口 JP2接口 +VG N DD A T A 0D A T A 0G N D+VD A T A 1D A T A 1红 黑 绿 黄红 黑 绿 黄 红 黑 绿 白 红 黑 绿 白 读卡器2 读卡器1 JP5接口 B P AB P B门铃。
门禁机接线示意图
GND 地 WG_OUT+ 韦根输出正 485B RS485通讯接口负 +12V IN 电源输入 WG_OUT- 韦根输出负 485A RS485通讯接口正
COM 控锁信号公共端 WG_IN+ 韦根输入正 BUTTON 开门按钮 NO 控锁信号常开端 WG_IN- 韦根输入负
GND 共地 NC 控锁信号常闭端 GND 共地 DSEN 门磁 Bell+ 门铃接口正 +5V 5V 电压输出 GND 共地 Bell-
门铃接口负
ALM-
报警输出负
ALM+
报警输出正
GND +12V IN COM- NO
NC
BELL+ BELL-
门禁专用电源
NC
COM NO PUSH GND +12V
电插锁
D1 D0 GND
门
禁控制器
WG_OUT+ WG_OUT- WG_ IN+ WG_IN- GND +5V OUT ALARM+ ALARM-
RS485B
RS485A BUTTON GND DSEN
GND
电源
外接警报
门磁
接电脑串
图1
图2
图3
图1
图3 图2
本产品接线方便、操作简单,可以直接替代原有的感应卡单门门禁机,无需多加改造;
本产品既可以独立作为单门门禁机,又可以作为指纹读头接入到门禁控制器中(WG26协议);
本产品支持U盘、RS485、TCP/IP三种通讯方式,门禁机背面的RJ45端口为TCP/IP通讯端口;
如果由于产品升级造成说明书的接口定义和门禁及的背面贴图不一致,请一定以最新的接线图为准;
本产品门锁控制继电器为:DC24V3A,外接报警继电器为:DC24V1A,如果由门禁机直接接负载,请注意标称。
非接触式感应卡门禁使用说明书安装使用前请仔细阅读本说明书一、产品简介:本非接触式感应卡门禁控制器是现代先进的门禁系统之一。
它选用最新中央处理器(CPU)及大容量存储芯片,所有资料不会因断电而丢失;功能强大,具备感应卡开门、感应卡加密码开门、密码开门三种开门方式;门状态监视、输出报警、安全模式、防拆、感应卡加密码等完善的保安措施让用户更加安全;开门按钮、关门提醒、门铃、可接常开或常闭锁等强大功能让用户更加方便。
本产品提供了一种安全自动的出入口管制方式,是商务机构、办公室、工厂、住宅、小区等场所的理想装置。
二、技术参数:三、声光指示:LED指示灯:内置蜂鸣器:四、设置及使用方法:1、初始密码:编程密码为9999。
2、进入编程状态:按进入编程状态。
3、功能设置:(1)修改编程密码:按注:密码为4-6位任意数字。
(2)增加用户卡:按注:卡的代码为001-999不可重复的三位数字,必需输入代码,否则该卡无效。
如需连续增加卡,则在输完三位数的代码后不必按直接读第二张卡。
(3)删除用户卡(有三种方法):A、按删除全部用户卡;B、按删除被读的卡;C、按删除遗失的卡;(4)设置开门模式:按* 编程密码 # 3 0 0 # * 读有效卡开门按* 编程密码 # 3 0 1 # * 读卡加密码开门按* 编程密码 # 3 0 2 # * 读卡或密码开门注:出厂设置为读卡或者密码开门;(5)设置开门时间:按* 编程密码 # 4 X X # *注:XX为00-99,单位为秒,出厂设置为6秒。
(6)设置公共开门密码:按* 编程密码 # 5 新密码 # 重复新密码 # *注:密码为4-6位任意数字。
注:以上设置在最后按* 之前按下一个键时的间隔不能超过十秒5、使用方法:(1)正常工作状态读一张有效卡即可开门;(2)如果需读卡加密码的,则在读完卡后10秒钟内输入正确的密码即可开门;(3)如果忘记编程密码了,可使用主板上的跳线开关“RESET”来恢复出厂设置。
一图看懂门禁电磁锁(电插锁)怎么连
简单的门禁系统一般包括:主机、电源、电磁锁(电插锁)、按钮开关、室内控制主机,如果自己单位、自己家想安装个简单的门禁,不用求人,一图看懂怎么连接。
当然,需求复杂些的还是找专业的人去安装调试。
主机上几十根的线,是不是看得眼花缭乱
是不是眼花缭乱
根据多年的工作经验,把经常使用的连接方法做了个简图,对着连接图就可以,一看便知
简图,是不是简单了
有些电插锁上没有GND和 12
这个锁上没有GND和 12
不用理会一大堆的蓝白黄灰等,只需要找到正负极就行(仅限于正常开锁闭锁,有其他需求,还要找专业人员配置),负极就是GND,正极就是 12,就是上图的红、黑-。
这里特别说明下,电源要用正规的电源,要满A,不然会出现偶尔开不开门的现象,还有电源线不要用网线替代,也会出现不受控的现象,这都是经验之谈,可以避免你返工,浪费时间。
如果觉得有用,加个关注,分享一些实用的知识。
非接触式感应卡门禁
使
用
说
明
书
安装使用前请仔细阅读本说明书
一、产品简介:
本非接触式感应卡门禁控制器是现代先进的门禁系统之一。
它选用最新中央处理器(CPU)及大容量存储芯片,所有资料不会因断电而丢失;功能强大,具备感应卡开门、感应卡加密码开门、密码开门三种开门方式;
门状态监视、输出报警、安全模式、防拆、感应卡加密码等完善的保安措施让用户更加安全;开门按钮、关门提醒、门铃、可接常开或常闭锁等强大功能让用户更加方便。
本产品提供了一种安全自动的出入口管制方式,是商务机构、办公室、工厂、住宅、小区等场所的理想装置。
三、声光指示:
内置蜂鸣器:
1、初始密码:编程密码为9999。
2
按进入编程状态。
3
(1
按
(2
按
如需连续增加卡,则在输完三位数的代码后不必按直接读第二张卡。
(3
A、按
B、按
C、按
(4
按读有效卡开门
按读卡加密码开门按读卡或密码开门
(5
按
(6
按
注:以上设置在最后按之前按下一个键时的间隔不能超过十秒
5、使用方法:
(1)正常工作状态读一张有效卡即可开门;
(2)如果需读卡加密码的,则在读完卡后10秒钟内输入正确的密码即可开门;(3)如果忘记编程密码了,可使用主板上的跳线开关“RESET”来恢复出厂设置。
先关闭电源将跳线开关拨到“ON”位置,再接通电源,蜂鸣器响三声后将跳线开关拨回“OFF”位置即可恢复出厂设置。
附:安装接线图
注:1、在安装接线时请先关闭电源,切勿带电操作!!
2、正常情况下电锁是从电源控制器接出。