4.170米梁板、楼梯钢筋模板安装检验批
- 格式:xls
- 大小:17.50 KB
- 文档页数:1
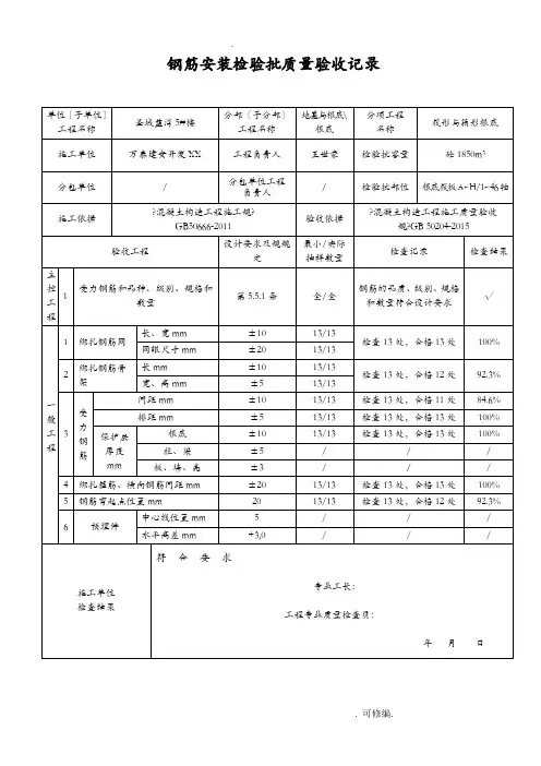
钢筋安装检验批质量验收记录
(GB50204-2002)表5・ 5 编号:010602 (4) /020102 ⑷□□口
010602 (4) /020102 (4) □口□说明
主控项目
5. 5.1钢筋安装时,受力钢筋的品种、级别、规格和数量必须符合设讣要求。
检查数量:全数检查。
检验方法:观察,钢尺检査。
—般项目
5. 5.2钢筋安装位置的偏差应符合表5.5.2的规定。
检查数量:在同一检验批内,对梁、柱和独立基础,应抽査构件数量的10%,且不少于3件;对墙和板,应按有代表性的自然间抽査10%,且不少于3间:对大空间结构,墙可按相
邻轴线间髙度5m左右划分检查而,板可按纵、横线划分检查而,抽查10%,且均不
少于3而。
钢筋安装位置的允许偏差和检验方法表
注:1、检査预埋件中心线位置时,应沿纵、横两个方向量测,并取其中的较大值;
2、表中梁类.板类构件上部纵向受力钢筋保护层厚度的合格点率应达到90%及以上,且不得有超
过表中数值1・5倍的尺寸偏差。
注:本表由施工工程专业质量检查员填写,专业监理工程师(建设单位工程专业技术负责人)组织工程专业质量(技术)负责人等进行验收。
混凝土浇灌令表B.0.7 钢筋加工报审、报验表工程名称:铜冠一品江山三组团15#楼工程编号:注:本表一式二份,项目监理机构、施工单位各一份。
钢筋加工检验批质量验收记录表B.0.7 钢筋连接报审、报验表工程名称:铜冠一品江山三组团15#楼工程编号:注:本表一式二份,项目监理机构、施工单位各一份。
钢筋连接检验批质量验收记录表B.0.7 钢筋安装报审、报验表工程名称:铜冠一品江山三组团15#楼工程编号:注:本表一式二份,项目监理机构、施工单位各一份。
钢筋安装检验批质量验收记录隐蔽工程验收记录年月日钢筋工程施工单位:江苏镇淮建设集团有限公司技术员:施工员表B.0.7 模板安装报审、报验表工程名称:铜冠一品江山三组团15#楼工程编号:注:本表一式二份,项目监理机构、施工单位各一份。
模板安装检验批质量验收记录表B.0.7 混凝土原材料报审、报验表工程名称:铜冠一品江山三组团15#楼工程编号:注:本表一式二份,项目监理机构、施工单位各一份。
混凝土原材料及配合比设计检验批质量验收记录表01020209 0102030902010303表B.0.7 混凝土施工报审、报验表编号:工程名称:铜冠一品江山三组团15#楼工程注:本表一式二份,项目监理机构、施工单位各一份。
混凝土施工检验批质量验收记录表B.0.7 现浇结构外观及尺寸偏差报审、报验表工程名称:铜冠一品江山三组团15#楼工程编号:现浇结构外观及尺寸偏差检验批质量验收记录表B.0.7 钢筋连接报审、报验表工程名称:铜冠一品江山三组团15#楼工程编号:注:本表一式二份,项目监理机构、施工单位各一份。
钢筋连接检验批质量验收记录02010203表B.0.7 钢筋安装报审、报验表工程名称:铜冠一品江山三组团15#楼工程编号:注:本表一式二份,项目监理机构、施工单位各一份。
钢筋安装检验批质量验收记录隐蔽工程验收记录年月日钢筋工程施工单位:江苏镇淮建设集团有限公司技术员:施工员表B.0.7 模板安装报审、报验表工程名称:铜冠一品江山三组团15#楼工程编号:注:本表一式二份,项目监理机构、施工单位各一份。
混凝土浇灌令编号:表B。
0.7 钢筋加工报审、报验表工程名称:铜冠一品江山三组团15#楼工程编号:钢筋加工检验批质量验收记录02010202表B。
0.7 钢筋连接报审、报验表工程名称:铜冠一品江山三组团15#楼工程编号:钢筋连接检验批质量验收记录02010203表B。
0.7 钢筋安装报审、报验表工程名称:铜冠一品江山三组团15#楼工程编号:钢筋安装检验批质量验收记录02010204隐蔽工程验收记录年月日钢筋工程施工单位:江苏镇淮建设集团有限公司技术员:施工员表B。
0。
7 模板安装报审、报验表工程名称:铜冠一品江山三组团15#楼工程编号:模板安装检验批质量验收记录02010101表B。
0.7 混凝土原材料报审、报验表工程名称:铜冠一品江山三组团15#楼工程编号:混凝土原材料及配合比设计检验批质量验收记录表01020209 0102030902010303表B.0。
7 混凝土施工报审、报验表工程名称:铜冠一品江山三组团15#楼工程编号:混凝土施工检验批质量验收记录02010303表B。
0.7 现浇结构外观及尺寸偏差报审、报验表工程名称:铜冠一品江山三组团15#楼工程编号:现浇结构外观及尺寸偏差检验批质量验收记录02010501表B。
0.7 钢筋连接报审、报验表工程名称:铜冠一品江山三组团15#楼工程编号:注:本表一式二份,项目监理机构、施工单位各一份。
钢筋连接检验批质量验收记录02010203表B。
0。
7 钢筋安装报审、报验表工程名称:铜冠一品江山三组团15#楼工程编号:钢筋安装检验批质量验收记录02010204隐蔽工程验收记录年月日钢筋工程施工单位:江苏镇淮建设集团有限公司技术员:施工员表B。
0.7 模板安装报审、报验表工程名称:铜冠一品江山三组团15#楼工程编号:模板安装检验批质量验收记录02010101表B.0。
7 混凝土原材料报审、报验表工程名称:铜冠一品江山三组团15#楼工程编号:混凝土原材料及配合比设计检验批质量验收记录表01020209 0102030902010303表B。
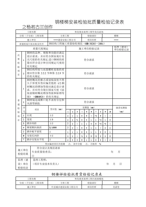
楼梯安装工程检验批质量验收记录
项目概述
本次楼梯安装工程检验批质量验收记录是针对楼梯工程的质量验收而进行的记录。
通过对楼梯安装工程的检验,旨在确认楼梯的安装质量是否符合相关标准和要求。
检验内容
1.楼梯材质:确认楼梯材质是否符合规定要求,包括楼梯板、扶手等。
2.楼梯尺寸:测量楼梯的长度、宽度、高度等尺寸是否满足设计要求。
3.楼梯安装:检查楼梯的固定方式、连接件等,确认楼梯安装结构牢固可靠。
4.楼梯外观:检查楼梯的表面平整度、漆装质量等外观要求。
检验结果
项目。
| 符合要求 | 不符合要求 | 备注。
|
楼梯材质。
|。
|。
|。
|
楼梯尺寸。
|。
|。
|。
|
楼梯安装。
|。
|。
|。
|
楼梯外观。
|。
|。
|。
|
不符合项处理
若发现不符合要求的项目,则采取以下处理措施:
1.记录具体不符合项和问题描述。
2.立即通知楼梯安装责任方进行整改。
3.安排专人重新检验整改后的楼梯。
总结
本次楼梯安装工程检验批质量验收记录可作为楼梯工程完工后的质量验收依据,通过本次检验确认楼梯的安装质量是否达到标准
要求。
对于不符合要求的项目,应及时整改,确保楼梯的安全可靠性和外观品质。
校对人:(姓名)
日期:(日期)。
钢筋安装检验批质量验收记录及检验规定和说明编号:单位工程名称分项工程名称分部工程验收部位施工总承包项目专业工单位经理长专业承包单项目施工班位经理长施工执行标准名称及编号监理(建施工质量验收规范的规定施工单位检查评定设)单位记录验收记录第主 1 纵向钢筋的连接方式8.2.11控条项机械连接和焊接接头第目28.2.12的力学性能条第受力钢筋的品种、级38.2.18别、规格和数量条第1接头的位置和数量8.2.13条第机械连接、焊接的外观2质量8.2.14条第机械连接、焊接的接头38.2.15一面积百分率条般第项绑扎搭接接头面积百48.2.16目分率和搭接长度条第搭接长度范围内的5箍筋8.2.17条钢绑长、宽± 106筋扎(mm)安钢网眼尺寸± 20装筋(mm)允网许绑长(mm)± 10偏扎差钢宽、高筋± 5(m m)骨架间距± 10(m m)排距± 5(m m)受保基础±10力护柱梁±5钢层筋厚板墙度± 3壳(mm)绑扎钢筋、横向± 20钢筋间距( mm)钢筋弯起点位置20(mm)预中心线位置埋(mm)件水平高差(mm)5 +3,0施工单位检查评定结果:质量检查员:年月日监理或建设单位验收结论:监理工程师或建设单位项目专业技负责人:年月日检验规定和说明适用范围:本表适用于明挖车站钢筋安装工程质量的验收。
检验批的划分:每一浇筑段为一检验批。
主控项目:1.纵向受力钢筋的连接方式应符合设计要求。
检验数量:施工单位、监理单位全数检查。
检验方法:观察检查。
2.在施工现场,应按国家现行标准《钢筋机械连接通用技术规程》( JGJ107)、《钢筋焊接及验收规程》(JGJ18)的规定抽取钢筋机械连接接头、焊接接头试件作力学性能检验,其质量应符合有关规程的规定。
检验数量:施工单位、监理单位按机械连接:同一批材料的同等级、同形式、同规格的接头每500 个为一检验批,不足 500 个接头也按一检验批计,每一检验批必须在工程结构中随机截取 3 个试件做单向拉伸试验;钢筋焊接:同一接头形式、同钢筋级别每300 个接头为一检验批。
梁、板、楼梯钢筋隐蔽检验批
概述
钢筋是构成混凝土的重要材料之一,其在混凝土构件中起到增强和支撑作用。
隐蔽钢筋包括梁、板、楼梯等混凝土结构中未在表面显示出来的钢筋,因此必须进行隐蔽检验批,以确保其质量符合规定要求。
检验要求
钢筋检验应按照以下规定进行:
1.钢筋的直径、长度、间距等尺寸应符合设计图纸的要求。
2.钢筋的材质、规格和强度等应符合设计规范、标准和图纸要求。
3.钢筋表面应洁净光滑,允许有轻微氧化锈蚀。
4.钢筋弯曲处不得断裂、不得有裂纹。
检验方法
1.视察法:检验人员通过肉眼或显微镜观察钢筋表面的情况。
2.计量法:检验人员使用卡尺、量规等量具来测量钢筋的尺寸和间距。
3.断面观察法:检验人员通过将钢筋切割并加工成几何形状来检验其材
质和强度等。
检验步骤
1.钢筋进场前检验。
2.钢筋进场后随机取样,进行化学成分、材质、机械性能等检验。
3.钢筋入库前再次进行检验,确认符合技术要求,然后可进行入库。
4.在混凝土浇筑之前,对隐蔽钢筋进行检验,包括测量尺寸、间距、钢
筋弯曲处的裂纹等。
5.钢筋质量不合格的部分应拆除更换。
备注
在施工过程中,隐蔽钢筋的质量关系到整个混凝土结构的安全性能。
因此,隐蔽检验批必须在施工的各个阶段进行,以确保质量符合标准和规范要求。
特别是在
梁、板、楼梯等重要构件的钢筋安装中,更需要严格控制和检验,以免出现安全事故。