01020202预制构件模板安装检验批质量验收记录
- 格式:xlsx
- 大小:17.11 KB
- 文档页数:1
钢筋混凝土预制桩检验批质量验收记录(GB50202-2002)表5.4.5编号:010403□□□
强制性条文
5.1.3 打(压)入桩(预制混凝土方桩、先张法
预应力管桩、钢桩)的桩位偏差,必须符合
表5.1.3的规定。
斜桩倾斜度的偏差不得大
于倾斜角正切值的15%(倾斜角系桩的纵向
中心线与铅垂线间夹角)。
表5.5.4-2钢桩施工质量检验标准
5.4.1 桩在现场预制时,应对原材料、钢筋骨架(见
表5.4.1)、混凝土强度进行检查;采用工厂
生产的成品桩时,桩进场后应进行外观及尺
寸检查。
5.4.2 施工中应对桩体垂直度、沉桩情况、桩顶完
整状况、接桩质量等进行检查,对电焊接桩,
重要工程应做10%的焊缝探伤检查。
5.4.3 施工结束后,应对承载力及桩体质量做检
验。
5.4.4 对长桩或总锤击数超过500击的锤击桩,应
符合桩体强度及28d龄期的两项条件才能
锤击。
5.4.5 钢筋混凝土预制桩的质量检验标准应符合
表5.4.5的规定。
表5.4.1 预制桩钢筋骨架质量检验标准(mm)
5.4.5钢筋混凝土预制桩的质量检验标准
责人)组织项
目专业质量(技术)负责人等进行验收。
说 明
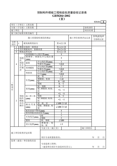
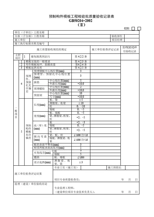
(Ⅱ)
GD24020102
主控项目:
在涂刷模板隔离剂时,不得沾污钢筋和混凝土接槎处。
全数观察检查。
一般项目:
1.模板安装的一般要求:全数观察检查。
(1)模板的接缝不应漏浆:在浇筑混凝土前,木模板应浇水湿润,模板内无积水。
(2)模板与混凝土的接触面应清理干净并涂刷隔离剂,但不得采用影响结构性能或妨碍装饰
工程施工的隔离剂。
(3)浇筑混凝土前,模板内的杂物应清理干净。
(4)对清水混凝土工程及装饰混凝土工程,应使用能达到设计效果的模板。
2.用作模板的地坪、胎膜等应平整光洁,不得产生影响构件质量的下沉、裂缝、起砂或起鼓。
全数观察捡查。
3.跨度不小于4m的现浇钢筋混凝土梁、板,其模板应按设计要求起拱;当设计无具体要求时,
起拱高度宜为跨度的1/1000~2/1000。
水准仪、拉线和尺量检查。
4.固定在模板上的预埋件、预留孔和预留洞均不得遗漏,且应安装牢固,其偏差符合规定。
尺量检查。
5.预制构件模板安装的偏差符合规定:2m靠尺和塞尺检查,拉线和尺量检查。
预制构件模板安装检验批质量验收记录注:本表内容的填写需依据《现场验收检验批检查原始记录》。
本检验批质量验收的规范依据见本页背面。
填写说明一、填写依据1 《混凝土结构工程施工质量验收规范》GB50204-2015。
2 《建筑工程施工质量验收统一标准》GB50300-2013。
二、检验批划分混凝土结构工程采用的材料、构配件、器具及半成品应按进场批次进行检验。
属于同一工程项目且同期施工的多个单位工程,对同一厂家生产的同批材料、构配件、器具及半成品,可统一划分检验批进行验收。
如:模板安装,可根据柱、梁、板、墙,按楼层或结构伸缩缝进行划分。
三、GB50204-2015规范摘要主控项目4.2.1 模板及支架用材料的技术指标应符合国家现行有关标准的规定。
进场时应抽样检验模板和支架材料的外观、规格和尺寸。
检查数量:按国家现行相关标准的规定确定。
检验方法:检查质量证明文件,观察,尺量。
4.2.2 现浇混凝土结构模板及支架的安装质量,应符合国家现行有关标准的规定和施工方案的要求。
检查数量:按国家现行相关标准的规定确定。
检验方法:按国家现行有关标准的规定执行。
4.2.3 后浇带处的模板及支架应独立设置。
检查数量:全数检查。
检验方法:观察。
4.2.4 支架竖杆和竖向模板安装在土层上时,应符合下列规定:1 土层应坚实、平整,其承载力或密实度应符合施工方案要求;2 应有防水、排水措施;对冻胀性土,应有预防冻融措施;3 支架竖杆下应有底座或垫板。
检查数量:全数检查。
检验方法:观察;检查土层密实度检测报告、土层承载力验算或现场检测报告。
一般项目4.2.5 模板安装质量应符合下列规定:1 模板的接缝应严密;2 模板内不应有杂物、积水或冰雪等;3 模板与混凝土的接触面应平整、清洁;4 用作模板的地坪、胎膜等应平整、清洁,不应有影响构件质量的下沉、裂缝、起砂或起鼓;5 对清水混凝土及装饰混凝土构件,应使用能达到设计效果的模板。
检查数量:全数检查。
个人收集整理文档勿用做商业用途模板安装 (含预制构件 )工程检验批质量验收记录(GB 50204-2002 )表 4.2编号: 010601( 1)/020101 ( 1)020106( 1)□□□工程名称分项工程名称项目经理施工单位验收部位施工执行标准专业工长名称及编号(施工员 )分包单位分包项目经理施工班组长质量验收规范地规定施工单位自检记录监理 (建设 )单位验收记录上下层1模板安主装控项目2隔离剂安装现浇结构地上层模板及其支架时,下层楼板应具有承受上层荷载地承载能力,或加设支架;上、下层支架地立柱应对准,并铺设垫板.(第 4.2.1 条)不得沾污钢筋和混凝土接搓处.(第 4.2.2 条)①模板地接缝不应漏浆,木模板应浇水湿润,但模板内不应有积一般模板1安装地坪2胎膜水;②模板与混凝土地接触面应清理干净并涂刷隔离剂;③模板内地杂物应清理干净;④对清水混凝土及装饰混凝土工程,应使用能达到设计效果地模板;(第 4.2.3 条)应平整光洁,不得产生影响结构质量地下沉、裂缝、起砂或起鼓.(第 4.2.4 条)对跨度不小于4m 地,应按设计要梁板3项起拱目现浇结构4模板偏差求起拱;当设计无具体要求时,起拱高度宜为跨度地 1 1000~3 1000.(第 4.2.5 条)项目允许偏差 (mm)实测值轴线位置5底模上表面标高± 5截面基础± 10内部+4, -5尺寸柱、墙、梁层高≯ 5m6垂直>5m8度个人收集整理文档勿用做商业用途相邻两板表面高低差2表面平整度5续下表010601( 1) /020101 (1)020106( 1)□□□说明强制性条文4.1.1 模板及其支架应根据工程结构形式、荷载大小、地基土类别、施工设备和材料供应等条件进行设计 . 模板及其支架应具有足够地承载能力、刚度和稳定性,能可靠地承受浇筑混凝土地重量、侧压力以及施工荷载 .主控项目4.2.1安装现浇结构地上层模板及其支架时,下层楼板应具有承受上层荷载地承载能力,或加设支架;上、版权文档,请勿用做商业用途下层支架地立柱应对准,并铺设垫板.检查数量:全数检查 .检验方法:对照模板设计文件和施工技术方案观察.4.2.2在涂刷模板隔离剂时,不得沾污钢筋和混凝土接槎处.检查数量:全数检查 .检验方法:观察 .一般项目4.2.3模板安装应满足下列要求:1、模板地接缝不应漏浆;在浇筑混凝土前,木模板应浇水湿润,但模板内不应有积水;2、模板与混凝土地接触面应清理干净并涂刷隔离剂,但不得采用影响结构性能或妨碍装饰工程施工地隔离剂;3、浇筑混凝土前,模板内地杂物应清理干净;4、对清水混凝土工程及装饰混凝土工程,应使用能达到设计效果地模板.检查数量:全数检查.检验方法:观察.4.2.4 用作模板地地坪、胎模等应平整光洁,不得产生影响构件质量地下沉、裂缝、起砂或起鼓 .检查数量:全数检查.检验方法:观察.4.2.5对跨度不小于4m 地现浇钢筋混凝土梁、板,其模板应按设计要求起拱;当设计无具体要求时,起拱高度宜为跨度地1/1000~3/1000.检查数量:在同一检验批内,对梁,应抽查构件数量地10%,且不少于 3 件;对板,应按有代表性地自然间抽查10%,且不少于 3 间;对大空间结构,板可按纵、横轴线划分检查面,抽查 10%,且不少于 3 面.检验方法:水准仪或拉线、钢尺检查.4.2.6固定在模板上地预埋件、预留孔和预留洞均不得遗漏,且应安装牢固,其偏差应符合表 4.2.6(表版权文档,请勿用做商业用途略)地规定 .检查数量:在同一检验批内,对梁、柱和独立基础,应抽查构件数量地10%,且不少于 3 件;对墙和板,应按有代表性地自然间抽查10% ,且不少于 3 间;对大空间结构,墙可按相邻轴线间高度5m 左右划分检查面,板可按纵横轴线划分检查面,抽查10%,且均不少个人收集整理文档勿用做商业用途于3面.检验方法:钢尺检查 .4.2.7现浇结构模板安装地偏差应符合表 4.2.7 (表略)地规定 .10%,且不检查数量:在同一检验批内,对梁、柱和独立基础,应抽查构件数量地少于 3 件;对墙和板,应按有代表性地自然间抽查10%,且不少于 3 间;对大空间结构,墙可按相邻轴线间高度 5m 左右划分检查面,板可按纵、横轴线划分检查面,抽查10%,且均不少于 3面.4.2.8预制构件模板安装地偏差应符合表 4.2.8 (表略)地规定 .检查数量:首次使用及大修后地模板应全数检查;使用中地模板应定期检查,并根据使用情况不定期抽查 .注:本表由施工项目专业质量检查员填写,专业监理工程师(建设单位项目专业技术负责人)组织项目专业质量(技术)负责人等进行验收.(GB50204-2002接上表版权文档,请勿用做商业用途)表 4.2固定在模板上地预埋件5、预5留孔和预留洞地允许偏差一项目预埋钢板中心线位置预埋管、预留孔中心线位置中心线位置外露长度中心线位置外露长度中心线位置尺寸板、梁薄腹梁、桁架柱允许偏差 (mm)施工单位自检记录监理(建设)单位验收记录335+10,02+10,010+10,0±5±100, -10般项目预制构件模板6安装地偏差墙板0, -5宽板、墙板0, -5梁、薄腹梁、度+2, -5桁架、柱高板+2, -3(墙板0, -5厚)梁、薄腹梁、度+2, -5桁架、柱侧向梁、板、柱L 1000 且≤ 15墙板、薄腹弯曲L 1500 且≤ 15梁、桁架板地表面平整度3相邻两板表面高低差1对角板7线差墙板5翘曲板、墙板L 1500长度预留洞预埋螺栓插筋个人收集整理文档勿用做商业用途设计薄腹梁、桁架、±3起拱梁施工操作依据质量检查记录项目专业项目专业施工单位检查技术负责人:质量检查员:结果评定年月日专业监理工程师:监理(建设)(建设单位项目专业技术负责人)单位验收结论年月日注: L 为构件长度 (mm).。
预制构件检验批质量验收记录1. 引言预制构件在建筑和工程领域中扮演着重要的角色,其质量直接影响到整个工程的安全性和稳定性。
为了确保预制构件的质量达到预期要求,进行质量验收成为不可或缺的步骤。
本文档将记录预制构件检验批的质量验收过程。
2. 验收目的本次预制构件检验批的质量验收旨在确认预制构件是否符合相关标准和规范的要求,同时评估其可用性和安全性。
通过验收,可以提前发现和纠正潜在的质量问题,确保工程的顺利进行。
3. 验收范围本次预制构件检验批的质量验收范围包括但不限于以下几个方面:- 预制构件的尺寸和形状是否符合设计要求;- 预制构件的材质和强度是否符合相关标准;- 预制构件的表面质量和外观是否符合要求;- 预制构件的连接方式和安装是否符合规范;- 预制构件的功能性能是否符合设计要求。
4. 验收准备工作在进行预制构件检验批的质量验收前,需要进行如下准备工作:- 准备验收记录表格,记录各个检验项目的名称、要求和实际情况;- 组织验收人员,并明确各人员的职责和任务;- 检查验收所需的设备和工具是否齐备,如测量工具、试验设备等;- 确保预制构件已经就位,并提供相应的安全措施。
5. 验收步骤5.1 检查尺寸和形状首先,对预制构件的尺寸和形状进行检查,包括长度、宽度、高度等方面。
通过使用测量工具,对比设计要求,确定预制构件是否符合规定的尺寸范围。
5.2 检验材质和强度对预制构件的材质和强度进行检验,通过取样进行物理和化学测试,确定材质的组成和强度是否符合标准要求。
同时,可以对预制构件进行负荷试验,评估其承载能力和稳定性。
5.3 检查表面质量和外观对预制构件的表面质量和外观进行检查,包括光洁度、平整度、色彩等方面。
通过目视检查和使用相关测试仪器,评估预制构件的整体外观是否符合设计要求。
5.4 检验连接方式和安装对预制构件的连接方式和安装进行检验,确保连接紧密稳固,符合相关规范。
检查搭接、焊接、螺栓连接等方式,评估其可靠性和安全性。