低压开关柜测温(电缆测温)
- 格式:doc
- 大小:873.50 KB
- 文档页数:5
开关柜红外测温基本流程及注意事项下载提示:该文档是本店铺精心编制而成的,希望大家下载后,能够帮助大家解决实际问题。
文档下载后可定制修改,请根据实际需要进行调整和使用,谢谢!本店铺为大家提供各种类型的实用资料,如教育随笔、日记赏析、句子摘抄、古诗大全、经典美文、话题作文、工作总结、词语解析、文案摘录、其他资料等等,想了解不同资料格式和写法,敬请关注!Download tips: This document is carefully compiled by this editor. I hope that after you download it, it can help you solve practical problems. The document can be customized and modified after downloading, please adjust and use it according to actual needs, thank you! In addition, this shop provides you with various types of practical materials, such as educational essays, diary appreciation, sentence excerpts, ancient poems, classic articles, topic composition, work summary, word parsing, copy excerpts, other materials and so on, want to know different data formats and writing methods, please pay attention!开关柜红外测温基本流程及注意事项在现代工业生产中,开关柜作为电气设备的重要组成部分,其温度监测显得尤为重要。
低压开关柜的电气参数测试与调整低压开关柜是用于电力系统中电能转换、配电、控制和保护的设备,其电气参数的测试与调整对于保障电力系统的正常运行至关重要。
本文将介绍低压开关柜的电气参数测试与调整的流程和注意事项。
一、测试前的准备在进行低压开关柜的电气参数测试前,需要做好以下准备工作:1. 环境准备:测试现场应保持整洁,确保温度、湿度等环境因素符合测试要求,防止因环境问题对测试结果造成影响。
2. 仪器准备:准备好专业的电气参数测试仪器,以确保测试的准确性和可靠性。
3. 安全措施:在测试过程中,需要注意安全问题。
确保测试人员的安全装备完好,并遵循相关的安全操作规程。
二、电气参数测试流程低压开关柜的电气参数测试流程主要包括以下步骤:1. 测试前检查:检查低压开关柜的电源是否正常,各回路是否接地,接线是否牢固等。
2. 电压测试:通过测试仪器对低压开关柜的电压进行测试,包括检测输入电压、输出电压等。
3. 电流测试:利用电流表等仪器对低压开关柜的电流进行测试,包括检测输入电流、输出电流等。
4. 功率测试:通过功率表等仪器对低压开关柜的功率进行测试,包括检测输入功率、输出功率等。
5. 功率因数测试:利用功率因数表等仪器对低压开关柜的功率因数进行测试,以评估电能的有效利用情况。
6. 绝缘电阻测试:通过绝缘电阻仪对低压开关柜的绝缘性能进行测试,以确保其符合安全要求。
三、电气参数调整方法在完成低压开关柜的电气参数测试后,根据测试结果进行相应的调整,以确保低压开关柜的正常运行和性能稳定。
具体的调整方法如下:1. 电压调整:根据测试结果,对输入电压和输出电压进行调整,确保其在允许范围内。
2. 电流调整:根据测试结果,对输入电流和输出电流进行调整,确保其满足负载要求。
3. 功率因数调整:根据测试结果,对功率因数进行调整,提高系统的功率因数,减少无效功率损失。
4. 保护参数调整:对低压开关柜的保护参数进行调整,包括过载保护、短路保护等,确保系统在故障情况下及时切除故障电路。
高压低压配电柜的温度与湿度监测与控制在现代工业中,电力配电柜扮演着至关重要的角色,用于保护、控制和分配电力。
然而,随着电力设备的不断进化和运行条件的不断变化,高压低压配电柜的温度和湿度监测与控制也变得至关重要。
本文将探讨高压低压配电柜温度和湿度监测与控制的重要性,并介绍相关的技术和解决方案。
一、高压低压配电柜的温度监测高压低压配电柜中的电气设备在正常运行时会产生大量的热量,而过高的温度会对电器设备造成损害甚至引发火灾。
因此,及时监测配电柜的温度是至关重要的。
目前,常用的温度监测方法包括:1. 热敏电阻(Thermistor):热敏电阻是一种能够根据温度变化而改变电阻值的传感器。
将热敏电阻安装在配电柜内部,通过测量电阻的变化来判断温度是否超过警戒值。
2. 红外线测温仪:红外线测温仪通过接收物体发出的红外线辐射,通过计算转换为相应的温度值。
它可以在不接触物体的情况下测量温度,适用于对配电柜内部温度进行准确测量。
以上两种方法都可以实现对配电柜温度的准确测量,选择合适的监测方法取决于具体的运行环境和需求。
二、高压低压配电柜的湿度监测湿度是指空气中水蒸气的含量,过高或过低的湿度都会对电器设备的正常运行造成不利影响。
湿度过高会导致设备遭受潮气腐蚀,湿度过低则容易引发静电火花。
因此,严密监测配电柜的湿度是非常必要的。
常用的湿度监测方法包括:1. 电容式湿度传感器:电容式湿度传感器根据介电常数的变化来测量湿度,它通过感知介电体表面的湿度来预测空气中的水分含量。
2. 阻性湿度传感器:阻性湿度传感器通过材料的电导率来测量湿度,其电阻值会随湿度的变化而改变。
根据实际需求和运行环境,选择合适的湿度传感器可以确保配电柜内部湿度的及时监测和控制。
三、高压低压配电柜的温湿度控制仅仅监测温度和湿度是不够的,为了确保配电柜内部的运行环境始终在安全范围内,也需要相应的控制措施。
以下是几种常见的温湿度控制技术:1. 风扇冷却:在配电柜中安装风扇,通过强制循环空气来降低温度。
高压低压配电柜的温度监测与控制方法在现代工业生产中,高压低压配电柜扮演着至关重要的角色。
为了确保电气设备的安全运行,温度监测与控制是必不可少的。
本文将介绍高压低压配电柜的温度监测与控制方法,以保障设备的正常运行。
一、温度监测方法为了有效监测高压低压配电柜的温度变化,以下是几种常用的温度监测方法。
1. 热敏电阻温度传感器热敏电阻温度传感器是一种常见的温度监测设备。
它根据电阻在不同温度下的变化来测量温度。
将热敏电阻传感器安装在配电柜内部关键位置,通过与控制系统连接,即可实时监测温度数据。
如果温度超过设定的安全范围,控制系统将发出警报或自动采取措施,保护电气设备的安全。
2. 红外线测温仪红外线测温仪通过测量物体表面的红外辐射来获取温度数据。
它可以非接触地测量高压低压配电柜内各个部位的温度。
搭配控制系统,可以实时监测配电柜内部温度的变化,并采取相应措施。
3. 温湿度传感器温湿度传感器可以同时监测高压低压配电柜的温度和湿度。
它能够在环境温度或湿度达到危险值时发出警报,避免电气设备损坏。
二、温度控制方法温度控制是为了使高压低压配电柜内部保持在一个安全范围内,以下是几种常用的温度控制方法。
1. 风扇散热在高压低压配电柜内部设置风扇是常见的温度控制方法。
通过风扇的运转,可以加速空气流动,散热效果更好,保持配电柜内的温度稳定。
2. 控制开关的通风口在高压低压配电柜的设计中,设置通风口也是一种有效的温度控制方法。
通风口可以促进空气流动,散热更加均匀,保持设备的正常温度。
3. 温度控制系统温度控制系统是自动控制高压低压配电柜温度的最常用方法之一。
通过设定温度阈值和相应的控制策略,控制系统可以及时地调节风扇、通风口等设备,保持配电柜的温度在合适的范围内。
总结:高压低压配电柜的温度监测与控制方法多种多样,可以根据实际情况选择合适的方式。
温度监测方法可以使用热敏电阻温度传感器、红外线测温仪和温湿度传感器等设备,实时获取温度数据。
高压低压配电柜的温度与湿度监测技术在现代社会中,电力供应对各行各业都至关重要。
而高压低压配电柜作为电力供应系统的重要组成部分,其正常运行对于保障电力供应的稳定性和安全性至关重要。
为了确保高压低压配电柜的正常运行,温度与湿度监测技术成为了一项必不可少的技术手段。
本文将介绍高压低压配电柜温度与湿度的监测技术及其应用。
一、温度监测技术1. 热敏电阻温度传感器热敏电阻温度传感器是一种常用的温度监测技术。
其通过测量材料温度变化引起的电阻变化来获得温度信息。
在高压低压配电柜中,可将热敏电阻温度传感器安装在关键位置,如电缆连接处、断路器等,以监测温度的变化情况。
当温度超过设定的阈值时,系统会及时报警,以便维护人员迅速采取措施。
2. 红外线温度测量仪红外线温度测量仪是一种非接触式的温度监测技术。
其原理是利用物体自身发射的红外线能量与温度成正比。
在高压低压配电柜中,可以使用红外线温度测量仪对配电柜内部的温度进行监测。
通过测量各个部位的温度,可以及时发现温度异常,避免因过热而引发的安全事故。
二、湿度监测技术1. 电容式湿度传感器电容式湿度传感器是一种常见的湿度监测技术。
其原理是利用介质中水分所带来的电容变化来测量湿度。
在高压低压配电柜中,可以将电容式湿度传感器安装在适当的位置,如配电柜的内部或者周围环境,以实时监测湿度的变化。
当湿度超过预设的阈值时,系统会发出警报,以便进行相应的处理。
2. 阻性湿度传感器阻性湿度传感器是另一种常用的湿度监测技术。
其原理是利用介质中的水分使导电的材料阻抗发生变化来测量湿度。
在高压低压配电柜中,可以将阻性湿度传感器与监测系统相连接,通过读取传感器所测得的阻抗值,即可了解当前的湿度情况。
三、温湿度监测系统为了更好地实现高压低压配电柜的温度与湿度监测,可以采用温湿度监测系统。
该系统通过安装多个温湿度传感器,并将其与监测仪表或者计算机相连接,实时监测配电柜内各个位置的温度与湿度变化。
监测系统具备远程报警功能,能够及时向维护人员发送温湿度异常的警报信息,以便及时处理。
低压成套开关设备温升试验方法分析摘要:所谓温升试验就是给设备施加额定电流,模拟设备在满负荷正常条件下的运行,验证设备中各部件的温升极限是否超过国家标准的规定。
关键词:低压成套开关设备;温升;试验方法前言低压成套开关设备的温升试验,是指在指定条件下,测量温度的升值,即相应部位工作温度和环境温度的差值,把温度升高的值和环境的温度值加一起就是工作温度,最高工作温度不能超过相应部位的允许极限。
温升是低压成套开关设备的重要指标,直接影响产品的质量和寿命,因此,低压开关柜的结构设计和元器件选型,通常需要在评估过程中通过温升试验来检验。
方法是对低压成套开关设备主回路通以额定电流,各分支回路通以约定电流值,使其开关上下口、母排连接处、空间、外壳、手柄等部位,1小时内升温不超过1K,则认为达到温升稳定状态,此时温升应不超过相应部位国家标准规定的限值。
1温升的测试方案的选取选择低压成套开关设备进行型式试验时,要根据不同的安装方向,考虑最严酷的隔室及外壳条件(考虑到形状、尺寸、隔板及外壳的通风设计等),选择最严酷的方案。
在验证温升试验前,需要先对低压成套开关设备的防护等级进行验证,以确保成套柜在生产企业声称的防护等级下进行温升的验证,选择试验用外接导线时,应根据低压成套开关设备的各个功能单元以及主/配电母线的额定电流来选择的,与要验证的实际施加的试验电流无关。
温升试验时,如果试品只有单一回路,可以直接在试品的出线末端短接,通以额定电流进行测试。
例如低压成套开关设备中母线干线或者由单一元件组成的柜体进行温升试验时采用此方案。
通常情况下低压成套开关设备中具有若干个出线回路。
对这种开关柜进行温升试验时,应根据各条出线回路的实际情况,通以相应额定电流值。
实验室通常采用多磁路升流变压器输出低压大电流到试品的进线端,而试品的各个出线回路根据额定电流的大小选择电流调节装置连接,试验过程中,利用电源侧的变压器和输出侧的电流调节装置调节输入和输出电流到额定值。
开关柜关键点温度监测监测断路器 6个触头温度、进线母线搭接面温度、出线电缆头搭接处温度,由测温传感器和在线测温装置组成,实时监测断路器触头、母线搭接面、电缆接头温度的监测,可将数据上传至后台。
“1)可在线实时监测设备主回路在负载电流下的发热情况;2)采用可靠的无线射频技术,无线信号传输,将安装于高压处的测温点与接收单元进行彻底的隔离;“3)采用感应取电方式,安全可靠。
传感器利用感应取电装置收集的电磁能量作为自身工作电源,被监测设备只需有大于 5A/1A 的电流通过,即可保证传感器正常工作;“4)温度传感器工作温度范围-40~125C,远高于断路器测量部位导体最高温升,确保传感器的高可靠性和工作寿命。
配电房中压柜的总体监测1.电气参数监测:监测电压、电流、功率、功率因数、频率等电气参数,以确定中压柜是否正常工作;2.温度监测:监测中压柜内、外的温度变化,以及电缆、元器件的温升情况,防止过高温度对中压柜及其周围环境造成损害;3.湿度监测:监测中压柜内部和周围环境的湿度,防止过高湿度引起绝缘失效或腐蚀问题;4.标准运行值比对:对中压柜的运行状态进行定期比对分析,判断中压柜的运行状态是否接近于标准运行值,以便及时发现异常情况;5.异常事件监测:监测中压柜内发生的异常事件,包括电气、机械和环境等方面的故障,以及对异常情况进行报警和预警处理;6.通讯监测:对中压柜的通讯系统进行监测,以确定数据传输是否顺畅、是否存在通讯故障或数据漂移等问题;7.状态记录:记录中压柜的状态变化和运行数据,以便进行历史数据分析和故障排除等工作。
中压柜主要用于供电局或者是变电所,这些地方需要使用到的电压和电流都是比较高的,主要用于发电、输电、电能转换等等作用的,在使用的过程当中,也需要使用到保护跳闸,这样能够更好的起到保护的作用,不容易出现危险的事情。
电缆测温技术方案-回复电缆测温技术方案是一种用于测量电缆温度的技术方案。
在电力工程、铁路、石化等行业中,电缆是非常重要的设备。
电缆的温度是其工作状态和寿命的重要指标。
过高的温度会导致电缆损坏,从而影响设备的正常运行。
因此,精确测量电缆的温度对于保障设备安全运行以及提供准确数据分析是至关重要的。
这篇文章将介绍电缆测温技术方案,包括常用的测温方法、测温原理以及具体操作步骤。
1. 常用的测温方法电缆测温方法主要包括非接触式红外测温和接触式电阻法两种。
1.1 非接触式红外测温非接触式红外测温是利用红外传感器测量目标物体的表面温度。
该方法操作简便、迅速,并且不会对电缆造成任何损伤。
需要注意的是,非接触式红外测温主要适用于测量电缆表面温度,并不能准确反映电缆内部的温度情况。
1.2 接触式电阻法接触式电阻法是通过在电缆上放置感温电阻来测量电缆的温度。
感温电阻会随着温度变化改变其电阻值,通过测量电阻值的变化来间接反映电缆的温度。
接触式电阻法相对于非接触式红外测温来说更加精确,可以准确测量电缆内部温度。
但需要注意的是,该方法需要将感温电阻牢固地粘贴在电缆表面,且对电缆表面有一定的损伤。
2. 测温原理2.1 非接触式红外测温原理非接触式红外测温的原理是基于物体的辐射能谱特性,通过测量物体表面的红外辐射能量来确定其表面温度。
物体表面的温度越高,其红外辐射能量就越大。
红外测温设备通过接收红外能量并将其转化为电信号,进而计算出物体的表面温度。
2.2 接触式电阻法测温原理接触式电阻法测温的原理是基于材料的电阻随温度的变化规律。
感温电阻的电阻值由电缆的温升引起的温度变化而变化。
通过测量感温电阻的电阻值变化,可以推算出电缆的温度。
3. 具体操作步骤3.1 非接触式红外测温的操作步骤步骤一:准备工作在进行红外测温之前,首先需要准备一台红外测温仪器,确保其处于正常工作状态。
同时,还需要根据实际需要设定测量范围和显示单位。
步骤二:选择测温目标确定待测目标,这里是电缆。
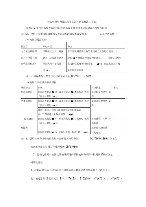
开关柜及电力线路等设备运行测温标准(草案)
根据近2年电力系统进行运用红外测温设备查找设备运行隐患过程中所出现
的问题,现将开关柜及电力线路等设备运行测温标准确定如下,各单位严格执行、电力架空线路部份
注;引用标准为《架空送电线路运行规程DL/T741 —2001》
、对高压开关柜设备触头部份
注:1、引用标准为《带电设备红外诊断技术应用导则DL/T664-1999》和《交流高压电器在长期工作时的发热GB763-90》
2、温差为用同一检测仪器相继测得的不同被测物或同一被测物不同部位之
间的温度差。
3、相对温差为两个相应测点之间的温差与其中较热点的温升之比的百分
数。
相对温差S的公式为S =(T- T)/ T X100%= (T1-T2 )/ (T1-T0 )
X100% (式中:T和T1 发热点的温升和温度;T和T2 正常相对应点的温升和温度;T环境参照体的温度)
2011年3月30日。
开关柜及电力线路等设备运行测温标准草案
根据近2年电力系统进行运用红外测温设备查找设备运行隐患过程中所出现的问题,现将开关柜及电力线路等设备运行测温标准确定如下,各单位严格执行;
一、电力架空线路部份
注;引用标准为架空送电线路运行规程DL/T741—2001;
二、对高压开关柜设备触头部份
作时的发热GB763-90;
2、温差为用同一检测仪器相继测得的不同被测物或同一被测物不同部位之间的温度
差;
3、相对温差为两个相应测点之间的温差与其中较热点的温升之比的百分数;相对温
差δ的公式为δτ=τ1-τ2/τ1×100%=T1-T2/T1-T0×100%式中:τ1和T1————发热点的温升和温度;τ2和T2————正常相对应点的温升和温度;τ0————环境参照体的温度;
2011年3月30日。
开关柜无线测温解决方案测温的形式有很多,就电力开关柜测温这方面,一般有这几种:1、测温蜡片2、热电偶、热阻 3、红外测温4、无线测温,咱们就这几种形式做讨论。
1、测温片 :是最常见的测温方式,其优点是简单方便,价格低,同样其缺点也是显而易见的,测量的温度数值偏差比较大,而且需要人工定时查看,说实话用它测温,“用等于没用”,基本没有什么效果。
2、热电偶、热电阻:测温精度比测温片稍高一些,优点是价钱便宜可以预置报警,缺点是,精度同样不是很高,易受电磁场的干扰,且传感器材质为金属导体,有着非常大的安全隐患。
3、红外测温:其通常表现为红外手枪和红外成像,其属于非接触测温,安全系数非常高,价格也比较高,其缺点是不能实时在线,红外手枪只能测到光线接触到的表面温度,机柜内部的温度测不到,且其数值会随环境温度的变化而变化,受环境、光照、灰尘的影响较大,所以所测温度并不是很精确。
4、无线测温:是新时代的新型测温方式,是今后测温仪器的发展趋势,是以后“无人看守变电站”的测温主要途径,其优点有很多:2、技术特点1.电力高压设备在线监测装置采用无线式温度在线监测预警系统,用以监测运行中的电力关键部位老化、松动、接触不良而导致的发热情况。
系统通过上位机软件以灵活的方式报警、现场故障信息报警、数据上传集控中心等手段,快速通知检修人员及时处理故障。
2.无线式温度在线监测预警系统应由温度传感器、当地数据接收显示单元、工业485集线器、后台远程智能管理上位机及软件构成3.安装的监测系统不对安装处绝缘水平造成影响。
4.各设备的监测要形成监测系统,当地数据采集显示单元必须有宽温液晶显示,在值班室后台具有实现数据显示、参数设置、报警、上传、趋势分析、报表打印及数据统计查询等功能。
5.应对被监测设备关键点温度实现全面在线监测,所采用的温度传感器为变电站专用传感器,内置供电电池,电池使用寿命不得少于3年。
(正常工况不少于5年)6.无线通讯频率需采用免申请的2.4G频段,无线通讯不能对现场设备带来信号干扰。
电缆测温监测的标准因电缆类型、应用场景和具体标准而异。
一般来说,电缆测温监测的标准包括以下几个方面:
温度范围:电缆测温监测的标准通常会规定电缆运行时的最高允许温度和最低允许温度。
例如,某些电缆的温度范围可能是-55℃~+127℃。
测温误差:测温误差是指实际温度与监测温度之间的差异。
一些标准可能会规定误差范围,以确保监测的准确性。
测温分辨率:测温分辨率是指监测温度的最小变化量。
一些标准可能会规定测温分辨率,以确保监测的精细度。
耐压值:电缆在运行过程中可能会承受较高的电压,因此电缆测温监测的标准通常会规定电缆可承受的最高电压。
监测点数:在一些应用场景中,需要对电缆的多个部位进行测温监测。
因此,电缆测温监测的标准可能会规定每个部位应监测的温度点数。
通讯接口和协议:为了与其他系统更好地连接,一些电缆测温监测系统采用标准通讯接口和通讯协议,如RS485或光纤通讯。
需要注意的是,具体的电缆测温监测标准可能因应用场景、电缆类型和具体标准而异。
因此,在实际应用中,应参考相关标准和技术规范,以确保电缆测温监测的准确性和可靠性。
高压开关柜及电缆接头温度在线监测系统1.现场情况及需求分析现场有2个区域需要监测开关柜温度和电缆接头温度,实现两个区域温度监测的同时,系统要具有扩展功能,方便以后把电能表的数据接入。
A区域有3面开关柜需要测温,每面开关柜监测6个点,共18个点,另外有21个电缆中间接头需要测温。
B区域有3面开关柜需要测温,每面开关柜监测6个点,共18个点,另外有23个电缆中间接头需要测温。
其他区域:电能表分布分散,以后可根据设备改造情况就近接入现场管理机或重新增添管理机,实现电能表的数据集中采集和发布。
2.技术方案把两个地方的电缆和开关柜接点采集温度数据,并通过网络版集中监控软件实时显示和局域网内发布,客户端计算机安装查看软件,可随时查看每个地方的电气设备运行数据。
在两个区域监测温度的同时,系统要预留扩展功能,方便以后把电能表的数据接入。
2.1 现场布置图2.2 系统各部分简介无线温度监测器(DCT-6G),通过无线采集开关柜触头和电缆出线接头温度,并具有485上传接口。
无线温度传感器(DTS-4):感应供电技术的接触式无线测温模式,一次回路电流在20A-5000A之间均能正常工作。
电缆温度监测器(DCT-4):通过有线方式采集带绝缘护层的电缆接头温度,LED循环显示采集的温度数值,并可采集多路开关量信息(离子烟感探测器、明火探测器、红外/微波探测器、浸水传感器),可实现离子烟感探测、明火探测、红外/微波探测、浸水探测、小动物和非法人员的进入等。
1台采集器可接入两条测温电缆,最多可带128路温度监测点。
电缆温度传感器(DTS-4):采用美国DALLAS 公司推出的一种可组网的数字式温度传感器(DTS-4),它体积小,电压适用范围宽(3~5V),只有一个数据输入/输出口,属于单总线专用芯片之一。
被测温度值直接以“单总线”的数字方式传输,大大提高了系统的抗干扰能力。
其内部采用在线温度测量技术,测量范围为-55℃~+127℃, 精度为±0.5℃。
附录 A(规范性)温升验证A.1 低压成套开关设备温升验证A.1.1 总则低压成套开关设备的温升极限值不应超过GB/T 7251.1—2013中9.2的规定。
低压成套开关设备的温升试验参照GB/T 7251.1—2013中10.10和GB/T 7251.1—2013中附录O 的规定,并应符合本附录要求,其相关试验条件见A.1.2。
温升试验时使用的外接导体的尺寸、布置方式、试验电流、温升布点位置等应采用照片及示意图的形式详细记录并载入试验报告中。
温升试验分两种验证方式:单柜试验和由多个单柜组合成的组合柜试验(以下简称组合柜试验)。
A.1.2 试验条件外壳应完整,成套设备应按正常使用时放置,所有覆板包括底板都应就位。
柜门应保持闭合,电缆接口处应按使用状态予以封闭,确保温升试验期间其外壳防护等级不应降低;抽屉柜、固定分隔柜温升试验时,应保持功能单元及其内的元器件状态一致,即在温升试验前和温升试验后的状态应保持与电弧故障试验前的状态一致,如不一致,则电弧故障试验前应重新进行温升试验。
试验时,温升试验区域不应有热辐射、热对流影响,例如:阳光照射、空调出风口影响试验。
试验室空间应足够大;温升试验时室内的周围空气温度+10 ℃~+40 ℃;试验环境应无明显的空气流动,风速不大于1 m/s。
水平母线额定电流4000A以下风机不允许启动。
A.1.3 试验方法A.1.3.1 通用要求按GB/T 7251.1—2013附录O中O.3.2方法a)规定进行温升试验。
成套设备的进、出线电路应通以额定电流, 即等效额定分散系数为1.0。
如果进线电路或配电母线系统的额定电流小于所有出线电路额定电流的总和,出线电路应根据进线电路或配电母线系统的额定电流分成几组。
分组形式应能获得最高可能的温升。
应形成足够多的组并进行试验,以保证至少在一个组中包含功能单元的所有不同的方案,并且:a)单柜或组合柜进行温升试验时,以配电母线(垂直母线)的额定电流为基准,确保在不超过配电母线额定电流值的情况下,每个出线电路在最严酷的负载电流工况下进行温升试验,即在柜门全部关闭、风机(如有)不启动。
低压电器(2010N022)测试技术基于载波通信的低压开关柜温度在线监测装置设计江和(福州大学电气工程与自动化学院,福建福州350108)摘要:采用只有8引脚的PI C单片机与一线式通信的温度传感器,设计了基于载波通信的低压开关柜温度在线监测装置。
通过仿真与试验验证,验证了该设计的可行性。
江和(1955一),关键词:载波通倍;单片机:一线式通信;温度在线监测男,副教授,研究方中图分类号:T M59l文献标志码:A文章编号:1001.5531(2010)2241034-04向为智能电器及相关产品。
D esi gn of T em per at ur e O nl i ne M oni t or i ng D e vi c e f or L ow V ol t ageSw i t c h C abi net B ased on C a r r i e r C om m uni ca t i onJ I A N G H e(School of E l ect r i ca l Eng i neer i ng and A ut om at i on,Fuzhou U ni v er s i t y,Fuzh ou350108,C hi na)A bst r a ct:A dopt i ng PI C s i ng l e chi p w i t h onl y8pi ns a nd t em per a t ur e s ens or s i ng l e l i n e co m m uni ca t i o n,t h et e m pe r at ur e onl i ne m on i t or i ng dev i ce f or l ow vol t age s w i t ch cabi net bas ed o n carr i er c om m uni ca t i on W as desi gned.T he si m ul at i on and exper i m e nt s ver i f i ed t hat t he des i gn W a s Suc ce s sf ul.K e y w or ds:c ar r i er conmm ni cat i on;洲e chi p;s i gnl e l i ne c om m uni ca t i on;t em pe ra t ure onl i ne m om t or i ng0引言低压开关柜是电力系统安全运行中的重要设备,由于其局部过热而引起事故,造成损失在各种事故中所占的比例较高。
开关柜温升试验标准随着电力系统的不断发展和电力设备的广泛应用,开关柜作为电力系统中的重要组成部分,其性能和可靠性对电力系统的安全稳定运行起着重要的作用。
其中,开关柜的温升试验是保证其性能和可靠性的重要手段之一。
本文将从以下几个方面介绍开关柜温升试验标准。
一、温升试验的目的开关柜温升试验的主要目的是检验开关柜在额定电流下,各部件的温升情况,以确定其是否符合设计要求和规范要求。
在试验中,可以通过测量开关柜内部各部件的温度变化,判断开关柜的散热性能和温度分布情况,从而评估开关柜的性能和可靠性,并为其后续的使用和维护提供参考依据。
二、温升试验的对象开关柜温升试验的对象包括低压开关柜、中压开关柜和高压开关柜。
根据不同的电压等级和用途,温升试验的要求和方法也有所不同。
例如,低压开关柜的温升试验,通常采用电流负载法,即在额定电流下进行试验,通过测量各部件的温度变化和环境温度,计算出各部件的温升值,以判断开关柜的散热性能和温度分布情况。
而高压开关柜的温升试验,则通常采用短时定值法,即在短时间内施加额定电流,测量各部件的温度变化和环境温度,计算出各部件的温升值,以判断开关柜的短时过载能力和散热性能。
三、温升试验的要求开关柜温升试验的要求主要包括试验条件、试验方法、试验结果和试验记录等方面。
其中,试验条件包括环境温度、相对湿度、气压等参数的要求,试验方法包括试验前的准备工作、试验过程中的监测和控制、试验后的数据处理和分析等,试验结果包括各部件的温升值、温度分布情况和散热性能等指标,试验记录则包括试验过程中的数据记录、试验结果的分析和评估、试验设备的检定和维护等方面。
四、温升试验的意义开关柜温升试验的意义在于,通过科学、规范的试验方法和要求,全面、准确地评估开关柜的性能和可靠性,为其后续的使用和维护提供参考依据。
同时,温升试验也是开关柜质量检验和产品认证的重要手段之一,对于保障电力系统的安全稳定运行和提高开关柜的市场竞争力具有重要意义。
开关柜温升试验标准开关柜是电力系统中必不可少的一种设备,它在电力传输、分配和控制中起着至关重要的作用。
然而,长期以来,由于过载、短路等原因,开关柜内部的温度会不断升高,这不仅会影响开关柜本身的性能和寿命,还会给电力系统带来严重的安全隐患。
因此,为了确保开关柜的安全可靠运行,需要对其进行温升试验。
一、试验目的开关柜温升试验是为了检测开关柜在额定负载下长时间运行时内部温度的变化情况,以评估其耐用性和安全性能。
二、试验范围开关柜温升试验适用于低压开关柜、中压开关柜和高压开关柜等各种类型的开关柜。
三、试验条件1. 试验环境温度为20℃±5℃,相对湿度为50%±5%。
2. 试验电源为额定电压,额定频率的交流电源。
3. 试验时间为连续8小时,如果需要更长时间的试验,应在试验前说明。
4. 试验负载为开关柜的额定负载。
5. 试验前应检查开关柜是否符合设计要求和制造标准,确认电气连接正常,绝缘性能良好。
四、试验步骤1. 将开关柜置于试验室内,并将试验室温度调整至20℃±5℃。
2. 将电源接入开关柜,通电后将其负载至额定负载。
3. 连续运行8小时,记录开关柜内部的温度变化情况。
4. 试验结束后,将开关柜内部的温度恢复至试验前的状态,检查开关柜是否存在异常情况。
五、试验结果1. 试验后应记录开关柜内部温度的变化情况,并绘制温度变化曲线图。
2. 开关柜内部温度升高的最大值应符合设计要求和制造标准,不得超过规定的限制值。
3. 如果开关柜内部温度升高超过了规定的限制值,应进行进一步分析,并采取相应的措施。
六、试验注意事项1. 在试验过程中,应定期检查开关柜的电气连接是否正常,绝缘性能是否良好,以确保试验的安全可靠进行。
2. 在试验前,应对试验室进行清洁和消毒,防止试验过程中的污染和干扰。
3. 试验结束后,应及时将开关柜内部的温度恢复至试验前的状态,以防止试验过程中造成的损坏和影响。
4. 试验结果应及时记录和报告,以便进行进一步的分析和处理。
低压开关柜测温(电缆测温)方案
关键词:低压柜测温电缆测温电缆温度监测
一、低压柜测温(电缆测温)技术概述
采用单总线有线的测温方式,在每面柜子的母排上安装温度传感器,每面柜子的6个母排需要监测,每个柜子作为一个监控单元,放置一个接线盒,把6个温度测点汇集到接线盒上,最后通过一条总线把每个柜子的接线盒连接起来,接入温度监测器上,温度监测器循环显示温度数据,并具有485通讯上传功能,把数据上传到监控室的电脑上,在监控电脑上安装温度监测软件实现数据集中采集、报警温度设定、历史曲线查询等功能。
二、低压柜测温(电缆测温)系统结构:
图2-1温度在线监测系统结构图
三、低压柜测温(电缆测温)温度传感器(DTS-4)
温度传感器接入一条总线连接到温度监测器,温度监测器可以分两个方向布置总线,每条总线长度可达600米,可接入64个点;每个
温度传感器在出厂时都具有唯一的编号(1~128),因此在一条温度采集总线上可以同时挂接128个温度传感器,而不会出现混乱现象。
图3-1接线盒内接线方式图
线缆采用屏蔽两芯双绞线,剥出电缆线芯,保留屏蔽层,三根红色、三根黑色和屏蔽层分别拧到一块,用PVC胶带包扎好放到防水接线盒内;
注意:不要带电安装或更换传感器,三根线之间不要短接,否则会损坏温度传感器;
图3-2电缆温度监测器端传感器接线图
在接传感器之前,温度监测器一定要停电关闭,在压接过程中,三根线之间短路会造成传感器损坏;
性能指标
※传感器测温范围:-55℃~+127℃
※传感器测温误差:<0.5℃(全量程范围)
※传感器测温分辨率:±0.1℃
※传感器耐压值:温度传感器可经受ESD±10000V高压
※传感器电缆最大长度≤1000米(国内首创)
※每条总线可连接64个数字温度传感器(国内首创)
柱形温度传感器方形温度传感器
四、低压柜测温(电缆测温)温度监测器(DCT-4):
通过有线方式采集带绝缘护层的电缆接头温度,LED循环显示采集的温度数值,并可采集多路开关量信息(离子烟感探测器、明火探测器、红外/微波探测器、浸水传感器),可实现离子烟感探测、明火探测、红外/微波探测、浸水探测、小动物和非法人员的进入等。
监测器有两种安装方式(屏柜嵌入式和挂装式)
挂装式温度监测器实物图
低压柜测温(电缆测温)温度监测器的性能指标:
报警输出:有2路报警输出(2个无源接点:250V AC/0.6A或24V DC/5A)
通讯方式:通过485总线或光纤通讯可把采集的温度数值上传至监控计算机工作电压:交流220VAC(无需电源适配器)。
工作温度: -40℃~+85℃。
精度:±0.5℃,分辨率:0.1℃
可带传感器数量:每台温度监测器可带128个数字温度传感器(国内首创)
外观尺寸: 305*205*50mm
耐压:监测器通讯总线采用安全隔离措施,使信号都经过高压隔离,经受的电压冲击典型值为1500VRMS/MIN或2000VRMS/S 显示路数:循环显示各测点的温度数值,可带两条测温电缆,共计128个测温点
开关量接入:有四路开关量输入,可分别接入各种环境探测器(离子烟雾传感器、微波红外传感器、浸水探测等)
五、低压柜测温(电缆测温)通讯网络:
采用RS485网络实现数据通讯,接入到监控计算机,通讯线缆采用屏蔽双绞线实现当地传输,有效的屏蔽了强烈的电磁干扰。
六、低压柜测温(电缆测温)监控主机:
研华(或研祥)工控机610。
七、ZRMSCAD低压柜测温(电缆测温)集中监控软件:
具有以下功能:
采集实时温度;
并进行监测和分析的功能;
超温分析,历史温度曲线分析温度场分析;
设置监测器的站点编号及报警温度等等;
曲线画面打印;
权限管理。
下图为低压柜测温(电缆测温)系统应用软件主界面(可根据用户要求定制):
八、低压柜测温(电缆测温)安装实例图。